护理资格技能高血压病人的健康教育答案
- 格式:docx
- 大小:23.46 KB
- 文档页数:8
内科护理学:高血压病人的护理相关习题及参考答案目录内科护理学:高血压病人的护理相关习题及参考答案 (1)一、原发性高血压的病因、病理改变和临床表现 (1)二、原发性高血压的辅助检查和治疗要点 (4)三、原发性高血压的护理问题、护理措施和健康教育 (7)一、原发性高血压的病因、病理改变和临床表现1.关于高血压病全身小动脉的病理生理改变,正确的叙述是A.管腔扩张B.侧支循环闭塞C.血管床减少D.管腔内径缩小E.壁腔比值减少2.病人,男性,45岁。
某外企高管,经常加班加点工作,且因为工作任务重而常常失眠,为促进睡眠会在睡觉前饮少量红酒。
最近单位体检时发现血压升高,家人觉得无法理解,,因为此人平时饮食较为清淡,体型相对偏瘦,家族中也无高血压病史。
针对家属的疑问,以下解释中正确的是A.其血压升高的原因不太清楚B.其血压升高与年龄增长有关C.其血压升高主要与长期的精神应激有关D.其血压升高与饮食过于清淡有关E.其血压升高主要与临睡前的饮酒有关3.3级高血压是指血压的范围为A.收缩压160~ 180mmHg,舒张压90~ 100mmHgB.收缩压160~ 180mmHg,舒张压100~ 110mmHgC.收缩压≥180mmHg,舒张压90~ 100mmHgD.收缩压≥180mmHg,舒张压100~ 110mmHgE.收缩压≥180mmHg,舒张压≥110mmHg4.病人,男性,45岁。
体检时护士为其测量血压为166/74mmHg。
该病人血压为A.1级高血压B.2级高血压C.3级高血压D.单纯收缩期高血压E.单纯舒张期高血压5.高血压可造成哪些靶器官的损伤A.心、肺、肾B.心、肝、肾C.肝、肺、肾D.心、脑、肾E.肺、心、肾6.病人,男性,48岁。
患高血压5年血压175/105mmHg,近日出现尿蛋白(+),应诊断为A.高血压1级B.高血压2级C.高血压3级D.肾小球肾炎E.肾衰竭7.病人,女性,50岁。
最近血压波动在( 160~ 170)/(90~95 ) mmHg,诊断为高血压,属于A.舒张期高血压B.收缩期高血压C.1级高血压D.2级高血压E.3级高血压8.病人,男性,42岁。
高血压病人的护理试题及答案1.目前国际上统一的高血压诊断标准为()A.BP≥120/80mmHgB.BP≥130/85mmHgC.BP≥140/90mmHg(正确答案)D.BP≥150/95mmHgE.BP≥160/100mmHg2.不属于原发性高血压导致靶器官受损并发症的靶器官是()A.脑B.心C.肾D.血管E.肝(正确答案)3.下列属于高血压3级的是()A.BP≥130/85mmHgB.BP≥140/90mmHgC.BP≥180/110mmHg(正确答案)D.BP≥160/100mmHgE.BP≥170/105mmHg4.原发性高血压的治疗目的是()A.降低颅内压B.预防和延缓并发症的发生(正确答案)C.提高疗效D.降低病死率E.推迟动脉硬化5.高血压病人需改善生活行为,控制血压。
下列行为正确的是()A.减轻体重(正确答案)B.高蛋白、高热量饮食C.尽早服用药物控制血压D.增加钠、钾的摄入E.高强度运动6.高血压急症药物治疗可首选()A.硝普钠(正确答案)B.硝酸甘油C.利尿剂D.甘露醇E.美托洛尔(倍他乐克)7.下列药物静脉滴注过程中,需严密监测血压的是()A.利多卡因B.氨茶碱C.胺碘酮D.硝普钠(正确答案)E.呋塞米A2型题1.病人,男性,68岁。
因头痛头晕1周,加重3天伴视物模糊入院。
查体:血压180/110mmHg。
眼底检查可见棉絮状渗出,心电图左心室肥大。
给予降压治疗。
通过选择性抑制Ca2+离子经细胞膜上的钙通道进入细胞内作用,而达到降压效果的药物是()A.氯沙坦B.维拉帕米(正确答案)C.美托洛尔D.氢氯噻嗪E.卡托普利2.病人,女性,50岁。
既往高血压病史十年。
近日出现劳力性呼吸困难,经休息后缓解。
诊断为心力衰竭,首先出现的是()A.左心室衰竭(正确答案)B.左心房衰竭C.右心室衰竭D.右心房衰竭E.全心衰竭3.病人,男性,50岁。
血压140/90mmHg,诊断为高血压。
遵医嘱给予非药物治疗。
护理健康教育相关试题答案
1. 健康教育是指通过各种形式的信息传递和教育活动,帮助人们获取健康知识,提高健康意识,促进健康行为,达到保护和改善健康水平的目的。
2. 护理健康教育的目标是提高患者和家属的健康素养和健康意识,促进自我管理能力的培养,以便更好地参与和配合医疗护理工作,实现康复治疗的效果,并预防疾病的发生和复发。
3. 常见的护理健康教育内容包括:疾病知识,如糖尿病、高血压等常见疾病的预防和控制知识;生活方式指导,如合理饮食、适量运动、养成良好的生活习惯;药物管理,包括正确用药方法和药物副作用的注意事项;康复训练,如康复体操、呼吸训练等;健康监测,如血压、血糖和体重的监测方法;心理调适,如减轻焦虑、缓解压力的方法等。
4. 在进行护理健康教育时,护士需要充分了解患者的需求和背景,以便针对性地进行教育活动。
护士应当使用易懂的语言,采用多媒体和互动方式,使患者更容易理解和接受教育内容。
5. 护士在进行护理健康教育时应注意以下几点:尊重患者的隐私和个人意愿;针对患者的特点和需求进行个性化的教育;用简洁明了的语言进行讲解,避免使用过于专业的术语;确保患者理解并掌握教育内容,可以通过提问和演示等方式进行巩固;鼓励患者主动参与,培养其自我管理的能力。
6. 教育评估是护理健康教育的重要环节,护士需要评估患者在
教育过程中的学习效果和行为改变。
评估方法可以包括问卷调查、观察、面谈等,以便了解教育效果并及时调整教育措施。
7. 护理健康教育的意义在于提高患者的健康素养和自我管理能力,减少疾病的发生和复发,提高医疗服务的效果和质量,减轻医疗资源的压力,促进健康社区的建设。
1.患者女性,53岁。
高血压病史6年,血压145/98mmHg,下列护理措施中错误的是A.协助用药尽快将血压降至较低水平B.改变体位时动作宜缓慢C.沐浴时水温不宜过高D.头晕、恶心时协助其平卧并抬高下肢E.保持大便通畅【答案】:A【解析】:考察高血压患者的护理措施。
为防止短时间内血压骤然下降,使机体重要器官的血流灌注明显减少,要采用逐渐降压。
当出现头晕、眼花、恶心、眩晕时,应立即平卧,以增加回心血量,改善脑部血液供应。
避免诱因:控制情绪、注意保暖、保持大便通畅,避免剧烈运动和用力咳嗽、避免突然改变体位、禁止长时间站立、不用过热的水洗澡和蒸汽浴。
2.某原发性高血压病人,吸烟史20年,肥胖,且前血压21.3/12.7kPa(160/95mmHg),下列健康教育内容哪项错误A.宜低盐、低脂、低胆固醇、低热量饮食B.Ⅰ级高血压应注意休息,避免过劳C.缓解期适当运动,控制体重D.血压高时服药,不高时不用服药E.每日定时测血压【答案】:D【解析】:考察高血压的健康教育。
从题干给出的患者的资料来看,患者肥胖且吸烟20年,因而高血压的非药物治疗措施如:戒烟、适量运动、减轻血压、保持情绪稳定、宜低盐、低脂、低胆固醇、低热量饮食需要给予患者指导,告知病人正确用药,按时服药,遵医嘱调整剂量,不随意增减和中断用药,并注意观察药物的不良反应。
3.病人,男性,60岁,测血压165/100mmHg,高血压病为A.正常高限B.轻度高血压C.中度高血压D.重度高血压E.单纯收缩期高血压【答案】:C【解析】:记忆性题目,考察高血压的分类,需掌握。
根据目前我国采用的血压分类和标准,中度高血压收缩压160~179mmHg,舒张压100~109mmHg。
4.常用的排钾利尿剂不包括A.氢氯噻嗪B.丁尿胺C.环戊噻嗪D.呋塞米E.螺内酯【答案】:E【解析】:考察利尿剂分类。
排钾利尿剂如氢氯噻嗪、呋塞米、丁脲胺等;保钾利尿剂如螺内酯、氨苯蝶啶。
高血压健康教育一、概述高血压是指以血压升高为主要临床表现的综合征,血压收缩压≥140mmHg和(或)舒张压≥90mmHg。
二、治疗原则高血压病人的主要治疗目的是最大程度地降低心脑血管并发症发生与死亡的总体危险。
(1)非药物治疗主要指生活方式干预,即去除不利于身体和心理健康的行为和习惯。
①控制体重;②减少食物中钠盐的摄入量,并增加钾盐的摄入量;③减少食物中饱和脂肪酸的含量和脂肪总理;④戒烟、限酒;⑤适当运动;⑥减少精神压力,保持心理平衡。
(2)药物治疗①高危、极高危或3级高血压病人,应立即开始降压药物治疗;②确诊的2级高血压病人,应考虑开始药物治疗;③Ⅰ级高血压病人,在生活方式干预数周后,血压仍≥140/90mmHg时,应开始降压药物治疗。
(3)高血压急症的治疗持续监测血压;尽快应用适宜的降压药进行控制性降压,初始阶段(一般数分钟至1小时内)血压控制的目标为平均动脉压的降低幅度不超过治疗前水平的25%。
在其后2-6小时内将血压降至安全水平,一般为160/100mmHg。
三、健康指导(1)疾病知识指导让病人了解自己的病情,包括高血压水平、危险因素及同时存在的临床疾患等,告知病人高血压的风险和有效治疗的益处,使其权衡利弊。
戒烟、不过量饮酒。
(2)饮食指导限制钠盐摄入,每天钠盐摄入量应低于6g,增加钾盐摄入。
(3)运动指导指导病人根据年龄和血压水平选择适宜的运动方式,合理安排运动量。
具体项目可选择步行、慢跑、游泳、太极拳、气功等。
运动强度因人而异,常见的运动强度指标为运动时最大心率达到170减去年龄。
(4)用药指导①强调长期药物治疗的重要性,用降压药物使血压降至理想水平后,应继续服用维持量,以保持血压相对稳定,以保持血压相对稳定。
②告知有关降压药的名称、剂量、用法、作用及不良反应,并提供书面材料。
③不能擅自突然停药,经治疗血压得到满意控制后,可以逐渐减少剂量。
如果突然停药,可导致血压突然升高,冠心病病人突然停用β受体阻滞剂可诱发心绞痛、心肌梗死等。
1.下列高血压病人的健康教育,错误的是: ( C ) A.适当运动,减轻体重B.定时门诊复查,根据血压调整用药C.血压降至正常,便可停药D.突发高血压时,应静卧,全身放松2.喉气管异物最严重的并发症是 ( C )A.声嘶B.喉痛C.喉头梗阻D.急性喉炎E.肺部感染3.水的生理功能不包括 ( C )A.组成人体B.参与新陈代谢C.增强抵抗力D.润滑作用E.调节体温4.属门静脉属支的是 ( B )A.直肠下静脉B.肠系膜下静脉C.卵巢静脉D.肾静脉E.肝静脉5.三腔气囊管使用注意事项中,下列哪项不妥 ( E ) A.充气量要适当B.牵引宜适度C.经常抽吸胃内容物D.拔管前宜服石蜡油E.出血停止后口服少量流质6.穿隔离衣时何时开始手被污染 ( D )A.取隔离衣时B.扣领扣C.扣肩扣时D.扣袖扣时E.系腰带时7.书写护理记录单时,晚夜班使用的记录笔是 ( A ) A.红钢笔B.蓝钢笔C.黑钢笔D.圆珠笔E.铅笔8.下列哪项内容有助于区别肾盂肾炎和膀胱炎 ( D ) A.尿频、尿急B.尿中有白细胞C.尿中有红细胞D.尿中有白细胞管型E.以上都不是9.少渣膳食要点 ( C )A.蔬菜、水果不限制B.少用调味品C.选用含纤维少的食物D.少用动物油E.注意烹调方法10.服用吩噻嗪类抗精神病药物后,发生低血压的应急处理为: ( B )A.轻者取头低足高位,重者立即肌内注射肾上腺素1mgB.轻者取头低足高位,重者肌内注射a-肾上腺素受体激动药对抗吩噻嗪类的作用C.轻者平卧位,重者立即肌内注射肾上腺素1mgD.轻者取头高足低位,重者肌内注射α-肾上腺素受体激动药对抗吩噻嗪类的作用11.护理伦理学主要研究: ( A )A.护理职业道德B.护理职业技术C.护理行为准则D.护理规范12.代谢性酸中毒的临床表现为 ( E )A.呼吸快而浅B.呼吸慢而浅C.尿液呈碱性D.钾离子进入细胞内E.呼吸深而快13.脊髓休克的表现不包括: ( C )A.骨骼肌的紧张性降低或丧失B.外周血管扩张,血压下降C.出汗增多D.直肠和膀胱中粪尿潴留14.在一系列正常规则的脉搏中,出现一次提前而且较弱的脉搏,其后有一个较正常延长的间歇,此脉搏称为: ( D )A.脉搏短绌B.缓脉C.洪脉D.间歇脉15.口服给药的注意事项下列哪项正确 ( C )A.铁剂、阿司匹林宜饭前服B.止咳糖浆服后宜多饮水C.磺胺类药服后应多饮水D.强心苷类药物服药前要先测血E.镇静安神药宜清晨空腹服用16.普鲁卡因青霉素之所以能长效,是因为 ( C )A.改变了青霉素的化学结构B.抑制排泄C.减慢了吸收D.延缓分解E.加进了增效剂17.下列资料中哪项属于主观资料 ( D )A.体温38℃B.面色发绀C.心动过速D.腹部胀痛E.呼吸困难18.冠状动脉搭桥术后拔出气管插管后多长时间可进水和流质: ( B )A.1小时B.2小时C.3小时D.4小时19.上尿路结石主要症状是 ( C )A.肾绞痛呈放射状B.尿频、尿痛C.疼痛、血尿D.尿频、血尿E.血尿并发热20.下列关于TUR综合征的叙述,错误的是: ( D )A.TUR是由于术中大量的冲洗液被吸收,使血容量急剧增加,形成稀释性低钠血症B.病人表现烦躁、恶心、抽搐、昏迷C.应减慢输液速度,给予利尿剂、脱水剂D.FUR综合征是前列腺术后常见的并发症21.老年人骨质疏松的预防措施不包括: ( D )A.增加钙摄入量B.加强体育锻炼C.慎用易于引起骨质疏松的药物D.每天可以饮咖啡一杯22.盆腔手术前留置导尿管的主要目的是 ( D )A.解除尿潴留B.防止尿失禁C.保持外阴清洁干燥D.避免术中误伤膀胱E.促进膀胱功能23.下列哪种状况者不宜作血液透析 ( A )A.严重休克低血压B.恶心C.呕吐D.嗜睡E.严重水肿24.使用压力控制通气(PCV)时,重点监测的内容是: ( B )A.气道压力B.潮气量C.通气模式D.触发灵敏度。
高血压病人的健康教育目的:为探索高血压病人有效的健康教育方法,减少脑血管意外的发生。
方法:关心重视高血压危险因素及保健知识,对健康人群进行健康教育。
结果:说明对高血压患者的健康教育是预防和控制高血压行之有效的措施。
标签:高血压;健康教育近几年来由于生活水平的提高,高血压的患病率更是以上升、快速发展的趋势成为我国医学领域的一个重要课题。
1 健康教育的实施方法正确评估病人的健康需求准确收集教育对象的相关资料,制定具体的教育内容和方法。
2 确定健康教育内容2.1 对于大量临界高血压及有高血压危险因素的人群,应普及健康良好的生活方式:①限制饮酒与咖啡,戒烟,特别是饮酒时抽烟更加重对心血管的毒害作用,对已吸烟者劝其戒烟或吸烟小于 5 支/d 。
②控制体重:建议计算法:标准体重=身高-105。
减少热卡的摄入,每日脂肪的热量30%总热量,饱和入(如:鱼子、鱿鱼等)。
增加不饱和脂肪酸的摄入,如淡水鱼类。
适度增加有氧运动量,如跳绳、慢跑、游泳等。
③限制钠盐:高纳饮食是公认的高血压首发因素,成人摄入食盐5—6g/d即可。
④饮食多样化,以谷类为主,适当食用粗粮和薯类,增加新鲜蔬菜和水果,保持大便通畅,适量饮用牛奶,增加矿物质钾、钙、镁、部分微量元素。
⑤保持情绪平和,勿易爆易怒。
避免不良情绪刺激,听轻音乐、练瑜珈、打太极都是有效减压方法。
⑥炒菜时少油、少糖,清淡饮食,补充粗纤维。
2.2 指导患者坚持长期用药多数高血压患者均需服用降压药,降压药必须在医生指导下服用,切不可擅自停药、改药,如有漏服,不可加倍服用。
2.3 定期监测血压大面积普查可以有效筛选高血压及临界高血压患者并可采取积极的健康干预。
定期监测血压可降低脑出血或脑溢血的发生率,并对用药具有指导意义2.4 自救对突发神志不清或抽搐,大小便失禁,偏瘫者迅速使患者平卧,不可随意搬动患者。
保持冷静,安慰患者,含服短效降压片如:“心痛定”一片,同时拨打120急救。
3 健康教育是对高血压健康干预的保障可以根据高血压病程长短,文化程度的高低,采用以通俗易懂的语言,通过电视、报纸等形式多方面介绍,加大宣传力度。
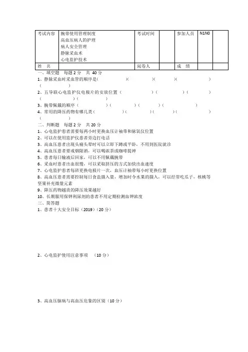
一、填空题每题2分共40分1、静脉采血时采血管的顺序是()()()()()2、五导联心电监护仪电极片的安放位置()()()()()3、腕带佩戴的顺序()()()()4、常用的降压药物有哪几类()()()()()二、判断题每题2分共20分1、心电监护患者需要每两小时更换血压计袖带和脉氧仪位置2、可以在使用监护仪患者旁边打电话3、高血压患者出现头痛头晕时可以立即下蹲或平卧,不用到医院就诊4、高血压患者要戒烟限酒,可以喝浓茶或咖啡提神5、患者每日输液后回家,可以不用佩戴腕带6、采血时患者出血很慢,可以采取挤压的方式加快出血速度7、心电监护患者每班更换电极片一次,血压计袖带每小时更换位置8、高血压患者需要控制每日食盐摄入量,增加时令水果的摄入,可以经常吃瓜子,核桃等坚果补充微量元素9、降压药物越贵的降压效果越好10、长期服用保钾利尿剂的患者不用定期检测血钾浓度三、简答题1、患者十大安全目标(2019)(20分)2、心电监护使用注意事项(10分)3、高血压脑病与高血压危象的区别(10分)腕带标识一般佩戴于患者上肢右侧,特殊情况下再依次:上肢左侧一下肢右侧一下肢左侧。
手腕带松紧适宜,尤其水肿病人应注意及时观察手顺带松紧度,发现不适及时更换利尿剂:呋塞米、螺内酯2)ß受体阻滞剂:普萘洛尔3)钙通道阻滞剂(CCB):硝苯地平4)血管紧张素转换酶抑制剂(ACEI):卡托普利、贝拉普利5)血管紧张素II受体阻滞剂(ARB):缬沙坦、氯沙坦高血压危象:在高血压病程中,致全身小动脉发生暂时性强烈痉挛,周围血管阻力明显增加,血压急剧升高,出现一系列急诊临床症状,称为~高血压脑病:血压极度升高的情况下,脑部小动脉先出现持续性痉挛,继而被动性或强制性扩张,出现急性脑循环障碍,导致脑水肿和颅内压升高及一系列临床表现,称为~。
高血压护理考试试题及答案一、单选题(每题2分,共20分)1. 高血压的定义是什么?A. 收缩压≥140mmHg,舒张压≥90mmHgB. 收缩压≥120mmHg,舒张压≥80mmHgC. 收缩压≥130mmHg,舒张压≥85mmHgD. 收缩压≥160mmHg,舒张压≥100mmHg答案:A2. 高血压患者日常饮食中应限制的营养素是:A. 蛋白质B. 脂肪C. 碳水化合物D. 维生素答案:B3. 高血压患者应避免的运动是:A. 散步B. 慢跑C. 举重D. 游泳答案:C4. 以下哪项不是高血压的常见症状?A. 头痛C. 低热D. 眩晕答案:C5. 高血压患者应定期检查的指标是:A. 血糖B. 血压C. 血脂D. 所有以上答案:D6. 高血压患者服用降压药物时,以下哪项是错误的?A. 按医嘱定时服药B. 根据症状自行调整药量C. 定期复查血压D. 服药期间注意药物副作用答案:B7. 高血压患者应如何控制体重?A. 随意增减体重B. 保持体重在正常范围内C. 增加体重以增强抵抗力D. 减少体重以降低血压答案:B8. 高血压患者应限制的饮料是:B. 咖啡C. 果汁D. 白开水答案:B9. 高血压患者应避免的生活习惯是:A. 早睡早起B. 规律饮食C. 吸烟饮酒D. 适量运动答案:C10. 高血压患者应如何监测血压?A. 每天测量一次B. 每周测量一次C. 每月测量一次D. 根据医生建议进行测量答案:D二、多选题(每题3分,共15分)11. 高血压患者应采取以下哪些生活方式改变?A. 减少盐分摄入B. 增加水果和蔬菜的摄入C. 限制酒精摄入D. 增加身体活动答案:A, B, C, D12. 高血压患者可能需要以下哪些药物治疗?A. 利尿剂B. ACE抑制剂C. 钙通道阻滞剂D. 抗焦虑药物答案:A, B, C13. 高血压的并发症可能包括:A. 心脏病B. 脑卒中C. 肾功能衰竭D. 视力减退答案:A, B, C, D14. 高血压患者应定期进行哪些检查?A. 心电图B. 血压监测C. 眼底检查D. 肾功能检查答案:A, B, C, D15. 高血压患者饮食中应增加哪些食物?A. 全谷物B. 深海鱼类C. 低脂乳制品D. 高糖饮料答案:A, B, C三、判断题(每题1分,共10分)16. 高血压患者应避免剧烈运动。
护理健康教育相关试题答案一、选择题1. 护理健康教育的主要目标是()。
A. 提高患者满意度B. 促进患者自我管理能力C. 减少医疗纠纷D. 增加医院收入答案:B2. 下列哪项不是健康教育的基本原则?()。
A. 个体化教育B. 以患者为中心C. 强制性教育D. 连续性教育答案:C3. 健康教育中,Pender's Health Promotion Model 强调()的重要性。
A. 健康信念B. 健康行为C. 健康政策D. 健康环境答案:B4. 在进行糖尿病患者健康教育时,护士应重点讲解()。
A. 药物治疗的重要性B. 血糖监测技术C. 饮食控制和运动的重要性D. 胰岛素注射技巧答案:C5. 吸烟患者想要戒烟,护士在健康教育中应提供()。
A. 药物治疗信息B. 戒烟热线电话号码C. 戒烟策略和支持资源D. 以上都是答案:D二、判断题1. 健康教育仅在患者出院时进行。
()答案:错误2. 护士在健康教育中扮演的是信息提供者的角色。
()答案:正确3. 健康教育可以帮助患者改善生活质量。
()答案:正确4. 健康教育内容应根据患者的文化背景和教育水平进行调整。
()答案:正确5. 健康教育是一次性活动,不需要长期跟进。
()答案:错误三、简答题1. 简述健康教育在慢性病管理中的作用。
慢性病管理中,健康教育起着至关重要的作用。
它帮助患者了解疾病的病因、病程、症状及并发症,提高患者对疾病的认知水平。
通过教育患者掌握自我管理技能,如合理用药、饮食控制、适量运动等,有助于提高患者的自我效能,促进健康行为的改变,从而有效控制病情,减少并发症的发生,提高生活质量。
2. 描述护士在健康教育中的角色和职责。
护士在健康教育中扮演着多重角色,包括教育者、沟通者、协调者和倡导者。
护士的职责是提供准确、及时的健康信息,帮助患者理解医疗方案,鼓励患者参与健康管理决策。
同时,护士还需要评估患者的学习需求和教育效果,与其他医疗团队成员协调合作,为患者提供连续性的教育支持,并倡导健康促进政策,改善患者的健康环境。
护士高血压考试题及答案一、单项选择题(每题2分,共50分)1. 高血压的诊断标准是什么?A. 收缩压≥140mmHg和/或舒张压≥90mmHgB. 收缩压≥120mmHg和/或舒张压≥80mmHgC. 收缩压≥130mmHg和/或舒张压≥85mmHgD. 收缩压≥160mmHg和/或舒张压≥100mmHg答案:A2. 高血压患者应限制摄入的哪种物质?A. 蛋白质B. 钾C. 钠D. 钙答案:C3. 高血压患者适宜的体重指数(BMI)应控制在哪个范围内?A. <18.5B. 18.5-24.9C. ≥30D. ≥25答案:B4. 高血压患者应如何进行日常血压监测?A. 每周测量一次B. 每月测量一次C. 每天测量一次D. 根据医生建议进行答案:D5. 高血压患者应避免哪种生活方式?A. 适量运动B. 低盐饮食C. 戒烟限酒D. 高脂饮食答案:D(后续题目略)二、多项选择题(每题3分,共30分)1. 高血压患者应采取哪些措施以降低血压?A. 增加运动B. 减少盐分摄入C. 增加酒精摄入D. 控制体重答案:ABD2. 高血压的常见并发症包括哪些?A. 心脏病B. 脑卒中C. 肾脏疾病D. 骨折答案:ABC(后续题目略)三、判断题(每题1分,共20分)1. 高血压患者应避免剧烈运动。
(对)2. 高血压患者可以随意摄入高盐食物。
(错)3. 高血压患者应定期进行血压监测。
(对)(后续题目略)结束语:本试题旨在考察护士对高血压相关知识的掌握程度,希望每位考生都能通过本次考试,加深对高血压疾病的认识,为患者提供更专业的护理服务。
执业护士资格证考试《高血压病》试题及答案2018 年执业护士资格证考试《高血压病》试题及答案A1 型题:每一道考试题下边有A、B、C、D、E 五个备选答案。
请从中选择一个最正确答案。
1.高血压伴有低血钾应第一考虑A.主动脉缩窄B.原发性醛固酮增加症C.嗜铬细胞瘤D.继发于慢性肾炎的高血压E.肾动脉狭小正确答案 :B 解题思路:原发性醛固酮增加症是因为肾上腺皮质病变致醛固酮分泌增加,肾素-血管紧张素活性受抑,临床表现为高血压、低血钾、碱血症、碱性尿为特色的一组继发性高血压。
对同时有高血压、低血钾患者应疑为原发性醛固酮增加症。
若有高血压、低血钾、高尿钾、碱血症、碱性尿、醛固酮分泌增高和血浆肾素、血管紧张素活性受抑,则可确诊。
2.高血压防治中健康教育的对象是A.全人群B.学龄期少儿C.中老年人群D.高血压病高危人群E.高血压病人正确答案 :A3.慢性肾炎惹起高血压肾功能不全与高血压病惹起肾功能不全的最重要的鉴识资料是A.血压增高程度B.肾功能伤害程度C.眼底改变D.高血压与肾炎的发病史E.心功能改变正确答案 :D4.以下降压药物中便秘发生率最高的药物是A.硝苯地平B.维拉帕米C.氯沙坦D.普萘洛尔E.卡托普利正确答案 :B 解题思路:维拉帕米口服可出现便秘、腹胀、腹泻及头痛等。
硝苯地平时有不良反响为眩晕、头痛、心悸、低血压。
普萘洛尔不良反响可致窦性心动过缓,房室传导阻滞等。
氯沙坦的不良反响可出现低血压。
卡托普利可有低血压、血糖降低、高血钾等不良反响5.诊疗高血压依照的血压值的丈量方法是A. 未用降压药的状况下, 2 次或 2 次以上非同日血压值的均值B. 未用降压药的状况下, 2 次或 2 欢以上同日血压值的均值C.用降压药的状况下, 2 次或 2 次以上非同日血压值的均值D.用降压药的状况下, 2 次或 2 次以上同日血压值的均值E.歇息 5 分钟后测定的血压值正确答案 :A6.原发性高血压的主要病理生理是A.心排出量高升B.交感神经喜悦性增添C.肾素分泌过多D.四周血管阻力增添E.血管内皮细胞过多分泌内皮素正确答案 :D7.1999 年世界卫生组织和国际高血压学会(WHO/ISH) 拟订和修改的新的正常人血压标准为A.BP120/80mmHgB.BP130/85mmHgC.BP139/89mmHgD.BP140/90mmHgE.BP160/100mmHg正确答案 :B8.除哪项外,以下均是血管紧张素II 的功能A.直接使小动脉缩短B.使交感神经发放激动增添C.刺激肾上腺皮质网状带,使醛固酮分泌增加D.使静脉缩短,回心血流量增加E.增添渴觉,致使饮水行为正确答案 :C9.高血压危险分层标准最主要的依照是A.病程长短B.血压增高速度C.症状轻重D.器官伤害及功能代偿状况E.以上都不是正确答案 :D10.高血压三级的临床表现,不包含以下哪项A.心绞痛B.脑卒中C.视网膜出血、溢出D.血肌酐 106-177μmol/LE.主动脉夹层动脉瘤正确答案 :D11.高血压危象的发活力制可能为A.体制尚不清楚B.过高血压打破脑血管的自己调理能力,脑灌输过多C.交感神经功能亢进和血循环中儿茶酚胺过多D.先本性血管畸形E.血管肾素活性显然增高正确答案 :C12.以下何为老年人高血压酌最主要特色A.多属轻中型,恶性者稀有B.以纯缩短压高升为常见C.大多半系动脉粥样硬化致使动脉弹性减退D.四周血浆肾素活性降低E.血压颠簸显然正确答案 :B13.高血压伴有低钾第一应试虑A.皮质醇增加症B.原发性醛固酮增加症C.嗜铬细胞瘤D.继发于慢性肾炎的高血压E.肾动脉狭小正确答案 :B14.依据 WHO 诊疗标准,高血压定义为A.≥130/85mmHgB.≥140/90mmHgC.≥150/95mmHgD.≥160/100mmHgE. ≥180/110mmHg正确答案 :B15.关于高血压病人的降压治疗,下述哪项是不对的A.除危大病例外,降压药物从小剂量开始B.绝大多半病人需要长久用药C.血压降至正常时,即可停药D.首选第一线降压药物E.依据个体化原则采用降压药物正确答案 :C 解题思路:原发性高血压诊疗一旦确定,往常需要终生治疗。
高血压病的护理试题及答案一、单选题1. 高血压病的诊断标准是什么?A. 收缩压≥140mmHg,舒张压≥90mmHgB. 收缩压≥130mmHg,舒张压≥85mmHgC. 收缩压≥160mmHg,舒张压≥100mmHgD. 收缩压≥120mmHg,舒张压≥80mmHg答案:A2. 高血压病的一级预防措施包括以下哪项?A. 定期测量血压B. 服用降压药C. 限制钠盐摄入D. 以上都是答案:D3. 高血压病患者在饮食上应遵循哪些原则?A. 高盐、高脂饮食B. 低盐、低脂、高纤维饮食C. 高糖、高蛋白质饮食D. 随意饮食答案:B4. 高血压病患者在日常生活中应避免哪些行为?A. 剧烈运动B. 情绪波动C. 长时间站立D. 以上都是答案:D5. 高血压病患者在药物治疗中应注意什么?A. 随意增减药物剂量B. 按医嘱定时服药C. 根据自我感觉调整药物D. 长期服用同一种药物答案:B二、多选题6. 高血压病的常见并发症包括哪些?A. 心脏病B. 脑卒中C. 肾功能衰竭D. 糖尿病答案:ABC7. 高血压病患者在护理中应注意哪些方面?A. 定期监测血压B. 合理用药C. 心理护理D. 饮食控制答案:ABCD8. 高血压病的非药物治疗措施包括哪些?A. 戒烟限酒B. 控制体重C. 适当运动D. 减少精神压力答案:ABCD三、判断题9. 高血压病患者应避免所有运动。
(错误)10. 高血压病患者应定期进行体检,以监测血压变化。
(正确)四、简答题11. 简述高血压病的三级预防策略。
答案:一级预防:通过健康教育、生活方式改善等措施预防高血压的发生。
二级预防:对已确诊的高血压患者进行规范治疗,控制血压在理想水平,防止并发症的发生。
三级预防:对高血压并发症进行积极治疗,减少病死率和病残率。
五、案例分析题12. 患者李某,男,55岁,诊断为高血压病3年,平时血压控制不理想,最近出现头痛、头晕等症状,血压测量结果为180/110mmHg。
高血压病的健康教育及中西医防治
执业药师继续教育答案
1、常用高血压药物包括(D)
A血管紧张素转化酶抑制剂
B血管紧张素II受体拮抗剂
C钙通道阻滞剂
D以上均是
2、欧美国家高血压治疗率均为55%~90%,而我国经诊断患者高血压治疗率不足(A)
A 50%
B 60%
C 70%
D 80%
3、高血压患者一般每天摄盐量控制在(A)克
A 6~8克
B 7~9克
C 8~10克
D 10~11克
4、下列属于血管紧张素II受体拮抗剂的药物是(D)
A硝苯地平
B依那普利
C盐酸特拉唑嗪
D结沙坦
5、优先选用二氢吡啶类CCB的人群包括(B)
A容量性高血压患者
B AC均是
C合并动脉粥样硬化的高血压患者
D AC均不是
6、维拉帕米与地尔硫䓬禁用于(C)
A高血压合并心绞痛
B高脂血症
C相对禁用于心力衰竭患者
D高血压合并室上性心动过速
7、α受体阻滞剂禁用于溃疡病。
(正确)
正确错误
8、欧美国家高血压治疗率达标率为35%~75%,我国高血压治疗达标率仅为(A)
A 29.60%
B 26.90%
C 30.60%
D 39.60%
9、哪类高血压患者适用于β受体阻滞剂(D)
A伴快速性心律失常
B伴冠心病
C伴主动脉夹层
D以上均是
10、ACEI/ARB适用于下列哪类患者(ABC)A轻、中、重度高血压患者
B左室肥厚患者
C慢性肾脏病患者
D高血钾患者。
高血压护士真题答案及解析高血压,也被称为高血压症,是一种慢性疾病,常常不引起明显的症状,但却对身体健康产生了极大的威胁。
护士们在日常工作当中,需要具备高血压的相关知识和技能,才能够更好地参与患者的护理和管理。
在高血压护士考试中,有一些经典的真题,下面我们将通过选取一些典型问题,来进行答案及解析。
题目一:高血压的定义是什么?答案及解析:高血压是指在静息状态下,舒张压≥90毫米汞柱(mmHg)和/或收缩压≥140mmHg的状况。
这是根据世界卫生组织的定义,实际上不同的医学标准也可能略有不同。
在临床实践中,血压的测量是十分重要的,因为高血压会加重心血管和肾脏的负担,增加患者发生心脑血管事件的风险。
题目二:高血压的危险因素有哪些?答案及解析:高血压的发生与多种因素相关,主要包括以下几个方面:1. 年龄:随着年龄的增长,血管壁逐渐硬化,容易导致血压升高。
2. 高盐饮食:摄入过多的盐分会造成体内的水钠潴留,增加血容量,使血压升高。
3. 饮食结构不合理:摄入过多的高脂、高糖和高胆固醇食物会导致肥胖、血脂异常,从而引起高血压。
4. 缺乏运动:长时间久坐、缺乏运动会导致体重增加、脂肪堆积,进而引发高血压。
5. 饮酒和吸烟:过量饮酒和吸烟会使血压升高,增加患高血压的风险。
6. 遗传因素:如果有高血压的家族史,个体患病风险会增加。
题目三:高血压的并发症有哪些?答案及解析:高血压是一种慢性疾病,如果长期得不到控制,可能会导致多种并发症,主要包括:1. 心血管疾病:高血压会导致心肌肥厚、冠心病、心力衰竭等疾病的发生,严重时甚至引发心脏病发作和猝死。
2. 脑血管疾病:高血压会引起脑血管病变,如脑缺血、脑出血,导致中风和短暂性脑缺血发作等。
3. 肾脏疾病:高血压会影响肾小球滤过功能,导致肾功能衰竭。
4. 视网膜病变:高血压对眼底血管产生损害,可引起视网膜病变,严重时可导致失明。
5. 其他:高血压还可能引发动脉粥样硬化、糖尿病等疾病。
1.下列高血压病人的健康教育,错误的是:(C) A.适当运动,减轻体重
B.定时门诊复查,根据血压调整用药
C.血压降至正常,便可停药
D.突发高血压时,应静卧,全身放松
2.喉气管异物最严重的并发症是(C)
A.声嘶
B.喉痛
C.喉头梗阻
D.急性喉炎
E.肺部感染
3.水的生理功能不包括(C)
A.组成人体
B.参与新陈代谢
C.增强抵抗力
D.润滑作用
E.调节体温
4.属门静脉属支的是(B)
A.直肠下静脉
B.肠系膜下静脉
C.卵巢静脉
D.肾静脉
E.肝静脉
5.三腔气囊管使用注意事项中,下列哪项不妥(E) A.充气量要适当
B.牵引宜适度
C.经常抽吸胃内容物
D.拔管前宜服石蜡油
E.出血停止后口服少量流质
6.穿隔离衣时何时开始手被污染(D)
A.取隔离衣时
B.扣领扣
C.扣肩扣时
D.扣袖扣时
E.系腰带时
7.书写护理记录单时,晚夜班使用的记录笔是(A) A.红钢笔
B.蓝钢笔
C.黑钢笔
D.圆珠笔
E.铅笔
8.下列哪项内容有助于区别肾盂肾炎和膀胱炎(D) A.尿频、尿急
B.尿中有白细胞
D.尿中有白细胞管型
E.以上都不是
9.少渣膳食要点(C)
A.蔬菜、水果不限制
B.少用调味品
C.选用含纤维少的食物
D.少用动物油
E.注意烹调方法
10.服用吩噻嗪类抗精神病药物后,发生低血压的应急处理为:(B)
A.轻者取头低足高位,重者立即肌内注射肾上腺素1mg
B.轻者取头低足高位,重者肌内注射a-肾上腺素受体激动药对抗吩噻嗪类的作用C.轻者平卧位,重者立即肌内注射肾上腺素1mg
D.轻者取头高足低位,重者肌内注射α-肾上腺素受体激动药对抗吩噻嗪类的作用11.护理伦理学主要研究:(A)
A.护理职业道德
B.护理职业技术
C.护理行为准则
D.护理规范
12.代谢性酸中毒的临床表现为(E)
A.呼吸快而浅
B.呼吸慢而浅
D.钾离子进入细胞内
E.呼吸深而快
13.脊髓休克的表现不包括:(C)
A.骨骼肌的紧张性降低或丧失
B.外周血管扩张,血压下降
C.出汗增多
D.直肠和膀胱中粪尿潴留
14.在一系列正常规则的脉搏中,出现一次提前而且较弱的脉搏,其后有一个较正常延长的间歇,此脉搏称为:(D)
A.脉搏短绌
B.缓脉
C.洪脉
D.间歇脉
15.口服给药的注意事项下列哪项正确(C)
A.铁剂、阿司匹林宜饭前服
B.止咳糖浆服后宜多饮水
C.磺胺类药服后应多饮水
D.强心苷类药物服药前要先测血
E.镇静安神药宜清晨空腹服用
16.普鲁卡因青霉素之所以能长效,是因为(C)
A.改变了青霉素的化学结构
B.抑制排泄
C.减慢了吸收
D.延缓分解
E.加进了增效剂
17.下列资料中哪项属于主观资料(D)
A.体温38℃
B.面色发绀
C.心动过速
D.腹部胀痛
E.呼吸困难
18.冠状动脉搭桥术后拔出气管插管后多长时间可进水和流质:(B) A.1小时
B.2小时
C.3小时
D.4小时
19.上尿路结石主要症状是(C)
A.肾绞痛呈放射状
B.尿频、尿痛
C.疼痛、血尿
D.尿频、血尿
E.血尿并发热
20.下列关于TUR综合征的叙述,错误的是:(D)
A.TUR是由于术中大量的冲洗液被吸收,使血容量急剧增加,形成稀释性低钠血症B.病人表现烦躁、恶心、抽搐、昏迷
C.应减慢输液速度,给予利尿剂、脱水剂
D.FUR综合征是前列腺术后常见的并发症
21.老年人骨质疏松的预防措施不包括:(D)
A.增加钙摄入量
B.加强体育锻炼
C.慎用易于引起骨质疏松的药物
D.每天可以饮咖啡一杯
22.盆腔手术前留置导尿管的主要目的是(D)
A.解除尿潴留
B.防止尿失禁
C.保持外阴清洁干燥
D.避免术中误伤膀胱
E.促进膀胱功能
23.下列哪种状况者不宜作血液透析(A)
A.严重休克低血压
B.恶心
C.呕吐
D.嗜睡
E.严重水肿
24.使用压力控制通气(PCV)时,重点监测的内容是:(B)
A.气道压力B.潮气量C.通气模式D.触发灵敏度
THANKS !!!
致力为企业和个人提供合同协议,策划案计划书,学习课件等等
打造全网一站式需求
欢迎您的下载,资料仅供参考。