专业工程分包商等级评价明细表
- 格式:xls
- 大小:19.50 KB
- 文档页数:1
工程承包商通用综合评价评分表项目名称:单位及项目负责人:工程承包商通用综合评价评分表总结在工程建设领域,对承包商进行综合评价是确保工程质量、进度、安全以及服务水平的重要手段。
本文基于“工程承包商通用综合评价评分表(标准版)”的内容,从质量控制、进度控制、安全管理、协调配合度、技术服务能力以及售后服务等六个关键方面,对工程承包商的全面评估体系进行了深入剖析和总结。
1. 质量控制质量控制是工程建设的基石,直接关系到项目的成败。
该评分表明确规定了工程质量必须符合合同约定,主控项目必须合格且不违反强制性条文。
此外,工程所用材料也需严格符合设计、规范及合同要求。
对于竣工后出现的质量问题,采取了严格的扣分机制,如普遍性、系统性及观感差问题每项扣2分,确保工程质量达到高标准。
通过这一系列措施,有效促进了承包商在质量控制方面的自我提升和持续改进。
2. 进度控制进度控制是项目管理的重要环节,直接关系到项目的按期交付。
评分表对节点进度和工期设置了具体的评分标准,如实际进度不符合计划要求每次扣2分,总工期每超1天扣1分,超过15天则全部扣除。
这些标准不仅明确了时间节点的重要性,还强调了延误成本的严重性,促使承包商在项目实施过程中加强进度管理,确保按时完成任务。
3. 安全管理安全管理是工程建设中的头等大事,关系到人员生命安全和财产安全。
评分表将安全管理置于重要地位,规定安全轻伤事故扣2分,重伤事故扣4分,死亡事故则全部扣除。
这种严格的扣分机制促使承包商高度重视安全生产工作,建立健全安全管理体系,加强安全教育培训,确保施工现场的安全有序。
4. 协调配合度协调配合度是衡量承包商项目管理能力的重要指标。
评分表从对各级管理部门指令的配合度出发,细化了多个评分项。
例如,对公司、监理等部门提出的问题整改不及时或不积极响应每次扣2分;对工程部、项目部提出的配合协调要求不积极响应每次扣1分等。
这些规定强调了承包商在项目管理中的协作精神和执行力,有助于提升整个项目的运作效率。
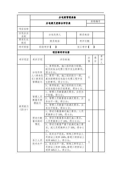
工程分包商评价表工程分包商评价表分包商名称:(此处应填写分包商名称)序号评价内容标准分值评价标准编号法人代表得分1 工程质量 152 安全文明 153 施工进度 104 物资管理 105 纠正措施 106 合作性 107 劳务管理 108 相关方意见 10评价标准:1.工程质量:根据工程质量的优良程度,分为四个等级,分别得到不同的分数。
优良程度越高,得分越高。
2.安全文明:根据安全文明、环境保护的情况,分为四个等级,分别得到不同的分数。
安全文明、环境保护越好,得分越高。
3.施工进度:根据施工进度的满足程度,分为三个等级,分别得到不同的分数。
施工进度满足程度越高,得分越高。
4.物资管理:根据现场材料、设备、施工机械管理的规范程度,分为四个等级,分别得到不同的分数。
管理规范程度越高,得分越高。
5.纠正措施:根据纠正措施的及时性和符合规定要求程度,分为三个等级,分别得到不同的分数。
纠正措施的及时性和符合规定要求程度越高,得分越高。
6.合作性:根据与总包及其他分包商的配合程度,分为五个等级,分别得到不同的分数。
配合程度越好,得分越高。
7.劳务管理:根据劳务人员管理的规范程度和工资发放的及时性,分为四个等级,分别得到不同的分数。
管理规范程度和工资发放的及时性越高,得分越高。
注意事项:1.评价内容中的分值为该项评价所占总分的比例。
2.相关方意见项由相关方对分包商的评价进行打分,得分为该项评价所占总分的比例。
3.分数为整数,最高得分为100分。
4.若分包商存在明显问题,如工程质量不合格、发生严重伤亡或环境污染事故等,应直接得0分。
5.若分包商存在其他问题,可根据实际情况进行适当扣分。
工程分包商评价表表式HB/OM/04-9]分包商名称:序号评价内容标准分数评价标准编号法人代表1 竣工保修 10 100 竣工保修及时,态度良好,质量优良,得9-10分;竣工保修及时,态度、质量一般,得6-8分;竣工保修不及时,态度、质量较差,得1-5分。
分包商评价推荐表
填报单位:日期:推荐分包商名称单位地址
法定代表人注册资金
企业性质营业执照注册号
分包商资质情况资质证书编号
安全生产负责人安全资质证书编号
近期类似
工程业绩
职业健康安全
良好环境保护管理
良好
保证能力能力
有无不良记录无有无不良记录无
评价负责人对以
上内容的确认和
综合评价记录
项目总工程师(评价负责人):日期:项目部推荐意见项目经理:日期:经营部意见
日期:
日期:
法律事务部意见
日期:
日期:
安技部意见
日期:公司领导
审批意见日期:。