水库除险加固工程项目划分表
- 格式:doc
- 大小:83.00 KB
- 文档页数:6
水库除险加固工程施工组织设计编制: ________________________ 审核: _________________________ 审批: _________________________ 编制单位:编制日期:2009年12月15日目录第一章工程概况1.1工程概况 (1)1.2施工条件 (1)1.3 建筑材料来源 (1)1.4 项目工作范围 (1)第二章施工组织机构及主要岗位职责2.1施工承诺 (2)2.2 施工组织机构 (3)2.3项目主要管理人员岗位职责 (3)第三章施工总体布置3.1 施工总体布置说明 (6)3.2施工道路 (6)3.3临时办公及生产生活设施 (6)3.4施工用水、用电、通讯、排水 (7)第四章土方工程施工方案4.1 土方开挖施工方法 (8)4.2 填筑 (8)4.3 铺料 (9)4.4 碾压 (9)4.5 草皮护坡施工 (9)第五章砼及钢筋砼施工方案5.1工程内容 (11)5.2 施工机械配备 (11)5.3 主要部位施工方法 (11)5.4 施工质量控制措施 (14)第六章砌体工程施工方案6.1主要工程内容及施工进度安排 (17)6.2 砌体主要施工方法和程序 (17)6.3 浆砌块石施工方法 (18)第七章水泥土防渗墙施工方案7.1 施工程序及施工进度安排 (20)7.2 施工要求及设备选择 (21)7.3 水泥土防渗墙施工工艺 (22)7.4 质量管理措施 (24)第八章施工进度计划及工期保证措施8.1 施工进度计划编制原则 (25)8.2 施工进度计划 (25)8.3工期安排 (25)8.4 施工进度计划横道图 (26)8.5 工期保证措施 (26)第九章工程质量管理9.1质量目标 (29)9.2质量保证体系及质量实施作业体系 (29)9.3 质量保证措施 (33)9.4 施工过程质量检验 (34)9.5 施工技术规范及标准 (35)9.6 材料合格率保证 (36)第十章安全管理体系及措施10.1安全生产目标 (37)10.2 安全生产管理体系 (37)10.3安全生产措施 (38)第十一章文明施工与环境保护措施11.1文明施工措施 (40)11.2环境保护措施 (41)附表一:拟投入本工程主要施工机械设备表附表二:拟配备本标段的试验和检测设备表附表三:劳动力计划表附表四:计划开、竣工日期和施工进度网络图附表五:施工总平面图附表六:临时用地表第一章工程概况1.1工程概况272万m,设计洪水位153.74m,相应库容224万0 0 0水库位于,,,县千家河支游,总库容m;正常蓄水位151.34m,正常库容114万m;死水位146.34m,死库容8万m;有效库容106万m。
水库除险加固工程项目划分表剖析简介水库是人类社会发展的重要成果,具有防洪、灌溉等作用。
然而,由于建造时间久远、技术水平限制、管理不当等原因,现存水库大多已经老化,存在安全隐患。
因此,水库除险加固工程已经成为保障水库安全稳定的重要工作,涉及的任务繁杂,分工明确。
本文就水库除险加固工程项目划分表进行剖析。
项目划分表项目划分表是水库除险加固工程中的一个重要内容,它将整个工程划分为若干个小型任务,使项目具有时限性、可控性和可量化。
而划分表中的工作内容则需要根据实际情况进行具体的操作和实施。
项目划分表通常包括以下几个方面:1. 工作内容水库除险加固工程的工作内容非常复杂,包括钢筋、水泥混凝土等建筑材料的清理、维修和更换等方面。
在项目划分表中,可以将其划分为以下内容:•全面检查水库各部位是否有漏洞、透水现象、沉降等情况•发现问题及时通告下达相关指令,整合工程团队•确定工程所需材料,并安排进货•施工前准备工作:清理杂物、矫正变形、清理粉尘、开展安全教育等•定期监控施工工作并及时汇报统计工作情况2. 项目周期项目周期是指整个工程所需花费的时间,因为水库修建时间长,进行除险加固工程时间也长,一般需要分阶段进行,所以在划分表中具体的项目周期是必须要明确的。
3. 项目成本除险加固工程所需材料和人力成本都很高,划分表中需要考虑每个项目的成本,以便在预算阶段进行考虑,为工程的开展提供经费保障。
4. 工程量评估划分表中还应将工程量进行评估,并进行详细的台账记录。
工程量评估可分项相应评估,通过对各项工程量的点评,可以为进一步的施工提供参考和依据。
5. 项目组织架构项目组织架构是指项目团队的划分和人员配备,通常包括项目经理、监理工程师、现场工程师等岗位。
不同的岗位需分配不同的任务和责任,保障整个团队的协同效益。
水库除险加固工程是保障水库安全稳定的重要工作,而项目划分表则是保障工作能够计划有序和有针对性地进行的重要工具。
本文通过剖析项目划分表的内容,可以更好的了解水库除险加固工程的整体框架。
浦江县金山水库除险加固工程2016年防汛应急方案桐庐富春水利水电建筑浦江县金山水库除险加固工程项目部二0一六年三月度汛设计报告一、工程概况1. 水库大体情形金山水库位于浙江省浦江县郑宅镇外岭脚村,所属水系属浦阳江支流白麟溪支流。
水库坝址以上集雨面积,主流长度为。
. 水库大体特点值金山水库除险加固前正常蓄水位为(85黄海高程,下同),正常库容万m3,50年一遇设计洪水位米,相应库容万m3,500年一遇校核洪水位米,总库容。
死水位75米,相应库容万m3。
水库浇灌面积8742亩,防洪爱惜人口14060人,是一座以浇灌、防洪为主的小(1)型水库工程任务、规模及各项特点值工程特性表表1-7 工程要紧特性表二、水文流域概况浦江县位于金华市北部,东经119°42′~120°07′,北纬29°21′~29°41′之间。
东北邻诸暨市,东南接义乌市,西南与兰溪市毗连,西北和建德,桐庐市交界,距金华城区46KM。
浙江千里岗山脉之龙门山地,自西向东进入浦江,在县内分北支.中支.南支和浦东山脉,与会稽山脉东西相接。
四支中以北支山脉地形最高,海拔为500~1000m,中支山脉俗称“北山”,多为低山丘陵,自西向东,把浦江分为南北两半,其北壶源江横贯其中,其南由中支.南支和浦东三支丘陵低山环拱而成浦江盆地,浦阳江居中横贯。
浦江地貌类型分为平畈.岗地.丘陵和山地。
浦江河流均为钱塘江水系,要紧有浦阳江和壶源江,都是钱塘江一级支流,均发源于浦江县花桥乡高塘村西后山。
浦阳江由西南向东往北,贯穿浦江盆地,流经县南部和东部,经诸暨市到萧山市闻家堰汇入钱塘江;壶源江由西往北往东,穿越浦江北部山区。
流经县西北部和东北部,经桐庐市东南角到富阳市清江口汇入富春江。
金山水库位于浦阳江支流白麒溪分支后溪上游,郑宅镇西北,坝址距镇宅镇1Km,距浦江县城15Km。
水库集水面积㎞²,引水面积㎡,主源长度㎞,河道平均比降℅,迎沟渠长㎞,坡率;水库正常蓄水位,相应库容万m3,总库容万㎥,是一座以浇灌.防洪为主的小(1)型水库。
水库除险加固绩效目标表三级指标模板分析一、水库除险加固绩效目标表概述水库是国家重要的水利工程,对于确保人民生命财产安全和国家经济社会发展具有极其重要的作用。
在当前复杂多变的自然环境和人类活动影响下,水库的安全问题日益突出,为了防止水库发生险情,水库的除险加固工作显得尤为重要。
水库除险加固绩效目标表作为评价水库工程安全的重要工具,具有指导性和评估性,并且是水库管理者、技术人员和监管部门进行工作评价和决策的依据。
二、水库除险加固绩效目标表三级指标模板1. 一级指标:水库工程结构安全1.1 二级指标:坝体安全1.1.1 三级指标:坝体稳定性评估- 主要工作内容:对坝体的稳定性进行综合评估分析,包括地质构造、坝体结构、渗流条件等方面的评估。
- 相关技术指标:坝体的滑坡、决口、渗流等问题评价。
1.1.2 三级指标:坝基稳定性评估- 主要工作内容:对坝基及其周边岩土的稳定性进行评估分析,包括坝基岩土的力学性质、地下水情况、地震动力学特性等方面的评估。
- 相关技术指标:地基沉降、地震破坏、滑动破坏等问题评价。
2. 一级指标:水库管理机构安全管理水平2.1 二级指标:水库管理人员素质2.1.1 三级指标:管理人员专业知识- 主要工作内容:对水库管理人员整体专业知识水平进行评估,包括水利工程知识、灾害防治知识、管理技能等方面的评估。
- 相关技术指标:管理人员资格证书、相关专业技能培训情况等。
2.1.2 三级指标:管理人员责任意识- 主要工作内容:对管理人员的安全责任意识进行评估,包括应急处置能力、风险防范意识等方面的评估。
- 相关技术指标:责任制度执行情况、事故应急预案执行情况等问题评价。
3. 一级指标:水库周边环境生态保护3.1 二级指标:水库周边生态环境状况3.1.1 三级指标:水库周边植被保护- 主要工作内容:对水库周边植被状况进行评估,包括植被种类、覆盖率、稳定性等方面的评估。
- 相关技术指标:水土流失情况、植被疏散情况等。
工程项目划分报审表
(承包[2014]项分01 号)
说明:本表一式 4 份,由承包人填写,监理机构审核后,承包人、监理机构、发包人、质量监督机构各1份。
工程项目划分报审表
工程名称:龙海市水磨坑水库除险加固工程
说明:本表一式 4 份,由监理机构填写,监理机构、承包人、发包人、质量监督机构各1份。
关于要求确认福建省龙海市水磨坑水库除险加固工
程项目划分的报告
龙海市港尾水利管理站:
根椐《水利水电工程施工质量检验与评定标准》(SL176-2007)和水利工程建设程序的相关要求,我单位组织监理、设计及施工等单位对福建省龙海市水磨坑水库除险加固工程进行了项目划分,具体划分为1个单位工程、9个分部工程、81个单元工程。
详见附表。
以上划分妥否,请予批复确认。
附:龙海市水磨坑水库除险加固工程项目划分表
龙海市水磨坑水库除险加固工程项目部
2014 年月日。
工 程 项 目 划 分 表工程项目名称:木兰县东风水库除险加固工程 填表日期:2012 年 4 月 13 日 № 1项目法人负责人: 总监理工程师: 设计代表:黑龙江省水利工程质量监督中心站制 施工单位负责人:工 程 项 目 划 分 表工程项目名称:木兰县东风水库除险加固工程 填表日期:2012 年 4 月 13 日 № 2项目法人负责人: 总监理工程师: 设计代表: 施工单位负责人:黑龙江省水利工程质量监督中心站制工 程 项 目 划 分 表工程项目名称:木兰县东风水库除险加固工程 填表日期:2012 年 4 月 13 日 № 3项目法人负责人: 总监理工程师: 设计代表:黑龙江省水利工程质量监督中心站制 施工单位负责人:工 程 项 目 划 分 表工程项目名称:木兰县东风水库除险加固工程 填表日期:2012 年 4 月 13 日 № 4项目法人负责人: 总监理工程师: 设计代表:黑龙江省水利工程质量监督中心站制 施工单位负责人:工 程 项 目 划 分 表工程项目名称:木兰县东风水库除险加固工程 填表日期:2012 年 4 月 13 日 № 5项目法人负责人: 总监理工程师: 设计代表:黑龙江省水利工程质量监督中心站制 施工单位负责人:工 程 项 目 划 分 表项目法人负责人: 总监理工程师: 设计代表:黑龙江省水利工程质量监督中心站制 施工单位负责人:工 程 项 目 划 分 表工程项目名称:木兰县东风水库除险加固工程 填表日期:2012 年 4 月 13 日 № 7项目法人负责人: 总监理工程师: 设计代表:黑龙江省水利工程质量监督中心站制 施工单位负责人:工 程 项 目 划 分 表工程项目名称:木兰县东风水库除险加固工程 填表日期:2012 年 4 月 13 日 № 8项目法人负责人: 总监理工程师: 设计代表:黑龙江省水利工程质量监督中心站制 施工单位负责人:工 程 项 目 划 分 表项目法人负责人: 总监理工程师: 设计代表:黑龙江省水利工程质量监督中心站制 施工单位负责人:工 程 项 目 划 分 表工程项目名称:木兰县东风水库除险加固工程 填表日期:2012 年 4 月 13 日 № 10项目法人负责人: 总监理工程师: 设计代表:黑龙江省水利工程质量监督中心站制 施工单位负责人:工 程 项 目 划 分 表工程项目名称:木兰县东风水库除险加固工程 填表日期:2012 年 4 月 13 日 № 11项目法人负责人: 总监理工程师: 设计代表:黑龙江省水利工程质量监督中心站制 施工单位负责人:。
XX县XXX水库除险加固工程项目划分根据水利水电工程施工质量检验与评定规程(SL176—2007)中工程项目划分的原则,结合本工程实际情况,项目划分如下:一、单位工程:按加固内容划分原则,将XX县XXX水库除险加固工程划分为一个单位工程二、分部工程与单元工程:按加固部位划分原则,将XX县XXX水库除险加固工程划分为5个分部工程,分部工程与单元工程划分(详见下表)分部及单元工程划分表01 ▲大坝防渗处理工程1、大坝帷幕灌浆每10孔划分一个单元含坝基、坝肩2、冲抓回填每10孔划分一个单元02 上游坝坡加固工程1、土方开挖按级每50m划分一个单元包括坝体人工、机械开挖,表层土清除等2、土石填筑按回填100m/段,每0.3—0.5m高度划分一个单元包括坝体土方填筑3、砼六棱块护坡砂碎石垫层及砼块护砌以每条伸缩缝按级划分一个单元4、砼工程按设计每条划分一个单元或按浇筑仓号划分单元包括踏步、防滑齿及框边5、坝顶公路改造按100m划分为一个单元包括路面、路基03 下游坝坡加固工程1、土方开挖按级每50m划分一个单元包括坝体人工、机械开挖,表层土清除等2、土石方填筑按回填100m/段,每0.3—0.5m高度划分一个单元3、排水棱体按方量或砌筑段块划分一个单元包括防渗沟4、反滤体按施工段划分一个单元5、砼工程按设计每条划分一个单元或按浇筑仓号划分单元包括踏步、排水沟6、草皮护坡按级顺坝轴线50m划分一个单元04 溢洪道加固工程1、土方开挖按方量或开挖段块划分一个单元包括控制段、泄槽段消能段、边墙2、石方开挖按方量或开挖段块划分一个单元包括控制段、泄槽段消能段、边墙3、浆砌石按施工段划分一个单元4、钢筋砼工程按浇筑仓号划分单元包括控制段、泄槽段消能段、底板、公路桥、边墙,5、基础排水每处一划分为一个单元工程包含纵横排水系统05 输水建筑物工程1、土方开挖按方量或开挖段块划分一个单元包括新建隧洞、放水卧管、消力井2、石方开挖按方量或开挖段块划分一个单元包括新建隧洞、放水卧管、消力井3、砼及钢筋砼浇筑按浇筑仓号划分单元包括新建隧洞、放水卧管、消力井4、铸铁盖板按规范划分单元5、原涵管封堵按规范划分单元6、土方回填按回填100m/段,每0.3—0.5m高度划分一个单元7、M7.5浆砌石挡墙按施工段划分一个单元共划分为5个分部工程和25个单元工程。
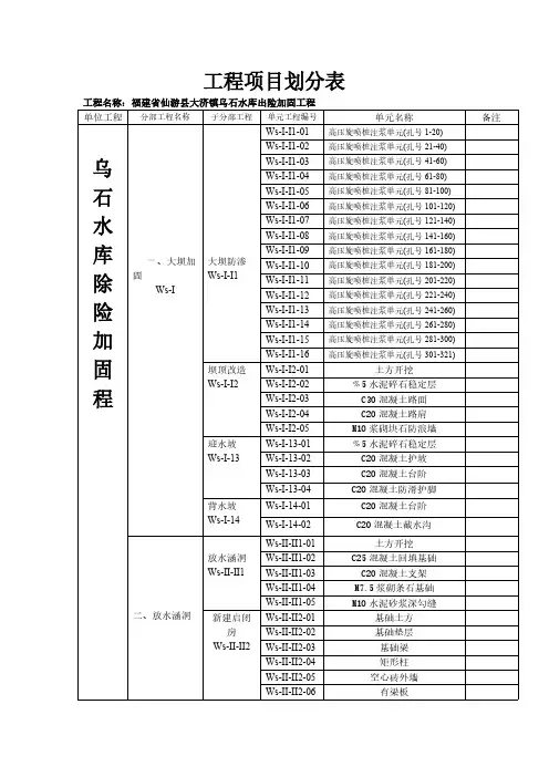
工程项目划分表
福建省仙游县大济镇乌石水库除险加固工程
单
位
分
部
单
元
工
程
项
目
划
分
表
福建省闽联工程建设有限公司
2013年11月8
工程项目划分报审表
(闽联乌石[2013 ]报审01号)
合同名称:仙游县大济镇乌石水库除险加固工程
福建省仙游县大济镇乌石水库除险加固工程
施
工
组
织
设
计
福建省闽联工程建设有限公司
2013年11月8日
施工组织设计(方案)报审表
(闽联乌石[2013 ]报审02号)
合同名称:仙游县大济镇乌石水库除险加固工程
文档来源为:从网络收集整理.word版本可编辑.欢迎下载支持. 6文档来源为:从网络收集整理.word版本可编辑.欢迎下载支持.。