上海6层办公楼造价指标分析
- 格式:docx
- 大小:26.55 KB
- 文档页数:11
大型购物中心(shopping mall)造价估算指标上海市有一座六层大型购物中心,其中地上建筑面积为平方米,地下建筑面积为平方米,标准层面积为平方米。
该购物中心的建筑高度不超过40米,标准层层高为5.5米,共有地下2层和地上6层。
该建筑采用桩基、框架-核心筒结构和钻孔灌注桩,桩长不超过30米。
基础埋深为10米,地下室外墙长度为600米,室内外高差为0.6米。
该购物中心的外装饰采用石材、铝板和玻璃幕墙(夹胶玻璃),外门窗为旋转门和铝合金夹胶玻璃门窗。
屋顶采用防水砂浆、防水卷材、憎水珍珠岩砂浆保温,挤塑聚苯板保温层和局部屋面装饰构架。
装饰标准为地下室高光自流平地坪、防霉涂料,走道和电梯厅采用花岗岩地面、大理石墙面和石膏板吊顶,商铺区域不装修,公共卫生间铺玻化砖地坪、面砖墙面和金属板吊顶,后勤区域和楼梯间乳胶漆墙面和环氧树脂涂料地坪。
该购物中心的设备管线包括聚丙烯管、钢塑复合管、硬聚氯乙烯螺旋排水管、UPVC雨水管、大管径无缝钢管、小管径镀锌钢管、镀锌钢管煤气管、热镀锌钢管变配电、低烟无卤阻燃电线、插接式铜母线和热镀锌桥架、热镀锌桥架电气管线、铜芯电缆、塑料铜芯线、塑料管、KBG钢管和插接式母线/分支电缆、玻璃钢风管及复合风管、镀锌钢板风管、热镀锌钢管、橡塑保温和铝合金风口、六类线、RJ45信息口和入户光缆、控制线和信号线消防报警、低烟无卤阻燃线和阻燃控制线、控制线、视频线、电源线和同轴电缆。
该购物中心的设备配置包括成品不锈钢水箱、水泵、卫生洁具和开水炉,消火栓箱、湿式报警、消防泵、水泵、水喷雾及气体灭火,煤气表房、变压器、高压柜、低压柜和二路供电,应急柴油发电机组和切换柜,配电箱和配电柜,投光灯(光源进口)和进口控制箱,冷水机组、冷冻泵、冷冻冷却水循环泵、冷却塔、热交换器、变风量空调箱。
本文介绍了大型购物中心的造价估算指标示例,包括土建及装饰工程、机电安装工程和预备费三个方面。
土建及装饰工程包括打桩、基坑围护、土方工程、地下建筑、地下结构、地上建筑、地上结构、装饰、外立面和屋面等。
)上海(多层住宅造价指标分析.多层住宅造价指标分析表一、工程概况项目名称内容××住宅工程名称建筑工程/民用建筑/居住建筑/住宅/多层住宅/中层(4-6层)工程分类外环线工程地松江跃层住建筑物功能及规201开工日期(计划12011竣工日期(计划3204.12 其地 2466.13地_737.99 )建筑面平方建筑和安装工程造767.47)2395.25)平方平方米造地下室框结构类地上混合结地_ 5___ 地__1_ 层数(层15.6建筑高度(檐口其层)首 3 标准___3___挤塑聚苯屋面保温,外墙外保温系统,断然铝合金普通中空玻建筑节7)抗震设防烈PH砼管桩30类,砼方桩,筏板基基3.97埋置深)清单计计价方中标造价类《建设工程工程量清单计价规范》GB50500-200)、《上海建筑和装饰工程预算定200》、《上海市安装工程预算定编制依200》及配套相关文201 价格取定12表二、工程特征项目名称特征描述大开挖土(石)方工程PHC砼管桩φ300,砼方桩桩与地基基础工程0.00标高以上墙24厚粘土多孔砖KP外墙类型),0.00以下墙24厚混凝土空心砌砌筑工0.00标高以上墙2412)厚粘土多孔内墙类KP型),0.00标高以下墙24厚混土空心砌筏板基础C1C3泵送HPB23HRB33HRB40混凝土及钢筋混凝土工(基础类型6.5-2绑扎或焊厂库房大门、特种门、木结构工--金属结构工单面BS-双面自沾防水卷材1.BA泛水及落水檐沟纵向坡度1屋面及防水工沾防水卷材处均附加防水卷材一厚外墙外保温系挤塑聚苯屋面保温4防腐、隔热、保温工-其他工水泥C1混凝土垫层2地面61:2.24浆抹面压实抹光,向外;楼楼地面工C2细石混凝土面水泥砂浆找平层3门窗工断桥铝合金普通中空玻璃窗、防盗分户混合砂浆打底内墙1墙柱面工墙柱面、混合砂浆,外墙:砂岩,劈开砖,文化棚、涂料天棚工腻子批白两度、中级白色乳胶油漆、涂料、裱糊工中级内外墙涂其他工-瓷质灯座、软线吊灯头、开关、插座、铜芯电气工PVC20电线BV1BV2.铜芯电线PVC1PP-De2DN3DN2衬塑钢、衬塑钢给排水、采暖、燃气工程工De3U-PVDe5U-PVPP-De2PP-、卫生洁De7装消防工程- 工程通风空调工程-、电线配管预埋:预埋焊接钢管2012-7-2SC32智能化系统工程 PVC25 PVC20管、电线管电梯工程-其他工程-34表三、工程造价指标汇总序平方米造价项目名称造价(万元) 造价比例(%)2)(元/m号1 分部分项工程 632.19 1973.06 82.371.1建筑工376.87 1176.19 49.111.2装饰装修工204.82 639.24 26.691.3安装工50.51 157.63 6.582措施项82.34 256.97 10.733其他项---4规27.63 86.23 3.605税25.31 78.99 3.30合767.47 2395.25 100.00注:项按《建设工程工程量清单计价规范》GB50500-200)规定计价5表四、分部分项工程造价指标平方米造占总造序价比例万元) 价名称造价(项目号2%)(元/m)(49.11 376.87 1176.19 1建筑工0.89 21.29 1.1土(石)方工6.826.60 158.06 1.2桩与地基基础工50.644.80 114.86 1.3砌筑工36.8027.95 669.55 1.4混凝土及钢筋混凝土工214.53--1.5厂库房大门、特种门、木结构工--金属结构工--1.63.81 屋面及防水工29.23 91.24 1.75.06 防腐、隔热、保温工38.83 121.19 1.8---1.9其他工26.69 204.82 639.24 2装饰装修工6.34 48.63 151.79 2.1楼地面工0.51 3.88 12.12 2.2门窗工17.34 133.08 415.35 2.3墙柱面工0.80 19.12 2.4天棚工6.131.71 40.852.5油漆、涂料、裱糊工13.09--2.6其他工-6.58 安装工50.51 157.63 33.05 23.42 73.10 3.1电气工3.18 24.40 76.14 3.2给排水、采暖、燃气工---3.3消防工--3.4通风空调工-0.35 智能化系统工2.69 8.39 3.5---3.6电梯工--3.7其他工-82.37 632.19 1973.06 合本表造价指标必须与表二特征描述内容保持一致,如有差异,请给予说明。
综合办公楼造价指标分析表一、工程概况表二、工程特征注:本表特征描述必须与造价指标实质内容保持一致,如有差异,请给予说明。
表三、工程造价指标汇总注:上表内序号4、5项仅含建筑工程(不包括基坑围护及地下砼结构)之规费税金。
表四、分部分项工程造价指标注:本表造价指标必须与表二特征描述内容保持一致,如有差异,请给予说明。
表五、措施项目造价指标注:1. 上表内序号3、6已包括在相关的分部分项工程费用内;2. 上表内序号4在合同中未单独填报,已包括在其他措施费内;3. 上表内序号7打拔钢板桩本工程不涉及;上表内序号10其他措施费包括临时水电、工程一切险和第三者责任险、履约保4.证书、试验及检查、基本要求等费用。
表六、其他项目造价指标注:暂列金额、专业工程暂估价项目请在备注栏给予说明。
若为结算价,专业工程分包价、要素价格调整及现场签证均归入相应的分部分项工程内。
表七、工程造价费用分析(略)表八、主要消耗量指标(略)表九、主要工程量指标1、建筑工程主要工程量指标注:1、百平方米工程量是指每100平方米建筑面积中含有的工程量指标,仅包括制作损耗;2、工程量按清单计价规范计算规则计算;3、综合单价可视工程实际情况选填。
2、安装工程主要工程量指标2、工程量按清单计价规范计算规则计算。
地下室造价指标分析表一、工程概况表二、工程特征表三、工程造价指标汇总表四、分部分项工程造价指标表五、措施项目造价指标注:其他措施费是指夜间施工、二次搬运、冬雨季施工、临时保护措施等表六、其他项目造价指标表七、工程造价费用分析注:1、人工、材料、机械、管理费及利润的费用分析,可视工程实际情况选填;2、各类费用比例分析不包括专业分包部分。
表八、主要消耗量指标耗;2、凡涉及到分包工程的消耗量指标,若难以测算的,请给予说明;3、水泥、黄砂、石子消耗量不包括商品砼、预拌砂浆用量。
表九、主要工程量指标1、建筑工程主要工程量指标注:1、百平方米工程量是指每100平方米建筑面积中含有的工程量指标,仅包括制作损耗2、工程量按《建设工程工程量清单计价规范》计算规则计算。
多层办公楼造价指标分析
施工损耗;
2、水泥、黄砂、石子消耗量不包括商品砼、预拌砂浆用量。
3、铝合金门窗为专业分包,人工未计。
表九、主要工程量指标
2、工程量按《建设工程工程量清单计价规范》计算规则计算。
注:1、百平方米工程量是指每100平方米建筑面积中含有的工程量指标,仅包括制作损耗;
2、工程量按《建设工程工程量清单计价规范》计算规则计算。
多层教育楼造价指标分析
注:1、百平方米消耗量是指每100平方米建筑面积中含有的消耗量指标,包括制作和施工损耗;
2、水泥、黄砂、石子消耗量不包括商品砼、预拌砂浆用量。
3、铝合金门窗为专业分包,人工未计。
表九、主要工程量指标
损耗;
2、工程量按《建设工程工程量清单计价规范》计算规则计算。
注:1、百平方米工程量是指每100平方米建筑面积中含有的工程量指标,仅包括制作损耗;
2、工程量按《建设工程工程量清单计价规范》计算规则计算。
市政排水管道工程造价指标分析表一、工程概况
表二、工程造价指标汇总
表三、分部分项工程造价指标
表四、措施项目造价指标
表五、其他项目造价指标(略)
表六、主要消耗量指标
表七、主要工程量指标
2、工程量按《建设工程工程量清单计价规范》计算规则计算;
3、综合单价可视工程实际情况选填。
桩基及基坑围护工程造价指标分析
2、其他措施费是指夜间施工、二次搬运、冬雨季施工、临时保护措施、协调配合费、雇员赔偿保险等。
表九、主要工程量指标
注:百平方米工程量是指每100平方米建筑面积中含有的工程量指标,仅包括制作损耗;。
多层住宅造价指标分析上海上海作为中国的商业和金融中心,其房地产市场一直被认为是中国房价最高的城市之一、随着城市化进程的加速和人口的增加,住房需求不断增长,多层住宅的建设成为满足人民生活需求的重要手段。
多层住宅的造价指标分析对于合理控制房价、优化项目利润和提升建筑品质具有重要意义。
本文将从建筑成本、土地成本和市场需求等方面对上海多层住宅的造价指标进行分析。
首先,建筑成本是影响多层住宅造价的关键因素。
建筑成本包括施工费用、材料费用和设备费用等。
上海地处沿海地带,由于土地资源稀缺和人力成本高昂,建筑成本较高。
与一些内陆城市相比,上海地区的建筑成本相对较高。
根据经验统计,上海多层住宅的每平方米建筑成本约为6000-8000元。
然而,由于施工标准和建筑质量的不同,建筑成本也存在一定的差异。
其次,土地成本是影响上海多层住宅造价的另一个重要因素。
上海土地资源稀缺,土地供应受到限制,导致土地供需失衡,土地成本不断攀升。
据统计,上海的土地成本约占楼面成本的30%-50%左右。
与其他城市相比,上海市中心区的土地成本更高,达到每平方米10万元以上。
土地成本的高昂使得开发商需要通过提高房价来覆盖土地成本,从而间接提高多层住宅的造价。
最后,市场需求也对多层住宅的造价产生了重要影响。
上海作为国际大都市,各类人群汇聚,购房需求较高。
然而,由于供需关系紧张和经济发展的不均衡,房价持续上涨,购房压力逐渐增大。
市场需求的提高使得开发商有更多的空间提高多层住宅的销售价格,进而推高其造价。
综上所述,上海多层住宅的造价受到建筑成本、土地成本和市场需求等多种因素的影响。
为合理控制多层住宅的造价,开发商可以从减少建筑成本、寻找低成本土地和合理调整房价等方面入手。
此外,政府也可以通过土地政策和房地产调控政策等手段来引导多层住宅的发展,保障人民的居住需求。
通过科学的分析和合理的调整,上海多层住宅的造价指标可以得到有效控制,为人民创造更好的居住环境和生活条件。
工程造价指标上海甲级办公楼上海作为国际大都市,在经济发展和城市建设上一直处于领先地位。
作为商业活动的中心,上海拥有大量的甲级办公楼,这些办公楼承载着企业和机构的运营和发展。
工程造价指标是对办公楼建设成本的估算和评估,它对办公楼项目的可行性和经济效益至关重要。
本文将围绕上海甲级办公楼的工程造价指标展开讨论。
首先,上海甲级办公楼的工程造价指标主要包括建筑结构、建筑设备、装饰装修以及其他费用。
建筑结构是办公楼的核心部分,其造价通常占到总造价的较大比例。
上海甲级办公楼一般采用高层建筑的结构形式,多采用钢筋混凝土结构或钢结构。
钢筋混凝土结构的造价相对较低,适合大规模的办公楼项目。
而钢结构的造价相对较高,适合较高层次、复杂结构的办公楼项目。
其次,建筑设备是保证办公楼正常运营的关键因素。
建筑设备包括电力供应系统、空调系统、给排水系统、消防系统等。
这些设备的造价往往取决于办公楼的规模和功能。
上海甲级办公楼通常要求配备先进的设备,以提供良好的办公环境和舒适的工作条件。
因此,建筑设备的造价在甲级办公楼工程造价中占有相当重要的比重。
装饰装修是办公楼的重要组成部分,它直接影响到企业形象和员工的工作体验。
上海甲级办公楼的装饰装修追求高品质、高档次的设计和施工。
例如,墙面采用石材或大理石贴面,地面采用优质的瓷砖或木地板,天花吊顶采用吊顶板或铝合金板等。
此外,室内的照明、空气净化、声音隔离等设备也是甲级办公楼装饰装修中必不可少的一部分。
装饰装修的造价通常根据材料价格、设计要求和施工难度来确定。
最后,除了建筑结构、建筑设备和装饰装修,还有其他费用也需要考虑在内。
例如,土地使用权费用、规划设计费用、施工现场管理费用、质量检验费用、项目管理费用等。
这些费用往往需要根据实际情况进行估算和计划,以确保项目顺利进行并保持可持续发展。
总之,上海甲级办公楼的工程造价指标是一个复杂而关键的问题。
建筑结构、建筑设备、装饰装修以及其他费用都需要全面考虑,并结合实际情况进行估算和评估。
上海市商业楼造价指标分析一、建筑成本:建筑成本是商业楼项目中最主要的成本之一,包括结构、建筑材料、工程设备、劳动力等方面。
上海市商业楼建筑成本较高,主要原因是土地资源紧张,建设基地狭窄,施工难度大。
因此,建筑成本在上海市的商业楼项目中占比较大。
二、设备成本:商业楼项目需要配备各种设备,包括空调、消防系统、安全监控系统、电梯等。
上海市的商业楼项目对设备要求较高,这也使得设备成本占比较高。
此外,上海市的设备成本也由于技术升级、环保要求等因素而不断增加。
三、装修成本:商业楼项目对装修的要求很高,包括外立面装饰、室内装修、门窗等。
上海市商业楼项目的装修成本相对较高,主要是因为上海市的商业楼项目注重细节和品质,对装修要求较高,需要考虑项目定位和市场需求。
四、土地成本:上海市商业楼项目土地成本很高,主要是由于土地供应紧张和土地价格上涨导致。
上海市地价普遍较高,商业楼项目需要购买或租赁土地,这增加了项目的成本。
土地成本是商业楼项目中一个重要的成本指标,需要在项目策划和选址阶段就进行充分评估。
为了控制商业楼项目的造价,可以从以下几个方面进行优化:1.合理选址:在选址时要充分考虑土地成本、交通便利性、市场需求等,并评估不同地段的潜力和前景,以选择最合适的地点。
2.精细设计:在建筑设计阶段,应注意合理利用空间,避免造成浪费。
同时,要与施工方、装修方保持密切沟通,确保设计方案可行性。
3.合理选择材料和设备:在项目实施过程中,要选择性价比高的建筑材料和设备,确保质量的同时降低成本。
4.施工过程管理:要加强对施工过程的管理,避免施工进度延迟和质量问题,以降低额外的施工成本。
总之,上海市商业楼造价指标分析是商业楼项目中必不可少的一环,通过对建筑成本、设备成本、装修成本和土地成本的分析,可以识别出项目中存在的问题和优化的空间,并提出相应的控制措施,以确保项目的成功实施。
同时,合理控制项目成本也有助于提高项目的效益,为投资者创造更大的价值。
高层住宅造价指标分析上海建设工程造价信息高层住宅造价指标分析——上海建设工程造价信息在上海这座繁华的大都市,高层住宅如雨后春笋般矗立。
对于房地产开发商、建筑企业以及相关从业者来说,了解高层住宅的造价指标至关重要。
这不仅关系到项目的投资决策,还直接影响着项目的经济效益和市场竞争力。
本文将对上海建设工程造价信息中的高层住宅造价指标进行详细分析。
一、上海高层住宅造价的构成高层住宅的造价主要由土地成本、建筑安装工程费、前期工程费、基础设施费、公共配套设施费、开发间接费以及各种税费等组成。
土地成本是其中的重要部分,上海的土地资源相对稀缺,土地出让价格往往较高,这在很大程度上影响了整个项目的造价。
建筑安装工程费则包括土建工程、装饰工程、给排水工程、电气工程、暖通工程等各项费用。
在上海,由于建筑质量和施工技术要求较高,建筑安装工程费在造价中占据较大比例。
前期工程费涵盖了项目规划、设计、可行性研究等方面的费用。
基础设施费包括小区内的道路、绿化、给排水、供电等设施的建设费用。
公共配套设施费则用于建设学校、幼儿园、社区服务中心等公共设施。
开发间接费包括管理人员工资、办公费、差旅费等间接支出。
各种税费也是不可忽视的一部分,如土地增值税、企业所得税等。
二、影响上海高层住宅造价的因素1、地理位置上海不同区域的土地价格差异较大,市中心区域的土地价格远高于郊区。
此外,地理位置还会影响建筑材料的运输成本和劳动力成本。
2、建筑设计建筑的设计方案对造价有着直接影响。
例如,建筑的结构形式、外立面设计、户型布局等都会影响建筑材料的使用量和施工难度,从而影响造价。
3、建筑材料和设备建筑材料和设备的价格波动会对造价产生影响。
在上海,高品质的建筑材料和先进的设备往往价格较高,但也能提高住宅的质量和舒适度。
4、施工技术和管理水平先进的施工技术和高效的管理水平可以提高施工效率,降低施工成本。
反之,如果施工技术落后、管理不善,可能会导致工期延误、成本增加。
综合办公楼造价指标分析表一、工程概况表二、工程特征注:本表特征描述必须与造价指标实质内容保持一致,如有差异,请给予说明。
表三、工程造价指标汇总注:金.表四、分部分项工程造价指标注:本表造价指标必须与表二特征描述内容保持一致,如有差异,请给予说明。
表五、措施项目造价指标注:1. 上表内序号3、6已包括在相关的分部分项工程费用内;2. 上表内序号4在合同中未单独填报,已包括在其他措施费内;3. 上表内序号7打拔钢板桩本工程不涉及;4。
上表内序号10其他措施费包括临时水电、工程一切险和第三者责任险、履约保证书、试验及检查、基本要求等费用.表六、其他项目造价指标注:暂列金额、专业工程暂估价项目请在备注栏给予说明.若为结算价,专业工程分包价、要素价格调整及现场签证均归入相应的分部分项工程内。
表七、工程造价费用分析(略)表八、主要消耗量指标(略)表九、主要工程量指标1、建筑工程主要工程量指标注:1、百平方米工程量是指每100平方米建筑面积中含有的工程量指标,仅包括制作损耗;2、工程量按清单计价规范计算规则计算;3、综合单价可视工程实际情况选填。
2、安装工程主要工程量指标2、工程量按清单计价规范计算规则计算。
地下室造价指标分析表一、工程概况表二、工程特征表三、工程造价指标汇总表四、分部分项工程造价指标表五、措施项目造价指标注:其他措施费是指夜间施工、二次搬运、冬雨季施工、临时保护措施等表六、其他项目造价指标表七、工程造价费用分析注:1、人工、材料、机械、管理费及利润的费用分析,可视工程实际情况选填; 2、各类费用比例分析不包括专业分包部分.表八、主要消耗量指标耗;2、凡涉及到分包工程的消耗量指标,若难以测算的,请给予说明;3、水泥、黄砂、石子消耗量不包括商品砼、预拌砂浆用量。
表九、主要工程量指标1、建筑工程主要工程量指标注:1、百平方米工程量是指每100平方米建筑面积中含有的工程量指标,仅包括制作损耗 2、工程量按《建设工程工程量清单计价规范》计算规则计算.2、安装工程主要工程量指标注:1、百平方米工程量是指每100平方米建筑面积中含有的工程量指标;2、工程量按《建设工程工程量清单计价规范》计算规则计算。
多层办公楼造价指标分析
表三、工程造价指标汇总
作和施工损耗;
2、水泥、黄砂、石子消耗量不包括商品砼用量。
表九、主要工程量指标
2、工程量按《建设工程工程量清单计价规范》计算规则计算。
2、工程量按《建设工程工程量清单计价规范》计算规则计算。
大学教学楼造价指标分析
制作和施工损耗;
2、水泥、黄砂、石子消耗量不包括商品砼、商品砂浆用量。
表九、主要工程量指标
1、建筑工程主要工程量指标
注:1、百平方米工程量是指每100平方米建筑面积中含有的工程量指标,仅包括制作损耗;
2、工程量《上海市建筑和装饰工程预算定额(2000)》计算规则计算。
2、工程量按《上海市安装工程预算定额(2000)》计算规则计算。
二、工程造价指标
注:1、本工程造价按上海市市政工程工程预算定额(2000年)及2009 年10月市场价格水平编制。
2、工程施工费用(综合费用费率)按6%计。
二、工程造价指标
价格水平编制。
2、工程施工费用(综合费用费率)按9%计。
三、主要消耗量指标
公园、游览区类绿化栽植费用指标分析
一、工程概况:
二、耗量指标:
三、费用指标:
四、指标说明:
1.指标用途:仅作为绿化栽植工程投资匡算参考。
2.编制依据:根据2000园林预算定额和施工费用计算规则编制。
3.价格水平:依据20010年7月份市场价格信息编制。
4.本指标不包括:绿化土方、道路侧石、驳岸栏杆、园林小品等工程建设费用。
31。
多层住宅造价指标分析
表四、分部分项工程造价指标
表六、其他项目造价指标(略)
《建设工程工程量清单计价规范》(GB50500-2008)计价。
注:1、百平方米消耗量是指每100平方米建筑面积中含有的消耗量指标,包括制作和施工损耗;
2、凡涉及到分包工程的消耗量指标,若难以测算的,请给予说明;
3、水泥、黄砂、石子消耗量不包括商品砼、预拌砂浆用量。
表九、主要工程量指标
2、工程量按《建设工程工程量清单计价规范》计算规则计算;
3、综合单价可视工程实际情况选填。
注:1、百平方米工程量是指每100平方米建筑面积中含有的工程量指标;
2、工程量按《建设工程工程量清单计价规范》计算规则计算。
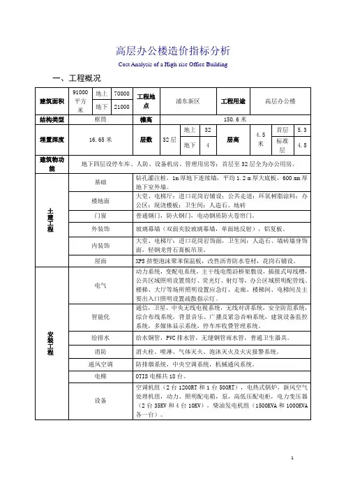
..综合办公楼造价指标剖析表一、工程概略项目名称内容工程名称××综合性办公楼工程分类建筑工程-民用建筑-公共建筑-办公建筑-综合办公楼工程地址内环内-浦东新区综合发展项目,包含一个地下3层的地库、2~3层的商业裙房、建筑物功能及规模1幢5层的公寓式酒店及2幢16层的办公楼动工日期2014年6月20日完工日期估计2017年12月30日建筑面积(平方米)此中:地上地下建筑和安装工程造价(万元)平方米造价(元/平方米)办公塔楼主楼为型钢混凝土框架-钢筋混凝土核心筒构造,其余均构造种类为钢筋混凝土框架构造层数(层)地上2~3层、5层、16层地下3层建筑高度(檐口)(米)80此中:地下:一层5;二层;三层;地上:首层办公塔楼层高(米)6;酒店标准层办公塔楼:酒店建筑节能外墙采纳防火岩棉带保温系统;屋面采纳泡沫玻璃板保温层抗震布防烈度(度)7基础种类钻孔灌输桩、筏板基础;....埋置深度(米)约30~36计价方式清单计价造价类型合同价编制依照清单计价规则及有关合同文件1)桩基、围护、地下构造:2014年4月;2)总承包工程(包含地上土建一构造、全部二构造、粗装饰及综合机电):2014年7价钱取按期月;3)钢构造、电梯、幕墙、擦窗机、泳池、弱电、消防、VRV、燃气热水炉、板换、水泵、风机盘管、生活水泵房、变配电安装:2015年;4)速通门:2017年;5)其余:2016年项目名称土(石)方工程建筑桩与地基基础工程工程表二、工程特点特点描绘机械开挖,大地库基坑围护系统:直径1000/1100mm钻孔灌输桩、850mm直径600mm间距水泥搅拌桩、800mm直径600mm间距高压旋喷桩、立柱桩连钢格构柱、三道钢筋混凝土水平支撑工程桩:直径750mm钻孔灌输抗压桩317根(埋深36m)、直径600mm钻孔灌输抗压抗拔桩495根(埋深36m)、直径600mm钻孔灌输抗拔桩328根(埋深30m);地下室底板厚度1200mm 砌筑工程外墙种类-;....蒸压加气混凝土砌块(100、150、200、250、300、350、内墙种类400)垫层C15;基础底板C35(P8);地下室顶板C35(P6);混凝土及钢筋混地下室梁板C35、C35(P6);地下室墙柱C35、C35(P6)、凝土工程(基础类C35(P8);地上塔楼墙柱C30、C35、C40、C50、C60;型)地上塔楼梁板:C30、C40、C50、C60厂库房大门、特种人防门门、木构造工程金属构造工程Q235B、Q345B劲性梁、劲性柱、钢楼梯、压型钢板地下室外露顶板:60厚C20保护层内配双向φ8@200设一道分仓缝、聚酯无纺布一层隔绝层、厚耐根穿刺聚氯乙烯高分子自粘卷材一道、20厚1:3水泥沙浆找平层、泡沫砼找坡层(容重<10KN/m3,抗压强度>750KPa)最薄处50厚、20厚1:3水泥沙浆找平层、厚高分子自粘性橡胶复合防水卷材、20厚1:3水泥沙浆找平层;地下室外墙:mm厚YTL-VX交错层压膜自粘性防水屋面及防水工程卷材;地下室底板:mm厚PV100预铺式高分子自粘胶膜防水卷材;屋面:50厚C30细石混凝土刚性防水层(内配φ6@150双向)@4200设分格缝并用密封资料嵌填、聚酯无纺布一层隔绝层、厚高分子自粘性橡胶复合防水卷材、20厚1:3水泥沙浆找平层、125厚泡沫玻璃板保温层、憎水;..防腐、隔热、保温工程其余工程楼地面工程装饰装修工程门窗工程墙柱面、天棚、涂墙柱面工程料工程..珍珠岩陶粒混凝土找坡层抗压强度>400Kpa,最薄处50厚、聚酯无纺布一层隔绝层、2厚橡胶改性沥青防水涂膜一道(热溶型抗酸型)、20厚1:3水泥沙浆找平外墙:防火岩棉带;屋面:泡沫玻璃板保温层机电预埋地下车库:细石混凝土楼面大堂、电梯厅、公共走道:地砖洗手间、茶水间、洁净间:地砖适用前室、物业用房:地砖办公地区:架空地板机房、后勤地区:环氧地坪幕墙、木质平开门、木质防火门、钢质防火门、卷帘门、玻璃门、消火栓门连门框地下车库:防霉涂料大堂、电梯厅、公共走道:玻璃饰面、木饰面、不锈钢饰面洗手间、茶水间、洁净间:墙砖适用前室、物业用房:乳胶漆办公地区:乳胶漆机房、后勤区域:吸音板;....天棚工程油漆、涂料、裱糊工程其余工程电气工程给排水、采暖、燃气工程工程安消防工程装工程通风空调工程地下车库:防霉涂料大堂、电梯厅、公共走道:玻璃饰面吊顶、木饰面吊顶、石膏板吊顶洗手间、茶水间、洁净间:石膏板吊顶适用前室、物业用房:石膏板吊顶办公地区:辐射吊顶机房、后勤地区:吸音喷涂、硅钙板吊顶乳胶漆、防霉乳胶漆、吸音喷涂擦窗机、表记牌、交通划线、室外景观及绿化等包含自高低压变配电设备后之主布线系统、动力系统、照明系统、漏电火灾监控系统、智能照明系统、防雷接地系统包含给水系统、污废水系统、雨水系统、泳池水办理系统、太阳能热水系统包含消火栓系统、喷淋系统、火灾自动报警系统、七氟丙烷自动灭火系统办公及商业的空调水系统板换后的次级水采纳一次泵四管束异程式变流量系统;商场地区、健身房游泳池地区的空调水系统板换后的次级水采纳一次泵四管束异程式系统;门厅、商场、健身房等大空间场所采纳全空气空调系统;裙房商业、办公、会议、招待等房间采纳风机盘管加新风;....系统;消控中心、变配电所等采纳变制冷剂流量风冷热泵空调系统,多联机空调系统室内机采纳天花板嵌入式导管内藏型;主楼办公区的空调均采纳辐射吊顶系统+新风系统;办公大堂及泳池地区采纳地板辐射采暖系统包含综合布线系统、信息公布系统、视频监控系统、园区公共及应急广播系统、进出控制系统、入侵报警系统、园智能化系统工程区无线对讲系统、巡更系统、智能泊车场管理系统、建筑设备管理系统(含电动阀供给)、中央集成管理系统、机房工程、UPS电源系统、速通门系统奥的斯;23台客梯(7台2m/s、4台1m/s、12台4m/s);电梯工程7台服务梯(1台2m/s、2台1m/s、4台3m/s);8台自动扶梯(1m/s)其余工程水泵房及室外供水配套工程、变配电工程、泛光照明工程注:本表特点描绘一定与造价指标本质内容保持一致,若有差别,请赐予说明。
多层办公楼造价指标分析
表二、工程特征
表三、工程造价指标汇总
表四、分部分项工程造价指标
表五、措施项目造价指标
注:其他措施费是指夜间施工、二次搬运、冬雨季施工、临时保护措施等
表六、其他项目造价指标
注:暂列金额、专业工程暂估价项目请在备注栏给予说明
表七、工程造价费用分析
注:1、百平方米消耗量是指每100平方米建筑面积中含有的消耗量指标,包括制作和施工损耗;2、带*的材料必须填写消耗量,其他材料可视工程实际情况选填;
3、水泥、黄砂、石子消耗量不包括商品砼、商品砂浆用量
1
注:1、百平方米工程量是指每100平方米建筑面积中含有的工程量指标,仅包括制作损耗;
2、工程量按《建设工程工程量清单计价规范》计算规则计算
2、安装工程主要工程量指标
2 、工程量按《建设工程工程量清单计价规范》计算规则计算。