广州市园林绿化隐蔽工程验收记录
- 格式:xls
- 大小:11.00 KB
- 文档页数:2
园林绿化工程全套工序报验资料园林绿化全景园路(市政)一、路基1、隐蔽工程质量验收记录2、土方路基检验批质量验收记录3、回填施工记录二、6%水泥石粉基层1、隐蔽工程质量验收记录2、水泥稳定土类基层及底基层检验批质量验收记录三、C15混凝土基层1、隐蔽工程质量验收记录2、普通混凝土浇注记录四、水泥砖面层1、隐蔽工程质量验收记录2、铺砌式预制混凝土砌块面层检验批质量验收记录小型活动场地活动场地一、二、四、五、主入口广场一、土基1、隐蔽工程质量验收记录2、土方路基检验批质量验收记录3、回填施工记录二、6%水泥石粉基层1、隐蔽工程质量验收记录2、水泥稳定土类基层及底基层检验批质量验收记录三、C15混凝土基层1、隐蔽工程质量验收记录2、普通混凝土浇注记录四、石材面层1、隐蔽工程质量验收记录2、广场与停车场料石面层检验批质量验收记录活动场地三一、土基1、隐蔽工程质量验收记录2、土方路基检验批质量验收记录二、6%水泥石粉基层2、水泥稳定土类基层及底基层检验批质量验收记录三、C15混凝土基层1、隐蔽工程质量验收记录2、普通混凝土浇注记录四、水泥砖面层1、隐蔽工程质量验收记录2、铺砌式预制混凝土砌块面层检验批质量验收记录停车位一、土基1、隐蔽工程质量验收记录2、土方路基检验批质量验收记录二、10%水泥石粉基层1、隐蔽工程质量验收记录2、水泥稳定土类基层及底基层检验批质量验收记录三、植草砖面层2、植草砖面层检验批质量验收记录植草砖汀步一、土基1、隐蔽工程质量验收记录2、土方路基检验批质量验收记录二、10%水泥石粉基层1、隐蔽工程质量验收记录2、水泥稳定土类基层及底基层检验批质量验收记录三、花岗岩面层1、隐蔽工程质量验收记录2、铺砌式料石面层检验批质量验收记录汀步景观亭景观亭(土建)一、基坑开挖二、C15混凝土垫层1、混凝土隐蔽工程质量验收记录2、混凝土坍落度检测记录表3、水泥混凝土垫层检验批质量验收记录表三、C20混凝土基础10、实体混凝土养护情况记录表四、C25圈梁1、混凝土隐蔽工程质量验收记录2、混凝土坍落度检测记录表3、混凝土施工工程检验批质量验收记录表4、钢筋隐蔽工程质量验收记录7、现浇结构模板安装工程检验批质量验收记录表8、模板拆除工程检验批质量验收记录表9、现浇混凝土结构观感质量及尺寸偏差检验批验收记录表10、实体混凝土养护情况记录表五、基坑回填1、地基基坑(槽)回填施工检查记录表2、土方回填隐蔽工程质量验收记录3、土方回填工程检验批质量验收记录表花架六、立柱工程基线复核表1、混凝土隐蔽工程质量验收记录2、混凝土坍落度检测记录表3、混凝土施工工程检验批质量验收记录表4、钢筋隐蔽工程质量验收记录5、钢筋加工工程检验批质量验收记录表6、钢筋安装工程检验批质量验收记录表7、现浇结构模板安装工程检验批质量验收记录表8、模板拆除工程检验批质量验收记录表9、现浇混凝土结构观感质量及尺寸偏差检验批验收记录表10、实体混凝土养护情况记录表七、屋面梁板1、混凝土隐蔽工程质量验收记录2、混凝土坍落度检测记录表3、混凝土施工工程检验批质量验收记录表4、钢筋隐蔽工程质量验收记录5、钢筋加工工程检验批质量验收记录表6、钢筋安装工程检验批质量验收记录表7、现浇结构模板安装工程检验批质量验收记录表8、模板拆除工程检验批质量验收记录表9、现浇混凝土结构观感质量及尺寸偏差检验批验收记录表10、实体混凝土养护情况记录表八、涂料1、溶剂型涂料涂饰工程检验批质量验收记录表九、瓦屋面1、油毡瓦屋面检验批质量验收记录表10%水泥石粉基层1、隐蔽2、石粉垫层检验批质量验收记录表二、C20混凝土垫层1、混凝土隐蔽工程质量验收记录2、混凝土坍落度检测记录表3、水泥混凝土垫层检验批质量验收记录表十二、青石板面层1、料石面层工程检验批质量验收记录表2、隐蔽工程质量验收记录表水泥砂浆抹灰1、隐蔽工程质量验收记录表2、一般抹灰工程检验批质量验收记录表石桌凳石桌凳一、基坑开挖1、土方开挖工程检验批质量验收记录表二、C15混凝土基础-1、混凝土隐蔽工程质量验收记录2、混凝土坍落度检测记录表三、基坑回填1、土方回填隐蔽工程质量验收记录2、土方回填工程检验批质量验收记录表石制条凳砖砌体1、砖砌体工程检验批质量验收记录表2、砌体隐蔽工程质量验收记录饰面砖1、饰面板(砖)隐蔽工程质量验收记录2、饰面砖粘贴工程检验批质量验收记录表树池砖砌体1、砖砌体工程检验批质量验收记录表2、砌体隐蔽工程质量验收记录饰面砖1、饰面板(砖)隐蔽工程质量验收记录2、饰面砖粘贴工程检验批质量验收记录表平立道牙1、普通混凝土浇注记录2、隐蔽工程质量验收记录3、路缘石安砌检验批质量检验记录台阶台阶一、土基1、隐蔽工程质量验收记录2、土方路基检验批质量验收记录3、回填施工记录二、10%水泥石粉基层1、隐蔽工程质量验收记录2、水泥稳定土类基层及底基层检验批质量验收记录三、C15混凝土基层1、隐蔽工程质量验收记录2、普通混凝土浇注记录四、石材面层1、隐蔽工程质量验收记录2、铺砌式料石面层检验批质量验收记录乔木绿化种植一、乔木、灌木种植1、H.1.1土方分项工程检验批质量验收记录表2、H.1.2种植土回填工程检验批质量验收记录表3、H.1.4种植穴、槽的挖掘工程检验批质量验收记录表4、H.1.5植物种植工程检验批质量验收记录表5、H.1.9养护分项工程检验批质量验收记录表灌木一、地被植物种植1、H.1.1土方分项工程检验批质量验收记录表2、H.1.3绿地地形整理工程检验批质量验收记录表3、H.1.5植物种植工程检验批质量验收记录表4、H.1.9养护分项工程检验批质量验收记录表。
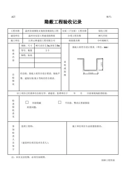
A15 编号:隐蔽工程验收记录工程名称温州市南塘街C地块景观绿化工程分部(子分部)工程名称绿化工程建设单位温州市安居工程建设指挥部分项工程名称树穴开挖施工单位江西云林建设工程有限公司检验批名称小叶榕树穴检查内容规格、尺寸树穴直径1.5m,深度1.0m说明或简图基底土质符合设计要求.(单位:mm)型号、数量1个轴线、标高自检情况经自检,基底土质符合设计要求,场地平整,建筑垃圾/废土等块径符合要求。
以上项目已经我单位自检完毕。
请建设、监理单位于年月日前来现场检查检验。
检查验收意见□同意隐蔽□不同意,整改后重新报验质量问题:参加检查人员签字监理工程师:(建设单位项目技术负责人):施工单位项目专业质量检察员:注:本页无法绘图,必须另加附图。
园林工程用表隐蔽工程验收记录A15 编号:工程名称温州市南塘街C地块景观绿化工程分部(子分部)工程名称绿化工程建设单位温州市安居工程建设指挥部分项工程名称乔木栽植施工单位江西云林建设工程有限公司检验批名称小叶榕栽植检查内容规格、尺寸Φ35说明或简图1、回填土符合设计要求.(单位:mm)2、苗木胸径、土球大小符合设计要求。
乐昌含笑Φ16-18型号、数量1株轴线、标高自检情况经自检,基底土质符合设计要求,场地平整,建筑垃圾/废土等块径符合要求。
以上项目已经我单位自检完毕。
请建设、监理单位于年月日前来现场检查检验。
检查验收意见□同意隐蔽□不同意,整改后重新报验质量问题:参加检查人员签字监理工程师:(建设单位项目技术负责人):施工单位项目专业质量检察员:注:本页无法绘图,必须另加附图。
园林工程用表A15 编号:隐蔽工程验收记录工程名称温州市南塘街C地块景观绿化工程分部(子分部)工程名称绿化工程建设单位温州市安居工程建设指挥部分项工程名称树穴开挖施工单位江西云林建设工程有限公司检验批名称红花羊蹄甲树穴检查内容规格、尺寸树穴直径1.1m,深度0.9m说明或简图基底土质符合设计要求.(单位:mm)型号、数量3个轴线、标高自检情况经自检,基底土质符合设计要求,场地平整,建筑垃圾/废土等块径符合要求。
第1篇一、工程概况项目名称:XX园林景观工程项目地点:XX市XX区XX路XX号建设单位:XX房地产开发有限公司施工单位:XX园林景观工程有限公司监理单位:XX建设监理有限公司工程规模:占地面积XX平方米,建筑面积XX平方米,绿化面积XX平方米。
工程类型:居住区园林景观工程工程合同造价:XX万元二、施工准备阶段1. 项目经理部成立项目经理部由项目经理、技术负责人、施工员、质检员、安全员、材料员、财务人员等组成。
项目经理部负责整个项目的组织、协调、管理和监督工作。
2. 施工图纸及技术交底施工前,项目经理部组织相关人员对施工图纸进行全面会审,明确设计意图、施工工艺及质量要求。
同时,对施工人员进行技术交底,确保施工人员掌握施工工艺和质量标准。
3. 材料设备准备根据施工图纸及施工方案,项目经理部提前采购各类材料设备,确保施工过程中材料设备的供应。
4. 施工现场准备施工现场进行三通一平(通水、通电、通路、平整场地),确保施工顺利进行。
三、施工过程记录1. 土方工程(1)土方开挖:按照设计要求进行土方开挖,严格控制土方量,确保施工进度。
(2)土方回填:回填土采用级配砂石,分层压实,确保回填土密实度。
2. 给排水工程(1)给水管道安装:按照设计要求,铺设给水管道,安装阀门、水表等设备。
(2)排水管道安装:按照设计要求,铺设排水管道,安装检查井、雨水口等设备。
3. 电气工程(1)供电线路安装:按照设计要求,铺设供电线路,安装配电箱、开关等设备。
(2)照明工程:安装路灯、庭院灯等照明设备,确保照明效果。
4. 园林建筑(1)园林建筑基础施工:按照设计要求,进行园林建筑基础施工,确保基础牢固。
(2)园林建筑主体施工:按照设计要求,进行园林建筑主体施工,确保建筑质量。
5. 园林绿化(1)大树移植:按照设计要求,进行大树移植,确保移植成活率。
(2)小乔木及灌木种植:按照设计要求,进行小乔木及灌木种植,确保成活率。
(3)草坪及地被种植:按照设计要求,进行草坪及地被种植,确保成活率。
园林绿化工程验收表格
地形整理质量验收记录表
编号:
苗木种植穴、槽质量验收记录表
编号:
种植土和肥料质量验收记录表
编号:
苗木进场检验记录
编号:
注1:本表由施工单位填写,施工单位、监理单位各保存一份。
注2:类别划分:1。
常绿乔木 2。
常绿灌木 3.绿篱 4.落叶乔木 5.落叶灌木 6。
色块(带)7。
花卉 8。
藤本植物 9。
水生植物 10.竹子 11.草坪地被
苗木种植质量验收记录表
大树移栽质量验收记录表
编号:
攀缘、悬挂绿化工程质量验收记录表
编号:
屋顶绿化(包括地下设施覆土绿化)质量验收记录表
编号:
草坪和草本地被植物种植质量验收记录表
编号:
边坡绿化质量验收记录表
斜面护坡绿化质量验收记录表
编号:
假山、叠石、塑石工程质量验收记录表。
A15 编号:隐蔽工程验收记录工程名称温州市南塘街C地块景观绿化工程分部(子分部)工程名称绿化工程建设单位温州市安居工程建设指挥部分项工程名称树穴开挖施工单位江西云林建设工程有限公司检验批名称小叶榕树穴检查内容规格、尺寸树穴直径1.5m,深度1.0m说明或简图基底土质符合设计要求.(单位:mm)型号、数量1个轴线、标高自检情况经自检,基底土质符合设计要求,场地平整,建筑垃圾/废土等块径符合要求。
以上项目已经我单位自检完毕。
请建设、监理单位于年月日前来现场检查检验。
检查验收意见□同意隐蔽□不同意,整改后重新报验质量问题:参加检查人员签字监理工程师:(建设单位项目技术负责人):施工单位项目专业质量检察员:注:本页无法绘图,必须另加附图。
园林工程用表隐蔽工程验收记录A15 编号:工程名称温州市南塘街C地块景观绿化工程分部(子分部)工程名称绿化工程建设单位温州市安居工程建设指挥部分项工程名称乔木栽植施工单位江西云林建设工程有限公司检验批名称小叶榕栽植检查内容规格、尺寸Φ35说明或简图1、回填土符合设计要求.(单位:mm)2、苗木胸径、土球大小符合设计要求。
乐昌含笑Φ16-18型号、数量1株轴线、标高自检情况经自检,基底土质符合设计要求,场地平整,建筑垃圾/废土等块径符合要求。
以上项目已经我单位自检完毕。
请建设、监理单位于年月日前来现场检查检验。
检查验收意见□同意隐蔽□不同意,整改后重新报验质量问题:参加检查人员签字监理工程师:(建设单位项目技术负责人):施工单位项目专业质量检察员:注:本页无法绘图,必须另加附图。
园林工程用表A15 编号:隐蔽工程验收记录工程名称温州市南塘街C地块景观绿化工程分部(子分部)工程名称绿化工程建设单位温州市安居工程建设指挥部分项工程名称树穴开挖施工单位江西云林建设工程有限公司检验批名称红花羊蹄甲树穴检查内容规格、尺寸树穴直径1.1m,深度0.9m说明或简图基底土质符合设计要求.(单位:mm)型号、数量3个轴线、标高自检情况经自检,基底土质符合设计要求,场地平整,建筑垃圾/废土等块径符合要求。
ICS 65.020.20B 05备案号:广州市地方技术规范DBJDB DBJ440100/T 119—2012园林景观照明工程施工和验收规范Code for construction and acceptance of landscape lighting2012-01-10发布 2012-02-10实施广州市质量技术监督局发布DBJ440100/T 119-2012目次前言 (I)1 范围 (1)2 规范性引用文件 (1)3 术语及定义 (1)4 总则 (2)5 基本规定 (2)6 穿线导管(槽)敷设 (3)7 电线、电缆敷设 (4)8 电缆头制作、接线和线路绝缘测试 (5)9 配电、控制(屏台柜箱盆)的安装 (5)10 配电、控制(屏台柜箱盆)电器安装 (7)11 二次回路结线 (8)12 园林景观照明灯具安装 (9)13 接地装置安装 (11)14 避雷引下线和变配电室接地干线敷设 (11)15 附属构筑物 (11)16 控制系统 (12)17 有关功能性试验和通电试运行 (12)18 工程质量验收 (13)附录A(规范性附录)园林景观照明工程检验批、分项、分部、单位工程的划分 (15)附录B(规范性附录)施工现场质量管理检查记录 (17)附录C(规范性附录)质量验收记录 (19)附录D(规范性附录)单位(子单位)工程质量控制检查记录 (23)附录E(规范性附录)园林景观照明工程各检验批质量验收记录表 (27)前言本规范附录为规范性附录。
本规范由广州林业和园林局提出并归口。
本规范起草单位:广州市园林绿化工程质量监督站、广州建筑工程监理有限公司、广州华景园林建设有限公司、广州市东篱环境艺术有限公司。
本规范主要起草人:刘豫明、张向华、清宁、陈晖、梁剑锋、黄仲培、廖啟汉、吴卫红、饶晓明、何茜莹。
本规范为首次发布。
园林景观照明工程施工和验收规范1 范围本规范规定了园林景观照明工程施工和验收规范的术语及定义;总则;基本规定;穿线导管(槽)敷设;电线、电缆敷设;电缆头制作、接线和线路绝缘测试;配电、控制(屏台柜箱盆)的安装;配电、控制(屏台柜箱盆)电器安装;二次回路结线;灯具安装;接地装置安装;避雷引下线和变配电室接地干线敷设;附属构筑物;控制系统;有关功能性试验和通电试运行;工程质量验收。
绿化工程竣工验收报告第1篇一、工程完成情况:xx县xx家园1、2楼工程由xx县房建公司十一项目部于XX年11月15开工建设,XX年3月底全面竣工,历时16个月,按照设计批准的方案已完成了主要工程,即:土建装饰装修工程;给排水工程;电器设备安装工程。
二、验收条件检查结果:依据国家的.有关规定,该工炒设计要求已完成了主要工程施工任务。
工程投资使用合理,竣工资料已准备齐全,工程施工质量已通过了质监站的质量检验,并出具了《工程质量检验评定报告》,工程质量合格,已具备正式验收条件。
三、建议验收时间、点和参加单位:根据工程完成情况和省、市主管部门的相关要求,xx县xx家园1、2#楼工程竣工验收工作建议拟定于年月日进行,验收地点在,参加单位有项目法人、设计、监理、施工、质量监督等有关单位。
综上所述,xx县xx家园1、2#楼工程已具备竣工验收条件,恳请上级主管部门安排正式验收。
绿化工程竣工验收报告第2篇XX区住房和城乡建设局:我公司开发建设的贵和·美景华庭西区项目,位于罗庄区双月园路中段,于20XX年7月31日办理建设工程绿化规划审批书。
小区规划占地面积48933㎡,规划审批绿化面积17 175㎡,规划绿地率,我单位严格按照规划审批的图纸进行建设,现已完成规划审批绿地的.绿化。
贵和·美景华庭西区已于20XX年5月1日完工,现向贵局申请该小区绿化规划竣工验收,敬请贵局给予验收。
特此申请临沂国华房地产开发有限公司20XX年6月1日1、施工单位在单位工程完工后,经自检合格并达到竣工条件后,填写《单位工程竣工预验收报验表》,并附加相应的竣工资料,向监理单位申请竣工预验收。
竣工资料包括《单位(子单位)工程质量控制资料核查记录》、《单位(子单位)工程安全功能和植物成活要素检查资料核查及主要功能抽查记录》、《单位(子单位)工程观感质量检查记录》、《单位(子单位)工程植物成活率统计记录》。
2、监理单位(总监)收到《单位工程竣工预验收报验表》后,及时组织预验收。
绿化隐蔽工程验收制度一、总则1. 本制度适用于所有参与城市绿化建设的施工单位、监理单位以及业主方。
2. 绿化隐蔽工程是指在绿化建设过程中,完成后将被土壤、植被或其他结构物所覆盖,不易进行直观检查的工程部分。
3. 所有参与方应遵守国家有关园林绿化工程质量标准和规范,确保绿化隐蔽工程的质量符合要求。
二、验收准备1. 施工单位应在绿化隐蔽工程施工前,制定详细的施工方案,并提交给监理单位和业主方审核。
2. 施工方案应包括工程的具体位置、规模、材料规格、施工工艺等内容。
3. 施工单位应准备好相应的施工记录表格,以便于记录施工过程中的关键信息。
三、施工过程控制1. 施工单位在施工过程中应严格按照批准的施工方案执行,确保工程质量。
2. 监理单位应对施工过程进行监督,确保施工符合设计要求和规范。
3. 对于关键的隐蔽工程部分,如地基处理、大型树木种植等,应实施全过程监控和记录。
四、验收程序1. 隐蔽工程完成后,施工单位应及时通知监理单位和业主方进行验收。
2. 验收时应提供完整的施工记录和相关材料证明文件。
3. 验收小组由监理单位、业主方代表及相关专业工程师组成,对隐蔽工程进行全面检查。
4. 验收内容包括但不限于:工程位置、规格、材料、施工质量、工艺执行情况等。
5. 如发现问题,施工单位应及时整改,并在整改后再次申请验收。
五、验收标准1. 所有隐蔽工程必须符合国家及地方的相关标准和规范。
2. 材料应具有合格证明,且符合环保要求。
3. 施工质量应达到设计要求,不得存在安全隐患。
4. 完成面应平整、美观,与周围环境协调一致。
六、责任与处罚1. 施工单位对隐蔽工程的质量负主体责任,应确保工程质量可靠。
2. 监理单位应对施工质量进行严格把关,发现问题应及时指出并督促整改。
3. 如施工单位违反本制度规定,导致工程质量问题,应承担相应的法律责任和经济赔偿。
七、附则1. 本制度自发布之日起实施,由业主方负责解释。
2. 本制度如有更新,应及时通知所有参与方。
检
查
情
况
符合规范及设计要求,同意隐蔽。
隐检项目种植穴隐检部位例子
隐
检
内
容
(种
植
穴
等)
1、胸径15~18CM,种植穴深度80~100CM。
2、胸径8~10CM,种植穴深度50~80CM。
3、胸径40~60CM,种植穴深度120~180CM。
4、胸径12~15CM,种植穴深度60~100CM。
隐蔽工程验收记录
年 月 日穗园绿施记-3
工程名称施工单位
查
情
况
签
字
设计单位监理单位设 施管理单位施工单位质量检查人员填表人