垫层隐蔽工程验收记录
- 格式:doc
- 大小:556.00 KB
- 文档页数:5
隐蔽工程验收记录(大全) 基础条基1、确认所使用的商品混凝土原材料出厂合格证及相关资料齐全。
2、检查混凝土表面是否有蜂窝、麻面。
3、检查所隐的条型基础是否符合设计及规范要求。
基槽1、检查基槽开挖标高、尺寸、坡度是否符合规范要求。
2、检查基槽底部是否已清理干净浮土和杂物。
3、检查是否符合施工规范要求及质量验收记录。
基础圈梁1、确认所使用的商品混凝土原材料出厂合格证及相关资料齐全。
2、检查混凝土表面是否有蜂窝、麻面。
基础接地1、确认防雷接地所使用的材料均有合格证。
2、检查基础钢筋间的焊接是否牢固,并符合规范要求。
3、采用-4×40热度锌扁钢敷设成闭合环路,检查扁钢质量是否符合设计要求。
4、检查是否符合设计要求及施工质量验收规范要求。
一层柱避雷引下线1、确认所使用的材料有出厂合格证。
2、利用建筑物柱内主筋作引下线,采用电渣压力焊法,检查搭接长度是否符合设计要求及施工质量验收规范要求。
屋面挤塑聚苯乙烯泡沫板保温层1、确认保温层采用聚苯板保温板,有出厂合格证、质量证明文件。
2、检查保温铺贴是否牢固,接缝是否严密。
3、检查保温层材质、厚度是否符合图纸设计要求。
4、检查保温层上下接缝是否错开,接缝处是否用同类材料碎屑填嵌饱满。
5、检查保温板铺平垫稳,拼缝严密,保温厚度允许偏差等是否符合规范要求。
屋面水泥砂浆找平层1、将原混凝土层表面浮浆、松散、混凝土剔至密实,洒水湿润。
2、采用1:2.5水泥砂浆进行找平。
本文无明显格式错误和问题段落。
1、在敷设电线导管时,应按照设计要求进行布置,保证导管的位置正确、规格符合要求。
2、导管敷设时应保证其与基层结合紧密,无空鼓和裂缝。
3、导管敷设后应进行检查,确保表面平整、无起砂和蜂窝等缺陷。
4、在敷设过程中,应注意导管的分层铺设和适当压实,以保证表面平整和找坡正确。
5、电线导管敷设后,应按照相关规定进行质量验收,确保符合设计要求和规范要求。
2、保温材料的厚度、密度、导热系数符合设计要求,施工时保证均匀、密实。
基础砼垫层隐蔽工程检查验收记录1. 项目概述本项目位于xx区xx路xx号,建筑面积约为xxxx平方米。
建筑总高度为xxxx 米,共有xx层。
作为建筑工程的基础,砼垫层是整个工程的重要组成部分。
为了确保工程质量,本次进行基础砼垫层隐蔽工程的检查验收工作。
2. 检查验收内容及标准2.1 工程验收范围本次检查验收的工程范围包括以下内容:•基础砼垫层的填筑和夯实•基础砼垫层的平整度和标高•基础砼垫层的混凝土强度检测•基础砼垫层的防水处理•基础砼垫层周边的排水系统2.2 检查验收标准本次检查验收的标准为:•基础砼垫层填筑和夯实:填筑材料应符合设计要求,夯实压实度不得低于设计要求。
•基础砼垫层平整度和标高:平整度误差不得大于设计规定的允许误差,标高误差不得大于±10mm。
•基础砼垫层混凝土强度检测:混凝土强度应符合设计要求。
•基础砼垫层防水处理:防水材料应符合设计要求,防水层应均匀牢固。
•基础砼垫层周边的排水系统:周边排水系统应畅通有效,有足够的收水能力。
3. 检查验收过程3.1 准备阶段检查验收前,应确保所有工程纪要和图文资料都已经准备充分。
所有检测和检验设备应符合质量标准,并进行校准验证。
3.2 检查验收现场检查人员应根据设计要求和检查清单对现场进行全面检查。
如发现问题,应及时进行记录,并与现场施工人员沟通协调解决。
3.3 检查验收结果根据检查现场情况和检测数据,在检查记录上进行详细记录,对检测过程中遇到的问题以及解决方案进行说明,并表示是否合格。
4. 检查验收本次基础砼垫层隐蔽工程检查验收结果如下:•基础砼垫层填筑和夯实:合格•基础砼垫层平整度和标高:合格•基础砼垫层混凝土强度检测:合格•基础砼垫层防水处理:合格•基础砼垫层周边的排水系统:合格5. 改进措施针对本次基础砼垫层隐蔽工程检查验收出现的问题和不足,提出如下改进措施:•在工程策划和执行过程中,加强各工序间的协调合作,确保施工的连续性与协调性。
浅析规则式植物造景和自然式植物造景苏旺指导老师:汪小飞(黄山学院生命与环境科学学院,安徽黄山245041)摘要:本文分析了规则式植物造景和自然式植物造景,和他们各自的造景特色和主要适用在什么场合。
探讨了规则式植物造景和自然式植物造景二者包括的造景形式以及他们在造园体系、表现手法上的不同点。
介绍了它们在各个国家、地域的各有特色。
最后我们应该适宜运用各种造景形式。
关键字:规则式植物造景,自然式植物造景Analysis of rule-plant landscaping andnature plant landscapeSu WangDirector:Wang Xiaofei(College of Life & Environmental Sciences, Huangshan University,Huangshan245041, China)Abstract:This article analyses the rules scene building with plants and nature plant landscape, and their landscape and mainly used on occasion.Discusses rules for scene building with plants and nature plant landscape landscape including the two forms as well as their gardening system, on the presentation of different points.Describes them in the various countries, geographical features.Finally we should be appropriate to use various landscape forms.Keyword:Rules-plant landscaping, nature plant landscape1.树木配置的形式按照树木的生态习性,运用美学原理,依其姿态、色彩、干形进行平面和立面的构图,使其具有不同形态的有机组合,构成千姿百态的美景,创造出各种引人入胜的树木景观。
土方开挖报验申请表工程名称:延津县2011年农村环境连片综合整治项目(石婆固乡段庄村)我单位已完成了 石婆固乡段庄村调节池土方开挖工作,现报上该工程报验申请表,请予以审查和验收。
附件:1、土方开挖工程检验批质量验收记录表2、隐蔽工程验收单承包单位(章)福建省南平市水利电力工程处项目经理 ________________________日 期 __________________________审查意见:项目监理机构河南代建工程管理有限公司监理 总/专业监理工程师 ______________________________日 期 _______________________________致:河南代建工程管理有限公司监理(监理单位)编号:008土方开挖工程检验批质量验收记录表GB50202- 2002隐蔽工程验收单模板安装报验申请表工程名称:延津县2011年农村环境连片综合整治项目(石婆固乡段庄村)编号:009致:河南代建工程管理有限公司监理(监理单位)我单位已完成了石婆固乡段庄村调节池垫层模板安装工作,现报上该工程报验申请表,请予以审查和验收。
附件:1、模板安装工程检验批质量验收记录表承包单位(章)福建省南平市水利电力工程处___________项目经理日期 ___________________________ 审查意见:项目监理机构 _____________________________________总/专业监理工程师______________________________日期________________________________模板安装工程检验批质量验收记录表GB50204- 2002底板混凝土报验申请表工程名称:延津县2011年农村环境连片综合整治项目(石婆固乡段庄村)编号:010致:河南代建工程管理有限公司监理(监理单位)我单位已完成了石婆固乡段庄村调节池垫层混凝土工作,现报上该工程报验申请表,请予以审查和验收。
垫层隐蔽工程验收记录(总5页)--本页仅作为文档封面,使用时请直接删除即可----内页可以根据需求调整合适字体及大小--隐蔽工程验收记录(通用)工程名称:第十一届中国(郑州)国际园林博览会分项工程名称景观绿化硬景隐蔽日期年月日图纸编号隐蔽部位河洲茶坊垫层隐蔽工程内容、施工要点及简图根据设计图纸要求施工,我施工单位采用机械转运至铺设地点,砂石垫层的厚度为150MM,压实系数达到设计要求,现隐蔽,可进行下一步工序。
根据设计图纸要求,我施工单位采用商砼,C15砼垫层为100MM,混凝土浇筑时,使用振动棒捣实,表面光滑,无蜂窝麻面,到达设计要求,现隐蔽,可进行下一步工序。
(附图)技术负责人:年月日验收意见年月日监理(建设)单位验收人施工单位质检验员施工单位专业工长隐蔽工程验收记录(通用)工程名称:第十一届中国(郑州)国际园林博览会分项工程名称景观绿化硬景隐蔽日期年月日图纸编号隐蔽部位大门工程、景观亭子、水系垫层隐蔽工程内容、施工要点及简图根据设计图纸要求施工,我施工单位采用机械转运至铺设地点,砂石垫层的厚度为150MM,压实系数达到设计要求,现隐蔽,可进行下一步工序。
根据设计图纸要求,我施工单位采用商砼,C15砼垫层为100MM,混凝土浇筑时,使用振动棒捣实,表面光滑,无蜂窝麻面,到达设计要求,现隐蔽,可进行下一步工序。
(附图)技术负责人:年月日验收意见年月日监理(建设)单位验收人施工单位质检验员施工单位专业工长隐蔽工程验收记录(通用)工程名称:第十一届中国(郑州)国际园林博览会分项工程名称景观绿化硬景隐蔽日期年月日图纸编号隐蔽部位园路铺装、景观廊架、浉河泛月景墙、景观平台垫层隐蔽工程内容、施工要点及简图根据设计图纸要求施工,我施工单位采用机械转运至铺设地点,砂石垫层的厚度为150MM,压实系数达到设计要求,现隐蔽,可进行下一步工序。
根据设计图纸要求,我施工单位采用商砼,C15砼垫层为100MM,混凝土浇筑时,使用振动棒捣实,表面光滑,无蜂窝麻面,到达设计要求,现隐蔽,可进行下一步工序。
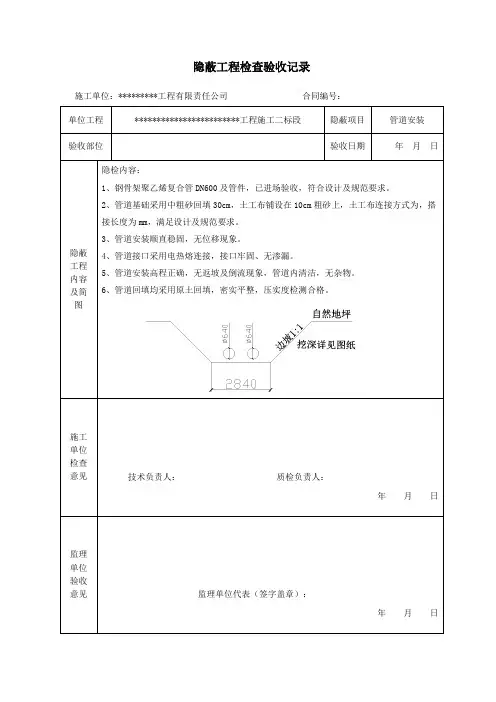
隐蔽工程检查验收记录
施工单位:*********工程有限责任公司合同编号:
单位工程************************工程施工二标段隐蔽项目管道安装
验收部位验收日期年月日
隐蔽工程内容及简图隐检内容:
1、钢骨架聚乙烯复合管DN600及管件,已进场验收,符合设计及规范要求。
2、管道基础采用中粗砂回填30cm,土工布铺设在10cm粗砂上,土工布连接方式为,搭接长度为mm,满足设计及规范要求。
3、管道安装顺直稳固,无位移现象。
4、管道接口采用电热熔连接,接口牢固、无渗漏。
5、管道安装高程正确,无返坡及倒流现象,管道内清洁,无杂物。
6、管道回填均采用原土回填,密实平整,压实度检测合格。
施工
单位
检查
意见技术负责人:质检负责人:
年月日
监理
单位
验收
意见监理单位代表(签字盖章):
年月日。
人行道级配碎石垫层隐蔽工程检查验收记录一、工程概况本次检查验收的是人行道级配碎石垫层隐蔽工程,该工程位于XX市路段,建设单位为XX建设公司,监理单位为XX监理公司,施工单位为XX施工公司。
该工程总用地面积为XXX平方米,总投资XXX万元,计划工期XXX天。
二、检查验收内容1.检查现场施工是否符合设计要求;2.检查材料使用是否符合规范标准;3.检查施工工艺是否符合要求;4.检查下道工序的准备工作是否与本工程对接;5.检查安全措施是否齐全;6.检查工地卫生情况。
三、检查验收过程及结果1.检查现场施工是否符合设计要求:(1)通过查看设计图纸及相关资料,核对工程实际施工情况与设计要求是否一致;(2)检查人行道边缘石的位置是否准确,并且嵌入土壤中的深度是否符合要求。
2.检查材料使用是否符合规范标准:(1)检查石料的种类、规格、颜色是否符合设计要求;(2)检查水泥砂浆的配比是否正确,是否达到强度要求;(3)检查钢筋的直径、间距是否符合要求。
3.检查施工工艺是否符合要求:(1)检查石料的铺设是否平整,是否存在明显的高低差;(2)检查水泥砂浆的配比是否合理,铺设厚度是否均匀一致;(3)检查钢筋的连接是否牢固,是否符合要求的折弯半径。
4.检查下道工序的准备工作是否与本工程对接:(1)与相关施工单位进行协调,确认下道工序的施工时间;(2)检查下道工序所需的材料和设备是否齐全。
5.检查安全措施是否齐全:(1)检查现场施工是否有设置警示标志,是否有合格的安全防护设施;(2)检查工人是否佩戴安全帽、安全鞋等个人防护装备。
6.检查工地卫生情况:(1)检查工地周边是否有杂物堆放,是否有垃圾清理措施;(2)检查施工现场是否有做好防尘措施。
四、检查验收结论通过本次检查验收,对人行道级配碎石垫层隐蔽工程施工情况进行了评估。
经检查发现,该工程施工符合设计要求,材料使用符合规范标准,施工工艺符合要求,下道工序准备工作与本工程对接良好,安全措施齐全,工地卫生情况良好。
垫层隐蔽工程验收记录 -标准化文件发布号:(9456-EUATWK-MWUB-WUNN-INNUL-DDQTY-KII
隐蔽工程验收记录(通用)
分项工程名称景观绿化硬景隐蔽日期年月日图纸编号隐蔽部位河洲茶坊垫层
隐蔽工程内容、施工要点及简图
根据设计图纸要求施工,我施工单位采用机械转运至铺设地点,砂石垫层的厚度为150MM,压实系数达到设计要求,现隐蔽,可进行下一步工序。
根据设计图纸要求,我施工单位采用商砼,C15砼垫层为100MM,混凝土浇筑时,使用振动棒捣实,表面光滑,无蜂窝麻面,到达设计要求,现隐蔽,可进行下一步工序。
(附图)
技术负责人:
年月日
验收
意见
年月日监理(建设)单位验收人施工单位质检验员施工单位专业工长
隐蔽工程验收记录(通用)
工程名称:第十一届中国(郑州)国际园林博览会
分项工程名称景观绿化硬景隐蔽日期年月日
图纸编号隐蔽部位大门工程、景观亭子、水系垫
层
隐蔽工程内容、施工要点及简图
根据设计图纸要求施工,我施工单位采用机械转运至铺设地点,砂石垫层的厚度为150MM,压实系数达到设计要求,现隐蔽,可进行下一步工序。
根据设计图纸要求,我施工单位采用商砼,C15砼垫层为100MM,混凝土浇筑时,使用振动棒捣实,表面光滑,无蜂窝麻面,到达设计要求,现隐蔽,可进行下一步工序。
(附图)
技术负责人:
年月日
验收
意见
年月日监理(建设)单位验收人施工单位质检验员施工单位专业工长
隐蔽工程验收记录(通用)
工程名称:第十一届中国(郑州)国际园林博览会
分项工程名称景观绿化硬景隐蔽日期年月日
图纸编号隐蔽部位园路铺装、景观廊架、浉河泛月景墙、景观平台垫层
隐蔽工程
内容、施工要点及简图
根据设计图纸要求施工,我施工单位采用机械转运至铺设地点,砂石垫层的厚度为150MM,压实系数达到设计要求,现隐蔽,可进行下一步工序。
根据设计图纸要求,我施工单位采用商砼,C15砼垫层为100MM,混凝土浇筑时,使用振动棒捣实,表面光滑,无蜂窝麻面,到达设计要求,现隐蔽,可进行下一步工序。
(附图)
技术负责人:
年月日
验收
意见
年月日。