隐蔽工程检查记录(全)
- 格式:doc
- 大小:211.50 KB
- 文档页数:16
隐蔽工程检查验收记录质检表4年月日编号:
工程名称防城港市东湾大道工程№4合同段(暗埠江大
桥)
施工单
位
广西公路桥梁工程总公司二
分公司
隐检项目桩基钢筋笼
隐检范
围
3—12#桩
隐检内容及检查情况一、隐检内容:
1、钢筋的规格、数量、位置
2、受力钢筋间距
3、箍筋、螺旋钢筋间距
4、钢筋骨架尺寸
5、保护层厚度
二、检查情况:
经检查,钢筋的规格、数量、位置;受力钢筋间距;箍筋、螺旋钢筋间距;钢筋骨架尺寸;保护层厚度;预埋桩基超声波检测管、钢筋表面等各项内容均符合设计及《城市桥梁工程施工与质量验收规范》(CJJ2—2008)要求,详见《检验批质量检验记录》该验收批验收合格。
验收
意见现场监理:
年月日。
隐蔽工程验收记录(大全) 基础条基1、确认所使用的商品混凝土原材料出厂合格证及相关资料齐全。
2、检查混凝土表面是否有蜂窝、麻面。
3、检查所隐的条型基础是否符合设计及规范要求。
基槽1、检查基槽开挖标高、尺寸、坡度是否符合规范要求。
2、检查基槽底部是否已清理干净浮土和杂物。
3、检查是否符合施工规范要求及质量验收记录。
基础圈梁1、确认所使用的商品混凝土原材料出厂合格证及相关资料齐全。
2、检查混凝土表面是否有蜂窝、麻面。
基础接地1、确认防雷接地所使用的材料均有合格证。
2、检查基础钢筋间的焊接是否牢固,并符合规范要求。
3、采用-4×40热度锌扁钢敷设成闭合环路,检查扁钢质量是否符合设计要求。
4、检查是否符合设计要求及施工质量验收规范要求。
一层柱避雷引下线1、确认所使用的材料有出厂合格证。
2、利用建筑物柱内主筋作引下线,采用电渣压力焊法,检查搭接长度是否符合设计要求及施工质量验收规范要求。
屋面挤塑聚苯乙烯泡沫板保温层1、确认保温层采用聚苯板保温板,有出厂合格证、质量证明文件。
2、检查保温铺贴是否牢固,接缝是否严密。
3、检查保温层材质、厚度是否符合图纸设计要求。
4、检查保温层上下接缝是否错开,接缝处是否用同类材料碎屑填嵌饱满。
5、检查保温板铺平垫稳,拼缝严密,保温厚度允许偏差等是否符合规范要求。
屋面水泥砂浆找平层1、将原混凝土层表面浮浆、松散、混凝土剔至密实,洒水湿润。
2、采用1:2.5水泥砂浆进行找平。
本文无明显格式错误和问题段落。
1、在敷设电线导管时,应按照设计要求进行布置,保证导管的位置正确、规格符合要求。
2、导管敷设时应保证其与基层结合紧密,无空鼓和裂缝。
3、导管敷设后应进行检查,确保表面平整、无起砂和蜂窝等缺陷。
4、在敷设过程中,应注意导管的分层铺设和适当压实,以保证表面平整和找坡正确。
5、电线导管敷设后,应按照相关规定进行质量验收,确保符合设计要求和规范要求。
2、保温材料的厚度、密度、导热系数符合设计要求,施工时保证均匀、密实。
检查井隐蔽工程检查验收记录一、项目概述检查井隐蔽工程是指在城市道路、小区、工业园区等地方进行的地下管线的接头、分支点的检查、维修和清理工作。
为了确保工程质量和安全性,对检查井隐蔽工程进行检查验收是必要的。
二、检查井隐蔽工程检查验收记录内容1. 工程基本信息- 工程名称:检查井隐蔽工程- 工程地点:XX市XX区XX街道- 工程编号:XXX- 工程施工单位:XXX公司- 工程监理单位:XXX公司- 工程验收单位:XXX公司- 工程验收日期:XXXX年XX月XX日2. 检查井隐蔽工程验收人员- 验收人员1:XXX- 验收人员2:XXX- 验收人员3:XXX3. 检查井隐蔽工程验收内容- 检查井隐蔽工程的施工质量是否符合相关标准和规范要求。
- 检查井隐蔽工程的施工工艺是否正确、合理。
- 检查井隐蔽工程的施工材料是否符合相关标准和规范要求。
- 检查井隐蔽工程的施工现场是否整洁、安全。
4. 检查井隐蔽工程验收结果- 检查井隐蔽工程的施工质量符合相关标准和规范要求。
- 检查井隐蔽工程的施工工艺正确、合理。
- 检查井隐蔽工程的施工材料符合相关标准和规范要求。
- 检查井隐蔽工程的施工现场整洁、安全。
5. 检查井隐蔽工程验收结论- 检查井隐蔽工程经过验收,合格。
6. 检查井隐蔽工程问题及整改情况- 问题1:检查井隐蔽工程施工过程中存在的问题描述。
- 整改情况1:问题1已经得到整改,并符合相关标准和规范要求。
- 问题2:检查井隐蔽工程施工过程中存在的问题描述。
- 整改情况2:问题2已经得到整改,并符合相关标准和规范要求。
7. 检查井隐蔽工程验收人员意见- 验收人员1意见:对检查井隐蔽工程的施工质量和工艺表示满意。
- 验收人员2意见:对检查井隐蔽工程的施工材料和现场整洁表示满意。
- 验收人员3意见:对检查井隐蔽工程的施工安全性表示满意。
三、结论经过对检查井隐蔽工程的检查验收,确认工程质量符合相关标准和规范要求,工程验收合格。
基础条基1、所用的商品混凝土原材料出厂合格证及相关资料齐全2、混凝土表面无蜂窝、麻面3、所隐的条型基础符合设计及规范要求基槽1、基槽开挖标高,尺寸,坡度附合规范要求2、基槽底浮土、杂物已清理干净3、符合施工规范要求及质量验收记录1、基础基底标高为-7 。
25m,槽底土质为③层土—粉细砂,无地下水;2、基槽土层已挖至-7.25m,基底清理到位,浮土、松土清除到持力层,无杂物;3 、基底轮廓尺寸符合图纸要求。
隐检内容已做完,请予以检查基础圈梁1、所用的商品混凝土原材料出厂合格证及相关资料齐全2、混凝土表面无蜂窝、麻面基础接地1、防雷接地所用的材料均有合格证2、利用基础基础钢筋作为接地装置,基础钢筋间焊接牢固,符合规范要求3、采用-4×40 热度锌扁钢敷设成闭合环路,扁钢质量符合设计要求4、符合设计要求及施工质量验收规范要求1、工人接地装置采用-40×4 镀锌扁钢,标高- 1 。
8m,位置符合电气施工图纸.2、环形接地装置分别与轴/①、⑧/⑥……等处引至结构基础钢梁进行焊接,并与避雷引线连成一体。
3、扁钢连接处焊接长度为其宽度的2 倍以上,且三面施焊,焊接处药皮已清除,无夹渣咬肉现象,并涂沥青,防腐无遗漏。
4、建筑物外墙轴/②、轴/ 、轴/ 处设置断接卡子。
5、实测接地电阻值为0 。
2Ω。
隐检内容已做完,请予以检查。
一层柱避雷引下线1、所用的材料有出厂合格证2、利用建筑物柱内主筋作引下线,采用电渣压力焊法,搭接长度符合设计要求及施工质量验收规范要求1、避雷引下线共20 处,分别利用图纸标示的柱子中两根Φ25 柱主筋上下对应引上,位置符合电气施工图纸。
2、柱主筋采用Φ16 钢筋帮条焊,在直螺纹接头上下做跨接焊,焊接连成一体,焊接长度大于钢筋直径的 6 倍,且两面施焊;药皮已清除,无夹渣咬肉现象.隐检内容已做完,请予以检查。
屋面挤塑聚苯乙烯泡沫板保温层1、保温层采用聚苯板保温板,有出厂合格证、质量证明文件.2、保温铺贴牢固,接缝严密。
年 月 日 年 月 日 年 月 日 年 月 日施 工 单 位
监 理 单 位建 设 单 位设计单位项目技术负责人:专业监理工程师:项目技术负责人:项目技术负责人:工程量计算式或工程量:
阀门井:1座
消火栓闸阀井:1座
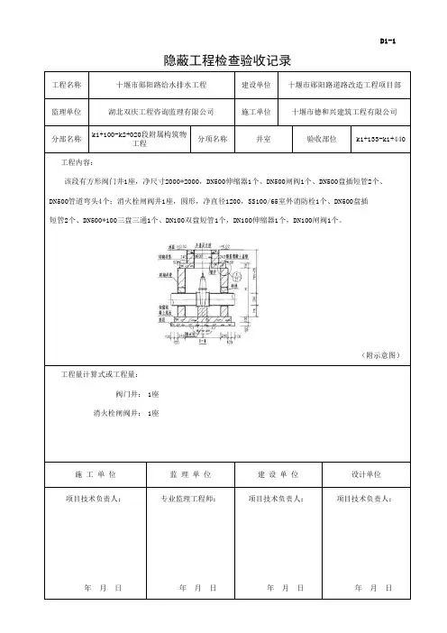
工程内容:
该段有方形阀门井1座,净尺寸2000*2000,DN500伸缩器1个、DN500闸阀1个、DN500盘插短管2个、 DN500管道弯头4个;消火栓闸阀井1座,圆形,净直径1200,SS100/65室外消防栓1个、DN500盘插 短管2个、DN500*100三盘三通1个、DN100双盘短管1个,DN100伸缩器1个,DN100闸阀1个。
(附示意图)
监理单位湖北双庆工程咨询监理有限公司
施工单位十堰市德和兴建筑工程有限公司分部名称
k1+100-k2+020段附属构筑物
工程分项名称井室验收部位k1+133-k1+440D1-1
隐蔽工程检查验收记录
工程名称十堰市郧阳路给水排水工程建设单位十堰市郧阳路道路改造工程项目部。
隐蔽工程检查记录(主要隐检项目及内容)(总3页)--本页仅作为文档封面,使用时请直接删除即可----内页可以根据需求调整合适字体及大小--隐蔽工程检查记录(主要隐检项目及内容)建筑装饰装修(1)地面工程1)检查内容:依据施工图纸、有关施工验收规范要求和施工方案、技术交底,检查各基层(垫层、找平层、隔离层、填充层)的材料品种、规格、铺设厚度、铺设方式、坡度、标高、表面情况、节点密封处理等情况;2)填写要点:地面工程隐检记录中要注明施工图纸编号,地面铺设的类型(石板地面、木材地面、水泥地面、板材地面),材料的品种规格等,将检查内容描述清楚。
(2)厕浴防水1)检查内容:依据施工图纸、有关施工验收规范要求和施工方案、技术交底、检查基层表面含水率、地漏、卫生器具根部、阴阳角等部位的处理情况,防水层墙面的涂刷情况;2)填写要点:厕浴防水隐检记录中要注明施工图纸编号,防水材料的复试报告编号、防水材料的品种、涂刷厚度,玻钎布的搭接宽度,地漏、套管、卫生器具根部附加层的情况,防水层从地面延伸到墙面的高度尺寸等,将检查内容描述清楚。
(3)抹灰工程1)检查内容:依据施工图纸、有关施工验收规范要求和施工方案、技术交底,检查具有加强措施的材料规格、固定方法、搭接情况等;2)填写要点:抹灰工程隐检记录中要注明施工图纸编号,水泥复试报告编号,应将不同材料基体交接处表面的抹灰采取防止开裂的加强措施描述清楚。
(4)门窗工程1)检查内容:依据施工图纸、有关施工验收规范要求和施工方案、技术交阍,检查预埋件和锚固件、螺栓等数量、位置、间距、埋设方式、与框的连接方式、防腐处理、缝隙的嵌填、密封材料的粘结等情况;2)填写要点:门窗工程隐检记录中要注明施工图纸编号,门窗的类型(木门窗、铝合金门窗塑料门窗、玻璃门、金属门、防火门),预埋件和锚固件的位置,木门窗预埋件木砖的防腐处理,与墙体间缝隙的填嵌材料,保温材料等;金属门窗的预埋件位置,埋设方式、密封处理等情况;塑料门窗内衬型钢的壁厚尺寸,门窗框、副框和扇的安装固定片活膨胀螺栓的数量等情况要描述清楚,特种门窗的防水防腐处理,与框的连接方式等。
工程隐蔽检查记录
一、基本情况
1.1项目概况
本次检查的项目是高层住宅楼,位于市。
楼高15层,楼底有7层地
下室,外墙砌体采用石灰砂砌,内墙砌体采用高强混凝土砌,顶蓬采用砼
结构,本次检查主要包括外墙、内墙、楼面、楼梯、楼内其他有关构造等
隐蔽工程项目。
2.2隐蔽检查时间
2024年11月20日~2024年11月25日
二、隐蔽检查
2.1外墙
外墙砌体施工已完成,公差范围符合要求,垂直度、斜度等砌体型态
符合要求,间距正确,美观,已进行砌体强度检测,结果符合要求;外墙
抹灰已完成,公差范围符合要求,层次稳定,表面平整光滑,美观;涂料
抹涂已完成,涂料品种色彩饱满,密度适中,密封性能良好;腻子粉刷符
合要求,表面细腻无虚掩;外墙墙体膨胀、收缩条施工良好,并且安装拱
形后挡水条。
2.2内墙
内墙砌体施工已完成,公差范围符合要求,垂直度、斜度等砌体垂直、平整,间距正确,颜色均匀,美观;内墙抹灰已完成,工艺质量稳定,层
次稳定,色泽一致,无秃面,美观;内墙涂料施工已完成,涂料丰富,涂
料收缩性好。
隐蔽工程检查验收记录文稿一、项目基本信息:工程名称:地点:建设单位:施工单位:监理单位:检查验收日期:二、隐蔽工程检查情况:1.基坑开挖:(1)依据设计要求,基坑开挖尺寸符合要求,并考虑到基坑边坡稳定和临时支撑结构的安全性。
(2)基坑开挖过程中是否有遇水、塌方等情况,在发生问题时是否及时采取相应的措施进行处理。
(3)基坑底部与周边环境的接口处理情况,例如地下管线的保护、地基处理等。
2.主体结构施工:(1)结构材料的质量和规格是否符合设计要求。
(2)结构施工的过程中是否按照设计图纸进行,是否存在误差或变形。
(3)结构施工中是否采用了适当的脚手架和安全防护措施。
3.建筑给排水施工:(1)给排水管道的规格和材质是否符合设计要求。
(2)给排水管道的施工质量是否符合标准,例如管道的坡度是否适当,管道的连接是否紧密等。
(3)给排水系统的检验是否符合规范要求,例如进行洗管试验、压力试验等。
4.暖通施工:(1)暖通设备的安装位置和高度是否符合设计要求。
(2)暖通设备的管道连接是否严密,是否存在漏水、漏风等情况。
(3)暖通系统的检验是否符合规范要求,例如进行泄漏试验、冷凝水排放等。
5.电气施工:(1)电气线路的布线是否符合设计要求,是否存在交叉、并严格按照电压等级进行分段。
(2)电气设备的安装质量是否良好,设备接地是否符合标准。
(3)电气线路的检测是否符合规范要求,例如进行单项短路试验、绝缘电阻试验等。
6.室内装饰工程:(1)室内装饰材料的质量和环保性是否符合国家相关标准。
(2)室内装饰工程中是否存在破损、渗漏等质量问题。
(3)室内装饰工程是否按照设计要求进行。
三、隐蔽工程验收情况:1.检查过程中发现的问题及处理情况:(1)问题描述:例如材料质量不符合要求、施工不符合图纸等。
(2)处理措施:例如责令施工单位整改、更换材料等。
2.隐蔽工程的验收标准是否符合规范要求。
3.隐蔽工程的验收结果是否合格。
四、其他事项:1.监理单位对隐蔽工程的评价及建议。
隐蔽工程检查验收记录隐蔽工程检查验收记录检查单位:XXXX公司检查时间:20XX年XX月XX日项目名称:XXXX项目项目地址:XXXX本次检查验收的隐蔽工程包括以下内容:一、水电隐蔽工程1. 检查项目:水电布线检查结果:经检查,水电布线按照设计要求进行,线路清晰明了,无交叉、错接等情况。
2. 检查项目:电线管道安装检查结果:经检查,电线管道安装牢固可靠,符合相关标准和规范要求。
3. 检查项目:水管道安装检查结果:经检查,水管道安装无渗漏现象,连接紧密,符合相关标准和规范要求。
二、防火隐蔽工程1. 检查项目:防火板安装检查结果:经检查,防火板安装牢固,无破损、脱落等情况,符合相关标准和规范要求。
2. 检查项目:防火涂料喷涂检查结果:经检查,防火涂料喷涂均匀,涂层密度符合要求,达到防火目的。
三、通风隐蔽工程1. 检查项目:通风管道安装检查结果:经检查,通风管道安装牢固可靠,无渗漏现象,与相关设备衔接处合理。
2. 检查项目:通风口设置检查结果:经检查,通风口设置合理,通风效果良好,无堵塞现象。
四、其他隐蔽工程1. 检查项目:隔音处理检查结果:经检查,隔音处理符合设计要求,达到隔音效果。
2. 检查项目:承重墙、柱施工检查结果:经检查,承重墙、柱施工符合相关标准和规范要求,结构稳定牢固。
总结:根据以上检查结果,本次隐蔽工程检查验收合格。
隐蔽工程施工符合相关标准和规范要求,质量良好。
希望施工单位在后续工程中继续保持工作质量,确保项目按时按质完成。
检查单位(盖章):检查人签名:日期:20XX年XX月XX日备注:如有不合格项,请在备注中详细说明,并列出补救措施。
地下室隐蔽工程检查验收记录日期:20XX年XX月XX日地点:XX地下室一、背景介绍本次地下室隐蔽工程检查验收旨在确保地下室隐蔽工程的质量达到设计要求,符合相关规范和标准。
隐蔽工程是指在结构封闭、装修前的工程,包括给排水管道、电路线缆、通风管道等。
本次地下室隐蔽工程主要包括给排水管道、电路线缆等内容的检查验收。
二、参与人员1.建设单位代表:2.监理单位代表:3.施工单位代表:4.检测单位代表:三、检查验收内容及结果1.给排水管道:检查内容:检查给排水管道的接口是否牢固、是否有渗漏现象,管道布局是否符合设计要求,管道材质是否满足要求等。
检查结果:给排水管道的接口连接牢固,无渗漏现象;管道布局符合设计要求;管道材质符合要求。
此项检查验收合格。
2.电路线缆:检查内容:检查电路线缆的安装是否规范,接头是否牢固,线缆敷设是否整齐,线缆标识是否清晰等。
检查结果:电路线缆安装规范,接头牢固,线缆敷设整齐,线缆标识清晰。
此项检查验收合格。
3.通风管道:检查内容:检查通风管道的安装是否符合要求,接口连接是否可靠,管道内部是否干净等。
检查结果:通风管道安装符合要求,接口连接可靠,管道内部干净。
此项检查验收合格。
四、存在的问题及整改在地下室隐蔽工程检查验收过程中,未发现明显的质量问题。
但是,在施工过程中仍需注意以下几点:1.给排水管道安装时需要进一步加强对接口的检查,确保接口连接牢固、无渗漏。
2.电路线缆敷设时要严格按照设计图纸要求进行,避免线缆交叉布线。
3.通风管道安装应注意接口连接是否牢固,管道内部是否干净。
五、其他事项1.检测单位在验收过程中提供了专业的技术支持,并准确无误地进行了检测和测量工作。
2.建设单位、监理单位和施工单位的相关负责人对地下室隐蔽工程的质量进行了认真的检查和验收,对检测单位的工作给予了充分肯定。
六、整改措施和责任分工1.给排水管道方面,施工单位负责加强接口的检查,确保接口连接牢固,无渗漏。
2.电路线缆方面,施工单位负责严格按照设计要求进行线缆敷设,避免交叉布线。
隐蔽工程检查记录表D1-1-1 编号:依据:施工图纸〔施工图纸编号结施:03 〕、设计变卦/洽商〔编号/ 〕和有关规则、规程。
材质:主要资料钢筋规格/型号φ8、14、16隐检内容:钢筋特殊工艺:无申报人:甘程本表由施工单位填报,树立单位、施工单位、城建档案馆各保管一份。
表D1-1-1 编号:依据:施工图纸〔施工图纸编号结施:03 〕、设计变卦/洽商〔编号/ 〕和有关规则、规程。
材质:主要资料钢筋规格/型号φ8、14、16隐检内容:钢筋特殊工艺:无申报人:甘程本表由施工单位填报,树立单位、施工单位、城建档案馆各保管一份。
表D1-1-1 编号:依据:施工图纸〔施工图纸编号结施:03 〕、设计变卦/洽商〔编号/ 〕和有关规则、规程。
材质:主要资料钢筋规格/型号φ8、14、16隐检内容:钢筋特殊工艺:无申报人:甘程本表由施工单位填报,树立单位、施工单位、城建档案馆各保管一份。
表D1-1-1 编号:依据:施工图纸〔施工图纸编号结施:03 〕、设计变卦/洽商〔编号/ 〕和有关规则、规程。
材质:主要资料钢筋规格/型号φ8、14、16隐检内容:钢筋特殊工艺:无申报人:甘程本表由施工单位填报,树立单位、施工单位、城建档案馆各保管一份。
表D1-1-1 编号:依据:施工图纸〔施工图纸编号结施:03 〕、设计变卦/洽商〔编号/ 〕和有关规则、规程。
材质:主要资料钢筋规格/型号φ8、14、16隐检内容:钢筋特殊工艺:无申报人:甘程本表由施工单位填报,树立单位、施工单位、城建档案馆各保管一份。
表D1-1-1 编号:依据:施工图纸〔施工图纸编号结施:03 〕、设计变卦/洽商〔编号/ 〕和有关规则、规程。
材质:主要资料钢筋规格/型号φ8、14、16隐检内容:钢筋特殊工艺:无申报人:甘程本表由施工单位填报,树立单位、施工单位、城建档案馆各保管一份。
表D1-1-1 编号:依据:施工图纸〔施工图纸编号结施:03 〕、设计变卦/洽商〔编号/ 〕和有关规则、规程。
(全)隐蔽工程检查验收记录范本一:(全)隐蔽工程检查验收记录一:检查验收的目的和范围1. 目的本次隐蔽工程检查验收的目的是确保工程按照设计要求和施工规范进行,保证施工质量和安全性。
2. 范围本次隐蔽工程检查验收的范围包括但不限于以下内容:- 基础工程的隐蔽验收- 结构工程的隐蔽验收- 电气工程的隐蔽验收- 管道工程的隐蔽验收二:检查验收的程序和要求1. 检查程序- 准备工作:确认隐蔽工程的验收标准和验收依据。
- 检查前准备:准备相关文件和检查工具。
- 检查过程:逐个检查隐蔽工程的各项要素,记录检查结果。
- 整理资料:整理检查记录和相关附件。
- 完成报告:编写检查报告,并进行总结和评价。
2. 检查要求- 按照设计要求进行验收,确认隐蔽工程的符合性。
- 检查隐蔽工程所涉及的各项技术指标,确保符合规范要求。
- 检查隐蔽工程所使用的材料和设备,确认其质量和安全性。
- 检查隐蔽工程的施工过程和施工质量,确保无疏漏和缺陷。
三:检查验收的记录和报告1. 检查记录- 记录检查的时间、地点、参与人员等基本信息。
- 逐项记录隐蔽工程的检查结果,包括合格、不合格和待整改事项等。
- 对不合格和待整改事项进行详细描述,并记录相关的处理措施和时限。
2. 检查报告- 根据检查记录编写检查报告,报告内容包括但不限于以下内容:- 检查目的和范围的概述;- 检查过程的描述和总结;- 各项要素的检查结果和评价;- 不合格和待整改事项的处理措施和时限;- 检查人员的签字和日期。
附件:- 相关设计文件- 隐蔽工程验收标准- 检查记录表格法律名词及注释:1. 隐蔽工程:指在建筑结构的内部或隐藏区域进行的施工工作,如电气管道、通风系统等。
2. 施工规范:指施工过程中遵循的相关标准和规定,确保施工质量和安全性。
3. 检查记录:指进行隐蔽工程检查时所记录的检查结果和相关信息的记录表格或文件。
范本二:(全)隐蔽工程检查验收记录一:检查验收的目的和范围1. 目的本次隐蔽工程检查验收的目的是为了核实施工人员在进行隐蔽工程时是否符合相关标准和要求,确保工程质量和安全性。
隐蔽工程质量检查验收记录项目信息项目名称:[项目名称]项目地点:[项目地点]建设单位:[建设单位]监理单位:[监理单位]施工单位:[施工单位]验收单位:[验收单位]验收日期:[验收日期]验收内容本次验收针对以下隐蔽工程进行质量检查:1. 隐蔽工程1:[隐蔽工程1描述]2. 隐蔽工程2:[隐蔽工程2描述]3. 隐蔽工程3:[隐蔽工程3描述]4. ...检查结果经过对以上隐蔽工程的质量检查,得出以下结果:1. 隐蔽工程1:- 符合相关技术规范和设计要求- 检查无异常情况2. 隐蔽工程2:- 不符合相关技术规范和设计要求:- 不合格项目1:[不合格项目1描述]- 不合格项目2:[不合格项目2描述]- 已提出整改要求,待施工单位整改后复验3. 隐蔽工程3:- 符合相关技术规范和设计要求- 检查无异常情况...复验情况针对不符合相关技术规范和设计要求的隐蔽工程,已要求施工单位整改并进行复验。
1. 隐蔽工程2复验情况:- 整改已完成- 复验结果:- 符合相关技术规范和设计要求- 检查无异常情况...结论根据本次隐蔽工程质量检查的结果,大部分工程符合相关技术规范和设计要求,检查未发现异常情况。
对于不符合规范要求的工程已要求整改,并进行了复验,结果符合规范要求。
建设单位、监理单位和施工单位共同参与了本次验收,并达成一致意见。
验收人员:建设单位代表:[建设单位代表签字] 监理单位代表:[监理单位代表签字] 施工单位代表:[施工单位代表签字] 验收单位代表:[验收单位代表签字]日期:[日期]附件- [附件1]- [附件2]- ...。