基础砼垫层隐蔽工程检查验收记录簿
- 格式:doc
- 大小:514.62 KB
- 文档页数:44
土方开挖报验申请表土方开挖工程检验批质量验收记录表隐蔽工程验收单模板安装报验申请表工程名称:延津县2011年农村环境连片综合整治项目(石婆固乡段庄村)编号:009模板安装工程检验批质量验收记录表GB50204-2002底板混凝土报验申请表工程名称:延津县2011年农村环境连片综合整治项目(石婆固乡段庄村)编号:010混凝土原材料及配合比设计检验批质量验收记录表混凝土施工检验批质量验收记录表GB50204-2002现浇结构外观及尺寸偏差检验批质量验收记录表GB50204-2002隐蔽工程验收单模板拆除报验申请表工程名称:延津县2011年农村环境连片综合整治项目(石婆固乡段庄村)编号:011模板拆除工程检验批质量验收记录表GB50204-2002底板模板安装报验申请表工程名称:延津县2011年农村环境连片综合整治项目(石婆固乡段庄村)编号:012模板安装工程检验批质量验收记录表GB50204-2002底板钢筋报验申请表工程名称:延津县2011年农村环境连片综合整治项目(石婆固乡段庄村)编号:013钢筋加工检验批质量验收记录表GB50204-2002钢筋安装工程检验批质量验收记录表隐蔽工程验收单底板混凝土报验申请表工程名称:延津县2011年农村环境连片综合整治项目(石婆固乡段庄村)编号:014混凝土原材料及配合比设计检验批质量验收记录表GB50204-2002混凝土施工检验批质量验收记录表GB50204-2002现浇结构外观及尺寸偏差检验批质量验收记录表GB50204-2002隐蔽工程验收单模板拆除报验申请表工程名称:延津县2011年农村环境连片综合整治项目(石婆固乡段庄村)编号:015模板拆除工程检验批质量验收记录表GB50204-2002。
土方开挖报验申请表
工程名称:鲁山县2012年农村环境连片综合整治项目(库区乡东许庄村)编号:001
土方开挖工程检验批质量验收记录表
GB50202-2002
隐蔽工程验收
日期:年月日
土方回填报验申请表
工程名称:鲁山县2012年农村环境连片综合整治项目(库区乡东许庄村)编号:002
分项工程检验批质量报验单
人工湿地边坡锚固报验申请表
工程名称:鲁山县2012年农村环境连片综合整治项目(库区乡东许庄村)编号:
砖砌体(混水)工程检验批质量验收记录表
GB50203-2002
隐蔽工程验收记录表
编号:
隐蔽工程验收记
编号:
HDPE膜铺设报验申请表
工程名称:鲁山县2012年农村环境连片综合整治项目(库区乡东许庄村)编号:
土工膜铺设工序施工质量评定表
土工膜备料工序施工质量评定表
级配填料回填报验申请表
工程名称:鲁山县2012年农村环境连片综合整治项目(库区乡东许庄村)编号:
碎石回填检验批质量验收记录表。
土方开挖报验申请表
工程名称:鲁山县2012年农村环境连片综合整治项目(库区乡东许庄村)编号:001
土方开挖工程检验批质量验收记录表GB50202-2002
隐蔽工程验收
日期:年月日
土方回填报验申请表
工程名称:鲁山县2012年农村环境连片综合整治项目(库区乡东许庄村)编号:002
分项工程检验批质量报验单
人工湿地边坡锚固报验申请表
工程名称:鲁山县2012年农村环境连片综合整治项目(库区乡东许庄村)编号:
砖砌体(混水)工程检验批质量验收记录表
GB50203-2002
隐蔽工程验收记录表
编
隐蔽工程验收记
编
HDPE膜铺设报验申请表
工程名称:鲁山县2012年农村环境连片综合整治项目(库区乡东许庄村)编号:
土工膜铺设工序施工质量评定表
土工膜备料工序施工质量评定表
级配填料回填报验申请表
工程名称:鲁山县2012年农村环境连片综合整治项目(库区乡东许庄村)编号:
碎石回填检验批质量验收记录表。
基础砼垫层隐蔽工程检查验收记录1. 项目概述本项目位于xx区xx路xx号,建筑面积约为xxxx平方米。
建筑总高度为xxxx 米,共有xx层。
作为建筑工程的基础,砼垫层是整个工程的重要组成部分。
为了确保工程质量,本次进行基础砼垫层隐蔽工程的检查验收工作。
2. 检查验收内容及标准2.1 工程验收范围本次检查验收的工程范围包括以下内容:•基础砼垫层的填筑和夯实•基础砼垫层的平整度和标高•基础砼垫层的混凝土强度检测•基础砼垫层的防水处理•基础砼垫层周边的排水系统2.2 检查验收标准本次检查验收的标准为:•基础砼垫层填筑和夯实:填筑材料应符合设计要求,夯实压实度不得低于设计要求。
•基础砼垫层平整度和标高:平整度误差不得大于设计规定的允许误差,标高误差不得大于±10mm。
•基础砼垫层混凝土强度检测:混凝土强度应符合设计要求。
•基础砼垫层防水处理:防水材料应符合设计要求,防水层应均匀牢固。
•基础砼垫层周边的排水系统:周边排水系统应畅通有效,有足够的收水能力。
3. 检查验收过程3.1 准备阶段检查验收前,应确保所有工程纪要和图文资料都已经准备充分。
所有检测和检验设备应符合质量标准,并进行校准验证。
3.2 检查验收现场检查人员应根据设计要求和检查清单对现场进行全面检查。
如发现问题,应及时进行记录,并与现场施工人员沟通协调解决。
3.3 检查验收结果根据检查现场情况和检测数据,在检查记录上进行详细记录,对检测过程中遇到的问题以及解决方案进行说明,并表示是否合格。
4. 检查验收本次基础砼垫层隐蔽工程检查验收结果如下:•基础砼垫层填筑和夯实:合格•基础砼垫层平整度和标高:合格•基础砼垫层混凝土强度检测:合格•基础砼垫层防水处理:合格•基础砼垫层周边的排水系统:合格5. 改进措施针对本次基础砼垫层隐蔽工程检查验收出现的问题和不足,提出如下改进措施:•在工程策划和执行过程中,加强各工序间的协调合作,确保施工的连续性与协调性。
土方开挖报验申请表工程名称:延津县2011年农村环境连片综合整治项目(石婆固乡段庄村)我单位已完成了 石婆固乡段庄村调节池土方开挖工作,现报上该工程报验申请表,请予以审查和验收。
附件:1、土方开挖工程检验批质量验收记录表2、隐蔽工程验收单承包单位(章)福建省南平市水利电力工程处项目经理 ________________________日 期 __________________________审查意见:项目监理机构河南代建工程管理有限公司监理 总/专业监理工程师 ______________________________日 期 _______________________________致:河南代建工程管理有限公司监理(监理单位)编号:008土方开挖工程检验批质量验收记录表GB50202- 2002隐蔽工程验收单模板安装报验申请表工程名称:延津县2011年农村环境连片综合整治项目(石婆固乡段庄村)编号:009致:河南代建工程管理有限公司监理(监理单位)我单位已完成了石婆固乡段庄村调节池垫层模板安装工作,现报上该工程报验申请表,请予以审查和验收。
附件:1、模板安装工程检验批质量验收记录表承包单位(章)福建省南平市水利电力工程处___________项目经理日期 ___________________________ 审查意见:项目监理机构 _____________________________________总/专业监理工程师______________________________日期________________________________模板安装工程检验批质量验收记录表GB50204- 2002底板混凝土报验申请表工程名称:延津县2011年农村环境连片综合整治项目(石婆固乡段庄村)编号:010致:河南代建工程管理有限公司监理(监理单位)我单位已完成了石婆固乡段庄村调节池垫层混凝土工作,现报上该工程报验申请表,请予以审查和验收。
土方开挖报验申请表土方开挖工程检验批质量验收记录表隐蔽工程验收单模板安装报验申请表工程名称:延津县2011年农村环境连片综合整治项目(石婆固乡段庄村)编号:009模板安装工程检验批质量验收记录表GB50204-2002底板混凝土报验申请表工程名称:延津县2011年农村环境连片综合整治项目(石婆固乡段庄村)编号:010混凝土原材料及配合比设计检验批质量验收记录表混凝土施工检验批质量验收记录表GB50204-2002现浇结构外观及尺寸偏差检验批质量验收记录表GB50204-2002隐蔽工程验收单模板拆除报验申请表工程名称:延津县2011年农村环境连片综合整治项目(石婆固乡段庄村)编号:011模板拆除工程检验批质量验收记录表GB50204-2002底板模板安装报验申请表工程名称:延津县2011年农村环境连片综合整治项目(石婆固乡段庄村)编号:012模板安装工程检验批质量验收记录表GB50204-2002底板钢筋报验申请表工程名称:延津县2011年农村环境连片综合整治项目(石婆固乡段庄村)编号:013钢筋加工检验批质量验收记录表GB50204-2002钢筋安装工程检验批质量验收记录表隐蔽工程验收单底板混凝土报验申请表工程名称:延津县2011年农村环境连片综合整治项目(石婆固乡段庄村)编号:014混凝土原材料及配合比设计检验批质量验收记录表GB50204-2002混凝土施工检验批质量验收记录表GB50204-2002现浇结构外观及尺寸偏差检验批质量验收记录表GB50204-2002隐蔽工程验收单模板拆除报验申请表工程名称:延津县2011年农村环境连片综合整治项目(石婆固乡段庄村)编号:015南昌翠林山庄(恒大绿洲)项目二期A地块1#~6#楼地下室工程模板拆除工程检验批质量验收记录表GB50204-2002页脚内容37。
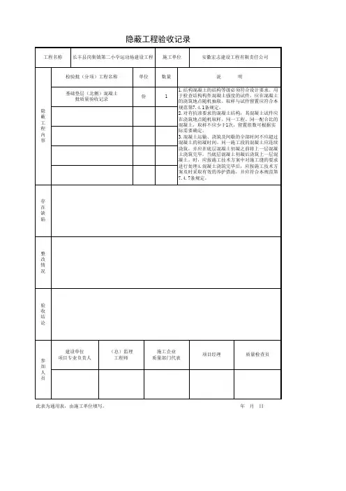
隐蔽工程验收记录(砼垫层)
隐蔽工程验收记录(砼垫层)
隐蔽工程验收记录(砼垫层)工程名称:青浦区徐泾镇2010年黑臭河道整治工程1标(老洋泾港)
隐蔽工程验收记录(砼垫层)工程名称:青浦区徐泾镇2010年黑臭河道整治工程1标(小涞浪涵闸)
隐蔽工程验收记录(砼垫层) 工程名称:青浦区徐泾镇2010年黑臭河道整治工程1标(小涞浪)
隐蔽工程验收记录(砼垫层)
工程名称:青浦区徐泾镇2010年黑臭河道整治工程1标(小涞浪)
隐蔽工程验收记录(砼垫层)
隐蔽工程验收记录(砼垫层)
隐蔽工程验收记录(砼垫层)工程名称:青浦区徐泾镇2010年黑臭河道整治工程2标(西河泾)
隐蔽工程验收记录(砼垫层) 工程名称:嘉闵高架路(南段)新建工程1标
隐蔽工程验收记录(砼垫层)工程名称:嘉闵高架路(南段)新建工程1标
隐蔽工程验收记录(砼垫层)
工程名称:嘉闵高架路(南段)新建工程1标
隐蔽工程验收记录(砼垫层)。
土方开挖报验申请表
土方开挖工程检验批质量验收记录表
隐蔽工程验收
日期: 年月日土方回填报验申请表
分项工程检验批质量报验单
人工湿地边坡锚固报验申请表
工程名称:鲁山县2012年农村环境连片综合整治项目(库区乡东许庄村)编号:
砖砌体(混水)工程检验批质量验收记录表
GB50203-2002
隐蔽工程验收记录表
隐蔽工程验收记
HDPE膜铺设报验申请表
工程名称:鲁山县2012年农村环境连片综合整治项目(库区乡东许庄村)编号:
土工膜铺设工序施工质量评定表
土工膜备料工序施工质量评定表
级配填料回填报验申请表
工程名称:鲁山县2012年农村环境连片综合整治项目(库区乡东许庄村)编号:
碎石回填检验批质量验收记录表。
土方开挖报验申请表
土方开挖工程检验批质量验收记录表
隐蔽工程验收单
模板安装报验申请表
工程名称:延津县2011年农村环境连片综合整治项目(石婆固乡段庄村)编号:009
模板安装工程检验批质量验收记录表
GB50204-2002
底板混凝土报验申请表
工程名称:延津县2011年农村环境连片综合整治项目(石婆固乡段庄村)编号:010
混凝土原材料及配合比设计检验批质量验收记录表
混凝土施工检验批质量验收记录表
GB50204-2002
现浇结构外观及尺寸偏差检验批质量验收记录表
GB50204-2002
隐蔽工程验收单
模板拆除报验申请表
工程名称:延津县2011年农村环境连片综合整治项目(石婆固乡段庄村)编号:011
模板拆除工程检验批质量验收记录表
GB50204-2002
底板模板安装报验申请表
工程名称:延津县2011年农村环境连片综合整治项目(石婆固乡段庄村)编号:012
模板安装工程检验批质量验收记录表
GB50204-2002
底板钢筋报验申请表
工程名称:延津县2011年农村环境连片综合整治项目(石婆固乡段庄村)编号:013
钢筋加工检验批质量验收记录表
GB50204-2002
钢筋安装工程检验批质量验收记录表
隐蔽工程验收单
底板混凝土报验申请表
工程名称:延津县2011年农村环境连片综合整治项目(石婆固乡段庄村)编号:014
混凝土原材料及配合比设计检验批质量验收记录表
GB50204-2002
混凝土施工检验批质量验收记录表
GB50204-2002
现浇结构外观及尺寸偏差检验批质量验收记录表
GB50204-2002
隐蔽工程验收单
模板拆除报验申请表
工程名称:延津县2011年农村环境连片综合整治项目(石婆固乡段庄村)编号:015
模板拆除工程检验批质量验收记录表
GB50204-2002。