JKQ3000AB直流系统通讯规约(080328)
- 格式:doc
- 大小:1.33 MB
- 文档页数:34
PowerSCADA 3000 变电站监控系统技术说明书深圳市康必达控制技术有限公司目录目录 (2)第一章系统整体结构描述 (4)1.系统特点 (4)1.1系统的开放性 (4)1.2系统的分布性 (4)1.3系统的可靠性和安全性 (5)1.4系统的可维护性 (5)1.5系统的实时性 (5)1.6系统的可用性 (5)1.7系统软件特点 (6)2.系统配置概述 (6)2.1系统网络结构 (6)2.2系统规模及节点功能 (6)2.2.1前置机系统 (6)2.2.2后台服务器 (7)2.2.3调度工作站 (7)2.2.4维护工作站 (7)2.2.5WEB服务器 (8)2.2.6物理隔离装置 (8)3.监控系统硬件选型原则 (8)4.监控系统数据流向图 (9)5.典型配置图(网络结构带WEB发布) (9)6.典型配置图(双机系统) (10)7.监控系统软件清单 (11)第二章主站系统软件支持平台 (12)1.1全面采用开放的工业及国际标准作为基础支撑平台 (12)1.1.1数据库管理系统 (13)1.1.2实时数据库访问接口 (14)1.1.3分布式系统管理与监视 (15)1.1.4高级脚本语言 (16)1.1.5图形系统 (16)1.2提供二次开发接口 (17)第三章 SCADA功能 (18)1.1数据采集与处理 (18)1.2控制和调节 (20)1.3事故追忆(PDR) (21)1.4事故分析 (22)1.5事件顺序记录 (22)1.6报警处理 (22)1.7大屏幕投影系统接口 (23)1.8系统时钟和时钟同步 (24)1.9网络拓扑和动态着色 (24)1.10实时数据库 (24)1.11人机界面 (24)1.12用户管理 (26)1.13系统的可维护性 (27)1.14历史数据和报表处理 (27)1.15网络通讯子系统 (28)1.16系统时间的统一 (29)1.17系统的设备管理及监视功能 (29)1.18通讯规约 (29)第四章电压无功调节(VQC) (30)第五章WEB发布 (32)第六章系统性能指标 (33)第七章遵循的主要标准 (36)第八章与WINCC等通用组态软件的比较 (37)第一章系统整体结构描述综述PowerSCADA3000变电站监控系统的设计遵循高起点、高水平的原则,充分结合实用、先进、可靠、经济等几方面因素,以满足用户需求为最终目标。
文档编号THJS-TXXY-0007文档名称THJK004G-3S-240V监控器通信规约拟制审核批准版本修订历史记录版本改版日期改版说明拟制审核批准1.1 2009-6-20 更新格式1.2 2010-6-23 设计更改1.2.1 2010-10-22 MODBUS规约增加遥调时间命令(一) MODBUS通信规约一、概述本文描述了THJK004G-3S-240V监控器数据上报的MODBUS协议通讯规约标准,应用于监控器向上位机设备上报数据时的通讯规约。
二、适用范围本规约适用于通合电子生产的THJK004G-3S-240V监控器与上位机之间进行串行通信,适用机型包括: THJK004G-3S-240V,是开发、测试此类监控器MODBUS协议通讯软件的依据。
三、物理接口接口标准为RS485。
通讯方式为异步串行通信,波特率支持:2400\ 4800 \9600,每帧数据10位(包括1位起始位、8位数据和1位停止位,无奇偶校验)。
四、命令格式1、遥测1.1 读取系统模拟量1)上位机下传信息:定义地址功能码STAR ADDR 寄存器个数CRC校验数据ADDR 03H 0000H 0014H CRC16字节数 1 1 2 2 2注:a)ADDR:监控设备地址。
范围:01H—99H,FF为广播地址(下同)。
b)START ADDR:为所操作寄存器的起始地址(下同)。
c) 校验码:前面所有字节的CRC16校验,采用标准CRC16校验,生成多项式为:X16+X12+X2+1(0X1005)。
2)微机监控器返回信息:定义地址功能码长度返回数据CRC校验数据ADDR 03H 28H DATA CRC 16字节数 1 1 1 40 2注:a)长度:微机监控器返回信息的字节数(下同)。
b)DATA定义:字节序号定义传输方式放大系数01-02 电池1电压H-L 1003-04 母线1电压H-L 1005-06 系统1电压H-L 1007-08 电池1电流H-L 1009-10 母线1电流H-L 1011-12 电池1温度H-L 1013-14 电池2电压H-L 1015-16 母线2电压H-L 1017-18 系统2电压H-L 1019-20 电池2电流H-L 1021-22 母线2电流H-L 1023-24 电池2温度H-L 1025-26 1路交流AB电压H-L 1027-28 1路交流AC电压H-L 1029-30 1路交流BC电压H-L 1031-32 2路交流AB电压H-L 1033-34 2路交流AC电压H-L 1035-36 2路交流BC电压H-L 1037-38 系统1电流H-L 1039-40 系统2电流H-L 101.2 读取母线绝缘1)上位机下传信息:定义地址功能码STAR ADDR 寄存器个数CRC校验数据ADDR 03H 0020H 0008H CRC 16字节数 1 1 2 2 22)微机监控器返回信息:定义地址功能码长度返回数据CRC校验数据ADDR 03H 10H DATA CRC 16字节数 1 1 1 16 2DATA定义:字节序号定义传输方式放大系数01-02 1段正对地电阻H-L 1003-04 1段负对地电阻H-L 1005-06 1段正对地电压H-L 1007-08 1段负对地电压H-L 1009-10 2段正对地电阻H-L 1011-12 2段负对地电阻H-L 1013-14 2段正对地电压H-L 1015-16 2段负对地电压H-L 101.3 读取单只电池电压1)上位机下传信息:定义地址功能码STAR ADDR 寄存器个数CRC校验数据ADDR 03H 0030H~00F4H 001CH CRC 16字节数 1 1 2 2 2注:起始地址0030H :1组1~28节电池; 004CH:1组29~56节电池;0068H :1组57~84节电池;0084H:1组85~112节电池;00A0H :2组1~28节电池; 00BCH:2组29~56节电池;00D8H :2组57~84节电池;00F4H:2组85~112节电池;2)微机监控器返回信息:定义地址功能码长度返回数据CRC校验数据ADDR 03H 38H DATA CRC 16字节数 1 1 1 56 2注:a)DATA定义:字节序号定义传输方式放大系数单位01-02 1#电池电压H-L 100 V …………………………55-56 28#电池电压H-L 100 V2、遥信1)上位机下传信息:定义地址功能码STAR ADDR 数据长度CRC校验数据ADDR 02H 0200H 0190H CRC 16字节数 1 1 2 2 22)微机监控器返回信息:定义地址功能码长度返回数据CRC校验数据ADDR 02H 32H DATA CRC 16字节数 1 1 1 49 2DATA定义:编号01 母线1电压(BIT0) 1-过压0-正常母线1电压(BIT1) 1-欠压0-正常电池1电压(BIT2) 1-过压0-正常电池1电压(BIT3) 1-欠压0-正常单体1电池(BIT4) 1-异常0-正常电池1过流(BIT5) 1-过流0-正常母线1绝缘(BIT6) 1-异常0-正常电池1均浮充状态(BIT7) 1-均充0-浮充编号02 母线2电压(BIT0) 1-过压0-正常母线2电压(BIT1) 1-欠压0-正常电池2电压(BIT2) 1-过压0-正常电池2电压(BIT3) 1-欠压0-正常单体2电池(BIT4) 1-异常0-正常电池2过流(BIT5) 1-过流0-正常母线2绝缘(BIT6) 1-异常0-正常电池2均浮充状态(BIT7) 1-均充0-浮充编号03 1#交流(BIT0) 1-失电0-正常1#交流(BIT1) 1-缺相0-正常1#交流(BIT2) 1-输入异常0-正常1#交流投切(BIT3) 1-投入0-切除2#交流(BIT4) 1-失电0-正常2#交流(BIT5) 1-缺相0-正常2#交流(BIT6) 1-输入异常0-正常2#交流投切(BIT7) 1-投入0-切除编号04 充电模块1~8通讯中断1-通讯中断0-正常编号05 充电模块9~16通讯中断1-通讯中断0-正常编号06 充电模块17~24通讯中断1-通讯中断0-正常编号07 充电模块25~30通讯中断(BIT0~BIT5)1-通讯中断0-正常编号08 综合测量模块(BIT0)1-通讯中断0-正常1#绝缘检测(BIT1)2#绝缘检测(BIT2)1#开关量模块(BIT3)2#开关量模块(BIT4)编号09 1~4电池巡检(BIT0~BIT3) 1-通讯中断0-正常编号10 1~8充电模块故障1-故障0-正常编号11 9~16充电模块故障1故障0-正常编号12 17~24充电模块故障1故障0-正常编号13 25~30充电模块故障(BIT0~BIT5)1故障0-正常编号14 1# 1~8 支路绝缘状态1-接地0-正常编号15 1# 9~16 支路绝缘状态1-接地0-正常编号16 1# 17~24支路绝缘状态1-接地0-正常编号17 1# 25~32支路绝缘状态1-接地0-正常编号18 1# 33~40支路绝缘状态1-接地0-正常编号19 1# 41~48支路绝缘状态1-接地0-正常编号20 1# 49~56支路绝缘状态1-接地0-正常编号21 1# 57~64支路绝缘状态1-接地0-正常编号22 2# 1~8 支路绝缘状态1-接地0-正常编号23 2# 9~16 支路绝缘状态1-接地0-正常编号24 2# 17~24支路绝缘状态1-接地0-正常编号25 2# 25~32支路绝缘状态1-接地0-正常编号26 2# 33~40支路绝缘状态1-接地0-正常编号27 2# 41~48支路绝缘状态1-接地0-正常编号28 2# 49~56支路绝缘状态1-接地0-正常编号29 2# 57~64支路绝缘状态1-接地0-正常编号30 1~8 开关1-告警/分位0-正常/合位编号31 9~16 开关1-告警/分位0-正常/合位编号32 17~24 开关1-告警/分位0-正常/合位编号33 25~32 开关1-告警/分位0-正常/合位编号34 33~40 开关1-告警/分位0-正常/合位编号35 41~48 开关1-告警/分位0-正常/合位编号36 49~56 开关1-告警/分位0-正常/合位编号37 57~64 开关1-告警/分位0-正常/合位编号38 65~72 开关1-告警/分位0-正常/合位编号39 73~80 开关1-告警/分位0-正常/合位编号40 81~88 开关1-告警/分位0-正常/合位编号41 89~96 开关1-告警/分位0-正常/合位编号42 充电模块31~38通讯中断1-通讯中断0-正常编号43 充电模块39~46通讯中断1-通讯中断0-正常编号44 充电模块47~54通讯中断1-通讯中断0-正常编号45 充电模块55~60通讯中断(BIT0~BIT5)1-通讯中断0-正常编号46 31~38充电模块故障1-故障0-正常编号47 39~46充电模块故障1故障0-正常编号48 47~54充电模块故障1故障0-正常编号49 55~60充电模块故障(BIT0~BIT5)1故障0-正常编号50 1~3INV模块通信中断(BIT0~BIT2)1-通讯中断0-正常1~3INV模块故障(BIT3~BIT5)1故障0-正常3、遥调1)上位机下传信息:定义地址功能码起始地址设置数据CRC校验数据ADDR 06H 0001H HL CRC 16字节数 1 1 2 2 2DATA定义:起始地址定义传输方式放大系数单位0001 浮充电压H-L 10 V 0002 均充电压H-L 10 V0003 电池充电限流 H-L 10 A2)微机监控器返回信息:原数据包返回定义 地址 功能码 起始地址 设置数据 CRC 校验 数据ADDR06H 0001H HL CRC 16 字节数 112224、遥控1)上位机下传信息:定义 地址 功能码 输出地址 VALUE CRC 校验 数据 ADDR 05 **XXH DATA CRC 16 字节数11222注:输出地址和DATA 的定义:**XXH **- 78H :开/关机信息 79H :均/浮充信息 XX-地址信息 FFH(系统内广播) DATA开机:0XFF00关机:0X0000 均充:0XFF00浮充:0X00002)微机监控器返回信息:定义 地址 功能码 遥控编号 VALUE CRC 校验 数据 ADDR 05H **XXH DATA CRC 16 字节数11222注:DATA 定义:00表示:接收正确 04表示:接收错误 5、遥调时间1)上位机下传信息:定义 地址 功能码 起始地址 寄存器数 字节数 设置数据 CRC 校验 数据 ADDR 10H 0004H 0007H 0EH HL CRC16 字节数 11221142DATA 定义:2)微机监控器返回信息:定义 地址 功能码 起始地址 寄存器数 CRC 校验 数据ADDR 10H0004H0007HCRC 16设置数据定义 传输方式 设置范围 1 特征码 H-L 固定为0xFFFF2 年 H-L 0-993 月 H-L 1-124 日 H-L 1-315 时 H-L 0-236 分 H-L 0-59 7秒H-L0-59THJS-TXXY-0007字节数 1 1 2 2 2。
KJ2003监控系统MODBUS3.0照明综保通讯规约(第三版)电光防爆科技股份有限公司2009年7月MODBUS-RTU V3.0 照明信号综保通讯规约说明目录一、MODBUS 通讯协议简介二、通讯信息传输过程三、MODBUS 功能码简介四、错误校验码(CRC 校验)五、各指令对应的地址范围附件:CRC 校验算法程序一、MODBUS 通讯协议简介:MODBUS 协议是应用于电子控制器上的一种通用语言。
通过此协议,控制器相互之间、控制器经由网络(例如以太网)和其它设备之间可以通信。
它已经成为一通用工业标准。
有了它,不同厂商生产的控制设备可以连成工业网络,进行集中监控。
MODBUS是一个请求/应答协议,并且提供功能码规定的服务。
MODBUS 是一种应用层报文传输协议,用于在通过不同类型的总线或网络连接的设备之间的客户机/服务器通信。
注:MODBUS是Modicon公司的注册商标。
数据编码:MODBUS 使用最高有效字节在低地址存储的方式表示地址与数据项。
即当发送多个字节时,首先发送最高有效字节。
例如:寄存器大小 值16 位 0x1234 发送的第一字节为 0x12 然后发0x34 通讯数据的类型及格式:信息传输为异步方式,以字节为单位,每字节为10 位的格式传输:字格式(串行数据)10 位二进制起始位 1 位,0数据位8 位,最低的有效位先被发送奇偶校验位偶校验停止位 1 位,1波特率 9600bps通讯数据(信息帧)格式:数据格式 地址码 功能码 数据区 CRC校验数据长度 1字节 1字节 N字节 16位CRC校验码2数据字节: 1个字节由8 位二进制数(8Bit)组成。
CRC 校验: CRC 生成后,低字节在前,高字节在后。
MODBUS-RTU的帧结构:在RTU 模式中,新的信息总是以至少3.5个字符的静默时间开始。
紧接着传送第一个域:设备地址。
整帧信息必须以一个连续的数据流进行传输。
如果信息结束前存在超过1.5个字符以上的间隔时间,则出错。
奥特迅直流系统后台通讯帮助(后附规约)一,通讯与后台1,此规约适用于JKQ-3000A(B,BM)系列监控器。
2,JKQ-3000A(B,BM)系列监控器COM1为默认后台通讯口,COM2-COM6亦可作为后台通讯口。
COM1支持RS485,RS232,RS422。
C0M2-COM6仅支持RS485。
若COM1口通讯质量不理想,可用COM2-COM6中空闲的端口通讯后台。
若COM1口通讯质量不理想,其他端口亦被使用,请致电我司。
COM1口接线方法:C0M2-COM6端口接线方法:COM1作为后台通讯端口的参数设置如下:直流系统的运行参数不宜随意修改,若设置不当会造成系统的不正常运行或不能在最佳状态下运行,请注意主菜单>2>参数设置主菜单下按“2”:请输入设置密码:密码为5位数字,若输入密码正确,按“确认”键则进入参数设置页,否则返回上一屏:注意:密码可以修改,出厂时为“11111”。
参数设置>6>其它>2>通讯设置可进行监控器通讯端口参数的设置通讯端口: 01 用键修改通讯协议: 10本机地址: 001........地址需分配上位地址: 016........一般不需改动波特率: 1200 BPS...(推荐值)停止位: 01 位奇偶位:无校验通讯方式: RS485.....(可转换RS232)右侧方向键区左、右键和更改数值上图为JKQ-3000B(BM)监控器画面,JKQ-3000A监控器需翻显示。
COM2--COM6作为后台通讯端口的参数设置如下:以COM2为例:通讯端口: 02 用键修改通讯协议: 10.........奥特迅规约本机地址: 031........地址需分配上位地址: 016........一般不需改动波特率: 1200 BPS...(推荐值)停止位: 01 位奇偶位:无校验通讯方式: RS485 测试返回下页3,后台机设置建议:1)指令下发周期建议设置为4-8秒,波特率推荐1200 BPS2)我司监控器内本位机地址、上位机地址均为十进制数据。
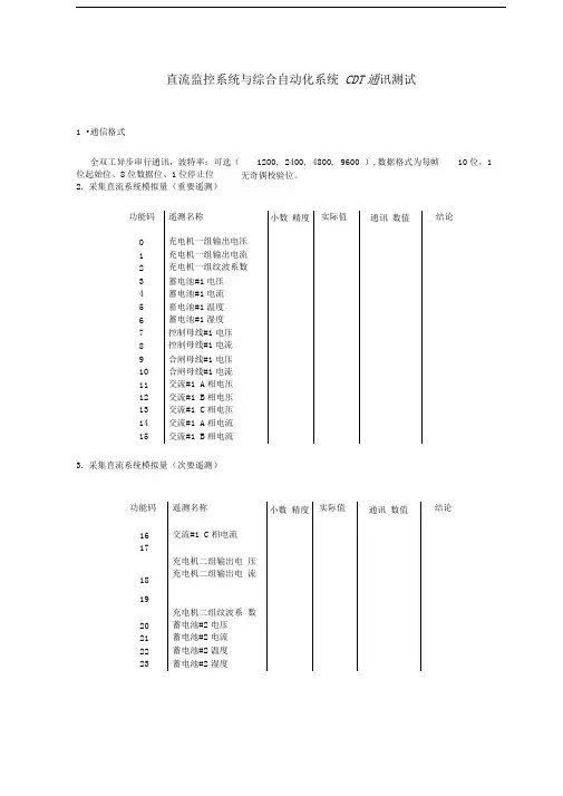
直流监控系统与综合自动化系统CDT通讯测试1 •通信格式全双工异步串行通讯,波特率:可选(1200, 2400, 4800, 9600 ),数据格式为每帧10位,1 位起始位、8位数据位、1位停止位无奇偶校验位。
2.采集直流系统模拟量(重要遥测)功能码遥测名称小数精度实际值通讯数值结论0 充电机一组输出电压1 充电机一组输出电流2 充电机一组纹波系数3 蓄电池#1电压4 蓄电池#1电流5 畜电池#1温度6 蓄电池#1湿度7 控制母线#1电压8 控制母线#1电流9 合闸母线#1电压10 合闸母线#1电流11 交流#1 A相电压12 交流#1 B相电压13 交流#1 C相电压14 交流#1 A相电流15 交流#1 B相电流3.采集直流系统模拟量(次要遥测)功能码遥测名称小数精度实际值通讯数值结论16 交流#1 C相电流17充电机二组输出电压充电机二组输出电流1819充电机二组纹波系数20 蓄电池#2电压21 蓄电池#2电流22 蓄电池#2温度23 蓄电池#2湿度功能码 遥测名称 小数 精度 实际 值通讯 数值结论32 交流#2 B 相电流33 交流#2 C 相电流33 二组充电机输出电压34 三组充电机输出电流35 四组充电机输出电压36 四组充电机输出电流37 三路交流A 相电压38 三路交流B 相电压39 三路交流C 相电压40 三路交流A 相电流41 三路交流B 相电流42 三路交流C 相电流43一组蓄电池第1节电 池电压值=(V1L +V1H*256) * 0.01V44一组第2节电池电压 值=(V2L + V2H*256) * 0.01V61一组第19节电池电压 值=(VnL + VnH*256) * 0.01V5. 采集直流系统运行状态(遥信)充电机一组状态 充电机一组模块状态 蓄电池一组状态 充电机二组状态24 25 26 27 28 29 30 314. 采集直流系统模拟量 控制母线#2电压 控制母线#2电流 合闸母线#2电压 合闸母线#2电流 交流#2 A 相电压 交流#2 B 相电压 交流#2 C 相电压 交流#2 A 相电流(次要遥测)F2 F3 F4充电机二组模块状态蓄电池二组状态一段母线状态二段母线状态装置状态熔断器状态开关状态开关状态充电机三组状态充电机四组状态充电机五组状态说明1) SnSO:为系统开关量当前状态,每一位代表一个开关量。
直流电源系统JKQ2000D 集中监控器性能(一)整体概述充电器主要由交流配电单元、充电模块、直流馈线、集中监控单元、绝缘监测单元、降压单元和蓄电池等部分组成。
交流配电单元主要有交流检测回路、防雷保护回路(雷击浪涌吸收器)组成。
交流电源如果三相平衡,则LED 等亮,表示电源正常,当三相不平衡严重或缺相,就发出故障告警信号,同时LED 灯灭(如下图)。
雷击浪涌吸收器能够具有防雷和抑制电网瞬间过电压的功能,如果防雷器故障,防雷器的工作状态窗口由绿变红,就要更换防雷模块。
充电模块是完成提供蓄电池的充电电流和负荷电流的元件。
采用(N+1)冗余方式供电,即在用N 个模块满足电池的充电电流(0.1C 10)加上经常性负荷电流的基础上,增加一个备用模块。
例如:200AH 电池组,经常性负荷(Ij )为10A 的直流系统,可算出充电器的最大输出电流为: 最大输出电流=0.1C 10+ Ij=0.1*200+10=30A如采用容量为10A 的充电模块,取N=3,N+1=4。
备用模块采用热备用方式,直接参与正常工作。
系统正常时,充电器对蓄电池的均/浮充电压通常会高于控制母线允许的波动电压范围,采用多级硅调压装置串接在充电机输出(或蓄电池)与控制母线之间,使调压装置的输出电压满足控制母线的要求。
直流馈线单元是将直流电源通过负荷开关送至各用电设备的配电单元。
绝缘监测单元用于监测直流系统电压及其绝缘情况,在直流电压过、欠压或直流系统绝缘强度降低等异常情况下发出声光告警,并将对应告警信息发至集中监控器。
(二)JKQ2000D集中监控器JKQ2000D集中监控器是充电器的主要部件,以PC工控机为主机,配有大屏幕汉字显示和输入键盘,面板光字牌报警。
集中监控器通过分散控制方式,对直流系统充电模块、绝缘监测模块、电池组、母线、配电等进行实时监控,并设有多种通讯协议,完成与上位机的通讯,实现直流系统的四遥功能。
监控调度人员可在调度中心监视各个现场的直流系统的运行情况,一旦出现某个系统的异常和报警,则可以接访问该系统的集中监控器,获取必要的详细信息。
奥特迅直流系统后台通讯帮助〔后附规约〕一,通讯与后台1,此规约适用于JKQ-3000A(B,BM)系列监控器。
2,JKQ-3000A(B,BM)系列监控器1为默认后台通讯口,2-6亦可作为后台通讯口。
1支持RS485,RS232,RS422。
C0M2-6仅支持RS485。
假设1口通讯质量不理想,可用2-6中空闲的端口通讯后台。
假设1口通讯质量不理想,其他端口亦被使用,请致电我司。
1口接线方法:C0M2-6端口接线方法:1作为后台通讯端口的参数设置如下:直流系统的运行参数不宜随意修改,假设设置不当会造成系统的不正常运行或不能在最正确状态下运行,请注意主菜单>2>参数设置主菜单下按"2〞:密码为5位数字,假设输入密码正确,按"确认〞键则进入参数设置页,否则返回上一屏:注意:密码可以修改,出厂时为"11111〞。
参数设置>6>其它>2>通讯设置可进展监控器通讯端口参数的设置通讯端口: 01用♦◆键修改通讯协议: 10本机地址: 001........地址需分配上位地址: 016........一般不需改动波特率: 1200 BPS...〔推荐值〕停顿位: 01 位奇偶位:无校验通讯方式: RS485.....〔可转换RS232〕右侧方向键区左、右键和更改数值上图为JKQ-3000B(BM)监控器画面,JKQ-3000A监控器需翻显示。
2--6作为后台通讯端口的参数设置如下:以2为例:通讯端口: 02用♦◆键修改通讯协议: 10.........奥特迅规约本机地址: 031........地址需分配上位地址: 016........一般不需改动波特率: 1200 BPS...〔推荐值〕停顿位: 01 位奇偶位:无校验通讯方式: RS4853,后台机设置建议:1〕指令下发周期建议设置为4-8秒,波特率推荐1200 BPS2〕我司监控器本位机地址、上位机地址均为十进制数据。
3〕如有两台以上监控器〔包括两台〕与后台机通讯,请为每台监控器单独铺设通讯电缆4〕如需上传电池巡检仪单只电池电压数据、支路绝缘数据,后台机请适宜设置数据长度限制。
电力信息采集的通用型通信规约解析系统研究与设计蒋振宇【摘要】现阶段,国内各种电力自动化设备采用众多不同的通信规约标准,为此需要对每一种规约单独编写代码,这一工作不仅工作量大、出错率高,而且重用性差、难以维护,造成电力信息采集系统运行困难。
针对以上问题,相关学者提出了在对象和模板技术的基础上,借助配置脚本的方式定义规约的,结合规约解析模块与规约定义模块,从而建立了通用型规约解析系统。
这一系统具有较高的普适性、实用性以及便捷性,能够满足众多要求。
【期刊名称】《数字技术与应用》【年(卷),期】2015(000)005【总页数】2页(P35-35,37)【关键词】电力信息;采集;通用型;通信规约;解析系统【作者】蒋振宇【作者单位】广东电网有限责任公司茂名供电局广东茂名 525000【正文语种】中文【中图分类】TM76电力系统通信规约是指通信双方必须遵守的一种约定,也是通信控制规章制度或传输控制的规章制度。
通信规约的主要内容分为两部分,一是,信息传送的具体步骤;二是信息传送格式。
此外,信息传送格式还可细分为收发方式、传送速率、帧结构、帧同步字、位同步方式以及抗干扰措施等。
本文主要讲解了怎样在通信规约的前提下,对信息帧中的数据内容进行解析。
这一系统主要包括几个组件,如图1所示,有规约解析组件、数据解析组件、规约数据组件、持久化组件以及配置脚本等。
(1)规约解析组件:是一套集解析、组装规约报文头、尾、数据标识、附加信息域于一体的类库。
(2)数据解析组件是规约解析组件中的核心组件,主要起到执行操作的作用,为系统提供通用的报文解析引擎,并对规约中的数据域以及其中的数据项进行解析或组装; (3)规约数据组件对规约定义的具体内容能够实现访问并操作,能够保存或加载配置脚本的信息域。
(4)持久化组件能够起到促进其持久化工作的作用,从而保证电力计量的终端装置采集的数据信息能够被保存并顺利读取;(5)配置脚本主要负责保存规约描述的定义信息。
CSR-03系列综保装置MODBUS通讯规约V2.01.通讯参数和传输特性传输方式:异步串行通信方式。
MODBUS规约模式:RTU模式。
传输速率:2400 bps,4800bps,9600bps。
串行口通讯数据格式:1 个起始位,8 个数据位, 无校验位,1个停止位。
最大传输距离:1200米。
通讯介质:推荐采用0.5mm的双绞线,不带屏蔽层。
(原因是如果使用屏蔽双绞线,但现场接地处理不好反而影响通讯质量)。
网络连接主站数目:1个。
网络连接从站数目:最多31个。
应答时间:小于4.5个byte传输时间(帧间隔最小时间) + 10ms。
2.网络连接RS-485网络的匹配电阻选取:双绞线网络两端的匹配电阻选取,以现场通信正常为准,一般地1.2km时取120Ω,600m时取220Ω,300m时取330Ω,如通信误码率较大,观察通信时的波形,匹配电阻做适当改变:末端匹配电阻合适末端匹配电阻偏小末端匹配电阻偏大3.通信参数选择通信站号:在通讯参数中修改装置地址,范围1~99,禁止使用0作为装置地址,地址0作为广播地址使用。
通信波特率: 通讯参数中修改装置485口,修改通信波特率:选择范围: 2400bps, 4800bps,9600bps。
4.MODBUS协议通用格式4.1 支持的MODBUS功能码功能码02H: 读取开关量输入(读实遥信和虚遥信)。
功能码03H: 读取保持寄存器(读事件记录等)功能码04H: 读取输入寄存器(读远动遥测)功能码05H: 强制单点继电器输出(远方复归)。
功能码06H: 向保持寄存器写单个字(遥控跳闸、遥控合闸的选择和执行操作)功能码10H: 向保持寄存器(内存区)写多个16位的字(通讯对时)。
4.2 异常响应报文格式由于软件编程错误,对协议理解错误或通讯干扰等原因,MODBUS 通信子站接收到主站的报文后,可以采用异常响应报文给予回答,异常响应报文格式举例如下:子站通过校验,发现主站报文有问题,将响应报文将主站的功能码最高位(D7)置1,如例4.3 时间格式本规约中使用到的对时报文的时间格式,事件记录中的时间格式,参见下面说明。
基于LabVIEW的直流微电网监控系统的设计方姹;全书海;徐先锋;叶麦克【期刊名称】《通信电源技术》【年(卷),期】2016(0)4【摘要】文中以LabVIEW软件为平台,以数据采集卡和CAN通信模块为硬件基础,开展直流微电网监控系统的研究与设计,提出了直流微电网监控系统的硬件和软件总体设计方案.硬件设计实现了直流微电网监控系统的外围硬件电路的设计,软件设计完成了通讯过程设计、数据库设计、数据采集的设计,以及直流微电网监控系统的界面设计.之后,在直流微电网系统实验平台上完成了软件测试,并优化了改进.【总页数】3页(P91-92,103)【作者】方姹;全书海;徐先锋;叶麦克【作者单位】武汉理工大学自动化学院,湖北武汉430070;武汉理工大学新能源检测与控制研究中心,湖北武汉430070;武汉理工大学自动化学院,湖北武汉430070;武汉理工大学新能源检测与控制研究中心,湖北武汉430070;武汉理工大学自动化学院,湖北武汉430070;武汉理工大学新能源检测与控制研究中心,湖北武汉430070;武汉理工大学自动化学院,湖北武汉430070;武汉理工大学新能源检测与控制研究中心,湖北武汉430070【正文语种】中文【中图分类】TM764【相关文献】1.基于LabView的微电网监控系统设计与实现 [J], 张海宁;刘卫亮;徐东东;王印松;林永君;王栋2.基于LabVIEW微电网实验平台监控系统的设计与实现 [J], 梁子鹏;黄清宝;黄曾3.基于组态软件的直流微电网监控系统的设计 [J], 张帆;4.基于LabView的微电网监控系统设计与实现 [J], 张海宁;刘卫亮;徐东东;王印松;林永君;王栋;5.基于LabVIEW的多端口直流微电网实验平台 [J], 李畸勇; 胡恒; 王纪港; 江俊贤; 黎远梅; 刘有强因版权原因,仅展示原文概要,查看原文内容请购买。
直流监控系统与综合自动化系统的通讯协议1.前言JKQ011直流系统通讯规约是深圳奥特迅公司JKQ3000直流监控系统与外部网络或综合自动化系统(以下简称RTU)之间通讯接口所使用的规约。
2. 通信格式全双工异步串行通讯,波特率:可选(1200,2400,4800, 9600),数据格式为每帧10位,1位起始位、8位数据位、1位停止位, 无奇偶校验位。
3. 数据传输报文格式JKQ011 <==> RTU:1234说明:“长度” = 数据区字节数+5, 为16进制数, “长度”不大于FEH, 即254个字节;“目标地址”指报文接收方地址;“源地址”指报文发送方地址;“命令码”用于说明报文种类,具体含义见下文;“数据区”指“命令码”与“校验和”之间的字节;“校验和”为“长度”、“目标地址”、“源地址”、“命令码”、“数据区”各字节算术和的低16位,低8位在前,高8位在后。
4. 采集直流系统模拟量(遥测)RTU ——〉JKQ0110 长度1 目标地址2 源地址3 命令码45 校验和JKQ011 ——〉RTU0 数据长度 = 8CH1 目标地址2 源地址34 年5 月6 日7 时8 分9 秒1011 充电机一组输出电压121314 充电机一组输出电流151617 充电机一组纹波系数181920 蓄电池#1电压212223 蓄电池#1电流242526 蓄电池#1温度272829 蓄电池#1湿度303132 控制母线#1电压333435 控制母线#1电流363738 合闸母线#1电压394041 合闸母线#1电流424344 交流#1 A相电压4647 交流#1 B相电压484950 交流#1 C相电压515253 交流#1 A相电流545556 交流#1 B相电流575859 交流#1 C相电流606162 充电机二组输出电压636465 充电机二组输出电流666768 充电机二组纹波系数697071 蓄电池#2电压727374 蓄电池#2电流757677 蓄电池#2温度787980 蓄电池#2湿度818283 控制母线#2电压848586 控制母线#2电流878889 合闸母线#2电压909192 合闸母线#2电流9395 交流#2 A相电压969798 交流#2 B相电压99100101 交流#2 C相电压102103104 交流#2 A相电流105106107 交流#2 B相电流108109110 交流#2 C相电流111112 备用字段113114115 一段母线正对地电压 = (A1L + A1H*256) * 0.1V 116117118 一段母线负对地电压 = (A2L + A2H*256) * 0.1V 119120121 一段母线正对地电阻(A3L+A3M*256+A3H*65536)*0.1KΩ122123124 一段母线负对地电阻(A4L+A4M*256+A4H*65536)*0.1KΩ125126127 二段母线正对地电压 = (A5L + A5H*256) * 0.1V 128129130 二段母线负对地电压 = (A6L + A6H*256) * 0.1V 131132133 二段母线正对地电阻(A7L+A7M*256+A7H*65536)*0.1KΩ134135136 二段母线负对地电阻(A8L+A8M*256+A8H*65536)*0.1KΩ137138140说明:每个数值用三个字节表示。
第一个字节表示低8位;第二个字节的最高位为符号位,低7位为数据位;第三个字节表示小数点后位数,00H/02H表示一位小数,01H表示二位小数。
例:39H,83H,01H表示电流值为:-8.25。
5. 采集直流系统运行状态(遥信)RTU ——〉JKQ0110 长度1 目标地址2 源地址3 命令码45 校验和JKQ011 ——〉RTU0 数据长度1 目标地址2 源地址34 系统时间:年5 月6 日7 时8 分9 秒10 充电机一组状态11充电机一组模块状态1213 蓄电池一组状态14 充电机二组状态15充电机二组模块状态1617 蓄电池二组状态18 一段母线状态19 二段母线状态20 装置状态21 绝缘状态22 熔断器状态23 开关状态24 开关状态25 1#XJ_UPS状态字126 1#XJ_UPS状态字227 2#XJ_UPS状态字128 2#XJ_UPS状态字229 3#XJ_UPS状态字130 3#XJ_UPS状态字231 1#ATC_UPS状态字132 1#ATC_UPS状态字233 1#ATC_UPS状态字334 1#ATC_UPS状态字435 1#ATC_UPS状态字536 1#ATC_UPS状态字637 1#ATC_UPS状态字738 1#ATC_UPS状态字839 1#ATC_UPS状态字940 1#ATC_UPS状态字1041 2#ATC_UPS状态字142 2#ATC_UPS状态字243 2#ATC_UPS状态字344 2#ATC_UPS状态字445 2#ATC_UPS状态字546 2#ATC_UPS状态字647 2#ATC_UPS状态字748 2#ATC_UPS状态字849 2#ATC_UPS状态字950 2#ATC_UPS状态字10说明:1) Sn为系统开关量当前状态, 每一位代表一个开关量。
S0:D7D6D5D4D3D2D1D0 充电机一组状态D0 0:充电机一组浮充1:充电机一组均充D1 0: 充电机一组关机1:充电机一组开机D2 0:充电机一组模块正常1:充电机一组模块异常D3 0:充电机一组输出电压正常1:充电机一组输出电压过压D4 0:充电机一组输出电压正常1:充电机一组输出电压欠压D5D6D7S1:D7D6D5D4D3D2D1D0 充电机一组模块状态D0 0:模块#0正常1:模块#0异常D1 0:模块#1正常1:模块#1异常D2 0:模块#2正常1:模块#2异常D3 0:模块#3正常1:模块#3异常D4 0:模块#4正常1:模块#4异常D5 0:模块#5正常1:模块#5异常D6 0:模块#6正常1:模块#6异常D7 0:模块#7正常1:模块#7异常S2:D7D6D5D4D3D2D1D0 充电机一组模块状态D0 0:模块#8正常1:模块#8异常D1 0:模块#9正常1:模块#9异常D2 0:模块#10正常1:模块#10异常D3 0:模块#11正常1:模块#11异常D4 0:模块#12正常1:模块#12异常D5 0:模块#13正常1:模块#13异常D6 0:模块#14正常1:模块#14异常D7 0:模块#15正常1:模块#15异常S3:D7D6D5D4D3D2D1D0 蓄电池一组状态D0 0:蓄电池一组电压正常1:蓄电池一组过压D1 0:蓄电池一组电压正常1:蓄电池一组欠压D2 0:蓄电池一组单节电池电压正常1:蓄电池一组单节电池过压D3 0:蓄电池一组单节电池电压正常1:蓄电池一组单节电池欠压D4D5 0:蓄电池一组充电状态1:蓄电池一组放电状态D6D7 保留S4:D7D6D5D4D3D2D1D0 充电机二组状态D0 0:充电机二组浮充1:充电机二组均充D1 0: 充电机二组关机1:充电机二组开机D2 0:充电机二组模块正常1:充电机二组模块异常D3 0:充电机二组输出电压正常1:充电机二组输出电压过压D4 0:充电机二组输出电压正常1:充电机二组输出电压欠压D5D6D7S5:D7D6D5D4D3D2D1D0 充电机二组模块状态D0 0:模块#0正常1:模块#0异常D1 0:模块#1正常1:模块#1异常D2 0:模块#2正常1:模块#2异常D3 0:模块#3正常1:模块#3异常D4 0:模块#4正常1:模块#4异常D5 0:模块#5正常1:模块#5异常D6 0:模块#6正常1:模块#6异常D7 0:模块#7正常1:模块#7异常S6:D7D6D5D4D3D2D1D0 充电机二组模块状态D0 0:模块#8正常1:模块#8异常D1 0:模块#9正常1:模块#9异常D2 0:模块#10正常1:模块#10异常D3 0:模块#11正常1:模块#11异常D4 0:模块#12正常1:模块#12异常D5 0:模块#13正常1:模块#13异常D6 0:模块#14正常1:模块#14异常D7 0:模块#15正常1:模块#15异常S7:D7D6D5D4D3D2D1D0 蓄电池二组状态D0 0:蓄电池二组电压正常1:蓄电池二组过压D1 0:蓄电池二组电压正常1:蓄电池二组欠压D2 0:蓄电池二组单节电池电压正常1:蓄电池二组单节电池过压D3 0:蓄电池二组单节电池电压正常1:蓄电池二组单节电池欠压D4D5 0:蓄电池二组充电状态1:蓄电池二组放电状态D6D7 保留S8:D7D6D5D4D3D2D1D0 一段母线状态D0 0:控制母线#1电压正常1:控制母线#1过压D1 0:控制母线#1电压正常1:控制母线#1欠压D2 0:合闸母线#1电压正常1:合闸母线#1过压D3 0:合闸母线#1电压正常1:合闸母线#1欠压D4 0:1#正母线正常1:1#正母线绝缘降低D5 0:1#负母线正常1:1#负母线绝缘降低D6D7 保留S9:D7D6D5D4D3D2D1D0 二段母线状态D0 0:控制母线#2电压正常1:控制母线#2过压D1 0:控制母线#2电压正常1:控制母线#2欠压D2 0:合闸母线#2电压正常1:合闸母线#2过压D3 0:合闸母线#2电压正常1:合闸母线#2欠压D4 0:2#正母线正常1:2#正母线绝缘降低D5 0:2#负母线正常1:2#负母线绝缘降低D6D7 保留S10:D7D6D5D4D3D2D1D0 装置状态D0 0:副监控器正常1:副监控器异常D1 0:电池巡检仪#1正常1:电池巡检仪#1异常D2 0:电池巡检仪#2正常1:电池巡检仪#2异常D3 0:一路交流正常1:一路交流故障D4 0:二路交流正常1:二路交流故障D5 0: 绝缘一正常1:绝缘一故障D6 0:绝缘二正常1:绝缘二故障D7 0: 直流馈线正常1: 直流馈线故障S11:D7D6D5D4D3D2D1D0 开关状态D0 1#输入通道断开1#输入通道合上D1 2#输入通道断开2#输入通道合上D2 3#输入通道断开3#输入通道合上D3 4#输入通道断开4#输入通道合上D4 5#输入通道断开5#输入通道合上D5 6#输入通道断开6#输入通道合上D6 7#输入通道断开7#输入通道合上D7 8#输入通道断开8#输入通道合上S12:D7D6D5D4D3D2D1D0 开关状态D0 9#输入通道断开9#输入通道合上D1 10#输入通道断开10#输入通道合上D2 11#输入通道断开11#输入通道合上D3 12#输入通道断开12#输入通道合上D4 13#输入通道断开13#输入通道合上D5 14#输入通道断开14#输入通道合上D6 15#输入通道断开15#输入通道合上D7 16#输入通道断开16#输入通道合上S13:D7D6D5D4D3D2D1D0 开关状态D0 硅链#1正常硅链#1异常D1 防雷器#1正常防雷器#1异常D2 一组充电机2#输出开关断开一组充电机2#输出开关合上D3 一组充电机1#输出开关断开一组充电机1#输出开关合上D4 母线进线开关1断开母线进线开关1合上D5 蓄电池1进线开关断开蓄电池1进线开关合上D6 放电开关1断开放电开关1合上D7 熔断器正常熔断器异常S14:D7D6D5D4D3D2D1D0 开关状态D0 硅链#2正常硅链#2异常D1 防雷器#2正常防雷器#2异常D2 二组充电机2#输出开关断开二组充电机2#输出开关合上D3 二组充电机1#输出开关断开二组充电机1#输出开关合上D4 母线进线开关2断开母线进线开关2合上D5 蓄电池2进线开关断开蓄电池2进线开关合上D6 放电开关2断开放电开关2合上D7 母线连接开关断开母线连接开关合上S15:D7D6D5D4D3D2D1D0 1#XJ_UPS状态字1D0 市电欠压(告警位)D1 市电过压(告警位)D2 旁路欠压(告警位)D3 旁路过压(告警位)D4 直流过压(告警位)D5 直流欠压(告警位)D6 输出过载(告警位)D7 IGBT过流(告警位)S16:D7D6D5D4D3D2D1D0 1#XJ_UPS状态字2D0 过热(告警位)D1 逆变器供电(状态位)D2 旁路供电(状态位)D3 整流供电(状态位)D4 直流供电(状态位)D5D6D7S17---S18 2#XJ_UPS状态字S19---S20 3#XJ_UPS状态字S21:D7D6D5D4D3D2D1D0 1#ATC_UPS状态字1D0 1#电池输入开关断开1#电池输入开关合上D1 1#交流输入开关断开1#交流输入开关合上D2 1#输出开关断开1#输出开关合上D3 1#旁路开关断开1#旁路开关合上D4 1#维修开关断开1#维修开关合上D5 2#电池输入开关断开2#电池输入开关合上D6 2#交流输入开关断开2#交流输入开关合上D7 2#输出开关断开2#输出开关合上S22:D7D6D5D4D3D2D1D0 1#ATC_UPS状态字2D0 2#旁路开关D1 2#维修开关D2 1#UPS故障 1=故障0=正常D3 2#UPS故障 1=故障0=正常D4 馈线故障D5 备用D6 1#交流输入电压越上限D7 1#交流输入电压越下限S23:D7D6D5D4D3D2D1D0 1#ATC_UPS状态字3D0 1#交流输入电流越上限D1 1#交流输入电流越下限D2 1#旁路输入电压越上限D3 1#旁路输入电压越下限D4 1#旁路输入电流越上限D5 1#旁路输入电流越下限D6 1#直流输入电压越上限D7 1#直流输入电压越下限S24:D7D6D5D4D3D2D1D0 1#ATC_UPS状态字4D0 1#直流输入电流越上限D1 1#直流输入电流越下限D2 1#交流输出电压越上限D3 1#交流输出电压越下限D4 1#交流输出电流越上限D5 1#交流输出电流越下限D6 1#UPS温度过高D7 1#UPS温度过低S25:D7D6D5D4D3D2D1D0 1#ATC_UPS状态字5D0 2#交流输入电压越上限D1 2#交流输入电压越下限D2 2#交流输入电流越上限D3 2#交流输入电流越下限D4 2#旁路输入电压越上限D5 2#旁路输入电压越下限D6 2#旁路输入电流越上限D7 2#旁路输入电流越下限S26:D7D6D5D4D3D2D1D0 1#ATC_UPS状态字6D0 2#直流输入电压越上限D1 2#直流输入电压越下限D2 2#直流输入电流越上限D3 2#直流输入电流越下限D4 2#交流输出电压越上限D5 2#交流输出电压越下限D6 2#交流输出电流越上限D7 2#交流输出电流越下限S27:D7D6D5D4D3D2D1D0 1#ATC_UPS状态字7D0 2#UPS温度过高D1 2#UPS温度过低D2 系统输出电压越上限D3 系统输出电压越下限D4 系统输出电流越上限D5 系统输出电流越下限D6 1#UPS整流器故障D7 1#UPS电池电压异常S28:D7D6D5D4D3D2D1D0 1#ATC_UPS状态字8D0 1#UPS旁路运行D1 1#UPS故障D2 1#UPS备用模式0在线模式D3 1#UPS测试在进行D4 1#UPS可以关机D5 1#UPS峰鸣器开D6 2#UPS整流器故障D7 2#UPS电池电压异常S29:D7D6D5D4D3D2D1D0 1#ATC_UPS状态字9D0 2#UPS旁路运行D1 2#UPS故障D2 2#UPS备用模式0在线模式D3 2#UPS测试在进行D4 2#UPS可以关机D5 2#UPS峰鸣器开D6 1#交流进逆变供电 1:有效D7 1#直流进逆变供电S30:D7D6D5D4D3D2D1D0 1#ATC_UPS状态字10D0 1#交流直接供电D1 2#交流进逆变供电D2 2#直流进逆变供电D3 2#交流直接供电D4D5D6D7S31---S40 2#ATC_UPS状态字6. 采集直流系统运行参数RTU——〉JKQ01112345JKQ011 ——〉RTU0 数据长度 = 1031 目标地址2 源地址3 命令码45 充电机一组浮充电压67 充电机一组均充电压89 充电机一组输出过压值1011 充电机一组输出欠压值12 充电机一组限流档位(1,2,3,4)1314 充电机一组模块屏蔽值(模块0 –7)15 (模块8 – 15)1617 蓄电池组#1过压值1819 蓄电池组#1欠压值2021 蓄电池组#1单节电池过压值2223 蓄电池组#1单节电池欠压值2425 蓄电池组#1温度补偿系数 = (B11L + B11H*256) / 100026 蓄电池组#1均充定时时间(分)27 (小时)28 蓄电池组#1巡检时间间隔(分)29 (小时)3031 蓄电池组#1稳流值3233 蓄电池组#1容量 = B15L +B15H*2563435 蓄电池组#1电池节数(9 - 120)3637 蓄电池组#1均充转浮充电流点3839 蓄电池组#1均充转浮充延时时间(分)4041 蓄电池组#1浮充转均充定时时间(天)4243 控母一段过压值4445 控母一段欠压值4647 合母一段过压值4849 合母一段欠压值5051 交流电压上限5253 交流电压下限5455 充电机二组浮充电压5657 充电机二组均充电压5859 充电机二组输出过压值6061 充电机二组输出欠压值6263 充电机二组限流档位值(1,2,3,4)64 充电机二组模块屏蔽值(模块16 – 23)65 (模块24 – 31)6667 蓄电池组#2过压值6869 蓄电池组#2欠压值7071 蓄电池组#2单节电池过压值7273 蓄电池组#2单节电池欠压值7475 蓄电池组#2温度补偿系数 = (B36L + B36H*256) / 100076 蓄电池组#2均充定时时间(分)77 (小时)78 蓄电池组#2巡检时间间隔(分)79 (小时)8081 蓄电池组#2稳流值8283 蓄电池组#2容量 = B40L +B40H*2568485 蓄电池组#2电池节数(9 – 120)8687 蓄电池组#2均充转浮充电流点8889 蓄电池组#2均充转浮充延时时间(分)9091 蓄电池组#2浮充转均充定时时间(天)9293 控母二段过压值9495 控母二段欠压值9697 合母二段过压值9899 合母二段欠压值100101 保留字段102103说明:1) 除特别指明外,系统参数值每个量用两个字节表表示,低字节在前,高字节在后。