化工企业单位应急处置卡
- 格式:doc
- 大小:29.12 KB
- 文档页数:12
化工企业应急处置卡
化工企业应急处置卡
一、企业基本信息
企业名称:
地址:
联系方式:
二、主要生产产品及工艺流程
产品名称:
工艺流程:
三、可能发生的突发事件及后果
1. 火灾:可能导致企业停产、人员伤亡和环境污染。
2. 泄漏:可能导致有毒、有害物质进入环境,引发人员中毒、污染食品、水源等。
3. 爆炸:可能导致企业停产、人员伤亡和环境污染。
4. 交通事故:可能导致货物损坏、人员伤亡。
五、应急预案
1. 事故发生前的准备工作:
(1)对可能造成事故的设备、管道等进行检查维护,确保基础设施可靠。
(2)进行安全演练,提高职工应急素质。
(3)与当地应急部门建立联系,明确救援办法。
2. 事故发生时的应急响应措施:
(1)立即报警,通知应急部门。
(2)尽快启动应急预案,有效控制事故扩大。
(3)组织人员撤离事故现场,隔离危险区域。
(4)按照预案组织救援,尽快制止事故扩大和控制危害源。
(5)呼叫或组织专业救援队,进行危险化学品泄漏、拯救人员等救援。
3. 事故后的处理措施:
(1)把事故情况尽快向有关部门报告,并按要求提供事故情况的详细资料。
(2)配合有关部门做好调查与评估,污染物的清除和卫生清洁消毒工作。
(3)参与事故成因的分析,总结经验,进一步完善应急预案。
一、前言为确保化工厂在发生突发事件时,能够迅速、有效地进行应急处置,最大限度地减少人员伤亡和财产损失,依据《中华人民共和国安全生产法》、《中华人民共和国消防法》等相关法律法规,结合本厂实际情况,特制定本应急处置卡。
二、适用范围本应急处置卡适用于化工厂各类突发事件,包括但不限于火灾、爆炸、泄漏、中毒、触电、自然灾害等。
三、应急处置原则1. 预防为主,防治结合;2. 快速反应,确保安全;3. 先救人,后救物;4. 各部门协同配合,形成合力。
四、应急处置流程1. 紧急报警:发现事故后,立即拨打厂内报警电话或拨打119、120等紧急救援电话。
2. 初始处置:现场人员应立即采取措施,控制事故发展,隔离危险区域,保护人员安全。
3. 现场救援:根据事故类型,采取相应的救援措施,如灭火、堵漏、排毒、救护等。
4. 信息报告:立即向厂应急指挥中心报告事故情况,并按照要求向上级部门报告。
5. 现场清理:事故得到控制后,对现场进行清理,消除安全隐患。
6. 调查处理:事故发生后,组织开展事故调查,查明事故原因,追究责任。
五、应急处置措施1. 火灾事故:(1)立即切断火源,使用灭火器、消防栓等灭火设备进行灭火;(2)疏散人员,确保人员安全;(3)隔离危险区域,防止火势蔓延;(4)配合消防部门进行救援。
2. 爆炸事故:(1)迅速疏散人员,确保人员安全;(2)隔离爆炸区域,防止次生事故发生;(3)使用防毒面具、防护服等防护装备进行现场救援;(4)配合消防部门进行救援。
3. 泄漏事故:(1)立即关闭泄漏源,隔离泄漏区域;(2)使用吸附、中和、隔离等方法进行泄漏处理;(3)疏散人员,确保人员安全;(4)配合环保部门进行泄漏处理。
4. 中毒事故:(1)立即疏散中毒人员,送往医院救治;(2)切断毒源,防止事故扩大;(3)使用防护装备进行现场救援;(4)配合卫生部门进行中毒事故处理。
六、应急物资及装备1. 灭火器材:灭火器、消防栓、消防车等;2. 防护装备:防毒面具、防护服、手套、靴子等;3. 救护器材:担架、急救包、药品等;4. 应急通讯设备:对讲机、电话等。
氨水应急处置卡简介本文档提供了氨水应急处置卡的相关信息和指导。
氨水是一种常见的化工品,在使用和储存中可能发生泄漏或事故。
了解正确的应急处置措施对于处理这种情况至关重要。
危险特性- 氨水有刺激性气味,可对眼睛、皮肤和呼吸道造成伤害。
- 氨水有腐蚀性,可能导致化学灼伤。
应急处置步骤1. 保护自身:戴好个人防护装备,包括防护眼镜、防护手套、呼吸器等。
2. 确定泄漏源:查找泄漏来源,并尽可能停止泄露。
3. 隔离区域:立即将周围人员疏散到安全区域,确保不会造成更多的伤害和污染。
4. 通风:打开门窗,增强通风,尽可能减少有害气体浓度。
5. 清除泄漏物:使用吸收剂或稀释剂将氨水泄漏物迅速吸收或稀释。
将液体收集到密封中,将固体收集并包装妥善处置。
6. 处理废物:正确处理氨水泄漏物和清理用具,遵守相关法规和安全操作规程。
7. 报告和记录:向相关管理部门报告事故情况,并详细记录事故经过和处置措施。
注意事项- 氨水泄漏后容易蒸发并形成易燃的氨气,避免明火和高温源。
- 避免与其他化学物品混合使用,以免发生危险反应。
- 接触氨水后,立即用大量清水冲洗受影响的皮肤和眼睛,并寻求医疗帮助。
- 不要遗留泄漏物的残余物,必须妥善处置和处理。
以上是对氨水应急处置的基本指导,具体情况下请参考相关法律法规和专业人员的建议。
---注意: 本文档提供的信息仅供参考。
在应急处置过程中,务必遵循相关法律法规和安全操作规程。
本文档内容是否准确需要根据被处理情况的具体情况进行确认。
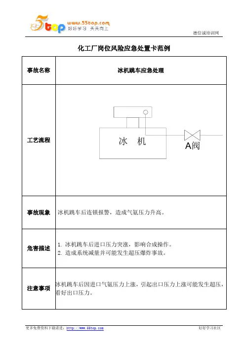
河北天成化工股份有限公司卢龙分公司岗位应急处置卡编制:应急预案编制组审核:王洪卫批准:白志刚2015年 6月第一版 2015年7 月实施河北天成化工股份有限公司卢龙分公司现场应急处置操作卡目录1.造气岗位紧急停电应急处理2.半水煤气柜挂圈漏水造成漏气减量应急处理3.半水煤气柜过高或过低应急处理4.造气岗位回收阀不落应急处理5.造气岗位煤总阀不落应急处理6.造气岗位氧含量高应急处理7.造气汽包缺液位应急处理8.油管线漏油应急处理9.鼓风机跳车应急处理10.油泵跳车应急处理11.压缩机主轴瓦温度上涨12.压缩机有毒有害气体泄漏,造成人员中毒13.压缩机主电机打火(以6MD20-110为例)14.压缩机主电机超电流(以6MD20-110为例)15.压缩机一入压力突降16.压缩机出口系统压力突涨17.压缩机油压降低18.压缩机安全阀起跳不回座19.压缩机运行过程中异常声音、异常振动情况20.压缩机有毒有害气体泄漏,造成着火21.压缩机单机段间压力迅速升高22.气柜高度直线下降应急操作卡23.风机跳闸应急操作卡24.静电除焦防爆板破裂应急处理操作卡25.热水泵跳闸应急操作卡26.变换氧含量上涨应急操作卡27.变换蒸汽、饱和塔带水应急操作卡28.脱碳吸收塔带液应急操作卡29.脱碳吸收塔串气应急操作卡30.脱碳脱碳泵跳车应急操作卡31.脱碳气提风机跳车应急操作卡32.铜洗铜泵抽空应急处理33.铜洗塔带铜液应急处理34.铜洗水冷排泄漏应急处理35.合成循环机跳车应急处理36.合成微机死机应急处理37.合成废锅断水应急处理38.合成放氨安全阀跳应急处理39.合成岗位断电应急处理40.雷电引起的合成放空总管着火应急处理41.冰机跳车应急处理42.提氢净氨塔超压应急处理43.与球罐连接灌氨管泄漏44.液氨充装过程中车辆安全阀起跳应急处理45.充装过程中充装臂前法兰泄漏应急处理46.球罐安全阀失灵起跳大量气氨外泄卢龙分公司生产岗位操作应急卡造气车间1.造气岗位紧急停电应急操作卡编号:TCLL-001事故名称造气岗位紧急停电应急处理工艺流程事故现象1、岗位出现紧急停电事故后,油压降低,造成岗位蒸汽系统憋压。
化工企业应急处置卡一、事故概述化工企业作为重要的生产领域之一,常常面临着事故风险。
为了确保员工的人身安全和减少环境污染,合理的应急处置措施和能力至关重要。
本文将从事故预防、应急响应和事故处理三个方面进行探讨,提供一份全面有效的化工企业应急处置卡,以帮助化工企业妥善应对突发事故。
二、事故预防1. 定期检查和维护设备:确保设备处于良好状态,减少设备故障发生的可能性。
2. 安全培训和教育:加强员工的安全意识,确保员工了解使用化学品的正确方法和风险防范措施。
3. 环境监测和风险评估:定期进行工作场所的环境监测,评估潜在的危险源,及时采取相应的措施。
三、应急响应1. 紧急报警:一旦发生事故,立即通过报警系统通知相关人员,并提供详细的事故信息。
2. 人员疏散:根据事故情况,实施人员的紧急疏散计划,确保员工的人身安全。
3. 现场隔离:切断事故源,并在安全区域内进行现场隔离,防止事故扩大和蔓延。
4. 应急通信:建立完善的内外部通信网络,确保与相关单位和人员的及时沟通。
四、事故处理1. 防止二次污染:采取措施防止事故物质进入地下水源、河流或其他环境介质,减少二次污染的风险。
2. 妥善处置事故物质:根据事故类型和物质特性,合理选择合适的处理方案,如转运、中和、回收等。
3. 事故调查和总结:事故处理结束后,组织相关人员进行事故调查和总结,分析事故原因,提出改进措施,避免类似事故再次发生。
五、应急设施和装备1. 应急设施:确保应急设施的完善,包括消防设备、泄漏应急设备、安全防护设备等。
2. 应急装备:配备必要的应急装备,如呼吸器、防护服、泄漏处理装备等,以便在事故发生时能够有效应对。
六、其他注意事项1. 定期演练:定期组织应急演练,提高员工的应急响应能力和意识。
2. 保持与相关机构的合作:与政府相关部门、专业机构、社区等建立良好的合作关系,互通信息,共同应对突发事故。
总结:化工企业应急处置卡是化工企业应急管理的重要工具,通过事故预防、应急响应和事故处理等方面的措施,能够有效减少事故的发生和风险的扩大。
现场应急处置救援流程告知卡起草人:审核人:批准人:日期:202X年X月XX日目录一、前言为了积极预防和妥善处置危化品突发事件,最大限度的减少事件造成的损失,保障职工的生命健康和财产安全,维护企业的稳定发展。
根据《安全生产法》、《xx公司事故应急处理预案》等有关规定,制定本操作手册。
二、应急响应程序人员发现事件第一人班长值班干部职责1、迅速向班长或值班干部敷XXX、在确保自身和他人安全的情况下,采取措施控制事态。
1、立即启动应急响应程序,通知相关人员赶赴现场。
2、接替岗位班长成为现场指挥员,按照应急处置措施,进行现场处置。
3、立即向xx生产办调度汇报。
4、负责精细化工公司应急程序的终止。
1、立即成为现场批示员,启动应急响应程序。
2、立即向值班领导报告。
3、组织本班应急响应人员进行应急处理。
三、突发事件分类处置3.1火灾类突发事件应急处置3.1.1装置区着火应急处置步骤报警初期处置处置报火警(119),向班长和值班干部报告。
向xxEHS办理部门(xx)汇报。
火势较小时,立即用现有的灭火器材扑救初期火灾。
负责人发现火情第一人值班干部发现火情第一人值班干部切换流程小组切换流程小组切换流程小组切断电源小组救护小组应急处置小组应急程序启动组织应急小组职员待命,随时准备进入现场。
1、DCS控制系统切断着火点前后的控制阀门。
切断着火点前2、关闭泄漏点前后的手动阀门(若可能)。
后工艺流程3、装配紧急停车。
切断全站电源视情况切断配电室电源。
人员救护戴空气呼吸器转移中毒人员,并施行急救。
1、通知联合站启运消防水泵。
现场处置2、应急处置小组待命,随时准备现场灭火。
3、利用消防设施对着火点进行灭火。
4、打开消防水对邻近储罐、设备设施降温隔离。
现场批示警戒人员疏散策应救济伤员救护向XXX管理部门和主管领导汇报现场情况。
携可燃气检测仪测试,划定警戒范围。
组织现场与抢险无关的人员(含施工人员)撤离。
打开消防通道,策应消防、环境监测等车辆及外部应急增援。
各岗位风险识别及与应急处置卡在工作岗位中,风险识别和应急处置是非常重要的环节。
尤其是在一些高危、高风险的行业,如建筑、化工、矿山等,风险识别和应急处置更是必不可少的。
为了减少事故的发生以及在事故发生后能够快速、有效地进行处置,各岗位应当有相应的风险识别和应急处置卡。
风险识别卡是对于潜在风险进行全面的分析和评估,以便及时发现风险并采取相应的预防措施。
各岗位的风险识别卡应当包括以下内容:1.工作环境风险:对于工作环境中可能存在的安全隐患进行识别,例如高空作业、有害气体、高温高压等。
2.工作设备风险:对于工作设备、工具的使用过程中可能存在的安全隐患进行识别,例如设备老化、设备故障等。
3.作业流程风险:对于作业流程中可能存在的风险进行识别,例如在作业过程中可能发生的意外事故、操作不当引发的风险等。
4.个人行为风险:对于工作人员个人行为可能带来的安全隐患进行识别,例如不正确佩戴防护用品、不按规定操作等。
每一个风险识别卡上都应当包括风险识别的时间、地点、具体风险内容以及可能造成的后果。
同时,还应当包括建议的安全措施,以确保在事故发生前能够采取相应的预防措施来避免风险的发生。
应急处置卡是指在事故发生时,在不同岗位上所采取的应急处置步骤和方法。
不同岗位的应急处置卡内容会有所不同,但总体而言,应当包括以下内容:1.对事故现场进行安全评估,评估可能存在的危险因素和隐患。
2.确定应急责任人,负责组织协调应急处置工作。
3.确定撤离路线和安全区域,确保工作人员的安全。
4.安排人员进行伤员救护和紧急处理。
5.启动相应的紧急报警系统,通知相关部门和人员。
6.针对不同事故情况,制定相应的应急处置方案和措施,包括灭火、救援、疏散等。
7.定期演练应急处置流程,提高应急处置的效率和责任心。
每个岗位的应急处置卡上应当包括岗位名称、事故类型、应急处置步骤和方法等内容。
同时,还应当提醒工作人员在事故发生时保持冷静,按照应急处置卡上的步骤进行处置,不要慌乱,避免因急躁而造成更大的伤害。
序号处置措施1 接到现场报警后,如造成人员伤亡,在小时内将事故情况上报所在地县级以上安监部门。
2 当需要启动应急预案时,第一时间下令启动预案。
到达现场成立应急指挥部,担任总指挥,通过应急指挥部办公室通知应急指挥部各成员和相关单位,3 根据事故情况,结合各应急指挥部成员(如现场救援组、技术指导组等)意见,指挥应急救援工作。
4 如判断企业无法独立完成救援工作,通过指挥部办公室向政府相关部门请求支援。
5 在政府应急指挥部成立后,向其移交指挥权,介绍事故情况,做好后勤保障工作,配合开展救援。
6 配合事故调查处理,抚恤伤亡人员,总结应急工作经验,落实整改措施。
序号处置措施1 接到应急指挥部办公室通知后,第时间到达现场,接受指挥。
第一时间通知抢险救灾组成员和企业应急队伍到达现场,做好应急准备。
23 会同技术指导组协助总指挥制定事故抢险方案。
4 在总指挥的指挥下,组织抢险救灾组成员和企业应急队伍按应急预案疏散事故现场人员、进行事故抢险救援。
5 当判断企业层面尢法进行救援时,向总指挥提议请求外界支援,并组织人员米取防止事故损失扩大的冷却、隔离、转移重要物资等处置工作。
6 当外界支援力量到达后,组织人员协助其开展事故救援,并做好后勤保障工作。
7 事故救援工作结束后,负责事故现场及有害物质扩散区域内的洗消工作,并保护现场,配合开展善后处理和事故调杳工作。
火灾事故应急处置流程卡序号处置措施1 火情发现者立即停止作业,第一时间向上级报告事故信息。
2若火势较小,直接用灭火器对着火点进行灭火,附近其他人员进行支援,同时对其它未着火的地方进行防护,防止火势扩大。
3 电气火灾必须切断电源后才能灭火,如果不能确保是否切断电源,严禁使用水灭火。
4 若火势扩大,切断总电源。
企业应急指挥部门对火灾、爆炸现场进行警戒,同时疏散人员及企业周边居民。
如有人员伤亡,救出伤员对伤员进行现场急救,并及时将伤员转送医院。
5 抢险人员要穿戴好必要的应急装备(呼吸器、防护服、灭火器材),防止抢险救援人员受到伤害。
安全生产“四知卡”视频监控岗位“四知卡”一、岗位安全生产责任卡1.持证上岗,正确穿戴劳动防护用品,执行定置管理。
2.遵守《应急指挥中心标准化作业手册》。
3.禁止酒后上岗、监控设备运行时擅离岗位,随意离岗、串岗,严禁吸烟和随意动火。
4、注意警告标志、明示标识,保持设备无故障运行。
5.监控中心实行24小时值班制度。
认真做好监控、报警、值班记录及内部安全保卫工作。
6.禁止无关人员出入监控中心。
未经许可,监控中心不接受任何形式的参观、采访。
7.清扫要求:坚持对控制台及计算机设备表面、地面每日清扫,做到无杂物、无垃圾、无积水、地面见本色,扶手、玻璃、工作台、设备干净无灰尘。
工作地面、桌面、仪器、设备应经常清擦打扫。
二、岗位风险辨识卡1. 烧伤损害、辐射:监控室内发生燃烧事故,可能会伤及视频监控人员,电脑辐射对人身健康有害三、岗位操作规程卡1.打开总电源开关2.打开控制台电脑的电源开关-----登陆系统点击目录列表,依次点开每台电脑上需要调出画面所对应的ip,调出需要监控的视频画面。
四、岗位应急处置卡1、当发生事故后,应报告及时、准确,同时进行现场救援或保护撤离。
2、在救援过程中,要以员工和救援人员的安全优先的原则,防止事故的扩大。
3、了解现场情况,应加强自身安全保护,在确认无连续爆炸可能或其它危险时,迅速组织抢救。
否则,按疏散路线和避难场所位置图实施紧急疏,迅速有效的,紧张有序地进行救援,把灾害降低到最低限度。
4、应急救援领导小组在抢险工作结束后,应及时将事故救援基本情况向化工公司如实上报,并积极配合有关部门对事故进行全面系统的调查、总结,妥善处理灾后事宜。
5、应急救援领导小组按照“四不放过”的原则进行事故处理。
6、应急救援领导小组对爆炸事故救援进行总结,并补充完善预案。
7、应急联系电话:报警电话;火警电话;急救电话;应急管理部门;公司主要负责人电话;安全负责人电话丙烷充装岗位“四知卡”一、岗位安全生产责任卡1、严格遵守《丙烷岗位安全技术操作规程》及其公司安全生产规章制度。
化工厂火灾事故处置卡点1. 事故概况时间:XX年XX月XX日XX时XX分地点:XXXXX化工厂事故原因:化工厂设备故障引发火灾人员伤亡情况:暂无2. 应急处置步骤2.1 初期处置1)立即启动应急预案,通知相关部门负责人到达现场指挥。
2)立即扑灭初期火灾,不让火灾蔓延扩大。
如果火势难以控制,及时报警并请消防队前来支援。
3)确保人员安全疏散到安全区域,并安排人员组织疏散。
4)做好现场人员的伤亡统计和报告。
2.2 应急处置1)立即通知公安消防等相关部门,协助火灾处置。
2)加强现场安全防护,确保现场人员安全。
3)保护周边环境,防止火灾对周边环境造成污染。
4)应急人员按照应急预案规定分工协作,有效控制火灾蔓延。
2.3 环境监测1)在火灾处置过程中,要对空气、水体等环境进行全面监测。
2)确保未发生污染并对可能污染环境进行处置。
2.4 疏散安置1)对被火灾影响的人员进行疏散安置。
2)确保被疏散人员的基本生活需求和心理安慰。
2.5 灾后清理1)火灾扑灭后,及时清理火场并对可能污染的区域进行清理。
2)对受损设备、设施等进行全面评估和修复。
2.6 事故调查1)事故调查小组对火灾原因进行调查和分析,制定防范措施。
2)各相关单位共同参与事故调查,认真总结经验教训,做好事故的风险管控。
3. 应急预案执行情况1)是否及时启动应急预案。
2)应急人员是否按照应急预案分工协作,有效控制火灾。
3)是否及时通知公安消防等相关部门协助火灾处置。
4)是否对被火灾影响人员进行疏散安置并满足其基本生活需求。
5)事故调查中是否各相关单位共同参与、总结经验教训。
4. 安全隐患排查整改1)对事故中暴露出来的安全隐患进行整改。
2)对相关设备设施进行全面检修和维护。
3)加强安全教育和培训,提高应急处置能力。
4)建立健全安全生产管理制度,完善安全生产责任制。
5. 防范措施1)加强火灾风险评估,对可能引发火灾的设备进行定期维护和检查。
2)建立完善的应急预案,提高应急处置能力和水平。