橡胶类材料试验项目及试验规范
- 格式:pdf
- 大小:116.39 KB
- 文档页数:2
天然橡胶1.主要内容与适用范围本标准规定了三个级别的质量要求、试验方法、检验规则、标志、包装、贮存和运输。
本标准适用于我国各级别的天然生胶标准橡胶。
2.引用标准GB/T8081 天然生胶标准橡胶规格GB/T1232.1 未硫化橡胶用圆盘剪切粘度计进行测定第1部分:门尼粘度的测定GB/T24131 生橡胶挥发分含量的测定GB/T4498.1 橡胶灰分含量的测定GB/T8088 天然生胶氮含量的测定GB/T3510 未硫化胶塑性的测定快速塑性计法GB/T3517 天然生胶塑性保持率(PRI)的测定GB/T15340 天然胶、合成生胶取样及其制样方法3.技术要求4生胶取样方法(天然胶、合成胶)4.1整批胶包的总数选取大样胶包的数量≤40 440-100 7>100 104.2从所有样本胶包中选取一个或数个份样时,取样不带润滑剂的刀切割,块状橡胶的切割方向应垂直于胶块的最大表面,其它形状橡胶的切割方向应垂直于胶片表面,从每个胶包上割取150-160g小样品。
4.3根据试样的需要,份样的总质量为600-1500g。
4.4用清洁的包装材料将小样品包装好,作好标记。
抽样检验结果中任何一项达不到技术要求时,则该批产品应降级或判为不合格品。
抽样检验结果中任何一项达不到技术要求时,则该批产品应降级或判为不合格品。
5.包装、标志、运输和贮存5.1包装、重量和尺寸胶包用聚乙烯薄膜和聚丙烯编织袋双层包装。
每包净重40kg±0.2kg;胶包长为600mm±20mm,宽为400mm±20mm,高为200mm±20mm。
5.2国产标准橡胶使用“SCR”代号(其中S代表“标准”,C代表“中国”,R代表“橡胶”,即标准中国橡胶)使之与国际常用的代号对应。
SCR5(5号胶)、SCR10 (10号胶)、SCR20(20号胶)。
5.3胶包贮存要分种类和级别堆放,置于离地面高度30cm以上和距离墙壁50cm以上的木板上。
橡胶件的技术规范1 范围本标准规定了本公司各类产品中使用的橡胶件的技术要求、试验方法、检验规则、包装及贮存。
本标准适用于橡胶件成品件的进货检验、型式检验、包装、贮存管理。
2 规范性引用文件下列文件中的条款通过本标准的引用而成为本标准的条款。
凡是注日期的引用文件,其随后所有的修改单(不包括勘误的内容)或修订版均不适用于本标准,然而,鼓励根据本标准达成协议的各方研究是否可使用这些文件的最新版本。
凡是不注日期的引用文件,其最新版本适用于本标准。
GB/T 533 硫化橡胶密度的测定GB/T 1690 硫化橡胶耐液体试验方法GB/T 3452.2 液压气动用O 型橡胶密封圈外观质量检验标准GB/T3452.1 液压气动用O 型橡胶密封圈第1 部分:尺寸系列及公差GB/T 3512 硫化橡胶或热塑性橡胶热空气加速老化和耐热试验GB/T 5723 硫化橡胶或热塑性橡胶试验用试样和制品尺寸的测量GB/T 20739 橡胶制品贮存指南GB/T 5721 橡胶密封制品标志、包装、运输、贮存的一般规定GB/T 528 硫化橡胶或热塑性橡胶拉伸应力应变性能的测定BS EN549 燃气器具、设备密封件和膜片用橡胶材料规范NSF 61 饮用水系统部件健康影响BS EN331 建筑物燃气供应设备用手动球阀和密封底部锥体旋塞阀ASME B16.33 压力在125PSI 以下燃气系统用手动金属制燃气阀门ASME B16.44 家用管道系统中使用的手工操作的金属气体阀门CJ 50 瓶装液化石油气调压器CJ/T 180 家用手动燃气阀门HG/T 2807 城镇燃气调压器用橡胶膜片Q/NZFJ30 液化石油气瓶阀3 技术要求3.1 通用技术要求3.1.1 气味:无刺鼻气味;3.1.2 外观:表面无气泡、无杂质、无飞边、无缺胶、无脱层、色泽一致、无局部缺陷;3.1.3 尺寸:符合图纸要求;3.1.4 应采用耐工作介质的材料且材料应采用正料。
橡胶检测片的标准主要包括以下几个方面:
1.硫化橡胶板的常温和高温下的恒定形变压缩持久变形的测定:这是一个关于橡胶板在不同温度下的压缩变形性能的测定标准,主要用于评估橡胶材料的耐久性和使用寿命。
2.硫化胶的耐臭氧老化测试:这是一种测试橡胶材料在臭氧作用下的耐久性能的标准,主要用于橡胶密封件等产品的性能测试。
3.橡胶的回弹性测试:这包括硫化橡胶回弹力的测定和橡胶的撕裂性能测试,主要用于评估硫化橡胶的弹性和抗撕裂性能。
4.橡胶的耐磨性测试:这主要用于评估橡胶的耐磨性能,常用于橡胶磨具、橡胶轮胎等产品的性能评估。
5.橡胶的粘附性测试:主要用于评估橡胶与金属、塑料等材料的粘附性能,常用于汽车、建筑等行业。
6.橡胶的硬度测试:这通常用于评估橡胶的硬度,硬度是衡量橡胶材料弹性和塑性的一个重要指标。
这些标准的具体测试方法和数可能会根据橡胶的类型和应用需求有所不同,因此在实际使用时,应根据具体的产品和应用需求选择合适的标准进行测试。
橡胶的硬度测试标准橡胶是一种常见的材料,在工业生产和日常生活中都有着广泛的应用。
而橡胶的硬度是一个重要的性能指标,直接影响着其在使用过程中的性能表现。
因此,对橡胶硬度的测试标准具有非常重要的意义。
一、橡胶硬度的定义。
橡胶的硬度是指橡胶材料抵抗外力压缩变形的能力。
硬度的高低可以反映出橡胶的柔软程度和抗压性能。
通常情况下,硬度越高,橡胶的抗压性能越好,但柔软度越差。
二、橡胶硬度测试方法。
橡胶硬度的测试方法主要有两种,分别是 shore 硬度测试和 IRHD 硬度测试。
1. Shore 硬度测试。
Shore 硬度测试是一种常用的橡胶硬度测试方法,它通过在橡胶表面施加一定的压力,然后测量压力下的压痕深度来反映橡胶的硬度。
Shore 硬度分为 A 型、D 型两种,分别适用于不同硬度范围的橡胶材料。
2. IRHD 硬度测试。
IRHD 硬度测试是指通过在一定条件下,将一个针形压头压入橡胶试样中,然后测量压头深度变化来反映橡胶的硬度。
IRHD 硬度测试方法相对于 Shore 硬度测试方法来说,更加适用于软质橡胶材料的硬度测试。
三、橡胶硬度测试标准。
橡胶硬度测试标准是指对橡胶硬度测试方法和设备进行统一规范的标准文件。
目前,国际上常用的橡胶硬度测试标准有 ISO 48、ASTM D2240 等。
ISO 48 标准是由国际标准化组织制定的橡胶硬度测试标准,它规定了 Shore 硬度测试方法的具体步骤和要求,适用于硬度范围在 10~100 型号之间的橡胶材料。
ASTM D2240 标准是由美国材料和试验协会制定的橡胶硬度测试标准,它也是基于 Shore 硬度测试方法的,但在具体测试步骤和设备要求上与 ISO 48 标准有所不同。
四、橡胶硬度测试的意义。
橡胶硬度测试标准的制定和实施,对于保证橡胶制品的质量稳定性、产品互换性、技术交流和贸易合作具有重要意义。
只有通过标准化的硬度测试方法,才能够准确地评价橡胶材料的硬度性能,为产品设计和使用提供可靠的依据。
丁腈橡胶国标丁腈橡胶是一种合成橡胶,具有优异的耐油性、耐热性、耐候性和耐化学药品腐蚀性能,被广泛应用于汽车、机械、电子、建筑、医疗等领域。
为了保障产品质量和市场竞争力,我国制定了丁腈橡胶国标,对丁腈橡胶的生产、质量控制、检验和使用进行了规范。
一、标准概述《丁腈橡胶国家标准》(GB/T 23261-2009)是由中国国家标准化管理委员会发布的,于2009年7月1日起实施。
该标准规定了丁腈橡胶的分类、要求、试验方法、检验规则、标志、包装、运输和贮存等内容。
该标准适用于丁腈橡胶在生产、质量控制、检验和使用过程中的相关工作。
二、标准内容1. 分类根据丁腈橡胶的用途和性能,将其分为通用级(NBR-G)、耐油级(NBR-O)和耐油、低温级(NBR-OL)三类。
2. 要求丁腈橡胶应符合以下要求:(1)外观:应无明显异物和缺陷,表面光滑,无粘连现象。
(2)物理性能:应符合表1中规定的要求。
(3)化学性能:应符合表2中规定的要求。
(4)其他要求:应符合用户的技术要求或协议。
3. 试验方法丁腈橡胶的试验方法包括以下内容:(1)外观检查:用肉眼或放大镜对样品进行检查。
(2)硬度测定:采用硬度计测定样品的硬度。
(3)拉伸性能测定:采用拉伸试验机测定样品的拉伸强度、断裂伸长率和回弹率。
(4)低温性能测定:采用低温试验箱测定样品的冷屈服温度和冷弯曲角度。
(5)耐油性能测定:采用浸泡法或接触法测定样品的体积膨胀率和硬度变化。
(6)其他试验方法:应符合相关标准或用户的技术要求。
4. 检验规则丁腈橡胶的检验规则包括以下内容:(1)检验方法:应采用标准规定的试验方法进行检验。
(2)检验项目:应对丁腈橡胶的外观、物理性能、化学性能和其他要求进行检验。
(3)检验结果判定:应根据标准规定的要求进行判定,不合格品应进行处理。
5. 标志、包装、运输和贮存丁腈橡胶的标志、包装、运输和贮存应符合以下要求:(1)标志:应标明产品名称、规格型号、批号、生产日期、生产厂家和执行标准等信息。
工程试验计划及方案一、试验目的本试验的目的是验证一种新型材料在特定工程环境下的性能和可靠性,从而为该材料在工程实际应用中的可行性提供科学依据。
二、试验对象本试验选择的试验对象是一种新型橡胶材料,该材料具有良好的耐磨性、耐腐蚀性和耐高温性能,适用于工程领域的密封、减震和防护等方面的应用。
三、试验方案1. 实验设备和工具的准备为了进行本试验,需要准备以下实验设备和工具:(1)橡胶试样:选择尺寸符合要求的橡胶试样,用于进行拉伸、压缩、扭转等性能测试。
(2)实验机械:选择专用的拉伸试验机、压缩试验机和扭转试验机,用于对橡胶试样进行拉伸、压缩和扭转等性能测试。
(3)环境模拟设备:选择适合的高温、低温、湿热和腐蚀环境模拟设备,用于对橡胶材料的耐热、耐冷、耐湿和耐腐蚀性能进行测试。
(4)试验工具:准备用于将橡胶试样安装在实验机械上、进行试验过程中的操作和监控的试验工具。
2. 实验过程(1)拉伸性能测试:将橡胶试样固定在拉伸试验机上,施加不同的拉伸载荷,记录拉伸应力-应变曲线,并计算材料的弹性模量、屈服强度和断裂伸长率等指标。
(2)压缩性能测试:将橡胶试样固定在压缩试验机上,施加不同的压缩载荷,记录压缩应力-应变曲线,并计算材料的压缩模量、压缩强度和压缩变形率等指标。
(3)扭转性能测试:将橡胶试样固定在扭转试验机上,施加不同的扭转载荷,记录扭转应力-应变曲线,并计算材料的切应力和剪切模量等指标。
(4)环境模拟测试:将橡胶试样置于高温、低温、湿热和腐蚀环境模拟设备中,经过一定时间的暴露,观察材料的外观变化、性能变化和微观结构变化。
3. 数据处理和分析在实验过程中,需要对实验数据进行精确的记录和分析。
通过对实验数据的处理,可以得出橡胶材料的力学性能、热力学性能、耐腐蚀性能和耐热性能等方面的指标,并与国家标准或行业标准进行比较,以评价该材料的性能优劣。
四、试验计划1. 试验时间安排本试验计划总共持续3个月,具体时间安排如下:第1个月:准备试验设备和工具,选择橡胶试样,并进行初始化测试。
橡胶测试标准橡胶是一种常见的弹性材料,广泛应用于汽车轮胎、橡胶制品、工业设备等领域。
为了确保橡胶制品的质量和性能,需要进行各种测试,以便评估其物理、化学和机械特性。
橡胶测试标准是指对橡胶材料进行测试时所遵循的一系列规范和程序,以确保测试结果的准确性和可比性。
本文将介绍橡胶测试标准的相关内容,包括常见的测试项目和标准规范。
一、拉伸试验。
拉伸试验是评估橡胶材料弹性和抗拉性能的重要方法。
根据ASTM D412标准,橡胶拉伸试验应在标准试样上进行,通过施加拉力来测定其拉伸强度、断裂伸长率和模量等指标。
这些指标能够反映橡胶材料的拉伸性能,对于不同用途的橡胶制品具有重要的参考价值。
二、硬度测试。
硬度是衡量橡胶材料硬度和弹性的重要参数。
常见的硬度测试方法包括 shore硬度测试和durometer硬度测试。
根据ISO 7619标准,shore硬度测试是通过在材料表面施加一定深度的压痕来测定橡胶的硬度,而durometer硬度测试则是通过测量材料在受力下的变形程度来评估其硬度。
这些测试方法能够帮助确定橡胶材料的硬度和弹性,对于材料选择和质量控制具有重要意义。
三、耐磨性测试。
橡胶制品通常需要具有良好的耐磨性能,以确保其在使用过程中不易磨损和老化。
根据ISO 4649标准,耐磨性测试是通过在一定条件下对橡胶材料进行磨损试验,以评估其耐磨性能。
这项测试能够帮助制造商了解橡胶制品的耐磨性能,从而进行材料改进和质量控制。
四、耐油性测试。
橡胶制品在工业设备和汽车等领域中经常接触到各种润滑油和化学品,因此需要具有良好的耐油性能。
根据ASTM D471标准,耐油性测试是通过将橡胶试样浸泡在不同种类的润滑油中,以评估其在不同介质中的耐油性能。
这项测试能够帮助制造商选择合适的材料,并确保橡胶制品在实际使用中具有良好的耐油性能。
五、老化性能测试。
橡胶制品在使用过程中会受到氧化、紫外线、温度等因素的影响,因此需要具有良好的耐老化性能。
橡胶类材料试验项目及实验规范●我们现有标准中多部分用的是国标(GB标准),所以这次主要以GB为主。
●根据塑料的经验,发展方向是以ISO标准为主,可能橡胶也是以ISO标准为主,但是这并没有什么关系,就橡胶而言,不像塑料那样特别地强调试样或者实验方法的问题。
●就像我们公司的标准而言,DIN标准(德国标准)用得不是很多,而且一般情况下和GB、ISO标准通用。
●所以,这次以GB标准为主,DIN标准为辅,参考ISO标准。
橡胶类材料试验项目清单●密度●xxA硬度●拉伸强度/断裂伸长率●热空气老化●压缩永久变形●脆性温度●回弹性●耐臭氧●撕裂强度●耐磨性能●耐液体试验●耐油漆性等密度●标准:GB/T533-91、DIN 53479和ISO 2781-1988●密度对于橡胶来说不是一个很重要的指标参数●GB标准:测试原理就是阿基米德定理,试样的密度=试样在空气中的质量/(试样在空气中的质量-试样在水中的质量)*蒸馏水的密度●测试方法A:无孔隙的硫化橡胶试样的测试方法●测试方法B:适用于有孔隙的硫化橡胶●不测定橡胶的相对密度xxA硬度●标准:GB/T531-92、DIN 53505和ISO 7619-1986●上述三个标准基本通用●试样尺寸要求(GB标准)1、厚度不小于6mm,上下面平行,如果厚度达不到要求时,可用同样胶片重叠起来测定,但不得超过三层。
2、试样上的每一个点只准测量一次,测量点间距离不小于6mm,与试验边缘的距离不小于12mm。
(DIN标准)3、试样要求直径为30mm的圆片。
4、在试样的三个不同位置测量厚度,测量部位之间的距离≥13mm。
●试验仪器:硬度计拉伸强度/断裂伸长率●标准:GB/T528-92、DIN 53504和ISO/DIS 37-1990●试样规格及试验规范:(GB标准)1、有四种样块尺寸,以总长分:115、75、35、50(mm),1、2、4型厚度2.0±0.2mm,3型厚度1.0±0.1mm。
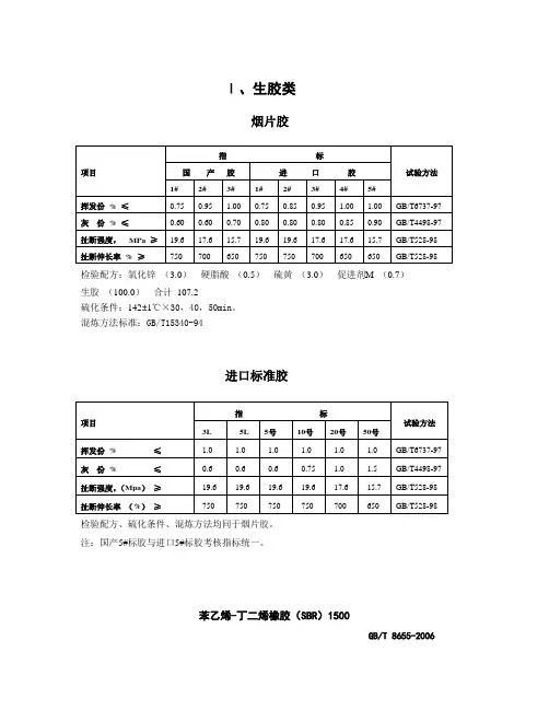
Ⅰ、生胶类烟片胶检验配方:氧化锌(3.0)硬脂酸(0.5)硫黄(3.0)促进剂M (0.7)生胶(100.0)合计107.2硫化条件:142±1℃×30,40,50min。
混炼方法标准:GB/T15340-94进口标准胶检验配方、硫化条件、混炼方法均同于烟片胶。
注:国产5#标胶与进口5#标胶考核指标统一。
苯乙烯-丁二烯橡胶(SBR)1500GB/T 8655-2006检验配方:ZnO(3.0),硬脂酸(1.0),硫黄(1.75),促进剂NS(1.0),参比炭黑ASTM IRB №7(50.0),生胶(100.0),合计156.75。
硫化条件:145±1℃×25,35,50min。
混炼方法标准:GB/T8656-98苯乙烯-丁二烯橡胶(SBR)1502GB/T 12824-2002检验配方和硫化条件同SBR1500混炼方法标准:GB/T8656-98充油丁苯胶(SBR1712)检验配方:氧化锌 (3.00) 硬脂酸 (1.00) 硫黄 (1.75) 促进剂NS (1.38)生胶 (137.5) 参比炭黑IRB6# (68.75) 合计 213.38硫化条件:145±1℃×25,35,50min。
混炼方法标准:GB/T8656-98在无IRB6#参比炭黑的情况下,如用SBR2#参比炭黑等量替代,其检测结果需进行修正,修正值如下(表):溶聚丁苯胶检验配方:氧化锌(3.0)硬脂酸(1.5)硫黄(1.75)促进剂NS (1.0)芳烃油(3.0)参比炭黑ASTM IRB №7(50.0)生胶(100.0)总计:160.25 硫化条件: 145±1℃×35min混炼方法标准:GB/T8656-98丁二烯橡胶(BR)9000检验配方:氧化锌(4.0)硬脂酸(2.0)硫黄(1.5)促进剂NS (0.7)参比炭黑ASTM IRB №7(50.0)生胶(100.0)总计:158.2硫化条件: 145±1℃×25,35,50min混炼方法标准:GB8660-88检验配方:异戊橡胶(100.0)硬脂酸(4.0)氧化锌(5.0)硫磺(2.0)SBR2#参比炭黑(45.0)促进剂CZ (0.9)合计156.9硫化条件:142±1︒C⨯20min,30min,40min混炼方法标准:GB/T15340-94另注:进口丁苯胶等合成胶的检验和判定按相当于国内同等牌号的合成胶执行,复合胶的检验标准按对应的天然胶标准判断。
各种橡胶制品的检测项目和检测标准详情各种橡胶制品的检测项目和检测标准一、橡胶物理性能检测1、硫化橡胶物性检测邵尔A型硬度、拉伸性能、撕裂性能、压缩疲劳生热、压缩永久变形、耐老化、屈挠龟裂、伸张疲劳、屈挠龟裂、裂口增长、低温脆性、弹性、耐磨性、热老化性能、耐臭氧性能、剥离强度、耐液体试验等。
2、未硫化橡胶的物性检测未硫化橡胶通常指生胶和混炼胶,未硫化胶性能的测试主要为加工生产服务。
包括门尼粘度、门尼焦烧测定、胶料初期硫化性能测试,胶料硫化特性测试等。
二、橡胶化学性能分析橡胶原材料质量检验涉及到的原材料包括:生胶(天然橡胶)、合成胶(复合橡胶、顺丁橡胶、丁苯橡胶、氯丁橡胶等)、炭黑、防老剂(对苯二胺类、4020、4010NA、RD等)、促进剂(M、DM、CZ、NS、NOBS、TMTD等)、硫化剂(硫磺、DCP等)、活化剂(硬脂酸、氧化锌等)、软化剂(芳烃油、环烷油)、粘合剂(钴盐)、增粘剂(酚醛树脂等)、无机补强剂(白炭黑、陶土等)、加工助剂(分散剂、硅烷偶联剂)等。
橡胶原材料及制品环保检测橡胶制品中的致癌物质多环芳烃检测、油品中按IP346标准检测多环芳烃含量、重金属含量、Rosh检测以及高关注度物质(SVCH)等。
橡胶析出物质检测橡胶制品表面经常发生喷霜现象,不但影响产品的外观,而且影响产品的性能。
分析析出物为何种物质,方便调整工艺或配方,生产出更优质的产品。
各种橡胶制品检测标准一、减震器类:HG 2864-1997 车辆用橡胶缓撞器HG/T 3080-2009防震橡胶制品用橡胶材料HG/T 2866-2003 橡胶护舷JT/T 4-2004 公路桥梁板式橡胶支座JT 391-2009 公路桥梁盆式橡胶支座TB/T 1893-2006 铁路桥梁板式橡胶支座TB/T 2331-2004 铁路桥梁盆式橡胶支座JG 118-2000 建筑隔震橡胶支座HG/T 2289-2001 可曲挠橡胶接头JT/T 327-2004 公路桥梁伸缩装置HG/T 3328-2006 铁路混凝土枕轨下用橡胶垫板JT/T 529-2004 预应力混凝土桥梁用塑料波纹管GB/T 17955-2009桥梁球型支座GB 20688.4-2007橡胶支座第4部分普通橡胶支座二、胶辊类:HG/T 2287-2008 印刷胶辊HG/T 2447-2003 胶辊第4部分印染胶辊HG/T 2446-2005 胶辊第5部分造纸胶辊HG/T 2445-2005 胶辊第6部分电子打字(印)机胶辊HG/T 2697-2001 胶辊第二部分聚氨酯胶辊HG/T 2013-2001胶辊第三部分织物预缩橡胶毯三、汽车类:HG/T 2196-2004 汽车用橡胶材料分类系统GB/T 12730-2008 一般传动用窄V带HG/T 2578-1994 汽车液压制动缸用橡胶护罩HG/T 2491-2009汽车用输水橡胶软管和纯胶管HG/T 3088-1999 车辆门窗橡胶密封条集装箱门框密封条GB/T15846-2006四、橡胶手套:AQ6102-2007 耐酸(碱)手套AQ6101-2007 橡胶耐油手套GB 7543-2006 一次性使用灭菌橡胶外科手套GB 10213-2006 一次性使用医用橡胶检查手套HG/T 2888-1997 橡胶家用手套五、橡胶铺地材料类:HG/T 2015-2003 橡胶海绵地毯衬垫HG/T 3747.1-2004橡塑铺地材料第1部分橡胶地板HG/T 3747.2-2004橡塑铺地材料第2部分橡胶地砖六、橡胶鞋:HG/T 2017-2000 普通运动鞋HG/T 2016-2001 篮排球运动鞋HG/T 2870-1997 乒乓球运动鞋HG/T 3085-1999 橡塑冷粘鞋HG/T 2018-2003 轻便胶鞋HG/T 2019-2001 黑色雨靴(鞋)HG/T 2020-2001 彩色雨靴(鞋)HG/T 2401-1992 工矿靴HG/T 2182-2008 棉胶鞋HG/T 2494-2005 布面童胶鞋HG/T 2495-2007 劳动鞋七、密封制品材料:HG/T 2810-2008 往复运动橡胶密封圈材料HG/T 2811-1996 旋转轴唇形密封圈橡胶材料GB/T 9877-2008液压传动旋转轴唇形密封圈设计规范GB/T 15326-1994 旋转轴唇形密封圈外观质量GB/T 13871.1-2007 密封元件为弹性体材料的旋转轴唇形密封圈第1部分:基本尺寸和公差HG/T 2021-1991 耐高温滑油O型橡胶密封圈材料GB/T 3452.2-2007 液压气动用O形橡胶密封圈第2部分:外观质量检验规范HG/T 3089-2001 燃油用O形橡胶密封圈材料HG/T 2181-2009 耐酸碱橡胶密封件材料HG/T 2579-2008 普通液压系统用0形橡胶密封圈材料GB/T 3452.1-2005 液压气动用O形橡胶密封圈第1部分尺寸系列及公差GB/T3452.2-2007 液压气动用O形橡胶密封圈第2部分:外观质量检验规范GB/T 12002-1989 塑料门窗用密封条HG/T 3099-2004建筑橡胶密封垫预成型实心硫化的结构密封垫用材料规范TB /T 1964-1987 客车门窗用密封条JB/T 7757.2-2006机械密封用O形橡胶圈JC/T 946-2005混凝土和钢筋混凝土排水管用橡胶密封圈JC/T 483-2006 聚硫建筑密封胶HG/T 3326-2007采煤综合机械化设备橡胶密封件用胶料JC/T 748-1987(1996)预应力与自应力钢筋混凝土管用橡胶密封圈GJB 250A-1996耐液压油和燃油丁腈橡胶胶料规范GB/T 15325-1994往复运动橡胶密封圈外观质量GB/T 10708.1-2000往复运动橡胶密封圈结构尺寸系列第一部分单向密封橡胶密封圈GB/T 10708.2-2000往复运动橡胶密封圈结构尺寸系列第二部分双向密封橡胶密封圈GB/T 10708.3-2000往复运动橡胶密封圈结构尺寸第三部分橡胶防尘密封圈GB5135.11-2006自动喷水灭火系统第11部分:沟槽式管接件JC/T976-2005道桥嵌缝用密封胶GB/T 21873-2008橡胶密封件给、排水管及污水管道用接口密封圈材料规范HG2865-1997汽车液压制动橡胶皮碗HG2950-1999汽车制动气室橡胶隔膜GJB 5258-2003航空橡胶零件及型材用胶料规范八、胶带类:GB/T524-2007平型传动带GB/T1171-2006一般传动用普通V带GB/T7984-2001运输带具有橡胶或塑料覆盖层的普通用途织物芯输送带GB/T9770-2001普通用途钢丝绳芯输送带HG/T2297-1992耐热输送带GB/13552-2008汽车多楔带HG/T3647-1999耐寒输送带GB/T13487-2002一般传动用同步带HG/2014-2005钢丝绳牵引阻燃输送带HG/T2442-2001洗衣机V带HG/2539-1993钢丝绳芯难燃输送带HG/T2577-2006橡胶或塑料提升带GB/T10822-2003一般用途织物芯阻燃输送带GB/T20786-2006橡胶履带GB 13552-2008九、汽车多楔带:GB/T 10716-2000 同步带拉伸性能试验方法GB 10717-1989 同步带齿剪切强度试验方法GB/T 7762-2003 硫化橡胶或热塑性橡胶耐臭氧龟裂静态拉伸试验GB/T 1682-1994 硫化橡胶低温脆性的测定单试样法GB/T 3512-2001硫化橡胶或热塑性橡胶热空气加速老化和耐热试验GB/T 11545-2008 带传动汽车工业用V带疲劳试验GB/T 3686-1998 三角带全截面拉伸性能试验方法GB 12732-2008 汽车V带GB/T 7762-2003 硫化橡胶或热塑性橡胶耐臭氧龟裂静态拉伸试验GB 16897-1997 制动软管FMVSS 106 制动软管GB 16897-1997 制动软管FMVSS 106 制动软管GB 16897-1997 制动软管FMVSS 106 制动软管。
橡胶板检验报告1. 引言橡胶板作为一种常见的工业材料,被广泛应用于各行各业。
为了确保橡胶板的质量符合相关标准和要求,本次检验对一批橡胶板进行了全面的检验和测试。
本文档将对检验过程和结果进行详细描述。
2. 检验方法2.1 外观检验橡胶板的外观检验是通过人工目视进行的。
检验人员对每张橡胶板进行仔细观察,检查是否存在裂纹、气泡、颜色不均等问题,并记录下来。
2.2 物理性能测试物理性能测试是对橡胶板的力学性能进行评估,常见的测试项目包括拉伸强度、断裂伸长率、硬度等。
本次检验中,我们选取了以下几项测试项目:•拉伸强度:使用万能试验机对橡胶板进行拉伸测试,测量拉伸强度的最大值,单位为MPa。
•断裂伸长率:同样使用万能试验机进行测试,测量拉伸过程中橡胶板的延展性。
•硬度:采用杜氏硬度计测量橡胶板的硬度值。
3. 检验结果3.1 外观检验结果经过人工目视检验,共检查了100张橡胶板。
结果显示,没有发现任何明显的裂纹、气泡或颜色不均的问题。
可以认为外观质量良好,符合要求。
3.2 物理性能测试结果橡胶板的物理性能测试结果如下表所示:项目测试值单位标准要求拉伸强度12.3 MPa ≥10断裂伸长率280 % ≥200硬度60 ShoreA 50-70根据测试结果,可以得出以下结论:•橡胶板的拉伸强度为12.3MPa,超过了标准要求的最低值10MPa,说明橡胶板的强度较好。
•橡胶板的断裂伸长率为280%,也超过了标准要求的最低值200%,说明橡胶板的延展性良好。
•橡胶板的硬度为60 ShoreA,位于标准要求的50-70范围内,符合要求。
4. 结论经过全面的检验和测试,本次检验的橡胶板在外观和物理性能方面均符合要求。
可以认为该批橡胶板的质量良好,可以投入生产使用。
5. 建议在今后的生产过程中,建议继续加强对橡胶板的质量控制,确保生产出的橡胶板能够稳定地满足标准要求。
同时,加强对橡胶板存储和运输过程的管理,避免外力损伤和变形。
橡胶锤QC测试标准一、概述本标准旨在规定橡胶锤的品质控制(QC)测试标准,以确保产品的品质和性能符合设计要求。
本标准适用于所有橡胶锤产品的生产和测试。
二、测试项目1. 材质检测对橡胶锤的材质进行检测,确保使用符合要求的橡胶材料。
对材料性能进行检测,包括硬度、耐磨性、耐腐蚀性等。
2. 尺寸检测对橡胶锤的尺寸进行精确测量,包括长度、宽度、高度等。
确保产品尺寸符合设计要求,误差在允许范围内。
3. 重量检测对橡胶锤的重量进行检测,确保产品重量符合设计要求。
同时,通过重量检测可以判断产品的密实度。
4. 硬度检测通过硬度计对橡胶锤的硬度进行检测,确保硬度符合设计要求。
硬度是衡量橡胶材料性能的重要指标。
5. 耐久性测试对橡胶锤进行耐久性测试,包括多次敲击、磨损、拉伸等实验。
观察产品在测试过程中的变化,判断其耐久性是否满足设计要求。
6. 敲击效果评估对橡胶锤的敲击效果进行评估,包括敲击声音、敲击力度、敲击痕迹等。
确保产品在敲击过程中能够达到预期效果。
7. 外观检测对橡胶锤的外观进行检测,包括表面光滑度、色泽均匀度、是否有瑕疵等。
确保产品外观美观,无缺陷。
8. 包装检测对橡胶锤的包装进行检测,包括包装材料、包装结构、防震性能等。
确保产品在运输过程中不受损坏,满足客户要求。
三、测试方法与工具1. 材质检测:采用专业仪器对橡胶材料进行性能检测。
2. 尺寸检测:使用精确的测量工具进行测量。
3. 重量检测:使用电子秤进行称重。
4. 硬度检测:使用硬度计进行测量。
5. 耐久性测试:根据产品特性和设计要求进行实验操作。
6. 敲击效果评估:通过实际敲击和观察敲击痕迹进行评价。
7. 外观检测:使用目视检查和触摸检查方法。
8. 包装检测:使用包装材料和结构进行实际操作和评价。
胶料检测方法
胶料检测方法主要包含以下几种:
1. 耐介质增重实验:从制品上取样,浸泡在一种或几种选定的介质中,在一定温度和时间后称重,根据重量变化率推断材料类型。
例如,在100度的
发动机油中浸泡24小时,丁腈橡胶、氟橡胶、ECO、CR的质量和硬度会
发生轻微变化,而NR、EPDM、SBR的重量会增加一倍以上,硬度变化很大,体积膨胀会很明显。
2. 热风老化试验:取产品样品,放入老化箱中老化,老化后检查外观。
例如,CR、NR和SBR在150度时会变脆,而NBR EPDM仍有弹性。
一般情况
之下,丁腈橡胶在0度时会变脆;虽然HNBR在230度时会变脆,但氟橡
胶和硅橡胶仍具有良好的弹性。
3. 燃烧方法:取少量样品在空气中燃烧,观察外观。
一般来说,氟橡胶、CR、自安胶离火自息,即使火焰被烧,也比普通NR和EPDM小得多。
以上是胶料常见的检测方法,在实际应用中需根据胶料的种类和特性选择合适的检测方法。
如需了解更多信息,建议咨询专业人士。
astm d2000 规则
ASTM D2000是美国材料和试验协会(American Society for Testing and Materials,ASTM)发布的一项标准规范,用于分类和表示橡胶材料的性质。
这项标准规范通常用于确定橡胶制品的等级,并提供了一种标准化的方法,使不同制造商的产品可以进行比较。
以下是ASTM D2000规范的一般规则和要点:
1.命名体系:ASTM D2000规范使用字母和数字的组合来表示橡
胶材料的等级。
这个组合包括一个类别码和一个等级数字。
2.类别码:类别码由字母表示,用于指定橡胶材料的基本类型。
常见的类别码包括AA、BA、CA、DA等,每个字母对应于不同
的橡胶基本类型。
3.等级数字:等级数字用于表示橡胶材料的具体性质和性能等级。
这个数字提供了关于拉伸、硬度、耐磨性等方面的信息。
4.硬度:ASTM D2000规范使用"硬度"一词表示材料的硬度。
硬
度通常用于描述橡胶的刚度,常见的硬度测试包括Shore A和
Shore D硬度。
5.拉伸性能:ASTM D2000规范包括有关拉伸强度、断裂伸长、
抗撕裂等拉伸性能的要求和测试方法。
6.热老化:规定了在高温条件下进行的热老化测试,以评估橡胶
材料的耐热性。
7.低温性能:规定了在低温条件下进行的测试,以评估橡胶材料
的低温弹性和柔韧性。
请注意,ASTM D2000规范的具体版本可能会有更新,因此在使用时应参考最新版本的标准文档以获取详细信息。
此外,ASTM D2000规范通常用于制定橡胶制品的技术规格和采购要求。