气体灭火系统档案验收自评报告
- 格式:doc
- 大小:134.88 KB
- 文档页数:7
气体灭火检测报告气体灭火系统是一种常用于高危环境中的灭火设备,其通过释放一种或多种特殊的灭火气体,迅速降低周围空气中的氧浓度,从而有效灭火。
为了确保气体灭火系统的可靠性和安全性,进行定期的检测是非常重要的。
首先,对于气体灭火系统的检测,我们需要进行整体的系统功能测试。
这包括对系统的启动、停止、消防报警设备联动、阀门、压力传感器以及气体释放装置的检测。
通过这些功能测试,我们可以确保系统能够正常启动,并在火灾发生时迅速释放灭火气体。
另外,对于气体灭火系统的气体储存设备,我们需要进行定期的压力测试。
通过对储存设备的压力进行检测,我们可以确保储存设备没有泄漏或者压力异常。
如果存在泄漏或者压力异常的情况,我们需要及时进行修理或更换,以确保系统的正常工作。
此外,对于气体灭火系统的气体传输管道,我们需要进行泄漏检测。
通过使用泄漏检测仪器,我们可以检测出维护和使用过程中可能出现的管道泄漏情况。
如果存在泄漏,我们需要及时进行修理或更换,以确保系统的可靠性和安全性。
对于气体灭火系统的火灾探测器,我们需要进行灵敏度测试。
通过比较各个火灾探测器测量到的火焰或者烟雾浓度与标准值的差异,我们可以判断火灾探测器是否工作正常。
如果存在敏感度差异较大的情况,我们需要进行调整或更换火灾探测器,以确保在火灾发生时能够准确地进行报警。
此外,我们还需要对气体灭火系统的控制系统进行检测。
通过对控制系统的测试,我们可以确保系统具有正常的操作和控制能力。
这包括对控制面板,报警器,手动控制装置以及联动装置的检测。
最后,在进行气体灭火系统检测时,我们需要对系统的记录进行审查。
这些记录包括系统的维护记录、修理记录、测试记录以及使用记录等。
通过对这些记录的审查,我们可以了解系统的维护情况以及是否存在潜在的问题。
总之,气体灭火系统的定期检测对于保障系统的可靠性和安全性至关重要。
通过对系统的功能、气体储存设备、气体传输管道、火灾探测器和控制系统的检测,我们可以及时发现并修复系统中的问题,确保系统在火灾发生时能够有效灭火。
说 明
GD2302SZ010
1.本表适用于气体灭火系统作为子分部工程的质量验收;
2.气体灭火系统安装工程质量验收应在设计施工图及合同范围内所含各分项工程验收后进行,由总监理工程师 (建设单位项目专业负责人)组织施工项目经理和有关勘查、设计单位项目负责人进行验收;
3.气体灭火系统安装工程质量验收合格应符合下列规定:
(1)所含分项工程的质量均验收合格;
(2)质量控制资料应完整;
(3)有关安全及功能的检验和抽样检测结果应符合有关规定;
(4)观感质量验收应符合要求。
程师。
气体灭火系统的检测与验收范文气体灭火系统是一种常用于重要场所的灭火设备,其主要由气瓶、管道、喷头等部件组成。
为确保气体灭火系统能够正常使用并有效灭火,检测与验收工作至关重要。
以下是一份针对气体灭火系统的检测与验收范文,供参考。
1.检测与验收目的气体灭火系统的检测与验收是为了确保系统能够按照设计要求正常工作,并能够在发生火灾时迅速、有效地进行灭火。
通过检测与验收,可以确保系统各部件的安装、连接、密封等工作符合规范要求,系统的性能指标满足设计要求,能够提供足够的灭火效果。
2.检测与验收内容2.1.系统安装与连接检查气瓶、管道、喷头等部件的安装是否符合设计要求,检查各部件之间的连接是否牢固,检查管道系统是否有泄漏。
2.2.气瓶充装压力检查气瓶的充装压力是否符合设计要求,一般应在标准范围内。
2.3.系统漏气检测使用合适的检测仪器,进行系统的漏气检测。
检查管道连接处、喷头等部件是否有泄漏现象,确保系统的密封性能。
2.4.系统压力释放检查系统压力释放装置是否正常工作,是否能够在需要时迅速释放气体。
2.5.操作与控制检查灭火系统的操作与控制设备是否正常工作,是否能够迅速启动和停止气体灭火系统。
2.6.喷头布置与覆盖范围检查喷头的布置是否满足设计要求,是否能够覆盖到需要保护的区域。
2.7.报警设备检查气体灭火系统的报警设备是否正常工作,是否能够及时发出警报信号。
2.8.应急处理检查系统的应急处理措施是否完备,是否能够满足火灾发生时的需要。
3.检测与验收方法3.1.现场检查对气体灭火系统各部件进行现场检查,仔细观察其安装情况、连接方式、密封性能等。
3.2.实验验证对气体灭火系统进行实验验证,例如进行压力测试、漏气检测等。
确保系统能够按照设计要求正常工作。
3.3.记录与报告对检测与验收过程进行详细记录,并撰写检测与验收报告。
报告应包括系统的各项检测结果、存在的问题及解决方案等内容。
4.检测与验收人员气体灭火系统的检测与验收应由具备相关经验和专业知识的人员进行。
气体灭火系统工程质量验收记录
GD2302SZ0100 1
单位 (子单位 )
结构类型层数
工程名称
施工单位技术部门负责质量部门负人责人
分包单位分包单位负责分包技术负人责人
序
分项工程名称检验批数施工单位检查评定验收意见号
1灭火剂贮存容器安装
2集流管制作与安装
3选择阀安装
4阀驱动装置安装
5灭火剂输送管道施工
6管道的吹扫、试验和涂漆
7喷嘴安装
材料设备进场申报、审批
质
量
控
制
资隐蔽工程验收
料
灭火剂贮存容器检查
选择阀、液体单向阀、高压软管、气体
单向阀、组合分配系统集流管试验
气体灭火系统灭火剂输送管道试验
水泵检查试运装
安全和功能检验(检测)报告
观感质量验收
分包单位:
施工单位:
验
收
单
位
设计单位:项目经理:
年月日
项目经理:
年月日
项目负责人:
年月日总监理工程师:
监理单位:
年月日
建设单位:
建设单位项目专业负责人:
年月日深圳市建设局、深圳市档案局监制深圳市文档服务中心印制。
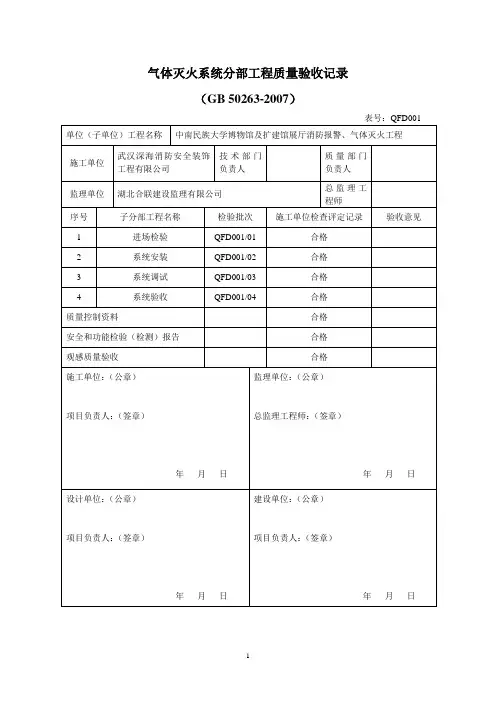
气体灭火系统分部工程质量验收记录(GB 50263-2007)表号:QFD001单位(子单位)工程名称中南民族大学博物馆及扩建馆展厅消防报警、气体灭火工程施工单位武汉深海消防安全装饰工程有限公司技术部门负责人质量部门负责人监理单位湖北合联建设监理有限公司总监理工程师序号子分部工程名称检验批次施工单位检查评定记录验收意见1 进场检验QFD001/01 合格2 系统安装QFD001/02 合格3 系统调试QFD001/03 合格4 系统验收QFD001/04 合格质量控制资料合格安全和功能检验(检测)报告合格观感质量验收合格施工单位:(公章)项目负责人:(签章)年月日监理单位:(公章)总监理工程师:(签章)年月日设计单位:(公章)项目负责人:(签章)年月日建设单位:(公章)项目负责人:(签章)年月日气体灭火系统工程进场检验子分部工程质量验收记录(GB 50263-2007)表号:QFD001/01单位(子单位)工程名称中南民族大学博物馆及扩建馆展厅消防报警、气体灭火工程施工单位武汉深海消防安全装饰工程有限公司质量部门负责人建设单位中南民族大学项目技术负责人监理单位湖北合联建设监理有限公司总监理工程师序号分项工程名称检验批次施工单位检查评定记录验收意见1 材料进场检验QFD001/01-01 合格2 系统组件进场安装QFD001/01-02 合格345质量控制资料合格安全和功能检验(检测)报告合格观感质量验收合格一般规定4.1.1 进场检验应按本规范填写施工过程检查记录;4.1.2 进场检验抽样检查有1处不合格时,应加倍抽样;加倍抽样仍有1处不合格,判定该批为不合格。
施工单位项目负责人:(签章)年月日监理工程师:(签章)年月日建设单位项目负责人:(签章)年月日气体灭火系统工程材料进场检验记录表(GB 50263-2007)表号:QFD001/01-01单位(子单位)工程名称中南民族大学博物馆及扩建馆展厅消防报警、气体灭火工程分部(子分部)工程名称系统工程(进场检验)检验批次QFD001/01-01 施工单位武汉深海消防安全装饰工程有限公司项目经理监理单位湖北合联建设监理有限公司监理工程师施工执行标准名称及编号气体灭火系统施工及验收规范GB 50263-2007施工质量验收规范的规定施工单位检查评定记录监理(建设)单位验收记录检查项目1管材、管道连接件的品种、规格、性能等应符合相应产品标准要求第4.2.1条符合要求2管材、管道连接件的弯管质量要符合设计及相关要求第4.2.2条符合要求3管材、管道连接件的贵和尺寸、厚度计允许偏差应符合其产品标准和设计要求第4.2.3条符合要求4对设计有复验要求及质量有疑义的灭火剂、管材及管道连接件,应抽样复验,其复验结果应符合国家现行规定产品标准和设计要求第4.2.4条符合要求施工单位检查评定结果专业工长(施工员)施工班组长施工单位项目负责人:(签章)年月日监理(建设)单位验收结论监理工程师:(签章)年月日气体灭火系统工程系统组件进场检查记录表(GB 50263-2007)表号:QFD001/01-02单位(子单位)工程名称中南民族大学博物馆及扩建馆展厅消防报警、气体灭火工程分部(子分部)工程名称系统工程(进场检验)检验批次QFD001/01-02施工单位武汉深海消防安全装饰工程有限公司项目经理监理单位湖北合联建设监理有限公司监理工程师施工执行标准名称及编号气体灭火系统施工及验收规范GB 50263-2007施工质量验收规范的规定施工单位检查评定记录监理(建设)单位验收记录检查项目1灭火剂储存容器及容器阀、单向阀、连接管、集流管、安全泄放装置、选择阀、阀驱动装置、喷嘴、信号反馈装置、检漏装置、减压装置等系统组件的外观质量应符合相关规定第4.3.1条符合要求2灭火剂储存容器及容器阀、单向阀、连接管、集流管、安全泄放装置、选择阀、阀驱动装置、喷嘴、信号反馈装置、检漏装置、减压装置等系统组件技术质量应符合相关规定第4.3.2条符合要求3灭火器储存容器内的充装量与充装压力及充装系数、数量系数,应符合相关规定第4.3.3条符合要求4对设计有复验要求及质量有疑义的灭火剂、管材及管道连接件,应抽样复验,其复验结果应符合国家现行规定产品标准和设计要求第4.3.4条符合要求5低压二氧化碳灭火系统储存装置,柜式气体灭火装置、热气溶胶灭火装置等预制灭火系统产品应进行检查第4.3.5条符合要求施工单位检查评定结果专业工长(施工员)施工班组长施工单位项目负责人:(签章)年月日监理(建设)单位验收结论监理工程师:(签章)年月日气体灭火系统工程系统安装子分部工程质量验收记录(GB 50263-2007)表号:QFD001/02单位(子单位)工程名称中南民族大学博物馆及扩建馆展厅消防报警、气体灭火工程施工单位武汉深海消防安全装饰工程有限公司质量部门负责人建设单位中南民族大学项目技术负责人监理单位湖北合联建设监理有限公司监理工程师序号分项工程名称检验批次施工单位检查评定记录验收意见1 灭火剂储存装置的安装QFD001/02-01 合格2 选择阀及信号反馈装置的安装QFD001/02-02 合格3 阀驱动装置的安装QFD001/02-03 合格4 灭火剂输送管道的安装QFD001/02-04 合格5 喷嘴的安装QFD001/02-05 合格6 预制灭火系统的安装QFD001/02-06 合格7 控制组件的安装QFD001/02-07 合格质量控制资料合格安全和功能检验(检测)报告合格观感质量验收合格一般规定5.1.1 气体灭火系统的安装应按本规范填写施工过程检查记录。
气体灭火系统的检测与验收范文气体灭火系统的检测与验收对于确保系统的正常运行和灭火效果起着至关重要的作用。
本文将从系统设计、设备选型、安装施工、管道布置、电气控制、漏气检测、启动测试、保养维护等方面,详细介绍气体灭火系统的检测和验收要点。
一、系统设计气体灭火系统的设计应根据被保护场所的火灾危险性、火源的类型和大小以及灭火剂的适用性等因素进行综合考虑。
设计人员应按照国家相关规范和标准进行设计,确保系统具备合理的灭火效果和安全可靠的运行。
二、设备选型在进行设备选型时,应根据被保护场所的大小、高度、通风情况等因素考虑合适的设备容量。
选择的设备应具备可靠性高、操作方便、维护简便等特点。
同时,还要注意设备的环境适用性和耐久性,以确保系统能在各种恶劣环境下正常运行。
三、安装施工在进行安装施工时,需要根据设计要求进行系统的安装并进行合理的布局。
安装过程中,要严格按照相关规范和标准进行操作,保证设备的安全性和可靠性,避免出现漏气、泄露等问题。
四、管道布置管道布置应根据被保护区域的结构和防火分区要求进行合理的布置。
管道的材料选择应符合相关的规范和标准,并且要保证管道的连接密封性和可靠性。
在管道布置过程中,还要注意管道的直径和长度,以确保气体在系统中的流通性和充满性。
五、电气控制电气控制系统是气体灭火系统的重要组成部分。
在进行电气控制的安装过程中,需要使用符合要求的电气设备,并按照相关的规范和标准进行布线和接线。
电气控制系统的可靠性是确保系统正常启动和工作的重要保证。
六、漏气检测在系统安装完成后,需要进行漏气检测,确保系统中灭火气体的密封性。
漏气检测方法可以通过压力表观察、泡水检漏等方式进行。
在漏气检测过程中,需要对系统进行全面检查,排除漏气隐患,确保系统的正常运行。
七、启动测试启动测试是气体灭火系统验收的重要环节。
在进行启动测试时,需要按照设计要求和操作规程进行测试,检查系统的各项功能是否正常。
启动测试包括灭火剂释放时间、压力信号传输等方面的检测。
气体灭火检测报告一、引言气体灭火系统作为一种常用的灭火设备,主要通过释放特定气体来抑制火灾的发生和蔓延。
为确保气体灭火系统的正常运行和有效性,需要定期进行检测和评估。
本报告旨在对某一气体灭火系统进行检测,并提供相关数据和评估结果。
二、检测目的本次气体灭火检测旨在评估系统是否符合预定的工作标准和要求。
主要检测指标包括但不限于气体浓度、压力、流量、喷射时间和喷射范围等。
三、检测过程及结果1. 检测设备检测过程中使用的设备包括气体浓度测量仪、压力表、流量计等。
所有检测设备的准确度和校准情况已经进行验证,以保证结果的可靠性和准确性。
2. 检测标准和要求本次检测参考了国际标准以及相关行业的要求和指南。
根据系统的设计和规格,我们将检测结果与这些标准和要求进行对比,以评估系统的性能和可靠性。
3. 检测过程我们对气体灭火系统进行了全面的检测和评估。
首先,我们测量了气体浓度,以确认系统中的灭火气体浓度是否达到工作标准。
然后,我们检查了系统的压力和流量,确保系统具备足够的喷射能力。
最后,我们对系统的喷射时间和喷射范围进行了检测,以评估其覆盖面积和灭火效果。
4. 检测结果根据本次检测,我们得出以下结果和评估:气体浓度:系统中的灭火气体浓度符合工作标准和要求,能够在短时间内达到灭火效果所需的浓度。
压力和流量:系统的压力和流量均符合要求,能够提供足够的灭火能力,确保灭火活动的可靠性和持续性。
喷射时间和范围:系统的喷射时间和喷射范围符合设计要求,能够有效地覆盖火灾现场并抑制火势的发展。
综上所述,本次检测结果显示该气体灭火系统在各项指标上均符合预定的工作标准和要求,系统在发生火灾时具备可靠的灭火能力。
四、建议和改进措施根据本次检测结果,我们对该气体灭火系统提出以下建议和改进措施:1. 定期维护和校准:建议根据制造商的要求进行定期维护和校准,以保证系统的性能和可靠性。
2. 增加安全措施:建议在系统周围设置明显的标志和警示牌,提醒人员注意灭火系统的存在和使用。
气体灭火系统目录(GB 50263-2007)表号:QFD001气体灭火系统工程系统安装子分部工程质量验收记录GB 50263-2007表号:QFD001/02(GB50263-2007)表号:QFD001/02-01(GB50263-2007)表号:QFD001/02-02气体灭火系统工程阀驱动装置安装质量检查记录表(GB50263-2007)表号:QFD001/02-03(GB50263-2007)表号:QFD001/02-04(GB50263-2007)表号:QFD001/02-05(GB50263-2007)表号:QFD001/02-06气体灭火系统工程控制组件安装质量检查记录表(GB50263-2007)表号:QFD001/02-07气体灭火系统工程系统调试子分部工程质量验收记录(GB 50263-2007)表号:QFD001/03(GB50263-2007)表号:QFD001/03-01(GB50263-2007)表号:QFD001/03-02(GB50263-2007)表号:QFD001/03-03气体灭火系统工程系统验收子分部工程质量验收记录(GB 50263-2007)表号:QFD001/04气体灭火系统工程防护区或保护对象与储存装置间验收质量检查记录表(GB50263-2007)表号:QFD001/04-01(GB50263-2007)表号:QFD001/04-02(GB50263-2007)表号:QFD001/04-03。
消防考评自评情况汇报近期,我单位进行了消防考评自评工作,经过全体员工的共同努力,取得了一定的成绩。
下面我将就我单位的消防考评自评情况进行汇报。
首先,我单位高度重视消防安全工作,加强了员工的消防安全意识。
通过定期的消防安全知识培训和演练,全员掌握了灭火器的使用方法和逃生自救技能,提高了员工的消防安全意识和自救能力。
其次,我单位加强了消防设施的维护和管理。
我们定期对消防设施进行检查和维护,确保消防设施的完好有效。
同时,加强了消防通道的畅通管理,消除了消防隐患,提高了消防逃生通道的有效性。
另外,我单位建立了健全的消防应急预案。
我们制定了详细的消防应急预案和演练方案,明确了各岗位的职责和任务,提高了员工在突发火灾事件中的应对能力和协调配合能力。
此外,我单位加强了对消防安全工作的监督和检查。
我们建立了消防安全工作的考核制度,定期对消防安全工作进行检查和评估,发现问题及时整改,确保了消防安全工作的持续有效开展。
最后,我单位还加强了与消防部门的沟通和合作。
我们与消防部门保持密切联系,定期邀请消防部门进行消防知识培训和演练指导,加强了与消防部门的合作,提高了应对突发火灾事件的能力。
总的来说,我单位在消防考评自评工作中取得了一定的成绩,但也存在一些不足之处,比如消防安全意识仍需进一步加强,消防设施的完善度还有待提高等。
我们将继续加强消防安全工作,完善消防设施,提高员工的消防安全意识,确保人员生命财产安全,为企业的稳定发展保驾护航。
通过此次消防考评自评情况的汇报,我相信在全体员工的共同努力下,我单位的消防安全工作将会取得更大的进步,为建设一个安全稳定的工作环境做出更大的贡献。
感谢各位领导和同事们的支持和配合!。
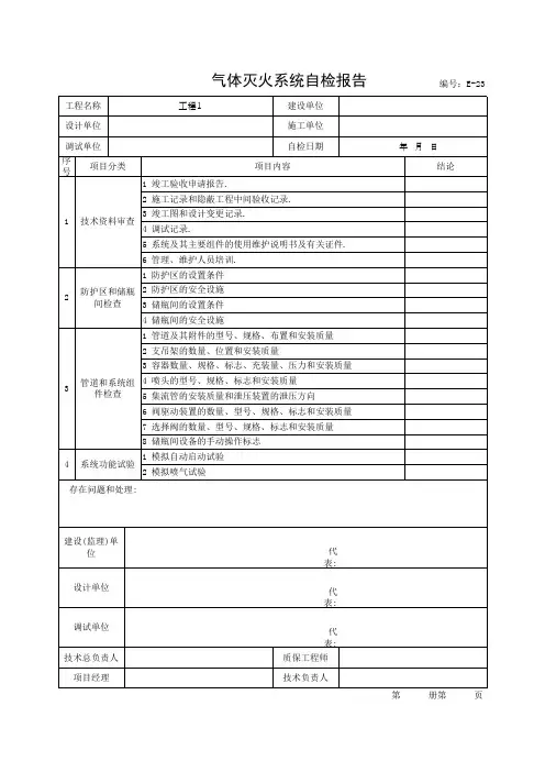
气体灭火系统竣工验收报告————————————————————————————————作者:————————————————————————————————日期:2附录E气体灭火系统竣工验收报告气体灭火系统竣工验收报告附表E 工程名称系统名称建设单位设计单位施工单位验收日期验收项目分类验收项目验收结论技术资料审查1、竣工验收申请报告;2、施工记录和隐蔽工程中间验验报告;3、竣工图和设计变更文字记录;4、竣工报告;5、设计说明书;6、调试记录;7、系统及其主要组件的使用维护说明书;8、系统组件、管道材料及管道附件的检验报告和出厂合格证;9、管理、维护人员登记表。
防护区和贮瓶间检查1、防护区的设置条件;2、防护区的安全设施;3、贮瓶间的设置条件;4、贮瓶间的安全设施。
管网和系统组件安装质量检查1、管道及其附件的型号、规格、布置和安装质量;2、支、吊架的数量、位置和安装质量;3、喷嘴的型号、规格、标志和安装质量;4、灭火剂贮存容器的数量、型号、规格、标志、安装位置、灭火剂充装量、贮存压力和安装质量;5、集流管的安装质量和泄压装置的泄压方向;6、阀驱动装置的数量、型号、规格、标志、安装位置和安装质量;7、选择阀的数量、型号、规格、标志、安装位置和安装质量;8、贮瓶间设备的手动操作点标志。
系统的功能检验1、模拟自动启动试验2、模拟喷气试验。
验收组人员姓名工作单位职务、职称签名验收组结论:验收组组长签名:年月日建设单位意见:(盖章)年月日公安消防监督机构意见:灭火剂贮存容器检查记录附表B1 工程名称建设单位生产厂名施工单位国家质量监督检测中心检验报告编号检测日期产品出厂合格证编号出厂日期瓶组编号型号规格充装压力(MPa)充装量(kg)检测结果设计实测设计实测环境温度(℃) 压力(MPa) 环境温度(℃) 重量(MPa)检查结果:检验人员签名:(检验单位盖章)年月日气体灭火系统调试报告附表E 工程名称建设单位设计单位施工单位调试单位调试日期项目分类项目结果技术资料审查1、设计说明书、施工图及设计变更文字记录;2、施工记录和隐撇工程中间验收报告;3、系统及其主要组件的使用维护说明书;4、系统组件、管道材料及管道附件的检验报告和出厂合格证。
2024年气体灭火系统的检测与验收一、引言随着科学技术的不断发展和应用,气体灭火系统在防火领域的应用越来越广泛。
气体灭火系统通过释放一种或多种灭火剂,将空气中的氧含量稀释至无法维持燃烧所需的浓度,以达到扑灭火灾的目的。
为了保证气体灭火系统安全、可靠地发挥作用,必须对其进行定期的检测与验收。
本文将针对2024年气体灭火系统的检测与验收进行详细论述。
二、气体灭火系统的检测1. 系统配置检测气体灭火系统的配置检测是指对系统的组成部分进行检测,包括气瓶、阀门、管道、喷嘴等。
检测内容主要包括:(1) 系统的完整性检测,即检测是否存在泄漏点;(2) 气瓶的压力检测,确保气瓶内压力符合规定要求;(3) 管道的连通性检测,确保喷嘴间的管道连接完好。
2. 灭火剂检测灭火剂是气体灭火系统的核心部分,必须进行检测以保证其质量和性能。
检测内容主要包括:(1) 灭火剂的种类和浓度检测,确保灭火剂种类正确且浓度符合要求;(2) 灭火剂的容量检测,确保灭火剂容量满足系统设计需求;(3) 灭火剂的贮存环境检测,确保灭火剂贮存环境符合要求,避免灭火剂受潮或受热。
3. 火灾探测器检测火灾探测器是气体灭火系统的触发器,必须进行检测以确保其灵敏度和可靠性。
检测内容主要包括:(1) 火灾探测器的灵敏度检测,确保能够及时准确地检测到火灾;(2) 火灾探测器的布置检测,确保火灾探测器布置合理,能够覆盖整个场所。
三、气体灭火系统的验收1. 系统性能验收系指通过实际测试验证气体灭火系统的灭火效果。
验收内容主要包括:(1) 系统的灭火时间验收,确保灭火剂的释放时间符合要求;(2) 系统的灭火效果验收,通过实际火灾模拟测试评估系统的灭火效果;(3) 系统的可靠性验收,通过多次测试验证系统的可靠性。
2. 安全性验收安全性验收是指对气体灭火系统操作过程中的安全措施进行评估和检测。
验收内容主要包括:(1) 操作员的培训和运行规程检测,确保操作员具有相关知识和技能;(2) 系统的紧急停车和手动启动装置检测,确保在紧急情况下能够及时切断气体供应;(3) 系统的报警装置检测,确保系统能够在火灾发生时及时发出警报。
气体灭火系统的检测与验收模版一、前言气体灭火系统是一种常见的灭火手段,用于保护重要设备和场所免受火灾的侵害。
为了确保气体灭火系统的正常运行和可靠性,对其进行定期检测与验收是非常必要的。
本文将介绍气体灭火系统的检测与验收模版。
二、检测内容1. 储存设备检测a. 检查气体灭火剂的储存容器和气体灭火系统的存储设备,确认其完好无损;b. 检查储存设备的密封性和安全性,确保无泄漏现象;c. 检查储存设备的压力表和温度表,确认其准确度和完好性;d. 检查储存设备是否有可见的物理损坏或腐蚀现象,及时修理或更换。
2. 管道系统检测a. 检查气体灭火系统的管道系统,确保其布局合理、管道畅通无阻;b. 检查管道连接件和管道支架的安装情况,确保其牢固可靠;c. 检查管道系统是否有泄漏现象,进行泄漏测试,并及时修复泄漏点;d. 检查管道系统的阀门和控制装置,确保其操作正常、有效。
3. 检测设备检测a. 检查气体灭火系统的检测设备,如气体浓度传感器、温度传感器等,确认其完好无损;b. 检查检测设备的连接线路和接口,确保其连接稳定可靠;c. 进行演示测试,确认检测设备的工作正常、检测灵敏度符合要求。
4. 控制系统检测a. 检查气体灭火系统的控制系统,如集控盘、控制阀等,确认其完好无损;b. 检查控制系统的电气连接和接地情况,确保其接线正确、接地良好;c. 进行功能测试,确认控制系统的各项功能正常、操作方便。
5. 报警系统检测a. 检查气体灭火系统的报警系统,如声光报警装置、火灾报警按钮等,确认其完好无损;b. 检查报警系统的电气连接和接地情况,确保其接线正确、接地良好;c. 进行演示测试,确认报警系统的正常工作、报警信号清晰可辨。
6. 手动启动装置检测a. 检查气体灭火系统的手动启动装置,确认其位置明显、易于找到;b. 进行手动启动测试,确保手动启动装置的操作正常、启动信号可靠。
三、验收标准1. 储存设备a. 储存容器的外观无锈蚀、损坏等现象;b. 储存容器的压力表和温度表读数准确;c. 储存设备无泄漏现象。
气体灭火系统单位工程预验收轨道交通工程质量评估报告(南段气体灭火系统单位工程预验收)填写说明1.质量评估报告由监理单位负责打印填写,提交给建设单位。
2.填写要求内容真实,语言简练,字迹清楚。
3.凡需签名处,需先打印姓名后再亲笔签名。
4.质量评估报告一式六份提交施工单位汇总,建设单位、监督站、备案机关各持一份,竣工档案三份。
5.“进场日期”填写监理单位进驻施工现场的时间。
6.“工程规模”是指房屋建筑的建筑面积、层数或市政基础设施的道路桥梁的长度、宽度、跨度、管道直径、结构形式、工程造价、工程用途等情况。
7.“工程监理范围”是指工程监理合同内的监理范围与实际监理范围的对比说明。
8.“施工阶段原材料、构配件及设备质量控制情况”主要内容包括:以下几个方面监理控制情况和结论性意见:①工程所用材料、构配件、设备的进场监控情况和质量证明文件是否齐全。
②工程所用材料、构配件、设备是否按规定进行见证取样和送检的控制情况。
③所采用新材料、新工艺、新技术、新设备的情况。
9.“分部分项工程质量控制情况”主要内容包括:①分部、分项工程和隐蔽验收情况。
②桩基础工程质量(包括桩基检测、道路桥梁的静动载试验情况等)。
③主体结构工程质量。
④消除质量通病工作的开展情况。
⑤对重点部位、关键工序的施工工艺和确保工程质量措施的审查。
⑥对承包单位的施工组织设计(方案)落实情况的检查。
⑦对承包单位按设计图纸、国家标准、合同施工的检查。
10.“工程技术资料情况”是指核查工程技术资料是否齐全。
11.“工程质量验收综合意见”是指工程是否完成工程设计及施工合同约定内容,达到使用功能和执行国家强制性标准等情况,工程是否可以进行完工质量验收及工程质量等级。
12.“未达使用功能的部位”是指工程未达使用功能情况如室内装修、设备安装等工程中仍然存在的问题。
一、工程概况二、建筑设备安装工程质量情况三、分部分项工程质量控制情况附表:一、单位(子单位)工程质量控制资料核查记录二、单位(子单位)工程安全和功能检验资料核查及主要功能抽查记录三、单位(子单位)工程观感质量检查记录五、有关补充说明及资料编制人姓名:张伶签名:项目总监理工程师(盖注册章)王红萍签名:签发日期:二○一年月日。
南昌轨道交通1号线一期工程气体灭火系统集成采购及安装项目档案验收自评报告项目经理:杭州新纪元消防科技有限公司南昌轨道交通1号线一期工程气体灭火系统集成采购及安装项目项目经理部2015年12月20日目录一、工程概况 (1)二、验收范围说明 (2)三、自评依据 (2)四、项目档案基础管理工作 (3)五、项目档案的完整、准确、系统情况 (4)六、项目档案的安全 (5)七、预验收问题整改情况.................................................. 错误!未定义书签。
八、自评结论 (5)一、工程概况1、工程概况南昌市轨道交通1号线一期工程起点为双港大道站,终点为奥体中心站。
1号线一期工程线路长约28.843km,均为地下线,共设地下车站24座,平均站间距1239m。
全线共设1个定修段和1座停车场、两个主变及1 个控制中心。
在未来的二期工程中,线路北端规划延伸4个车站(其中包括1个地下站,3个高架站),线路东端还将延伸1个地下站。
南昌地铁1号线一期工程24座车站、1座中间风井、1座控制中心设有气体全自动灭火系统。
气体灭火系统主要用于扑救忌水场所和重要电器设备的火灾,灭火介质采用惰性气体IG-541。
各工点的气体灭火系统是相对独立的,其报警控制部分自成系统,并与各自工点的消防报警控制系统(FAS)相接,由消防报警控制系统(FAS)实施。
全线共有管网子系统76套,其中单元独立式子系统4套,组合分配式72套,实行全淹没灭火方式。
本项目采用的灭火剂储存钢瓶数量共计1331个,保护的独立防护区共有346个。
气体灭火系统项目安装工程(监理一标)双港站、蛟桥站、长江路站(含中间风井)、珠江路站共安装IG541混合气体灭系统15套,保护区57个,共安装IG541混合气体气瓶219只。
系统控制主机5台,现场控制盘57台,烟感124只,温感269只,启停按钮83只,警铃57只,声光报警器163只,放气指示灯88只。
气体灭火系统项目安装工程(监理二标)八一桥西站、会展路站、绿茵路站、地铁大厦、秋水广场站、中山西路站和控制中心共安装IG541混合气体灭系统19套,保护区94个,共安装IG541混合气体气瓶395只。
系统控制主机7台,现场控制盘94台,烟感271只,温感543只,启停按钮147只,警铃94只,声光报警器312只,放气指示灯158只。
气体灭火系统项目安装工程(监理三标)子固路站、八一馆站、八一广场站、丁公路北站、师大南站、彭家桥站共安装IG541混合气体灭系统19套,保护区84个,共安装IG541混合气体气瓶321只。
系统控制主机6台,现场控制盘84台,烟感178只,温感363只,启停按钮129只,警铃84只,声光报警器265只,放气指示灯143只。
气体灭火系统项目安装工程(监理四标)谢家村站、青山湖大道站、高新大道站、艾溪湖西站、艾溪湖东站共安装IG541混合气体灭系统15套,保护区68个,共安装IG541混合气体气瓶249只。
系统控制主机5台,现场控制盘68台,烟感149只,温感333只,启停按钮103只,警铃68只,声光报警器212只,放气指示灯117只。
气体灭火系统项目安装工程(监理五标)太子殿站、天祥大道站、奥体中心站共安装IG541混合气体灭系统9套,保护区43个,共安装IG541混合气体气瓶147只。
系统控制主机3台,现场控制盘43台,烟感87只,温感193只,启停按钮59只,警铃43只,声光报警器130只,放气指示灯71只。
2、工程进度本工程开工时间为2014年6月1日, 2015年11月12日完成了全线气体灭火系统子单位工程验收。
3、参建单位建设单位:南昌轨道交通集团有限公司设计单位:广州地铁设计研究院有限公司监理单位:上海建科建设监理咨询有限公司(一标)江西中昌工程咨询监理有限公司(二标、三标)上海市建设工程监理咨询有限公司(四标)北京北辰工程建设监理有限公司(五标)施工单位:杭州新纪元消防科技有限公司二、验收范围说明本次工程验收范围为:南昌轨道交通1号线一期工程气体灭火系统集成采购及安装项目子单位工程档案资料。
三、自评依据1、《南昌轨道交通工程档案整理及移交实施细则》(2015年第二版);杭州新纪元消防科技有限公司2、《南昌轨道交通工程档案分类与档号编制规定》(2015年第二版);3、《城市轨道交通工程档案整理标准》(CJJ/T180—2012);4、《国家重大建设项目文件归档要求与档案整理规范》;5、南昌市、南昌轨道交通集团有限公司下发的有关规定和评定表格。
四、项目档案基础管理工作1、成立组织机构成立了档案管理小组,由项目总工担任组长,并配备专职资料主管对档案编制工作进行把控,将具体工作分工到每个资料员和现场技术人员,切实的落实档案编制工作。
项目部设置了档案管理部门,建立档案工作网络,对各部门档案实行统一领导,分级管理。
项目经理负责统一领导项目部档案工作,实行项目负责人和技术负责人负责制。
档案部门负责人负责拟定档案工作的各项管理制度,并组织实施。
各部门负责人负责掌握档案工作的有关制度和要求,配备兼职档案人员确保本部门档案的完整性、准确性和系统性。
项目部配备专职档案人员,多次参加市档案局、南昌轨道交通集团公司、建设分公司的专项培训,负责认真贯彻执行档案工作制度、规定及业务标准,维护档案的齐全、完整、准确、系统、安全;监督指导各部门做好文件材料的形成、积累、整理立卷及归档工作,保证档案的齐全和完整;负责本单位档案的收集、整理、统计、鉴定、保管及利用工作;做好档案的保管工作,确保档案的安全;及时、准确地做好利用档案的信息反馈工作。
2、履行管理职责项目部把档案达标工作纳入领导工作议程,档案专职人员每季度对档案工作进度和存在的问题向领导进行汇报。
同时将档案管理工作纳入年度计划之中,使档案工作为其他各项业务工作提供基础的服务。
项目部实行了各类档案集中统一管理,并建立了档案人员的岗位责任制,档案管理职责明确、全面。
3、落实管理制度(1)工程档案资料工作是工程建设过程的一部分,纳入建设全过程管理并与工程建设同步。
档案资料室集中统一管理本工程全过程的技术档案资料,对工杭州新纪元消防科技有限公司程文件材料的形成、积累、收集、归档工作进行监督、检查,并负责工程技术档案资料的接收和移交。
(2)为了便于各个管理环节的衔接,为更好地管理好档案资料,配置资料室、档案装具和办公设备。
(3)工程建设中,各种技术资料交由档案资料室统一管理发放,各有关部门和单位指定专人办进领用手续。
(4)各项工程验收由档案资料室对其各种技术文件和竣工资料进行查验。
(5)书写字迹工整,图样清晰。
书写墨水为碳素墨水。
文件书写格式用横行排列,文件段落,章节编排,按有关文件编写要求。
(6)书写材料的大小尺寸规范,装订边空白间距为25mm,装订边空白间隙内不能进行书写和留有信息。
(7)在施工过程中应按照要求及相关技术规范、规程的要求,形成完整、准确、齐全的施工文件,按工程档案的编制要求对归档的施工文件进行编制、组卷。
(8)我项目部认真学习相关文件,并结合各规章制度编制了《资料员岗位职责》,在档案编制实施过程中严格按照各项文件进行,保证档案编制的质量和进度。
(9)我部多次参加由集团公司总师室和分公司技术室组织召开档案专项会议,对档案制作进行交流和商讨,切实解决档案归档及制作中出现的问题,把控档案制作进度;(10)我部通过各类检查不断完善档案资料管理,施工阶段业主、质监站等单位对我部档案进行过程检查,主要检查资料进度是否与施工进度匹配,签署是否完备,归档是否符合要求等,并将检查情况纳入劳动竞赛的考核内容。
五、项目档案的完整、准确、系统情况1、完整情况我部对施工全过程中形成的文字、图标、影像等不同形式的文件及时进行收集归档,形成文件档案70卷;竣工图26卷,均按业主下发最新文件要求进行组卷;光盘1张,共包含47张照片;录像2部,共1分9秒。
杭州新纪元消防科技有限公司2、准确情况归档文件能够反映工程建设活动的全过程,技术数据可靠,图表整洁,字迹清楚,盖章规范,图章完整清晰,负有责任的各方签署手续完备,档案目录与实物相符,卷内目录详实,案卷目录题名简明准确。
3、系统情况归档的文件经过分类整理组卷。
工程测量定位资料、工程施工记录、试验报告资料、产品出厂合格证、检验批、分项工程、分部工程、单位工程资料齐全。
六、项目档案的安全1、档案库房采取防火、防盗、防有害生物和温湿度控制措施,档案库房与阅览、办公用房分开;2、档案盒、封面、背脊等档案装具符合标准要求;3、归档文件材料的制成材料符合耐久性要求;4、采取有效措施保证档案实体和信息安全,项目部资料员配备了专属电脑、相机、打印机、移动硬盘等电子设备,已经完成文字档案扫描。
七、自评结论综上所述,我项目部已按地铁公司下发文件、有关规范规程及标准进行资料归档,完成南昌轨道交通1号线一期工程气体灭火系统集成采购及安装项目(子)单位工程资料归档工作,本工程的档案资料经自检自评符合要求,质量控制资料完整,安全和功能检测报告齐全,各检验批、各分项、各分部工程资料齐全。
我项目部对南昌轨道交通1号线一期工程气体灭火系统集成采购及安装项目(子)单位工程档案资料自检评定合格,请市档案馆、业主、监理等单位审查验收。
杭州新纪元消防科技有限公司南昌轨道交通1号线一期工程项目经理部 2015年12月20日杭州新纪元消防科技有限公司。