普通外螺纹的加工
- 格式:ppt
- 大小:72.97 MB
- 文档页数:30
螺纹的加工与计算2007-10-14 07:48:35| 分类:默认分类| 标签:|字号大中小订阅车牙的计算∙ 例题: 车制外牙3/4"-10UNC 20mm 长∙车牙的程式螺纹切削(G32)∙ 除了等导程直螺纹外,斜螺纹和涡形螺纹亦能用G32指令切削。
∙ 以下列指令切削螺纹,导程以数字接在位址F 后面来指定。
F 轴向导程G32 X(终点座标) Z(终点座标) F(导程)m33x2的螺纹请师傅说清楚点最好帮忙编出程序急要用G76 我会用G92G0 X ZG92 X Z R FXXXXXXXX 最后一刀是螺纹小径F 是螺距Z 是螺纹终点R 是螺纹终点到螺纹起点的X向增量值是车锥螺纹用的车普通螺纹时可以不用问题补充:谢谢了但是还有好多不明白的希望傅说清楚点P牙深和Q最大切深Q最小切深在编程应该怎样去编或者说应该怎么去算01退尾量有是什么/G0 X35 Z5G76 P010160 Q100 R0.1G76 X..Z ..P1083 Q500 R0 F2G76用法格式:G76 P(m)(r)(a)Q(△dmin)R(d);G76 X(U)Z(W)R(i)P(k)Q(△d)F(I);X:螺纹终点X 轴绝对坐标(单位:mm);U:螺纹终点与起点X 轴绝对坐标的差值(单位:mm);Z:螺纹终点Z 轴的绝对坐标值(单位:mm);W:螺纹终点与起点Z 轴绝对坐标的差值(单位:mm);P(m):螺纹精车次数00~99 (单位:次) ,m 代码值执行后保持有效,并把系统数据参数NO.057的值修改为m。
未输入m 时,以系统数据参数NO.057 的值作为精车次数。
在螺纹精车时,每次的进给的切削量等于螺纹精车的切削量 d 除以精车次数m。
P(r):螺纹退尾长度00~99(单位:0.1×L,L 为螺纹螺距),r 代码值执行后保持有效,并把系统数据参数NO.019 的值修改为r。
未输入r 时,以系统数据参数NO.019 的值作为螺纹退尾宽度。
图例:普通三角形外螺纹加工
螺纹:在圆柱或圆锥表面上,沿着螺旋线所形成的具有规定牙型的连续凸起。
车螺纹
1、分类:
2、术语:
3、标注:
一、螺纹车削原理
车床主轴与刀具之间必须保持严格的运动关系:即主轴(工件)每旋转一周,刀具均匀地移动一个导程的距离。
二、普通外螺纹的车削加工工艺流程
三、分析零件图
五、刀具安装
1、安装要点:刀尖分角线垂直于工件轴线
六、机床调整
mm、是车公制螺纹、(含梯形螺纹);mπ、是车蜗杆的(模数螺纹或公制蜗杆);DP/1"π、是车径节螺纹的(英制蜗杆);n/1"、是车英制螺纹(每英吋多少牙);
2、主轴箱调整
3、交换齿轮箱调整:调整交换齿轮
5、开合螺母调整
6、倒顺车车削
7、进刀方式
七、检测
八:小结:直进法车削螺纹
1、重点
“一”:一个方向进刀;“二”:二刀刃同时切削;“大”:刀具受力大;“小”适用于小螺距加工。
2、难点
正反车:车削螺纹时,双手协调动作
右手:操纵横向手柄,控制进退刀;
左手:操纵主轴手柄,控制正反车。
教学目标知识目标:了解加工螺纹所用工具种类与选用;掌握攻螺纹底孔直径和套螺纹圆杆直径的确定方法;熟悉丝锥折断和攻螺纹、套螺纹的废品产生原因和防止方法。
技能目标:掌握攻螺纹的操作方法;掌握套螺纹的操作方法。
教学重点掌握攻螺纹、套螺纹的操作方法。
教学难点掌握攻螺纹底孔直径和套螺纹圆杆直径的确定方法。
教学手段实物演示;教学板书;录像插件;电子课件。
教学学时14教学内容与教学过程设计注释螺纹工件加工螺纹加工分内螺纹加工和外螺纹加工。
用丝锥在工件孔中切削出内螺纹的加工方法称为攻螺纹;用板牙在圆柱面(或圆锥面)上切削外螺纹的加工方法为套螺纹。
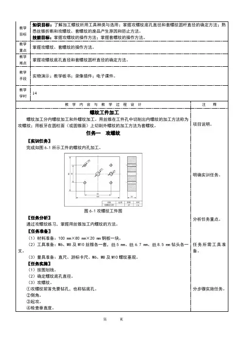
任务一攻螺纹〖实训任务〗完成如图6-1所示工件的螺纹内孔加工。
图6-1攻螺纹工件图〖任务分析〗通过攻螺纹练习,掌握用丝锥加工内螺纹的方法。
〖任务准备〗(1)材料准备:100 mm×80 mm×20 mm钢板一块。
(2)工具准备:M6、M8及M10丝锥各一套, 5 mm、 6.7 mm、8.5 mm钻头各一支。
(3)量具准备:直尺、游标卡尺、M6、M8及M10螺纹塞规。
〖任务实施〗(1)按图划线。
(2)确定螺纹底孔直径。
(3)攻螺纹。
①攻螺纹前首先要钻孔,也称钻底孔。
②倒角。
③起攻。
④检查垂直度。
项目说明。
明确实训任务。
分析任务重点。
任务所需工具准备。
分步骤实施任务。
⑤正常攻螺纹时,两手用力要均匀,要经常反转1/4~1/2圈以断屑或清屑。
(4)检查。
螺纹塞规如图63所示,用来测量内螺纹的尺寸精度。
在测量螺纹时,如果量规过端正好拧进去,而止端拧不进,说明螺纹精度符合要求。
〖操作提示〗(1)端面孔口要倒角。
(2)开始攻螺纹时,要加轴向压力使丝锥切入工件,切入几圈以后就不需要加压了。
(3)手动攻螺纹时,当丝锥的校准部分已进入螺孔,每正转1/2~1圈要倒退1/4~1/2圈,使切屑碎断后再往下攻。
(4)在钢类工件上攻螺纹时需要加切削液;加工较硬的铸铁工件或螺孔粗糙度要求较高时,可以加煤油。
螺纹螺距公制标准牙的牙距如下:M1.6*0.35M2*0.4M2.5*0.45M3*0.5M4*0.4M5*0.8M6*1.0M8*1.25M10*1.5M12*1.75M14*2.0M16*2.0M18*2.5M20*2.5M22*2.5M24*3.0M27*3.0M30*3.5M33*3.5M36*4.0车螺纹简介将工件表面车削成螺纹的方法称为车螺纹。
螺纹按牙型分有三角螺纹、梯形螺纹、方牙螺纹等(图1)。
其中普通公制三角螺纹应用最广。
图1 螺纹的种类1. 普通三角螺纹的基本牙型普通三角螺纹的基本牙型如图2所示,各基本尺寸的名称如下:图2 普通三角螺纹基本牙型D—内螺纹大径(公称直径);d—外螺纹大径(公称直径);D2 —内螺纹中径;d2—外螺纹中径;D1 —内螺纹小径;d1—外螺纹小径;P—螺距;H—原始三角形高度。
决定螺纹的基本要素有三个:牙型角α 螺纹轴向剖面内螺纹两侧面的夹角。
公制螺纹α=60o,英制螺纹α=55o。
螺距P 它是沿轴线方向上相邻两牙间对应点的距离。
螺纹中径D2(d2) 它是平螺纹理论高度H的一个假想圆柱体的直径。
在中径处的螺纹牙厚和槽宽相等。
只有内外螺纹中径都一致时,两者才能很好地配合。
2. 车削外螺纹的方法与步骤(1)准备工作1)安装螺纹车刀时,车刀的刀尖角等于螺纹牙型角α=60o,其前角γo=0o才能保证工件螺纹的牙型角,否则牙型角将产生误差。
只有粗加工时或螺纹精度要求不高时,其前角可取γo=5o~20o。
安装螺纹车刀时刀尖对准工件中心,并用样板对刀,以保证刀尖角的角平分线与工件的轴线相垂直,车出的牙型角才不会偏斜。
如图3所示。
图3 螺纹车刀几何角度与用样板对刀2)按螺纹规格车螺纹外圆,并按所需长度刻出螺纹长度终止线。
先将螺纹外径车至尺寸,然后用刀尖在工件上的螺纹终止处刻一条微可见线,以它作为车螺纹的退刀标记。
3)根据工件的螺距P,查机床上的标牌,然后调整进给箱上手柄位置及配换挂轮箱齿轮的齿数以获得所需要的工件螺距。
数控外螺纹加工及毛刺去除【摘要】本文主要介绍外螺纹加工的常见问题和螺纹收尾加工毛刺的去除,及对应问题的解决方法,规范外螺纹加工操作流程。
提高零件质量和生产效率;关键词:螺纹毛刺螺纹倒角光整加工1普通螺纹车削加工特点螺纹数控加工不同于轮廓加工,其特点表现为:螺纹加工属于成型加工,同时参加的切削刃较长,易出现啃刀、扎刀现象,一般均需多刀切削完成;螺纹加工的牙型及牙型角基本由刀具形状保证,因此刀具的形状与正确的安装直接影响螺纹牙型质量。
2普通螺纹毛刺产生的原因及部位在螺纹加工时,在螺纹部位头、尾处因不足以形成一个完整牙形而产生螺纹毛刺,一般约有1/3倍螺距的长度,毛刺一般会由于切削力、残余应力的影响而发生弯曲变形。
3普通螺纹加工刀具推荐选择螺纹加工推荐刀具为成型螺纹刀片,以硬质合金材料为主,具体分为钨钴类硬质合金(YG)、钨钴钛类(YT)和通用硬质合金类(YW)三大类。
YG硬质合金类适合加工有色金属材料,YT类硬质合金适合加工碳钢或合金类材料,二YW类硬质合金可加工铸铁、有色金属和钢类等。
4普通螺纹切削刀片分类及选择1)60ºV牙型刀片:如图所示,这种刀片适用于各种不同的螺距,可以减少刀具库存数量。
但螺纹切削时不能切削牙顶,螺纹切削前需将螺纹外径切削刀正确直径,牙底和牙侧通过刀片成形。
该类型刀片由于切削压力降低适用于加工螺纹过程中振动较大时。
加工后的外螺纹牙型会产生毛刺和尖边,需要单独去除。
2)全牙型刀片:螺纹切削时可切削处包括牙顶在内的整个螺纹牙型,现场也称为为带修光刃刀片。
使用这种刀片切制外螺纹时能够很好的控制螺纹的几何特性。
因为牙底与牙顶之间的距离能够很好的控制,随着刀片同时加工出牙底和牙顶,进而可去除螺纹牙形毛刺,但这种刀片只能切削一种螺距且切削压力较大。
全牙型刀片的修光刃作用为去除螺纹尖边形成的毛刺及加工过程中产生的积屑瘤,起到螺纹尖边毛刺的去除作用。
加工时推荐选用标准带有螺纹修光刃刀片。
普通三角形螺纹加工尺寸的计算驻马店高级技工学校—王俊荣摘要:螺纹加工中比较重要的是尺寸的计算,只有正确的计算才能加工出合格的螺纹。
因为三角形螺纹的牙型比较小,加工时由于车刀的挤压使牙型外胀,还有螺纹刀刀尖不是削平的梯形,而是圆弧形的,所以有必要把理论尺寸和实际加工尺寸之间的关系讲明白,让螺纹的加工变得更准确。
关键词:三角形螺纹牙型高度总的背吃刀量多线螺纹加工我们在加工螺纹时螺纹尺寸的计算十分重要,特别是螺纹理论尺寸与实际加工尺寸的不同给学生的学习带来很多困难,三角形螺纹加工尺寸的计算是加工三角形螺纹的重要部分,只有掌握正确的计算方法,才能加工出合格的产品。
一、普通三角形螺纹的基本牙型普通三角形螺纹的基本牙型如图1所示,各基本尺寸的名称如下:图1 普通三角螺纹基本牙型D—内螺纹大径(公称直径);d—外螺纹大径(公称直径);D2 —内螺纹中径;d2—外螺纹中径;D1—内螺纹小径;d1—外螺纹小径;P—螺距;H—原始三角形高度。
三角形螺纹的基本尺寸有:1、牙型角α螺纹轴向剖面内螺纹两侧面的夹角。
普通三角形螺纹α=60o,2、螺距P 它是沿轴线方向上相邻两牙间对应点的距离。
3、导程P h在同一条螺旋线上的相邻两牙在中径线上对应两点之间的轴向距离。
4、牙型高度:外螺纹牙顶和内螺纹牙底均在H/8处削平,外螺纹牙底和内螺纹牙顶均在H/4处削平。
h1=H-H/8-H/4=5/8H=0.5413P5、大径:d=D(公称直径)6、中径:d 2=D2= d -2×3/8H=d -0.6495P7、小径:d 1=D1= d -2×5/8H= d -1.0825P二、加工普通三角形外螺纹前螺杆直径和加工时吃刀深度的计算。
1、M20的外螺纹,公称直径是大径20,高速车削三角形螺纹时,受车刀挤压后会使螺纹大径尺寸胀大,因此车螺纹外圆的直径,应比螺纹大径小,当螺纹螺距为1.5~3.5时,外径一般可以小0.2~0.4。
螺纹的种类按牙型可分为三角形、梯形、矩形、锯齿形和圆弧螺纹;按螺纹旋向可分为左旋和右旋;按螺旋线条数可分为单线和多线;按螺纹母体形状分为圆柱和圆锥等。
按用途,有三个主要大类:第一,连接螺纹,用于紧固,即是螺栓螺母;第二,传动螺纹,就是车床走刀那种;第三,管螺纹,管道连接用。
详细图文教你辨别不同螺纹样式、标准一文区分国际公制标准螺纹(International Metric Thread System):我国国家标准CNS 采用之螺纹。
牙顶为平面,易于车削,牙底则为圆弧形,以增加螺纹强度。
螺纹角为60度,规格以M表示。
公制螺纹可分粗牙及细牙两种。
表示如M8x1.25。
(M:代号、8:公称直径、1.25:螺距)。
美国标准螺纹(American Standard Thread):螺纹顶部与根部皆为平面,强度较佳。
螺纹角亦为60 度,规格以每英寸有几牙表示。
此种螺纹可分为粗牙(NC);细牙(NF);特细牙(NEF)三级。
表示法如1/2-10NC。
(1/2:外径;10:每寸牙数;NC代号)。
统一标准螺纹(Unified Thread):由美国、英国、加拿大三国共同制订,为目前常用之英制螺纹。
螺纹角亦为60 度,规格以每英寸有几牙表示。
此种螺纹可分为粗牙(UNC);细牙(UNF);特细牙(UNEF)。
表示法如1/2-10UNC。
(1/2:外径;10:每寸牙数;UNC 代号)。
V 形螺纹(Sharp V Thread):顶部与根部均成尖状,强度较弱,亦坏不常使用。
螺纹角为60 度。
惠式螺纹(Whitworth Thread):英国国家标准采用之螺纹。
螺纹角为55 度,表示符号为“W”。
适用于滚压法制造。
表示法如W1/2-10。
(1/2:外径;10:每寸牙数;W 代号)。
圆螺纹(Knuckle Thread):为德国DIN 所定之标准螺纹。
适用于灯泡、橡皮管之连接。
表示符号为“Rd”。
管用螺纹(Pipe Thread):为防止泄漏用的螺纹,经常用于气体或液体之管件连结。
外螺纹加工方法
外螺纹加工方法是一种常见的机械加工方法,它可以用于制造各种螺纹零件,如螺栓、螺母、螺旋桨等。
在工业生产中,外螺纹加工方法被广泛应用,因为它可以提高生产效率和产品质量。
外螺纹加工方法主要有以下几种:
1. 切削法:切削法是一种常见的外螺纹加工方法,它使用切削工具将螺纹加工成形。
切削法可以分为单点切削和多点切削两种。
单点切削适用于加工小直径的螺纹,而多点切削适用于加工大直径的螺纹。
2. 滚压法:滚压法是一种高效的外螺纹加工方法,它使用滚轮将螺纹加工成形。
滚压法可以分为轴向滚压和径向滚压两种。
轴向滚压适用于加工长螺纹,而径向滚压适用于加工短螺纹。
3. 模压法:模压法是一种适用于大批量生产的外螺纹加工方法,它使用模具将螺纹加工成形。
模压法可以分为冷模压和热模压两种。
冷模压适用于加工硬度较低的材料,而热模压适用于加工硬度较高的材料。
4. 拉伸法:拉伸法是一种适用于加工细长螺纹的外螺纹加工方法,它使用拉伸工具将螺纹加工成形。
拉伸法可以分为单向拉伸和双向拉伸两种。
单向拉伸适用于加工单向螺纹,而双向拉伸适用于加工双向螺纹。
外螺纹加工方法是一种重要的机械加工方法,它可以用于制造各种螺纹零件。
在选择外螺纹加工方法时,需要根据加工材料、加工精度、加工效率等因素进行综合考虑,以选择最适合的加工方法。
螺纹的加工方法
一、螺纹加工的基本方法:
1.外螺纹加工:
(1)车削方式:
利用专用车削机和专用刀具,安装在车床上,在车床转动时,螺纹刀具在工件表面车削,从而形成螺纹,这是最常用的加工方法,其优点是螺纹加工质量可靠,可在实际工作中实现大批量生产。
(2)滚压方式:
利用滚压机,将工件与滚压刀具固定,然后通过滚压冲头的转动,将滚压刀具和工件压缩,从而形成螺纹,这种方法可以一次性滚压出多个螺纹,适用于大批量生产,但螺纹加工质量不如车削质量高。
2.内螺纹加工:
(1)切削方式:
利用专用内螺纹切削机,安装在切削机上,利用内螺纹切削刀具,在工件表面切削,从而形成内螺纹,这种方法质量较高,但速度较慢,只适用于小批量生产。
(2)孔铣方式:
利用孔铣机,安装在孔铣机上,利用专用立铣刀具,在工件表面铣削,从而形成内螺纹,这种方法可以一次性完成大量内螺纹的加工,适用于大批量生产,但螺纹加工质量不如切削质量高。
二、螺纹加工的其他方法:
1.螺纹铸造:
利用特殊的铸造模具,将合金锻件铸入模具中,然后冷却后,就可以得到铸造出来的螺纹,这种方法可以有效的提高螺纹加工质量,但适用于小批量生产。
2.冷冲压螺纹:
利用冷冲压螺纹模具,在模具中将金属材料压制成螺纹,这种方法也可以有效的提高螺纹加工质量,但也只适用于小批量生产。
外螺纹加工方法
外螺纹加工是一种机械加工方式,可以用于制造零件或连接器,其加工方法如下:
1. 准备工件:首先需要准备加工的工件,通常采用用金属制造的材料。
2. 粗加工:在工件上进行粗加工,采用切削工具将工件表面切削成一定的形状和尺寸。
3. 插螺纹:将一个螺纹工具(Thread Tap)定位在工件上,用力旋转来插入一系列螺纹。
4. 切削螺纹:用专用的工具(Thread Die)将工件上已经插入螺纹的部分进行切削,将其打磨成为光滑的螺纹。
5. 精加工:最后对加工好的工件进行精加工,保证工件的尺寸和质量达到要求。
以上就是外螺纹加工的一般方法,需要专业的机械加工师傅操作,确保加工质量和效率。