(2018)单位工程质量检验评定表
- 格式:xls
- 大小:21.50 KB
- 文档页数:1
公路工程质量检验评定标准(2018版)随着我国经济的不断发展,公路建设已成为我国基础设施建设的重要组成部分。
而公路工程的施工质量直接关系着道路的使用寿命和行车安全。
公路工程质量检验评定标准的制定和执行显得尤为重要。
公路工程质量检验评定标准主要由以下几个方面组成:一、道路基础工程1. 地基处理质量对于公路工程而言,地基处理是其基础工程的重要环节之一。
地基处理质量的检验评定标准应包括对填土压实度、地基稳定性等方面的检验要求,以确保在道路使用过程中不会出现地基沉降、塌陷等问题。
2. 路基平整度路基平整度是指路面表面的平整程度,它直接关系着行车的舒适性和行车安全。
对路基平整度的检验评定标准应包括对路基表面平整度的要求、检测方法等内容。
二、路面工程1. 路面材料选用路面材料的质量直接关系着公路使用寿命和维护成本。
针对不同公路等级和交通流量,应有相应的路面材料选用标准,包括对材料性能、砂石含量、抗滑性能等方面的要求。
2. 路面平整度路面平整度是指路面的平整程度,它直接关系着行车的舒适性和行车安全。
对路面平整度的检验评定标准应包括对路面表面平整度的要求、检测方法等内容。
三、桥梁工程1. 构件制作质量桥梁的结构稳定性和使用寿命直接关系着桥梁的制作质量。
在公路工程质量检验评定标准中应包括对桥梁构件制作质量的检验要求,包括对材料选用、焊接质量等方面的要求。
2. 桥梁结构稳定性桥梁结构稳定性是指桥梁在使用过程中不会出现倾斜、变形等安全隐患。
对桥梁结构稳定性的检验评定标准应包括对桥梁结构稳定性的要求、检测方法等内容。
四、排水工程1. 排水设施设置排水设施的设置直接关系着公路在降雨天气下的排水效果和整体使用状况。
对排水设施设置的检验评定标准应包括对排水设施的合理性、排水通畅性等方面的要求。
2. 排水设施维护排水设施的维护直接关系着道路的使用寿命和通行安全。
对排水设施的维护要求也应包含在公路工程质量检验评定标准中。
以上仅是公路工程质量检验评定标准中的部分内容,随着公路工程建设的不断发展,质量检验评定标准也在不断完善和更新。
2018年《考研政治》试题含答案(十七)D【解析】[考点] 1Z201023掌握项目管理的工作任务分工➢单选题-5对涉及混凝土结构安全的重要部位应进行结构实体检验,结构实体检验应在监理工程师见证下,由( )组织实施。
A.建设单位项目专业技术负责人B.施工项目技术负责人C.项目经理D.专职安全生产管理人【答案】B【解析】暂无解析➢单选题-6关于编制项目管理任务分工表的说法,正确的是( )。
A.业主方应对项目各参与方给予统一指导和管理B.首先应对项目实施各阶段的具体管理任务做详细分解C.首先要定义主管部门的工作任务D.同一类别的项目可以集中编制通用的分工表【答案】B【解析】[解析] 1Z201023工作任务分工在项目管理中的应用➢单选题-7建设项目质量控制方面的任务不包括( )。
A.提出设计要求,分析、论证建设项目的功能B.审核及处理施工索赔事宜C.确定建设项目质量的要求和标准,满足设计质量标准要求D.编制设计要求文件【答案】B【解析】暂无解析➢单选题-8某工程项目,建设单位通过招标选择了工程施工单位和工程监理单位,并分别签订了工程施工合同和委托监理合同。
该工程项目在实施过程中,形成了许多建设工程文件和档案,以下是该工程项目实施过程中形成的部分工程文件和档案:(1)建设项目列入年度计划的申报文件;(2)分包单位资质报审表;(3)原材料、成品、半成品、构配件设备出厂质量合格证及试验报告;(4)项目建议书审批意见及前期工作通知书;(5)施工组织设计(方案)报审表;(6)单位工程质量评定表及报验单;(7)建设单位工程项目管理部、工程项目监理部、工程施工项目经理部及各自负责人名单;(8)工程款支付申请表。
按照建设工程档案编制质量与组卷方法,工程项目参与各方对该工程项目实施过程中形成的文件资料进行了收集、组卷、验收和移交。
工程洽商是施工过程中一种协调业主与施工单位和设计单位洽商行为的记录。
工程洽商通常情况下由( )提出。
CB18 工序/单元工程施工质量报验单
(承包[ 2018 ]质报 01 号)
合同名称:盐亭县2014~2016年抗旱应急水源工程结余资金双碑乡飞跃村提水工程等6个项目(施工1:玉龙镇新家沟村、永泰乡七一村、富驿镇极庵村管道延伸、富驿镇共和村打井工程)
说明:本表一式份,由承包人填写。
监理机构复核后,监理机构份、承包人份。
水利水电工程
表1.1 土方开挖单元工程施工质量验收评定表
水利水电工程
注:“+”为超挖,“-”为欠挖。
水利水电工程
表A.0.1-1 土及土质岸坡清理工序施工质量验收评定表
水利水电工程。
CB18 3#生产桥3#、4#灌注桩□工序/? 单元工程施工质量报验单(华龙[ 2018 ]质报号)合同名称:河南省人民胜利渠灌区续建配套与节水改造项目2018 年度工程施工II 标说明:本表一式份,由承包人填写。
监理机构签收后,随同审批意见,发包人份、设代机构份、监理机构份、承包人份。
CB17 混凝土浇筑开仓报审表(华龙[ 2018 ]开仓号)合同名称:河南省人民胜利渠灌区续建配套与节水改造项目2018 年度工程施工II 标说明:本表一式份,由承包人填写。
监理机构审批后,发包人份、设代机构份监理机构份、承包人份。
河南省人民胜利渠灌区续建配套与节水改造项目2018 年度工程钻孔灌注桩工程单桩及单元工程施工质量验收评定表表3.15CB18 3#生产桥3#、4#灌注桩钻孔? 工序/ □单元工程施工质量报验单(华龙[ 2018 ]质报号)合同名称:河南省人民胜利渠灌区续建配套与节水改造项目2018 年度工程施工II 标合同编号:RMSLQGQXJ[2018]-SG-02监理机构份、承包人份河南省人民胜利渠灌区续建配套与节水改造项目2018 年度工程表3.15.1 钻孔灌注桩工程单桩钻孔工序施工质量验收评定表单位工程名称河南省人民胜利渠灌区续建配套与节水改造项目2018 年度工程钻孔灌注桩工程单桩钻孔工序施工质量验收三检表II 标段桩号及工序名称西一一分干渠0+000 处及1-4# 生产单元工程名称、部位3# 生产桥3#、4#灌注桩施工日期年月日-- 年月日项次检验项目质量要求检查(测)记录班组初检施工队复检质检科终检主控项目1 孔位偏差符合设计和规范要求2 孔深符合设计要求设计:12m3孔底沉渣厚度端承桩不大于50mm ,摩擦桩不大于150mm ,摩擦端承桩、端承摩擦桩不大于100mm4 垂直度偏差<1%5 施工记录齐全、准确、清晰般项目1孔径偏差≤50mm 设计:1000mm2孔内泥浆密度≤ 1.25g/cm 3(黏土泥浆);<1.15g/cm 3(膨润土泥浆)3孔内泥浆含砂率≤8% (黏土泥浆);<6% (膨润土泥浆)4孔内泥浆黏度≤28s (黏土泥浆)<22s (膨润土泥浆)检验意见检验人员签字检验日期年月日年月日年月日分部工程名称焦作市黄河华龙工程有限公司施工单位桥重建河南省人民胜利渠灌区续建配套与节水改造项目2018 年度工程钻孔灌注桩工程单桩钻孔工序施工质量验收抽检表CB18 3#生产桥3#、4#灌注桩钢筋笼制作安装?工序/ □单元工程施工质量报验单(华龙[ 2018 ]质报号)合同名称:河南省人民胜利渠灌区续建配套与节水改造项目2018 年度工程施工II 标合同编号:RMSLQGQXJ[2018]-SG-02监理机构份、承包人份河南省人民胜利渠灌区续建配套与节水改造项目2018 年度工程表3.15.2 钻孔灌注桩工程单桩钢筋笼制作安装工序施工质量验收评定表河南省人民胜利渠灌区续建配套与节水改造项目 2018 年度 工程单位工程名称分部工程名称钻孔灌注桩工程单桩钢筋笼制作安装工序施工质量验收三检表II 标段 桩号及工序名称西一一分干渠 0+000 处及 1-4# 生产 桥重建 施工单位 焦作市黄河华龙工程有限公司项次 检验项目 质量要求 检查(测)记录班组初检施工队复检质检科终检主控 项 目 1 主筋间距偏 差 ≤ 10mm 设计:钢筋笼直径 0.9m , 采用直径为 22 的钢筋,主 筋 16根 , 钢 筋 间 距 176mm2 钢筋笼长度 偏差 ≤ 100mm 设计:12.835m3施工记录 齐全、准确、清晰般 项 目 1 箍筋间距或 螺旋筋螺距偏 差 ≤ 20mm 设计: 200mm2钢筋笼直径 偏差 ≤ 10mm 设计 0.9m3钢筋笼安放 偏差符合设计或规范要求 设计:深度 12m ,允许 偏差± 100mm检验意见检验人员签字检验日期 年月日 年月日 年月日单元工程名称、部位 3#生产桥 3#、 4#灌注桩 施工日期年 月 日--年 月 日河南省人民胜利渠灌区续建配套与节水改造项目2018 年度工程钻孔灌注桩工程单桩钢筋笼制作安装工序施工质量验收抽查表3#生产桥3#、4#灌注桩混凝土浇筑? 工序/ □单元工程CB18施工质量报验单(华龙[ 2018 ]质报号)合同名称:河南省人民胜利渠灌区续建配套与节水改造项目2018 年度工程施工II 标说明:本表一式份,由承包人填写。
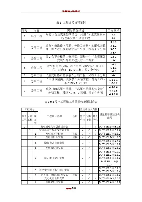
表1 工程编号填写示例
表3.0.2 发电工程施工质量验收范围划分表
表4.0.2 变电工程施工质量验收范围
表5.0.1 (分项工程名称)分项工程质量验收表工程编号:表号:
表5.0.2 (分部工程名称)分部工程质量验收表工程编号:表号:
表5.0.3 (单位工程名称)单位工程质量验收表工程编号:表号:
表6.0.1 单位工程资料核查项目
表6.0.2 施工单位计量器具登记表
共页第页
表6.0.3 工程质量验收签证、记录项目
表6.0.4 ×××kV配电装置带电试运签证
表6.0.5 (配电装置名称)×××kV 段厂用高压配电装置带电试运签证
表6.0.6 (配电装置名称)×××V 段厂用低压配电装置带电试运签证
表6.0.7 号机组柴油发电机机组自动投入试验签证
表6.0.8 号电除尘器振打及空负荷升压试验签证
表1.0.2 气体绝缘金属封闭开关设备基础及设备支架安装分项工程质量验收表
工程编号:表号:
表1.0.3 气体绝缘金属封闭开关设备本体安装分项工程质量验收表
工程编号:表号:。
建筑单位工程质量评估报告范本(2018修订版)昆明建设咨询监理有限公司2018年5月10日×××建筑单位工程质量评估报告编制人审核人审定人批准人编制日期年月日审批日期年月日目录一、工程概述 (3)(一) 工程概况 (3)(二) 参建单位 (4)(三) 质量评估的范围及内容 (5)(四) 设计要求简述 (5)二、工程施工情况及过程简述 (6)1. 施工前的准备工作情况 (6)2. 主要施工阶段施工情况 (6)三、评估依据 (7)四、单位工程质量评估 (8)(一)检验批的质量验收情况 (8)(二)分项工程的质量验收情况 (9)(三)分部工程质量验收情况 (9)1. 地基与基础分部工程 (9)2. 主体结构分部工程 (10)3. 建筑装饰装修分部工程 (10)4. 屋面分部工程 (11)5. 建筑电气分部工程 (11)6. 建筑给水排水及供暖分部工程 (12)7. 通风与空调分部工程 (12)8. 智能建筑分部工程 (13)9. 建筑节能分部工程 (13)(四)单位工程预验收情况 (14)1. 质量控制资料核查情况 (14)2. 有关安全、节能、环境保护和主要使用功能的资料检验核查情况 (16)3. 主要使用功能抽样检测试验抽查情况 (21)4. 观感质量评价 (23)5. 检验批、分项、分部工程自评及验收情况 (24)(五)单位工程质量预验收情况 (24)五、单位工程质量评估结论 (25)×××建筑单位工程质量评估报告一、工程概述(一) 工程概况××××建筑单位工程、工程范围、所在地理位置及场地地质情况、建筑面积及总高度、建筑层数及层高。
××××建筑单位工程主要技术、经济指标表-1××××建筑单位工程主要分部工程概况表-2(二) 参建单位建设单位:(单位全称)监理单位:(单位全称)设计单位:(单位全称)勘察单位:(单位全称)总承包施工单位:(单位全称)主要分包施工单位:(单位全称)质量监督单位:(单位全称)检测单位:(单位全称)(三) 质量评估的范围及内容质量评估范围:××××建筑单位工程(包含××××子单位工程、××××子单位工程共××个)。
CB18工序/单元工程施工质量报验单(中国电建[2018]质报号)合同名称:奉贤区金汇镇白沙村美丽乡村水系配套整治工程合同编号:监理机构意见复核结果:□同意进入下一工序□不同意进入下一工序□同意进入下一单元工程□不同意进入下一单元工程附件:监理复核支持材料。
监理机构:(名称及盖章)监理工程师:(签名)日期: 年月日本表一式份监理机构复核后,监理机构份、返承包人份。
钻孔灌注桩开孔通知单施-基-01工程名称:奉贤区金汇镇白沙村美丽乡村水系配套整治工程桩号:编号:(1).±0标高相当于绝对标高(m)(2).护筒口标高(m)(3)。
磨盘标高(m)机余(m)轨面标高(m)地高(m)(4).设计桩顶标高(m)(5)。
设计桩底标高(m)(6).钻孔深度(m)(7)。
浮桩长度(m)(8).设计孔径(mm)(9)。
钻孔垂直度(钻机平整度)(10).钻孔对中偏差(mm)(11).钻机机型、编号(12)。
泥浆泵型号(13)。
泥浆性能:(一)成孔(二)清孔后备注:钻孔灌注桩钻进成孔班报表施-基—02工程名称奉贤区金汇镇白沙村美丽乡村水系配套整治工程主动钻杆长度桩号钻杆根数总长(m)钻机编号钻头类型、直径、长度班组长: 质检员:技术负责人:年月日钻孔灌注桩成孔后灌注前检查记录表钻孔灌注桩钢筋笼验收单施-基—03工程名称:奉贤区金汇镇白沙村美丽乡村水系配套整治工程桩号:顶笼长:(m)钢筋笼直径(mm) 中笼长:(m)节钢筋笼总长(m) 底笼长:(m)钻孔灌注桩混凝土灌注记录施-基-05工程名称:奉贤区金汇镇白沙村美丽乡村水系配套整治工程施工单位:中国水利水电第十四工程局有限公司分部工程:计算砼数量(m3) 砼开始灌注时间时分桩号:实际混凝土量(m3)二次清孔至初灌时间间隔分设计桩孔直径(mm) 充盈系数砼强度设计桩顶标高(m)计算砼初灌量(m3) 水泥品种标号实际桩底标高(m)实际砼初灌量(m3)灌注耗时时分浮桩桩顶标高(m) 二次清孔测沉淤时间钢筋笼放入后距灌注时间人:监理员:年月日工序施工质量检验表(灌注桩成孔)检—05—01备注:D为桩的设计直径(mm);L为桩长(mm)。
CB18水利水电工程砼垫层工序/单元工程施工质量报验单(承包[2018]质报04号)合同名称:石牛庙乡场镇蓄水池工程合同编号:说明:本表一式份,由承包人填写。
监理机构复核后,监理机构份、返承包人份。
CB17水利水电工程混凝土浇筑开仓报审表(承包[2018]开仓04号)合同名称:石牛庙乡场镇蓄水池工程合同编号:说明:本表一式3份,由承包人填写,监理机构审签后,承包人、监理机构、发包人各1份。
水利水电工程表2.1普通混凝土单元工程施工质量验收评定表注1:对重要隐蔽单元工程和关键部位单元工程的施工质量验收评定应有设计、建设等单位的代表签字,具体要求应满足SL176的规定。
注2:本表所填“单元工程量”不作为施工单位工程量结算计量的依据。
水利水电工程表2.1.2模板制作及安装工序施工质量验收评定表表 2.1.5 混凝土浇筑工序施工质量验收评定表监理单 经复核,主控项目检验点 100%合格,一般项目逐项检验点的合格率 %,且不合格点不集中分布。
位复核 意见工序质量等级评定为:(签字,加盖公章) 2018 年 月 日水利水电工程表 2.1.6 混凝土外观质量检查工序施工质量验收评定表监理单 位复核 意见经复核,主控项目检验点 100%合格,一般项目逐项检验点的合格率 %,且不合格点不集中 分布。
工序质量等级评定为:(签字,加盖公章) 2018年 月 日水利水电工程经复核,主控项目检验点100%合格,一般项目逐项检验点的合格率%,且不合格点不集中分布。
工序质量等级评定为:监理单位复核意见(签字,加盖公章)2018年月日。
表A 施工现场质量管理检查记录开工日期:年月日表E 检验批质量验收记录编号:表F 分项工程质量验收记录编号:表G 子分部工程质量验收记录编号:注:1、地基与基础分部工程的验收应由施工、勘察、设计单位项目负责人和总监理工程师参加并签字。
2、主体结构、节能分部工程的验收应由施工、设计单位项目负责人和总监理工程师参加并签字。
表G 分部工程质量验收记录编号:注:1、地基与基础分部工程的验收应由施工、勘察、设计单位项目负责人和总监理工程师参加并签字。
2、主体结构、节能分部工程的验收应由施工、设计单位项目负责人和总监理工程师参加并签字。
表H.0.1-1 单位工程质量竣工验收记录工程名称工程1 结构类型层数/ 建筑面积施工单位技术负责人开工日期年月日项目负责人项目技术负责人完工日期年月日序号项目验收记录验收结论1分部工程验收2质量控制资料核查共分部,经查符合设计及标准规定分部共项,经核查符合规定项安全和使用功能3核查及抽查结果共核查项,符合规定项共抽查项,符合规定项经返工处理符合规定项4观感质量验收共抽查项,达到“好”和“一般”的项,经返修处理符合要求的项综合验收结论建设单位监理单位施工单位设计单位勘察单位参加验(公章)收单位项目负责人:(公章)总监理工程师:(公章)项目负责人:(公章)项目负责人:(公章)项目负责人:年月日年月日年月日年月日年月日注:单位工程验收时,验收签字人员应由相应单位法人代表书面授权。
表H.0.1-2 单位工程质量控制资料核查记录续表H.0.1-2表H.0.1-3 单位工程安全和功能检验资料核查和主要功能抽查记录表H.0.1-4 单位工程观感质量检查记录注:1 对质量评价为差的项目应进行返修;2 观感质量现场检查原始记录应作为本表附件。
现场验收检查原始记录共页第页监理校核:检查:记录:验收日期:年月日一般抹灰检验批质量验收记录03010101 001普通抹灰高级抹灰保温层薄抹灰检验批质量验收记录03010201 001装饰抹灰检验批质量验收记录03010301 001水刷石斩假石干粘石假面砖清水砌体勾缝检验批质量验收记录03010401 001外墙砂浆防水检验批质量验收记录03020101 001涂膜防水检验批质量验收记录03020201 001透气膜防水检验批质量验收记录03020301 001木门窗安装检验批质量验收记录03030101 001钢门窗安装检验批质量验收记录03030201 001铝合金门窗安装检验批质量验收记录03030202 001涂色镀锌钢板门窗安装检验批质量验收记录03030203 001塑料门窗安装检验批质量验收记录03030301 001特种门安装检验批质量验收记录03030401 001推拉自动门平开自动门折叠自动门旋转自动门门窗玻璃安装检验批质量验收记录03030501 001整体面层吊顶检验批质量验收记录03040101 001板块面层吊顶检验批质量验收记录03040201 001石膏板金属板矿棉板木板、塑料板、玻璃板、复合板格栅吊顶检验批质量验收记录03040301 001金属格栅木格栅、塑料格栅、复合材料格栅板材隔墙检验批质量验收记录03050101 001石膏空心板增强水泥板、混凝土轻质板金属夹芯板其它复合板骨架隔墙检验批质量验收记录03050201 001纸面石膏板人造木板、水泥纤维板活动隔墙检验批质量验收记录03050301 00103050401 001 玻璃板玻璃砖03060101 001 光面剁斧石蘑菇石陶瓷板安装检验批质量验收记录03060201 001木板安装检验批质量验收记录03060301 00103060401 00103060501 00103070101 00103070201 001玻璃幕墙安装检验批质量验收记录03080101 001玻璃幕墙安装检验批质量验收记录03080101 00103080201 00103080201 001石材幕墙安装检验批质量验收记录03080301 001石材幕墙安装检验批质量验收记录03080301 001人造板材幕墙安装检验批质量验收记录03080401 001人造板材幕墙安装检验批质量验收记录03080401 00103090101 00103090101 001复层涂料普通涂饰高级涂饰普通涂饰高级涂饰溶剂型涂料涂饰检验批质量验收记录03090201 001普通涂饰高级涂饰普通涂饰高级涂饰。
2018年新版水利水电工程单元工程施工质量验收评定表(农村饮水工程部分)
蓝田县农村饮水安全工程建设管理处
2018年7月
水源分部工程
村供水工程
沉淀池单元工程施工质量评定表
大口井(集流井)单元工程施工质量验收评定表
村供水工程
机井单元工程施工质量验收评定表
村供水工程
潜水泵安装单元工程质量验收评定表
村供水工程潜水泵安装单元工程质量检查表
村供水工程
潜水泵安装单元工程试运转质量检查表
输、配水管道分部工程
村供水工程
管道安装单元工程施工质量验收评定表
村供水工程
管槽土方开挖工序施工质量验收评定表
村供水工程
管道安装工序施工质量验收评定表
村供水工程
管槽土方回填工序施工质量验收评定表
村供水工程
阀门井单元工程施工质量验收评定表
蓄水池(水塔)分部工程
村供水工程蓄水池单元工程施工质量评定表
村供水工程水塔单元工程施工质量评定表
水厂分部工程
村供水工程
泵房建筑施工单元工程施工质量验收评定表
村供水工程
电力电缆敷设单元工程施工质量验收评定表
村供水工程
变频设备安装单元工程施工质量验收评定表
水处理设备单元工程施工质量验收评定表
离心泵安装单元工程质量验收评定表
离心泵安装单元工程质量检查表
村供水工程
离心泵安装单元工程试运转质量检查表
入户分部工程
村供水工程。
表E.571+774.6西一一分干进水闸C30闸门槽二期砼□工序/☑单元工程施工质量报验单(华龙[2018]质报号)合同名称:河南省人民胜利渠灌区续建配套与节水改造项目2018 年度工程施工II标合同编号:RMSLQGQXJ[2018]-SG-02说明:本表一式份,由承包人填写。
监理机构签收后,随同审批意见,发包人份、设代机构份、监理机构份、承包人份。
CB17混凝土浇筑开仓报审表(华龙[2018] 开仓号)合同名称:河南省人民胜利渠灌区续建配套与节水改造项目2018 年度工程施工II标合同编号:RMSLQGQXJ[2018]-SG-02说明:本表一式份,由承包人填写。
监理机构审批后,发包人份、设代机构份监理机构份、承包人份。
河南省人民胜利渠灌区续建配套与节水改造项目2018年度工程表E.61 水闸混凝土施工缝处理☑工序/□单元工程施工质量报验单(华龙[2018]质报号)合同名称:河南省人民胜利渠灌区续建配套与节水改造项目2018 年度工程施工II标合同编号:RMSLQGQXJ[2018]-SG-02说明:本表一式份,由承包人填写。
监理机构复核后,监理机构份、返承包人份。
河南省人民胜利渠灌区续建配套与节水改造项目2018年度工程水闸混凝土施工缝处理施工质量验收三检表E.63 水闸混凝土模板制作及安装☑工序/□单元工程施工质量报验单(华龙[ 2018 ]质报号)合同名称:河南省人民胜利渠灌区续建配套与节水改造项目2018 年度工程施工II标合同编号:RMSLQGQXJ[2018]-SG-02说明:本表一式份,由承包人填写。
监理机构复核后,监理机构份、返承包人份。
河南省人民胜利渠灌区续建配套与节水改造项目2018年度工程水闸混凝土模板制作及安装施工质量验收三检表表E.69 水闸混凝土浇筑☑工序/□单元工程施工质量报验单(华龙[ 2018 ]质报号)合同名称:河南省人民胜利渠灌区续建配套与节水改造项目2018 年度工程施工II标合同编号:RMSLQGQXJ[2018]-SG-02说明:本表一式份,由承包人填写。