金蝶物料编码规则
- 格式:docx
- 大小:42.41 KB
- 文档页数:11
物料编码原则规范
2020-08-4
一、目的:为了规范公司物料的编码规则,以便于对物料进行管控、产品生产、改进及采购。
二、适用范围
本标准适用于公司所有的物料:原材料、半成品、成品等。
三、非成品类物料编码规则说明:
物料编码结构为:一阶类型+二阶类型+三阶类型+四阶类型+流水号,前7位为类型细分为4阶,不足4阶的物料类型,用0补齐,后4位为流水号,X XX XXXX XXXX
流水号(4位)
四阶类型(2位)
三阶类型(2位)
二阶类型(2位)
一阶类型(1位)
物料类型与物料流水号共同组成物料编号(简称料号),如:R.01.01.04.0001。
物料分类编码如下表:
01 电子件。
金蝶编码规则金蝶编码规则包括:一、类、有、变、数、短、长、跳。
一、求唯一通常情况下,只要物料的物理或化学性质有变化,只要物料必须要在仓库中存储,就必须为其指定一个编码,即通常所说的一物一码。
比如某零件要经过冲压成型、钻孔、喷漆三道工序才能完成。
如果该物料的三道工序都在同一车间完成,不更换加工单位,即冲压成型后立即进行钻孔,紧接着进行喷漆,中间没有入库、出库处理,则该物料可取一个代码。
如果该物料的三道工序不在同一个车间完成,其顺序是冲压、入库、领料、钻孔、入库、领料、喷漆、入库,则在库存管理中为了区分该物料的三种状态,必须编制不同的物料编码。
二、分类别在编码时,一般会按一定的分类方式对编号进行分类,这样,在日常的查询或报表列印时,同类的资料才能排在一起,便于我们比较和汇总统计等。
通常我们在对物料进行编码时,会按大类一中类一小类一流水号的形式进行编码,比如,第一码表示大分类,如成品,原材料,半成品等,第二、三码表示中分类,第四、五、六码表示小分类,最后是三位的流水号,通过这样的分类,我们可以保证相同类的物料在做统计分析时是可以排在一起的。
三、勿有意我们在给客户辅导编码时,非专业性的人员通常都要求让编号反映某些意义,使得编号容易记忆或者可以望“字“生义,常常会将英文单词的首几位或缩写字母编在编号上:再有,还要把物料的规格、尺寸等属性也要反映在料号中。
在资料量不大时,这种编码方式的确可能比较方便,使用起来可能会比较符合使用者现时的习惯,但是当资料数量越来越大时,要记忆的东西太多了,实际上已经达不到当初设想的易于记忆的目的了,结果给后续新增编码造成很大的困扰,无法进行新增编码的编制。
在很多企业中,常常就是为了要整理理出有意义的料号体系,而使得编号工作变得非常困难,经常会组织很多部门,来讨论如何才能将这些有意义的东西编到编码中去,耗费了大量的人力、物力和时间,经常是编到一半发现无法编制下去。
比如,我们在编电阻的编码的时候,客户人员常常会要求将阻值、材质加到编码中,甚至将10的几次“方“也要加到编码中,以方便看了编码就知道电阻的阻值和材质。
密级:★高★版本:1.0 常见物料分类及编码规则XXX股份有限公司金蝶软件(中国)有限公司2022年4月26日2022-04-26物料分类及编码规则公司所有物料(除固定资产外)实行三级分类管理,划分为大类别、小类别和品种类型,物料编码总长为15位,物料大类、小类、物料品种和物料规格型号之间用英文句号隔开。
基本编码结构如下:物料规格(10位)物料品种类型(2位阿拉伯数字)物料小分类(2位大写英文字母)物料大分类(1位大写英文字母)一、物料大分类及其代码:1、电子材料:用“T”表示电子材料是指以其电性能为主要应用的材料,根据公司目前应用情况看,包括:集成电路类、印刷电路板类、电容器类、电阻器类、电感器类、晶体管类、接插件类、稳压器类、变压器类、充电器类、开关类、电池类、电声器类、电位器类、磁珠类、数据线类和电线电缆类等。
2、光学材料:用“G”表示光学材料是指传输光线的介质材料,包括光学玻璃、光学晶体和光学塑料等光学介质材料,但不包括光电性能一体化应用的光电材料,例如发光二极管、氖灯、日光灯、显像管、液晶屏等光电类材料,该类材料归于电子材料类,3、塑胶材料:用“S”表示塑胶材料是指以高分子合成树脂为主要应用的材料,包括ABS、PVC、PA、PS、PE 等塑胶料,但不包括光学与塑胶一体化应用的材料,以及用于产品包装的塑胶材料,例如有机玻璃、玻璃钢、吸塑盒等,该类材料归于光学材料类或包装材料类。
公司目前应用的塑胶材料主要包括数码相机、车载摄像头、网络摄像头等产品的塑胶结构件,例如机壳,以及用于其他用途的PVC线管、塑胶工具、塑胶模具等。
4、金属材料:用“J”表示金属材料是指以钢、铁、铝等为主要应用的材料,公司目前主要包括数码相机、摄像头等产品使用的金属结构件,以及用于其他用途的角铁、金属线管、金属紧固件、金属工具、金属模具等。
5、包装材料:用“B”表示包装材料是指用于产品包装的材料,主要包括包装箱、吸塑盒、胶袋、包装带、封箱胶纸、不干胶标签、防潮剂、合格证等。
电子制造业金蝶物料编码规范电子制造业金蝶物料编码规范1:引言本文档旨在规范电子制造业金蝶物料编码的使用,以提高物料管理的效率和准确性。
准确的物料编码是电子制造业ERP系统中物料管理的基础,对于生产计划、库存管理以及供应链协同等环节至关重要。
2:术语和定义在本文档中,以下术语和定义适用:a) 物料:指电子制造业中使用的原材料、半成品、成品等。
b) 编码:指对物料进行标识和区分的唯一编码。
c) 物料编码规则:指规定物料编码格式、组成和命名规则的规范。
d) 物料属性:指用于描述物料特性的属性,如尺寸、重量、颜色等。
e) 物料分类:指对物料进行分类,如按照功能、用途、规格等进行分类。
3:物料编码规则为了保证物料编码的唯一性和一致性,制定以下物料编码规则:a) 物料编码长度:物料编码由一定数量的字符(数字或字母)组成,长度建议不超过20个字符。
b) 物料分类代码:物料编码中包含物料分类代码,用于快速识别物料类型。
c) 公司代码:物料编码中包含公司代码,用于区分不同公司下的相同物料。
d) 属性代码:物料编码中可以包含一定数量的属性代码,用于描述物料的特性。
e) 顺序号:物料编码中包含顺序号,用于区分相同分类和属性的不同物料。
4:物料编码规范示例a) 原材料编码示例:物料编码:RM-001-001-A解析:RM表示原材料,001表示公司代码,001表示原料分类,A表示该分类下的第一个物料。
b) 半成品编码示例:物料编码:WIP-001-001-A解析:WIP表示半成品,001表示公司代码,001表示半成品分类,A表示该分类下的第一个物料。
c) 成品编码示例:物料编码:FG-001-001-A解析:FG表示成品,001表示公司代码,001表示成品分类,A表示该分类下的第一个物料。
5:物料属性管理a) 定义物料属性:根据实际需求,对需要的物料属性进行定义,如尺寸、重量、颜色等。
b) 属性代码管理:为每个物料属性指定唯一的属性代码,用于在物料编码中进行标识。
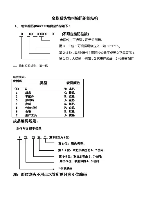
金蝶系统物料编码组织结构1、 物料编码(PART ID)系统结构如下:X XX XXXX X (不限定编码位数)末两位:可选项,用于识别码。
第3-?位:可根据规格定义,如38*1*15。
第2-3位:类别/属性(用阿拉伯数字或英文字母表示)。
第1位:大类别:例如:1代表产成品;2代表零配件二、物料编码规则:第一码成品编码规则:主体与H 把手类型8位)第8位:颜色类型;第6-7位:取把手类型的6、7位码;第4-5位:取出水管是3、7位码;第2-3位:取主体的4、5位码注:面盆龙头不用出水管所以只有6位编码三、物料类别:第二、三位码。
配件1、定义:通常为配件、或产品加工过程中所产生的新物料。
2、编码规则:T主体与H把手类型X XX XXX X (基本定位为7位);第7位:颜色;第4--6位:流水码;第2-3位:主体类型L、M、K螺纹类型与出水嘴类型、出水管类型;第7位:流水码(用1∽9表示);第4-6位螺纹规格,例如G1/2,表示G21;管,规格390大伞管 第2-3位:螺纹类型与M 出水嘴类型、K 出水管类型E 阀芯类型X XX X X XX (基本定位为7位)第6-7位:流水码 第5位:螺纹属性,N 表示没有螺纹,G 表示G1/2,M 表示m20*1.5第4位:瓷片的大小,例如2表示12.5瓷片,3表示13.5; 共2、3位:阀芯类型E 胶圈类型X XX XXXX (基本定位为7位);第4-7位,表示胶圈尺寸,例如Ф18*2.5表示1825; 第2-3位:胶圈类型D 垫片类与通用件X XX XX XX (基本定位为7位)第6-7位,流水码(用01∽99表示)第4-5位,表示外径尺寸例如30表示30*18*3垫片外径 第2-3位:垫片类型与通用件F 附件类型;第4位:流水码(用1∽9表示)第1-3位螺纹规格例如G1/2,表示G21没有螺纹就用外径加内径第1-2位:附件类型S 花洒组、X XX XXXX (基本定位为7位);第4-7位,流水码(用0001∽9999表示);第2-3位:花洒类型。
物料编码方法按K3系统的编码方式确定物料编码方法。
一.物料编码由10位字母及数字组成,用“.”分隔成三部分,其表示格式及含义为:七位物料参数:物料型号规格等主参数及相同主参数物料的流水号物料的小类属性:用两位数字表示物料的大类属性:用一个大写英文字母表示1.第一部分:物料的大类属性,用以区分各类物料:如芯片类、轴类、线类等,用一位英文字母表示;2.第二部分:物料的小类属性,用以区分各小类物料:如芯片类的转子芯片、定子芯片;线类的漆包线、红色电源线、蓝色电源线等,用两位数字表示;3.第三部分:物料参数,由7位字母及数字组成。
表示物料型号规格等主参数及相同主参数物料的流水号。
物料大类属性及小类属性见《物料属性分类表》二.编码示例:示例① B.01.QZ10181QZ1表示漆包线型号,018表示漆包线直径0.18mm,末位1表示流水号01表示漆包线B表示线类示例② B.02.U200001U200表示电源线型号规格,001表示流水号01表示红色电源线B表示线类示例③ M.03.98270019827表示电机型号规格,001表示流水号03表示罩极电机M表示电机类三.物料编码第三部分:物料参数编码明细:(一)A芯片类:1.转子、定子芯片及芯片组件:前4位数字表示型号规格,后3位数字表示同种规格的流水号。
如5443芯片:转子芯片编码为A.01.5443001定子芯片编码为A.02.5443001。
注:①物料的其他参数,在金蝶系统物料属性规格型号栏中注明;(下同)②金蝶系统中,原有部分物料编码与本编码规则不一致,需继续使用,新增加物料按本规则执行;③流水号原则上从1开始,以后按序递增。
2.矽钢片卷料、带钢:前3位数字表示材料厚度,后4位数字表示同种厚度材料的流水号。
如0.5mm厚的芯片条料:0.5X90的编码为A.03.05000010.5X91的编码为A.03.0500002(二)B线类:1.漆包线:前3位表示漆包线型号,4-6位表示漆包线直径,最后1位表示流水号。
金蝶产品分类编码规则样本1. 简介本文档旨在提供金蝶产品分类编码规则的样本,以帮助用户更好地理解和应用金蝶产品的分类编码。
金蝶产品分类编码规则用于标识和组织金蝶产品,便于用户快速查找和选择适合的产品。
2. 编码结构金蝶产品分类编码采用多级结构,每个级别都具有特定的含义。
以下为金蝶产品分类编码规则的样本:2.1 一级分类- 以字母表示,用于表示不同类型的产品。
例如:- A:财务管理类产品- B:人力资源管理类产品- C:供应链管理类产品2.2 二级分类- 以数字表示,用于进一步细分一级分类下的产品。
例如:- 1:财务管理类产品的子分类- 2:人力资源管理类产品的子分类- 3:供应链管理类产品的子分类2.3 三级分类- 以字母和数字组合表示,用于进一步细分二级分类下的产品。
例如:- A01:一级分类为财务管理,二级分类为财务管理类产品,三级分类为某个具体的财务管理产品3. 使用示例以下是金蝶产品分类编码规则的使用示例:- 产品编号:B02- 一级分类:人力资源管理类产品- 二级分类:人力资源管理类产品的子分类- 产品编号:C03B- 一级分类:供应链管理类产品- 二级分类:供应链管理类产品的子分类- 三级分类:某个具体的供应链管理产品4. 总结金蝶产品分类编码规则通过一级分类、二级分类和三级分类的结构,为金蝶产品提供了标识和组织的方式。
用户可以根据产品编号快速了解产品所属分类,从而更加方便地选择和使用金蝶产品。
以上是金蝶产品分类编码规则的样本,希望本文档能够对用户理解和应用金蝶产品的分类编码提供帮助。
密级:★高★版本:1.0 常见物料分类及编码规则XXX股份有限公司金蝶软件(中国)有限公司2022年4月27日2022-04-27物料分类及编码规则公司所有物料(除固定资产外)实行三级分类管理,划分为大类别、小类别和品种类型,物料编码总长为15位,物料大类、小类、物料品种和物料规格型号之间用英文句号隔开。
基本编码结构如下:物料规格(10位)物料品种类型(2位阿拉伯数字)物料小分类(2位大写英文字母)物料大分类(1位大写英文字母)一、物料大分类及其代码:1、电子材料:用“T”表示电子材料是指以其电性能为主要应用的材料,根据公司目前应用情况看,包括:集成电路类、印刷电路板类、电容器类、电阻器类、电感器类、晶体管类、接插件类、稳压器类、变压器类、充电器类、开关类、电池类、电声器类、电位器类、磁珠类、数据线类和电线电缆类等。
2、光学材料:用“G”表示光学材料是指传输光线的介质材料,包括光学玻璃、光学晶体和光学塑料等光学介质材料,但不包括光电性能一体化应用的光电材料,例如发光二极管、氖灯、日光灯、显像管、液晶屏等光电类材料,该类材料归于电子材料类,3、塑胶材料:用“S”表示塑胶材料是指以高分子合成树脂为主要应用的材料,包括ABS、PVC、PA、PS、PE 等塑胶料,但不包括光学与塑胶一体化应用的材料,以及用于产品包装的塑胶材料,例如有机玻璃、玻璃钢、吸塑盒等,该类材料归于光学材料类或包装材料类。
公司目前应用的塑胶材料主要包括数码相机、车载摄像头、网络摄像头等产品的塑胶结构件,例如机壳,以及用于其他用途的PVC线管、塑胶工具、塑胶模具等。
4、金属材料:用“J”表示金属材料是指以钢、铁、铝等为主要应用的材料,公司目前主要包括数码相机、摄像头等产品使用的金属结构件,以及用于其他用途的角铁、金属线管、金属紧固件、金属工具、金属模具等。
5、包装材料:用“B”表示包装材料是指用于产品包装的材料,主要包括包装箱、吸塑盒、胶袋、包装带、封箱胶纸、不干胶标签、防潮剂、合格证等。
金蝶云星空物料编码规则1. 引言金蝶云星空是一款物料管理系统,用于帮助企业对物料进行管理和编码。
物料编码是对物料进行唯一标识的一种方式,它可以帮助企业快速准确地识别和管理物料。
本文将介绍金蝶云星空物料编码规则,包括编码结构、编码规则和编码示例等内容。
2. 编码结构金蝶云星空物料编码由多个部分组成,每个部分都代表着不同的信息。
一般而言,金蝶云星空物料编码的结构包括以下几个部分:•产品分类:用于表示物料所属的产品分类,一般使用数字或字母表示。
•产品编号:用于表示物料在产品分类中的编号,一般使用数字或字母表示。
•规格型号:用于表示物料的规格型号,一般使用数字、字母或符号表示。
•批次号:用于表示物料的批次号,一般使用数字或字母表示。
编码结构可以根据企业的实际需求进行调整和扩展,但一般情况下,以上部分是必须包含的。
3. 编码规则金蝶云星空物料编码规则是对编码结构中各个部分的编码规则的约定。
根据企业的实际需求和业务特点,可以制定不同的编码规则。
以下是一些常见的编码规则:•产品分类编码规则:可以根据产品分类的层级关系,采用不同的编码方式,例如使用数字进行编码,每个数字代表一个产品分类。
•产品编号编码规则:可以根据产品编号的长度和组成规则进行编码,例如使用字母和数字的组合,每个字符代表一个数字或字母。
•规格型号编码规则:可以根据规格型号的特点,采用不同的编码方式,例如使用数字表示尺寸、字母表示材质等。
•批次号编码规则:可以根据批次号的生成规则进行编码,例如使用日期和序号的组合。
编码规则需要考虑到物料管理的实际需求和业务特点,以确保编码的唯一性和易于识别。
4. 编码示例以下是一个金蝶云星空物料编码的示例:•产品分类:A•产品编号:001•规格型号:X1•批次号:20220101-001根据以上示例,物料编码为A001X1-20220101-001。
通过物料编码,可以快速准确地识别和管理物料。
5. 物料编码管理金蝶云星空提供了物料编码管理功能,可以帮助企业对物料编码进行管理。
金蝶K3物料参数填写说明金蝶K3是一款知名的企业管理软件,用于管理企业的各个业务流程。
在使用金蝶K3进行物料管理时,填写物料参数是非常重要的一步。
物料参数包括物料编码、物料名称、计量单位、规格型号、物料分类等信息。
本文将为您详细介绍金蝶K3物料参数的填写说明。
首先,我们来看物料编码。
物料编码是金蝶K3中用于唯一标识物料的编码。
物料编码在填写时应遵循一定的规则,一般来说可以根据企业自身的需求来定义编码规则。
常见的物料编码规则有按照产品类别、功能、生产批次等进行编码。
物料编码在填写时要保证唯一性,便于系统对物料进行管理。
其次是物料名称。
物料名称是对物料进行简洁明了的描述,方便用户快速识别物料。
在填写物料名称时,需要注意名称的准确性和易懂性。
建议使用简洁明了的词语进行描述,避免过长或者与其他物料名称重复。
计量单位是指对物料进行量化的单位,例如:个、箱、米、千克等。
在填写计量单位时,需要选择金蝶K3系统提供的标准计量单位。
可以根据物料的属性和实际使用情况来选择合适的计量单位。
同时,还可以添加自定义的计量单位,根据实际需求进行填写。
计量单位的准确性对于物料管理十分重要,可以影响库存计算和出入库操作。
规格型号是对物料进行详细描述的信息。
在填写规格型号时,需要根据物料的具体属性进行准确描述。
例如,对于电子产品,可以填写尺寸、功耗、操作系统等信息;对于机械设备,可以填写尺寸、转速、功率等信息。
规格型号的填写可以帮助用户快速了解物料的具体特性和用途。
物料分类是对物料进行分类管理的重要信息。
在填写物料分类时,可以根据企业的业务需求和流程进行分类。
物料分类可以按照产品的种类、规格、品牌、价格等进行设置。
分类的合理性和准确性可以帮助用户进行快速和管理物料。
在填写物料参数时,还需要注意以下几点:1.确保物料参数的准确性和一致性,避免出现重复或不正确的信息。
2.对于常用的物料参数,可以预设默认值,简化填写过程。
3.定期进行物料参数的检查和更新,确保信息的准确性和完整性。
(物料管理)常见物料分类及编码规则密级:★高★物料分类及编码规则公司所有物料(除固定资产外)实行三级分类管理,划分为大类别、小类别和品种类型,物料编码总长为 15 位,物料大类、小类、物料品种和物料规格型号之间用英文句号隔开。
基本编码结构如下:X.XX.XX.XXXXXXXXXX物料规格(10 位)物料品种类型(2 位阿拉伯数字)物料小分类(2 位大写英文字母)物料大分类(1 位大写英文字母)一、物料大分类及其代码:1、电子材料:用“T”表示电子材料是指以其电性能为主要应用的材料,根据公司目前应用情况看,包括:集成电路类、印刷电路板类、电容器类、电阻器类、电感器类、晶体管类、接插件类、稳压器类、变压器类、充电器类、开关类、电池类、电声器类、电位器类、磁珠类、数据线类和电线电缆类等。
2、光学材料:用“G”表示光学材料是指传输光线的介质材料,包括光学玻璃、光学晶体和光学塑料等光学介质材料,但不包括光电性能一体化应用的光电材料,例如发光二极管、氖灯、日光灯、显像管、液晶屏等光电类材料,该类材料归于电子材料类,3、塑胶材料:用“S”表示塑胶材料是指以高分子合成树脂为主要应用的材料,包括 ABS、PVC、PA、PS、PE 等塑胶料,但不包括光学与塑胶一体化应用的材料,以及用于产品包装的塑胶材料,例如有机玻璃、玻璃钢、吸塑盒等,该类材料归于光学材料类或包装材料类。
公司目前应用的塑胶材料主要包括数码相机、车载摄像头、网络摄像头等产品的塑胶结构件,例如机壳,以及用于其他用途的PVC 线管、塑胶工具、塑胶模具等。
4、金属材料:用“J”表示金属材料是指以钢、铁、铝等为主要应用的材料,公司目前主要包括数码相机、摄像头等产品使用的金属结构件,以及用于其他用途的角铁、金属线管、金属紧固件、金属工具、金属模具等。
5、包装材料:用“B”表示包装材料是指用于产品包装的材料,主要包括包装箱、吸塑盒、胶袋、包装带、封箱胶纸、不干胶标签、防潮剂、合格证等。
金蝶物料编码规则文稿归稿存档编号:[KKUY-KKIO69-OTM243-OLUI129-G00I-FDQS58-金蝶物料编码规则包括:一、类、有、变、数、短、长、跳。
一、求唯一通常情况下,只要物料的物理或化学性质有变化,只要物料必须要在仓库中存储,就必须为其指定一个编码,即通常所说的一物一码。
比如某零件要经过冲压成型、钻孔、喷漆三道工序才能完成。
如果该物料的三道工序都在同一车间完成,不更换加工单位,即冲压成型后立即进行钻孔,紧接着进行喷漆,中间没有入库、出库处理,则该物料可取一个代码。
如果该物料的三道工序不在同一个车间完成,其顺序是冲压、入库、领料、钻孔、入库、领料、喷漆、入库,则在库存管理中为了区分该物料的三种状态,必须编制不同的物料编码。
二、分类别在编码时,一般会按一定的分类方式对编号进行分类,这样,在日常的查询或报表列印时,同类的资料才能排在一起,便于我们比较和汇总统计等。
通常我们在对物料进行编码时,会按大类-中类-小类-流水号的形式进行编码,比如,第一码表示大分类,如成品,原材料,半成品等,第二、三码表示中分类,第四、五、六码表示小分类,最后是三位的流水号,通过这样的分类,我们可以保证相同类的物料在做统计分析时是可以排在一起的。
三、勿有意我们在给客户辅导编码时,非专业性的人员通常都要求让编号反映某些意义,使得编号容易记忆或者可以望“字“生义,常常会将英文单词的首几位或缩写字母编在编号上;再有,还要把物料的规格、尺寸等属性也要反映在料号中。
在资料量不大时,这种编码方式的确可能比较方便,使用起来可能会比较符合使用者现时的习惯,但是当资料数量越来越大时,要记忆的东西太多了,实际上已经达不到当初设想的易于记忆的目的了,结果给后续新增编码造成很大的困扰,无法进行新增编码的编制。
在很多企业中,常常就是为了要整理理出有意义的料号体系,而使得编号工作变得非常困难,经常会组织很多部门,来讨论如何才能将这些有意义的东西编到编码中去,耗费了大量的人力、物力和时间,经常是编到一半发现无法编制下去。
比如,我们在编电阻的编码的时候,客户人员常常会要求将阻值、材质加到编码中,甚至将10的几次“方“也要加到编码中,以方便看了编码就知道电阻的阻值和材质。
结果日后有新增的物料时,却发觉实在很难遵行原来的原则进行新物料的编号工作。
其实,料号仅是物料的代码。
是为了便于计算机系统管理,而给的一个编号而已。
它可以不具备任何意义,就如我们的身份证号码一样。
这样,即使有上万条物料,也可以在短短的两、三周内就完成所有的编号工作。
在国外,有许多公司干脆就用乱数法则直接赋予物料编号,而丝毫不会影响电脑作业的运行。
因为在交易数量庞大的信息化作业中我们不需要也不可能去记忆每一个料号所代表的物料。
我们要知道的只是料件的名称规格,而所有的资料在列印或显示时,名称规格都可以随着料号出现。
四、避变化如果资料的某项属性在未来有可能会发生变动,则绝不应该将此项属性纳入到编号中。
否则,一旦发生变动时,是否要修改编号及如何进行修改都将会是一个十分困扰的抉择。
常见的如员工编号,员工所属部门就不应该纳入员工编号中,因为部门的调整或是员工调动部门都可能会经常发生;另外如客户所属的地区,业务员分管区域等等皆是如此。
通常,在系统上,可以用单独的栏位来记录这些属性。
五、数字好编码最好全部用阿拉伯数字来编号。
一则可提高填写、录入编号的效率,二则避免数字与某些英文字母因为形象或读音雷同而产生混淆的情形,如O与0,I与1等等。
如果一定要用英文字母的话,则英文字母最好排在编号的前几码,且位数必须一致。
一定要避免英文字母与数字混杂使用的情况。
在编码中,有些客户人员为了使编号段落分明而要求在编号中使用“-“符号,或者在编号中夹杂“*”、“/”等特殊符号。
这些符号的使用必然影响编码的录入效率,在日常口述编号时亦会造成不便,因此最好避免采用。
如果非用这些符号不可,则应该规定固定符号出现的位置,否则一定会产生困扰。
六、力求短编号的长度要越短越好,以方便记忆、阅读、填写、录入,提高效率。
同时,也大大降低出错的机率。
如果一个编码有30位,它可能记录了物料的很多属性,但是在录入、填写中会非常困难,也非常容易出错。
通常在8---12位之间会比较好,既能满足一般编号容量的要求,也能较好的反应适当的重要属性,且便于记忆、录入等。
七、长统一编号长度统一,可以使我们在阅读或录入时很容易发现编号长度不对,有漏输或多输。
如果实在做不到编号位数统一,则至少要求同一类的位数要统一。
比如,对ATO制造企业来说,可能会存在半成品数量相对成品要少的情况,在编号长度上,很难让半成品和成品的编码长度统一,那我们可以让成品类的编号长度保持统一,半成品类的长度保持统一,如,成品是10位,半成品则是8位。
另外也可以通过补「0」的方式来保证确保编码长度统一。
八、用跳号随着企业的发展,每天都会有新的物料出现,需要增加新编码,所以在编码时,编码的扩充性非常重要,而如何才能实现编码的扩展性呢通常我们用跳号的方法来实现。
比如在分类号中预留一些空号以便日后可以插入,同时也可以加大相应分类的编码容量,如050---080可以编成同一个小类。
在实际编码中,此项原则往往会被忽略掉,而此项原则最能体现我们的专业性,是检验我们的编码能否经的起时间考验的重要原则,请切记!成功在于合作,合作在于沟通看板就是表示出某工序何时需要何数量的某种物料的卡片。
看板管理是只对最后一道工序下达生产指令,而不进行将主生产计划按照物料清单分解到各个工序和原材料采购的方法。
看板管理的在生产过程的作用1、主生产计划:看板管理的理论中不涉及如何编制和维护主生产计划,它是以一个现成的主生产计划作为开端的。
所以采用准时化生产方式的企业需要依靠其他系统来制订主生产计划。
2、物料需求计划:虽然采用看板管理的企业通常将仓库外包给供应商管理,但是仍然需要向供应商提供一个长期、粗略的物料需求计划。
一般的做法是按照一年的成品销售计划得出原材料的计划用量,同供应商签订一揽子订单,具体的需求日期和数量则完全由看板来体现。
3、能力需求计划:看板管理不参与制订主生产计划,自然也就不参与生成能力需求计划。
实现看板管理的企业通过工序设计、设备布置、人员培训等手段来实现生产过程的均衡化,从而大大减少了生产过程中的能力需求不平衡的现象。
看板管理可以很快地暴露出能力过剩或不足的工序或设备,然后通过不断地改进来消除问题。
这种对问题的根源进行分析并解决问题的方法是非常值得借鉴的。
4、仓库管理:订货点法的缺点:仓库库存积压或短缺,看板管理并不能解决。
采用看板管理后,生产线从仓库领取物料的数量被控制在看板数量之内,仓库订购的物料数量也不能超过看板数量,这样能部分的解决库存积压问题。
在广泛采用看板管理方式的汽车制造业中,为了能解决仓库管理的难题,往往采用将仓库外包给供应商管理的方法,要求供应商必须能随时提供所需的物料,在生产线领取物料的同时才发生物料所有权转移。
这实质上是将库存管理的包袱丢给供应商,由供应商承担库存资金占用的风险。
这样做的前提条件是与供应商签订长期一揽子订单,供应商减少了销售风险和费用,也就愿意承担库存积压的风险了。
5、生产线在制品管理:实现准时化生产方式的企业在制品数量被控制在看板数量之内,关键在于确定一个合理有效的看板数量。
6、技术支撑:有些企业忽略了看板管理的技术支撑体系,从而导致了实践中的失败。
根据日本丰田汽车公司的经验,单纯地采用看板管理不可能全面实现生产过程的合理化,应该首先从生产过程的合理化入手,不断改进作业方法,完善生产条件,然后逐步过渡到看板管理。
由此可以看出是否具备技术支撑体系是实现看板管理的关键所在。
7、人员素质要求:实施看板管理的企业不仅仅要求员工能在正常情况下进行标准化作业,还要求员工能尽快解决生产过程中的各种突发问题,保障生产流程的顺畅。
8、适用行业:准时化生产方式的适用范围就比较窄了,通常只有采用流水线方式制造或装配产品的企业才使用。
典型行业是汽车制造业。
但是准时化生产方式中的一些管理思想:如杜绝浪费和过量生产、柔性生产计划、设备快速调整、全员参与改善活动等等,对于所有企业都是有借鉴意义的。
软加密是根据硬盘物理序列号生成软件特征码,根据特征码再生成一个授权文件,该文件由加密服务器解释,软件主体通过与加密服务器通讯来判定是否授权。
重新安装操作系统后,只要不更换硬盘,软件特征码就不会变化,所以只需要再次引入License.DAT文件即可。
如果换电脑呢当然硬盘也是新的,而硬盘物理序列号是全球唯一的,每一块硬盘都有一个全球唯一不重复的串号,软件特征码自然也改变了,授权文件自然也要改变。
所以需要重新注册。
如果觉得重新注册手续麻烦,也有变通方法,只需要把旧硬盘装新机器上就行了。
同行分享SAP最新版本ECC6,R3 for Oracle,MSSQL及免安装虚拟机,及pa标准视频,完整实施资料本人是做SAP外部顾问的,愿意结交同行分享SAP最新版本ECC6及免安装虚拟机,以及pa标准视频,abap视频全套资料等,更有完整实施资料,包括R3版本的,需要的加MSN或QQ:SignatureSaper阿里旺旺(淘宝):sapeccerpSkype :sapecc?修改物料的计量单位select * from t_icitem??where fnumber??like??'C.01%' select * from t_measureunitupdate t_icitem set fsaleunitid='1844' where fnumber??like??'C.01%'-----销售计量单位update t_icitem set forderunitid='1844' where fnumber??like??'C.01%'-----采购计量单位update t_icitem set fstoreunitid='1844' where fnumber??like??'C.01%'-----库存计量单位update t_icitem set fproductunitid='1844' where fnumber??like??'C.01%'-----生产计量单位update t_icitem set fpricedecimal=6---修改单价精度-修改固定资产模块的开始期间UPDATE t_SystemProfileSET FValue = 1WHERE (FCategory = 'FA') AND (FKey = 'StartPeriod') UPDATE t_SystemProfileSET FValue = 2007WHERE (FCategory = 'FA') AND (FKey = 'StartYear')修改总帐期间select * from??t_SystemProfileUPDATE t_SystemProfileSET FValue = 3WHERE (FCategory = 'gl') AND (FKey = 'currentPeriod') UPDATE t_SystemProfileSET FValue = 2009WHERE (FCategory = 'gl') AND (FKey = 'currentyear')修改暂估的参数UPDATE t_SystemProfileSET FValue = '1'WHERE (FKey = 'zangudiffmethod') AND (FCategory = 'IC')------单到冲回或月初一次从回UPDATE t_SystemProfileSET FValue = '1'WHERE (FKey = 'MAKEzanguvoucher') AND (FCategory = 'IC')-----选择入库暂估修改计价方法select * from t_icitem??where fnumber='02.003'select * from t_icitem where ftrack='81'??update t_icitem set ftrack='76' where fnumber='02.003'修改库存更新参数update t_systemprofile set fvalue=1 where fcategory='ic' and fkey='upstockwhensave'修改业务期间UPDATE t_SystemProfileSET FValue = 2008WHERE (FKey = 'StartYear') AND (FCategory = 'IC') UPDATE t_SystemProfileSET??FValue = 10WHERE (FKey = 'StartPeriod ') AND (FCategory = 'IC') UPDATE t_SystemProfileSET FValue = 2008WHERE (FKey = 'CurrentYear') AND (FCategory = 'IC') UPDATE t_SystemProfileSET??FValue = 10WHERE (FKey = 'CurrentPeriod ') AND (FCategory = 'IC')。