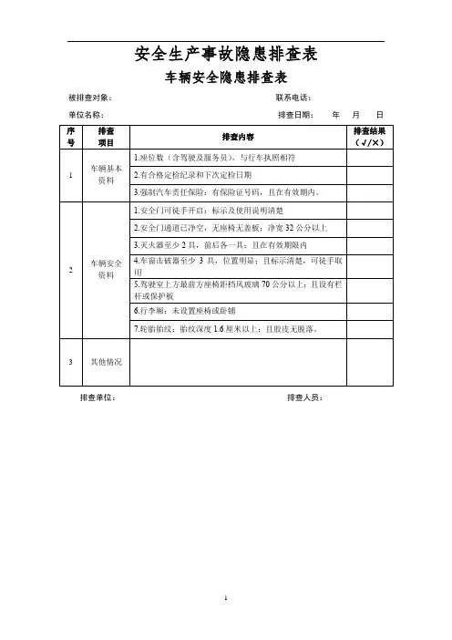
车辆安全隐患排查表格
- 格式:doc
- 大小:23.00 KB
- 文档页数:1
物流车辆安全隐患排查表一、车辆外观及车身结构1. 车身是否有严重变形,裂纹,破损等情况2. 车辆外观是否有明显漆面剥落,锈蚀,腐蚀等情况3. 车辆灯光是否正常,包括前后灯、转向灯、刹车灯等4. 车辆玻璃是否完整,有无裂纹,以及玻璃是否透明清晰5. 车顶、车门、车窗是否有变形、松动等情况二、车辆内饰及安全设施1. 座椅、安全带是否完好,有无松动、磨损等情况2. 方向盘、仪表盘是否正常,指针、显示屏是否清晰3. 空调、加热、除雾设备是否正常4. 车辆警示标志、灭火器、急救箱等安全设施是否齐全完好5. 车辆内部是否干净整洁,无异味,车窗、车门是否能正常关闭三、车辆动力系统1. 发动机是否存在漏油、冒烟、异响等情况2. 变速器、离合器是否操作正常,换挡是否顺畅3. 刹车系统是否灵敏可靠,刹车片、刹车盘是否磨损过度4. 方向盘是否偏车,转向是否灵活四、车辆轮胎系统1. 轮胎胎压是否正常,轮胎花纹是否充足2. 轮胎是否有裂纹、磨损、气泡等情况3. 轮胎是否有变形、漏气等情况4. 轮胎螺丝是否拧紧,轮毂是否松动五、车辆悬挂系统1. 悬挂系统是否有异响或异常震动2. 悬挂弹簧是否完好,有无断裂、变形等情况3. 悬挂主、副材料是否固定牢靠六、车辆电气系统1. 电池是否正常,电极端子是否松动2. 发电机是否正常,充电是否充足3. 起动机是否正常,启动是否顺畅4. 灯具、雨刮器等是否正常使用5. 喇叭是否正常响声清晰七、重点检查部件1. 发动机舱、变速箱、车轮、刹车片、转向机构、悬挂系统等重点部件的安全性能情况2. 发动机附件部件、供油系统、供气系统、供水系统、电器装置等系统的实际使用效果3. 车辆经常充电设备、火灾报警设备、救护箱等其他配套设施的情况八、其他安全隐患排查1. 车辆通风是否通畅,排气是否正常2. 车辆底盘是否干净,无漏油、漏水情况3. 车辆转向是否灵活,无死角4. 车辆上下斜坡时刹车系统是否正常5. 车辆操纵系统是否灵活,没有卡滞以上为物流车辆安全隐患排查表,车辆在使用前、维修保养后应严格按照相关要求进行检查,确保车辆的安全行驶。
客车安全隐患排查表序号项目名称检查内容检查方法结果及处理情况1 车辆底盘客车底盘是否有明显损伤, 是否漏油, 是否有松动、变形、破损等情况, 是否扎胎、破胎。
检查车辆底盘是否存在明显破损,是否有油渍迹象,是否存在变形现象,是否有异常响声。
2 转向系统客车转向是否灵活, 是否正常指向。
检查客车转向系统各零部件是否松动变形、或损坏,主要检查转向节、转向链杆、转向连杆端头、转向缸、转向机、转向车辆的方向盘等部件是否存在明显的损伤、松动等现象。
3 制动系统检查车辆制动系统各零部件是否松动, 是否有异常响声, 是否有异常抖动, 是否制动片磨损严重, 是否制动液泄漏, 轮胎是否有磨损, 制动系统管路是否有损伤, 制动踏板行程是否正常。
检查客车制动系统各零部件,包括制动片、制动盘、制动油泵、防抱死制动系统、刹车灯开关机构,并测试刹车性能,确保刹车管路不漏油,防抱死刹车系统无故障4 车灯系统转向灯, 大灯, 小灯, 刹车灯, 倒车灯, 仪表灯, 车内灯, 雾灯, 示廓灯等灯光的亮灭、晃动、指示灯, 信号灯、警告灯是否正常, 是否有松动, 是否损坏, 是否有漏电, 电源线是否有老化、破损、绝缘皮龛是否完好及接头是否可靠等。
检查车辆灯光系统是否完好,是否灵活、明亮,并自车内检查灯泡、传导线路是否有老化、是否能工作正常。
5 电瓶电力系统检查发电机有无发电异常、电瓶状态, 正、负极磷、电瓶的舱及周围有无污垢、电瓶盖是否完好, 电瓶引线、端子、连接器处是否松动, 电瓶外壳是否变形、漏液及是否干净。
检查电瓶状态、电器线路是否有腐蚀老化、蓄电池的电压是否正常。
检查电动门窗系统是否有异常动作。
6 轮胎检查轮胎是否有老化、是否有裂纹, 花纹是否足够、轮胎的气压是否正常及车轮是否有异响等。
检查客车轮胎的磨损度,胎况、胎面的裂纹以及轮胎胎质是否变形等轮胎情况。
7 空调制冷系统空调系统制冷效果是否正常、空调系统不良工作的原因是否断属、管路是否完好、蓄压瓶是否渗漏、压缩机是否有异常声音, 制冷系统是否有明显泄露现象。