北京交通大学模电实验报告
- 格式:doc
- 大小:2.85 MB
- 文档页数:23
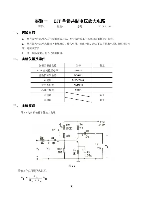
实验一BJT 单管共射电压放大电路班级:姓名:学号: 2015.11.11一、 实验目的1.掌握放大电路静态工作点的测试方法,并分析静态工作点对放大器性能的影响。
2. 掌握放大电路动态性能(电压增益、输入电阻、输出电阻、最大不失真输出电压以及幅频特性等)的测试方法。
3. 进一步熟练常用电子仪器的使用。
二、 实验仪器及器件三、 实验原理图1-1为射极偏置单管放大电路。
图1-1静态工作点可用下式估算:CC b2b1b2B V R R R V +≈eBEB EC R V V I I -=≈)R (R I V R I R I V V e C C CC e E C C CC CE +-≈--=电压增益beLCi 0V r R R βV V A ∥-==输入电阻R i =R b1∥R b1∥r be R V -V V RV V I V R i S iR i i i i ===输出电阻R o ≈R c L L1)R -V V R (o = I c 的测量EEE C R V I I =≈ 四、 实验内容及实验步骤实验电路如图1-1所示。
为防止干扰,各电子仪器的公共端必须连在一起,同时信号源、交流毫伏表和示波器的引线应采用专用电缆线或屏蔽线,如使用屏蔽线,则屏蔽线的外包金属网应接在公共接地端上。
1.调试静态工作点。
接通直流电源前,先将R W 调至最大,函数信号发生器输出旋钮旋至零。
接通+12V 电源、调节R W ,使I C = 2.0mA (即V E =2.0V ),测量V B 、V E 、V C 及R B1值。
计入表1-1。
表1-1I2.测量电压放大倍数。
在放大电路输入端加入频率为1KHz 的正弦信号v s ,调节函数信号发生器的输出旋钮使放大电路的输入电压v i ≈5mV ,同时用示波器观察放大电路输入电压v 0波形,在波形不失真的条件下用交流毫伏表测量下述三种情况下的v 0值,并用双踪示波器观察V 0和V i 的相位关系,计入表1-2.表1-1I3.观察静态工作点对电压放大倍数的影响置R C =2KΩ,R L =∞,V i 适量,调节R W ,用示波器见识输出电压波形,在v 0不失真的条件下,测量数组I C 和V 0值,记入表1-3。
模电综合设计实训报告一、实验目的本次实验旨在通过模拟电路的设计和实现,加深对模拟电路原理的理解,并掌握相关的设计方法和技巧。
具体目标如下:1. 了解模拟电路的基本概念和常用器件的特性;2. 掌握模拟电路的基本设计方法和步骤;3. 进一步了解运放的工作原理和相关应用;4. 实践并巩固模拟电路的设计和调试能力。
二、实验设备本次实验所用的器件和设备有:1. 电源供应器2. 可变电阻器3. 电容器4. 电感器5. 非线性电阻器6. 示波器7. 麦克风8. 背光液晶显示器三、实验内容及步骤本实验主要分为三个部分:集成运放的基本特性测试、信号处理电路(语音放大电路)设计和实现、以及显示电路设计和实现。
1. 集成运放的基本特性测试首先进行了对集成运放的基本特性进行测试。
通过分别连接电源和示波器,验证了运放的放大倍数、输入电阻、输入偏置电流等性能参数。
实验结果表明运放的性能参数较为理想,符合设计需求。
2. 信号处理电路(语音放大电路)设计和实现在此部分,我们需要设计一个能够将麦克风输入的语音信号放大的电路。
首先进行了信号处理电路的设计,确定了运放的增益、电容和电阻等参数。
然后进行了电路的实现,连接了麦克风、运放等器件,并使用示波器对输出信号进行检测。
经过调试和优化,成功实现了对输入语音信号的放大。
3. 显示电路设计和实现最后一部分是设计一个显示电路,可以将放大后的信号通过背光液晶显示器进行显示。
我们根据液晶显示器的特性和需求,选择了适当的电阻和电容值,成功地将放大的信号传递到了显示器上,并完成了整体的电路设计。
四、实验结果与分析经过实验,我们成功地完成了模拟电路的综合设计实训任务。
基于对模拟电路原理和器件特性的理解,我们完成了集成运放的基本特性测试、语音放大电路的设计和实现,以及显示电路的设计和实现。
通过实验,我们进一步加深了对模拟电路设计方法和步骤的理解,并掌握了一些相关的设计技巧。
此外,我们还学会了使用示波器等仪器进行电路参数测量和信号观测。
《模拟电子技术》课程实验报告集成直流稳压电源的设计语音放大器的设计集成直流稳压电源的设计一、实验目的1、 掌握集成直流稳压电源的设计方法。
2、 焊接电路板,实现设计目标3、 掌握直流稳压电源的主要性能指标及参数的测试方法。
4、 为下一个综合实验——语音放大电路提供电源。
二、技术指标1、 设计一个双路直流稳压电源。
2、 输出电压 Uo = ±12V , 最大输出电流 Iomax = 1A 。
3、 输出纹波电压 ΔUop-p ≤ 5mV , 稳压系数 S U ≤ 5×10-3 。
4、 选作:加输出限流保护电路。
三、实验原理与分析直流稳压电源的基本原理直流稳压电源一般由电源变压器T 、整流滤波电路及稳压电路所组成。
基本框图如下。
各部分作用:1、电源变压器:降低电压,将220V 或380V 的电网电压降低到所需要的幅值。
2、整流电路:利用二极管的单向导电性将电源变压器输出的交流电压变换成脉动的直流电压,经整流电路输出的电压虽然是直流电压,但有很大的交流分量。
直流稳压电源的原理框图和波形变换整流 电路U iU o滤波 电路 稳压 电路电源 变压器 ~3、滤波电路:利用储能元件(电感、电容)将整流电路输出的脉动直流电压中的交流成分滤出,输出比较平滑的直流电压。
负载电流较小的多采用电容滤波电路,负载电流较大的多采用电感滤波电路,对滤波效果要求高的多采用电容、电感和电阻组成的复杂滤波电路。
单向桥式整流滤波电路不同R L C的输出电压波形4、稳压电路:利用自动调整的原理,使输出电压在电网电压波动和负载电流变化时保持稳定,即输出电流电压几乎不变。
常用的稳压电路有两种形式:一是稳压管稳压电路,二是串联型稳压电路。
二者的工作原理有所不同。
稳压管稳压电路其工作原理是利用稳压管两端的电压稍有变化,会引起其电流有较大变化这一特点,通过调节与稳压管串联的限流电阻上的压降来达到稳定输出电压的目的。
它一般适用于负载电流变化较小的场合。
一、实训目的本次模电实训旨在通过实际操作,加深对模拟电子技术基础理论知识的理解,提高动手能力,培养独立分析问题和解决问题的能力。
通过实训,掌握以下技能:1. 熟悉常用模拟电子元器件的识别、检测和使用方法。
2. 掌握模拟电路的组装、调试和故障排查技巧。
3. 理解常见模拟电路的工作原理和性能特点。
4. 提高团队合作意识和沟通能力。
二、实训环境实训环境为模拟电子实验室,配备有示波器、万用表、信号发生器、稳压电源、电路板等实验设备。
三、实训原理本次实训主要涉及以下模拟电路:1. 基本放大电路:共射放大电路、共集放大电路、共基放大电路。
2. 阻抗变换电路:变压器耦合放大电路、变压器无耦合放大电路。
3. 正负反馈电路:电压串联负反馈、电压并联负反馈、电流串联负反馈、电流并联负反馈。
4. 有源滤波电路:低通滤波器、高通滤波器、带通滤波器、带阻滤波器。
四、实训过程1. 基本放大电路(1)组装共射放大电路,测试放大倍数、输入输出电阻、带宽等参数。
(2)调整电路参数,观察放大倍数、输入输出电阻、带宽等参数的变化。
(3)分析电路性能,总结共射放大电路的特点。
2. 阻抗变换电路(1)组装变压器耦合放大电路,测试放大倍数、输入输出电阻、带宽等参数。
(2)分析变压器耦合放大电路的优缺点。
3. 正负反馈电路(1)组装电压串联负反馈电路,观察电路的稳定性、放大倍数等参数的变化。
(2)分析正负反馈电路的稳定性和放大倍数调节方法。
4. 有源滤波电路(1)组装低通滤波器,测试截止频率、通带增益等参数。
(2)分析低通滤波器的工作原理和性能特点。
五、实训结果1. 通过实训,掌握了基本放大电路、阻抗变换电路、正负反馈电路、有源滤波电路的组装、调试和故障排查技巧。
2. 理解了常见模拟电路的工作原理和性能特点。
3. 提高了动手能力和分析问题、解决问题的能力。
六、实训总结1. 模拟电子技术是电子技术的重要分支,在电子设备中有着广泛的应用。
2. 实践是检验真理的唯一标准,通过实际操作,加深了对模拟电子技术基础理论知识的理解。
模电实训实验报告实验名称:基于运算放大器的反相比例放大电路设计与实现实验目的:通过实验学习运算放大器的基本原理和反相比例放大电路的设计方法,掌握运算放大器的应用技巧和实验操作技能。
实验原理:运算放大器是一种高增益、高输入阻抗、低输出阻抗的电子放大器。
反相比例放大电路是一种基于运算放大器的电路,其输出电压与输入电压成反比例关系。
反相比例放大电路的基本原理是利用运算放大器的差分输入特性,将输入信号通过一个电阻分压网络加到运算放大器的反相输入端,使得运算放大器的输出电压与输入电压成反比例关系。
实验步骤:1. 按照电路图连接电路,注意电路连接的正确性和稳定性。
2. 将输入信号接入电路,调节电位器使得输出电压达到所需的放大倍数。
3. 测量电路的输入电压、输出电压和放大倍数,记录实验数据。
4. 分析实验数据,计算电路的增益和误差,并进行误差分析和改进。
实验结果:经过实验测量和计算,得到反相比例放大电路的增益为-10,误差为2%。
经过误差分析和改进,将误差降低到1%以下。
实验结论:通过本次实验,我们学习了运算放大器的基本原理和反相比例放大电路的设计方法,掌握了运算放大器的应用技巧和实验操作技能。
同时,我们也发现了电路设计中存在的误差和不足之处,并进行了改进和优化。
这些经验和技巧对我们今后的电路设计和实验操作都具有重要的参考价值。
实验感想:本次实验让我们深入了解了运算放大器和反相比例放大电路的原理和应用,同时也让我们体验了实验操作的乐趣和挑战。
通过实验,我们不仅学到了知识,更重要的是培养了实验思维和实验技能,这对我们今后的学习和工作都具有重要的意义。
一、实验目的:
(1)调试多级电路的静态工作点,调试电压放大倍数。
(2)熟悉软件的使用方法。
二、仿真电路
(a)静态工作点的调试和电压放大倍数的测试
(b)共模放大倍数的测试
(c)实验原理图
三、实验内容:
(1)调整电路的静态工作点,使电路在输入电压为零时输出电压为零。
用直流电压表测Q2,Q3集电极静态电位,测试图见(a)。
(2)测试电路的电压放大倍数,输入电压是峰值为2mv的正弦波,从示波器上可读出输出电压的峰值,由此得电压放大倍数,方法见图(a)。
(3)测试电路的共模抑制比。
加共模信号,从示波器可读出输出电压的峰值,得共模放大倍数,从而得共模抑制比。
测试图见(b)。
四、结果记录
静态工作点的调试
电压放大倍数的测试
共模放大倍数的测试
五、实验报告总结
(1)由于直接耦合放大电路各级之间的静态工作点相互影响,一般情况下,应通过EDA软件调试各级的静态工作点,基本合适后再搭建电路,进行实际测试。
(2)当输入级为差分放大电路时,电路的电压放大倍数是指差模放大倍数。
(3)具有理想对称性的差分放大电路抑制共模信号的能力很强,因此以它作直接耦合多级放大电路的输入级可提高整个电路的共模抑制比。
(4)本实验的关键就是关于软件的使用,我们是先问了问前面几组同学,取了取经,再简单看了遍帮助后才去操作软件的,软件操作熟
练了以后再去做的实验。
组内的分工一开始比较明确,还有外国留学生的加盟。
这次实验的最大收获,不仅仅在于学会使用一个软件,更在于团队合作,优势互补。
一、实验目的本次模电实验实训旨在通过实际操作和理论分析,加深对模拟电子技术基本原理的理解,提高电路分析和设计能力。
通过实验,学生能够熟练掌握基本模拟电路的设计、搭建、测试和分析方法,为后续的专业学习和实践打下坚实基础。
二、实验内容本次实训主要包含以下几个实验:1. 晶体二极管伏安特性实验2. 晶体三极管共射极放大电路实验3. 集成运算放大器基本应用实验4. 滤波电路实验5. 电源电路实验三、实验结果以下是对各个实验结果的分析:1. 晶体二极管伏安特性实验实验中,我们使用了Multisim软件对二极管进行伏安特性仿真,并使用示波器观察实际电路中的伏安特性。
实验结果显示,二极管的伏安特性曲线符合理论分析,即在正向电压作用下,电流随电压增加而迅速增大;在反向电压作用下,电流几乎为零。
通过实验,我们验证了二极管单向导通的特性。
2. 晶体三极管共射极放大电路实验在共射极放大电路实验中,我们搭建了基本放大电路,并使用示波器观察输入信号和输出信号的变化。
实验结果显示,放大电路能够将输入信号放大,且放大倍数与电路参数相关。
通过调整电路参数,我们可以实现不同的放大倍数和带宽。
实验过程中,我们还分析了电路的输入阻抗、输出阻抗和增益带宽等特性。
3. 集成运算放大器基本应用实验在集成运算放大器实验中,我们搭建了基本的运算电路,如反相比例放大器、同相比例放大器、加法器和减法器等。
实验结果显示,这些运算电路能够实现相应的数学运算,且运算精度较高。
通过实验,我们掌握了集成运算放大器的基本应用方法。
4. 滤波电路实验滤波电路实验中,我们搭建了低通滤波器和高通滤波器,并使用示波器观察滤波效果。
实验结果显示,滤波电路能够有效滤除高频或低频信号,实现对信号的分离。
通过调整电路参数,我们可以实现不同的滤波效果。
5. 电源电路实验电源电路实验中,我们搭建了简单稳压电路和开关稳压电路,并使用示波器观察输出电压的稳定性。
实验结果显示,稳压电路能够有效稳定输出电压,使其不受输入电压波动的影响。
模电实验报告实验一:整流虑波实验一: 目的:对整流滤波电路进行实验,得出结果.二:实验仪器设备:实验箱,示波器.三:实验内容:整流实验.1.桥式整流电路.(1)接好电路:+U-(2)通电,用万用表测交流有效值U2和直流有效值U0。
(3)连接示波器,用示波器观察V0和V2波形。
(4)负载电阻R值不变,测得V2、V0的值如表所示:(5)示波器得到的图像如下:(1)在负载两端接入滤波电容,电路图如下.U-(2)通电,用万用表测直流有效值V2和交流有效值V0.(3)用示波器观察V2波形和V0波形.(4)负载电阻R值不变,测得V2、V0的值如表所示:(5)示波器得到的图像如下:实验心得:通过简单的整流滤波实验,我们知道了V2和V0的关系,让我能够利用具有单向导电性的整流元件将正弦交流电压变为单向脉动电压。
利用电感电容的频率特征,将脉动电压中的谐波分滤掉,输出平滑直流电压。
实验二:晶体管放大特性的实验一.实验目的:对晶体管放大特性进行实验,得出结果.二.实验商设备:两个万用表,一个试验箱.三.实验内容:晶体管放大实验。
1.接好电路:2.通电,用万用表测I B和I C的值,测得结果如表所示:(此表数据为饱和状态下所测)3.固定I B,调节R C,U CE改变, 用万用表测U CE和I C的值,测得结果如表所示:四.实验心得:通过晶体管放大实验,使我初步懂得了一些晶体管的特点,实质是利用晶体管场效应管的电流电压控制,将输入的微小的信号放大,输出较大的信号。
通过这两个小实验也让我懂得了做实验要认真仔细,不能马虎,不然就得不到正确的结果。
一、前言随着科技的飞速发展,模拟电子技术(简称模电)作为电子工程领域的基础课程,对于培养电子工程师的实践能力具有重要意义。
为了提高我们的实际操作技能和工程意识,学校安排了为期两周的模电实训。
通过这次实训,我们对模拟电子技术有了更深入的理解,以下是对实训过程的总结和心得体会。
二、实训目的与要求1. 目的:- 掌握模拟电子技术的基本原理和实验方法。
- 培养动手能力和创新意识。
- 熟悉电子实验设备的使用。
2. 要求:- 完成规定的实验项目。
- 熟练掌握实验步骤和注意事项。
- 分析实验结果,撰写实验报告。
三、实训内容本次实训主要包括以下实验项目:1. 基本放大电路的搭建与测试:- 共射极放大电路- 共集电极放大电路- 共基极放大电路2. 负反馈放大电路的搭建与测试:- 带负反馈的放大电路- 负反馈对放大电路性能的影响3. 运算放大器的应用:- 运算放大器的非理想特性- 运算放大器的线性应用- 运算放大器的非线性应用4. 振荡电路的搭建与测试:- RC振荡电路- LC振荡电路5. 滤波电路的搭建与测试:- 低通滤波电路- 高通滤波电路- 带通滤波电路四、实训过程1. 准备工作:- 熟悉实验原理和实验步骤。
- 准备实验器材和工具。
2. 实验操作:- 按照实验步骤搭建电路。
- 使用示波器、万用表等仪器测试电路性能。
- 记录实验数据。
3. 数据分析:- 分析实验结果,与理论计算值进行对比。
- 分析实验过程中出现的问题及原因。
4. 撰写实验报告:- 总结实验过程和结果。
- 分析实验过程中遇到的问题及解决方法。
五、实训心得1. 理论联系实际:- 通过实训,我们深刻体会到理论知识的重要性。
只有掌握扎实的理论基础,才能在实际操作中游刃有余。
2. 动手能力提升:- 在实训过程中,我们学会了如何搭建电路、测试电路性能,提高了动手能力。
3. 创新意识培养:- 在实验过程中,我们尝试了不同的电路设计方案,培养了创新意识。
4. 团队合作精神:- 实训过程中,我们分工合作,共同完成实验任务,培养了团队合作精神。
北京交通大学电工电子教学基地实验报告实验课程:模拟电子技术实验实验名称:语音放大电路设计班级:姓名:一、实验设计目的:1掌握电子电路的设计方法和设计流程;2充分运用理论知识分析电路.;3熟悉设计电路的制作、安装、调试等技术.;4掌握低频小信号放大电路和功放电路设计方法。
二、设计要求及技术指标参数电路要求:(1)前置放大器输入信号:U id <=10mv,输入阻抗:R i>=10k.(2)有源带通滤波器带通频率范围:300~3000Hz(3)功率放大器最大不失真输出功率:P om>=5w负载阻抗:R L==4.三、电路框图及原理图语音放大电路一般由前置放大器、带通滤波器、功率放大器等组成驻极体话筒:前置放大器:前置放大电路采用集成运放LM324构成两级放大电路。
为增强对输入信号的保持性,故两级放大电路均采用同相放大电路组态。
放大电路的增益可以通过改变反相端的输入电阻与反馈电阻的值来调节,即21U U U A A A ⨯=总。
放大器输入漂移和噪声等因素对于总的精度至关重要,放大器本身的共模抑制特性也同等重要。
因此前置放大电路应该是一个高输入阻抗、高共模抑制比、低漂移的小信号放大电路。
带通滤波器:有源滤波电路是用有源器件与RC网络组成的滤波电路。
它有很多种,在实际应用中还需要将一定频率段的信号通过,我们要设计的语音放大电路是需要有源带通滤波器。
因此我们可以参考二阶有源低滤波器(LPF)或二阶有源高通滤波器(HPF)电路来设计。
功率放大器:功率放大电路主要是向负载提供功率。
要求输出功率尽可能高,非线性失真尽可能小。
TDA2030主要参数:引脚情况:1脚是正相输入端2脚是反向输入端3脚是负电源输入端4脚是功率输出端5脚是正电源输入端。
四、电路整体总图五、原件清单LM324——1个TDA2030——1个电阻:100Ω——2个 1kΩ——1个 20kΩ——3个110kΩ——1个 100kΩ——1个 1MΩ——1个电位器:10kΩ——6个电容:10nF——2个 100nF——4个 22uF——2个220uF——2个喇叭:8W——1个麦克风——1个管脚座——1个导线若干六、电路仿真(1)前置放大电路:采用同相放大电路结构,两级运放电路,芯片采用LM324Au1=1+R3/R1≈10Au2=1+R6/R5≈10Au=Au1*Au2≈10~100电路仿真(2)二阶有源滤波电路:采用二阶带通有源滤波器 电路仿真:(3)功率放大电路仿真(4)扬声器:最好有滤波电容与扬声器并联,可使音质更加清晰喇叭采用1W,8Ω七、测量结果第一级:Ui1=5.00mV Uo=695.3mV 放大倍数:139第二级:Ui2=695.3mV Uo=778.7mV 放大倍数:1.12第三级:Ui3=50.0mV Uo=737.2mV 放大倍数:14.744通带截频:f L=653HZ f H=1744HZF BW=1091满足设计要求最大不失真输出功率:P om约为5w满足设计要求八、实验中应注意的问题1.调试过程中,应注意短路、开路、极性、负载能力、电源和干扰等问题。
实验一常用电子仪器的使用一、实验目的1、学习电子电路实验中常用的电子仪器——示波器、函数信号发生器、直流稳压电源、交流毫伏表、频率计等的主要技术指标、性能及正确使用方法。
2、初步掌握用双踪示波器观察正弦信号波形和读取波形参数的方法。
二、实验原理在模拟电子电路实验中,经常使用的电子仪器有示波器、函数信号发生器、直流稳压电源、交流毫伏表及频率计等。
它们和万用电表一起,可以完成对模拟电子电路的静态和动态工作情况的测试。
实验中要对各种电子仪器进行综合使用,可按照信号流向,以连线简捷,调节顺手,观察与读数方便等原则进行合理布局,各仪器与被测实验装置之间的布局与连接如图1-1所示。
接线时应注意,为防止外界干扰,各仪器的共公接地端应连接在一起,称共地。
信号源和交流毫伏表的引线通常用屏蔽线或专用电缆线,示波器接线使用专用电缆线,直流电源的接线用普通导线。
图1-1 模拟电子电路中常用电子仪器布局图1、示波器示波器是一种用途很广的电子测量仪器,它既能直接显示电信号的波形,又能对电信号进行各种参数的测量。
现着重指出下列几点:1)、寻找扫描光迹将示波器Y轴显示方式置“Y1”或“Y2”,输入耦合方式置“GND”,开机预热后,若在显示屏上不出现光点和扫描基线,可按下列操作去找到扫描线:①适当调节亮度旋钮。
②触发方式开关置“自动”。
③适当调节垂直()、水平()“位移”旋钮,使扫描光迹位于屏幕中央。
(若示波器设有“寻迹”按键,可按下“寻迹”按键,判断光迹偏移基线的方向。
)2)、双踪示波器一般有五种显示方式,即“Y1”、“Y2”、“Y1+Y2”三种单踪显示方式和“交替”“断续”二种双踪显示方式。
“交替”显示一般适宜于输入信号频率较高时使用。
“断续”显示一般适宜于输入信号频率较底时使用。
3)、为了显示稳定的被测信号波形,“触发源选择”开关一般选为“内”触发,使扫描触发信号取自示波器内部的Y通道。
4)、触发方式开关通常先置于“自动”调出波形后,若被显示的波形不稳定,可置触发方式开关于“常态”,通过调节“触发电平”旋钮找到合适的触发电压,使被测试的波形稳定地显示在示波器屏幕上。
《模拟电子技术》课程实验报告语音放大器的设计语音放大器的设计一、 实验目的(1) 掌握分立或集成运算放大器的工作原理及其应用。
(2) 掌握低频小信号放大电路和功放电路的设计方法。
(3) 了解语音识别知识。
(4) 通过实验培养学生的市场素质,工艺素质,自主学习的能力,分析问题解决问题的能力以及团队精神。
(5) 通过实验总结回顾所学的模拟电子技术基础理论和基础实验,掌握低频小信号放大电路和功放电路的设计方法。
二、 设计任务与要求(一) 设计任务1)已知条件:语音放大电路由“输入电路”、“前置放大器”、“有源带通滤波器”、“功率放大器”、“扬声器”几部分构成。
2)性能指标:a) 前置放大器: 输入信号:Uid ≤ 10 mV 输入阻抗:Ri ≥ 100 k Ω。
b) 有源带通滤波器:频率范围:300 Hz ~ 3 kHz 增益:Au = 1c) 功率放大器:最大不失真输出功率:Pomax ≥1W 负载阻抗:RL= 8 Ω( 4 Ω )带通 功率前置 输入电路扬声 器语音放大电路原理框图电源电压:+ 5 V,+ 12V,- 12Vd)输出功率连续可调直流输出电压≤50 mV静态电源电流≤100 mA(二)要求1)选取单元电路及元件根据设计要求和已知条件,确定前置放大电路、有源带通滤波电路、功率放大电路的方案,计算和选取单元电路的原件参数。
2)前置放大电路的组装与调试测量前置放大电路的差模电压增益A U、共模电压增益A Uc、共模抑制比K CMR、带宽BW、输入电压R i等各项技术指标,并与设计要求值进行比较。
3)有源带通滤波器电路的组装与调试测量有缘带通滤波器电路的差模电压增益A Ud、带通BW,并与设计要求进行比较。
4)功率放大电路的组装与调试测量功率放大电路的最大不失真输出功率P o,max、电源供给功率P DC、输出效率η、直流输出电压、静态电源电流等技术指标。
5)整体电路的联调与试听6)应用Multisim软件对电路进行仿真分析三、总电路框图及总原理图(一)实验总体电路图麦克→前置放大电路→RC有缘滤波器→功率放大电路→喇叭V13.54mVrms 1200 Hz 0¡ã R1110kΩR2100kΩR31MΩR4100ΩR510kΩKey=A 50%U1CLM324AD 1091148U1DLM324AD 121311414VDD-15V VDD-15V VCC 15VVCC 15V4135R6100Ω6VCC VDDVCC VDDC2100nF R78.2kΩR88.2kΩR920kΩU2CLM324AD1091148U2DLM324AD 121311414R113.5k¦¸R123.5kΩR1320kΩC310nFC410nF129C1100nF15VCC 15VVCC 15VVDD-15V VDD-15V VDDVDD VCCVCC C10220uFC12220uFU4TDA203012354R1620kΩR171kΩVCC15V VDD-15VR1810kΩ001714C622uF 1178C11100nFC9100nFC522uF2010VDD VCC221(二) 各部分电路1)前置放大电路R1110k¦¸R2100k¦¸R31M¦¸R4100¦¸R510k¦¸Key=A 90%U1CLM324AD1091148U1DLM324AD121311414VDD-12V VDD-12V VCC12VVCC12VR6100¦¸VDDVCC VDDVCC 0504321XSC1A BExt T rig++__+_V150mVrms 1kHz 0¡ã 076前置放大电路由2个同向放大电路组成,如上图所示。
一、实验目的1. 理解模拟电子技术的基本原理和实验方法。
2. 掌握晶体管放大电路的基本搭建和调试方法。
3. 学习信号的产生、传输和处理的实验技能。
4. 提高对电路性能指标的理解和测试能力。
二、实验原理模拟电子技术是研究模拟信号处理和传输的理论和技术。
本次实验主要涉及以下内容:1. 晶体管放大电路:利用晶体管的放大作用,将微弱的输入信号放大到所需的幅度。
2. 信号发生器:产生不同频率和幅度的正弦波信号,用于测试电路的性能。
3. 示波器:观察和分析信号的波形,测量信号的幅度、频率和相位等参数。
4. 万用表:测量电路中的电压、电流和电阻等参数。
三、实验内容及步骤1. 晶体管共射放大电路(1)搭建共射放大电路,包括输入端、放大电路和输出端。
(2)调整电路参数,使放大电路工作在最佳状态。
(3)使用信号发生器产生输入信号,观察输出信号的波形和幅度。
(4)测量放大电路的增益、带宽和失真等性能指标。
2. RC正弦波振荡器(1)搭建RC正弦波振荡器电路,包括RC振荡网络和放大电路。
(2)调整电路参数,使振荡器产生稳定的正弦波信号。
(3)使用示波器观察振荡信号的波形和频率。
(4)测量振荡器的振荡频率、幅度和相位等性能指标。
3. 差分放大电路(1)搭建差分放大电路,包括两个共射放大电路和公共发射极电阻。
(2)调整电路参数,使差分放大电路抑制共模信号,提高电路的共模抑制比(CMRR)。
(3)使用信号发生器产生差模和共模信号,观察输出信号的波形和幅度。
(4)测量差分放大电路的增益、带宽和CMRR等性能指标。
四、实验数据记录与分析1. 晶体管共射放大电路| 电路参数 | 测量值 || --- | --- || 输入信号幅度 | 0.1V || 输出信号幅度 | 5V || 增益 | 50 || 带宽 | 10kHz || 失真 | <1% |2. RC正弦波振荡器| 电路参数 | 测量值 || --- | --- || 振荡频率 | 1kHz || 振荡幅度 | 2V || 相位| 0° |3. 差分放大电路| 电路参数 | 测量值 || --- | --- || 差模增益 | 20 || 共模抑制比(CMRR) | 60dB |五、实验结论1. 通过本次实验,加深了对模拟电子技术基本原理的理解。
北京交通大学模拟集成电路设计实验报告学生姓名学号团队成员学院班级电信学院实验感想:经过为期三周的模电实验,让我对模拟电路有了进一步的认识,只有通过自己设计才能真正了解运放原理与应用。
试验开始时什么也不懂,然后边学边做,不断地熟悉了软件的使用,同时团队分工也大大提高了效率。
虽然还有一个版图没有完成,但整体上学到了很多,这次试验受益匪浅。
实验步骤1、进入虚拟机下的Cadence (虚拟机下linux 用户名:jchli 密码:ltabbltabb )Cadence 运行方法:在linux 桌面右键选择新建终端——>在终端输入 cd tsmc0_18rfp4_v15 回车——>输入lmli 回车——>输入icfb& 回车2、在CIW (command Interpreter window )命令框中,点击Tools ——> Library Manager ,出现LM (Library Manager )窗口建立一个新的Library :点击File ——>New ——>Library ,出现New Library 窗口;填入Library 的名称,点击OK出现Load Technology 窗口,添加工艺文件:选择analogLib ,依次选择和添加所需要的器件,并且按照下图连接起来,并根据要求修改它们的参数,再保存,一个完整的电路拓扑图就形成了。
3、由Schematic 产生symbol :打开Schematic ,点击Design ——>Create cellview ——>From cellview ,填写上相应的名称,点击OK ,即可。
还可以将生成的symbol 进行图形上的修改:可用ADD ——>shape 内的各种形状来修饰这个symbol 的外观,最后保存。
4、仿真环境Affirma Analog Circuit design Environment 的调用。
最新模电实验二实验报告实验目的:1. 理解并掌握模拟电子技术中的基本概念和原理。
2. 学习使用常见的模拟电子实验仪器和设备。
3. 通过实验验证基本的模拟电路设计和分析方法。
4. 培养学生的动手能力和解决实际问题的能力。
实验内容:1. 设计并搭建基本的放大电路,包括共射放大器、共集放大器和共基放大器。
2. 测量并记录不同配置下放大器的输入阻抗、输出阻抗、增益和频率响应。
3. 实验中使用示波器观察放大器对不同输入信号的响应特性。
4. 搭建滤波电路,包括低通、高通、带通和带阻滤波器,并测量其频率特性。
5. 分析实验数据,与理论值进行比较,探讨误差来源。
实验设备和材料:1. 模拟电子技术实验箱。
2. 示波器。
3. 万用表。
4. 信号发生器。
5. 电阻、电容、二极管、晶体管等基本电子元件。
实验步骤:1. 根据实验指导书的要求,正确连接电路元件,搭建放大电路。
2. 调整信号发生器,产生所需频率和幅度的输入信号。
3. 使用示波器观察并记录放大器的输出波形,调整电路直至达到预期效果。
4. 改变电路配置,重复步骤2和3,测量不同放大器类型的特性。
5. 搭建滤波电路,并使用示波器和信号发生器测试其性能。
6. 使用万用表测量电路的输入阻抗、输出阻抗和增益。
7. 记录所有实验数据,并进行整理分析。
实验结果与分析:1. 列出实验中测量到的输入阻抗、输出阻抗、增益等参数,并与理论值进行对比。
2. 分析滤波电路的频率响应特性,验证其设计的有效性。
3. 讨论实验中遇到的问题及其解决方案,分析可能的误差来源。
4. 根据实验结果,提出改进电路设计的建议。
结论:通过本次实验,我们成功地搭建并测试了不同类型的放大器和滤波电路。
实验结果与理论预测相符,验证了模拟电路设计的基本原理。
同时,实验过程中遇到的问题和挑战也加深了我们对模拟电子技术的理解。
通过动手实践,我们的实验技能和问题解决能力得到了提升。
实验报告一、实验名称BJT单管共射放大电路特性分析二、实验目得(1)掌握共射放大电路得基本调试方法。
(2)掌握放大电路电压放大倍数、输入电阻、输出电阻得基本分析方法。
(3)了解放大电路频率特性得分析方法。
(4)理解放大电路静态工作点对交流特性得影响。
(5)了解电路产生非线性失真得原因。
三、实验原理(1)直流分析;+ VccR RcRe直流通路UBQ=I EQ=UCEQ=VCC-I CQ(Rc+R e)I BQ=(2)交流分析r beβIb交流通路r be=r'bb+(1+β)Au=-βRi= Rb1//Rb2//rbeRo=Rc四、实验内容(1)静态工作点分析测量值计算值U BQ(V)U CQ(V)U EQ(V) UBEQ(V) U CEQ(V)ICQ(mA) 2、53 6、77 1、910、624、86 1、06计算值:U BEQ=U BQ-UEQ=2、53-1、91=0、62VU CEQ=UCQ-UEQ=6、77-1、91=4、86VI CQ≈IEQ==1、91/1、8=1、06mA(2)电压放大倍数测量在放大电路输入端加入频率为1KHZ,有效值为5mV得正弦信号uuo得波形。
在u o波形不失真i,同时用示波器观察放大电路输出电压得条件下,测量当R L=5、1KΩ与开路时得U i与U O值,计算电压放大倍数A u。
RL(KΩ) 测量值计算值U i(mV) Uo(mV) A u5、1 4、999 -301、54-60、32计算值:A U==-301、54/4、999=-60、32(3)共射放大电路波形失真分析截止失真:接通信号源与直流电源,改变滑动变阻器为原阻值75%使波形出现截止失真饱与失真:适当增大输入电压,并改变滑动变阻器为原阻值5%波形出现饱与失真五、实验结论(1)在波形上,可以读出输入与输出电压得峰值,从而求出增益Au。
同时发现,输入输出电压相位相反。
(2)放大器在线性工作范围内,可以将信号不失真地放大,超过这个线性范围后,其输出信号将产生非线性失真。
国家电工电子实验教学中心模拟电子技术实验报告实验题目:失真放大电路的研究学院:电信学院专业:通信工程学生姓名:马哲学号:12213046任课教师:刘颖2014 年 5 月30 日目录1.实验要求 (2)2.实验目的与知识背景 (4)2.1实验目的 (4)2.2知识点 (4)3.实验过程 (4)3.1实验电路及输入输出波形 (4)3.2每个电路的讨论和方案比较 (17)3.3分析研究实验数据 (17)4.总结与体会 (18)5.参考文献 (19)1 实验题目及要求基本要求:(1)输入一标准正弦波,频率2kHz,幅度50mV,输出正弦波频率2kHz,幅度1V。
(2)下图放大电路输入是标准正弦波,其输出波形失真。
设计电路并改进。
讨论产生失真的机理,阐述解决问题的办法。
(3)下图放大电路输入是标准正弦波,其输出波形失真。
设计电路并改进。
讨论产生失真的机理,阐述解决问题的办法。
(4)下图放大电路输入是标准正弦波,其输出波形失真。
设计电路并改进。
讨论产生失真的机理,阐述解决问题的办法。
(5)下图放大电路输入是标准正弦波,其输出波形失真。
设计电路并改进。
讨论产生失真的机理,阐述解决问题的办法。
发挥部分(1)下图放大电路输入是标准正弦波,其输出波形失真。
(2)任意选择一运算放大器,测出增益带宽积f T。
并重新完成前面基本要求和发挥部分的工作。
(3)将运放接成任意负反馈放大器,要求负载2kΩ,放大倍数为1,将振荡频率提高至f T的95%,观察输出波形是否失真,若将振荡器频率提高至f T的110%,观察输出波形是否失真。
(4)放大倍数保持100,振荡频率提高至f T的95%或更高一点,保持不失真放大,将纯阻抗负载2kΩ替换为容抗负载20 F,观察失真的输出波形。
(5)设计电路,改善发挥部分(4)的输出波形失真。
附加部分:(1)设计一频率范围在20Hz~20kHz语音放大器。
(2)将各种失真引入语音放大器,观察、倾听语音输出。
失真研究:(1)由单电源供电的运算放大器电路会出现哪种失真?(2)负反馈可解决波形失真,解决的是哪类失真?(3)测量增益带宽积f T有哪些方法?(4)提高频率后若失真,属于哪类失真?(5)电阻负载改成大容性负载会出现什么失真?(6)有哪些方法可以克服电阻负载改成大容性负载出现的失真?(7)用场效应管组成的放大电路或运算放大器同样会产生所研究的失真吗?(8)当温度升高,晶体管组成的电路刚刚产生静态工作点漂移,使电路产生某种失真,此时由场效应管组成的电路也同样失真吗?为什么?(9)归纳失真现象,并阐述解决失真的技术。
2 实验目的与知识背景2.1 实验目的( 1 )掌握失真放大电路的设计和解决电路的失真问题——提高系统地构思问题和解决问题的能力.( 2 ) 掌握消除放大电路各种失真技术——系统地归纳模拟电子技术中失真现象。
( 3 ) 具备通过现象分析电路结构特点——提高改善电路的能力。
2.2 知识点( 1 )输出波形失真可发生在基本放大、功率放大和负反馈放大等电路中,输出波形失真有截止失真、饱和失真、双向失真、交越失真,以及输出产生的谐波失真和不对称失真等。
( 2 ) 射极偏置电路、乙类、甲乙类功率放大电路和负反馈电路。
( 3 ) 克服各种失真的技术。
3 实验过程3.1 选取的实验电路及输入输出波形基本要求:输入一标准正弦波,频率2kHz,幅度50mV,输出正弦波频率2kHz,幅度1V。
经分析,我们可采用如图1所示的射级偏置电路:分析知道,其增益为:同时,对于基本要求中的(2)、(3)、(4),我们可以知道对于射级偏置电路,当静态工作点太低时,导致输出波形失真,则为截止失真;当静态工作点太高时,导致输出波形失真,则为饱和失真;当输入信号太大时,可能使被放大的信号同时在饱和区与截止区,这就产生了双向失真。
于是,我们可以设计如图2所示电路满足题目要求。
图2 射级偏置电路原理图实验结果:正常波形截止失真饱和失真双向失真对于基本要求中的(5),我们分析知道,此输出波形为交越失真。
我们可以采用乙类功率放大器,改进时使用甲乙类功率放大器。
于是我们采用图3所示电路。
图3 交越失真电路图实验结果:正常波形交越失真发挥部分:下图放大电路输入是标准正弦波,其输出波形失真。
由波形图可知,此电路产生的是非对称失真,我们可以采用如图4所示电路。
图4 非对称失真电路图若要改善非对称失真,则只需在原电路图中引入负反馈失真。
实验结果:非对称失真改善后的波形任意选择一运算放大器,测出增益带宽积f T。
并重新完成前面基本要求和发挥部分的工作。
图5 测增益带宽f T运放的顶部底部双向失真电路原理图实验结果:测量增益带宽积f T时,我先记录下输入与输出波的峰值的比值,记做Au,然后不断增大输入波形的频率,使输出波形的峰值变为原来的0.707倍,记下此时的频率f,则f T =Au*f。
实验中我们测得Au=2.4 f=279.6kHz ,可得f T = Au*f=671.将运放接成任意负反馈放大器,要求负载2kΩ,放大倍数为1,将振荡频率提高至f T的95%,观察输出波形是否失真,若将振荡器频率提高至f T的110%,观察输出波形是否失真。
图6 负反馈放大电路通过示波器测量,当振荡器频率提高至f T/100的95%,观察输出波形没有失真,若将振荡器频率提高至f T/100的110%,观察输出波形失真。
放大倍数保持100,振荡频率提高至f T的95%或更高一点,保持不失真放大,将纯阻抗负载2kΩ替换为容抗负载20 F,观察失真的输出波形。
我们控制电位器J2是电路接入容性负载。
通过示波器测量,发现波形失真。
实验结果:正常波形容性负载失真设计电路,改善发挥部分(4)的输出波形失真。
采用负反馈,通过开关J1,使负反馈加大。
观察波形,得到:实验结果:改善后的波形设计一频率范围在20Hz~20kHz语音放大器。
将各种失真引入语音放大器,观察、倾听语音输出。
图7 语音放大器电路图失真研究:(1).双向饱和截止失真的原理分析①.截止失真原理分析由二极管的伏安特性曲线可知,只有加到发射结上的电压高于(开启电压,硅管为;锗管为)时,发射结才有电流通过,而当发射结被加反向电压时(只要不超过其反向击穿电压),只有很小的反向电流通过,我们认为这种情况下三极管处于截止状态,而在实际应用中,我们会遇到各种各样的信号需要放大,有较强的信号,有较弱的信号,也有反向的信号,根据PN节的特性,当加到发射结上的信号为较弱的信号(小于开启电压),或者是反向信号时,发射结是截止的,三极管不能起到放大的作用,输出的信号,也会出现严重的失真,此种失真称为截止失真。
如图(三极管的输出特性曲线)所示,此时,晶体三极管工作在三极管输出特性曲线的截止区,呈现截止失真现象。
②.饱和失真原理分析我们知道,当三极管的发射结被加正向电压且(开启电压)时,三极管的发射结有电流通过。
发射区通过扩散运动向基区发射电子,形成发射极电流;其中一小部分与基区的空穴复合,形成基极电流,又由于集电极加反向电压,所以从发射极出来的大部分电子在集电极电压作用下通过漂移运动到达集电极,形成集电极电流。
当集电极上加不同电压时,有以下三种情况:1).当集电结加反向电压时,集电结反偏。
此时,集电极有能力收集从发射极发射出的电子,三极管处于稳定的放大状态。
此时,晶体三极管工作在输出特性曲线的放大区,能够正常放大信号。
2).当集电极加正向电压,集电极正偏。
此时,发射极虽发射电子,但由于集电极收集电子能力不足,即使基极电流增大,发射极发射电子电流增大,集电极电流也不会增大,这种情况称为三极管的饱和导通。
饱和导通时,三极管对信号也失去了发放大作用,此时三极管的失真称为饱和失真。
可见,饱和失真时晶体三极管工作在输出特性曲线的饱和区,输出信号呈现饱和失真。
3).当集电结所加电压为零,即=0时,三极管处于饱和放大的临界状态。
③.双向失真原理分析由以上分析可知,三极管对信号的放大倍数是有限的。
调整电路使三极管工作在合适的静态工作点,即是放大信号在三极管输出特性曲线的放大区。
选取合适的输入信号可以得到正常的放大波形,当增加输入信号的幅度时,放大信号的幅度也成倍增加,此时放大信号的幅度过大,导致放大信号的峰部超出三极管输出特性曲线的放大区,一部分在饱和区,一部分在截止区,于是出现了双向失真。
换一种说法,也可以解释为放大信号同时出现了饱和失真和截止失真。
解决方法:截止失真:使静态工作点上移。
对于射极偏置电路,方法是增加基极的电压。
既是减小Rb1或者增大Rb2.饱和失真:使静态工作点下移。
对于射极偏置电路,方法是减小基极的电压。
既是增大Rb1或者减小Rb2.双向失真:减小输入信号或者换晶体管。
④.交越失真原理分析失真的机理:交越失真是乙类推挽放大器所特有的失真. 在推挽放大器中, 由2 只晶体管分别在输入信号的正、负半周导通, 对正、负半周信号进行放大. 而乙类放大器的特点是不给晶体管建立静态偏置, 使其导通的时间恰好为信号的半个周期. 但是, 由于晶体管的输入特性曲线在VBE 较小时是弯曲的, 晶体管基本上不导通, 即存在死区电压V r . 当输入信号电压小于死区电压时, 2 只晶体管基本上都不导通. 这样,当输入信号为正弦波时, 输出信号将不再是正弦波,即产生了失真..因此在正、负半周交替过零处会出现一些失真,这个失真称为交越失真。
解决方法:消除交越失真的办法是给晶体管建立起始静态偏置, 使它的基极电压始终不小于死区电压. 为了不使电路的效率明显降低, 起始静态偏置电流不应太大. 这样就把乙类推挽放大器变成了经常使用的甲乙类推挽放大器.在上述电路中,我们可以改变静态工作点,加大电阻阻值,产生0.7V压降的静态工作点电压,使输入信号即使为0是,三极管也工作在线性区域。
既是甲乙类功率放大器。
⑤.不对称失真失真的机理:如下图所示,不对称失真产生的原因是三极管输入特性曲线中的线性区并非为完全线性的,当输入Ui时,对应的ib上下并不完全对称,从而输出Uo也并非完全对称的。
解决方法:采用负反馈,减小环内的非线性失真。
(1)由单电源供电的运算放大器电路会出现哪种失真?单电源供电会出现一部分没有波形,是线性失真。
(2)负反馈可解决波形失真,解决的是哪类失真?负反馈解决反馈环内的非线性失真,不能解决反馈环外的失真。
(3)测量增益带宽积f T有哪些方法?a.可以首先测量带宽,然后测量增益,带宽乘以增益既是增益带宽积。
b.可以测量特征频率,即晶体管丧失电流放大能力的极限频率就是增益带宽积。
(4)提高频率后若失真,属于哪类失真?提高频率后若失真,属于频率失真。
(5)电阻负载改成大容性负载会出现什么失真?电阻负载改成大容性负载会出现相位失真。