表(深水)1.17-5 上垫层和防护层铺填工序施工质量验收评定表
- 格式:doc
- 大小:36.50 KB
- 文档页数:1
目录序号表号表格名称1 综表1 单位工程质量评定表2 综表2 分部工程施工质量评定表3 综表3 单位工程施工质量检测资料核查表4 表1 岩基开挖单元工程质量评定表5 表2 软基开挖单元工程质量评定表6 表3 隐蔽工程联合验收表7 表4 基础(隐蔽)工程验收表8 表5 混凝土单元工程质量评定表9 表5-1 混凝土基础面或施工缝处理工序质量评定表10 表5-2 模板工序质量评定表11 表5-3 钢筋工序质量评定表12 表5-4 止水及伸缩缝工序质量评定表13 表5-5 混凝土浇筑工序质量评定表14 表6 现浇砼单元工程质量检验评定表15 表7.1 土石坝坝基及岸坡处理单元工程质量评定表16 表7.1—1 坝基及岸坡清理工序质量评定表17 表7.1—2 防渗体岩基及岸坡开挖工序质量评定表18 表7.1—3 坝基及岸坡地质构造处理工序质量评定表19 表7.1—4 坝基及岸坡渗水处理工序质量评定表20 表7.2 土质防渗体填筑单元工程质量评定表21 表7.2—1 土石坝土质防渗体结合面处理工序质量评定表22 表7.2—2 土石坝土质防渗体卸料及铺填工序质量评定表23 表7.2—3 土石坝土质防渗体压实工序质量评定表24 表7.2—4 土石坝土质防渗体接缝处理工序质量评定表25 表7.11 反滤工程单元工程质量评定表26 表7.25 混凝土预制块质量评定表27 表8 浆砌石砌筑单元工程质量检验评定表28 表9浆(干)砌石护坡单元工程质量评定表29 表10浆砌预制块单元工程质量检验评定表30 表11预制构件单元工程质量检验评定表31 表12 预制构件安装单元工程质量检验评定表32 表15管床、管座单元工程质量评定表33 表16混凝土管道安装单元工程质量检验评定表34 表17 灌注桩单元工程质量评定表35 表18 隧洞洞身开挖单元工程质量评定表36 表19 喷锚支护单元工程质量检验评定表37 表19-1水工建筑物回填灌浆单元工程质量评定表39 表21隧洞(涵洞)洞身预制混凝土构件衬砌单元工程质量评定表40 表22 隧洞(涵洞)洞身混凝土浇筑单元工程质量评定表41 表23 土渠开挖单元工程质量评定表42 表24 石渠开挖单元工程质量评定表43 表25 岸坡清理及开挖单元工程质量评定表44 表26 土方回填单元工程质量评定表45 表27 灰土、砂石、砂和三合土基础单元工程质量检验评定表46 表29 预制混凝土板单元工程质量评定表47 表30 渠道混凝土板衬砌单元工程质量评定表48 表31 砂质量评定表49 表32 砂浆质量评定表50 表33 卵石(碎石)质量评定表51 表34 同一验收批砂浆强度检验评定报告52 表35 混凝土拌和质量评定表53 表35-1 砼拌和物质量评定表54 表35-2 混凝土试块质量评定表55 表36 混凝土试块试验强度统计质量评定报告56 表37 水泥品质评定表57 表38 钢筋质量评定表58 表39 栏杆梯步、金属盖板及灯饰单元工程质量评定表59 表41 施工日记60 表42 堤防(或坝体)填筑单元工程质量评定表61 表43 草土体、草帚单元工程质量评定表62 表44 铅丝笼、砼四角体、散抛石单元工程质量评定表63 表45 砌体勾缝单元工程质量检验评定表64 表47 现浇渠道砼单元工程质量评定表65 表49 土地整理开发单元工程质量评定表66 表50 四级公路与乡村道路单元工程质量评定表67 表53 反滤体单元工程质量检查评定表68 表54 岩石地基帷幕灌浆单元工程质量评定表69 表55 土渠开挖、(沟道清淤或开挖)质量评定表70 表56 田间配套工程闸门单元工程质量评定表71 表57 田间配套工程生产桥单元工程质量评定表72 表58 田间配套工程陡坡单元工程质量评定表73 表59 田间配套工程涵洞单元工程质量评定表74 表60 田间配套工程斗口(农口)单元工程质量评定表75 表63 建筑屋面单元工程质量评定表76 表64 建筑门窗单元工程质量评定表77 表65 建筑砌砖单元工程质量评定表78 表66 建筑地面单元工程质量评定表79 表67 室内外装饰单元工程质量评定表80 表69 水落斗、水落管单元工程质量检验评定表81 表70 工程报验单82 表71 沟道整治单元工程质量检验评定表83 表72 人饮工程输水管道安装单元工程质量评定表84 表73 分水井、检查井单元工程质量评定表85 表79 机井成井单元工程质量评定表86 表81 井孔水文地质柱状剖面图87 表83 抽水试验成果表88 表84 下管(套管、井管、滤水管)记录表89 表85 强夯法基础处理单元工程质量评定表90 表85-1 地基夯实法试验91 表86 砼管、预应力砼管及预防应力钢筒砼管单元工程质量评定表92 表86-1 预应力钢筒砼管接头水压试验原始记录93 表金-1 压力钢管制作单元工程质量评定表94 表金-3 压力钢管安装单元工程质量评定表95 表金-5 拦污栅安装单元工程质量评定表96 表金-7 金属结构防腐蚀表面处理、涂料涂装单元工程质量评定表97 表金-8 焊缝质量检查评定表98 表金-9 螺杆式启闭机安装单元工程质量评定表99 表金-11 启闭机械轨道安装单元工程质量评定表100 表金-12 桥式起重机安装单元工程质量检验评定表101 表金-13 平面闸门埋件安装单元工程质量评定表102 表金-14 平面闸门安装单元工程质量评定表103 表金-14-1 压力钢管岔管、弯管制作单元工程质量评定表水利水电工程单位工程质量评定表综表1工程项目名称施工单位单位工程名称施工日期自年月日至年月日单位工程量评定日期年月日序号分部工程名称质量等级序号分部工程名称质量等级合格优良合格优良1 82 93 104 115 126 137 14分部工程共个,全部合格,其中优良个,优良率%,主要分部工程优良率% 外观质量应得分,实得分,得分率%施工质量检验资料质量事故处理情况施工单位自评等级:评定人:项目经理(盖公章)年月日监理单位复核等级:复核人:总监或副总监:(盖公章)年月日项目法人认定等级:复核人:单位负责人:(盖公章)年月日工程质量监督机构核定等级:核定人机构负责人:(盖公章)年月日注:将表中主要分部工程用“△”符合标注水利水电工程分部工程施工质量评定表综表2单位工程名称施工单位分部工程名称施工日期自年月日至年月日分部工程量评定日期年月日项次单元工程类型工程量单元工程个数合格个数其中优良个数备注12345678910合计重要隐蔽单元工程、关键部位单元工程施工单位自评意见监理单位复核意见项目法人认定意见本分部工程的单元工程质量全部合格。
广西水利水电工程施工质量验收评定表及填表说明广西水利水电工程质量与安全监督中心站二〇一五年七月编写说明为进一步加强水利水电工程施工质量管理,统一工程施工质量验收评定标准,规范工程验收评定工作,水利部于2012年9月以[2012]第57号公告发布了《水利水电工程单元工程施工质量验收评定标准》(SL631~637—2012)(以下简称《新标准》)。
为帮助我区广大工程技术人员学习领会和准确执行《新标准》,规范填写工程内业施工质量评定表,依据《新标准》,在借鉴其它省区施工质量验收评定表的基础上,我们编制了《水利水电工程施工质量评定表及填表说明》,以方便大家在水利工程质量管理工作中使用。
全部表格共分三部分,总计463个表。
第一部分为工程项目、单位、分部工程质量评定表,共计17个表(电子版文件为表0),包含单位工程质量等级核定前需填写的8个附表。
第二部分为单元(工序)质量评定表,计435个表(电子版文件为表1~7)。
其中:表1.土石方工程50个表(电子版文件为表1),表2.混凝土工程60个表(电子版文件为表2),表3.地基处理与基础工程52个表(电子版文件为表3),表4.堤防工程58个表(电子版文件为表4),表5.水工金属结构安装工程50个表(电子版文件为表5),表6.水轮发电机组安装工程121个表(电子版文件为表6),表7.水力机械辅助设备系统安装工程44个表(电子版文件为表7),并逐个编写了填表说明。
第三部分为质量检测与质量评定备查资料表,共计11个表(电子版文件为表8)。
堤防工程中没有的表格,土石方工程使用631的表格,砼工程使用632的表格。
工程项目中如有新标准尚未涉及的单元工程时,其质量标准及评定表,由项目法人组织监理、设计及施工单位根据设计要求和设备生产厂商的技术说明书,制定施工、安装的质量验收评定标准,并按照本《水利水电工程施工质量验收评定表》中的统一格式(表头、表身、表尾)制定相应质量验收评定表,报工程项目监督机构核备后使用。
水利水电工程单元工程施工质量验收评定表填表说明与示例(试行)全册(部颁标准:工程项目及单元工程评定表)××省市水务工程质量监督站汇编前言为了进一步加强××省市水利工程施工质量验收评定工作,明确施工质量验收评定相关要求,使水利工程施工质量验收评定工作标准化、规范化,根据××省市水利工程建设的特点,汇编《××省市水利水电工程单元工程施工质量验收评定表填表说明与示例(试行)》(以下简称汇编评定表),在××省市水利工程建设中使用。
由于汇编时间仓促和水平有限,新规范、新标准、新工艺的不断推出,本书难免存在不尽之处,在使用过程中,有意见和建议请随时反馈,以便今后修订和完善。
如果与国家、省市有关法规标准不一致之处,以法规标准为准。
本《汇编评定表》汇编过程中,得到了××省省水利厅安监处,××省市海洋农渔和水务局的指导和支持,××省市水利工程质量安全监督站、××省省水利水电第三工程局、××省×省工程有限公司、××省××省工程监理有限公司等单位也给予了大力支持,在此一并表示衷心感谢。
汇编单位:××省市水务工程质量监督站参编单位:××省×省工程建设监理有限公司编委会:郭仲秋、王电波、许蓓蕾、雷芸、叶永巧编写人员:叶永巧、谢利监、吕汉增、黄敏能、杨水深、梁佩华莫华、韦家庆、谢貞博、蒲蜀君、段仲锋、王玉彬反馈意见请寄:××省市水务工程质量监督站地址:邮编:电子邮箱:汇编说明为了规范××省市水利水电工程单元工程施工质量验收评定,根据《水利水电工程施工质量检验与评定规程》SL176—2007、《水利水电建设工程验收规程》SL223—2008、《水利水电工程单元工程施工质量验收评定标准—土石方工程》(SL631-2012)、《水利水电工程单元工程施工质量验收评定标准—混凝土工程》(SL632-2012)、《水利水电工程单元工程施工质量验收评定标准—地基处理与基础工程》(SL633-2012)、《水利水电工程单元工程施工质量验收评定标准—堤防工程》(SL634-2012)、《水利水电工程单元工程施工质量验收评定标准—水工金属结构安装工程》(SL635-2012)、《水利水电工程单元工程施工质量验收评定标准—水轮发电机组安装工程》(SL636-2012)、《水利水电工程单元工程施工质量验收评定标准—水力机械辅助设备系统安装工程》(SL637-2012)(以下简称“七项标准”)及相关规范、规程要求,我站根据××省市水利工程的特点,结合××省市近年来水利水电工程施工实例,按照“七项标准”的分类,筛选出“七项标准”中××省市水利水电工程中常用到的单元工程施工质量评定表及《水利水电工程施工质量检验与评定规程》SL176—2007规定的工程项目施工质量评定表,汇编××省市水利水电工程单元工程施工质量验收评定表(试行)(第一册)。
堤防工程填表说明1.本章表格适用于1级、2级、3级堤防工程的单元工程施工质量验收评定,4级、5级堤防工程可参照执行。
2.单位工程、分部工程名称应按《项目划分表》确定的名称填写。
单元工程名称、部位填写《项目划分表》确定的本单元工程设备名称及部位。
工序前加“△”者为主要工序。
3.工序施工质量验收评定应具下述条件进行验收评定:①工序中所有施工内容已完成,现场具备验收条件;②工序中所包含的施工质量检验项目经施工单位自检全部合格。
4.工序施工质量验收评定应按下述程序进行验收评定:①施工单位应首先对已经完成的工序施工质量进行自检,并做好检验记录;②施工单位自检合格后,应填写工序施工质量验收评定表,质量责任人履行相应签认手续后,应向监理单位申请复核;③监理单位收到表格后,应在4h内进行复核。
5.监理复核内容包括:①核查施工单位报验资料是否真实、齐全;②结合平行检测和跟踪检测结果等,复核工序施工质量检验项目是否符合本标准的要求;③在施工单位提交的“工序施工质量验收评定表”中填写复核记录,并签署工序施工质量评定意见,评定(核定)工序施工质量等级,相关责任人履行相应签认手续。
6.单元工程施工质量具备下述条件后验收评定:①单元工程所含工序(或所有施工项目)已完成,施工现场具备验收的条件;②已完工序施工质量经验收评定全部合格,有关质量缺陷已处理完毕或有监理单位批准的处理意见。
7.单元工程施工质量按下述程序进行验收评定:①施工单位首先对已经完成的单元工程施工质量进行自检,并填写检验记录;②自检合格后,填写单元工程施工质量验收评定表,向监理单位申请复核;③监理单位收到申报后,在一个工作日内进行复核。
8.监理复核单元工程施工质量包括下列内容:①核查施工单位报验资料是否真实、齐全;②对照施工图纸及施工技术要求,结合平行检测和跟踪检测结果等,复核单元工程质量是否达到《水利水电工程单元工程施工质量验收评定标准-堤防工程》(SL 634-2012)的要求;③检查已完单元工程遗留问题的处理情况,在单元工程施工质量验收评定表中填写复核记录,并签署单元工程施工质量评定意见,核定单元工程施工质量等级,相关责任人履行相应签认手续;④对验收中发现的问题提出处理意见。
软基或土质岸坡开挖施工质量验收评定表
软基或土质岸坡开挖施工单元工程质量三检表
现浇混凝土护坡单元工程施工质量验收评定表表10.0.9
现浇混凝土护坡单元工程施工质量三检表
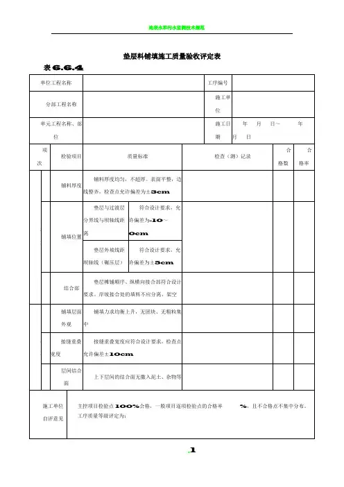
砂(石)垫层单元工程施工质量验收评定表
砂(石)垫层单元工程施工质量三检表
土料压实施工质量验收评定表
土料压实施工质量三检表
接缝处理施工质量验收评定表
接缝处理施工质量三检表
卸料及铺填施工质量验收评定表表6.2.5
卸料及铺填施工质量三检表
混凝土浇筑施工质量验收评定表
外观质量验收评定表
混凝土浇筑施工质量三检表
外观质量三检表
模板制作及安装施工质量验收评定表表5.3.1
模板制作及安装施工质量三检表
钢筋制作及安装施工质量验收评定表
钢筋制作及安装施工质量三检表。
水利水电单位工程外观质量评定表水利水电工程外观质量评定办法:单位工程完工后,由建设(监理)单位组织,负责该项工程的质量监督部门主持,由建设(监理)及质量检测等单位参加的工程外观质量评定组进行现场检验评定。
参加工程外观量评定的人员应具有工程师及其以上技术职称。
评定组人数不应少于5人,大型工程不宜少于7人。
各评定项目的质量标准,应根据所评工程特点及使用要求,再评定前由设计、建设监理及施工单位共同研究提出方案,经负责该项工程的质量监督部门确认后执行。
水工建筑工程单元工程质量评定表(共30个表式)本部分系根据水利电力颁发的《水利水电基本建设工程大元工程质量等级评定标准》SDJ249.1-88水利水电行业现行施工规范编制。
适用于大中型水利水电工程,小型工程可参照使用。
单元工程或工序质量检验内容按表中所列内容由施工单位自检,建设监理单位复核。
检测数量及单元工程或工序质量等级评定标准按照SDJ249.1-88执行。
评定表中加“△”的项目为主要检查(检测)项目。
工序名称前加“△”者为主要工序。
“质量标准”栏中凡写有“应符合设计要求”或“设计规定”的项目,应注明设计的具体要求。
水利水电工程表1.1岩石边坡开挖单元工程质量评定表注:“+”为超挖,“-”为欠挖。
水利水电工程表1.2岩石地基开挖单元工程质量评定表注:“+”为超挖,“-”为欠挖。
水利水电工程表1.3岩石洞室开挖单元工程质量评定表注:“+”为超挖,“-”为欠挖。
水利水电工程表1.4软基和岸坡开挖单元工程质量评定表注:“+”为超挖,“-”为欠挖。
水利水电工程表1.5混凝土单元工程质量评定表水利水电工程表1.5-1基础面或混凝土施工缝处理工序质量评定表水利水电工程表1.5-2混凝土模板工序质量评定表水利水电工程表1.5-3混凝土钢筋工序质量评定表续表1.5—3水利水电工程混凝土止水、伸缩缝和排水管安装水利水电工程表1.5-5混凝土浇筑工序质量评定表表1.6 混凝土预制构件安装单元工程质量评定表水利水电工程表1.7 混凝土坝坝体接缝灌浆单元工程质量评定表水利水电工程表1.8 岩石地基帷幕灌浆单元工程质量评定表注:表中第10项,系采用“孔口封闭灌浆法”或“自上而下分段灌浆法”时,应遵循的质量标准。
表岩石岸坡开挖地质缺陷处理工序施工质量验收评定表填表说明填表时必须遵守“填表根本规定〞,并符合以下要求。
1.单位工程、分部工程、单元工程名称及部位填写要与表1.2相同。
2.检验〔测〕方法及数量。
3.工序施工质量验收评定应提交以下资料:〔1〕施工单位各班〔组〕的初检记录、施工队复检记录、施工单位专职质检员终检记录,工序中各施工质量检验工程的检验资料。
〔2〕监理单位对工序中施工质量检验工程的平行检测资料。
4.工序质量标准。
〔1〕合格标准。
1〕主控工程,检验结果应全部符合SL 631的要求。
2〕一般工程,逐项应有70%及以上的检验点合格,且不合格点不应集中。
3〕各项报验资料应符合SL 631的要求。
〔2〕优良标准。
1〕主控工程,检验结果应全部符合SL 631的要求。
2〕一般工程,逐项应有90%及以上的检验点合格,且不合格点不应集中。
3〕各项报验资料应符合SL 631的要求水利水电工程..填表说明填表时必须遵守“填表根本规定〞,并符合以下要求。
1.单元工程划分:以施工检查验收的区、段划分,每一区、段划分为一个单元工程。
2.单元工程量:填写本单元开挖工程量〔m³〕。
3.岩石开挖施工单元工程宜分为岩石地基开挖、地质缺陷处理2个工序,其中岩石地基开挖为主要工序。
本表是在表、表1.3.2工序质量验收评定后完成。
4.单元工程施工质量验收评定应包括以下资料。
〔1〕施工单位应提交单元工程中所含工序〔或检验工程〕验收评定的检验资料,各项实体检验工程的检验记录资料。
〔2〕监理单位应提交对单元工程施工质量的平行检测资料。
5.单元工程质量标准。
〔1〕合格标准:各工序施工质量验收评定应全部合格;各项报验资料应符合SL 631的要求。
〔2〕优良标准:各工序施工质量验收评定应全部合格,其中优良工序应到达50%及以上,且主要工序应到达优良等级;工序报验资料应符合SL 631的要求。
水利水电工程表岩石地基开挖工序施工质量验收评定表填表说明填表时必须遵守“填表根本规定〞,并符合以下要求。
工序施工质量验收评定表主控项目检验点100%合格,一般项目逐项检验点的合格率 %,且不合格点不集中分布。
工序质量等级评定为: (签字,加盖公章)年 月曰经复核,主控项目检验点100%合格,一般项目逐项检验点的合格率 %,且不合格点不集中分布。
工序质量等级评定为:(签字,加盖公章)年 月曰施工单位 自评意见监理机构复核平淡意见单元工程名称、编号施工日期项次检验项目质量标准检查(测)记录或 备查资料名称合格数合格率主 控项 目 1堤基表面压实堤基清理后应按堤身 填筑要求压实,无松 土、无弹簧土等,并符 合5.0.7条要求23般 项目1基面平整 基面无明显凹凸23主控项目检验点100%合格,一般项目逐项检验点的合格率 %,且不合格点不集中分布。
工序质量等级评定为: (签字,加盖公章)年 月曰经复核,主控项目检验点100%合格,一般项目逐项检验点的合格率 %,且不合格点不集中分布。
工序质量等级评定为:(签字,加盖公章)年 月曰表5.0.5-1 土料摊铺工序施工质量验收评定表单元工程名称工序名称、编号施工单位 自评意见监理机构复核平淡意见表5.0.6 土料碾压工序施工质量验收评定表表6.0.4 工序施工质量验收评定表表6.0.5 土料吹填工序施工质量验收评定表表7.0.4建筑物表面涂浆工序施工质量验收评定表表7.0.5 结合部填筑工序施工质量验收评定表表8.0.3-1 散抛石工序施工质量验收评定表表8.0.3-2石笼防冲体制备工序施工质量验收评定表表8.0.3-3预制防冲体制备工序施工质量验收评定表表8.0.3-4 土工袋(包)防冲体制备工序施工质量验收评定表表8.0.3-5柴枕防冲体制备工序施工质量验收评定表表8.0.4防冲体抛投工序施工质量验收评定表表9.0.3沉排锚定工序施工质量验收评定表表9.0.4 旱地或冰上铺设铰链混凝土块沉排铺设工序施工质量验收评定表表9.0.5水下铰链混凝土块沉排铺设工序施工质量验收评定表表9.0.6 旱地或冰上土工织物软体沉排铺设工序施工质量验收评定表表9.0.7水下土工织物软体沉排铺设工序施工质量验收评定表表A.0.1-2单元工程施工质量验收评定表(划分工序)10.0.2沙(石)垫单元工程施工质量验收评定表(不划分工序)10.0.3 土工织物铺设单元工程施工质量验收评定表(不划分工序)10.0.4毛石粗排护坡单元工程施工质量验收评定表(不划分工序)10.0.5石笼护坡单元工程施工质量验收评定表(不划分工序)10.0.6干砌石护坡单元工程施工质量验收评定表(不划分工序)10.0.7浆砌石护坡单元工程施工质量验收评定表(不划分工序)10.0.8混凝土预制块护坡单元工程施工质量验收评定表(不划分工序)10.0.9现浇混凝土护坡单元工程施工质量验收评定表(不划分工10.0.10模袋混凝土护坡单元工程施工质量验收评定表序)(不划分工10.0.11灌砌石护坡单元工程施工质量验收评定表(不划分工序)10.0.12植草护坡单元工程施工质量验收评定表(不划分工序)10.0.13植草护坡单元工程施工质量验收评定表(不划分工序)11.0.2河道疏浚单元工程施工质量验收评定表(不划分工序)。
填表基本规定《水利水电工程施工质量验收评定表》(以下简称《评定表》)是检验与评定施工质量的基础资料,也是进行工程维修和事故处理的重要凭证,是工程验收的备查资料。
工程竣工验收后,《评定表》作为档案资料长期保存。
因此,按档案管理有关要求对《评定表》的填写作如下基本规定:(1)单元(工序)工程完工后,在规定时间内及时评定其质量等级,并按现场检验结果,客观真实地填写《评定表》。
(2)现场检验应遵守随机布点与监理工程师现场指定区位相结合的原则,检验方法及数量应符合《新标准》和相关标准的规定。
(3)若手工填写,应使用蓝色或黑色墨水钢笔,字迹应工整、清晰;若计算机打印,输入内容的字体应与表格固定内容不同,以示区别,字号可以相同或相近,匀称为宜。
质量意见和质量结论及签字部分(包括日期)不可打印。
(4)验收评定表与备查资料的制备规格采用国际标准A4 (210mm×297mm)。
(5)数字要使用阿拉伯数字(1,2,3,…,9,0),单位使用法定计量单位,并以规定的符号表示(如m,kg,m³,…)。
数据与数据之间用逗号(,)隔开,小数点要用圆点(.)。
合格率用百分数表示,小数点后保留1位,如果恰为整数,则小数点后以0表示。
(6)手工填写修改错误时,将错误部分用斜线划掉,再在右上方填写正确的文字或数字。
禁止使用改正液、橡皮擦、刀片刮等不标准方法。
(7)表头填写:单位工程、分部工程、单元工程名称,按项目划分确定的名称填写。
单元工程部位可用桩号、高程、到轴线(中心线)距离表示,原则是使该单元从空间(三维)上受控,必要时附图示意。
“施工单位”栏要填写与项目法人签订承包合同的施工单位全称。
(8)“质量标准”栏中,凡有“符合设计要求”者,应注明设计要求的具体内容,如内容较多可附页说明;凡有“符合规范要求”者,应标出所执行的规范名称和编号。
凡在“质量标准”栏中只作定性(即没有定量标准)描述的检验项目,则在检查(检测)结果记录中亦作定性描述,不参与质量结论中的合格率计算。