实验名称:时间测量中随机误差的分布规律 (2)
- 格式:doc
- 大小:142.00 KB
- 文档页数:4
时间测量中随即误差的分布规律
生命科学院 PB05207009 王一莘
实验内容:
1. 时间间隔测量:用电子秒表测量机械节拍器的摆动周期
2. 统计规律的研究
实验步骤:
将电子节拍器的声节拍频率设定为3个周期,旋紧发条。
实验组两位成员:一为手持秒表,从上一周期结束开始计时直至节拍器鸣响结束计时,将实验数据报告另一成员,由另一成员记录数据。
重复上述实验步骤200次。
数据处理:
做统计直方图,并对此图做高斯拟合。
5
注:区间长度经计算应取0.023s ,此直方图取0.025s
=)(σP 0.677
=)2(σP 0.940
=)3(σP 0.989
实验结论: 统计直方图与概率密度分布曲线拟合较好,测量值基本符合正态分布。
误差分析及思考题:
实验中,秒表:s p 2.0=∆ s T 01.0=∆,以及人为听觉敏锐度的差异都将引入误差特别是人为误差因人而已。
1. 答:主要误差为秒表:s p 2.0=∆ s T 01.0=∆,以及人为听觉敏锐度的差异
2. 答:基本符合正态分布规律。
实验报告:时间测量中随机误差的分布规律张贺PB07210001一、实验题目:时间测量中随机误差的分布规律二、实验目的:用常规仪器(如电子秒表、频率计等)测量时间间隔,通过对时间和频率测量的随机误差分布,学习用统计方法研究物理现象的过程和研究随机误差分布的规律。
三、实验仪器:电子秒表、机械节拍器四、实验原理:1.常用时间测量仪表的简要原理:(1)机械节拍器:由齿轮带动摆做周期性运动,摆动周期可以通过改变摆锤的位置连续调节。
(2)电子节拍器:由石英晶体振荡器、计数器、译码器、电源和分档控制及显示部分组成。
电子节拍器按一定的频率发出有规律的声响和闪光,声、光节拍范围为 1.5~0.28846s,分为39挡,各挡发生和闪光的持续时间约为0.18s。
(3)电子秒表:兼有数种测时功能(秒、分、时、日、月和星期),便于携带和测量的常用电子计时器。
电子秒表机芯由CMOS 集成电路组成,用石英晶体振荡器作时标,一般用六位液晶数字显示,其连续积累时间数为59min59.99s 。
分辨率为0.01s ,平均日差0.5s 。
(4) V AFN 多用数字测试仪:由PMOS 集成元件和100kHz 石英晶体振荡器构成。
可测量计数、振动、累计、速度、加速度、碰撞、频率、转速、角速、脉宽。
时标:由DC10集成电路和100kHz 石英晶体振荡器组成。
电路可直接输出0.01ms ,0.1ms ,1ms ,10ms ,0.1s ,1s 六挡方波脉冲作为时标信号和闸门时间。
石英晶体振荡器的稳定度为1.2×105-s/d ;频率测量范围1Hz~100kHz ;电信号输入幅度为300mV 。
2. 统计分布规律的研究:假设在近似消除了系统误差(或系统误差很小,可忽略不计,或系统误差为一恒定值)的条件下,对某物理量x 进行N 次等精度测量,当测量次数N 趋向无穷大时,各测量值出现的概率密度分布可用正态分布(又称高斯分布)的概率密度函数表示,]2)(exp[21)(22--=σπσx x x f (1)式中x 为测量的算术平均值,σ为测量列的标准差,nxx ni i∑==1(2)1)(12--=∑=n x x ni i σ (3)⎰-=aadx x f a P )()( (4)式中a=σ,2σ,3σ. (1) 统计直方图方法统计直方图是用实验研究某一物理现象统计分布规律的一种直观的方法。
实验报告05级 少年班 陈晨 Pb05000827实验题目:单摆的设计和研究实验目的:利用经典的单摆公式,给出的器材和对重力加速度g 的测量精度的要求,进行简单的设计性实验基本方法的训练学会应用误差均分原则选用适当的仪器和测量方法,学习积累放大法的原理及应用。
实验仪器:实验室提供以下器材(及参数):游标卡尺、米尺、千分尺、电子秒表、支架、细线(尼龙线)、钢球、摆幅测量标尺(提供硬白纸板自制)、天平(公用)。
假设摆长l ≈70.00cm ;摆球直径D ≈2.00cm ;摆动周期T ≈1.700s ;米尺精度Δ米≈0.05cm ;卡尺精度Δ卡≈0.002cm ;千分尺精度Δ千≈0.001cm ;秒表精度Δ秒≈0.01s ;根据统计分析,实验人员开、停秒表总的反映时间近似为Δ人≈0.2s 。
实验原理:单摆结构如图,当摆角充分小(一般θ<5○)摆球直径充分短(相对于摆线)时,单摆的一级近似周期公式为 glT π2= 因此通过测量摆动周期T ,摆长L 可得224T Lg π=实验内容:1、 用误差均分原理设计一单摆装置,测量重力加速度g ,设计要求:(1) 根据误差均分原理,自行设计实验方案,合理选择测量仪器和方法。
(2) 写出详细的推导过程,实验步骤。
(3) 用自制的单摆装置测量重力加速度g ,测量精度要求%1<∆gg。
2、对重力加速度g 的测量结果进行误差分析和数据处理,检验实验结果是否达到设计要求。
实验设计:以下利用误差均分原理设计一套单摆装置,测量重力加速度g ,测量精度要求%1<∆gg。
由于glT π2=,所以224T L g π=取对数 T L g ln 2ln 4ln ln 2-+=π 求微分TdTL dL g dg 2-= 按最大不确定度公式估算,有TTL L g g ∆+∆=∆2 应用均分原理%5.0≤∆L L ,%5.02≤∆TT将摆长L 和摆球直径D 的粗测值cm l 00.70≈,cm D 00.2≈代入,有 cm l 35.0≤∆和cm D 01.0≤∆结合器材精度参数考虑,选用精度足够的米尺测摆线长,游标卡尺测小球直径。
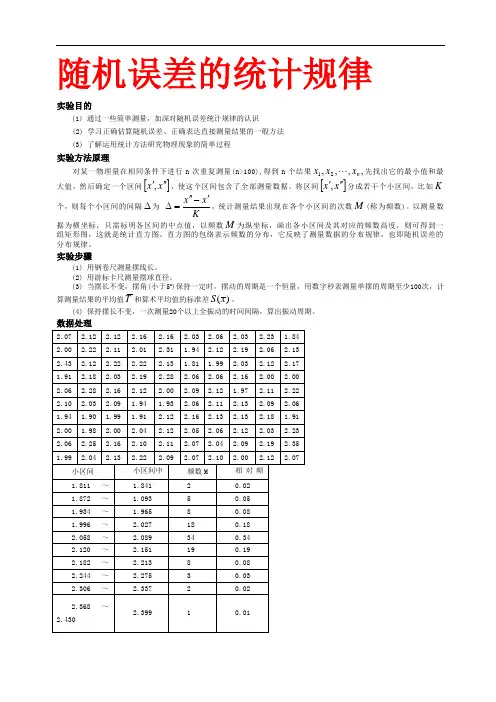
随机误差的统计规律实验目的(1) 通过一些简单测量,加深对随机误差统计规律的认识 (2) 学习正确估算随机误差、正确表达直接测量结果的一般方法 (3) 了解运用统计方法研究物理现象的简单过程实验方法原理对某一物理量在相同条件下进行n 次重复测量(n>100),得到n 个结果,,,,21n x x x 先找出它的最小值和最大值,然后确定一个区间[]x x ''',,使这个区间包含了全部测量数据。
将区间[]x x ''',分成若干个小区间,比如K个,则每个小区间的间隔∆为 Kx x '-''=∆,统计测量结果出现在各个小区间的次数M (称为频数)。
以测量数据为横坐标,只需标明各区间的中点值,以频数M 为纵坐标,画出各小区间及其对应的频数高度,则可得到一组矩形图,这就是统计直方图。
直方图的包络表示频数的分布,它反映了测量数据的分布规律,也即随机误差的分布规律。
实验步骤(1) 用钢卷尺测量摆线长。
(2) 用游标卡尺测量摆球直径。
(3) 当摆长不变,摆角(小于5o)保持一定时,摆动的周期是一个恒量,用数字秒表测量单摆的周期至少100次,计算测量结果的平均值T 和算术平均值的标准差)(x S 。
(4) 保持摆长不变,一次测量20个以上全振动的时间间隔,算出振动周期。
数据处理990.0=l m 03364.0=d m 00682.12=+=dl L m2044.40='T s051.21001001==∑=i ixT s0067240110012.)()()(=--=∑=n n x xx S i is)01.005.2()(2±=±=x S T T s022.22044.40=='T s 222/2910.94s m L T g T ==π222/5594.94s m L T g T ='='π20/80891.9s m g =%28.5%1000=⨯-=g g g E T T%54.2%1000=⨯-='g g g E T T思考1. 什么是统计直方图? 什么是正态分布曲线?两者有何关系与区别?答:对某一物理量在相同条件下做n 次重复测量,得到一系列测量值,找出它的最大值和最小值,然后确定一个区间,使其包含全部测量数据,将区间分成若干小区间,统计测量结果出现在各小区间的频数M ,以测量数据为横坐标,以频数M 为纵坐标,划出各小区间及其对应的频数高度,则可得到一个矩形图,即统计直方图。
大物实验时间测量中的随机误差分布规律[键入文字]实验目的:同常规仪器测量时间间隔,通过对时间和频率测量的随机误差分布,学习用统计方法研究物理现象的过程和研究随机误差分布的规律。
实验仪器:电子秒表、电子节拍器实验原理:1、仪器原理(1)机械节拍器由齿轮带动摆作周期性运动。
(2)电子节拍器按一定的频率发出有规律的声响和闪光。
(3)电子秒表兼有数种测时功能。
电子秒表机芯由CMOS集成电路组成,用石英晶体振荡器作时标,一般用六位夜晶数字显示。
(4)VAFN多用数字测试仪由PMOS集成元件和100kHz石英晶体振荡器构成。
六档方波脉冲作为时标信号和闸门时间。
2、统计分布规律原理在近似消除了系统误差的前提下,对时间t进行N次等精度测量,当N趋于无穷大时,各测量值出现的概率密度分布可用正态分布的概率密度函数表示:f(某)12e(某某)222其中某某ii1nnn,为测量的算术平均值,某)2,为测量列的标准差,(某1in1aaP(a)f(某)d某,a,2,3利用统计直方图表示测量列的分布规律,简便易行、直观明了。
在本实验中利用f(某)得到概率密度分布曲线,并将其与统计直方图进行比较,在一定误差范围内认为是拟合的,可认为概率密度分布基本符合正态分布,其中的误差是由于环境、仪器、人的判断误差、N的非无穷大等所决定的。
实验步骤:1、检查实验仪器是否能正常工作,秒表归零;2、将机械节拍器上好发条使其摆动,用秒表测量节拍器四个周期所用时间,在等精度条件下重复测量200次,记录每次的测量结果;3、对数据进行处理(计算平均值、标准差、作出相应图表、误差分析等)及统计规律研究;数据处理:实验所测量得到的结果如下:单位:秒实验次数:200[键入文字]4T4T4T4T4T4T4T4T4T4T3.343.413.423.343.503.373.363.453.453.393.433.513.433.353.443.4 13.383.443.403.463.433.553.383.523.433.463.383.483.433.493.453. 533.413.603.413.403.443.533.423.443.443.463.463.443.503.473.343 .523.453.393.473.443.513.453.443.423.403.453.493.463.483.463.513.453.443.443.573.413.413.463.453.473.443.383.493.513.433.403.4 23.413.403.473.463.413.423.423.423.383.393.413.503.413.543.413. 493.433.453.373.463.363.403.453.413.453.443.503.543.533.413.423 .463.543.453.443.423.423.443.453.353.413.463.333.403.403.463.50 3.433.433.503.463.473.463.433.463.443.423.443.383.323.363.433.5 23.403.453.533.453.443.513.423.403.493.513.543.393.383.393.383. 503.433.483.423.423.453.413.403.403.443.463.433.463.413.483.473 .333.513.493.463.443.503.423.453.463.443.413.413.523.393.443.44 3.463.443.513.423.423.483.393.463.463.343.44注:每行10个数据表一:原始数据(4个周期)数据分析如下:最小值:某min=3.32最大值:某ma某=3.60平均值:某某i1150i1503.441标准差:(某某)i1i20020010.048统计频数得下表:区域起始/区域末尾/区域中点/3.323.343.363.383.403.423.443.463.483.503.523.563.343.363.383.403.423.443.463.483.503.523.543.583.333.353.373.393.413.433.453.473.493.513.533.57频数相对频数/%累积频数/%751019353739111412823.50%2.50%5.00%9.50%17.50%18.50%19.50%5.50%7.00%6.00%4.00%1. 00%3.50%6.00%11.00%20.50%38.00%56.50%76.00%81.50%88.50%94.50%98 .50%99.50%[键入文字]3.583.603.590.50%100.00%表二:节拍器的频数和频率分布表根据上表利用ORIGIN软件辅助,做出统计直方图,并用一条高斯曲线拟合:PinhuGauFitofE0.20Equationy=y0+(A/(w某qrt(PI/2)))某e某p(-2某((某-某c)/w)^2)0.86775ValueEEy0某cwAigmaFWHMHeighty0某cwAigmaFWHMHeight0.028243.439560.057830.012660.028920.068090.174 660.023.460.058970.01490.029480.069430.20221--------0StandardError0.010430.003520.008560.00208Adj.R-Square0.15EEEEEF1F1P/%0.10F1F1F1F1F10.050.003.353.403.453.503.55 3.60B图一:节拍器频数和频率的统计直方图和高斯拟合曲线由公式:f(某)12e(某某)222P(a)f(某)d某以及σ=0.048得aa统计数据:P(σ)=134/200=0.670;P(2σ)=186/200=0.930;P(3σ)=199/200=0.995;故由以上图像和计算,知在一定误差范围内,该测量列基本呈正态分布。
随机误差的正态分布特点随机误差是指在测量或实验中出现的不可预测的偶然性误差,通常表现为数据点在期望值周围上下波动,呈现出一种无规律的分布。
而正态分布则是一种常见的连续概率分布,具有钟形曲线的特征,其均值、中位数和众数重合,且对称分布。
正态分布的特点是具有明显的中心对称性,即均值位于分布的中心,而标准差决定了分布的扁平程度。
在正态分布中,68%的数据落在均值加减一个标准差的范围内,95%的数据落在均值加减两个标准差的范围内,99.7%的数据落在均值加减三个标准差的范围内。
这种特性使得正态分布在统计学中应用广泛,特别适合描述大量独立测量所得数据的分布情况。
当随机误差服从正态分布时,意味着在测量或实验中产生的误差是无偏的,即随机误差在正负方向上等概率出现,不会对结果产生系统性的影响。
这种误差分布的特性有助于科学家们更好地理解和评估实验数据的可靠性,从而提高实验的准确性和可重复性。
在实际应用中,随机误差的正态分布特点常常体现在各种测量和调查中。
例如,在物理实验中,测量仪器的精度限制和环境因素的干扰可能导致随机误差的产生,而这些误差往往呈现出正态分布的特征。
在社会调查中,由于受访者个体差异和调查方法的局限性,随机误差也会以正态分布的形式存在,影响着统计数据的准确性和可信度。
中心扩展是指正态分布曲线在均值处向两侧逐渐变陡,形成一个逐渐扩展的中心区域。
这种特点表明大多数数据点集中在均值附近,而远离均值的数据点数量逐渐减少。
中心扩展的特性使得正态分布在描述数据集中心趋势和变异程度时具有重要意义,有助于科学家们更好地分析和解释数据的分布规律。
在实际应用中,中心扩展的特点常常被用于判断数据的离群值和异常情况。
当数据点偏离均值较远时,可能表明存在异常情况或特殊情形,需要进一步检查和验证。
通过观察正态分布曲线的中心扩展情况,可以更直观地了解数据的分布情况,从而有效识别异常值并减少误判的可能性。
总的来说,随机误差的正态分布特点体现了数据分布的一种普遍规律,具有中心对称和中心扩展的特性。
实验报告实验题目:时间测量中随机误差的分布规律实验目的:用常规仪器(如电子秒表、频率计等)测量时间间隔,通过对时间和频率测量的随机误差分布,学习用统计方法研究物理现象的过程和研究随机误差分布的规律。
实验原理:1. 常用时间测量仪表的简要原理(1) 机械节拍器 (2) 电子节拍器 (3) 电子秒表(4) V AFN 多用数字测试仪的性能2. 统计分布规律的研究在近似消除了系统误差的条件下,对某物理量进行等精度测量,当次数趋向无穷时,各测量值出现的概率密度分布可用正交分布函数表示: 正态分布概率密度函数]2)x -(x ex p[-21)(22σπσ=x f (1) 其中 nxx n1i i∑== (2)1-n )x -(xn1i 2i∑==σ (3) ⎰=aa-f(x)dx P(a) (4) 式中a=σ,2σ,3σ(1) 统计直方图法在一组等精度测量所得的N 个结果x 1,x 2,…,x N 中,找出其最大值与最小值,并求出级差R=x max -x min ,由级差分为K 个小区间,每个小区域的间隔(△x )的大小就等于Kx -x K R minmax =。
结果出现在某个小区域内的次数n i 称为频数,则Nn i 为频率,N n i ∑为累计频率,x N n i ∆⋅称为频率密度。
(2) 利用式(1)求出各小区域中点的正态分布的概率密度值f (x ),以f (x )为纵坐标,x 为横坐标,可得概率密度分布曲线。
实验内容:1. 时间间隔测量:用电子秒表测量机械节拍器的摆动周期或电子节拍器的周期。
2. 统计概率研究:时间测量均要求在相同条件下,重复测量200次以上。
(1)计算结果的x 和σ(2)计算各区中点的f (x )(3)合理划分小区间数K ,并确定其间隔,计算各区间的频率、相对频率、相对频率密度和累计频率,以频率密度为纵坐标,测量值x 为横坐标,作统计直方图,并将f(x)—x中曲线绘在统计直方图中,检验测量值分布是否符合正态分布。
“时间测量中随机误差的分布规律”的几个问题
1,在做这个实验时,数据的实际分布并不符合高斯分布.所以,不
以学生数据是否为高斯分布作为评分标准。
2, 把全部数据输入计算机(或计算器),用统计功能自动给出平均值和测量列的标准差。
然后,按照66页(1)正态分布的标准形式,计算各个区间的概率密度,然后手写作图。
该曲线并不一定是直方图的包络线。
3,不把全部数据输入计算机,只输入各个区间的中点值和相对频数,计算机自动给出直方图;在用高斯拟合,得到曲线。
注意,用其它拟合(如劳伦兹拟合)也可以,甚至相关系数更好。
我们只做高斯拟合。
4,计算机的高斯拟合是一级拟合,有常数项,所以形式发散(积分为无穷大)。
而高斯函数的标准形式是零级,没有常数项(见66页(1)或29页(5)),且收敛。
(4)两者对照如下:
()⎪⎭⎪⎬⎫⎪⎩⎪⎨⎧--+=22002exp 2/w x x w A
y y π 式中y 0
为直流偏置项,A 为曲线下与直流偏置项之间的总面积,0x 为峰值,即平均值,w = 2σ, 曲线半高宽的 0.849倍。
与标准形式比较须设
()()⎪⎭
⎪⎬⎫⎪⎩⎪⎨⎧--=⎪⎭⎪⎬⎫⎪⎩⎪⎨⎧--=-=22022002exp 212exp 2/1σπσπx x w x x w A y y z 这时候满足归一化条件。
2/w =σ。
关于单摆实验
单摆实验中内容3需要精确测量周期、摆角和线长,譬如采用数字毫秒计计时。
内容4,需要采用“气垫实验”中测量瞬时速度的装置,还要精确测量摆角。
这两部分内容不做。
3. 分析本实验的测量结果和误差来源。
数据表格略(见实验报告)观察思考1. 统计规律需要大量实验数据作为基础,而且必须是在近似无系统误差或系统误差系统误差基本为一恒定值的条件下,对某一物理量进行多次等精度测量才能的处正确的结论。
由本次实验,你对这一论述有何体会? 2. 你能用计算机编程计算“测量列的算术平均值”和“平均值的标准偏差”吗?不妨试一试?附录 8-1 操作功能进入统计计算模式清除内存输入数据计算器计算平均值和标准偏差的操作方法CASIO fx-3600 型计算器按键操作 MODE 3 INV 数据x 1 AC DATA 数据x 2 SHARP EL 型计算器按键操作STAT DATA…数据x n DATA x1 , x 2 , x3 , … xn 显示算术平均值显示标准偏差显示测量次数如果 m 个数据相同,可输入 x i 后键入乘 m,再按 DATA。
x (即 INV 1 ) x (即) S (即 RM )) n(即))(即 INV 3 ) n (即 Kout 3 附录 8-2 6 个硬币的统计分布如果把玻璃杯中的 6 个硬币摇晃并倒在桌子上,进行一次或多次,我们并不能准确的预言任一次倾倒的硬币有多少个正面。
然而对于掷出的硬币从出现概率方面研究,我们可以正确的推断出那些可能出现的可能值并估计这些可能值出现有多大的可能。
6如果摇晃 6 个质量相同的硬币,则理论上 0、1、2、3、4、5 个正面的最可能出现的概率如下表 8-3 所示:表 8-3 出现正面的数目 0 1 2 3 4 5 6 在 64 次抛掷中预期的出现频率 1 6 15 20 15 6 1 在许多次抛掷中出现的相对频率 1 / 64 = .56% 6 / 64 = 9.38% 15 / 64 = 23.44% 20 / 64 = 31.25% 15 / 64 = 23.44% 6 / 64 = 9.38% 1 / 64 = 1.56% 表 8-3 中的那些“抛掷中预期的出现频率”是基于理论上出现的几率,是“先验的” ,因此不一定在每作 64 次抛掷都肯定达到。
实验报告实验名称 时间测量中随机误差的分布规律实验目的 用常规仪器(如电子秒表、频率计等)测量时间间隔,通过对时间和频率测量的随机误差分布,学习用统计方法研究物理现象的过程和研究随机误差分布的规律。
实验仪器 机械节拍器,电子秒表。
实验原理 1.常用时间测量仪表的简要原理(1)机械节拍器(2)电子节拍器 (3)电子秒表(4)VAFN 多用数字测试仪用电子秒表测量机械节拍器发声的时间间隔,机械节拍器按一定的频率发出有规律的声响,电子秒表用石英晶体振荡器作时标,一般用六位液晶数字显示,其连续积累时间为,分辨率为,平均日差。
2.统计分布规律的研究假设在近似消除了系统误差(或系统误差很小,可忽略不计,或系统误差为一恒定值)的条件下,对某物理量x 进行N 次等精度测量,当测量次数N 趋向无穷时,各测量值出现的概率密度分布可用正态分布(有成高斯分布)的概率密度函数表示,]2)x -(x ex p[-21)(22σπσ=x f (1)其中nxx n1i i∑==(2)1-n )x -(xn1i 2i∑==σ(3)⎰=aa-f(x)dx P(a)(4)式中a=σ,2σ,3σ分别对应不同的置信概率。
(1)统计直方图方法用统计直方图表示被研究对象的规律简便易行,直观清晰。
在一组等精度测量所得的N 个结果x 1,x 2,…,x N 中,找出它的最大值x max 与最小值x min ,并求出级差R=x max - x min ,由级差分为K 个小区间,每个小区域的间隔(△x )的大小就等于Kx -x K R minmax =。
统计测量结果出现在某个小区域内的次数n i 称为频数,Nni 为频率,Nni∑为累计频率,称为频率密度。
以测量值x 值为横坐标,以xN n i∆⋅为纵坐标,便可得到统计直方图。
(2)概率密度分布曲线利用式(1)求出各小区域中点的正态分布的概率密度值f (x ),以f (x )为纵坐标,x 为横坐标,可得概率密度分布曲线。
时间测量中随机误差的分布规律~~PB05007302 地空学院杨柳春实验3.2.1实验题⽬: 时间测量中随机误差的分布规律实验⽬的:⽤常规仪器(如电⼦秒表,频率计等)测量时间间隔,通过对时间和频率测量的随机误差分布,学习⽤统计⽅法研究物理现象的过程和研究随机误差分布的规律.实验原理:1.时间测量仪表的简要原理(1)机械节拍器由齿轮带动摆作周期性运动,摆动周期可以通过改变摆锤的位置连续调节,其外部结构如图。
(2)电⼦秒表是兼有数种测时功能,便于携带和测量的常⽤电⼦计时器。
电⼦秒表机芯由表及⾥CMOS集成电路组成,⽤⽯英晶体振荡器作时标,⼀般⽤六位液晶数字显⽰,其累积时间数为59分59.59秒分辨率为0.01秒,平均⽇差0.5秒。
其外部结构如图2.假设在近似消除了系统误差(或系统误差很⼩,可忽略不计,或系统误差为⼀恒定值)的条件下,对某物理量x 进⾏N 次等精度测量.当测量值出现的概率分布可⽤正态分布的概率密度函数表⽰.式中为测量的算术平均值, σ为测量列的标准差P aaa实验仪器:机械节拍器(原理:由齿轮带动摆作周期性运动,摆动周期可通过改变摆锤的位置连续调节),秒表(精度:0.01秒)实验步骤:以2~3个周期为⼀次实验,重复做200~300次实验(这⾥取2个周期,300次实验),记录每次秒表的⽰数,做出统计直⽅图和频数频率分布表实验结果和分析:222/)(21)(σσπx x e x x y --=-nx x ni i∑==11)(12--=∑=n x xni iσ1.由统计结果,和以下公式可得:平均值为 2.852s 测量列的标准差为 0.12 测量结果平均值的标准差为 0.007 2.机械节拍器的频数和频率的密度分布nxx ni i∑==11)(12--=∑=n x xni iσnn n x x u ni i A σ=--=∑=)1()(122.频率统计直⽅图(EXECEL && ORIGIN)01020304050607080n i3.若测量结果偏离正态分布,则产⽣这种偏离的原因可能是:①测量者的⼼理因素,测量时的反应程度,即测量者当时的状态使测量者对时间的记录产⽣误差;②测量的次数远远不够,理论上来说,只有当测量次数为⽆限多时,测量结果才是正态分布,⽽有限次的测量只可能近似符合正态分布;③测量仪器的陈旧或是其它原因使得节拍器的摆不做等周期运动,或者电⼦秒表测时不准也可能导致测量出现误差4.最后,可以得到测量结果的各项数据为(每两个同期):平均值 2.852s测量列的标准差 0.12测量结果平均值的标准差0.007即测量结果的完整表达式为:2.852±0.007s P=0.68。
随机误差分布规律
哎呀呀,啥是随机误差分布规律呀?这可把我这个小学生难住啦!
老师在课堂上讲这个的时候,我就感觉自己像掉进了一个大大的谜团里。
我瞪大眼睛,努力想听明白,可那些复杂的概念就像一群调皮的小精灵,在我脑袋里蹦来蹦去,就是不肯乖乖排好队。
我看看同桌,他也是一脸迷茫,好像在说:“这都是啥呀?”我悄悄问他:“你懂了吗?”他摇摇头,苦着脸回答:“完全不懂,感觉像在听外星人讲话。
”
后来老师举了个例子,说就像扔骰子,每次扔出的点数都是随机的,这就是一种随机现象。
可这和误差分布规律又有啥关系呢?我还是一头雾水。
再看看学霸小李,他倒是听得津津有味,还不停点头。
我心里那个羡慕呀,真想有他那样聪明的脑袋瓜。
回到家,我赶紧问爸爸妈妈。
爸爸摸着我的头说:“宝贝,别着急,咱们一起慢慢琢磨。
”妈妈也在旁边鼓励我:“只要你用心,一定能搞明白的。
”
于是,我们一家人围坐在一起,开始研究这个让人头疼的随机误差分布规律。
爸爸说:“这就好比抽奖,你不知道会抽到啥,但是抽到每个奖品都有一定的可能性。
”妈妈接着说:“对呀,就像天上的星星分布,看起来没有规律,其实也有某种潜在的规律呢。
”
我好像有点明白了,这不就是说,虽然有些事情看起来是随便发生的,但其实背后也有一定的模式和规律吗?
经过一番努力,我终于对随机误差分布规律有了一点点了解。
我发现,原来学习新知识就像爬山,虽然过程很辛苦,但当你爬到山顶,看到美丽的风景时,一切都值得啦!
我觉得呀,学习就是这样,只要不放弃,再难的知识也能被我们攻克!。
一、实验目的1. 了解随机误差的基本概念和统计分布规律。
2. 通过实验验证随机误差的统计分布特性。
3. 掌握利用统计方法分析随机误差的方法。
二、实验原理随机误差是指由于测量条件难以完全控制而引起的偶然性误差。
在物理测量中,当重复测量次数足够多时,随机误差通常服从或接近正态分布。
正态分布是一种连续型概率分布,其概率密度函数呈钟形曲线,具有以下特点:1. 有界性:随机误差的绝对值(幅度)均不超过一定的界限。
2. 单峰性:绝对值(幅度)小的随机误差总要比绝对值(幅度)大的随机误差出现的概率大。
3. 对称性:绝对值(幅度)等值而符号相反的随机误差出现的概率接近相等。
4. 抵偿性:当等精度重复测量次数足够大时,所有测量值的随机误差的代数和为零。
本实验通过测量时间间隔,利用统计方法分析随机误差的分布规律。
三、实验仪器与设备1. 电子秒表或毫秒计2. 摆钟或节拍器等具有固定周期事件的装置3. 数据处理软件(如Excel、Origin等)四、实验步骤1. 检查实验仪器是否能正常工作,秒表归零。
2. 将摆钟或节拍器上好发条使其摆动,用秒表测量节拍器四个周期所用时间,在等精度条件下重复测量150-200次,记录每次的测量结果。
3. 将测量数据输入数据处理软件,进行数据处理。
4. 绘制测量数据的直方图,观察其分布规律。
5. 利用数据处理软件拟合正态分布曲线,并与直方图进行比较。
6. 分析随机误差的分布规律,验证正态分布特性。
五、实验结果与分析1. 直方图分析将实验数据输入数据处理软件,绘制直方图,观察其分布规律。
根据直方图,可以得出以下结论:(1)随机误差的绝对值(幅度)均不超过一定的界限,符合有界性。
(2)随机误差的分布呈现单峰性,绝对值(幅度)小的随机误差出现的概率较大。
(3)随机误差的分布对称,符合对称性。
2. 正态分布拟合利用数据处理软件拟合正态分布曲线,并与直方图进行比较。
根据拟合结果,可以得出以下结论:(1)随机误差的分布基本符合正态分布,其概率密度函数呈钟形曲线。
实 验 报 告5-实验一:实验题目:单摆的设计与研究——测量重力加速度。
实验目的:利用经典单摆公式,给出的器材和对重力加速度的精度要求设计实验,学习应用误差均分原理,选用适当仪器,学习累积放大法的原理运用。
实验原理:1.由一级单摆近似周期公式:gLT π2=得224T L g π=,通过测量单摆周期T,摆长L ,求出重力加速度g 的大小。
2.根据224T L g π=,根据最大不确定度计算,有T T L L g g ∆+∆=∆2 所以:%5.0≤∆L L ,即%5.05.05.0≤+∆+∆dl dl ,有 Δl ≤0.5%×l =0.35cm Δd ≤0.5%×2×d=0.002mm所以:%25.0≤∆TT,有ΔT ≤0.25%×T=0.00425 由此可知:l 应用米尺测量,d 用游标卡尺测量即可,5000425.02.0T≈=∆∆人,所以单摆周期应该一组测量50个。
实验器材:米尺,电子秒表,游标卡尺,支架、细线(尼龙绳)、钢球、摆幅测量标尺。
实验步骤:1.用米尺测量摆线长6次;2.用游标卡尺测量小球直径6次;3.利用电子秒表测量单摆50个周期的时间,共6组; 4.记录并分析处理数据,计算重力加速度g 。
数据处理:由L=l+0.5d,T=t/50,根据公式224T L g π=,得到合肥地区重力加速度为:2/801.9s m g =1.对摆线长l (6组数据)的处理:米尺误差分布为正态分布95.0t =2.57 仪∆=0.1cmc=3005.0))1(/()(61=--=∑=-i iAl n n l lu由不确定度合成公式得0.0112()2295095.0=∆+=)(仪。
cku t U Al l则 cm )011.0(65.608l ±= P=0.952.对摆球半径(6组数据)的处理:游标卡尺误差分布为均匀分布95.0t =2.57仪∆=0.002cm c =30001.0))1(/()(61=--=∑=-i i Ar n n r r u由不确定度合成公式得0.0001()2295095.0=∆+=)(仪。
实验名称:时间测量中随机误差的分布规律
实验目的:用常规仪器(如电子秒表,频率计等)测量时间间隔,通过对时间和频率测量的随机误差分布,学习用统计方法研究物理现象的过程和研究随机误差的分布规律。
实验器材及规格:秒表0.01s
实验原理:
1常用时间测量仪器的简要原理:
机械节拍器:由齿轮带动摆做周期性运动,摆动周期可以通过改变摆锤的位置来连续调节。
电子节拍器:由石英晶体震荡器,计数器,译码器,电源,分档控制及显示部分组成。
按一定频率发出有规律的声音和闪光。
电子秒表:机心由CMOS集成电路组成,石英晶体震荡器做时标,一般用6位液晶数字显示。
连续累积时间59min,59.99s,分辨频率为0.01s。
V AFN多用数字测试仪:由PMOS集成元件和100kHs石英晶体震荡器构成。
可测量记数,震动,累计,速度,加速度,碰撞,频率,转速,角速,脉宽等。
时标由DC10
集成电路和100kHs石英晶体震荡器构成。
2在不考虑系统误差的前提下,用时间测量仪器,测量同一时间N次,统计时间分布规律,并且分析误差。
当N趋于无穷时,各测量值出现的概率密度可用正态分布的概率密度函数表示:
22
1
()/2
1
()
n
i
i
X X
f x e
σ
=
⎡⎤
--
⎢⎥
⎢⎥
⎣⎦
∑
=
平均值计算公式:
1
/
n
i
i
X X n
=
=∑
标准差计算公式:
X
σ=
(1)统计直方图方法
在一组等精度测量的N个结果中,找出最大最小值,再有此得到极差max min
R X X
=-。
将极差分为K 个部分。
每个区间长度x ∆
MAX MIN
X X R x K K
-∆=
=
将落在每个区间的次数称为频数,i n N 称为频率。
最后以X 为横轴i n
N
为纵轴做图。
(2)密度分布曲线
利用直方图中得到的概率密度值,以概率密度值为纵坐标,x 为横坐标可的密度分布曲线,
数据处理:
最小值
min 2.84X s
=
最大值
max 3.64X s
=
平均值 3.23X s
=
标准差
0.15s
σ=
A 类不确定度
0.01s Ua σ
=
=
因为人反应时间约为0.2s,秒表仪器误差约为0.01s,所以取 B 类不确定度 0.20Ub s =
误差合成
0.25s ∆== P ≥0.95 测量结果为
(3.230.25)T s =± 置信概率 0.95P ≥
图表统计如下:
取区间数K=17,区间长0.05s 。
统计如下:
区间 频数
相对频数 累计频数 2.84-2.88 3 1.53% 1.53% 2.89-2.93 2 1.02% 2.55% 2.94-2.98 7 3.57% 6.12% 2.99-3.03 4 2.04% 8.16% 3.04-3.08 9 4.59% 12.76% 3.09-3.13 18 9.18% 21.94% 3.14-3.18 25 12.76% 34.69% 3.19-3.23 35 17.86% 52.55% 3.24-3.28 31 15.82% 68.37% 3.29-3.33 24 12.24% 80.61% 3.34-3.38 6 3.06% 83.67% 3.39-3.43 12 6.12% 89.80% 3.44-3.48 7 3.57% 93.37% 3.49-3.53 6 3.06% 96.43% 3.54-3.58 6 3.06% 99.49% 3.59-3.63
0 0.00% 99.49% 3.64-3.68 1
0.51%
100.00%
直方图,以及拟合高斯曲线如下:
2.8
2.9
3.0
3.1
3.2
3.3
3.4
3.5
3.6
3.7
010
20
30
40
50
60
Y A x i s T i t l e
X Axis Title
讨论:
另附区间数为9时的分布直方图
2.8
2.9
3.0
3.1
3.2
3.3
3.4
3.5
3.6
3.7
010
20
30
40
50
60
Y A x i s T i t l e
X Axis Title
相对而言,k=9时的图象比k=17时的图象符合拟合曲线的程度好一些.我认为更说明高斯分布的规律在数据量大是更明显.也说明,高斯分布是一个统计上的规律.
学号PB07013077 姓名:朱业俊。