府谷镇二矿采煤项目部设备明细表
- 格式:xls
- 大小:60.50 KB
- 文档页数:36
煤矿开采工程的主要施工机械表
以下是煤矿开采工程中常见的主要施工机械表:
1. 钻采设备
- 钻机:用于钻孔取样和爆破作业。
- 钻车:用于运输和搬运钻机及配件。
2. 掘进设备
- 掘进机:用于地下巷道的开挖和岩石钻探。
- 掘进装载机:用于地下巷道的开挖和物料运输。
- 掘进钻机:用于地下巷道的钻探和岩石爆破作业。
3. 煤炭提升设备
- 提升机:用于将掘进机开挖的煤炭提升至地面。
- 输送带:用于将煤炭从矿井输送至地面或其他设备。
4. 采煤设备
- 采煤机:用于采取煤炭并将其从矿井输送至地面。
- 可移式带式输送机:用于将采煤机采取的煤炭输送至地面。
5. 矿井通风设备
- 风机:用于地下矿井的通风与空气循环。
- 矿井通风管道:用于分配通风气流至不同的工作面。
6. 安全监测设备
- 煤瓦斯检测仪:用于检测矿井中的煤瓦斯浓度。
- 矿山地应力测量仪:用于监测地质应力情况。
- 温度与湿度测量仪:用于监测矿井中的温度和湿度。
以上是煤矿开采工程中常见的主要施工机械表。
当选择施工机械时,需根据具体开采工程的要求和矿井条件进行合理选择。
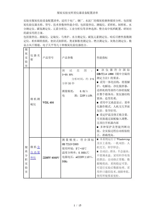
实验室煤炭化验设备配置清单,适用于电厂、钢厂、水泥厂的煤炭检测和煤质分析。
包括煤炭化验仪器名称、型号、技术参数和性能介绍;包括量热仪、测硫仪、采样机、制样机、水分测定仪、碳氢测定仪、元素分析仪、工业分析仪等多种选择,整合高中低档配置,研制出的最实用的方案。
包括量热仪、测硫仪、定硫仪、马弗炉、水分测定仪、碳氢元素测定仪、哈氏可磨性指数测定仪、米库姆转鼓机、密封式制样机、奥亚膨胀度测定仪、燃点测定仪、灰熔点测定仪、数
本实验室仪器设备配置清单由和联合供稿,希望对您有帮助。
煤炭开采新设备清单(全七批)第一批1. 设备名称:矿用挖掘机型号:HD777- 描述:适用于煤炭开采、土方挖掘等作业。
2. 设备名称:矿用装载机型号:ZL50- 描述:适用于煤炭装载、短途运输等作业。
3. 设备名称:矿用自卸车型号:FL936- 描述:适用于煤炭运输、土方作业等。
第二批1. 设备名称:矿用钻机型号:MGY-600- 描述:适用于煤炭钻探、岩土工程等。
2. 设备名称:矿用割煤机型号:GC-76- 描述:适用于煤炭切割、采煤作业。
3. 设备名称:矿用输送机型号:SSJ-1000- 描述:适用于煤炭输送、矿石运输等。
第三批1. 设备名称:矿用破碎机型号:PEC-1200- 描述:适用于煤炭破碎、矿石破碎等。
2. 设备名称:矿用筛分机型号:2YK1830- 描述:适用于煤炭筛分、矿石筛选等。
3. 设备名称:矿用研磨机型号:MQY-2200- 描述:适用于煤炭研磨、矿石磨粉等。
第四批1. 设备名称:矿用风机型号:FB-5.5- 描述:适用于煤炭矿井通风、降温等。
2. 设备名称:矿用排水泵型号:ISG-100- 描述:适用于煤炭矿井排水、抗洪等。
3. 设备名称:矿用电源型号:YJS-1000- 描述:适用于煤炭矿井供电、应急照明等。
第五批1. 设备名称:矿用照明设备型号:LED矿灯- 描述:适用于煤炭矿井照明、安全警示等。
2. 设备名称:矿用安全帽型号:MS-1- 描述:适用于煤炭矿工头部防护、安全作业。
3. 设备名称:矿用防尘口罩型号:FFP2口罩- 描述:适用于煤炭矿工呼吸防护、防尘降噪。
第六批1. 设备名称:矿用检测仪器型号:气体检测仪- 描述:适用于煤炭矿井有害气体监测、安全预警。
2. 设备名称:矿用救生舱型号:救生舱- 描述:适用于煤炭矿井紧急避难、人员保护。
3. 设备名称:矿用救援设备型号:救援支架- 描述:适用于煤炭矿井救援、支护作业。
第七批1. 设备名称:矿用运输皮带型号:BW200- 描述:适用于煤炭矿井物料运输、连续作业。
矿山开采机械设备表
以下是矿山开采所需的常见机械设备列表:
1. 掘进机: 用于挖掘矿石和开挖矿井的机械设备。
2. 钻机: 用于在矿山中进行钻孔作业,以获取地质信息或进行爆炸破碎作业。
3. 运输车辆: 用于在矿山中运输矿石、岩石和矿渣的车辆,包括卡车和轻型运输车。
4. 瞬时提升机: 用于将矿石和岩石从井下提升到地面的机械设备。
5. 给料机: 用于将矿石和岩石从储存区域送往破碎或筛分设备的机械设备。
6. 爆破设备: 用于进行矿石开采的爆破作业的机械设备,包括起爆器、导爆管和爆破装置。
7. 运输带: 用于将矿石、岩石和矿渣从一个地点传输到另一个地点的设备。
8. 破碎设备: 用于将大块矿石和岩石破碎成较小颗粒的机械设备,包括颚式破碎机和圆锥破碎机。
9. 筛分设备: 用于根据颗粒大小将矿石、岩石和矿渣分离成不同等级的机械设备,包括振动筛和旋转筛。
10. 砂浆设备: 用于制备炸药、混凝土和其他材料的设备,包括搅拌机和注浆机。
11. 非人工运输设备: 包括无人驾驶车辆和无人机等用于自动化矿山运输的设备。
请注意,具体设备的选择应根据矿山的特定需求和环境条件进行评估。
此列表仅提供了常见的矿山开采机械设备,并不能涵盖所有可能的设备类型。
第六章矿井主要设备第一节提升设备一、矿井辅助提升设备现状白家焉场地主斜井检修绞车装备JK-3/30型提升机,配备YSP560-12型电机,功率560kw,配备BPDK-ZN-ZKT型电控系统。
白家焉场地副立井装备2JK-2.5/20型提升机,配备YP355L-8型电机,功率200kW,配备BPDK-ZN-ZKT型电控系统。
目前白家焉主斜井与白家焉副立井提升机运行状况良好。
改扩建后,地面辅助生产系统基本上转移到郭家山场地,辅助提升任务绝大多数均由郭家山副立井提升系统承担,白家焉副立井仅承担少量辅助提升任务。
因此本次设计主要针对白家焉主斜井提煤设备、郭家山副立井设备进行设计选型。
二、主斜井原煤运输设备根据改扩建后矿井生产能力300万t/a、开拓方式、采区布置等,主斜井原煤运输采用钢绳芯胶带输送机。
胶带输送机运输具有运输量大、运输连续性好、转载环节少、运营费用低、操作简单、易于实现集中控制和自动化管理等优点。
采区工作面来煤经胶带输送机转载至主斜井胶带输送机运输至地面。
(一)白家焉场地主斜井提升系统经2003年改造,现有的主斜井提升,使用的是大倾角胶带输送机,其技术参数为:运输距离L=610m,倾角25°;带宽B=1200mm,带速v=3.15m/s,带强ST2500;运量Q=800t/h ;驱动电机:2×560kW,6kV,1:1配置;CST软启动装置:CST750KS-30.25。
此次改扩建后,矿井实现300万吨年产量,在前期上组煤开采时,现有皮带满足煤炭提升要求,暂不需要改造;当后期主斜井需要提升下组煤时,延深原主斜井井筒,主斜井皮带在不改变其倾角及运量前提下,改造为:运输距离L=703.6m,倾角25°;带宽B=1200mm,带速v=3.15m/s;运量Q=800t/h主斜井提升系统示意图如下。
选型计算胶带输送机参数:带宽B=1200mm,带速v=3.15m/s,承载托辊组为深槽形托辊Φ159mm(55°四节托辊),回程托辊组为V型托辊Φ159mm,钢绳芯胶带ST3150(符合MT668-2008要求),尾部重锤拉紧。
矿山工程拟投入主要施工设备机具表
一、项目背景
矿山工程是指为开发和利用矿产资源而进行的地下或地面工程建设。
为了确保矿山工程施工的顺利进行,需要投入相应的施工设备和机具。
本文档将列出拟投入的主要施工设备机具表。
二、主要施工设备机具
1. 掘进设备
- 隧道掘进机:用于地下隧道、巷道和水平矿井的掘进工作。
- 钻孔拆分机:用于钻孔、拆分岩石的设备。
- 掘进装载机:用于地下隧道中的装载、运输工作。
2. 运输设备
- 矿用自卸车:用于矿石、土石方等物料的运输。
- 运输皮带机:用于矿山区域之间、地面与地下之间的物料运输。
- 运输车辆:用于矿场内的矿石、建筑材料等的运输。
3. 墙体支护设备
- 岩石锚杆:用于地下巷道、隧道等施工过程中的固定和支护。
- 钢支撑:用于地下隧道或巷道墙体的支撑和防垮。
- 钢筋网片:用于地下巷道或隧道壁面的加固和防护。
4. 升降设备
- 施工升降机:用于工人、设备等的升降和运输。
- 吊车:用于物料等的起重和搬运。
5. 排水设备
- 排水泵:用于矿井、巷道等地下空间的排水工作。
三、总结
以上是拟投入的主要施工设备机具表,根据实际工程需要,可
能会有一定的调整和变化。
为确保施工过程的安全和高效,需要对
设备进行定期维护和检修。
在投入使用前,还应进行设备的试运行
和培训操作人员。
同时,需遵守相关法规和规范,以保障矿山工程
的顺利进行。
一、煤矿井下电气作业工器具配备1、仪器仪表数字式万用表、指针式万用表、高压兆欧表、低压兆欧表、钳形电流表。
2、工器具活扳手(8#、10#、12#)、呆扳手(套)、套筒(套)、内六方扳手(套)、手锤、大锤、电工刀、一字旋具、十字旋具、高压试电笔、低压试电笔、塞尺、断线钳、撬杠、停电牌、短路接地线、5T倒链、绳套、钢丝绳卡、钢丝钳、尖嘴钳。
3、个人安全防护用品ZH30D隔绝式化学氧自救器、安全帽、毛巾、口罩、绝缘手套、绝缘鞋、绝缘台、绝缘棒、矿灯、便携式甲烷检测仪等。
4、其他心肺复苏模拟人、各类电气图纸及必要的医疗器具,检修记录本、倒闸操作票、四氯化碳、凡士林、黑胶布、油石、相序带、高压绝缘带。
二、煤矿安全监测监控作业设置和工器具配备1、仪器仪表数字万用表、兆欧表、秒表、温度计、校准气(0.5、1.5、2.0、3.0%CH4)、直流稳压电源、万用表、声级计、频率计等。
2、工器具应配备数字万用表、验电器、压验电笔等电工工具及监控设备维修专用工具等常用工具1套(或学员自备);现场用的甲烷传感器调校装置1套(包括1-2%CH4标准气体1瓶或1袋、空气样1瓶或1袋、配套的减压阀、气体流量计和橡胶软管等)。
3、个人安全防护用品绝缘手套,绝缘靴,安全带,脚扣、工作服、帽等个人防护用品;人字梯、靠梯等用品。
4、其他心肺复苏模拟人、自救器及使用方法挂图、创伤急救方法挂图、医药急救箱及必要的医疗器具,相关作业安全操作规程应悬挂或张贴在明显位置。
三、煤矿提升机操作作业工器具配备1、仪器仪表与工器具计时器。
2、个人安全防护用品安全帽、工作服、防滑鞋等。
3、其他与考核内容相关的实物、图示、音像资料及必要的医疗器具。
(二)绞车操作作业工器具配备1、仪器仪表与工器具轨道斜巷专用三链环及专用插销。
2、个人安全防护用品安全帽、工作服、胶靴、矿灯、自救器等。
3、其他与考核内容相关的实物、图示、音像资料及必要的医疗器具。
煤矿采煤机(掘进机)操作作业工器具配备(一)采煤机司机(双滚筒电牵引采煤机)工器具配备1、仪器与工器具专用扳手,螺丝刀,铁锤、皮尺,钢卷尺,指挥用哨子,计时器。
采矿设备进场清单
1. 材料准备设备
- 挖掘机:数量1,主要用于挖掘和开垦工作。
- 装载机:数量2,用于搬运和装载材料。
- 推土机:数量1,用于平整土地。
- 破碎机:数量1,用于将大块石料破碎成可处理的尺寸。
- 运输卡车:数量3,用于将材料从一个地点运输到另一个地点。
2. 采矿设备
- 钻探机:数量2,用于勘探和获取土壤和矿石样本。
- 磁选机:数量1,用于磁性矿石的分选。
- 浮选机:数量1,用于非磁性矿石的浮选。
- 磨机:数量2,用于将矿石粉碎成细粉。
- 分选机:数量1,用于根据颗粒大小将矿石进行分选。
- 冶炼炉:数量1,用于熔炼矿石以提取金属。
- 过滤机:数量2,用于将混合物中的固体和液体分离。
3. 辅助设备
- 发电机:数量2,用于提供电力供应。
- 管道和输送带:用于将材料传送到不同的设备。
- 泵浦:数量2,用于液体的输送和排出。
- 环境监测仪器:数量1,用于监测采矿过程中的环境状况。
- 安全设备:例如灭火器、安全帽、安全绳等。
请注意,这份清单仅为参考,具体采矿项目的设备需求可能有所不同。
在采购或租赁设备时,务必仔细核对需求,并确保设备的质量和维护记录。