危险废物经营单位记录和报告经营情况指南
- 格式:doc
- 大小:290.50 KB
- 文档页数:24
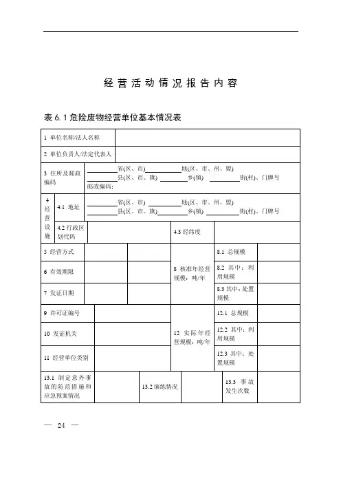
经营活动情况报告内容表6.1危险废物经营单位基本情况表—24——24—表6.2 危险废物经营单位所接收危险废物利用处置报表表6.2.1 利用处置废物类别报表—32—表6.2.2 利用处置方式报表表6.3危险废物经营单位新产生危险废物利用处置报表—33—总说明:1.经营活动情况报告内容包括表6.1基本情况表,表6.2危险废物经营单位所接收危险废物利用处置报表和表6.3危险废物经营单位新产生危险废物利用处置报表。
可根据环保部门的要求一式三份或多份。
2.表6.3按危险废物编号填写。
原则上每个编号的危险废物填写一张,特性及贮存/利用/处置情况完全一致的同类废物可仅填1张,同时在废物编号栏注明相应的多个编号。
3.所有表格格式为示意,可以适当调整栏目大小以便填写;可以在此基础上附加列或新的表格。
表6.1填表说明:—33—1-3.按照危险废物经营许可证填写单位名称/法人名称,单位负责人/法定代表人,住所及邮政编码。
4.按照危险废物经营许可证填写经营设施地址、行政区划代码、经纬度。
行政区划代码按照全国《中华人民共和国行政区划代码》所在地的行政区划代码填写,可参见国家统计局网站。
可利用GPS 等仪器设备测量危险废物经营设施所在厂区中心位置的经纬度,如“E116º28’ N39º54’”。
5-10.按照危险废物经营许可证填写许可证编号,发证日期,经营方式,核准年经营规模(包括总规模及利用、处置)。
经营方式中,收集许可证填写1;综合许可证填写2。
核准年经营规模以“吨”计。
清洗包装容器的,数量单位以“桶”计。
以其他方式处置(如焚烧)包装容器的,数量单位以“吨”计。
11.经营单位类别:只从事收集活动的,填写0。
只利用处置危险废物,不含医疗废物的,填写1。
只处置医疗废物的,填写2。
同时焚烧处置危险废物及医疗废物的填写3。
12.填写危险废物经营单位实际经营规模(包括利用和处置规模)。
13.制定意外事故的防范措施和应急预案情况:未制定填写0。
国家环境保护总局公告2007年第48号――关于发布《危险废物经营单位编制应急预案指南》的公告
文章属性
•【制定机关】国家环境保护总局(已撤销)
•【公布日期】2007.07.04
•【文号】国家环境保护总局公告2007年第48号
•【施行日期】2007.07.04
•【效力等级】部门规范性文件
•【时效性】现行有效
•【主题分类】枪支弹药、危险物品管理
正文
国家环境保护总局公告
(2007年第48号)
关于发布《危险废物经营单位编制应急预案指南》的公告为贯彻落实《中华人民共和国固体废物污染环境防治法》关于“产生、收集、贮存、运输、利用、处置危险废物的单位,应当制定意外事故的防范措施和应急预案”的规定,指导危险废物经营单位制定应急预案,有效应对意外事故,我局制定了《危险废物经营单位编制应急预案指南》。
现予以发布,请危险废物经营单位参照执行。
特此公告。
附件:危险废物经营单位编制应急预案指南
二○○七年七月四日。
环境保护部办公厅关于做好下放危险废物经营许可审批工作的通知文章属性•【制定机关】环境保护部(已撤销)•【公布日期】2014.05.12•【文号】环办函[2014]551号•【施行日期】2014.05.12•【效力等级】部门规范性文件•【时效性】现行有效•【主题分类】枪支弹药、危险物品管理正文环境保护部办公厅关于做好下放危险废物经营许可审批工作的通知(环办函[2014]551号)各省、自治区、直辖市环境保护厅(局):根据《国务院关于取消和下放一批行政审批项目的决定》(国发〔2013〕44号),将由环境保护部负责的危险废物经营许可审批事项下放至省级环保部门。
为做好相关衔接工作,规范下放的危险废物经营许可证(以下简称许可证)审批工作,现就有关事项通知如下:一、加强组织领导各省级环保部门要在现有的许可证审批工作基础上,落实责任单位,尽快部署开展本行政区域年焚烧1万吨以上危险废物、处置含多氯联苯与汞等对环境和人体健康威胁极大的危险废物、利用列入国家危险废物处置设施建设规划的综合性集中处置设施处置危险废物的许可证审批工作。
由环境保护部下放到省级环保部门的危险废物经营许可审批事项,不应再次下放到地市级或县级环保部门。
二、确保平稳过渡持有环境保护部颁发的许可证的单位,可在许可证有效期内继续依法从事危险废物经营活动。
许可证有效期内,持有环境保护部颁发的许可证的单位变更法人名称、法定代表人和住所的,应当向所在地省级环保部门申请办理许可证变更手续。
改变危险废物经营方式,增加危险废物类别,新建或者改、扩建原有危险废物经营设施,以及年经营危险废物超过原批准年经营规模20%以上的,应当向所在地省级环保部门重新申请领取许可证。
许可证有效期届满,持有环境保护部颁发的许可证的单位需继续从事危险废物经营活动的,应当在许可证有效期届满前30个工作日前向所在地省级环保部门重新申请领取许可证。
逾期不办理的,不得继续从事危险废物经营活动。
危废经营许可审查指南危险废物是指由于具有毒性、腐蚀性、致爆性、感染性等特性,对人体健康和环境造成危害的废弃物。
为了规范危险废物的经营管理,在我国,危险废物的经营单位需要取得危险废物经营许可证。
危险废物经营许可审查指南是对危险废物经营许可审查过程中的相关规定和指导的文档,下面为大家介绍一下危险废物经营许可审查指南的主要内容。
首先,危险废物经营许可审查指南需要明确危险废物的范围和分类。
危险废物的范围包括生产过程中产生的废弃物、废品再利用过程中产生的废弃物以及其他被列入危险废物的物质。
而危险废物的分类则包括有害的固体废物、废水、废气以及有害物质等。
这些都是在审查过程中需要明确和区分的内容,以便能够更好地制定相应的管理措施。
其次,危险废物经营许可审查指南需要对申请企业的条件进行规定。
审查指南中应当明确危险废物经营单位必须具备的资质条件,包括企业的法人资格、注册资金、从业人员的技术水平和经验等。
同时,还需要明确审查单位所具备的人员和设备条件,以评估申请企业是否具备安全、环保、卫生等方面的能力。
第三,危险废物经营许可审查指南应当规定对申请企业的审查程序。
指南应当明确申请流程、所需材料以及相关技术要求。
审查程序包括初审、实地考察、审查会议等环节。
初审阶段主要是对申请材料的完整性和合规性进行初步评估。
实地考察是对企业现场进行考察,以审核企业的设备、场所、运营状况等。
审查会议是由专家组织,对申请企业的情况进行全面评估。
最后,危险废物经营许可审查指南需要明确审查结果和处理方式。
指南应当规定对申请的审查结果进行评价和决策,包括许可、条件许可、不予许可等。
如果许可,应当规定许可的有效期限和需要遵守的条件。
如果不予许可,应当明确原因和处理方式,并告知申请企业的上诉权利。
危险废物经营许可审查指南的出台,有助于规范危险废物经营许可的审查过程,提高申请单位的规范性和合规性。
同时,也有利于保护环境和人民群众的健康安全。
希望各相关单位严格按照危险废物经营许可审查指南的要求进行操作,共同努力构建良好的危险废物管理体系,促进可持续发展。
危险废物经营单位审查和许可指南Company Document number:WTUT-WT88Y-W8BBGB-BWYTT-19998危险废物经营单位审查和许可指南一、目的和依据根据《中华人民共和国固体废物污染环境防治法》(以下简称《固体法》)和《危险废物经营许可证管理办法》(国务院令第408号)规定,从事收集、贮存、利用、处置危险废物经营活动的单位,必须向县级以上环境保护行政主管部门(以下简称“环保部门”)申请领取危险废物经营许可证。
为指导和规范环保部门对申请领取危险废物经营许可证单位的审查和许可工作,制定《危险废物经营单位审查和许可指南》(以下简称《指南》)。
二、关于证明材料申请领取危险废物经营许可证单位可参考本《指南》附一的要求,提交有关符合《危险废物经营许可证管理办法》所规定许可条件的证明材料。
证明材料应当详实充分并合理组织,利于查阅。
三、关于审批程序及时限(一)受理(5个工作日内)负责审批危险废物经营许可证的环保部门(以下简称“审批部门”)收到申请材料(包括证明材料)后应对申请是否属于受理范围、材料的完整性等进行书面审查,做出受理或不受理的决定。
(二)专家评审(40个工作日内)审批部门应当组织专家对受理的申请材料(包括证明材料)进行评审,并进行现场核查。
专家组应当提交关于申请材料评审和现场核查的意见;并起草危险废物经营许可证草案或不予颁发许可证的文件。
(三)审批(20个工作日内)审批部门根据专家评审意见,依法作出审批决定。
对符合条件的申请单位,审批部门依法发布有关给予颁发危险废物经营许可证的公告。
不符合条件的申请单位,审批部门书面通知申请单位并说明理由。
(四)制作颁发许可证(10个工作日内)对符合条件的申请单位,审批部门制作并颁发许可证;批准日期以公告日期为准。
四、关于专家评审(一)专家人数不少于3名,并至少包括1名申请单位有关经营设施所在地环保部门推荐的专家。
专家评审应当推选1名专家任组长。
危险废物经营记录簿管理规定一、总则为贯彻落实《危险废物经营许可证管理办法》(国务院令第408号)第十八条规定,建立危险废物经营记录簿,如实记载收集、贮存、处置危险废物的类别、来源、去向和有无事故等事项,提高危险废物管理水平以及危险废物申报登记数据的准确性、可靠性。
二、范围适用于本公司所有危险废物(收集、自产)的收集、贮存及处置涉及的相关部门。
三、职责总经理是公司经营情况记录第一责任人,各部门负责人是本部门经营情况记录第一责任人。
安环部负责本规定的实施监督管理,其它各相关部门协助质安环部完成本规定的实施。
四、内容4.1 危险废物经营记录的基本要求4.1.1 跟踪记录危险废物(包括收集、自产两类危险废物)在公司内部运转的整个流程,确保公司掌握任何时候各危险废物的贮存数量和贮存地点,利用和处置数量、时间和方式等。
4.1.2 跟踪记录危险废物在公司内部整个运转流程中,相关保障经营安全的规章制度、污染防治措施和事故应急救援措施的实施情况。
4.1.3 危险废物经营情况的记录分解落实到公司内部储运部、生产部、安环部,各项记录应由相关经办人签字。
4.1.4 相关记录营应当分类装订成册,各部门均需专人管理,年度汇总后交综合部专人管理,防止遗失,以备环保部门检查。
4.2 危险废物经营情况记录内容。
4.2.1 危险废物分析及实验记录。
在接收每批危险废物时,应当对其进行检查,按照《危险废物分析管理制度》中取样频率和监测方法进行分析监测,确认所接收危险废物与转移联单、经营合同或运输文件所列危险废物一致。
为保证危险废物的综合利用、处置过程符合相关规范标准,提高公司利用处置效率,根据实际处置生产要求,完成危险废物分析及实验记录编制。
4.2.2 危险废物接收台账根据青海省生态环境厅关于危险废物接收台账的最新要求,危险废物接收台账由安环部门定期从“青海省危险废物管理系统”中导出,并装订成册。
接收台账应包含转移日期、接收日期、联单号码、产废单位名称、危废种类、重量、经办人等信息。
危险废物经营单位记录和报告经营情况指南一、目的和依据《危险废物经营许可证管理办法》(国务院令第408号)第十八条规定:县级以上人民政府环境保护主管部门有权要求危险废物经营单位定期报告危险废物经营活动情况。
危险废物经营单位应当建立危险废物经营情况记录簿,如实记载收集、贮存、处置危险废物的类别、来源、去向和有无事故等事项。
为贯彻落实上述规定,指导和规范危险废物经营单位建立危险废物经营情况记录簿,记录和报告危险废物经营活动情况,现结合《危险废物焚烧污染控制标准》、《危险废物贮存污染控制标准》、《危险废物填埋污染控制标准》等强制性国家标准及《危险废物集中焚烧处置工程建设技术规范》、《危险废物安全填埋处置工程建设技术要求》等推荐性标准和规范性文件,制定《危险废物经营单位记录和报告经营情况指南》(以下简称《指南》)。
二、危险废物经营情况记录的基本要求(一)跟踪记录危险废物在危险废物经营单位内部运转的整个流程,确保危险废物经营单位掌握任何时候各危险废物的贮存数量和贮存地点,利用和处置数量、时间和方式等情况。
(二)跟踪记录危险废物在危险废物经营单位内部整个运转流程中,相关保障经营安全的规章制度、污染防治措施和事故应急救援措施的实施情况。
(三)危险废物经营情况的记录要求应当分解落实到经营单位内部的运输、贮存(或物流)、利用(处置)、实验分析和安全环保等相关部门,各项记录应由相关经办人签字。
危险废物经营单位可根据实际情况,对《指南》规定的内容予以修改或精简。
(四)有关记录应当分类装订成册,由专人管理,防止遗失,以备环保部门检查。
有条件的单位应当采用信息软件进行辅助管理。
三、危险废物经营情况记录的基本内容(一)危险废物分析及试验相关记录1.详细分析记录为掌握贮存、利用、处置危险废物所必须的信息,危险废物经营单位应当对所接收的各危险废物以及在利用处置危险废物过程中新产生的危险废物(以下简称“新产生危险废物”)进行详细的物理化学分析并记录结果。
《危险废物经营单位审查和许可指南》详细版为贯彻落实《中华⼈民共和国固体废物污染环境防治法》,完善危险废物经营许可制度,指导和规范各级环境保护⾏政主管部门对申请领取危险废物经营许可证单位的审查和许可⼯作,我部制定了《危险废物经营单位审查和许可指南》。
现予公布,请各级环境保护⾏政主管部门参照执⾏。
⼆○○九年⼗⼆⽉⼗⽇⼀、⽬的和依据根据《中华⼈民共和国固体废物污染环境防治法》(以下简称《固体法》)和《危险废物经营许可证管理办法》(国务院令第408号)规定,从事收集、贮存、利⽤、处置危险废物经营活动的单位,必须向县级以上环境保护⾏政主管部门(以下简称“环保部门”)申请领取危险废物经营许可证。
为指导和规范环保部门对申请领取危险废物经营许可证单位的审查和许可⼯作,制定《危险废物经营单位审查和许可指南》(以下简称《指南》)。
⼆、关于证明材料申请领取危险废物经营许可证单位可参考本《指南》附⼀的要求,提交有关符合《危险废物经营许可证管理办法》所规定许可条件的证明材料。
证明材料应当详实充分并合理组织,利于查阅。
三、关于审批程序及时限(⼀)受理(5个⼯作⽇内)负责审批危险废物经营许可证的环保部门(以下简称“审批部门”)收到申请材料(包括证明材料)后应对申请是否属于受理范围、材料的完整性等进⾏书⾯审查,做出受理或不受理的决定。
(⼆)专家评审(40个⼯作⽇内)审批部门应当组织专家对受理的申请材料(包括证明材料)进⾏评审,并进⾏现场核查。
专家组应当提交关于申请材料评审和现场核查的意见;并起草危险废物经营许可证草案或不予颁发许可证的⽂件。
(三)审批(20个⼯作⽇内)审批部门根据专家评审意见,依法作出审批决定。
对符合条件的申请单位,审批部门依法发布有关给予颁发危险废物经营许可证的公告。
不符合条件的申请单位,审批部门书⾯通知申请单位并说明理由。
(四)制作颁发许可证(10个⼯作⽇内)对符合条件的申请单位,审批部门制作并颁发许可证;批准⽇期以公告⽇期为准。
河南省环境保护厅关于印发河南省危险废物规范化管理工作指南(试行)的通知文章属性•【制定机关】河南省环境保护厅•【公布日期】2012.01.10•【字号】〔2012〕18号•【施行日期】2012.01.10•【效力等级】地方规范性文件•【时效性】现行有效•【主题分类】枪支弹药、危险物品管理正文河南省环境保护厅关于印发河南省危险废物规范化管理工作指南(试行)的通知〔2012〕18号各省辖市、省直管试点县(市)环保局:为进一步加强危险废物规范化管理,防范环境风险,省环保厅依据《中华人民共和国固体废物污染环境防治法》、环保部办公厅《关于印发〈“十二五”全国危险废物规范化管理督查考核工作方案〉和〈危险废物规范化管理指标体系〉的通知》(环办〔2011〕48号)等法律法规和文件要求,制定了《河南省危险废物规范化管理工作指南(试行)》,现印发给你们,请认真执行。
二〇一二年一月十日河南省危险废物规范化管理工作指南(试行)为进一步加强危险废物全过程风险防范和监督管理,实现危险废物管理规范化,确保我省实现“到2015年产生单位危险废物规范化管理抽查合格率达到90%,经营单位危险废物规范化管理抽查合格率达到95%”的目标,制定本指南。
1 总论1.1 适用范围本指南适用于我省危险废物产生单位和经营单位危险废物规范化管理以及环境保护主管部门依照国家有关法律法规、政策规定对危险废物产生单位和经营单位进行的监督管理。
1.2 术语概念固体废物,是指在生产、生活和其他活动中产生的丧失原有利用价值或者虽未丧失利用价值但被抛弃或者放弃的固态、半固态和置于容器中的气态的物品、物质以及法律、行政法规规定纳入固体废物管理的物品、物质。
危险废物,是指列入国家危险废物名录或者根据国家规定的危险废物鉴别标准和鉴别方法认定的具有危险特性的固体废物。
贮存,是指将固体废物临时置于特定设施或者场所中的活动。
利用,是指从固体废物中提取物质作为原材料或者燃料的活动。
危险废物经营记录簿危险废物是指对人体健康或者环境造成潜在危害的废弃物,包括有毒、有害、易燃、易爆、腐蚀性和感染性废物等。
危险废物管理的核心是对危险废物的经营管理,而危险废物经营记录簿则是对危险废物管理过程中的重要文书。
本文将就危险废物经营记录簿从定义、内容要求以及管理要点等方面进行详细介绍。
一、危险废物经营记录簿的定义二、危险废物经营记录簿的内容要求3.危险废物的储存和管理情况:记录危险废物的储存位置、储存方式、储存容器、储存条件等。
4.危险废物的运输和运输中的控制措施:记录危险废物的运输方式、运输车辆信息、运输路径、运输时间、运输过程中的安全措施等。
5.危险废物的处置和处理情况:记录危险废物的处置方式、处置时间、处置单位、处置费用等。
6.危险废物的终端处置情况:记录危险废物的终端处置方式、处置单位、处置费用、处置效果等。
7.危险废物的报废处理情况:记录危险废物的报废处理方式、处理单位、处理费用等。
8.危险废物的安全管理措施和应急预案:记录危险废物的管理要求、操作规程、设备检查记录、应急演练情况等。
三、危险废物经营记录簿的管理要点1.记录的及时性:每一步骤的记录都应及时更新,确保数据的准确性和完整性。
2.保密性要求:危险废物的信息涉及到商业机密和环境安全,记录簿要进行严格保密,避免信息泄露。
3.文件存档管理:危险废物经营记录簿要按照规定的时限和要求进行保存,同时要定期进行备份和存档,以备查阅。
4.资源共享和信息共享:危险废物经营记录簿的信息可以与相关单位进行共享,提高危险废物管理的效能。
5.审计和检查:定期进行危险废物经营记录簿的内部审计和外部检查,发现问题及时进行整改。
总之,危险废物经营记录簿是对危险废物管理过程中重要的记录文书,对于危险废物的接收、储存、运输和处置等环节都有着不可替代的作用。
只有做好危险废物经营记录簿的管理,才能确保危险废物管理的合规性和有效性,保护人体健康和环境的安全。
环境保护部文件卫生部环发[2011]19号关于进一步加强危险废物和医疗废物监管工作的意见各省、自治区、直辖市环境保护厅(局)、卫生厅(局),新疆生产建设兵团环境保护局、卫生局:危险废物(含医疗废物)污染防治是环境保护工作的重要组成部分。
危险废物含有有毒有害成分,若利用和处置不当,将对水体、大气和土壤造成严重污染,甚至严重威胁人民群众身心健康。
“十一五”期间,我国不断加大危险废物监管力度,规范利用处置行为,纳入规范化管理的危险废物数量持续大幅度上升。
但是非法收集、转移、利用和处置危险废物的现象屡禁不止,由此引发的突发环境事件呈多发态势,暴露出危险废物监管工作依然薄弱,防范危险废物环境风险的压力巨大。
各级环保部门要进一步提高认识,增强责任感和紧迫感,采取切实措施,进一步加强危险废物监管工作。
现提出如下意见:一、总体要求(一)指导思想。
以科学发展观为指导,以有效控制危险废物环境风险为目标,以全过程规范化管理为抓手,以产生、利用、处置危险废物的单位为监管重点,以落实危险废物管理制度为根本,进一步加强能力建设,完善危险废物监管体制机制,创新监管手段,严格环境监管,保障人体健康,维护生态安全,促进经济社会可持续发展。
(二)目标任务。
到2015年,摸清全国重点危险废物产生单位以及利用、处置单位情况,建立健全危险废物管理信息系统。
危险废物管理进一步规范,产生单位危险废物规范化管理抽查合格率达到90%;经营单位危险废物规范化管理抽查合格率达到95%。
发展一批危险废物利用处置骨干企业,取缔一批非法利用处置危险废物企业,淘汰一批落后的利用处置设施。
大、中城市医疗废物基本实现无害化处置。
有效遏制危险废物引发的突发环境事件。
二、规范产生和经营单位内部管理(三)规范产生单位危险废物管理。
产生危险废物的单位应当以控制危险废物的环境风险为目标,制定危险废物管理计划和应急预案并报所在地县级以上地方环保部门备案。
依据《固体废物鉴别导则》(原国家环保总局、国家发展改革委、商务部、海关总署、国家质检总局公告2006年第11号)、《国家危险废物名录》(环境保护部令第1号)和《危险废物鉴别标准》(GB5085),自行或委托专业机构正确鉴别和分类收集危险废物。
危险废物经营年度报告一、报告目的和范围本报告旨在对公司在过去一年中的危险废物经营情况进行全面总结和分析。
报告内容主要包括危险废物的收集、运输、储存和处置情况,同时也会对公司在环保和可持续发展方面所采取的措施进行评估和分析。
二、行业概述随着社会经济的快速发展和工业生产的不断扩大,危险废物的产生量不断增加,给环境和人类健康带来了严重的威胁。
危险废物的处理已成为当前社会发展中亟待解决的重大问题之一。
公司秉承“绿色发展、可持续发展”的理念,致力于为社会提供高质量、安全可靠的危险废物管理服务。
三、经营概况1. 危险废物收集情况截止报告期末,公司共收集了XXXX吨危险废物,相比上一年度有X%的增长。
主要的危险废物收集来源包括医疗机构、工业生产企业、化工企业等。
公司在危险废物收集过程中严格遵守相关法律法规和标准,确保废物的准确分类和安全收集。
2. 危险废物运输情况公司设立了专门的危险废物运输团队和物流网络,在报告期内共进行了XXXX 次危险废物的运输工作。
运输过程中,公司采用高标准的包装、密闭运输和监控系统,确保废物不会对环境和人员造成任何威胁。
3. 危险废物储存情况公司拥有现代化的危险废物储存设施,能够满足各类不同需求的废物储存要求。
在报告期内,公司共储存了XXXX吨危险废物,所有储存过程严格按照相关规范进行操作,确保废物不会对周围环境造成污染。
4. 危险废物处置情况公司采用多种方式对危险废物进行处理,包括物理处理、化学处理和焚烧处理等。
在报告期内,公司共处置了XXXX吨危险废物,所有处理过程严格按照环境保护要求进行,确保不会对环境和人类健康造成任何伤害。
四、环保措施与可持续发展为了提高危险废物管理的效能,公司积极采取了一系列环保措施和可持续发展策略。
首先,提高员工环保意识,组织开展相关培训和宣传活动,增强员工对环境责任的认识。
其次,加强废物分类和资源化利用,鼓励企业客户参与废物再利用和资源回收,降低对环境的影响。
关于发布《危险废物经营单位记录和报告经营情况指南》的公告为贯彻落实《危险废物经营许可证管理办法》(国务院令第408号)关于“县级以上人民政府环境保护主管部门有权要求危险废物经营单位定期报告危险废物经营活动情况。
危险废物经营单位应当建立危险废物经营情况记录簿,如实记载收集、贮存、处置危险废物的类别、来源、去向和有无事故等事项”的规定,指导和规定危险废物经营单位记录和报告危险废物经营活动情况,我部制定了《危险废物经营单位记录和报告经营情况指南》。
现予公布,请危险废物经营单位参照执行。
附件:危险废物经营单位记录和报告经营情况指南二○○九年十月二十九日附件:危险废物经营单位记录和报告经营情况指南一、目的和依据《危险废物经营许可证管理办法》(国务院令第408号)第十八条规定:县级以上人民政府环境保护主管部门有权要求危险废物经营单位定期报告危险废物经营活动情况。
危险废物经营单位应当建立危险废物经营情况记录簿,如实记载收集、贮存、处置危险废物的类别、来源、去向和有无事故等事项。
为贯彻落实上述规定,指导和规范危险废物经营单位建立危险废物经营情况记录簿,记录和报告危险废物经营活动情况,现结合《危险废物焚烧污染控制标准》、《危险废物贮存污染控制标准》、《危险废物填埋污染控制标准》等强制性国家标准及《危险废物集中焚烧处置工程建设技术规范》、《危险废物安全填埋处置工程建设技术要求》等推荐性标准和规范性文件,制定《危险废物经营单位记录和报告经营情况指南》(以下简称《指南》)。
二、危险废物经营情况记录的基本要求(一)跟踪记录危险废物在危险废物经营单位内部运转的整个流程,确保危险废物经营单位掌握任何时候各危险废物的贮存数量和贮存地点,利用和处置数量、时间和方式等情况。
(二)跟踪记录危险废物在危险废物经营单位内部整个运转流程中,相关保障经营安全的规章制度、污染防治措施和事故应急救援措施的实施情况。
(三)危险废物经营情况的记录要求应当分解落实到经营单位内部的运输、贮存(或物流)、利用(处置)、实验分析和安全环保等相关部门,各项记录应由相关经办人签字。
危险废物经营单位可根据实际情况,对《指南》规定的内容予以修改或精简。
(四)有关记录应当分类装订成册,由专人管理,防止遗失,以备环保部门检查。
有条件的单位应当采用信息软件进行辅助管理。
三、危险废物经营情况记录的基本内容(一)危险废物分析及试验相关记录1.详细分析记录为掌握贮存、利用、处置危险废物所必须的信息,危险废物经营单位应当对所接收的各危险废物以及在利用处置危险废物过程中新产生的危险废物(以下简称“新产生危险废物”)进行详细的物理化学分析并记录结果。
以下情况,应当重新进行详细分析:有理由相信所接收危险废物的产生工艺发生变化时;在对所接收的危险废物检查时,发现与转移联单或其他运输文件所列的危险废物不一致时。
2.接收分析记录危险废物经营单位在接收每批危险废物时,应当对危险废物进行检查,必要时进行分析,以确认所接收危险废物与转移联单、经营合同或其他运输文件所列危险废物是否一致。
3.其他分析记录如:为保证危险废物符合焚烧炉的进料要求,在焚烧危险废物前,对危险废物的热值、含氯量、含硫量、重金属含量等相关参数进行分析并记录结果。
为保证危险废物符合允许进入填埋场的控制限值,在填埋前,对危险废物的相关参数进行分析并记录结果。
为确定危险废物的物理化学处理方法,进行小试并记录结果等。
附1列举了废物样品详细分析单、焚烧车间样品分析单、固化车间样品分析单、废物样品小试报告单等。
(二)危险废物接收、产生和利用(处置)记录危险废物经营单位应当记录所接收的每批危险废物及新产生危险废物的种类、数量及贮存、利用或处置的地点、数量、方式和时间。
库存废物应当记录出库情况。
为利于跟踪危险废物在经营单位内部运转的整个流程,危险废物经营单位可以对所接收的各危险废物及各新产生危险废物确定唯一的内部编号(如按废物的来源,包括产生单位或产生工艺,性质,利用处置方式等进行编号)。
对所接收的每批危险废物及每批新产生危险废物确定唯一的内部序号(如按接收日期加3位流水号确定序号,例2008-08-12-001)接收危险废物后直接入库一般应考虑以下情形:外来危险废物入库;新产生危险废物入库;临时收存危险废物入库(指由公安或环保等部门查没的以及无名危险废物或者其名称和特性不清的危险废物);危险废物返库,即废物利用(处置)部门接收的危险废物未全部利用(处置)完毕,需将剩余危险废物返回贮存库等。
危险废物利用(处置)记录应考虑以下情形:外来危险废物直接利用(处置),即外来危险废物不经过贮存而直接进行利用(处置);新产生危险废物直接利用(处置);库存危险废物利用(处置);危险废物提供或委托外单位利用(处置);危险废物利用(处置)后的有关情况,如危险废物利用(处置)完毕的回复,即危险废物经营单位应将所收集的危险废物最终利用(处置)结果及时书面反馈危险废物产生单位、危险废物处置或利用过程中产生的产品或非危险废物入库和出厂情况等。
对于危险废物填埋设施,应当记录和标注危险废物所填埋区域(包括对应的高程)、种类、数量及所对应的危险废物转移联单号;必要时,要予以图示等。
附2列举了外来危险废物入库记录单,库存危险废物出库记录,库存危险废物利用(处置)记录单等。
(三)内部检查相关记录为落实保障经营安全的规章制度、污染防治措施和事故应急救援措施,及时纠正问题以防止危害环境和人体健康,危险废物经营单位应当制定书面检查方案,针对可能导致危险废物泄漏以及对人体健康造成威胁的设备故障和老化,操作错误,有意或无意的危险废物溢出、泄漏等情况进行检查;对预防、侦测或应对有关安全和环境事故的重要设施和设备(如监测设备、安全及应急设备、安保设施、操作设备等)进行检查。
检查方案应当包括拟检查的问题类型及检查频率。
如:对危险废物装卸区等易发生泄漏的区域是否存在泄漏,焚烧炉及附属设备(如泵、阀门、传送设施、管道)是否存在泄漏和无组织排放(可肉眼观察)等每天至少检查一次。
对防火通道是否畅通,去污设备是否充足等每周至少检查一次等。
有关检查情况及对所发现问题采取的解决措施和时间应当予以记录。
附3列举了内部检查记录表及检查方案案例。
(四)设施运行及环境监测有关记录危险废物经营单位应当记录危险废物利用处置设施运行的相关参数。
如危险废物焚烧设施运行的工艺参数(包括氧、一氧化碳、二氧化碳、一燃室和二燃室温度等),焚烧残渣热灼减率,活性炭和燃料油等主要原辅材料消耗情况等。
危险废物经营单位应当制定环境监测方案,对废水处理、大气污染物排放、噪声、地下水等定期监测并记录结果。
环境监测方案应符合相关监测规范的要求,并要综合平衡监督管理的需要和企业的经济承受能力,合理确定监测指标和频率。
危险废物经营单位自行监测的,还应当制定监测仪器的维护和标定方案,定期维护,标定并记录结果。
废水处理监测包括对物理化学处理车间出水,废水处理调节池、曝气池的废水及出水水质的监测。
废水包括生产废水、生活污水、收集池收集的贮存及作业区的初期雨水,危险废物填埋设施的渗滤液等。
大气污染物排放监测主要包括焚烧炉焚烧烟气中烟尘、硫氧化物、氮氧化物、氯化氢等污染因子的在线监测,以及烟气黑度、氟化氢、重金属及其化合物的定期监测,二恶英的定期监测。
贮存设施的大气污染物排放(包括无组织排放)监测。
填埋设施的无组织排放监测等。
地下水监测主要指对填埋设施的地下水监测。
附4列举了焚烧设施运行工艺参数记录表、焚烧炉渣热灼减率分析单、原料消耗记录单、污水处理设施出水监测分析单、焚烧炉焚烧烟气环境监测分析单、地下水监测分析单等。
(五)其他记录1.人员培训记录危险废物经营单位应当清晰描述涉及危险废物管理的每个岗位的职责,并依此制定各个岗位从业人员的培训计划。
培训计划应当包括针对该岗位的危险废物管理程序和应急预案的实施等,可分为课堂培训和现场操作培训。
应急培训应当使得受训人员能够有效地应对紧急状态。
受训人员通过培训,应当掌握熟悉:应急程序、应急设备、应急系统,包括使用、检查、修理和更换设施内应急及监测设备的程序;自动进料切断系统的主要参数;通讯联络或警报系统;火灾或爆炸的应对;地表水污染事件的应对等。
有关培训应当予以记录,受训人应当签字。
培训后需进行考核的,应记录考核成绩。
2.事故记录和报告危险废物经营单位应当记录并报告危险废物泄漏、火灾、爆炸等事故。
事故记录和报告的内容一般包括:单位法定代表人的名称、地址、联系方式;设施的名称、地址和联系方式;事故发生的日期和时间,事故类型(如火灾、爆炸);事故发生的原因、过程;采取的应急措施、措施效果;所涉及材料的名称和数量;对人体健康和环境的潜在或实际危害的评估;事故产生的污染处理情况,如被污染土壤的修复,所产生废水和废物或被污染物质处理或准备处理的情况;处理结果总结等。
3.应急预案演练记录危险废物经营单位应进行应急预案演练,并记录演练情况,参与演练人员应当签字。
4.关于填埋场施工质量的记录《危险废物污染控制标准》要求填埋场施工前编制施工质量保证书,在施工过程中要进行施工质量检验,所形成资料必须按国家档案管理条例进行整理和保管。
施工记录、监理记录等建设过程的相关文件是核查危险废物填埋设施是否符合《危险废物填埋污染控制标准》的重要依据。
填埋场施工必须对施工质量进行检查,如在填埋场建设过程中,必须对衬层材料的完整性、是否存在损坏或缺陷(如洞、裂缝等)进行检查。
在施工完成后,必须立即对人工合成衬层进行检查,以确保封口和接头的紧密性,不存在撕裂、穿孔、起泡等现象。
有关检查情况必须予以记录。
附5列举了有关人员培训记录表、应急预案演练记录表和施工质量保证书的要点。
四、危险废物经营情况报告的基本要求和内容(一)即时报告1.事故报告危险废物经营单位应当根据《固体废物污染环境防治法》、《危险废物经营单位应急预案编制指南》(原环保总局公告2007年第48号)、危险废物经营许可证或政府有关部门的要求,向政府环保部门及其他有关部门报告危险废物泄漏、火灾、爆炸等事故情况,特别是可能威胁饮用水源,以及威胁危险废物经营单位外环境和人体健康的事故情况。
危险废物经营单位一般应当在发生事故后立即以电话或其他形式报告,并在15天内以书面方式报告。
事故处理完毕后应及时书面报告处理结果。
2.其他不符合危险废物经营许可证条件的情形。
危险废物经营单位一旦发现经营过程出现不符合许可条件的情形(如污染物排放超标)时,应及时将不符合许可条件的情况及处理情况和结果报告所在地环保部门及许可证颁发机关。
(二)定期报告危险废物经营单位应按环保部门的要求,定期按季度或年度报告危险废物经营活动情况。
报告内容包括危险废物经营单位基本情况,经营情况总结,所接收危险废物利用处置情况,新产生危险废物利用处置情况,存在问题及改进措施等。