变电站主接线(非常好)
- 格式:ppt
- 大小:6.15 MB
- 文档页数:78
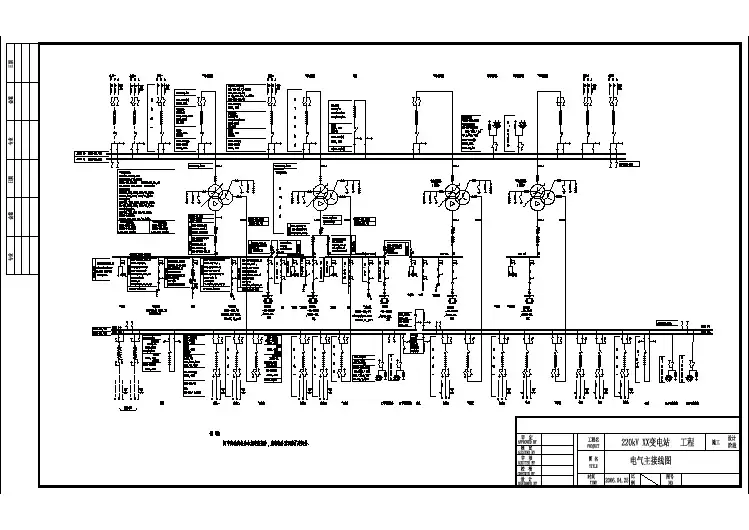
第5、6章图形,.2×8MW(a)2×10MVA1G G1TG2G2T110KV 35KV2×8MW(b)20MVAG1G 2GG110KV2T2G(c)2×8MW2×10MVAG1G 1T G35KVTMY-100X8ZN21-10/1250配CD10ⅢLZZBJ-101000/5 0.5/10P 2×(ZR-YJV 22-6/3×240)RN2-6/0.5ASFWG8000-6/4950Ue=6.3kV Ie=916.45A COSφ=0.8LZX-10Q800/5 0.5/10PJ Y N 2-10-03(改)1G励磁变(厂家配套)励磁互感器(厂家配套)JDJ-6 36 0.1√3√J Y N 2-10-17J Y N 2-10-18RN2-6/0.5A 36 0.1 0.1JDZJ-63√√3J Y N 2-10-20√ 6 0.1 0.1√333JDZJ-6RN2-6/0.5AHY5WZ-10/302G同左ZN21-10/2500配CD10ⅢLFZJ-102000/5 0.5/0.5/10/10PJ Y N 2-10-03SF9-20000/110Y,d11121±3×2.5%/6.3kV U k %=10.5%LGJ-120GW4-110DW/630左接地LW25-1261250A,40kA GW4-110DW/630双接地LCWB 6-110100/50.2/0.5/10P/10PTYD-110/ -0.07H 3√LRD-60-B 50/5GW4-110DW/630双接地JDCF-110Y5W1-100/260√110 0.1 0.13√√33GW 13-60G/400Y1W-73/15ZN21-10/630配CD10ⅢLZZBJ-10100/5 0.5/10PJ Y N 2-10-03ZR-YJV 22-6/3×50SC9-800/6.3D,yn116.3±5%/0.4kV Ud%=7LMZ1-0.5 1200/5LMZ1-0.5 1200/5SC9-800/10D,yn1110±5%/0.4kV Ud%=7ZR-YJV 22-10/3×50LZZBJ-10100/5 0.5/10PZN21-10/630配CD10ⅢJ Y N 2-10-06(改)ZR-YJV 22-10/3×5010kV外来电源J Y N 2-10-19JDZJ-10HY5WZ-17/51RN2-10/0.5A10/0.1kV0.4kVLMY100×8-40×8DW15-1200DW15-1200DW15-12000.1LMY100×8-40×8G~G~TMY-100X8GW4-110DW/630左接地图5-19 某水电站电气主接线全图图5-20 地区变电所接线8回35kV220kV4 回2×120MVA至无功补偿装置6 回2×60MVA4回2×10MVA1T图5-21 终端变电所接线4回10kV2T110kV 35kVVV22-13×50+1×251#厂变进线V 42L6-A,0~150A DT864-2,380/220V,3(6A)42L6-V,0~450V说明:BT95O9为事故照明切换板,其直流电源用VV22-1-2×4电缆引至直流屏。
变电所主接线的基本形式
1.单回线接线形式:变电所主接线由一条进线和一条出线组成,常见于小型变电站或用电负荷较小的场所。
该形式接线简单,操作便捷,但缺点是进出线不能进行备份,如果出现问题或故障,可能导致停电。
2.双回线接线形式:变电所主接线由两条进线和两条出线组成,常见于中型变电站或用电负荷较大的场所。
其中一条回路为正常工作回路,另一条回路为备用回路,可在正常回路出现故障时切换使用备用回路,保证供电的连续性和可靠性。
3.星形接线形式:变电所主接线由一个进线和多个出线组成,常见于大型变电站或需要供电给多个不同用电负荷的场所。
在星形接线中,变电站的主变压器中性点与地相连,各个用户的负载被连接到主变压器的各个相线上。
这种接线形式能够满足多个用户的用电需求,方便管理和供电。
4.环网接线形式:变电所主接线形成一个环状回路,常见于市区电网或远程供电的场所。
环网接线能够实现多路电源之间的多路供电和相互备份,提高供电的连续性和可靠性。
除了以上几种基本形式外,根据实际需要,变电所主接线还可以采用其他形式,如分段接线、联络线接线等。
不同的形式适用于不同的场合,能够满足不同的供电需求。
在设计变电所主接线时,需要综合考虑用电负荷、供电可靠性、操作便捷性等因素,选择合适的接线形式。
变电站一次系统图1、单母线接线特点:只有一组母线,所有电源回路和出线回路,均经过必要的开关电器连接到该母线上并列运行。
主要优点:接线简单、清晰,所用电气设备少,操作方便,配电装置造价便宜。
主要缺点:适应性差,母线故障或检修,全部回路均需停电;任一回路断路器检修,该回路停电。
适用范围:单电源的发电厂和变电所,且出线回路数少,用户对供电可靠性要求不高的场合;10kV纯无功补偿设备出线(电容器、电抗器)。
2、单母线分段接线特点:与单母线接线方法相比,增加了分段断路器,将母线适当分段。
当对可靠性要求不高时,也可利用分段隔离开关进行分段。
母线分段的数目,决定于电源的数目,容量、出线回数,运行要求等。
母线分段一般分为2-3段。
优点:母线发生故障时,仅故障母线段停电,缩小停电范围;对重要用户由两侧共同供电,提高供电可靠性;缺点:当一段母线故障或检修时,与该段所连的所有电源和出线均需断开,单回供电用户要停电;任一出线断路器检修,该回路要停电。
适用:6~10kV,出线6回以上;35~66kV,出线不超过8回时;110~220kV,出线不超过4回时。
3、单母线分段带旁路母线接线优点:增设旁路母线,增设各出线回路中相应的旁路隔离开关,解决出线断路器检修时的停电问题。
为了节省投资,可不专设旁路断路器,而用母线分段断路器兼作旁路断路器。
因为电压越高,断路器检修所需的时间越长,停电损失越大,因此旁路母线多用于35kV以上接线。
适用:6~10kV接线一般不设旁路母线;35~66kV,可设不专设旁路断路器的旁路母线;110kV出线6回以上,220 kV出线4回以上,宜用专设旁路断路器的旁路母线;出线断路器使用可靠性较高的SF6断路器时,可不设旁路母线。
4、双母线接线优点:两条母线互为备用,一条母线检修时,另一条母线可以继续工作,不会中断对用户的供电;任一母线侧隔离开关检修时,只需断开这一回路即可;工作母线故障时,所有回路能迅速切换至备用母线而恢复供电;可将个别回路单独接在备用母线上进行特殊工作或试验;因而可靠性高,运行方式灵活,便于扩建。
精心整理学习帮手精心整理学习帮手精心整理学习帮手精心整理学习帮手精心整理学习帮手精心整理学习帮手精心整理学习帮手精心整理学习帮手2×8MW(a)2×10MVA1G G1TG2G2T110KV 35KV2×8MW(b)20MVAG1G 2GG110KV2T2G(c)2×8MW2×10MVAG1G 1T G35KV精心整理 学习帮手TMY-100X8ZN21-10/1250配CD10ⅢLZZBJ-101000/5 0.5/10P 2×(ZR-YJV 22-6/3×240)RN2-6/0.5ASFWG8000-6/4950Ue=6.3kV Ie=916.45A COSφ=0.8LZX-10Q800/5 0.5/10PJ Y N 2-10-03(改)1G励磁变(厂家配套)励磁互感器(厂家配套)JDJ-6 36 0.1√3√J Y N 2-10-17J Y N 2-10-18RN2-6/0.5A 36 0.1 0.1JDZJ-63√√3J Y N 2-10-20√ 6 0.1 0.1√333JDZJ-6RN2-6/0.5AHY5WZ-10/302G同左ZN21-10/2500配CD10ⅢLFZJ-102000/5 0.5/0.5/10/10PJ Y N 2-10-03SF9-20000/110Y,d11121±3×2.5%/6.3kV U k %=10.5%LGJ-120GW4-110DW/630左接地LW25-1261250A,40kA GW4-110DW/630双接地LCWB 6-110100/50.2/0.5/10P/10PTYD-110/ -0.07H 3√LRD-60-B 50/5GW4-110DW/630双接地JDCF-110Y5W1-100/260√110 0.1 0.13√√33GW 13-60G/400Y1W-73/15ZN21-10/630配CD10ⅢLZZBJ-10100/5 0.5/10PJ Y N 2-10-03ZR-YJV 22-6/3×50SC9-800/6.3D,yn116.3±5%/0.4kV Ud%=7LMZ1-0.5 1200/5LMZ1-0.5 1200/5SC9-800/10D,yn1110±5%/0.4kV Ud%=7ZR-YJV 22-10/3×50LZZBJ-10100/5 0.5/10PZN21-10/630配CD10ⅢJ Y N 2-10-06(改)ZR-YJV 22-10/3×5010kV外来电源J Y N 2-10-19JDZJ-10HY5WZ-17/51RN2-10/0.5A10/0.1kV0.4kVLMY100×8-40×8DW15-1200DW15-1200DW15-12000.1LMY100×8-40×8G~G~TMY-100X8GW4-110DW/630左接地图5-19 某水电站电气主接线全图精心整理学习帮手精心整理 学习帮手图5-20 地区变电所接线8回35kV220kV4 回2×120MVA至无功补偿装置6 回2×60MVA4回2×10MVA1T图5-21 终端变电所接线4回10kV2T110kV 35kV第六章图形精心整理学习帮手精心整理学习帮手精心整理学习帮手精心整理 学习帮手VV22-13×50+1×251#厂变进线V 42L6-A,0~150A DT864-2,380/220V,3(6A)42L6-V,0~450V说明:BT95O9为事故照明切换板,其直流电源用VV22-1-2×4电缆引至直流屏。
变电站主接线图(解释)变电站⼀次系统图1、单母线接线特点:只有⼀组母线,所有电源回路和出线回路,均经过必要的开关电器连接到该母线上并列运⾏。
主要优点:接线简单、清晰,所⽤电⽓设备少,操作⽅便,配电装置造价便宜。
主要缺点:适应性差,母线故障或检修,全部回路均需停电;任⼀回路断路器检修,该回路停电。
适⽤范围:单电源的发电⼚和变电所,且出线回路数少,⽤户对供电可靠性要求不⾼的场合;10kV纯⽆功补偿设备出线(电容器、电抗器)。
2、单母线分段接线特点:与单母线接线⽅法相⽐,增加了分段断路器,将母线适当分段。
当对可靠性要求不⾼时,也可利⽤分段隔离开关进⾏分段。
母线分段的数⽬,决定于电源的数⽬,容量、出线回数,运⾏要求等。
母线分段⼀般分为2-3段。
优点:母线发⽣故障时,仅故障母线段停电,缩⼩停电范围;对重要⽤户由两侧共同供电,提⾼供电可靠性;缺点:当⼀段母线故障或检修时,与该段所连的所有电源和出线均需断开,单回供电⽤户要停电;任⼀出线断路器检修,该回路要停电。
适⽤:6~10kV,出线6回以上;35~66kV,出线不超过8回时;110~220kV,出线不超过4回时。
3、单母线分段带旁路母线接线优点:增设旁路母线,增设各出线回路中相应的旁路隔离开关,解决出线断路器检修时的停电问题。
为了节省投资,可不专设旁路断路器,⽽⽤母线分段断路器兼作旁路断路器。
因为电压越⾼,断路器检修所需的时间越长,停电损失越⼤,因此旁路母线多⽤于35kV以上接线。
适⽤:6~10kV接线⼀般不设旁路母线;35~66kV,可设不专设旁路断路器的旁路母线;110kV出线6回以上,220 kV出线4回以上,宜⽤专设旁路断路器的旁路母线;出线断路器使⽤可靠性较⾼的SF6断路器时,可不设旁路母线。
4、双母线接线优点:两条母线互为备⽤,⼀条母线检修时,另⼀条母线可以继续⼯作,不会中断对⽤户的供电;任⼀母线侧隔离开关检修时,只需断开这⼀回路即可;⼯作母线故障时,所有回路能迅速切换⾄备⽤母线⽽恢复供电;可将个别回路单独接在备⽤母线上进⾏特殊⼯作或试验;因⽽可靠性⾼,运⾏⽅式灵活,便于扩建。
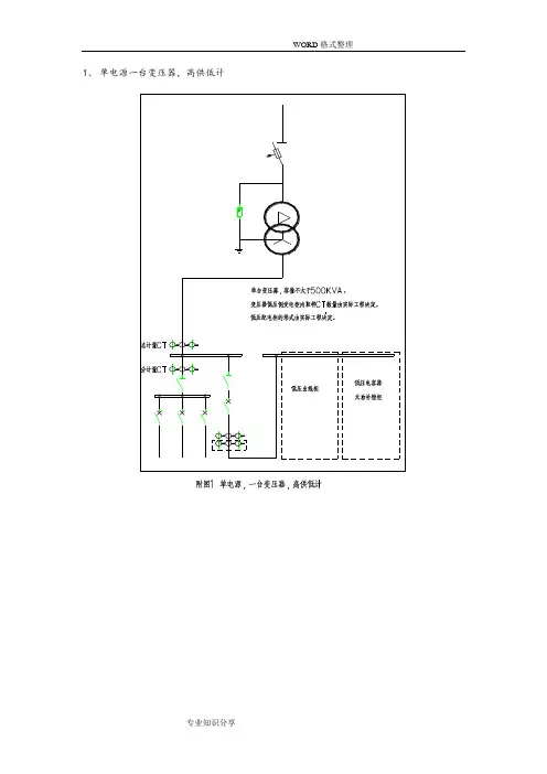
1、单电源一台变压器,高供低计
页脚内容1
2、单电源一台变压器,高供高计(负荷开关)
页脚内容2
3、单电源二台变压器,高供高计(负荷开关)
页脚内容3
4、单电源一台变压器,高供高计(断路器)
页脚内容4
5、高压双电源一台变压器,高压单母线,负荷开关
页脚内容5
6、双电源一高一低,一台变压器,高压线变组(负荷开关),低压单母线分段
页脚内容6
7、高压双电源二台变压器,高供高计(负荷开关),高压单母线、低压单母线分段
页脚内容7
8、高压双电源(一主一备)三台变压器,高供高计(断路器),高压单母线、低压环形接线
页脚内容8
页脚内容9
9、高压双电源(两路同供)四台变压器,高供高计(断路器),高压单母线分段、低压多分段,加所变
页脚内容10
110kV降压变电所电气一次部分设计原始资料
页脚内容11。
变电站主接线图非常好变电站主接线图是一种重要的电气图形,描述了变电站中各种电气设备之间的连接方式。
这张图是变电站的基础且必需的图纸之一,它也是所有变电站设备调试和维护的基础。
一、什么是变电站主接线图?变电站主接线图又被称为总图或一次接线图。
它描述了中压电气设备和高压电气设备之间的连接和配电系统的结构。
变电站主接线图被广泛用于设计变电站、调试设备和记录现有设备。
变电站主接线图主要包括高压侧主接线图、中压侧主接线图、低压侧主接线图、系统接地图等内容。
这些内容都形成了变电站主接线图的完整结构,确保变电站的正常运行。
二、变电站主接线图的作用变电站主接线图是变电站的核心图纸之一,主要是为了:1. 保障设备安全运行通过变电站主接线图,我们可以了解到变电站设备之间的电气联系,并从中得到相应的电气参数。
这些参数对于保障设备的安全运行至关重要。
我们可以利用主接线图来识别设备问题,解决电气设备的故障和维修。
2. 提高变电站可靠性变电站主接线图能帮助我们了解电源侧和负载侧的配电系统结构,从而更好地规划电网的运行。
在变电站运行中,主接线图也能够发挥很大作用:变电站在发生故障时,我们可以通过主接线图来正确地找到故障原因,同时准确地断电,保证变电站和附近社区的安全。
3. 便于修改和更新由于变电站主接线图与变电站的实际运行有关,所以它的修改和更新非常重要。
通过主接线图,我们可以更好地进行变电站的规划和更新,避免设备更换后连接错误等问题,提高变电站主要设备的可靠性,而主接线图也可以帮助我们更好地更新变电站技术。
三、怎样编制变电站主接线图?变电站主接线图的编制涉及到许多专业知识,也与变电站的实际情况有关。
下面我们简单介绍一下编制变电站主接线图的主要步骤。
1. 收集资料和信息在编制主接线图之前,我们需要收集一些变电站的基本信息和电气资料。
首先是变电站的排列图,这一步是其中的一个重要环节,需要对变电站进行准确的绘图和测绘。
其次是收集各项高、中、低压电网的电气参数,如电压、电流及各种故障状况等。