小学六年级奥数 立体几何——表面积与体积
- 格式:docx
- 大小:103.90 KB
- 文档页数:3
立体几何的表面积公式和体积公式一、棱柱。
1. 直棱柱。
- 表面积公式:S = 2S_底+S_侧,其中S_底为底面多边形的面积,S_侧=Ch (C为底面多边形的周长,h为直棱柱的高)。
- 体积公式:V = S_底h。
2. 斜棱柱。
- 侧面积公式:S_侧=C'l(C'为直截面(垂直于侧棱的截面)的周长,l为侧棱长)。
- 体积公式:V = S_直截面l。
二、棱锥。
1. 棱锥。
- 表面积公式:S = S_底+S_侧,其中S_侧=∑_i = 1^n(1)/(2)l_ih_i(n为侧面三角形的个数,l_i为第i个侧面三角形的底边长,h_i为第i个侧面三角形的高)。
- 体积公式:V=(1)/(3)S_底h(h为棱锥的高)。
三、棱台。
1. 棱台。
- 表面积公式:S = S_上底+S_下底+S_侧,其中S_侧=∑_i =1^n(1)/(2)(l_i+l_i')h_i(n为侧面梯形的个数,l_i为棱台上底面第i条边的长,l_i'为棱台下底面第i条边的长,h_i为第i个侧面梯形的高)。
- 体积公式:V=(1)/(3)h(S_上底+S_下底+√(S_上底)S_{下底})(h为棱台的高)。
四、圆柱。
1. 圆柱。
- 表面积公式:S = 2π r^2+2π rh(r为底面半径,h为圆柱的高)。
- 体积公式:V=π r^2h。
五、圆锥。
1. 圆锥。
- 表面积公式:S=π r^2+π rl(r为底面半径,l为圆锥的母线长)。
- 体积公式:V=(1)/(3)π r^2h(h为圆锥的高,且l=√(r^2) + h^{2})。
六、圆台。
1. 圆台。
- 表面积公式:S=π r^2+π R^2+π l(r + R)(r为上底面半径,R为下底面半径,l为圆台的母线长)。
- 体积公式:V=(1)/(3)π h(r^2+R^2+rR)(h为圆台的高)。
七、球。
1. 球。
- 表面积公式:S = 4π R^2(R为球的半径)。
六年级奥数1,1表面积与体积(tǐjī)六年级奥数1,1专题(zhuāntí)简析;小学阶段(jiēduàn)所学的立体图形主要有四种长方体·正方体·圆柱体和圆锥体。
从平面图形(túxíng)到立体图形是认识上的一个飞跃,需要有更高水平的空间想象能力。
因此,要牢固掌握这些几何图形的特征和有关的计算方法,能将公式作适当的变形,养成“数·形”结合(jiéhé)的好习惯,解题时要认真细致观察,合理大胆想象,正确灵活地计算。
在解答立体图形的表面积问题时,要注意以下几点;(1)充分利用正方体六个面的面积都相等,每个面都是正方形的特点。
(2)把一个立体图形切成两部分,新增加的表面积等于切面面积的两倍。
反之,把两个立体图形粘合到一起,减少的表面积等于粘合面积的两倍。
(3)若把几个长方体拼成一个表面积最大的长方体,应把它们最小的面拼合起来。
若把几个长方体拼成一个表面积最小的长方体,应把它们最大的面拼合起来。
例1,从一个棱长为10里面的正方体上挖去一个长10厘米·宽2厘米·高2厘米的小长方体,剩下部分的表面积是多少?〔思路导航〕这是一道开放题,方法有多种;1)沿一条棱挖,剩下部分的表面积为592平方厘米。
2)在某个面挖,剩下部分的表面积为632平方厘米。
3)挖通某两个对面,剩下部分的表面积为672平方厘米。
练习1,1,把一个长为12分米·宽为6分米·高为9分米的长方体木块锯成两个相同的小长方体木块,这两个小长方体的表面积之和比原来长方体的表面积增加了多少平方米?2,在一个棱长是4厘米的立方体上挖一个棱长是1厘米的小正方体后,表面机会发生怎样的变化?例2,把19个棱长为3厘米的正方体重叠起来,拼成一个立体图形(t úx íng),求这个立体图形的表面积。
〔思路(s īl ù)导航〕要求(y āoqi ú)这个复杂形体的表面积,必须从整体入手,从上·左·前三个方向(f āngxi àng)观察,每个方向上的小正方体各面就组合成了如下图形。
1小升初几何重点考查内容(★★)(2010年第8届走美6年级第9题)21个棱长为1厘米的小正方形组成一个立体如下图,它的表面积是______平方厘米。
(★★☆)(第四届希望杯2试试题)如图,底面积为50平方厘米的圆柱形容器中装有水,水面上漂浮着一块棱长为5厘米的正方体木块,木块浮出水面的高度是2厘米,若将木块从容器中取出,水面将下降______厘米。
(★★★)一只装有水的圆柱形玻璃杯,底面积是80平方厘米,高是15厘米,水深8厘米,现将一个底面积是16平方厘米,高为12厘米的长方体铁块竖放在水中后,现在水深多少厘米?(★★★☆)(2008年仁华考试题)如图,有一卷紧紧缠绕在一起的塑料薄膜,薄膜的直径是20厘米,中间有一直径为8厘米的卷轴,已知薄膜的厚度为0.04厘米,则薄膜展开后的面积是多少平方米?(★★★★)(2006年第十一届华杯赛决赛试题)如图,ABCD是矩形,BC=6厘米,AB=10厘米,对角线AC、BD相交于点O。
图中的阴影部分以CD为轴旋转一周,则阴影部分扫出的立体图形的体积是多少立方厘米?在线测试题温馨提示:请在线作答,以便及时反馈孩子的薄弱环节!1.图中的立体图形是由14个棱长为5CM的立方体组成的,求这个立体图形的表面积?A.1000B.950C.1050D.11002.在一只长为40厘米宽为25厘米水深为20厘米的玻璃鱼缸中放入一个棱长为10厘米的正方体铁块,水可上升到多少厘米?A.20B.1C.21D.193.一只装有水的圆柱形玻璃杯,底面积是80平方厘米,高是15厘米,水深10厘米.现将一个底面积是16平方厘米,高为12厘米的长方体铁块竖放在水中后.现在水深多少厘米?A.15厘米B.14厘米C.12厘米D.12.4厘米4.厚度为1毫米的纸被卷成一个空心圆柱(纸卷得很紧,没有空隙),它的外直径是6厘米,内直径是4厘米。
这卷纸的总长是多少米?A.15.7米B.1.57米C.157米D.0.157米5.如图,ABCD是矩形,6cmAB=,对角线AC、BD相交O。
第27讲表面积与体积(一)一、知识要点小学阶段所学的立体图形主要有四种长方体、正方体、圆柱体和圆锥体。
从平面图形到立体图形是认识上的一个飞跃,需要有更高水平的空间想象能力。
因此,要牢固掌握这些几何图形的特征和有关的计算方法,能将公式作适当的变形,养成“数、形”结合的好习惯,解题时要认真细致观察,合理大胆想象,正确灵活地计算。
在解答立体图形的表面积问题时,要注意以下几点:(1)充分利用正方体六个面的面积都相等,每个面都是正方形的特点。
(2)把一个立体图形切成两部分,新增加的表面积等于切面面积的两倍。
反之,把两个立体图形粘合到一起,减少的表面积等于粘合面积的两倍。
(3)若把几个长方体拼成一个表面积最大的长方体,应把它们最小的面拼合起来。
若把几个长方体拼成一个表面积最小的长方体,应把它们最大的面拼合起来。
二、精讲精练【例题1】从一个棱长10厘米的正方体木块上挖去一个长10厘米、宽2厘米、高2厘米的小长方体,剩下部分的表面积是多少?这是一道开放题,方法有多种:①按图27-1所示,沿着一条棱挖,剩下部分的表面积为592平方厘米。
图27--1②按图27-2所示,在某个面挖,剩下部分的表面积为632平方厘米。
图27--2③按图27-3所示,挖通某两个对面,剩下部分的表面积为672平方厘米。
图27--3练习1:1、从一个长10厘米、宽6厘米、高5厘米的长方体木块上挖去一个棱长2厘米的小正方体,剩下部分的表面积是多少?2、把一个长为12分米,宽为6分米,高为9分米的长方体木块锯成两个想同的小厂房体木块,这两个小长方体的表面积之和,比原来长方体的表面积增加了多少平方分米?3、在一个棱长是4厘米的立方体上挖一个棱长是1厘米的小正方体后,表面积会发生怎样的变化?图27—4【例题2】把19个棱长为3厘米的正方体重叠起来,如图27-4所示,拼成一个立体图形,求这个立体图形的表面积。
要求这个复杂形体的表面积,必须从整体入手,从上、左、前三个方向观察,每个方向上的小正方体各面就组合成了如下图形(如图27-5所示)。
立体几何——表面积与体积【例1】(★★)【温故】基本图形表面积体积6a a2 3 如图,有一个边长为20厘米的大正方体,分别在它的角上、棱上、面上各挖掉一个大小相同的小立方体后,表面积变为2454平方厘米,那么挖掉的小立方体的边长是多少厘米?2(ab+ac+bc)abc 常用方法:三视图,阿基米德原理【例2】一个正方体木块,棱长是15。
从它的八个顶点处各截去棱长分别是1、2、3、4、5、6、7、8的小正方体。
这个木块剩下部分的表面积最少是多少?【例3】(★★)如图所示,由三个正方体木块粘合而成的模型,它们的棱长分别为1米、2米、4米,要在表面涂刷油漆,如果大正方体的下面不涂油漆,则模型涂刷油漆的面积是多少平方米?1【例4】(★★★)【例5】(★★★)小明用若干个大小相同的正方体木块堆成一个几何体,这个几何体从正面看如下图左,从上面看如下图右。
那么这个几何体至少用了_____块木块。
有大、中、小三个正方形水池,它们的内边长分别是6米、3米、2米。
把两堆碎石分别沉没在中、小水池的水里,两个水池的水面分别升高了6厘米和4厘米。
如果将这两堆碎石都沉没在大水池的水里,大水池的水面升高了多少厘米?【例6】(★★★★★)【例7】(★★)如图,有一个棱长为10厘米的正方体铁块,现已在每两个对面的中央钻一个边长为4厘米的正方形孔(边平行于正方体的棱),且穿透。
另有一长方体容器,从内部量,长、宽、高分别为15厘米、12厘米、9厘米,内部有水,水深3 厘米。
若将正方体铁块平放入长方体容器中,则铁块在水下部分的体积为___立方厘米。
图是4×5×6长方体,如果将其表面涂成红色,那么其中一面、二面、三面被涂成红色的小正方体各有多少块?2【知新】【例8】(★★★)基本图形表面积体积2πR2+2πRhπR2h 如图,用高都是 1米,底面半径分别为 1.5米、 1米和. 。
多少平方米?( π取 3.14)1 3 πR2h 0.51111.5【例9】(★★★)(”希望杯”一试六年级)如图,圆锥形容器中装有水50升,水面高度是圆锥高度的一半,这个容器最多能装水升。
立体图形⑴ 立体图形的表面积和体积公式长方体和正方体如右图,长方体共有六个面(每个面都是长方形),八个顶点,十二条棱.c b aHGFED BA①在六个面中,两个对面是全等的,即三组对面两两全等. (叠放在一起能够完全重合的两个图形称为全等图形.) ②长方体的表面积和体积的计算公式是: 长方体的表面积:2()S ab bc ca =++长方体; 长方体的体积:V abc =长方体.③正方体是各棱相等的长方体,它是长方体的特例,它的六个面都是正方形. 如果它的棱长为a ,那么:26S a =正方体,3V a =正方体.二、圆柱与圆锥【例 1】 如右图,在一个棱长为10的立方体上截取一个长为8,宽为3,高为2的小长方体,那么新的几何体的表面积是多少?改.又是多少?【例 2】右图是一个边长为4厘米的正方体,分别在前后、左右、上下各面的中心位置挖去一个边长l厘米的正方体,做成一种玩具.它的表面积是多少平方厘米?(图中只画出了前面、右面、上面挖去的正方体)练习:在一个棱长为50厘米的正方体木块,在它的八个角上各挖去一个棱长为5厘米的小正方体,问剩下的立体图形的表面积是多少?【例 3】下图是一个棱长为2厘米的正方体,在正方体上表面的正中,向下挖一个棱长为1厘米的正方体小洞,接着在小洞的底面正中向下挖一个棱长为12厘米的正方形小洞,第三个正方形小洞的挖法和前两个相同为14厘米,那么最后得到的立体图形的表面积是多少平方厘米?【例 4】一个正方体木块,棱长是1米,沿着水平方向将它锯成2片,每片又锯成3长条,每条又锯成4小块,共得到大大小小的长方体24块,那么这24块长方体的表面积之和是多少?(锯一次增加两个面)练习.一个表面积为256cm的长方体如图切成27个小长方体,这27个小长方体表面积的和是2cm.表面积最小:互相重合的面最多时表面积最小【例 5】如图,25块边长为1的正方体积木拼成一个几何体,表面积最小是多少?体积:例1. 如图11-6,从长为13厘米,宽为9厘米的长方形硬纸板的四角去掉边长2米的正方形,然后,沿虚线折叠成长方体容器.这个容器的体积是多少立方厘米?例2. 某工人用薄木板钉成一个长方体的邮件包装箱,并用尼龙编织条如图11-9所示在三个方向上加固.所用尼龙编织条的长分别为365厘米、405厘米、485厘米.若每个尼龙条加固时接头处都重叠5厘米,则这个长方体包装箱的体积是多少立方米?⑵不规则立体图形的表面积整体观照法例1. 如图,在一个棱长为5分米的正方体上放一个棱长为4分米的小正方体,求这个立体图形的表面积.例2. 如图,棱长分别为1厘米、2厘米、3厘米、5厘米的四个正方体紧贴在一起,则所得到的多面体的表面积是_______平方厘米.例3.把19个棱长为1厘米的正方体重叠在一起,按右图中的方式拼成一个立体图形.,求这个立体图形的表面积.例4.用棱长是1厘米的立方块拼成如右图所示的立体图形,问该图形的表面积是多少平方厘米?例5.下图是由18个边长为1厘米的小正方体拼成的,求它的表面积。
简单几何体的表面积与体积的计算一、四种常见几何体的平面展开图1.正方体沿正方体的某些棱将正方体剪开铺平,就可以得到它的平面展开图,这一展开图是由六个全等的正方形组成的,见图6—1。
图6─l只是正方体平面展开图的一种画法,还有别的画法(从略)。
2.长方体沿长方体的某些棱将长方体剪开铺平,就可以得到它的平面展开图。
这一展开图是六个两两彼此全等的长方形组成的,见图6—2。
图6—2只是长方体平面展开图的一种画法,还有别的画法(从略)。
3.(直)圆柱体沿圆柱的一条母线和侧面与上、下底面的交线将圆柱剪开铺平,就得到圆柱体的平面展开图。
它由一个长方形和两个全等的圆组成,这个长方形的长是圆柱底面圆的周长,宽是圆柱体的高。
这个长方形又叫圆柱的侧面展开图。
图6—3就是圆柱的平面展开图。
4.(直)圆锥体沿圆锥体的一条母线和侧面与下底面圆的交线将圆锥体剪开铺平,就得到圆锥的平面展开图。
它是由一个半径为圆锥体的母线长,弧长等于圆锥体底面圆的周长的扇形和一个圆组成的,这个扇形又叫圆锥的侧面展开图。
具体图形见图6—4。
二、四种常见几何体表面积与体积公式1.长方体长方体的表面积=2×(a×b+b×c+c×a)长方体的体积=a×b×c(这里a、b、c分别表示长方体的长、宽、高)。
2.正方体正方体的表面积=6×a2正方体的体积=a3(这里a为正方体的棱长)。
3.圆柱体圆柱体的侧面积=2πRh圆柱体的全面积=2πRh+2πR2=2πR(h+R)圆柱体的体积=πR2h(这里R表示圆柱体底面圆的半径,h表示圆柱的高)。
4.圆锥体圆锥体的侧面积=πRl圆锥体的全面积=πRl+πR2母线长与高)。
三、例题选讲例1 图6—5中的几何体是一个正方体,图6—6是这个正方体的一个平面展开图,图6—7(a)、(b)、(c)也是这个正方体的平面展开图,但每一展开图上都有四个面上的图案没画出来,请你给补上。
小学六年级奥数之立体图形的表面积和体积知识数学作为一门基础学科,其目的是为了培养学生的理性思维,养成严谨的思考的习惯,对一个人的以后工作起到至关重要的作用,特别是在信息时代,可以说,数学与任何科学领域都是紧密结合起来的。
以下是小编整理的相关资料,希望对您有所帮助。
【篇一】四种常见几何体的平面展开图1.正方体沿正方体的某些棱将正方体剪开铺平,就可以得到它的平面展开图,这一展开图是由六个全等的正方形组成的2.长方体沿长方体的某些棱将长方体剪开铺平,就可以得到它的平面展开图。
这一展开图是六个两两彼此全等的长方形组成的3.(直)圆柱体沿圆柱的一条母线和侧面与上、下底面的交线将圆柱剪开铺平,就得到圆柱体的平面展开图。
它由一个长方形和两个全等的圆组成,这个长方形的长是圆柱底面圆的周长,宽是圆柱体的高。
这个长方形又叫圆柱的侧面展开图。
4.(直)圆锥体沿圆锥体的一条母线和侧面与下底面圆的交线将圆锥体剪开铺平,就得到圆锥的平面展开图。
它是由一个半径为圆锥体的母线长,弧长等于圆锥体底面圆的周长的扇形和一个圆组成的,这个扇形又叫圆锥的侧面展开图。
【篇二】四种常见几何体表面积与体积公式1.长方体长方体的表面积=2 (a b+b c+c a)长方体的体积=a b c(这里a、b、c分别表示长方体的长、宽、高)。
2.正方体正方体的表面积=6 a2正方体的体积=a3(这里a为正方体的棱长)。
3.圆柱体圆柱体的侧面积=2 Rh圆柱体的全面积=2 Rh+2 R2=2 R(h+R)圆柱体的体积= R2h(这里R表示圆柱体底面圆的半径,h表示圆柱的高)。
【篇三】例题讲解一个长方体,前面和上面的面积和是2_平方厘米,这个长方体的长、宽、高以厘米为单位的数都是质数。
这个长方体的体积和表面积各是多少?【思路导航】长方体的前面与上面的面积和是长_宽+宽_高=长_(高+宽),由于长方体的长、宽、高用厘米为单位的数都是质数,所以有2_=___=__(_+2),即长、宽、高分别为_、_、2厘米。
小学数学六年级第3讲:立体图形的表面积及体积一知识要点一、长方体、正方体的表面积:1.长方体的表面积:S=长×宽×2+长×高×2+宽×高×2=(长×宽+长×高+宽×高)×22.正方体的表面积:S= 棱长×棱长×63.长方体棱长总和:L=(长+宽+高)×44.正方体棱长总和:L=棱长×12二、长方体与正方体的体积公式1、长方体的体积:V=长×宽×高2、正方体的体积:V=棱长×棱长×棱长3、长方体(正方体)的体积:V=底面积×高4、能利用长方体(正方体)的体积及其他两个条件求出问题。
如:长方体的高=体积÷(长×宽)三、单位的换算:长度:1米= 10分米=100厘米面积: 1平方米=100平方分米=100 00平方厘米体积: 1立方米=1000立方分米=1000 000立方厘米容积:1升=1000 毫升 1毫升=0.001升1升=1立方分米 1立方分米=1升1毫升=1立方厘米 1立方厘米=1毫升典型例题例1、单位换算:350立方厘米=( )立方分米 24.8立方米=()立方分米0.84平方米=( )平方分米 0.04立方米=( )立方分米3.05立方分米=( )升()毫升0.5立方米=()升=()毫升340立方厘米=( )立方分米=( )升2立方分米50立方厘米=( )立方分米=( )升例2、填表例3、填空(1)—个正方体的棱长和是60厘米,这个正方体的表面积是( ),体积是( )。
(2)一个长方体长是2分米;比宽多0.5分米,高和宽相等,它的表面积是( ),体积是( )。
(3)每瓶酒精50毫升,装200瓶,需要酒精( )升;如果有3.5立方分米酒精,一共可以装( )瓶。
(4)一种冷藏车的车厢是长方体,从里面量长3米,宽2米,高1.8米。
表面积与体积练习和答案专题简析:小学阶段所学的立体图形主要有四种长方体、正方体、圆柱体和圆锥体。
从平面图形到立体图形是认识上的一个飞跃,需要有更高水平的空间想象能力.因此,要牢固掌握这些几何图形的特征和有关的计算方法,能将公式作适当的变形,养成“数、形”结合的好习惯,解题时要认真细致观察,合理大胆想象,正确灵活地计算.在解答立体图形的表面积问题时,要注意以下几点:(1)充分利用正方体六个面的面积都相等,每个面都是正方形的特点.(2)把一个立体图形切成两部分,新增加的表面积等于切面面积的两倍。
反之,把两个立体图形粘合到一起,减少的表面积等于粘合面积的两倍。
(3)若把几个长方体拼成一个表面积最大的长方体,应把它们最小的面拼合起来.若把几个长方体拼成一个表面积最小的长方体,应把它们最大的面拼合起来。
例1.从一个棱长为10里面的正方体上挖去一个长10厘米、宽2厘米、高2厘米的小长方体,剩下部分的表面积是多少?【思路导航】这是一道开放题,方法有多种:1)沿一条棱挖,剩下部分的表面积为592平方厘米。
2)在某个面挖,剩下部分的表面积为632平方厘米。
3)挖通某两个对面,剩下部分的表面积为672平方厘米。
练习1.1.把一个长为12分米、宽为6分米、高为9分米的长方体木块锯成两个相同的小长方体木块,这两个小长方体的表面积之和比原来长方体的表面积增加了多少平方米?2。
在一个棱长是4厘米的立方体上挖一个棱长是1厘米的小正方体后,表面机会发生怎样的变化?例2.把19个棱长为3厘米的正方体重叠起来,拼成一个立体图形,求这个立体图形的表面积。
【思路导航】要求这个复杂形体的表面积,必须从整体入手,从上、左、前三个方向观察,每个方向上的小正方体各面就组合成了如下图形。
练习2:1、用棱长是1厘米的立方体拼成图27-6所示的立体图形.求这个立体图形的表面积。
2、一堆积木(如图27—7所示),是由16块棱长是2厘米的小正方体堆成的。
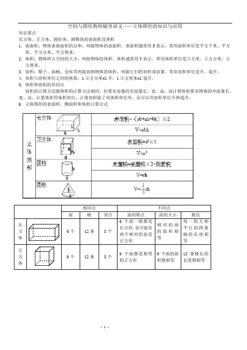
空间与图形教师辅导讲义——立体图形的知识与应用知识要点长方体、正方体、圆柱体、圆锥体的表面积及体积1.表面积:物体表面面积的总和,叫做物体的表面积。
表面积通常用S表示。
常用面积单位是平方千米、平方米、平方分米、平方厘米。
2.体积:物体所占空间的大小,叫做物体的体积。
体积通常用V表示。
常用体积单位是立方米、立方分米、立方厘米。
3.容积:箱子、油桶、仓库等所能容纳物体的体积,叫做它们的容积或容量。
常用容积单位是升、毫升。
4.体积与容积单位之间的换算:1立方分米=l升,1立方厘米=l毫升。
5.体积和容积的异同点容积的计算方法跟体积的计算方法相同,但要从容器的里面量长、宽、高,而计算体积要从物体的外面量长、宽、高。
计量体积用体积单位,计量容积除了用体积单位外,还可以用容积单位升和毫升。
6. 立体图形的表面积、侧面积和体积计算公式精典题型分析1、一个零件形状大小如下图:算一算,它的体积是多少立方厘米,表面积是多少平方厘米。
(单位:厘米)练习:学校生物小组做了一个昆虫箱(如图)。
昆虫箱的上、下、左、右面是木板,前、后面装纱网。
①制作这样一个昆虫箱,至少需要多少平方厘米的木板?②制作这样一个昆虫箱,至少需要多少平方厘米的纱网?2、在一个长15分米,宽12分米的长方体水箱中,有10分米深的水。
如果在水中沉入一个棱长为30厘米的正方体铁块,那么,水箱中水深多少分米?练习1:一个长方体的玻璃缸内有一些水,水面距离上沿0.6分米(如图)。
准备在缸内放入一块体积是60立方分米的假山石(假山石能全部浸在水中),水会溢出吗?如果会溢出,溢出多少立方分米?练习2:一个正方体玻璃容器,从里面量棱长是2dm。
向容器中倒入5.5L水,再把一个苹果放入水中,这时量得容器内的水深是15cm。
这个苹果的体积是多少?3、有两个茶杯,如图一,第一个地底面直径是4cm,高3cm,第二个底面直径是3cm,高4cm,问两个茶杯哪个装的水多?5、有一个圆柱体的零件,高10厘米,底面直径是6厘米,零件的一端有一个圆柱形的圆孔,圆孔的直径是4厘米,孔深5厘米(见右图)。
体的表面积和体积公式一、正方体。
1. 表面积公式。
- 设正方体的棱长为a。
正方体的表面积S = 6a^2,因为正方体有6个面,且每个面的面积都是a^2。
2. 体积公式。
- 正方体的体积V=a^3,这是根据正方体体积等于棱长的立方得到的。
二、长方体。
1. 表面积公式。
- 设长方体的长、宽、高分别为a、b、c。
长方体的表面积S = 2(ab + bc+ac),长方体有6个面,相对的面面积相等,其中前面和后面的面积为ac,左面和右面的面积为bc,上面和下面的面积为ab。
2. 体积公式。
- 长方体的体积V = abc,可以理解为底面积(ab)乘以高(c)。
三、圆柱体。
1. 表面积公式。
- 设圆柱体底面半径为r,高为h。
圆柱体的表面积S = 2π r^2+2π rh,其中2π r^2是两个底面圆的面积,2π rh是侧面展开矩形的面积(矩形的长为底面圆的周长2π r,宽为圆柱的高h)。
2. 体积公式。
- 圆柱体的体积V=π r^2h,它是底面积π r^2乘以高h得到的。
四、圆锥体。
1. 表面积公式。
- 设圆锥底面半径为r,母线长为l。
圆锥的表面积S=π r^2+π rl,其中π r^2是底面圆的面积,π rl是侧面展开扇形的面积(扇形的弧长为底面圆的周长2π r,半径为母线长l)。
2. 体积公式。
- 圆锥体的体积V=(1)/(3)π r^2h(这里h是圆锥的高),圆锥体积是与它等底等高圆柱体积的(1)/(3)。
五、球体。
1. 表面积公式。
- 设球的半径为r,球的表面积S = 4π r^2。
2. 体积公式。
- 球的体积V=(4)/(3)π r^3。
第19讲表面积和体积教学目标熟悉特殊图形的面积和体积计算公式;能够通过观察法,把复杂的图形简单化;能够解表面积和体积的相关题目。
知识梳理小学阶段所学的立体图形主要有四种长方体、正方体、圆柱体和圆锥体。
从平面图形到立体图形是认识上的一个飞跃,需要有更高水平的空间想象能力。
因此,要牢固掌握这些几何图形的特征和有关的计算方法,能将公式作适当的变形,养成“数、形”结合的好习惯,解题时要认真细致观察,合理大胆想象,正确灵活地计算。
在解答立体图形的表面积问题时,要注意以下几点:(1)充分利用正方体六个面的面积都相等,每个面都是正方形的特点。
(2)把一个立体图形切成两部分,新增加的表面积等于切面面积的两倍。
反之,把两个立体图形粘合到一起,减少的表面积等于粘合面积的两倍。
(3)若把几个长方体拼成一个表面积最大的长方体,应把它们最小的面拼合起来。
若把几个长方体拼成一个表面积最小的长方体,应把它们最大的面拼合起来。
解答立体图形的体积问题时,要注意以下几点:(1)物体沉入水中,水面上升部分的体积等于物体的体积。
把物体从水中取出,水面下降部分的体积等干物体的体积。
这是物体全部浸没在水中的情况。
如果物体不全部浸在水中,那么派开水的体积就等于浸在水中的那部分物体的体积。
(2)把一种形状的物体变为另一种形状的物体后,形状变了,但它的体积保持不变。
(3)求一些不规则形体体积时,可以通过变形的方法求体积。
(4)求与体积相关的最大、最小值时,要大胆想象,多思考、多尝试,防止思维定。
典例分析考点一:表面积例1、从一个棱长10厘米的正方体木块上挖去一个长10厘米、宽2厘米、高2厘米的小长方体,剩下部分的表面积是多少?【解析】这是一道开放题,方法有多种:①按图18-1所示,沿着一条棱挖,剩下部分的表面积为592平方厘米。
②按图18-2所示,在某个面挖,剩下部分的表面积为632平方厘米。
③按图18-3所示,挖通某两个对面,剩下部分的表面积为672平方厘米。
六年级奥数——体积、表面积一、知识要点解答立体图形的体积问题时,要注意以下几点:(1)物体沉入水中,水面上升部分的体积等于物体的体积。
把物体从水中取出,水面下降部分的体积等于物体的体积。
这是物体全部浸没在水中的情况。
如果物体不全部浸在水中,那么派开水的体积就等于浸在水中的那部分物体的体积。
(2)把一种形状的物体变为另一种形状的物体后,形状变了,但它的体积保持不变。
(3)求一些不规则形体体积时,可以通过变形的方法求体积。
(4)求与体积相关的最大、最小值时,要大胆想象,多思考、多尝试,防止思维定。
二、精讲精练【例题1】有大、中、小三个正方体水池,它们的内边长分别为6米、3米、2米。
把两堆碎石分别沉在中、小水池里,两个水池水面分别升高了6厘米和4厘米。
如果将这两堆碎石都沉在大水池里,大水池的水面升高多少厘米?中、小水池升高部分是一个长方体,它的体积就等同于碎石的体积。
两个水池水面分别升高了6厘米和4厘米,两堆碎石的体积就是3×3×0.06+2×2×0.04=0.7(立方米)。
把它沉到大水池里,水面升高部分的体积也就是0.7立方米,再除以它的底面积就能求得升高了多少厘米。
3×3×0.06+2×2×0.04=0.7(立方米)0.7÷6的平方=7/360(米)=1又17/18(厘米)答:大水池的水面升高了1又17/18厘米。
练习1:1、有大、中、小三个正方体水池,它们的内边长分别为4米、3米、2米。
把两堆碎石分别沉没在中、小水池的水中,两个水池的水面分别升高了4厘米和11厘米,如果将这两堆碎石都沉没在大水池中,那么大水池水面将升高多少厘米?2、用直径为20厘米的圆钢,锻造成长、宽、高分别为30厘米、20厘米、5厘米的长方体钢板,应截取圆钢多长(精确到0.1厘米)?3、将表面积为54平方厘米、96平方厘米、150平方厘米的三个铁质正方体熔铸成一个大正方体(不计损耗),求这个大正方体的体积。
(六年级)备课教员:第十二讲表面积与体积一、教学目标:知识目标1.进一步理解表面积和体积的含义,掌握常见几何体的表面积的计算方法;能力目标1.进一步加深对相关体积单位实际大小的认识,发展学生的空间观念。
2.在解决问题的过程中,发展学生灵活地应用相关数学知识和方法的能力。
情感目标1.进一步感受数学知识和方法的应用价值,激发学习数学的兴趣。
2.进一步感受数学与生活的密切联系,体会学习数学的重要性。
二、教学重点:进一步加深对相关体积单位实际大小的认识,发展学生的空间观念。
三、教学难点:掌握常见几何体的表面积的计算方法;四、教学准备:PPT、长方形硬纸片、圆形纸片各一张五、教学过程:第一课时(50分钟)一、导入(5分)【设计意图:通过实验观察,让学生深入地意识到体积基础公式是底面积×高,提高学生的空间想象力】师:老师手中有两张纸片,看纸片上贴的是什么?生:红包。
师:你们想要红包吗?每个红包里面的东西都不一样哦。
生:想要。
师:红包不是你们想要就能要。
想获得红包就得经过老师的考验。
这里2张长方形的纸片,老师想看到一个圆柱体和一个长方体?哪位同学告诉老师怎么办?上来操作给老师看看。
生:……(长方形纸片快速地上下平移,我们可以看到一个长方体,圆形纸片水平的快速地上下平移我们可以看到一个圆柱体。
)师:这两位同学想象力非常棒,这两个红包就给这两位优秀的同学,看看里面是什么?生:……师:唉,老师再问问你们,拿着长方形这张纸上移,到这个点高度停止,它运动的轨迹是不是这一段,就是它形成的长方体的高?圆形纸片呢?(不断地平移,加强学生的空间观念)生:……师:不错,那这个形成的长方体和圆柱体底面积是不是就是纸片的面积?生:是的。
师:好像立体图形和平面图形也是有些联系的哦,那我们进一步了解立体图形的奥妙吧。
【探究新知,引入新课:学生已经学习过了小学所有的立体图形,长方体、正方体、圆柱、圆锥,本堂主要是对该知识点进行整理和巩固,并应用到实际解决问题中】【板书课题:表面积与体积】二、探索发现授课(40分)(一)例题1:(10分)一个棱长为20厘米的正方体木块,从它的上方挖去一个半径为5厘米,高10厘米的圆柱形木块,这个木块剩下部分的表面积是多少?讲解重点:回顾和整理正方体、圆柱体概念和表面积计算公式,及了解圆柱体表面积推导过程。
立体几何——表面积与体积【例1】(★★)
【温故】
基本图形表面积体积
6a a2 3 如图,有一个边长为20厘米的大正方体,分别在它的角
上、棱上、面上各挖掉一个大小相同的小立方体后,表面积变为2454平方厘米,那么挖掉的小立方体的边长是
多少厘米?
2(ab+ac+bc)abc 常用方法:三视图,阿基米德原理
【例2】一个正方体木块,棱长是15。
从它的八个顶点处各截去棱长分别是1、2、3、4、5、6、7、8的小正方体。
这个
木块剩下部分的表面积最少是多少?【例3】(★★)
如图所示,由三个正方体木块粘合而成的模型,它们的
棱长分别为1米、2米、4米,要在表面涂刷油漆,如
果
大正方体的下面不涂油漆,则模型涂刷油漆的面积是多
少平方米?
1
【例4】(★★★)【例5】(★★★)
小明用若干个大小相同的正方体木块堆成一个几何体,这个几何体从正面看如下图左,从上面看如下图右。
那么这个几何体至少用了_____块木块。
有大、中、小三个正方形水池,它们的内边长分别是6米、
3米、2米。
把两堆碎石分别沉没在中、小水池的水里,两个水池的水面分别升高了6厘米和4厘米。
如果将这两堆碎石都沉没在大水池的水里,大水池的水面升高了多少厘米?
【例6】(★★★★★)【例7】(★★)
如图,有一个棱长为10厘米的正方体铁块,现已在每两个
对面的中央钻一个边长为4厘米的正方形孔(边平行于正方
体的棱),且穿透。
另有一长方体容器,从内部量,长、
宽、高分别为15厘米、12厘米、9厘米,内部有水,水深3 厘米。
若将正方体铁块平放入长方体容器中,则铁块在水
下部分的体积为___立方厘米。
图是4×5×6长方体,如果将其表面涂成红色,那么其
中一面、二面、三面被涂成红色的小正方体各有多少块?
2
【知新】
【例8】(★★★)
基本图形表面积体积
2πR2+2πRhπR2h 如图,用高都是 1米,底面半径分别为 1.5米、 1米和
. 。
多少平方米?( π取 3.14)
1 3 πR2h 0.5
1
1
1
1.5
【例9】(★★★)(”希望杯”一试六年级)
如图,圆锥形容器中装有水50升,水面高度是圆锥高
度的一半,这个容器最多能装水升。
r
1
2r
1
2h
h
3。