显示译码电路的设计
- 格式:doc
- 大小:88.00 KB
- 文档页数:3
计数器及其译码显示电路设计一、引言计数器及其译码显示电路是数字电路中常见的模块,广泛应用于计数、测量、定时等领域。
本文将介绍计数器及其译码显示电路的设计原理和实现方法。
二、计数器的基本原理计数器是一种能够在一定范围内按照规定的步长进行累加或累减操作的电路。
常见的计数器有二进制计数器和十进制计数器两种。
1.二进制计数器二进制计数器是指能够在二进制数字系统中进行累加或累减操作的电路。
其基本原理是通过触发器来实现数据存储和状态转移,以达到累加或累减的目的。
常见的二进制计数器有同步计数器和异步计数器两种。
同步计数器是指所有触发器都在同一个时钟脉冲下进行状态转移,因此具有较高的稳定性和精度。
异步计数器则是指每个触发器都有自己独立的时钟输入,因此具有较高的速度和灵活性。
2.十进制计数器十进制计数器是指能够在十进制数字系统中进行累加或累减操作的电路。
其基本原理是通过将二进制计数器的输出信号转换为十进制数字系统中的数字,以达到实现十进制计数的目的。
常见的十进制计数器有BCD计数器和二进制-BCD码转换器两种。
三、译码显示电路的基本原理译码显示电路是一种能够将数字信号转换为对应的字符或图形信号进行显示的电路。
常见的译码显示电路有BCD-7段译码器和BCD-10段译码器两种。
1.BCD-7段译码器BCD-7段译码器是指能够将4位二进制代码转换为对应的7段LED数字管显示信号的电路。
其基本原理是通过查表法将4位二进制代码映射到对应的7段LED数字管上,以实现数字信号到字符信号的转换。
2.BCD-10段译码器BCD-10段译码器是指能够将4位二进制代码转换为对应的10个LED 灯管显示信号的电路。
其基本原理与BCD-7段译码器相似,不同之处在于需要额外添加3个LED灯管用于表示“.”、“-”和“+”等符号。
四、计数器及其译码显示电路设计实例下面以一个4位同步二进制计数器及其对应的BCD-7段译码器为例,介绍其设计过程。
一、实验目的1. 熟悉译码显示电路的基本原理和组成;2. 掌握译码器和显示器的功能及使用方法;3. 通过实验,验证译码显示电路的工作性能;4. 培养动手实践能力和团队协作精神。
二、实验原理译码显示电路是一种将数字信号转换为可直观显示的图形或字符的电路。
它主要由译码器和显示器两部分组成。
译码器将输入的数字信号转换为对应的控制信号,显示器则根据这些控制信号显示相应的图形或字符。
1. 译码器:译码器是一种多输入、多输出的组合逻辑电路,其作用是将输入的二进制代码转换为输出的一组控制信号。
常见的译码器有二进制译码器、十进制译码器等。
2. 显示器:显示器用于显示译码器输出的控制信号。
常见的显示器有七段显示器、液晶显示器等。
本实验采用七段显示器,它由七个独立的段组成,通过控制每个段的亮与灭,可以显示0-9的数字以及其他符号。
三、实验仪器与器材1. 实验箱;2. 译码器(例如:74LS47);3. 显示器(例如:七段显示器);4. 连接线;5. 示波器(可选);6. 电源。
四、实验步骤1. 熟悉实验箱和实验器材,了解译码器和显示器的功能及使用方法。
2. 按照实验原理图连接译码器和显示器,确保连接正确无误。
3. 在译码器输入端输入二进制代码,观察显示器是否按照预期显示相应的数字或符号。
4. 调整译码器的输入代码,验证译码器的工作性能。
5. (可选)使用示波器观察译码器和显示器的信号波形,进一步分析电路工作原理。
6. 记录实验数据,撰写实验报告。
五、实验结果与分析1. 当译码器输入端输入二进制代码时,显示器按照预期显示相应的数字或符号。
2. 调整译码器的输入代码,显示器能够正确显示相应的数字或符号。
3. 通过实验,验证了译码显示电路的基本原理和组成,掌握了译码器和显示器的功能及使用方法。
4. 在实验过程中,注意观察译码器和显示器的信号波形,有助于理解电路工作原理。
六、实验总结1. 本实验成功实现了译码显示电路的基本功能,验证了译码器和显示器的工作性能。
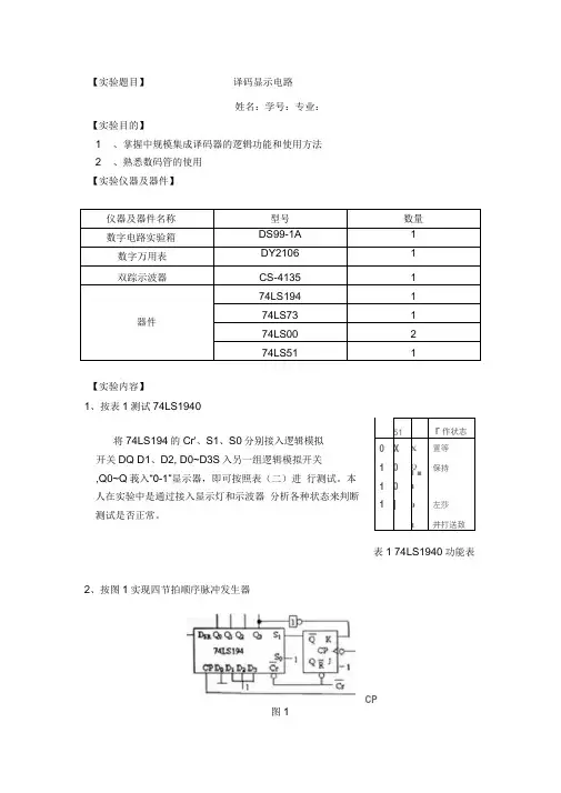
【实验题目】译码显示电路姓名:学号:专业:【实验目的】1 、掌握中规模集成译码器的逻辑功能和使用方法2 、熟悉数码管的使用【实验仪器及器件】仪器及器件名称型号数量数字电路实验箱DS99-1A1数字万用表DY21061双踪示波器CS-41351器件74LS1941 74LS731 74LS002 74LS511【实验内容】1、按表1测试74LS1940将74LS194的Cr'、S1、S0分别接入逻辑模拟开关DQ D1、D2, D0~D3S入另一组逻辑模拟开关,Q0~Q莪入“0-1”显示器,即可按照表(二)进行测试。
本人在实验中是通过接入显示灯和示波器分析各种状态来判断测试是否正常。
2、按图1实现四节拍顺序脉冲发生器CP图151r作状志0X X置等10Q1 ■保持1011]0左莎1井打送致表1 74LS1940功能表将Q。
Q1, Q1、Q2和Q2、Q3分别接入双踪示波器。
打开电源后应首先用模拟开关对节拍发生器进行活零操作,再用双踪示波器观察各组之间波形的相位对应关系。
下面图2为QO Q1输出波形关系。
图23、按图2实现四位扫描译码显示电路。
采用内容⑵ 顺序脉冲作为D s信号。
8421BC 况用逻辑模拟开关输入。
自行设计伪码灭灯电路,使正常输入BCD;时输出为“1",伪码输入时灭灯。
LlSGr | L1SG3| LISGJ |LISG4a b c d e f 6Ya Yb Vc Yd Ye Yf Yg 74LS48A3 A2 Al AOAi图2BI/RBO=A3( A2+A1 从而构成伪码灭灯电路①将图1中的Q0~QW应输入图2中A0~A3图1中D0~D3g逻辑模拟开关, 输入8421BC况。
②伪码灭灯电路设计:表伪码灭灯电路真值表根据表3卡诺图可以得到:表3对应卡诺图4、自行设计电路在4联装LED数码管同时显示出4个不同的0-7的数字(以下内容通过软件仿真实现)Ds1Ds2Ds3Ds4 有四个循环状态:0111,1011,1101,1110 。
译码显示电路试验报告译码显示电路试验报告一、试验目标本试验主要目标是设计并实现一个译码显示电路,该电路接收一组二进制编码信号,并将其转换为对应的七段数码管显示输出,以实现数字的直观显示。
二、试验原理译码显示电路的核心原理是利用编码器将数字信号转换为二进制编码,再利用译码器将二进制编码转换对应的七段数码管点亮,以显示数字。
其中,七段数码管由七个独立的LED段(A、B、C、D、E、F、G)组成。
三、硬件设计1.编码器:采用4-to-16编码器,将4位二进制数转换为16位输出,以实现对输入信号的编码。
2.译码器:采用7-to-8译码器,将8位二进制数转换为7段数码管的输出,以实现对七段数码管的点亮。
3.数码管:采用共阳极七段数码管,接收译码器的输出信号,以显示相应的数字。
四、软件设计本试验采用Verilog HDL语言进行编程设计。
1.编码器模块:通过输入的4位二进制数,控制编码器的输出。
2.译码器模块:通过译码器将编码器的输出转换为七段数码管的输出。
3.数码管模块:通过驱动数码管的7个LED段,实现数字的显示。
五、测试与分析1.测试方法:通过改变输入的4位二进制数,观察数码管显示的数字是否正确。
2.测试结果与分析:对所有可能输入进行测试,均得到了正确显示结果,验证了电路的正确性。
六、结论本试验成功设计并实现了一个译码显示电路,该电路可以将4位二进制数转换为对应的七段数码管显示输出,实现了数字的直观显示。
本试验中,硬件设计合理,软件设计也达到了预期的目标。
但是,由于硬件设备的限制,本试验未能对更高位数的译码显示电路进行设计和测试。
在未来的工作中,我们建议进一步扩展电路的设计,以实现对更高位数数字的译码显示。
七、建议与展望本试验虽然已经实现了一个相对简单的译码显示电路,但是在实际应用中可能还需要进行一些改进和优化。
以下是对未来工作的建议和展望:1.考虑采用更先进的数字芯片技术,以提高电路的稳定性和可靠性。
十六进制7段数码显示译码器设计实验报告实验报告:十六进制7段数码显示译码器设计一、实验目的本实验的主要目的是设计一种用于将十六进制数码转化为七段显示的译码器电路。
通过这个实验,我们可以学习和了解数字电路的工作原理、数码管的控制方式以及七段数码的译码方法。
二、实验原理本实验所用到的数码管为共阳数码管,它由7个发光二极管组成,其中的每一个发光二极管称为一个段。
这七个段依次为a、b、c、d、e、f和g,它们分别对应数码管上的abcdefg七个引脚。
当一些引脚输出高电平时,相应的段就会被点亮,从而显示出特定的字符。
为了实现将十六进制数码转化为七段显示的功能,我们需要设计一个译码器电路。
译码器电路的输入为十六进制数码,输出为七段信号,用于控制数码管的每个段的亮灭情况。
为了简化设计,我们可以采用CMOS数字集成电路74LS47来实现译码器电路。
该集成电路内部集成了BCD转七段译码器,可以将二进制代码转化为七段数码显示所需要的信号。
它的输入为四个二进制输入端口A、B、C和D,输出为七个段芯片(a、b、c、d、e、f和g)的控制信号。
三、实验步骤1.首先,根据74LS47的真值表,确定译码器的输入和输出。
2.根据真值表,画出逻辑图,确定硬件电路的连接方式。
3.按照逻辑图和电路连接方式,进行硬件电路的布线。
4.按照实验仪器的操作说明,对电路进行调试和测试。
5.将输入端口连接至外部的十六进制信号源,观察输出端口的数据是否正确。
6.验证电路的正确性和稳定性,如果出现问题,进行排除和修复。
四、实验结果经过实验,我们成功地设计并实现了一个十六进制7段数码显示译码器电路。
当输入端口接收到一个十六进制信号时,通过电路的处理和转换,将其转化为了相应的七段信号,用于控制数码管的每个段的亮灭情况。
通过实验观察,我们发现电路的输出结果与预期一致,且工作稳定。
五、实验总结通过这个实验,我们对于数字电路的工作原理和数码管的控制方式有了更深的了解。
显示译码电路实验报告显示译码电路实验报告引言:在现代电子技术领域,显示译码电路扮演着重要的角色。
它们可以将数字信号转换为人们可以理解的可视化信息,广泛应用于计算机、电视、手机等设备中。
本实验旨在通过搭建一个显示译码电路,探索其原理和应用。
一、实验目的本实验的目的是了解显示译码电路的工作原理,掌握其基本应用。
通过实践操作,学生们可以更好地理解数字电路的运行机制,提高实际动手能力。
二、实验材料和器件1. 74LS47芯片:这是一种BCD-7段译码器,用于将4位二进制输入转换为7段数码管的输出。
2. 7段数码管:用于显示数字和字母等字符。
3. 连接线、电源等辅助器件。
三、实验步骤1. 连接电路:将74LS47芯片与7段数码管通过连接线连接起来,确保电路连接正确无误。
2. 施加电源:将电路连接到适当的电源上,确保电压和电流符合芯片的工作要求。
3. 输入信号:通过开关或其他输入设备提供4位二进制输入信号。
4. 观察结果:观察7段数码管上显示的字符是否与输入信号对应,验证译码电路的正确性。
四、实验结果与分析经过实验操作,我们成功搭建了显示译码电路,并进行了测试。
在输入4位二进制数的情况下,数码管正确显示了对应的字符。
这表明译码电路能够准确地将二进制信号转换为可视化的字符信息。
通过进一步的观察和分析,我们发现译码电路的工作原理是将输入的二进制数映射到对应的数码管段上。
每个数码管段代表一个二进制位,通过控制该段的通断状态,可以显示不同的字符。
而74LS47芯片则起到了译码的作用,将二进制输入转换为对应的数码管段控制信号。
这种显示译码电路广泛应用于各种计算机和电子设备中。
它使得数字信息可以以更加直观和易读的方式展示给用户,提高了人机交互的效率和便利性。
例如,在计算机屏幕上显示的字符、数字时钟、电子秤等设备都使用了类似的译码电路。
五、实验总结通过本次实验,我们深入了解了显示译码电路的工作原理和应用。
通过实际操作,我们掌握了搭建和测试译码电路的方法,提高了动手实践能力。
题目:七段显示译码器电路设计专业:电气自动化专业班级:姓名:学号:目录第一节绪论……………………………………………………………………………..1.1本设计的任务和主要内容………………………………………………………………..1.2基本工作原理及原理框图………………………………………………………………...第二节硬件电路的设计…………………………………………………………………2.1BCD译码器选择与设计…………………………………………………………………….2.2LED显示器的设计……………………………………………………………………………2.3总的设计……………………………………………………………………………………第四节设计总结…………………………………………………………………………第一节绪论本课程设计的七段译码器主要以BCD译码器或LED显示器为主要部件,应用集成门电路组成的一个具有译码和显示的装置。
其中BCD 译码器采用8421BCD译码器,即----七段显示译码器(74LS48)型。
LED显示器是由发光二极管组成的,LED显示器分共阴极和共阳极两种型号,共阴极LED显示器的发光二级管阴极接地,共阳极LED显示器的发光二极管阳极并联。
最后把BCD译码器或LED显示器组成了的装置就具有了显示和译码的功能。
此七段译码器也就成功了。
1.1设计的任务和本主要内容1)运用LED显示器或BCD译码器实现一定的功能2)写出详细的实验报告1.2基本工作原理及原理框图基本工作原理及原理框图如下:第二节硬件的设计BCD译码器选择与设计发光二极管(LED)由特殊的半导体材料砷化镓、磷砷化镓等制成,可以单独使用,也可以组装成分段式或点阵式LED显示器件(半导体显示器)。
分段式显示器(LED数码管)由7条线段围成字型,每一段包含一个发光二极管。
外加正向电压时二极管导通,发出清晰的光,有红、黄、绿等色。
只要按规律控制各发光段的亮、灭,就可以显示各种字形或符号。
题目:七段显示译码器电路设计专业:生产过程自动化专业班级:生产过程0901 姓名:学号:指导老师:杨旭目录第一节绪论……………………………………………………………………………..1.1本设计的任务和主要内容………………………………………………………………..1.2基本工作原理及原理框图………………………………………………………………...第二节硬件电路的设计…………………………………………………………………2.1BCD译码器选择与设计…………………………………………………………………….2.2LED显示器的设计……………………………………………………………………………2.3总的设计……………………………………………………………………………………第四节设计总结…………………………………………………………………………第一节绪论本课程设计的七段译码器主要以BCD译码器或LED显示器为主要部件,应用集成门电路组成的一个具有译码和显示的装置。
其中BCD 译码器采用8421BCD译码器,即----七段显示译码器(74LS48)型。
LED显示器是由发光二极管组成的,LED显示器分共阴极和共阳极两种型号,共阴极LED显示器的发光二级管阴极接地,共阳极LED显示器的发光二极管阳极并联。
最后把BCD译码器或LED显示器组成了的装置就具有了显示和译码的功能。
此七段译码器也就成功了。
1.1设计的任务和本主要内容1)运用LED显示器或BCD译码器实现一定的功能2)写出详细的实验报告1.2基本工作原理及原理框图基本工作原理及原理框图如下:第二节硬件的设计BCD译码器选择与设计发光二极管(LED)由特殊的半导体材料砷化镓、磷砷化镓等制成,可以单独使用,也可以组装成分段式或点阵式LED显示器件(半导体显示器)。
分段式显示器(LED数码管)由7条线段围成字型,每一段包含一个发光二极管。
外加正向电压时二极管导通,发出清晰的光,有红、黄、绿等色。
《编码、译码显示电路设计与安装》实验报告姓名欧阳志刚学号20101138班级通信101专业通信技术指导教师林梅实验时间第8周电子信息工程系2011-2012学年第一学期实验目的及原理:1.了解编码译码器的功能和特点。
2.掌握编码译码器的工作原理。
3.掌握集成编码译码器的逻辑功能。
4.掌握集成编码译码器的级联方法。
实验一 编码器一、实验目的和任务:⑴验证编码器的逻辑功能。
(2)掌握中规模集成电路构成组合逻辑电路的方法。
二、实验设备与器材:TTL 集成编码器芯片74LS148等74LS148编码器I0~I7是8个输入端,Y1~Y3是3个输出端,EI 是使能输入端,EO 是使能输出端,GS 是优先标志输出端。
按下表逐项测试74LS148的逻辑功能。
74LS148管脚排列图:14131210161534567128911V CC GND74LS1484I 5I 6I 7I I E 2Y 1Y 0Y 0I 1I 3I 2I SG O E 4I 5I 6I 7I IE 2Y 1Y 0Y 0I 1I 2I 3I S G O E74LS148的功能表:输入输出S ’’I0”I1’’I2’’I3’’I4’’I5’’I6’’I7’’Y0" Y1" Y2" Ys’’Y EX’’1 X X X X X X X X 1 1 1 1 1 0 1 1 1 1 1 1 1 1 1 1 1 0 1 0 X X X X X X X 0 0 0 0 1 0 0 X X X X X X 0 1 0 0 1 1 0 0 X X X X X 0 1 1 0 1 0 1 0 0 X X X X 0 1 1 1 0 1 1 1 00 X X X 0 1 1 1 1 1 0 0 1 0 0 X X 0 1 1 1 1 1 1 0 1 1 0 0 X 1 1 1 1 1 1 1 1 1 1 1 0 0 0 1 1 1 1 1 1 1 1 1 1 1 0三、实验步骤及内容:(1)74LS148编码器I0~I7是8个输入端,Y1~Y3是3个输出端,EI 是使能输入端,EO是使能输出端,GS是优先标志输出端。
EDA8位计数显示译码电路的设计八位计数显示译码电路是一种常见的数字电路设计,用于将二进制计数器的输出转换为对应的字符或数字显示。
本次EDA报告将介绍八位计数显示译码电路的设计原理、功能和设计过程。
1.设计原理:八位计数显示译码电路的主要原理是通过接收二进制计数器的输出信号,通过对应的译码器将其转换为七段数码管的控制信号,从而实现显示。
2.设计功能:八位计数显示译码电路的功能主要包括:-显示功能:将二进制计数器的输出显示在七段数码管上,实现数字的可视化显示。
-增量计数:根据输入的时钟信号进行增量计数,实现从0到255的循环计数。
-译码功能:将二进制计数器的输出信号转换为七段数码管的控制信号,控制数码管上对应的数码显示。
3.设计过程:八位计数显示译码电路的设计过程主要包括以下几个步骤:3.1确定输入与输出首先,我们需要确定设计的输入和输出。
输入主要包括时钟信号和复位信号,用于控制计数和复位操作;输出为控制七段数码管显示的控制信号。
3.2确定译码方式根据设计需求,我们可以选择使用常见的译码方式,如BCD译码器、十六进制译码器等。
根据实际情况选择适合的译码方式,使得设计简单有效。
3.3确定译码逻辑在确定了译码方式后,需要根据输入信号和输出信号的关系,确定译码逻辑。
根据二进制计数器的输出信号,将其映射到对应的数字或字符,为七段数码管提供正确的控制信号。
3.4组合逻辑设计根据译码逻辑,设计出控制信号的生成电路。
可以使用门电路、与非门电路或多路选择器等组合逻辑电路实现。
3.5简化逻辑电路对于逻辑电路的设计,可以使用布尔代数、卡诺图等方法进行简化和优化,使电路结构更为简洁。
3.6电路仿真与验证完成电路设计后,可以使用电路仿真工具对电路进行验证和测试,确保电路功能正确。
4.设计注意事项:在设计八位计数显示译码电路时,需要注意以下几点:4.1七段数码管的驱动电流和电压根据所选用的七段数码管的规格,需要确保驱动电流和电压符合规格要求。
基于FPGA的七段数码显示译码器的设计七段数码显示器是一种常见的显示设备,用于显示数字和一些字母字符。
在FPGA(Field Programmable Gate Array)上设计七段数码显示译码器可以实现数字输入到七段数码显示器的转换,并将对应的控制信号输出到相应的段。
FPGA是一种可编程逻辑设备,具有可重构性和可编程性,因此它可以用来设计各种数字逻辑电路,包括数码显示译码器。
设计一个基于FPGA的七段数码显示译码器需要以下步骤:
1.确定输入和输出:七段数码显示译码器的输入为数字(0-9),输出为七段数码显示器的段控制信号。
2.确定数码管的显示编码:七段数码管的每个段都有对应的编号,常用的编码方式有共阴极和共阳极两种。
确定使用哪种编码方式,决定了段控制信号的输出方式。
3.设计逻辑电路:根据数码管的显示编码和输入数字,设计逻辑电路来生成对应的段控制信号。
可以使用逻辑门、触发器和其他数字逻辑电路组合实现。
4. 编写HDL代码:使用硬件描述语言(如Verilog、VHDL等)编写逻辑电路的描述代码。
代码应包括输入端口、输出端口以及逻辑电路的实现。
5.进行仿真:使用仿真工具对编写的HDL代码进行仿真验证,确保逻辑电路的正确性。
6.确定FPGA芯片:选择适合需求的FPGA芯片,考虑输入输出端口数量、资源利用率以及时钟频率等因素。
7.进行综合:使用综合工具将编写的HDL代码综合为FPGA芯片可识别的级联逻辑门。
8.进行布局布线:使用布局布线工具将综合结果映射到FPGA芯片上的逻辑单元和连线。
9.进行时序分析:使用时序分析工具分析电路中的时序约束,如时钟频率,以确保电路工作正常。
译码显示电路的设计一、引言译码显示电路是数字电路中常见的一种应用,它可以将数字信号转化为人类可以直接理解的形式,如数字、字母、符号等。
本文将介绍译码显示电路的设计方法和步骤。
二、基本概念1. 译码器:将输入的数字信号转换为输出信号,输出信号通常为二进制编码。
2. 显示器:将输入的二进制编码转换为人类可以直接理解的形式。
三、设计流程1. 确定输入信号类型和数量:根据实际需求确定输入信号类型和数量,如BCD码、二进制码等。
2. 选择合适的译码器:根据输入信号类型和数量选择合适的译码器,如74LS47、74LS138等。
3. 确定输出类型和数量:根据实际需求确定输出类型和数量,如七段数码管、LED灯等。
4. 连接译码器和显示器:将译码器输出连接到显示器输入,并确保正确连接。
5. 设计供电电路:设计合适的供电电路,确保整个系统正常工作。
6. 调试测试:对整个系统进行调试测试,确保正常工作。
四、具体实现以BCD码为例,设计一个能够驱动4位七段数码管的译码显示电路。
1. 确定输入信号类型和数量:BCD码,需要4个输入信号。
2. 选择合适的译码器:选择74LS47,它可以将BCD码转换为七段数码管的输出信号。
3. 确定输出类型和数量:使用4位七段数码管作为输出。
4. 连接译码器和显示器:将74LS47的A、B、C、D四个输入端分别连接到BCD码输入端,将74LS47的a、b、c、d、e、f、g七个输出端分别连接到七段数码管的a、b、c、d、e、f、g七个输入端,并确保正确连接。
5. 设计供电电路:使用5V电源供电,确保整个系统正常工作。
6. 调试测试:对整个系统进行调试测试,通过输入BCD码,观察七段数码管是否正确显示。
五、总结译码显示电路是数字电路中常见的一种应用,本文介绍了译码显示电路的设计流程和具体实现方法。
在实际应用中,需要根据实际需求选择合适的译码器和显示器,并进行合理连接和调试测试。
七段显示译码器电路设计七段显示译码器是一种重要的数字电路,用于将二进制码转换为七段显示器上的对应数字或字母。
它通常由四个输入引脚和七个输出引脚组成,其中四个输入引脚表示二进制数的四位码,而七个输出引脚控制七段显示器中的各个段是否点亮。
下面是一个简单的七段显示译码器电路设计,它能够将四位二进制码转换为七段显示器所需的控制信号。
首先,我们需要定义一个真值表来描述七段显示器的每个数字或字母的显示信号。
下面是一个常用的真值表示例:输入编号,a,b,c,d,e,f,g--------,-,-,-,-,-,-,-0,1,1,1,1,1,1,01,0,1,1,0,0,0,02,1,1,0,1,1,0,13,1,1,1,1,0,0,14,0,1,1,0,0,1,15,1,0,1,1,0,1,16,1,0,1,1,1,1,17,1,1,1,0,0,0,08,1,1,1,1,1,1,19,1,1,1,1,0,1,1A,1,1,1,0,1,1,1B,0,0,1,1,1,1,1C,1,0,0,1,1,1,0D,0,1,1,1,1,0,1E,1,0,0,1,1,1,1F,1,0,0,0,1,1,1接下来,我们可以根据这个真值表来设计七段显示译码器的逻辑电路。
一个常见的方法是使用四个二-四译码器和一些逻辑门。
每个二-四译码器都有两个输入引脚和四个输出引脚,它将两个二进制数的每一位作为输入,将输出引脚的一些组合置高来实现对应输出数的逻辑。
在我们的设计中,我们可以将四个输入引脚分别连接到四个二-四译码器的输入引脚上,然后将四个输出引脚通过逻辑门连接到七个段的输入引脚上。
最后,我们需要选择适当的逻辑门来实现所需的逻辑。
常见的选择是使用与门和反相器。
与门用于实现多个输入引脚同时为高时将输出引脚置高的逻辑。
反相器则用于将逻辑信号进行反相。
例如,我们可以使用四个与门来实现输入二进制数为0、1、2和3时,对应输出引脚的逻辑。
然后,我们可以使用反相器来实现其他输出引脚的逻辑。
BCD码显示译码器的设计在设计BCD码显示译码器时,需要考虑以下几个方面:1.确定编码方式:BCD码可以使用8421编码或2421编码。
在8421编码中,每位十进制数由四位二进制数表示;在2421编码中,0-9的数字用四位二进制数表示,其中10-15的数字使用三位编码。
2.确定输入和输出:BCD码显示译码器的输入是BCD编码,输出是数字或字符表示。
根据需求,可以设计为七段显示器(常用于数字显示)或者数码管(常用于显示字母、符号等)。
3. 设计真值表或Karnaugh图:根据编码方式和输入输出的定义,可以绘制真值表或Karnaugh图来设计译码器。
真值表列出了所有可能的输入和对应的输出;Karnaugh图则将输入和输出进行组织和优化,以简化电路设计。
4. 选择适当的逻辑门:译码器可以使用与门(AND)、或门(OR)、非门(NOT)、与非门(NAND)和异或门(XOR)等逻辑门组成。
根据真值表或Karnaugh图,选择适当的逻辑门以实现所需的函数。
5.需要考虑面向对象方面的设计,根据功能的划分将设计的逻辑块进行模块化。
以下是一个以BCD码8421编码为例的BCD码显示译码器设计示例:输入:BCD码(A3A2A1A0)输出:七段显示器(a-f)其中,每个a-f对应七段显示器的a段到f段。
设计步骤:1.根据输入的BCD码,确定数字0-9对应的输出控制线的状态。
根据8421编码,可以得到如下的真值表:```BCD码,abcdef-------,-----------0000,1111110001,0110000010,1101100011,1111000100,0110010101,1011010110,1011110111,1110001000,1111111001,111001```2.根据真值表,可以使用逻辑门来实现每个控制线的控制逻辑。
这里可以使用与门和或门来实现。
a=A3'A2'A1'A0'+A3'A2'A1A0'+A3'A2A1'A0'+A3'A2A1A0'+A3A2'A1'A0 '+A3A2'A1A0+A3A2A1'A0+A3A2A1A0b=A3'A2'A1'A0+A3'A2'A1A0'+A3'A2A1'A0+A3'A2A1A0'+A3A2'A1'A0'+ A3A2'A1A0+A3A2A1'A0'+A3A2A1A0'c=A3'A2'A1A0+A3'A2A1'A0+A3'A2A1A0'+A3A2'A1'A0'+A3A2'A1'A0+A3 A2'A1A0d=A3'A2A1'A0'+A3'A2'A1A0+A3A2'A1'A0+A3A2'A1A0+A3A2A1'A0'+A3A 2A1'A0+A3A2A1A0'+A3A2A1A0e=A3'A2'A1'A0'+A3'A2'A1A0'+A3'A2A1'A0+A3A2'A1'A0'+A3A2'A1'A0 +A3A2A1'A0'+A3A2A1A0'+A3A2A1'A0'f=A3'A2'A1'A0+A3'A2'A1A0+A3'A2A1'A0+A3'A2A1A0'+A3A2'A1'A0+A3 A2'A1'A0'+A3A2'A1A0+A3A2A1'A0注意:使用上面的逻辑等式时,数字后面的引号表示对应输入取反。
实验三译码显示电路实验三译码显示电路译码显示电路是由多个数字输入端口和一个显示端口构成的数字电路。
该电路将数字输入信号转换为相应的字形或字符形式,并通过显示端口输出,是数字系统中非常重要的部分。
本实验将学习到译码显示电路的基本原理、组成要素、设计方法以及实际应用。
下面将从以下几个方面进行详细的介绍:一、数码管的原理数码管是数字电路中最常见的数字输出设备之一,它是使用半导体技术制成的一种电子元件。
数码管通常由8个发光二极管(LED)组成,每个发光二极管对应一个数字位,它们可以组合成不同的数字和字母字符以显示在屏幕上。
数码管按照共阳和共阴两种方式区分,其中共阳数码管的阳极连接在信号源上,共阴数码管的阴极连接在信号源上。
二、二进制代码在数字系统中,数字信息通常使用二进制代码进行表示和存储。
二进制代码是由二个符号“0”和“1”组成的数字系统。
它利用位权值原理表示数字大小,其中位权从右往左每增加一位,权重就翻倍。
例如,一个8位的二进制代码可以表示0~255之间的任意数字。
三、译码芯片译码芯片是一种数字电路芯片,它能够将输入的二进制信号转换为对应的字符或数字形式,并通过数码管进行显示。
常见的译码芯片有7447、7448、74148等。
其中,7447是一个4位二进制-7段数码管译码器芯片,7448是一个BCD-7段数码管译码器芯片,74148是一个8位二进制-3线-8线译码器芯片。
这些译码芯片的功能相似,但使用的方式略有不同,需要根据实际情况进行选择。
四、译码显示电路的设计译码显示电路的设计可以分为两个主要步骤:电路分析和电路设计。
电路分析包括对数字信号或数字代码的分析、对数码管和译码芯片等元件的分析,制定电路图和逻辑关系等步骤;电路设计则包括对电路图细节的调整、对元件的选择和连接方式的确定,以及对电路的测试和调试。
在进行电路设计时,还需要考虑电路的功耗、稳定性和可靠性等因素。
五、译码显示电路的应用译码显示电路广泛应用于各种数字系统中,如计算机、计算器、智能卡、微控制器等。
显示译码电路的设计
(朱开明.电子技术实训指导.清华大学出版社.2005.11 p153~165)
在数字电路设计中,很多地方都要用到数字显示,如计数器、频率计、时钟、计分牌等。
显示器可用LED数码管和LCD液晶显示器。
LED显示器亮度高,如果在环境亮度高的地方还可选用高亮度的LED显示器,所以,LED数码显示器是最常用的数字显示器。
首先介绍译码和显示电路的设计和调试。
1.设计要求
输人8421 BCD码,显示对应的十进制数。
2.设计分析
(1)LED数码显示器
目前国内外生产的LED数码显示种类繁多,型号各异。
按图形结构可分为数码管和符号管两种。
如图1所示。
其中“+”号管能显示出正“+”、负“一”号。
“+1”符号管能显示“+1”或“一1”。
“米”字管的功能最全,除能显示A~Z的26个英文字母外,还能显示+、一、×、÷几个运算符。
七段显示器一般用来显示0~9。
有DP的七段显示器可显示小数点。
图2中a、b、c、d、e、f、g表示七个笔段,也对应七个外引脚。
图1 几种LED数码管结构图
图2 共阴和共阳数码显示器原理图和共阴外引脚
按一块显示器件所含显示数位多少,还可分为一位、二位和多位数码显示器。
(2)显示译码驱动器
显示译码并能直接驱动LED显示器的TTL电路如74LS47(OC、共阳),74LS48(共阴)等。
如需计数和译码显示功能的可选取74LS143和74LS144等。
74LS47是集电极开路(OC)电路,需外接上拉电阻。
这里选用典型电路74LS48,其引脚功能如图3所示。
电路功能如表1所示。
图3 74LS48引脚功能图
表1 74LS48电路功能
端为灯测试端,=0时,Ya~Yg全部输出高电平,可驱动共阴数码管七笔都亮。
平时应使=1。
为灭零输人端,设置的目的是为了把不希望显示的零灭掉。
作输人使用时,称灭零输人控制端。
只要加人灭灯控制信号=0,无论A3、A2、
A1、A0的状态是什么,都将被驱动的数码管熄灭。
作输出使用时,称灭零输出端。
=0时表示A3、A2、A1、A0全为0,并且=0。
用的输出信号去控制其他译码器的。
3.电路设计
(1)74LS48驱动显示译码器设计
用单独一块74LS48驱动共阴数码显示器电路如图4所示。
图4 数码显示电路
(2)多级74LS48的连接
将灭零输人端和灭零输出端配合使用,可实现多位数码显示系统的灭零控制。
图5示出了灭零控制连接方法。
只需在整数部分把高位的与低位的相连,在小数部分将最低位的与高位的相连,就可以把高、低位多余的零熄灭掉。
在这种连接方式下,整数部分只有高位是零,并被熄灭的情况下,低位才有灭零信号。
同理小数部分只有低位是零,并被熄灭时,高位才有灭零信号。
初始显示为“0.0”。
4.实验测试
(1)单级译码显示电路
用实验板或实验箱搭接电路,四个数据输人端接逻辑开关,连好电路后,接通电源,改变四个逻辑开关的数据,检验显示译码功能。
图5 有灭零控制数字显示系统
(2)多级显示电路
多级显示译码电路主要是学习灭零端和灭零控制端的使用和正确连接。
可单独连接成一个四位整数电路或一个四位小数电路。
5.改进设计
(1)将共阴和共阳显示器与对应驱动器连接进行设计,并在实验中测试。
(2)查阅有关数码显示器方面的知识和对应显示驱动电路。
(3)查阅有关书籍,查找一种能输人模拟信号,输出驱动数码显示器的集成电路。