ZYJ7道岔检修作业标准
- 格式:ppt
- 大小:77.78 MB
- 文档页数:69
ZYJ7道岔检修作业指导书
1.目的:通过信号工的检修,对ZYJ7道岔的电气和机械性能按作业标准进行检查后,确保在一定的时间周期内,ZYJ7道岔各项性能符合符合行车安全的要求。
2.适用范围:车站与区间信号工岗位。
3.作业内容:
3.1检查道岔密贴和肥边情况,各部件无破损,尖轨、基本轨、心轨、翼轨竖切部分无肥边,尖轨无离隙、翘头、拱背。
3.2检查安装装置有无损伤。
3.3检查表示杆是否变形(错位/张口),缺口有无变化。
3.4检查设备有无外界干扰,检查加锁装置是否良好。
3.5检查箱盒是否有破损、漏水,防尘罩安装良好。
3.6检查基础无破损,粉饰良好。
3.7检查外部螺栓是否松动,开口销是否齐全、标准;引入管安装良好。
3.8基础面、设备外部清扫、注油。
3.9滑床板清扫、涂油。
3.10扳动试验。
3.11安装装置及各连接杆绝缘检查。
3.12表示杆及转辙机动作杆与锁闭杆、连接杆油润良好,无锈蚀。
3.13转辙机动作杆与锁闭杆、连接杆在一条直线上,锁闭杆与锁框不别劲。
3.14锁钩锁闭良好,不别劲。
锁钩、锁钩连接轴、锁闭杆及锁闭铁应保持清洁、油润,无锈蚀,锁钩与锁钩连接轴横向滑动良好,机外各部注油、润滑。
4.作业材料、工具:
5.检修作业程序:。
ZYJ7道岔检修作业指导书1、工具材料仪表:个人工具、设备钥匙、手锤、350/400活口扳手、梅花扳手、4mm/2mm、盒尺、刮腻子铲、大改锥、镊子、钢丝刷子、油壶、毛刷、鹿皮、开口销、1.6Mm小邦线、液压油、破布、调整垫片、油压表、MF14表、绝缘在线测试仪2、安全风险此案关键项点:1、道岔密帖不良、4MM锁闭2、道岔机械暗伤裂纹、磨耗超限、3、道岔防护罩固定不良4、机内进水进潮接点调整不当5、液压道岔渗油漏油油管防护不良6、表示缺口变化7、安装装置绝缘不良8、液压道岔非正常挤脱9、尖轨爬行超标钢轨肥边过大岔区结合部工务作业无电务人员监护10、违章使用手摇把违章处理道岔故障3、控制措施:1、检修时看密贴,工务病害及时整,4MM保良好2、道岔清扫要彻底不良配件要更换3、防护罩固定良好破损时及时更换4、机内要清扫,盘根要良好,雨雪天气要晾晒,接点调整要符合要求。
5、摩卡部位要防护,漏油渗油及时找,油位要适当,压力要正好6、表示缺口及时调,卡尺要准确。
7、装置绝缘定期测发现不良要处理8、道岔病害是关键重点道岔加密检9、联系要及时巡检要仔细岔区结合部工务作业要订空10、使用手摇把要命令,严禁制度不能碰实验彻底交付用,首趟列车要订空4、作业标准:1、带齐工具材料仪表2、标准化着装上道3、道岔安装水平方正,尖轨爬行不超限,连接安装装置的轨枕安装方正,尺度正确,道岔正常转换过程中各部件无摩卡,动作平稳,灵活无别劲卡组现象4、安装装置,外所装置,转辙机无锈蚀,无旧伤裂纹。
各杆件销旷不大于10Mm5、道岔各活动部位清洁油润无锈蚀各部螺栓齐全紧固各开口销齐全撇开角度合适6、尖轨与基本轨,心轨与翼轨应达到静态宏观密贴道岔锁闭时允许尖轨尖端与第一牵引点处有不大于0.5MM间隙其余各处有不大于1MM间隙7、尖轨第一牵引点、第二牵引点处锁闭杆与基本轨心轨第一牵引点处锁闭杆与翼轨达到4MM不能锁闭且不得接通道岔表示8、道岔各处绝缘良好,无破损,阻值大于20欧要更换9、油管槽钢安装防护良好,油管无伤痕压扁现象10、尖轨开程与机内表示斥离缺口符合要求11、道岔各杆件调整量应大于10MM转辙机外壳边缘与基本轨直线距离偏差不大于5MM12、外锁闭杆限位块与锁闭框间隙为0-3MM13、机盖要严密,机内零件齐全,各衬套与机械滑动部位油润作用良好,所有油路密封件齐全无渗漏14、遮断器通断灵活接触良好打入深度合适15、溢流阀动作灵活邮箱内油位达标16、自动开闭器动静接点通断灵活接触良好安装牢固17扳动试验无异常转换过程无卡阻惯性轮作用良好18、锁闭杆与锁闭住检查住与表示杆动作正常无摩卡19、各接点组接触断开良好开关滚轮灵活无卡组可靠接通常开常闭接点20、道岔正常转换过程不大于8.5S21、道岔正常转换压力小于等于9.35MP溢流压力为10-11MP不大于12.5MP22、定反位密贴检查:主机密帖缺口:2加减1.5MM斥离缺口:18加减3MM副机密帖缺口:4加减1.5MM斥离缺口:8加减3MM23、机内配线整齐连接牢固电气端子紧固无松动24、挤脱器外观良好开口销、铅封齐全良好。
设 备ZYJ7+SH6(尖轨)编号维修周期3个月作业条件修 程集中检修作业人员作业工具作业材料安全风险防控措施备 注流 程作业程序图示说明1.核对作业位置,确定检修对象2.对检修道岔外观在巡检过程中发现的问题进行校核1.打开转辙机机盖,扳动道岔时各部动作灵活稳定,无异声无异状ZYJ7+SH6(尖轨)道岔检修作业作业人员到达现场ZYJ7+SH6(尖轨)道岔检修作业工具:联络工具、ZYJ7型电液转辙机专用工具、润滑油壶、套筒(6mm、8十字螺丝刀(75mm、250mm)、尖嘴钳、长嘴钳、克丝钳、扁油刷仪表:万用表、油压表TR-1润滑油、机油、液压油、棉纱、白布、开口销、调整片1.机械锁闭失效(按照装置、外锁闭装置断裂,挤切销非正常折断,调整不当2.表示错误(违章作业人为给出假表示,联锁试验不彻底)可能导致列车冲突、脱轨;3.作业过程中人员、工具、仪表、器具侵限,危及作业人员和行车安全1.按照检修周期认真检查和检修,利用集中监测进行分析;2.严格落实电务各项安全作业制度;3.严格执行“三不动,三不离,三不放过”制度2.检查油位,测试油压、动作电压测试3.板动试验来回操动道岔,用2/4/6mm、10mm试验各牵引点密贴情况,根据需要调整4.开程检查5.观察定反位道岔缺口,根据需要调整,6.安装装置绝缘检查测试、填写检修卡1.断开安全接点2.机体安装牢固、完整,无异状、无裂纹,机内防水、防尘良好、无漏油、无锈蚀、机内清洁道岔一级测试、调整,填写卡片3.检查各部件无裂纹,各种开口销是否完好,开口角度符合要求;内部螺丝紧固、螺母齐全、无松动,配线整齐无损伤及混线可能,焊点焊接良好,原理图保存良好4.检查油泵电机组、联轴器、惯性轮转辙机内部检修5.检查自动开闭器接点组6.检查启动片、滚轮状态7.转换锁闭检查(包括:油缸、推板、动作杆、锁闭铁)8.检查挤脱器9.机机内注油1.箱盒内部清洁,防尘防潮设施良好,名牌齐全、正确,字迹清楚2.配线及电缆芯线不磨卡、不破皮,端子不松动,线头无断股、毛刺,焊头牢固,双螺母垫片套管齐全3.器材类型正确不超期,无过热现象;电缆配线图、原理图保存完好,字迹正确清晰、图实相符,无涂改1.检查密贴调整螺丝、缺口、活塞杆堵盖螺丝紧固情况2.调看道岔动作曲线,复查缺口有无变化;检查本次检修发现的无法当场解决的问题,缺点纳入问题库上报3.加锁良好,防尘罩固定良好后进行道岔位置核对,销记电缆盒(箱)内部检修复查、销记修作业指导书1、必须在天窗点内进行;2、携带工具、小材料齐全,并检查状态良好;3、工长(或组长)签发作业单;4、手持终端检查良好,电量充足3人mm、8mm、10mm)、一字螺丝刀(75mm、250mm)、扁油刷整不当)可能导致列车脱轨;能导致列车冲突、脱轨;和行车安全修作业指导书质量标准,风险提示1.ZYJ7+SH6型转辙机动作压力不大于10MPa,溢流压力不大于14MPa,建议一般调整12.5MPa;2.油箱内油位应在油标上、下限之间,如果油箱内油位低于油标尺下限,应注入YH-10号航空液压油3.在电机端子上搬动道岔测得额定电压380V1.4mm搬动试验不能锁闭,2mm应锁闭2.进行30s(13s)保护试验,30s(13s)保护试验应能自动切断电源;断向保护试验:断相后应能自动切断电源3.调整道岔密贴顺序:先调第二牵引点,再调第一牵引点(先后在前);ZYJ7+SH6型转辙机主机密贴缺口为2±0.5mm;副机密贴缺口为4±1.5mm轨面与安装装置绝缘电压为0V,绝缘良好断开距离应不小于2mm,非经人工恢复不得接通电路1.机内进水重点排查:锁堵、机盖密封胶条处;机盖密封胶条处,表示杆与动作杆进出口处及各轴套连接处2.机内漏油重点排查:油缸、油泵、溢流阀、油管接头处1.联轴器检查:电机、油泵间联轴器配合良好,转动时无卡组、无别劲、无过大噪声、用手可轴向拨动联轴器2.油路系统检查:油缸、动作杆动作平稳,无颤抖;油路系统各接头部分无泄露,油缸的动密封良好,活塞杆两端油膜不成滴3.惯性轮检查:惯性轮就是为防止上述现象设置的。
ZYJ7电液转辙机道岔的维护与故障处理ZYJ7电液转辙机道岔是铁路运输中常用的重要设备,使用频率高,因此对其进行及时的维护和故障处理非常重要。
本文将介绍ZYJ7电液转辙机道岔的维护和常见故障处理方法,希望能够对相关工作人员有所帮助。
一、维护1. 清洁保养ZYJ7电液转辙机道岔在使用过程中会不可避免地产生灰尘、油污等杂物,因此需要定期对其进行清洁保养。
要将设备断电,并使用清洁剂清洁外表面和各部件表面的油脂、灰尘等杂物。
要检查各部件的紧固情况,确保各部件连接牢固。
对于润滑部位,要注意添加适量的润滑油,以保持良好的润滑状态。
2. 检查电气连接定期检查ZYJ7电液转辙机道岔的电气连接情况,查看各接头是否有脱落、破损等情况,确保电气连接良好。
要检查电源线路、控制线路等,确保其安全可靠。
如果发现有异常情况,应及时进行修复,以免影响设备的正常使用。
3. 定期检测定期对ZYJ7电液转辙机道岔进行功能性测试,检测其运行状态是否正常。
可以通过模拟测试、手动操作等方式,对设备进行全面的检测。
在测试过程中,要特别注意观察各部件的运行情况,并及时发现并排除异常情况。
4. 紧固检查定期对ZYJ7电液转辙机道岔的各部件进行紧固检查,确保各部件的连接牢固。
尤其是在频繁使用和大幅振动的情况下,更需要加强对设备的紧固检查,以免出现松动等情况。
二、故障处理1. 无法正常转辙如果ZYJ7电液转辙机道岔无法正常转辙,可能是由于润滑不足、传动装置故障、电路故障等原因引起的。
首先要检查润滑部位的润滑情况,如发现润滑不足,要及时添加润滑油。
其次需要检查传动装置是否受到阻碍,如存在杂物、异物等应及时清除。
还要检查电路是否完好,排查电路故障,如发现故障应及时修复。
4. 液压故障如果ZYJ7电液转辙机道岔出现液压故障,如无法正常润滑、油压不足等情况,需要检查液压系统的油液情况,确认油液充足。
其次要检查液压泵是否正常运行,如发现故障需要更换或修复液压泵。
ZYJ7道岔检修作业指导书1.目的:通过信号工的检修,对ZYJ7道岔的电气和机械性能按作业标准进行检查后,确保在一定的时间周期内,ZYJ7道岔各项性能符合符合行车安全的要求。
2.适用范围:车站与区间信号工岗位。
3.作业内容:3.1检查道岔密贴和肥边情况,各部件无破损,尖轨、基本轨、心轨、翼轨竖切部分无肥边,尖轨无离隙、翘头、拱背。
3.2检查安装装置有无损伤。
3.3检查表示杆是否变形(错位/张口),缺口有无变化。
3.4检查设备有无外界干扰,检查加锁装置是否良好。
3.5检查箱盒是否有破损、漏水,防尘罩安装良好。
3.6检查基础无破损,粉饰良好。
3.7检查外部螺栓是否松动,开口销是否齐全、标准;引入管安装良好。
3.8基础面、设备外部清扫、注油。
3.9滑床板清扫、涂油。
3.10扳动试验。
3.11安装装置及各连接杆绝缘检查。
3.12表示杆及转辙机动作杆与锁闭杆、连接杆油润良好,无锈蚀。
3.13转辙机动作杆与锁闭杆、连接杆在一条直线上,锁闭杆与锁框不别劲。
3.14锁钩锁闭良好,不别劲。
锁钩、锁钩连接轴、锁闭杆及锁闭铁应保持清洁、油润,无锈蚀,锁钩与锁钩连接轴横向滑动良好,机外各部注油、润滑。
4.作业材料、工具:5.检修作业程序:注:遇特殊情况不能在天窗点前完成的工作内容,可调整到天窗点后完成。
6.作业安全注意事项:6.1驻站防护员上岗时,应佩戴防护员臂章,严禁从事与防护无关的其他工作。
驻站防护员应在室外作业人员出发前到岗,并与安全防护员和作业人员试验通信工具良好,防护员在上道作业前应相互校核时钟。
作业人员出发后应随时预报列车运行情况,确保作业人员途中安全。
6.2驻站防护员在担当值台防护期间,必须掌握室外各组作业地点和内容,应随时与车站值班员保持联系,准确掌握列车运行情况,及时向安全防护员和作业人员预告(三预告)列车邻站闭塞、邻站出发和列车达到距作业点规定的防护距离。
当列车到达距作业点规定的防护距离时,立即通知安全防护员要求作业人员下道避车,在列车通过作业点前仍需随时向安全防护员和作业人员通报列车运行情况。
ZYJ7型道岔维修、故障处理指导书呼和电务段技术科2007.9一、概述1、目前我段液压道岔上道种类(1)ZYJ7型交流380V(主机)SH6型(副机);(2)ZY7型直流220V(主机)SH6型(副机);2、外锁闭装置种类(1)主机外锁闭安装装置都为动作杆与锁闭杆分别与尖轨连接;(2)副机一种为外锁闭安装装置动作杆与表示杆在同一尖轨连接铁上安装,第二种(新型)动作杆与表示杆分别与尖轨连接。
3、工务尖轨种类(1)工务尖轨用ZD6型双机牵引尖轨;(2)工务尖轨用与ZY7型配套尖轨;(3) ZD6型双机牵引尖轨与ZY7型配套尖轨的区别:ZY7型配套尖轨的总长度比ZD6型双机牵引尖轨长一些,但主、副机两牵引点的距离短68cm,则ZY7型配套尖轨较好一些。
二、ZY7型电液转辙机的结构道岔的第一牵引点为ZY7型电液转辙机主机,此机有一套动力系统,SH6型转换锁闭器为副机,此机内设有动力系统是靠主机油管连接传输动力。
1、ZY7型电液转辙机主机结构主要由动力机构、转换锁闭机构、表示锁闭机构组成。
(1)动力结构:作用:将电能转变为液压能。
组成:电机、联轴器、油泵、油管、单向阀、滤芯、溢流阀及油箱。
(2)转换锁闭机构:作用:转换并锁闭尖轨在密贴位置,且能承受100KN的轴向力,同时将斥离轨锁在规定位置(到基本轨160±5mm的位置)。
组成:油缸、推板、动作杆、锁块、销轴、加强板及锁闭铁等。
(3)表示锁闭机构:作用:正确反映尖轨、斥离轨状态,并将其锁在规定位置,且能承受30KN的轴向锁闭力。
组成:接点组,锁闭杆等零部件。
(4)手动安全接点(遮断器):作用:手摇电机扳动道岔,切断电机启动电源,才能插入手摇把,非经人工恢复不能接通电路(断启动电源,但不断道岔表示)。
2、SH6型转换锁闭结构主要由转换锁闭机构,挤脱和表示机构组成。
(1)、转换锁闭机构同ZYJ7主机转换锁闭机构。
(2)挤脱机构:作用:定力固定锁闭铁,挤岔时传递给表示机构动程的功能;(3)表示机构:作用:正确反映尖轨状态,有挤岔状态(断表示功能)。
ZYJ7道岔标准化作业程序1.班前会1.1.工长(作业负责人)布置任务:安排作业人员分工及作业地点、登记内容、卡控措施及安全预想。
1.2.驻站联络员:“作业内容已登记,计划XX时XX分给点。
”1.3.作业人员:清点工具材料。
(工具:联络工具、手摇把、专用钥匙、手锤、试验锤、克丝钳、尖嘴钳、鹰嘴钳、扁口钳、梅花扳手、300mm扳手、250mm扳手、4mm套筒、5mm套筒、6mm套筒、150mm螺丝刀、300mm螺丝刀、腻刀、钢丝刷、毛刷、油壶、钢卷尺。
仪表:万用表、油压表。
材料:棉纱、YH-10液压油、小铁线、开口销、密贴调整片、各种常用螺丝、螺帽)作业人员清点工具、材料后向工长(作业负责人)报告:“工具、材料、仪表齐全。
”防护员:“防护用品齐全。
”[防护服、防护证卡、口笛(哨子)、对讲机]1.4.工长(作业负责人):“各作业组按分工开始工作。
”1.5.防护员:“XX信号楼,XX作业组通讯试验。
”驻站联络员:“通讯试验良好。
”防护员:“XX信号楼,XX作业组X人,XXX防护,准备进入站内。
”驻站联络员:“允许作业组进入站内,注意安全。
”(作业组开始赶赴现场,列队行进,防护员排第一,其他人员随后,穿越线路时先联系后通过)。
2.作业人员到达现场防护员:“XX信号楼,XX作业组到达XX号道岔。
”作业人员:“XX信号楼,XX#道岔扳动确认道岔位置。
”(扳动一个来回)驻站联络员:“XX#道岔扳动,注意安全。
”作业人员:“XX信号楼,XX#道岔确认正确,开始作业。
”3.道岔外部动态检修3.1.设备无外界干扰和异状,设备名称及定位标志清晰正确。
3.2.硬面整洁无杂物;箱盒无破损,蛇管、加锁装置良好。
3.3.基础倾斜度不超过10mm,箱盒底距地面不少于150mm,排水良好。
3.4.槽钢内无杂物;各部螺栓紧固、满帽,防松装置、开口销齐全;附有绝缘的杆件绝缘完整作用良好。
3.5.定位密贴良好,尖轨基本轨间无异物,无肥边,滑床板油润无污无吊板限位铁与钢轨间隙为1-3mm符合标准;反位密贴良好尖轨基本轨间无异物,无肥边,滑床板油润无污无吊板;限位铁与钢轨间隙为1-3mm符合标准;尖轨、心轨爬行不超过20mm。
ZYJ7型分动外锁闭道岔日常维护与故障处理张国庆伴随着我国国民经济的不断发展,对铁路运输提出了更高的要求。
随着列车运行速度的不断提高、载重量加大,道岔也在发生着日新月异的变化,原有的电动转辙机已不再适应,分动外锁闭道岔得了到广泛使用。
目前提速干线各站广泛采用的ZYJ7型分动外锁闭道岔具有工作稳定可靠,维修简单、长寿命和故障率低的优点,深受现场欢迎,取得了良好的经济效益和重大的社会效益。
一、目的ZYJ7型分动外锁闭道岔主要应用于铁路站内正线上。
道岔是铁路线路上使列车车辆由一条线路驶向另一条线路的设备,它的任务是转换、锁闭尖轨和心轨,以及对尖轨和心轨的位置进行监测,介入行车指挥系统,是行车自动化指挥系统的基础设备之一。
通过实习,我重点了解了ZYJ7型分动外锁闭道岔的日常维护及故障处理的方法,提高了自身的工作能力,更好的适应了电务设备发展的需要。
二、岗位介绍我在天津电务段汉沽信号工区,信号工区主要对走行线站内及所属区间的信号设备进行维修,以及当发生故障时的处理。
是确保行车安全的基层单位,其每一个成员都肩负着保障行车安全的重任。
工区地处津山线,采用6502型大站电气集中联锁,津山区间和站内正线电码化采用UM71,站内股道电码化采用8信息,站内正线采用ZYJ7型分动外锁闭电液转辙机,侧线采用ZD6型电动转辙机和ZY4型液压转辙机,轨道电路采用97型25周相敏轨道电路。
我在走行线工区对ZYJ7型分动外锁闭道岔的日常维护、故障处理。
三、内容及过程我首先重点学习掌握了ZYJ7型分动外锁闭道岔日常维护。
(一)ZYJ7型分动外锁闭道岔日常维护内容及技术标准ZYJ7型分动外锁闭道岔日常维护主要作业项目包括:变压器箱、电缆盒、液压站及转辙机的外部检修;安装装置及三杆的检修;转辙机的油路检查;转辙机内部检修;道岔的搬动试验。
1、变压器箱、电缆盒、液压站及转辙机的外部(1);基础完整、安装牢固,不破损、无裂纹、不倾斜,周围平整无杂草,排水良好;(2)箱盒安装牢固、不破损、无裂纹、部倾斜、油饰良好;号码正确,字迹规范清晰。
ZYJ7电液转辙机道岔的维护与故障处理ZYJ7电液转辙机道岔是一种用于铁路线路的设备,用于实现铁路列车的转向和选择行车方向。
对于ZYJ7电液转辙机道岔的维护与故障处理非常重要。
对于ZYJ7电液转辙机道岔的维护工作,需要按照以下步骤进行:1. 定期检查道岔的机械部件,包括电动机、传动机构、齿轮、链条等,确保其正常运转,并及时更换磨损、故障的部件。
2. 定期检查道岔的液压系统,包括液压缸、液压管路和液压阀等,确保其正常工作,没有泄漏和堵塞现象。
需要及时更换老化、磨损的液压密封件。
3. 定期检查道岔的电气系统,包括控制盘、电缆、接线端子等,确保其正常工作,没有短路和断路现象。
需要及时更换老化、损坏的电缆和接线端子。
4. 定期进行润滑保养,包括润滑油的更换和润滑部件的加注润滑油,确保道岔的机械部件和液压部件的正常工作和寿命。
对于ZYJ7电液转辙机道岔的故障处理,需要按照以下步骤进行:1. 当道岔出现异常声音、异响或振动时,应立即停止使用,并检查道岔的机械部件是否存在松动、磨损或故障,及时进行修复或更换。
2. 当道岔转向异常、无法正常转向或转向不灵活时,应检查道岔的液压系统是否存在泄漏、堵塞或液压阀故障,及时进行修复或更换。
3. 当道岔电气系统存在电气故障、无法正常控制或接触不良时,应检查道岔的控制盘、电缆、接线端子等是否存在断路、短路或接触不良等问题,及时进行修复或更换。
4. 当道岔因长时间不运转或环境条件恶劣导致机械部件、液压部件或电气部件出现故障时,应进行全面检查和维修,确保道岔的正常工作和寿命。
ZYJ7电液转辙机道岔的维护与故障处理需要定期检查和保养,同时对于发现的故障要及时进行修复或更换,确保道岔的正常工作和使用寿命。
这对于铁路的安全运营和顺利进行至关重要。
ZYJ7电液转辙机道岔的维护与故障处理ZYJ7电液转辙机道岔是铁路轨道交通系统中的重要设备,它的正常运行和维护对于保障铁路运输的安全和顺畅具有重要意义。
由于长期使用和外部环境的影响,道岔设备很容易出现故障,正确的维护和及时的故障处理对于确保道岔设备的正常运行至关重要。
本文将就ZYJ7电液转辙机道岔的维护与故障处理进行详细阐述。
一、道岔的基本结构ZYJ7电液转辙机道岔由转辙机构、电气控制系统和液压系统组成。
转辙机构包括道岔心、杆铁、牵引杆、后排杆和侧排杆等部件。
电气控制系统由控制箱、电磁铁、信号继电器等组成。
液压系统由油箱、液压泵、液压阀和执行机构等组成。
道岔的正常运行依赖于这些组成部分的协调工作,任何一个部分的故障都可能导致道岔设备的运行异常,因此对这些部分的维护至关重要。
二、道岔的维护1. 定期检查和维护润滑部件道岔设备中的润滑部件包括各种轴承、滑轮、连接杆等,它们的正常润滑对于减少摩擦、延长使用寿命具有重要作用。
需要定期对润滑部件进行检查和加油、更换润滑脂等维护工作。
在加油时要注意加注适量的润滑脂,不要过多或过少,同时要使用适合的润滑脂,以确保润滑效果。
2. 清洁道岔设备道岔设备在使用过程中会不可避免地受到铁屑、尘土、油污等杂物的影响,因此需要定期对道岔设备进行清洁工作。
清洁应从周围环境开始,保持道岔设备周围的环境整洁,防止外部杂物进入设备内部。
对设备表面和内部也要进行清洁,保持设备的光洁度,有助于延长设备的使用寿命。
3. 检查电气控制系统电气控制系统是道岔设备中的核心部分,它直接影响到道岔的转换动作和信号的传递。
需要定期检查电气控制系统的各个部分,确保其正常运行。
检查时要注意接线端子的松动、电磁铁的工作可靠性、电磁铁的绝缘状况等,并及时做好维护和更换工作。
4. 检查液压系统5. 定期维护和保养在日常使用中,需要定期对道岔设备进行维护和保养工作,包括对零部件的加固、更换、修复等工作。
同时还要对道岔设备的运行情况进行记录和分析,及时发现和解决潜在问题,以确保设备的正常运行。
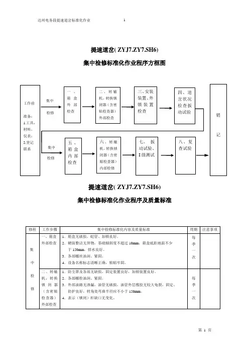
ZYJ7提速道岔道岔检修作业指导书1 检修准备1.1 预测预判。
通过信号集中监测、缺口监测等手段,对被检道岔进行调阅分析(图一),针对可能存在的问题,提出检修要求。
图一1.2 派班会。
明确检修作业负责人、室内外防护员、作业时间、地点、检修要求和安全预判及安全讲话。
1.3工具及仪表准备。
联络工具、照明灯、手摇把、手锤、扳手、克丝钳、尖嘴钳、长嘴钳、套筒扳手、螺丝刀、刮刀、直钢尺(钢卷尺)、密贴检查片、塞尺、水平尺(高铁维护)道岔钥匙、开箱钥匙、安全木、防护员防护用具、万用表等、油压表等。
1.4材料准备:机油、棉纱、1.0mm和1.6mm防松铁丝、各种规格开口销、各种调整插片、接点擦拭麂皮(白市布),不同规格的螺丝若干等。
2 道岔检修作业流程做到一看、二扳、三测、四检、五验。
2.1 一看:看六项内容确认道岔一致性后,看:一转辙机是否方正;二各类杆件是否平直、与工务枕木平行;三各类螺丝紧固、防松扎线、开口销齐全;四各类箱盒、机壳标识齐全、无损伤裂纹、引线无脱落;五外部是否有影响设备正常使用的杂物(如石碴、辊轮、工务防跳器、顶铁是否脱落、废弃物等);六是油箱油位是否正常。
2.2二扳:观察扳动过程观察道岔扳动过程中四项内容:一是解锁、转换和锁闭过程是否动作顺畅,有无杆件别卡;二是转辙机有无渗漏油;三是惰性轮作用是否正常,油缸有无反弹。
四是电机、油泵有无异响。
2.3三测:测量五项标准一是道岔各转辙点开程及定反位偏差是否符合标准(图二):(图二左为尖一,右为其他各牵引点测量方法)图二二是各点锁闭量是否符合标准(图三):图三三是用塞尺检查密贴间隙(图四):图四四是不同厚度的试验板(铁)检查道岔密贴(图五):图五五是完成相关特性测试(图六):图六2.4 四检:检修10项内容⒈箱盒、转辙机、密检器内部检查。
⒉扳动道岔检查转换过程的状态。
⒊道岔锁闭框、销轴、密贴、开程、锁闭量、表示缺口等按序、按需调整。
⒋杆件、轨距杆绝缘检查。
ZYJ7外锁道岔检修作业程序及标准检修作业程序、内容与要求1.登记由室内值班人员,按有关规定在“运统-46”中登记签认。
2.现场联系2.1现场作业人员与室内值班人员联系,相互呼叫试好电话,讲清作业地点,道岔号码及工作内容。
2.2扳动道岔现场核对道岔号码正确无误。
2.3联系用语要简单明了,相互复诵。
2.4影响使用时,必须要点,经车站值班员同意并签认执行。
3.道岔安装装置检查3.1基础托板应安装牢固,与钢轨轨面平行,不下垂,上翘时,最大不超过20mm,固定螺栓紧固,无旧伤裂纹,钢轨内无石碴及杂物。
3.2各部螺栓紧固,防松措施可靠。
3.3各种杆件平顺,不与其它无关部件相碰。
3.4各部绝缘状态良好。
3.5道岔设备周围1m范围内无杂草杂物。
4.外锁闭装置检修4.1外锁闭装置道岔各牵引点动程和锁闭量符合表1要求,锁闭量定、反位两侧应均等,其不均等偏差应不大于2mm..4.2尖轨、可动心轨爬行量不超过25mm.4.3道岔在定位和反位时,尖轨轨头刨切部分应与基本轨密贴,牵引点处缝隙不大于0.5mm,其余部分缝隙不大于1.0mm,尖轨尖端至第一牵引点区段缝隙不得大于0.2mm,可动心轨轨头刨切部分应与两翼轨密贴,第一牵引点处缝隙不大于0.5mm,其余部分缝隙不大于1.0mm。
锁闭杆与钢枕侧边缘的间距为85mm-95mm.。
4.4各连接杆调整接头转动灵活,丝扣余量不小于10mm,防松铁线(或卡箍)完整紧固有效,销孔磨耗间隙不大于1mm。
4.5基础弯板、各种垫板及各种拉杆腐蚀深度不得大于2mm。
4.6锁闭杆、锁闭钩、锁闭铁、锁闭框的滑动面不得出现大于1mm深度的腐蚀斑点。
4.7各部螺栓齐全紧固,外锁闭部件无旧伤裂纹及严重锈蚀,开口销齐全完好,各部绝缘完整无破损。
4.8各活动部位清扫注油良好,防尘罩齐全,作用良好。
4.9道岔在转换过程中,锁钩应动作平稳,在锁闭处锁钩准确到位且锁钩用检查锤检查,以锁钩能微量摆动为宜。
4.10外锁锁闭杆限位块与锁闭框间隙应不大于3mm。