K-AI01 8通道模拟量输入模块使用说明书
- 格式:pdf
- 大小:1.84 MB
- 文档页数:24
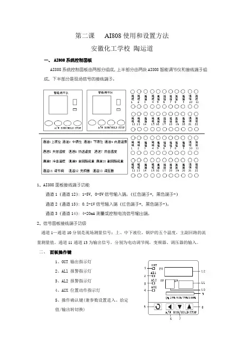
第二课AI808使用和设置方法安徽化工学校陶运道一、AI808系统控制面板AI808系统控制面板由两部分组成,上半部分由两块AI808智能调节仪和接线端子组成,下半部分是现场信号的接线端子。
1、AI808面板接线端子功能通道1(通道12):1-5V,0-5V信号输入端。
(红色端子+,黑色端子-)通道2(通道13):0.2-1V信号输入端(红色端子+,黑色端子-)。
通道3(通道14):4-20mA测量或控制电流信号输出端。
2、信号面板接线端子功级通道1—通道10分别是现场测量信号:上、中下液位,锅炉的五个温度,主副回路的流量测量值。
通道11-通道13为输出信号。
分别为电动调节阀,变频器、调压器的输入。
二、面板操作键1、OUT 输出指示灯2、ALl 报警指示灯3、AL2 报警指示灯4、AUX 位置动作指示灯5、操作确认键(兼参数设置进入、给定值/输出转切换)6、移位键(兼自动/手动切换)7、减键8、加键9、光柱(选购件)指示测量值/输出值/反馈值的百分比 10、显示测量/输出/反馈的百分比11、显示设定值(在设定状态下显示参数数值) 12、显示测量值(在设定状态下显示参数代码)三、AI818A 参数的设置1、 显示切换、手动/自动切换AI808有三种状态,显示切换状态,手动状态,自动状态。
如图所示。
2、上电过程仪表上电后自检,显示测 量值,如显示OrAl,表示输入超 过量程。
3、参数设置,修改仪表有许多参数。
各参数对应有相应的功能,在正式使用之前,要进行相应的设置或修改。
(1)设置方法如下:(a )进入参数设置状态:在PV 窗口显示测量值时,基本状态下按键并保持2秒,进入参数设置状态。
(b )显示或者修改参数:在参数修改状态下,按键依次显示各参数,用等键可修改参数值。
, (c )返回上一参数:按 键并保持不放,可返回显示上一参数(d )返回显示切换状态:先按键不放,再按。
或者没有按键,约30秒后自动退出设置参数状态。
ArmorBlock 5000 8 通道 IO-Link Master 模組型號 5032-8IOLM12DR、5032-8IOLM12M12LDR、50328IOLM12P5DR2Rockwell Automation 出版品 5032-UM001A-ZC-P - 2023 年 4 月ArmorBlock 5000 8 通道 IO -Link Master 模組 使用手冊使用者重要資訊進⾏本產品的安裝、設定、操作或維護前,請閱讀本文件及其他資源一節內有關本設備安裝、設定和操作的文件。
使用者除了必須瞭解所有相關法規、法律條文與標準外,還需熟知安裝與配線說明。
舉凡安裝、調整、運作、使用、組裝、拆卸及維護等作業,均需由受訓合格的⼈員依照相關法規進⾏。
若以製造商未提及之方式使用本設備,將可能損害到製造商為本設備所提供的保護措施。
不論任何情況,Rockwell Automation Inc. 對於使用或應用此裝置而產生的間接或連帶損壞,均不負擔任何法律或賠償責任。
本手冊中的範例和圖表皆僅供說明之用。
由於個別安裝會有許多不同的變數及條件,Rockwell Automation, Inc. 無法對依照範例及圖⽰指⽰進⾏的實際使用狀況負責或提供賠償。
關於本手冊中所述之資訊、電路、設備或軟體部分,Rockwell Automation Inc. 概不承擔任何專利責任。
在取得 Rockwell Automation Inc. 書面同意之前,禁止重製本手冊部分或全部內容。
在整本手冊中,我們會在必要時使用註記,讓您瞭解安全注意事項。
這些標籤也可能位在設備上方或內側,以提供特定預防措施資訊。
以下圖⽰可能會出現在本文件的文字中。
Rockwell Automation 瞭解本出版物及業界目前所使用的部分詞彙,並不符合技術中包容性語⾔的發展趨勢。
我們正積極與業界同仁合作來找出這類詞彙的替代方案,並變更我們的產品和內容。
在我們實施這些變更時,請原諒我們在內容中使用此類詞彙。
S7-200smart-PLC模拟量输入模块使用说明1. 简介S7-200smart-PLC模拟量输入模块是一种数字信号转模拟信号的设备,可将其它设备发出的模拟量信号转化为PLC可读取的数字信号。
本模块广泛应用于工业生产中,可用于温度、压力、风速等物理量的检测和控制。
2. 特点S7-200smart-PLC模拟量输入模块具有如下特点:•通道数可选:根据需求,可选择4通道、6通道或8通道。
•精度高:采用16位高精度AD转换器。
•抗干扰能力强:采用隔离式设计,具有较强的抗干扰能力。
•通信速度快:通信速率可达1.5Mbps。
3. 硬件连接3.1 电源连接将模块的电源正、负极连通24V直流电源即可。
3.2 信号输入连接将模块的信号输入连接上相应的传感器即可。
其中,八个通道的引脚分别为:•CH1: 1号、2号•CH2: 3号、4号•CH3: 5号、6号•CH4: 7号、8号•CH5: 9号、10号•CH6: 11号、12号•CH7: 13号、14号•CH8: 15号、16号需要注意的是,不同的传感器信号输入时,需要匹配相应的信号输入范围。
如果输入的传感器信号超过所选通道的电压/电流量程,则不会被正确读取。
3.3 PLC连接将模块与PLC进行连接即可。
口与PLC相连的方式包含以下两种:•自带插头与PLC主机开关相连•模块采用梳式插头,与插座相连4. 编程配置在编程之前,需要在Step 7 micro/WIN中进行模块参数的配置。
步骤如下:1.打开微型PLC编程软件Step 7 micro/WIN,选择S7-200smart PLC 模板项目文件。
2.连接PLC和计算机,将PLC与计算机相连。
3.点击。
ECS-700系统AI711-H AI711-S 使用手册文档标志符定义警告:标示有可能导致人身伤亡或设备损坏的信息。
WARNING: Indicates information that a potentially hazardous situation which, if not avoided, could result in serious injury or death.电击危险:标示有可能产生电击危险的信息。
RISK OF ELECTRICAL SHOCK: Indicates information that Potential shock hazard where HAZARDOUS LIVE voltages greater than 30V RMS, 42.4V peak, or 60V DC may be accessible.防止静电:标示防止静电损坏设备的信息。
ESD HAZARD: Indicates information that Danger of an electro-static discharge to which equipment may be sensitive. Observe precautions for handling electrostatic sensitive devices注意:提醒需要特别注意的信息。
ATTENTION: Identifies information that requires special consideration.提示:标记对用户的建议或提示。
TIP:Identifies advice or hints for the user.设备安全警示标志下表列出了在设备中使用的安全警示标志符号及描述。
编号符号描述1 直流(电)。
文档可使用缩写DCDirect current2 交流(电)。
文档可使用缩写AC Alternating current3工作接地端子Groud( Earth) terminal4保护接地端子Protective earth(ground) terminal5抗干扰接地端子Reference ground (Earth)terminal6 机架或机箱端子。
SLC 500™8-Channel Universal AnalogInput ModuleThe 1746sc-NI8u Input Module provides full universal analog capability in one I/O module. The1746sc-NI8u module can relace analog input, thermocouple, and RTD modules without compromising performance or price.Reduce System Costs• Eight channels of voltage, current, or two groups of thermocouple or RTD/resistence inputs or 4 RTD/resistance (2-, 3-, or 4-wire).• 31 input types.• Use any combination of input types at one time.• Accuracy comparable with dedicated analog modules.• Individually programmable for each channel.• Easy to configure using ladder register settings or RSLogix programming software.• Channel-selectable filtering for fastest analog update time and noise rejection.• Cold junction compensation included for thermocouples.Input Types8 V, C, or TC, or 2 RTD/Res (2 groups of 4 Ch) Input RangesThermocouple RTDResistanceCurrentVoltage J, K, T, B, E, R, S, N, CPT385/3916, Ni618/672, Cu4260-3000 ohms0-20 mA, 4-20 mA,±50 mV, ±100 mV, ±0.5 V ±2.0 V 0-5 V, 1-5 V, 0-10 V, ±10 VAdvanced Features 4 filter frequencies (individually selectable by channel); full auto-calibration; on-board error checking open circuit detection for most input types; short circuit for RTDs.Update Times (ms) *8-Channel Sample Time (s) * with TC/RTD, update times may be longer. Autocalibration times not included 10 Hz 50 Hz 60 Hz 250 Hz 314 74 64 26Electrical Isolation±12.5 VDC channel-to-channel for all but RTDs; 500 VDC field-wiring to backplane;500 VDC field wiring to chassis ground; 0 VDC between RTD channels.Input Impedance >10 Mohm thermocouple, voltage, RTD 249 ohm, currentInput Overvoltage Protection ±14.5 VDC continuous 250 W pulsed for 1 msInput Overcurrent Protection28 mA continuous; 40 mA, 1 ms pulsed, 10% duty cycle maximum Backplane Current Required120 mA at 5 V maximum , 100 mA at 24 V maximumCommon Mode Rejection100 dB at 50/60 HzNormal Mode Rejection100 dB at 50/60 HzEnvironmental ConditionsOperational Temperature Storage TemperatureRelative Humidity -0 °C - 60 °C (32°F - 140 °F) -40 °C - 85 °C (-40 °F - 185 °F) 5% - 95% (non-condensing)Thermal Dissipation 3.0 Watts, maximumCertifications UL/cUL Listed ANSI ISA 12.12.01 (Class I, Div 2, Groups ABCD), CERecommended Cable For TC inputs: shielded, twisted-pair TC extension wire; For RTD, mV, V, or mA inputs: Belden 8761 or equivalent; For RTD inputs: shielded Belden 9501, 9533, 83503425-746-9481 1705 132nd AVE NE | Bellevue | WA 98005 *****************************。
KIO22模拟量输入输出模块用户手册郑州众智科技股份有限公司SMARTGEN(ZHENGZHOU)TECHNOLOGY CO., LTD.目次前言 (3)1 概述 (4)2 性能和特点 (4)3 规格 (4)4 接线 (5)5 编程参数范围及定义 (6)6 电气连接图 (6)7 外形尺寸及安装 (7)前言是众智的中文商标是众智的英文商标SmartGen―Smart的意思是灵巧的、智能的、聪明的,Gen是generator(发电机组)的缩写,两个单词合起来的意思是让发电机组变得更加智能、更加人性化、更好的为人类服务。
不经过本公司的允许,本文档的任何部分不能被复制(包括图片及图标)。
本公司保留更改本文档内容的权利,而不通知用户。
公司地址:中国.河南省郑州市高新技术产业开发区金梭路28号电话:+86-371-67988888/67981888/67992951+86-371-67981000(外贸)传真:+86-371-67992952网址://邮箱:*****************表1 版本发展历史日期版本内容2021-06-08 1.0开始发布1概述KIO22是一款K型热电偶转4-20mA模块,用于将2路K型热电偶模拟量输入,转为2路4-20mA的电流输出,用户可通过LINK接口采用MODBUS协议进行参数设置及数据采集。
2性能和特点其主要特点如下:——采用32位ARM单片机,硬件集成度高,可靠性得到进一步提升;——工作电压DC8V~DC35V;——控制器采用35mm导轨安装方式;——模块化结构设计,可插拔式接线端子,结构紧凑,安装方便。
3规格表2 性能参数项目内容工作电压范围DC8V~DC35VLINK接口波特率:9600bps 停止位:1位校验位:无外形尺寸71.6mm*93.0mm*60.7mm(L*W*H)工作温湿度温度:(-40~+70)°C相对湿度:(20~93)%RH 贮存温度温度:(-40~+80)°C防护等级IP20重量0.115kg4接线图1 KIO22模拟量输入输出模块面膜图表3 接线端子描述序号功能导线规格备注1.AO(1) I+1.0mm2电流正极输出2.AO(1) TR TR与I+短接,可将内部100Ω电阻串入到输出回路,输出信号转化为电压信号3.AO(1) I- 电流负极输出4.AO(2) I+1.0mm2电流正极输出5.AO(2) TR TR与I+短接,可将内部100Ω电阻串入到输出回路,输出信号转化为电压信号6.AO(2) I- 电流负极输出7.KIN2 -0.5mm2K 型热电偶传感器8.KIN2 +9.KIN1 -0.5mm2K 型热电偶传感器10.KIN1 +11.直流工作电源输入B+ 1.0mm2直流工作电源正极输入12.直流工作电源输入B- 1.0mm2直流工作电源负极输入/ POWER / 电源正常指示灯/ LINK / 通过modbus rtu协议与上位机通信5编程参数范围及定义表4 参数设置内容及范围一览表序号项目参数范围出厂值描述1输出口14mA对应温度值(0-1000.0)°C0输出口1输出4mA时对应的热电偶传感器温度值2输出口120mA对应温度值(0-1000.0)°C1000.0输出口1输出20mA时对应的热电偶传感器温度值3输出口24mA对应温度值(0-1000.0)°C0输出口2输出4mA时对应的热电偶传感器温度值4输出口220mA对应温度值(0-1000.0)°C1000.0输出口2输出20mA时对应的热电偶传感器温度值6电气连接图图2 电气连接示意图7外形尺寸及安装图3 外形尺寸及安装(单位:mm)_________________________________。
FIO-D8I 8路开关量输入智能IO 模块特点● 导轨安装,前面板可拔插式接线端子,安装方便。
● 8路开关量输入,输入信号为触点输入。
● 占用一个网络变量nvoDI ,类型:SNVT_COUNT,2个字节长度。
● 每个开关量输入通道对应nvoDI 的一位,nvoDI.0..nvoDI.7对应第1~8个开入通道;值0:表示闭合,1:表示断开。
● 5V 直流电源输入。
● 微处理器控制,输入、诊断、滤波、去抖、校正。
● 通过特殊的OnBUS 接头,即可与LonCPU 模块相連,又可与网关模块(LonGate 、Profibus 网关,RcmGate 、EGate )相連进行数据交换。
● 电源和状态指示灯 ● 订货号:FIO-D8I一、产品描述FIO-D8I 智能模块只能作为一个LonCPU 模块的扩展IO 模块,不能单独使用,其结构如左图,每个LonCPU 模块最多可扩展8个智能IO 模块,但推荐为4个。
无论是LonCPU 模块还是智能IO 模块,都有特殊的OnBUS 接头,LonCPU 模块与各智能IO 模块间正是通过OnBUS 接头进行数据交换。
每个模块上特别设计的锁紧机构,保证了模块扩展时接触的紧凑可靠。
通过LonCPU 模块都可以进行算法编程。
每个智能IO 模块都有自己的微处理器,完成对本模块的诊断、滤波、去抖、校正等功能,通过LonCPU 模块可以对智能IO 模块进行参数设定(如模块位号、刷新周期、通道系数等)和IO 值的读。
每个模块都有EEPROM 存放模块地址及各种参数。
FIO-D8I 为开关量输入模块,共8个开入点。
内部由微处理器控制,完成与LonCPU 模块的数据通信、输入信号的去抖动。
FIO-D8I 的开关量输入可以接触点信号。
二、模块配置的步骤为了使模块能够正常使用,按顺序采取以下步骤对模块进行安装和配置:1、 每个模块出厂时都有缺省配置,如果此配置不符合使用要求,先将LonCPU 模块与一个待配置的模块连接;2、 将配置程序下载LonCPU 中;通过特殊设计的网络变量的修改完成设置;参照《FIO 模块软件编程说明》对模块地址(即与LonCPU 连接模块的位置号)、去抖动参数进行配置;三、FIO-D8I 模块接线端子图FIO-D8I 模块共有18路信号接入端子。
8位A/D芯片说明主要特点8位逐次逼近型AD转换时间:3uS/bit工作电压范围:2.4V ~ 5.25V4线SPI®/ /MICROWIRE™接口8个模拟输入通道集成采样保持功能可外接参考电压自动低功耗模式4个扩展输出口模拟输入信号变化范围:0~V ref参考电压范围:0V ~ 5.25V16管脚封装DIP/SOP/SSOP功能描述本芯片是一款8位电荷再分布式逐次逼近型AD转换器,AD转换部分使用单电源供电。
它包含一个转换精度为8位的AD 转换器,8个模拟输入通道。
模拟输入电压范围为0到V ref。
V ref的范围为0到VDD。
该芯片通过一个4线SPI®//MICROWIRE™串行接口,与MCU通信。
每次当CS端口为低电平时,在CLK 的激励下,读入DI的控制字,对特定的输入通道作采样保持后,启动一次AD转换,结果通过带三态的输出端口DO传送回MCU。
此外第5至第8通道还具有扩展输出功能,通过设置控制字,实现输出功能。
扩展输出的设置在每次通信CLK最后一个上跳沿(第16个)到来时起效。
每次通信结束,CS变为高电平后,除了扩展输出外,整个芯片将自动进入低功耗模式。
封装示意C SIN1IN2IN3IN4IN5 / V1G N DVD DN CV re fD OD IC LKIN8 / V4IN7/ V3 IN6 / V2芯片结构IN 1IN 2IN 3IN 4IN 5IN 6IN 7IN 8C SC L KD ID OV re fG N DV D DN C管脚说明Pin # 名称 I/O 功能1 CS I 片选信号,低有效2 IN1 I 模拟输入通道13 IN2 I 模拟输入通道24 IN3 I 模拟输入通道35 IN4 I 模拟输入通道46 IN5 / V1 I/O 模拟输入通道5 / IO 输出端17 IN6 / V2 I/O 模拟输入通道6 / IO 输出端28 GND I 接地线9 IN7 / V3 I/O 模拟输入通道7 / IO 输出端3 10 IN8 / V4 I/O 模拟输入通道8 / IO 输出端4 11 CLK I 时钟输入端 12 DI I 数据输入端 13 DO O 数据输出端 14 V ref I 外部基准输入端 15 NC 空脚 16 VDDI电源性能指标(TA=25O C,V ref=5V,VDD=5V)串行通信4线SPI与MCU通信的电路,连接如下图:3线SPI 与MCU 通信的电路,连接如下图:时序波形4线SPI 一次通信的波形图,如下图:C 1C 2C 3C 4C 5C 6C 7C 8D 7D 6D5D 4D 3D 2D 1D 0CS CL KD I D O3线SPI 一次通信的波形图,如下图:C 1C 2C 3C 4C 5C 6C 7C 8D 7D 6D 5D 4D 3D 2D 1D 0CS CL KD O (D I/D O )D I (D I/D O )控制功能8位输入控制字的功能如下表:C1 C2 C3 C4 C5 C6 C7 C8 Addr2 Addr1 Addr0 I/O EN V4 V3 V2 V1解释:1.Addr2,addr1,addr0为三位输入通道选择码,用于指定本次A/D转换的模拟通道。
KPCI-1818 8通道同步数据采集卡使用说明书北京科瑞兴业科技有限公司北京科瑞兴业科技有限公司地址:北京市海淀区知春里28号开源商务写字楼212、213室邮政编码:100086 电话:010-******** 010-******** 传真:010-********Sales E-mail: sgq@ Tech Support E-mail: lilanzhen007@目录第一章概述1、介绍2、应用3、性能和技术指标4、软件支持第二章主要元件位置图、信号输出插座和开关跳线选择定义1、主要元件布局图2、短路套设置3、信号输入输出插座定义4、模拟信号输入连接方式及应注意的问题第三章函数模块调用说明1.A/D 采集过程流程图2.函数说明第四章KPCI-1818 8通道同步数据采集卡的校准、保修和注意事项1. 注意事项2. 校准3. 保修KPCI-1818 8通道同步500KS/S数据采集卡第一章概述一、介绍:KPCI-1818是一款PCI总线8通道同步高速模拟量采集卡。
使用8组同样的电路和AD 芯片实现各通道的同步采集,当输入信号之间的时间关系很重要的时候,KPCI-1818的这个特点可以满足用户要求。
KPCI-1818卡的最高采集频率可达500KS/s,卡上带有8K容量FIFO 存储芯片,可以完成大量信号的采集和存储,定时触发、软件触发和外触发三种方式,以适应不同场合的数据采集,方便了用户的使用。
KPCI-1818卡上的8路开关量输入通道的输入电平与TTL兼容,6路开关量输出通道的输出电平与TTL兼容。
KPCI-1818卡上带有一个4位拨码开关,当计算机上安装多块板卡时,可使用此开关来定义每块板卡的ID。
用户可以很方便的在硬件配置和软件编程时区分和访问每块板卡。
◆总线:32位PCI 总线,支持PCI2.2协议,即插即用。
◆PCI芯片:FPGA接口芯片设计。
◆转换速度和精度:12位A/D转换器,通过率为500K。
HOLLiAS MACS -K系列模块2014年5月B版HOLLiAS MAC-K系列手册- K-AI01 8通道模拟量输入模块使用说明书重要信息危险图标:表示存在风险,可能会导致人身伤害或设备损坏件。
警告图标:表示存在风险,可能会导致安全隐患。
提示图标:表示操作建议,例如,如何设定你的工程或者如何使用特定的功能。
目录1.概述 (1)2.接口说明 (3)2.1模块单元示意图 (3)2.2IO-BUS (4)2.3模块的防混淆设计 (6)2.4模块地址跳线 (7)2.5现场接口电路原理 (8)3.状态灯说明 (11)4.其他特殊功能说明 (13)4.1抗220V AC功能 (13)4.2二线制外供电保护 (14)4.3诊断功能 (15)4.4冗余功能 (17)5.工程应用 (18)5.1底座选型说明 (18)5.2应用注意事项 (19)6.尺寸图 (20)7.技术指标 (20)K-AI018通道模拟量输入模块1.概述K-AI01为K系列8通道模拟量通道隔离输入模块,测量范围0~22.7mA模拟信号(默认出厂量程4~20mA),可以按1:1冗余配置使用。
无需跳线就可以设置为配电或不配电工作方式,可以接二线制仪表或四线制仪表。
K-AI01模块具备强大的过流过压保护功能,误接±30VDC和过电流都不会损坏。
同时,配合增强型底座还可以做到现场误接220V AC不损坏。
K-AI01模块支持带点热插拔、支持冗余配置,具备完善断线、短路、超量程诊断功能,面板设计有丰富的LED指示灯,除指示模块电源、故障、通讯信息外,每个通道也有指示灯,可以方便指示各通道的断线、短路、超量程等信息。
K-AI01模块每个通道可设置不同的滤波参数以适应不同的干扰现场。
可以根据工艺需要,配合主控制器的不同运算周期,组成可快可慢的控制回路。
K-AI01模块采用双冗余IO-BUS、双冗余供电工作方式,任意断一根IO-BUS,不会影响其正常工作。
K-AI01模块采用了现场电源和系统电源分开隔离供电。
同仪表相连的电路采用现场电源供电,数字电路和通讯电路采用系统电源供电,因此现场来干扰不会影响数字电路和通讯。
K-AI01模块实施喷涂三防漆处理,按照ISA-S71.04-1985标准生产,达到G3防腐等级。
K-AI01模块配套K-A T01、K-A T02、K-A T11、K-A T21和K-DOT01底座使用,通过电缆连接构成完整的电流测量模块单元。
模块插在模块底座上,模块底座的接线端子负责接入现场仪表信号,模块负责将模拟信号转换为数字信号,最后通过冗余的IO-BUS送给主控器单元,IO-BUS同时提供冗余的系统电源和现场电源。
如图1-1、图1-2所示,分别为模块非冗余配置和冗余配置的外观结构图。
完整的模块单元在系统机柜中的安装位置如图1-3所示:接线端子DB37插座(a )非冗余接线端子型 (b )非冗余DB37插座型图 1-1 模块非冗余底座示意图接线端子DB37插座图 1-2 模块冗余底座示意图机柜正面K-AI01模块(安装在K-AT01底座上)图1-3 模块单元安装位置图2.接口说明2.1模块单元示意图K-AI01模块是否能正常通信、能正常处理数据,都跟模块接口有直接的关联。
如图2-1所示为K-AI01模块的外观接口示意图,图2-1中包括IO-BUS电缆插头、模块防混淆、现场信号接线端子或DB37针连接器、I/O模块地址仓和保险丝仓,下面将分别介绍各接口。
I/O 模块地址仓保险丝仓(选配)IO-BUS A I/O 插槽接线端子(K-AT02底座使用DB37连接器)防混销IO-BUS B图2-1 K-AI01模块外观接口图2.2IO-BUSIO-BUS接口位于模块的配套端子底座上,采用6针插座针孔接入,并用线卡固定。
如图2-2所示。
系统采用双冗余IO-BUS通讯总线和双冗余供电工作方式,任意断一根IO-BUS,都不会影响系统的正常运行。
K-AI01模块通过A、B两根IO-BUS与主控制器通信,以实现系统的冗余机制。
IO-BUS内装三组两芯电缆,外壳带绝缘胶皮,提供了双现场电源总线、双系统电源总线和双IO-BUS总线供模块工作,如图2-3所示为IO-BUS端子接口图,表1、表2为各针的定义。
IO-BUS A IO-BUS B图 2-2 K-AI01模块外观接口示意图IO-BUS B1IO-BUS A 23456456123图 2-3 K-AI01模块IO-BUS 插座示意图整体模块的IO-BUS图2-4 IO-BUS电缆连接示意图为防止A、B两根IO-BUS电缆误插错,采用防混淆的结构设计,IO-BUS连接器采用不同的针定义和插口方向,A线插头插不到B插座上,B线插头也插不到A插座上,从结构上避免了A、B 总线混插。
如图2-5所示,请您正确连接IO-BUS。
图2-5 IO-BUS的防混淆设计2.3模块的防混淆设计为了防止插错槽位损坏模块,K-AI01模块设置了防混淆编码销。
如图2-6所示,模块的防混淆编码销分别位于模块和底座上。
模块上的防混淆编码销为阴模,每类电气兼容的模块唯一分配一个编码,出厂时固定,不可更改;底座上的防混淆编码销为阳模,可以旋转,从数字1~8共八位,可以提供8个编码位置(1~8)以配合所插入的模块。
系统默认情况下,将K-AI01模块和对应底座的防混淆编码都设1。
在安装时,需要您确认底座上的防混淆编码销的位置,若不一致时,您需要谨慎更改底座的防混淆编码销。
编码值=5图2-6 底座上的防混销模块的安装请详细参见《HOLLiAS MACS-K系统安装维护手册》的相关章节。
2.4模块地址跳线K-AI01模块采用十进制地址拨码跳线,用于设置模块地址,避免了以往的进制转换。
模块地址设置分十位和个位,取值范围为10(默认)~109,其中,上排双列跳线代表十位数字,从左至右依次为1~10;下排双列跳线代表个位数字,从左至右依次为0~9。
如图2-7所示。
个位:0~9十位:1~10I/O模块地址仓图2-7 I/O模块地址仓图示假设模块地址为106,则将十位代表数字10的跳线短接,将个位代表数字6的跳线短接;假设模块地址为23,则将十位代表数字2的跳线短接,将个位代表数字3的跳线短接。
如图2-8所示。
I/O模块地址=106I/O模块地址=23图2-8 I/O模块地址跳线2.5现场接口电路原理K-AI01为每通道预留4位接线端子用于接入现场信号,可适用现场二线制或四线制不同配电接法需求。
(1)二线制配电电流接法如图2-9所示为K-AI01模块二线制配电电流接法。
二线制变送器图2-9 二线制配电电流接法(2)四线制不配电电流接法如图2-10所示为K-AI01模块四线制不配电电流接法。
图2-10 四线制不配电电流接法(3)二线制、四线制信号接线示意图K-AI01模块配套8通道的端子底座,用于连接现场信号线缆。
接线端子底座有36位,其中32位用于现场负载设备信号线缆接线,且每个通道有4位接线端子,现场接线如图2-11所示,每个接线端子定义见表3。
二线制变送器图2-11 二线制、四线制的端子接线示意图如图2-12所示。
图2-12 透明小便贴塑料盖标注示意图3.状态灯说明K-AI01模块面板提供了丰富的状态指示灯,用来指示模块电源情况和现场设备通讯、通道的工作状态,以增强维护工作的效率。
图3-1所示为该模块的外观图,表4为各个指示灯的状态和含义。
图3-1 K-AI01模块的外观示意图如果发生通道故障,主模块和从模块进行切换,主模块降为从模块。
切换后,若通道故障仍然存在,新主模块的故障通道灯,保持快闪状态,但不再进行切换。
对于同一通道故障,只进行一次切换。
状态灯有三种闪烁状态,不同的闪烁状态表示不同的含义,请注意区分:⏹闪亮:1.5s亮,0.5s灭⏹慢闪:0.5s亮,1.5s灭⏹快闪:0.5s亮,0.5s灭4.其他特殊功能说明4.1抗220V AC功能K-AI01模块提供了强大的过流过压防护功能。
无论是通道误接±30VDC和220V AC现场设备,还是现场设备短路或误接大地,模块都不会损坏。
模块电源由系统电源和现场电源两种组成,且两路电路隔离。
同现场仪表相连的通道采集电路、冗余电路和HART通讯电路采用现场电源供电,而与主控制器相连的数字通讯电路和控制电路采用系统电源供电,因此模块接收现场来的信号或者干扰信号,都不会影响数字通讯电路和控制电路的正常运行。
对于外接二线制或四线制仪表,当某通道误接±30VDC(在正确接线条件下)时,通道内具有限流保护电路,从而使该通道不损坏且不影响其他通道的正常运行,当故障消除后本通道将自动恢复到正常状态,起到了通道防护作用。
K-AI01模块通过增强底座上的保险电路来实现通道的220V AC防护功能。
当使用K-A T02、K-A T11或K-A T21增强型底座时(在正确接线条件下),误接入220V AC信号时,不损坏本模块的该通道回路也不影响其他通道,可更换增强型底座上的保险丝来恢复故障。
当现场设备出现断路或误接大地时(在正确的接线条件下),不损坏该模块的通道,也不影响该模块的其他通道,当故障消除后本通道自动恢复正常。
特别地,当K-AI01模块具有抗220V AC功能时,系统必须要配有K-A T02、K-A T11、K-A T21增强型底座才能实现该功能。
详细的增强型底座的使用说明请参见《K-A T02 8通道AI与AO增强型底座(DB37)使用说明书》、《K-A T11 8通道AI与AO增强底座使用说明书》和《K-A T21 8通道AI与AO增强冗余底座使用说明书》。
这里强调的是,当需要更换保险丝时,需注意以下几点:严禁徒手操作,要求使用厂家提供的专用工具(尖嘴钳)开启仓盖,并更换厂家提供的专用保险;必须确定需更换的保险丝通道,以防止其他现场设备误动作;具体的图示如图4-1所示。
(a) 保险丝仓内部(b) 保险丝应用示意图 4-1 底座的保险丝仓4.2 二线制外供电保护在二线制配电电流连接中,现场电源对外输出,为现场二线制变送器供电,此电路体现在每通道的Cn 端子上。
对外接二线制变送器供电时,需注意其电压范围和线缆阻抗的范围如下:电压:Min12V@23mA ,Max30V@30mA ;线缆阻抗:单芯线缆阻抗Max15Ω,若外接安全栅时,则支持安全栅阻抗;为防止现场仪表短接或误接地对模块和系统造成损坏,模块配套端子底座提供了如下二线制外供电保护措施:对每路二线制电流输出进行限流(<30mA )。
外供电的总保险(800mA ),保护二线制外供电通道回路。
总保险可插拔,安装在保险丝仓中。
K-AI01模块的外供电电路及其保护电路,如图 4-2所示。