地下车库钢筋绑扎注意事项
- 格式:docx
- 大小:17.04 KB
- 文档页数:3
钢筋绑扎施工技术交底1 范围本技术交底合用于丽景福苑小区主楼及地下车库旳钢筋绑扎施工。
2施工准备2.1 材料及重要机具:2.1.1 成型钢筋:根据设计图纸规定旳规格尺寸,预先加要成型钢筋。
2.1.2 拉筋和支撑筋:采用双层钢筋网片时,在两片钢筋间应绑拉筋和支撑筋,以便固定上下左右钢筋间旳距离。
2.1.3 铁丝:可采用20~22号铁丝(火烧丝)或镀锌铁丝(铅丝)。
2.1.4 控制混凝土保护层用旳水泥垫块。
2.1.5 工具:钢筋钩子、撬棍、钢筋扳子、绑扎架、钢丝刷子、粉笔,尺子等。
2.2 作业条件2.2.1 检查钢筋旳出厂合格证,按规定作力学性能复试,当加工过程中发生脆断等特殊状况,还需作化学成分检查;外加工钢筋应有加工厂出厂合格证,钢筋应无老锈及油污。
2.2.2 钢筋应按现场施工平面图中指定位置堆放。
2.2.3 钢筋外表面如有铁锈时,应在绑扎前清除洁净,锈蚀严重侵蚀断面旳钢筋不得使用。
2.2.4 检查网片旳几何尺寸、规格、数量及点焊质量等,合格后方可使用。
2.2.5 应将绑扎钢筋地点清理洁净。
2.2.6 弹好墙身、洞口位置线,并将预留钢筋处旳松散混凝土剔凿洁净。
2.3钢筋旳锚固与连接2.3.1 纵向受力钢筋旳最小锚固长度与搭接长度按国标(11G101-1)第53、54页旳规定。
2.3.2钢筋绑扎搭接接头连接区旳长度为1.3倍搭接长度,机械连接接头旳连接区段旳长度为35d,焊接接头旳连接区段旳长度为35d且不不不小于500mm。
2.3.3 位于同一区段旳纵向受力钢筋绑扎搭接接头旳面积百分率:受拉区不不小于25%,在受压区不不小于50%;位于同一区段旳纵向受力钢筋机械连接或焊接接头旳面积百分率:受拉区不不小于50%,在受压区不受限制。
2.4钢筋接头规定2.4.1 框架纵向受力钢筋:宜采用机械连接接头。
2.4.2框支梁、框支柱纵向受力钢筋应采用机械连接接头;2.4.3 框架梁纵向受力钢筋:一二级宜采用机械连接接头,三级可采用绑扎搭接接头或焊接接头;2.4.4 当受拉钢筋旳直径不小于28mm及受压钢筋旳直径不小于32mm时,不应采用绑扎搭接接头;2.4.5抗震设方时纵向受力钢筋旳连接接头旳位置宜避开梁端、柱端箍筋加密区;当无法避开时,应满足等强度规定旳高质量机械连接接头,且钢筋接头面积百分率不应超过50%;2.4.6 有抗震释放规定旳混凝土构造构件,除剪力墙分布钢筋外,位于同一连接区段内旳纵向受力钢筋接头面积百分率不应超过50%;2.4.7 基础底板、地梁、外挡土墙及框架梁内纵向受力钢筋直径d>20mm时,宜采用机械连接接头。
1、作业准备1.1机具准备:塔吊、钢筋钩子、撬棍、扳子、绑扎架、钢丝刷子、粉笔、尺子等。
1.2材料准备:20-22号火烧丝、水泥砂浆。
控制混凝土保护层用的塑料卡、黑垫块、大理石垫块等。
1.3作业条件1.3.1已弹好墙、柱、洞口等部位位置线,经项目部验收,并已经过监理验收合格。
1.3.2各个部位的绑扎钢筋均吊装到位。
1.3.3熟悉方案,图纸、技术交底及规范要求。
2、施工操作工艺措施及主要做法要求2.1工艺流程 清理弹线→集水坑及地下车库与主楼基础交接处钢筋绑扎→搭设反梁绑扎钢管支撑架→绑扎横向反梁、同时摆放纵向的底板下铁及附加筋→绑扎纵向反梁、同时摆放横向的底板下铁及附加筋→垫好板及梁的保护层→摆放底板马凳铁→绑扎底板上层钢筋→插墙、柱预埋钢筋→清理、验收 2.2施工操作要点及要求2.2.1钢筋下料完成后,做好预检工作,核对钢筋的级别,型号、形状、尺寸及数量是否与加工配料单相同。
2.2.2弹钢筋位置线:根据底板结构施工图,墙边、梁边底板起步筋起步距离均为5cm,用线在防水保护层上弹出钢筋位置线(包括基础梁及墙柱筋位置线),严格按照弹线进行钢筋绑扎。
2.2.3按照弹出的钢筋位置线,先绑扎集水坑及地下车库与主楼基础交接处钢筋。
根据设计及规范要求,先绑扎短边向钢筋,后绑扎长边钢筋。
钢筋绑扎完成后及时放好钢筋垫块,保证钢筋位置准确,垫块间距1m ,按每1m 左右距离呈梅花型摆放。
2.2.4绑扎地梁钢筋:在绑板的同时做好基础地梁的绑扎,地梁绑扎前先用短钢管搭设绑扎平台,将基础梁的架立筋两端放在绑扎架上,画出箍筋间距,套上箍筋,按已画好的位置与梁上层钢筋绑扎牢靠,穿基础梁下层纵向钢筋,与箍筋绑扎。
绑扎完后,抽出绑扎架,将已绑好的梁筋骨架落地。
详见下图。
2.2.5摆放钢筋马镫:底板上下层钢筋之间采用HRB400级Φ16~Φ25的钢筋加工制作的马镫铁支撑,间距@1000。
马凳腿支撑点,不得接触板底,摆放时架在下层钢筋上。
表C2-1编号工程名称涿州市码头镇北芦村回迁居住区标段7#8#楼及网点B、地下车库交底日期2013/9/22施工单位天保建设集团有限公司分项工程名称钢筋绑扎工程交底提要涿州市码头镇北芦村回迁居住区标段7#8#楼地下车库顶板钢筋绑扎工程交底内容:审核人交底人接受交底人一、材料要求:1、钢筋:有出厂合格证,质量证明书,并经现场见证取样送检合格。
2、绑丝:22号火烧丝。
3、垫块:采用25mm厚水泥垫块。
二、主要机具:钢筋钩子,小撬杠,钢筋扳子,钢丝刷,粉笔等。
三、作业条件:1、顶板模板、模壳施工完毕,以办完模板预检,并通过监理验收。
2、模板清理干净,并已弹线,经报验合格。
3、钢筋已加工完毕,并经检查合格。
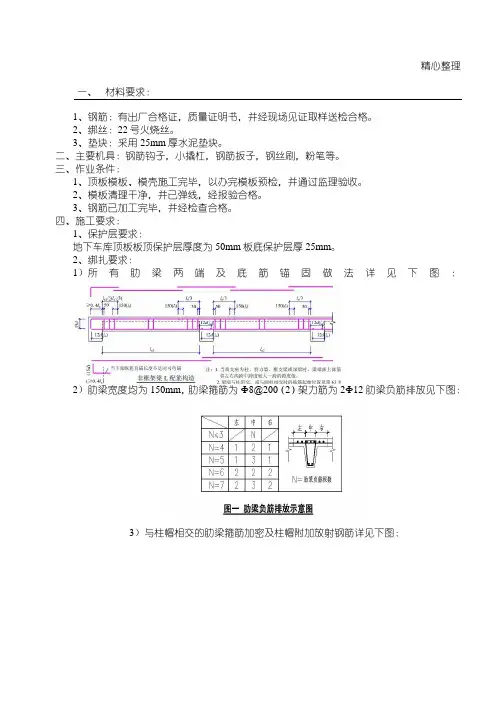
四、施工要求:1、保护层要求:地下车库顶板板顶保护层厚度为50mm板底保护层厚25mm。
2、绑扎要求:1)所有肋梁两端及底筋锚固做法详见下图:2)肋梁宽度均为150mm,肋梁箍筋为Ф8@200(2)架力筋为2Ф12肋梁负筋排放见下图:表C2-1编号工程名称涿州市码头镇北芦村回迁居住区标段7#8#楼及网点B、地下车库交底日期2013/9/22 施工单位天保建设集团有限公司分项工程名称钢筋绑扎工程交底提要涿州市码头镇北芦村回迁居住区标段7#8#楼地下车库顶板钢筋绑扎工程交底内容:审核人交底人接受交底人3)与柱帽相交的肋梁箍筋加密及柱帽附加放射钢筋详见下图:4)框架梁的箍筋加密区由柱边延伸至柱帽外1.5倍板厚范围,做法详见下图:表C2-1编号工程名称涿州市码头镇北芦村回迁居住区标段7#8#楼及网点B 、地下车库交底日期 2013/9/22 施工单位 天保建设集团有限公司分项工程名称钢筋绑扎工程交底提要 涿州市码头镇北芦村回迁居住区标段7#8#楼地下车库顶板钢筋绑扎工程交底内容:审核人 交底人 接受交底人5)楼板开洞处须保留肋梁不可切断,洞边需设置肋梁,配筋同周边肋梁,做法详见下图:6)模壳与楼面密肋楼盖详见下图:表C2-1编号工程名称涿州市码头镇北芦村回迁居住区标段7#8#楼及网点B、地下车库交底日期2013/9/22施工单位天保建设集团有限公司分项工程名称钢筋绑扎工程交底提要涿州市码头镇北芦村回迁居住区标段7#8#楼地下车库顶板钢筋绑扎工程交底内容:审核人交底人接受交底人五、施工工艺:1、安装支架支架系统可采用WDJ碗扣式多功能架或门架,可预组拼成定型飞模支架,吊运组合和分解,亦可单件用钢支柱、钢(木)龙骨、角钢组成支撑体系,散装散拆。
基础钢筋绑扎安全要求
基础钢筋绑扎作为建筑施工的一环,是整个工程中至关重要的一步。
在进行基
础钢筋绑扎时,施工人员必须要注意安全,以避免发生危险事件。
本篇文章将介绍基础钢筋绑扎的安全要求,包括以下方面:
1.确保施工人员的安全
在进行基础钢筋绑扎时,施工人员必须佩戴安全帽、手套和安全靴,并使用安
全带固定在合适的高度。
同时,施工人员应该经过专业培训才能进行基础钢筋绑扎作业,不得由非专业人士进行作业。
2.确认钢筋的质量
在进行基础钢筋绑扎前,必须确认钢筋材料的质量符合要求。
钢筋的质量直接
影响到基础的承载能力,因此必须保证材料的质量。
3.坚持规范的绑扎方法
基础钢筋绑扎应由专业人员进行,需要严格按照规范的绑扎方法操作。
不得出
现叉脚、松绑或未正确绑扎的情况。
同时,在绑扎钢筋时,要保证其垂直于地面,不得出现倾斜或弯折的情况。
4.防止绑扎时钢筋突出
在绑扎基础钢筋时,一定要注意防止钢筋突出。
一旦钢筋突出,会对施工人员
的安全造成威胁,同时也会影响基础的承载能力。
5.检查绑扎质量
绑扎完钢筋后,要进行检查,确保钢筋之间距离均匀,与构件的间距符合要求,并进行必要的调整和维修。
总之,在进行基础钢筋绑扎时,安全要求是非常重要的。
只有严格遵守安全操
作要求,才能够保证施工人员的安全,同时也可以确保建筑工程的质量。
因此,在进行基础钢筋绑扎时,一定要始终牢记安全第一的原则。
一、施工准备1.1材料及主要机具:1.1.1钢筋:钢筋规格为:Φ8∖Φ10∖中12、①14、016、①18、①22、Φ25,应有出厂合格证,按规定作力学性能复试。
当加工过程中发生脆断等特殊情况,还需作化学成份检验。
钢筋应无老锈及油污。
11.2铁丝:采用20〜22号铁丝(火烧丝)。
铁丝的切断长度要满足使用要求。
1.1.3控制碎保护层用的砂浆垫块、塑料卡、各种挂钩或撑杆等。
1.2.4机具:钢筋切断机、钢筋弯曲机、卷扬机、无齿锯等主要机具。
1.3作业条件:1.3.1完成底板的防水和防水保护层的隐检工作,检查保护层和立面防水的保护层的强度是否满足底板钢筋绑扎的施工要求。
检查保护层上所放的上层柱、墙的不同断面位置的定位放线工作是否验收合格。
1.3.2按施工现场平面图规定的位置,将钢筋堆放于指定地点,并且按钢筋绑扎顺序分类堆放。
1.3.3核对钢筋的级别、型号、形状、尺寸及数量是否与设计图纸及加工配料单相同。
熟悉图纸,确定钢筋穿插就位顺序,并与其他工种做好配合工作,支模、管线、防水施工与绑扎钢筋的关系,确定施工方法,做好技术交底工作。
1.3.4根据地下室底板施工方案(底板防水采用内贴法施工),底板根据绑扎前做完底板下防水层及保护层;底板四周砌完240保护墙做好防水层。
1.4劳动力安排:9#楼基础底板拟投入钢筋工120人。
二、操作工艺2.1工艺流程:测量定位放线(标明上层柱、墙的不同断面位置)一划钢筋位置线一铺底板底层纵向钢筋(短向钢筋)一绑纵向方向基础梁一铺底板底层横向钢筋一绑扎底层钢筋一绑横向方向基础梁一铺上层横向钢筋一铺上层纵向钢筋一绑扎上层钢筋一墙体、柱子插筋一清理f自检f验收2.2划钢筋位置线:按图纸标明的钢筋间距,算出底板实际需用的钢筋根数,一般让靠近底板模板边的那根钢筋离模板边为5cm,在底板上弹出钢筋位置线(包括基础梁钢筋位置线)。
2.3绑扎基础底板及基础梁钢筋2.3.1按弹出的钢筋位置线,先铺底板下层钢筋。
地下车库钢筋施工方案1. 引言地下车库是现代城市交通繁忙地区常见的停车设施之一,钢筋是地下车库施工中不可或缺的重要组成部分。
本文将详细介绍地下车库钢筋施工方案,包括钢筋的选材、预埋件的安装、钢筋的布置和绑扎方法。
2. 钢筋的选材地下车库施工所用的钢筋应符合国家标准和设计要求。
通常使用的钢筋材料包括HRB400级别的高强度钢筋和HPB235级别的牛皮钢筋,其强度和韧性能够满足地下车库的承载和安全要求。
3. 预埋件的安装地下车库施工中需要安装一系列的预埋件,包括钢筋连接套筒、锚固板等。
预埋件的安装应严格按照设计图纸要求进行,保证预埋件的位置准确定位,预留的孔洞及尺寸符合要求。
4. 钢筋布置4.1 主梁钢筋布置主梁是地下车库的主要承重结构之一,其钢筋的布置应满足设计要求。
在布置主梁钢筋时,应根据设计图纸确定钢筋的直径、间距、弯折位置和弯曲形式等参数,保证钢筋能够满足力学性能和承载要求。
4.2 梁、板钢筋布置除了主梁外,地下车库还包括梁、板等辅助承重结构。
在梁、板钢筋的布置中,应根据设计要求合理安排布置,保证钢筋之间的间距和弯折位置符合标准。
5. 钢筋绑扎方法钢筋施工中,绑扎是非常重要的环节。
绑扎钢筋时,应使用专业的工具和安全保护措施,并按照以下步骤进行:5.1 钢筋清理在绑扎钢筋之前,应先对钢筋进行清理,去除表面的锈蚀和灰尘,确保钢筋的表面光滑干净。
5.2 钢筋连接钢筋连接是保证结构强度和稳定性的关键。
钢筋连接应采用搭接连接或焊接连接,连接的长度和方式应符合设计要求。
5.3 绑扎方法绑扎钢筋时,通常采用扭捻绑扎或焊接绑扎两种方式。
扭捻绑扎是将两根钢筋交叉缠绕在一起并用扳手扭紧,焊接绑扎是通过焊接将两根钢筋连接在一起。
6. 验收与质量控制在地下车库钢筋施工完毕后,需要进行验收和质量控制,确保施工质量达到设计要求。
验收主要包括对钢筋的尺寸、间距、连接方式等进行检查,确保符合设计标准。
7. 安全注意事项钢筋施工中应注重安全,施工人员应遵守相关安全规定,佩戴好安全防护装备,确保施工过程中的人身安全。
2、当做分项工程施工技术交底时,应填写"分项工程名称"栏,其他技术交底可不填写。
2、当做分项工程施工技术交底时,应填写"分项工程名称"栏,其他技术交底可不填写。
2、当做分项工程施工技术交底时,应填写"分项工程名称"栏,其他技术交底可不填写。
2、当做分项工程施工技术交底时,应填写"分项工程名称"栏,其他技术交底可不填写。
2、当做分项工程施工技术交底时,应填写"分项工程名称"栏,其他技术交底可不填写。
2、当做分项工程施工技术交底时,应填写"分项工程名称"栏,其他技术交底可不填写。
郑州大学城(北)高校生活园区1#楼教师公寓钢筋[工程施工方案编制:'审核:审批:河南国基建设集团有限公司/2007年4月7日地下室钢筋绑扎方案一、工程简介该工程位于文化路与英才街交叉口东南角,交通便利,位置优越,总建筑面积(含地下室),该工程设计为高层商住综合性公寓楼,功能配置布置合理,地上十一层,裙房二层,地下一层。
本工程结构形式A区主楼为现浇框肢剪力墙结构体系(转换层在二层),转换层以上为纯剪力墙结构,基础为预应力混凝土管桩+承台结构;B区裙房为二层框架结构,基础为柱下钢筋混凝土独立基础。
底板钢筋及剪力墙暗柱纵向钢筋采用机械连接,其他钢筋采用绑扎连接。
二、施工准备㈠材料]钢筋半成品的质量要符合设计图纸要求,钢筋绑扎用的铁丝采用22号铁丝,水泥垫块强度要满足使用要求。
底板及所有剪力墙暗柱纵向钢筋采用滚压直螺纹连接,所使用套筒必须有出厂合格证并复试合格。
㈡工具常用直螺纹加工机械、铅丝钩、小扳手、撬杠、绑扎架、折尺、白粉笔等。
㈢作业条件1.熟识图纸,核对半成品钢筋的级别、直径、尺寸和数量是否与材料牌相符。
2.钢筋定位:划出钢筋安装位置线,如钢筋的品种较多时,应在已安装好的模板上标明各种型号构件的钢筋规格、形状和数量。
3.绑扎形式复杂的结构部件时,应事先考虑支模和绑扎的先后次序.四、操作工艺】、钢筋安装。
筏板钢筋安装1)主楼筏板钢筋安装流程图:○1○2在排底板钢筋时,应先根据轴线图,将剪力墙及暗梁投测到底板上,并根据轴线按钢筋间距在底板上分好间距,为保证钢筋网格规整,将钢筋位置线每隔五个网格间距在底板基层面先排下一层周边钢筋,再排下一层中间钢筋。
○3保护层垫块采用成品水泥垫块,厚度为50,70×70大小,间距@450×450或@450×540梅花布置。
)○4在安装暗梁时,应注意其所在位置及标高,其梁骨架高度H L=筏板高度-上、下共两排(或四排)钢筋直径-保护层厚度×2。
地下车库底板的钢筋的施工方案一、前期准备1.1设计方案确认1.2材料准备根据设计方案确定的底板钢筋类型和数量,提前准备好相关的钢筋材料。
钢筋试验合格并具有相关证书,标志清晰。
1.3施工准备明确施工队伍的分工和任务,组织好人员和设备,制定详细的工作计划和时间表。
二、施工流程2.1布置钢筋骨架根据设计方案和施工图纸,进行测量和标定,在底板上按照相关标高和平面位置进行剖面标定,确定横纵向钢筋的位置和布置间距。
使用测绘仪器或钢尺、线框等工具进行准确布置。
2.2钢筋加工按照设计方案要求对钢筋进行加工,包括剪断、折弯、焊接等。
确保钢筋长度、弯曲角度、连接点等符合设计规范。
2.3钢筋安装按照设计方案要求,将钢筋骨架逐层安装,先进行主筋安装,再进行次筋、弯钩等其他配筋的安装。
钢筋之间应保持一定的间距,与地面边缘保持一定的边距。
2.4钢筋连接采用可靠的连接方式,如焊接、绑扎等,将钢筋连接为一个完整的骨架。
连接点要求牢固,焊接应符合规范要求,焊接接头应平整、不得有裂缝、缺陷等。
2.5混凝土施工进行衬底处理,清理底板表面,使其平整、干净。
然后进行模板搭设,并进行防渗漏处理。
混凝土浇筑前,进行施工前检查,核对钢筋的位置和数量是否正确,模板是否牢固。
2.6钢筋保护在混凝土浇筑前,按照设计要求,在钢筋骨架上进行正确的保护措施,以防止钢筋锈蚀和损坏。
可以采用防腐涂料、防锈剂等。
2.7钢筋质量检验混凝土浇筑结束后,进行钢筋的质量检验。
包括检查钢筋位置是否正确、钢筋有无锈蚀、裂纹、断裂等。
三、注意事项3.1施工现场安全施工过程中要保持施工现场的安全,使用安全防护设施,如安全帽、安全网等。
注意施工现场的通风和照明。
3.2施工现场整洁保持施工现场的整洁,定期清理废料和杂物,确保施工现场的安全、卫生。
3.3钢筋质量检验钢筋施工过程中要进行钢筋的质量检验,包括验收钢筋的合格证书,检查钢筋的锈蚀、断裂等情况。
3.4钢筋尺寸准确钢筋的加工和安装过程中要保证钢筋的尺寸准确,避免尺寸偏差超过允许范围。
精心整理一、 材料要求:1、钢筋:有出厂合格证,质量证明书,并经现场见证取样送检合格。
2、绑丝:22号火烧丝。
3、垫块:采用25mm 厚水泥垫块。
二、主要机具:钢筋钩子,小撬杠,钢筋扳子,钢丝刷,粉笔等。
三、作业条件:1、顶板模板、模壳施工完毕,以办完模板预检,并通过监理验收。
1)所有肋梁两端及底筋锚固做图:2)肋梁宽度均为150mm ,肋梁箍筋为Ф8@200(2)架力筋为2Ф3)与柱帽相交的肋梁箍筋加密及柱帽附加放射钢筋详见下图:楼板开洞处须保留肋梁不可切断,洞边需设置肋梁,配筋同周边肋梁,做法详见下图:2、安装主次木楞顶托粗调标高后,安装10cm×10cm主木楞,其间距大约为60~120cm。
之后在主要楞上安装7.5cm×10cm 次木楞,其间距为40~60cm。
次木楞的间距要根据密肋的间距确定。
次木楞的两侧安装∟50×5的角铁(可预装)。
安装次木楞前要在主木楞上放出模壳的边线,即准确地放出密肋的位置线,以使次木楞(即密肋)轴线位置准确。
3、次木楞安装完毕后,要认真调整顶托升降,使次木楞顶面符合设计标高(即密肋底标高符合设计要求)。
并根据设计要求起拱。
设计无要求时,起拱高度为全跨长度的1/1000~3/1000。
4、按图纸设计要求,安装模壳,并用铁钉加固两侧。
5、在两侧模板上画出箍筋间距,摆放箍筋,先穿主梁的下部纵向受力钢筋,将箍筋按已画好的间距逐个分开;穿次梁的下部纵向受力钢筋,并套好箍筋;放肋梁的架立筋;隔一定间距将架立筋与箍筋绑扎牢固;调整箍筋间距使其符合设计要求,绑架立筋,再绑主筋,主次梁配合进行。
梁保护层底面采用水泥垫块控制,侧面也采用水泥控制,主、次受力筋均应设置,间距800mm左右。
6、绑顶板分布筋:a.按照图纸标准画好顶板钢筋间距的分档标志,并摆放下层钢筋。
双向板的底部钢筋,短跨布置在下排,长跨布置在上排。
b..绑扎钢筋时,任何位置必须满绑,全部绑扎牢固,双向受力的钢筋不得跳扣绑扎,在排放顶板下层钢筋的同时应穿插排放附加筋。
地下车库钢筋工程施工方案一、项目背景地下车库作为现代城市建设中不可或缺的基础设施,随着城市化进程的不断加快,地下车库建设也呈现出日益增长的趋势。
而地下车库的钢筋工程作为保障车库结构稳固和安全性的重要环节,具有至关重要的作用。
本文旨在探讨地下车库钢筋工程施工方案,确保施工质量和工程进度。
二、施工准备1.确认车库设计方案和结构图纸,包括钢筋分布、钢筋直径、钢筋弯制要求等。
2.采购符合要求的钢筋材料,并进行质量检验。
3.确定施工人员岗位职责和相关安全措施。
三、施工流程1.钢筋加工:–按照设计图纸要求,对钢筋进行切割、弯曲等加工处理。
2.钢筋安放:–根据钢筋图纸要求,将加工好的钢筋按照设计要求准确、规范地安放到指定的位置。
3.钢筋绑扎:–对安放好的钢筋进行绑扎作业,确保钢筋连接紧密,符合施工要求。
4.浇筑混凝土:–在钢筋安放和绑扎完成后,按照设计要求浇筑混凝土,形成车库结构。
5.养护:–对浇筑好的混凝土进行适当养护,确保混凝土强度和耐久性。
四、质量控制1.定期检查钢筋加工质量和安放情况,确保符合设计要求。
2.每道工序完成后进行验收,确保质量合格。
3.严格执行安全操作规程,确保施工现场安全。
五、施工注意事项1.钢筋加工应精准、细致,保证安放准确性。
2.施工现场应保持整洁,避免杂物混入钢筋结构。
3.工作人员应服从指挥,做到有序协作,确保施工顺利进行。
六、总结地下车库钢筋工程施工是车库建设中不可或缺的环节,合理的施工方案和严格的质量控制对于工程质量和安全至关重要。
只有充分准备和严谨执行施工流程,才能确保地下车库的安全使用和持久稳固。
钢筋施工方案
一、施工准备
(一)作业条件
1、在基础施工主体施工阶段,钢筋的调直、加工,均在现场加工。
2、钢筋进场后应检查是否有产品合格证、出厂检测报告和进场复验报告,并按施工平面图中指定的位置,按规格、使用部位、编号分别加垫木堆放。
3、钢筋绑扎前,应检查有无锈蚀,除锈之后再运至绑扎部位。
4、熟悉图纸、按设计要求检查已加工好的钢筋规格、形状、数量是否正
确。
5、做好抄平放线工作,弹好水平标高线,柱、墙外皮尺寸线。
6、根据弹好的外皮尺寸线,检查下层预留搭接钢筋的位置、数量、长度,
如不符合要求时,应进行处理。
绑扎前先整理调直下层伸出的搭接筋,并将浮锈、水泥砂浆等污垢清除干净。
7、根据标高检查下层伸出搭接筋处的混凝土表面标高(柱顶、墙顶)是否符合图纸要求,混凝土施工缝处要剔凿到露石子并清理干净。
8、按要求搭好脚手架。
9、根据设计图纸及工艺标准要求,向班组进行技术交底。
10、指定专人对钢筋进行下料翻样,并报项目施工技术主管部门审核确认。
11、预制浇筑钢筋混凝土保护层的水泥砂浆垫块(用1:2水泥砂浆制作,加强养护,务必使砂浆在施工中不被压碎);其厚度分别为:40mm、25mm、15mm;其间距分别根据梁板柱尺寸现场确定,但两块垫块间距不大于1m,且必须保证其保护层不因垫块量少而发生变化,并焊接钢筋马凳。
(二)材质要求。
当做分项工程施工技术交底时,应填写“分项工程名称”栏,其他技术交底可不填写。
、21.2.2.6绑扎底板上网钢筋,根据设计及规范要求,先绑扎板上短向钢筋,然后绑扎板上长向钢筋。
根据在防水保护层上弹好的墙、柱插筋位置线和底板上层网上固定的定位桩,将墙、柱伸入基础的插筋绑扎牢固。
柱基础插筋应插入底板底部,为了保证插筋位置准确,除插筋拐角与板筋绑扎牢固外,在底板上下层钢筋网片间增设至少三道附加箍筋,附加箍筋与板筋及插筋绑扎牢固。
柱插筋按要求设置后,在其底板上口设一道限位箍,保证柱钢筋不偏位。
外墙插筋除与底板钢筋绑扎外,插筋上口与外架通长水平钢管固定固定,墙、柱插筋甩茬应按规范要求错开接头。
在混凝土基础底板(楼板)留出多排预埋钢筋地锚,个数及间距参照基础模板技术交底,以便后期施工支设模板使用。
3、技术做法要求3.1钢筋接头:底板水平钢筋直径≥16mm的采用Ⅰ级直螺纹套筒连接,连接不考虑接头位置;钢筋直径<16mm的接头采用搭接接头,搭接接头连接区段的长度为1.3倍搭接长度。
钢筋搭接接头的面接受交底人审核人交底人1、本表由施工单位填写,交底单位与接受交底单位各存一份。
当做分项工程施工技术交底时,应填写“分项工程名称”栏,其他技术交底可不填写。
、22.标准型连接 正反丝扣型连接 变径型连接钢筋直螺纹接头连接类型3.3梁钢筋:梁底部非贯通钢筋自柱中线向跨内延伸至l/3位置,或大于等于a (a=1.2l+h+0.5b ,b00b接受交底人审核人 交底人1、 本表由施工单位填写,交底单位与接受交底单位各存一份。
3.3.4在两相基础梁相交位置,应有一向截面较高的基础梁箍筋贯通设置;当两向基础梁等高时,则选择宽度较小的基础梁的箍筋贯通设置,当两向基础梁等高且跨度相同时,则任选一向基础梁的箍筋贯通设置。
在框架柱核心区部位箍筋采用C12@100设置。
3.5梁、板封边处理:对于端部无外伸构造中基础梁底部与顶部纵筋成对连通设置(可采用通长钢筋或将底部与顶部钢筋对焊连接后弯折成型),并向跨内延伸或在跨内规定区域连接。
地下车库钢筋绑扎注意事项:
1、箍筋:
1.1、所使用箍筋尺寸准确(且箍筋外尺寸不大于混凝土截面尺寸减3厘米),弯钩平直段长度不小于10倍钢筋直径且不小于7厘米半(即Φ6箍筋弯钩长度7厘米半、Φ6以上箍筋弯钩长度为10倍钢筋直径)。
绑扎时箍筋环口交错放置(对于柱尽量两角布置以便于混凝土浇筑,普通梁环口在上,挑梁环口在下)间距均匀、绑扎到位、不许跳扎漏扎。
1.2、对于梁其第一个箍筋距支座边为5厘米,其他按加密区及非加密区间距排布,另一端距支座边同为5厘米中间箍筋间距不大于间距要求,主梁箍筋遇次梁时连续通过有附加箍筋要求的按要求附加箍筋(对于井字梁其在下的看为主梁),挑梁箍筋连续通过至边梁外侧(有加密要求的按图纸、图集节点)。
梁箍筋的加密区范围对于本工程有新的要求,框架梁上承担两架次梁的加密区为柱边至次梁外边(与次梁相交的范围也是加密区),框架梁上承担一架次梁的加密区为按11G101-1要求1.5倍梁高,次梁的加密区为按11G101-1要求1.5倍梁高。
主次梁相交按施工图纸要求主梁上在次梁每侧附加3个箍筋。
箍筋间距为第一个距次梁边5厘米,其他两个各5厘米。
井字梁四个方向都附加箍筋,间距同主次梁相交。
1.3、对于柱其第一个箍筋距地面为5厘米,其他按加密区及非加密区间距排布,另一端距混凝土上平面同为5厘米中间箍筋间距不大于间距要求。
有加密要求的柱其底部加密区为柱净高的1/3(由于梁高不同大致为0.86~1.07米之间)。
上部加密区为柱净高的1/6且不小于柱长边尺寸(为0.6米),在梁内部分按加密区间距要求连续绑扎至柱顶。
2、梁钢筋
2.1、梁上部通长筋的接头位置在跨中的1/3(12以下的绑扎搭接,14~20可采用焊接,22、25的采用直螺纹套丝连接)采用绑扎搭接的必须绑扎三道,且箍筋加密。
上部附加
筋第一排的长度为相领大跨净距(即支座边至支座边)的1/3(如为中间时乘以2倍)加锚入长度(支座宽度),即1/3长度为柱(梁)边量起。
第二排以上为相领大跨净距的1/4,长度计算方式同一排。
各排钢筋之间用Φ25钢筋间距不大于1.5米隔开,贴近箍筋的与箍筋绑扎,不贴近箍筋的在垫铁处互相绑扎,必须绑扎牢固,左右钢筋间距均匀净距不小于2.5厘米。
端部锚固按施工图纸要求。
2.2、梁下部筋接头位置在跨边的1/3距支座1.5倍梁高以外(同上部筋)。
各排钢筋之间用Φ25钢筋间距不大于1.5米隔开,贴近箍筋的与箍筋绑扎,不贴近箍筋的在垫铁处互相绑扎,必须绑扎牢固,左右钢筋间距均匀净距不小于2.5厘米。
端部锚固按施工图纸要求。
2.3、梁腰筋分为抗扭筋和构造筋。
抗扭筋搭接锚固同下部主筋。
构造筋搭接和锚固为15D。
腰筋与箍筋绑扎后挂拉钩,拉钩须勾住箍筋把箍筋和腰筋同时挂住,拉钩间距为箍筋非加密区间距的两倍(即箍筋间距为100/200的拉钩间距为400,箍筋间距为100的拉钩间距为200),拉钩起步位置为支座边第一个箍筋,另一端也为支座边第一个箍筋,中间不大于间距要求。
拉钩有多排时拉钩上下交错布置。
拉钩需绑扎到位,不许漏绑。
2.4、梁吊筋绑扎位置及直径按图纸要求,吊筋角度为主梁高大于0.8米时60度,0.8米以下时45度,吊筋底部宽度为次梁加10厘米绑扎时居次梁中。
吊筋下部与梁下部第一排筋平并与箍筋绑扎,上部与梁上部第一排筋平并与箍筋绑扎。
2.5、梁底部保护层用花岗岩碎片垫起,必须垫在箍筋上,间距在保证垫起的同时不大于0.5米。
梁两侧的保护层用带扎丝的水泥垫块绑在梁纵筋与箍筋交点上进行控制,必须保证梁钢筋居中。
梁钢筋绑扎完成班组先自检,自检合格后上报直属的项目部主管进行初检,初检合格后上报监理及甲方验收,合格后方可进行板筋绑扎。
3、柱墙钢筋
3.1、框架柱中柱主筋需伸至柱顶梁内够锚固长度的可直锚,梁外的须加12D弯折。
边柱
角柱按图集节点要求梁钢筋弯折至梁底,外部柱钢筋与梁钢筋1.5倍锚固长度搭接,且顶部需弯折不小于12D,内部同边柱。
(12以下的绑扎搭接,14~20可采用焊接,22、25的采用直螺纹套丝连接)采用绑扎搭接的必须绑扎三道,且箍筋加密。
3.2、墙为地下室外墙时其外部竖向筋与顶板筋在外交角部按各0.8倍弯折计算,内侧筋伸至顶部15D弯折。
不是地下室外墙时伸至顶部12D弯折。
墙水平筋在端柱或框柱内锚固长度无论是否大于锚固长度都需伸至对边柱纵筋内侧后或直锚或弯折(弯折长度为15D)。
搭接长度为1.2倍锚固长度,并错开布置。
锚固和搭接时都需绑扎牢固,搭接时单独绑扎不少于3道。
墙上拉钩须勾住外侧钢筋,拉钩起步位置为柱边(地面向上)第一根钢筋,另一端止步位置同为柱边(地面向上)第一根钢筋,拉钩间距不大于图纸要求间距。
拉钩梅花形布置的布设方法为:先按矩形间距挂设,然后在拉钩形成的每个空间内基本居中挂设一个拉钩。
拉钩须绑扎牢固,不许跳绑或漏绑。
3.3、墙柱钢筋绑扎完成班组先自检,自检合格后上报直属的项目部主管进行初检,初检合格后上报监理及甲方验收(且在验收前需焊好定位筋,绑好垫块。
)。
4.现场管理
4.1钢筋完成后现场剩余的钢筋扎丝及垫块要随手带走,保持现场整洁,节约材料。
4.2 在浇筑混凝土前需再次检查钢筋位置,特别是预留筋。
在浇筑混凝土的过程中需有钢筋工看筋,发现钢筋位移及时整修。
4.3 施工过程需佩戴好劳保用品,脚手架搭设牢固。
塔吊起重量每次不许过大,钢筋需绑扎牢固,箍筋、拉钩等不好绑扎的须用吊斗进行吊运。
模板及架体上每个平方不许堆积超过0.5吨的钢筋。
在钢筋现场焊接时需备好清水及灭火器材,并在焊接施工前上报项目部。
4.4 在混凝土凝固后位移的钢筋,需上报项目部植筋处理。