通风空调风口设计规范
- 格式:doc
- 大小:63.50 KB
- 文档页数:6
采暖通风与空气调节设计规范GBJ19-87 第一章总则 第1.0.1条为了在采暖、通风和空气调节设计中,体现艰苦奋斗、勤俭建国精神,贯彻国家现行的有关方针政策,以便为安全生产、改善生活的劳动条件、节约能源、保护环境、保证产品质量和提高劳动生产率提供必要的条件,特制订本规范。
第1.0.2条本规范适用于新建、扩建、改建的民用建筑和工业企业生产厂房及辅助建筑物的采暖、通风、空气调节及其制冷设计。
本规范不适用于地下建筑、有特殊用途和特殊净化与防护要求的建筑物以及临时性建筑物的设计。
第1.0.3条采暖、通风和空气调节及其制冷设计方案,应根据建筑物的用途、工艺和使用要求、室外气象条件以及能源状况等,同有关专业相配合,通过技术经济比较确定。
第1.0.4条采暖、通风和空调节及其制冷系统所用设备、构件及材料,应根据国家和建设地区现有的生产能力和材料供应状况等择优选用,尽量就地取材。
同一工程中,设备的系统列和规格型号,应尽量统一。
第1.0.5条编制设计文件时,应根据采暖、通风、空气调节和制冷装置的数量及其复杂程度,配备必要的专业技术和操作、维修人员以及相应的维修设备和检测仪表等。
第1.0.6条采暖、通风、空气调节和制冷系统,应在便于操作和观察的地点设置必要的调节、检测和计量装置。
第1.0.7条布置设备、管道及配件时,应为安装、操作和维修留有必要的位置。
对于大型设备和管道,应根据需要在建筑设计中预留安装和维修用的孔洞,并应考虑有装设起吊设施的可能。
第1.0.8条设计中,对于采暖、通风、空气调节和制冷设备及管道,当有可能伤及人体时,应采取必要的安全防护措施, 第1.0.9条位于地震区和湿陷性黄土地区的工程,布置设备和管道时,应根据需要分别采取防震和有组织排水等措施。
第1.0.10条根据本条规范进行采暖、通风和空气调节及其制冷设计时,尚应符合国家现行的有关标准、规范的规定。
第二章室内外计算参数第一节室内空气计算参数 第2.1.1条设计集中采暖时,冬季室内计算温度,应根据建筑物的作途,按下列规定采用: 一、民用建筑的主要房间,宜采用16-20°C; 二、生产厂房的工作地点: 轻作业不应低于15°C 中作业不应低于12°C 重作业不应低于10°C 注:(1)作业各类的划分,应按国家现行的《工业企业设计卫生标准》执行。
空调通风设计规范篇一:通风与空调工程技术标准4.5 通风与空调工程技术要求目录第一章工作范围第二章法律、法规第三章专用要求第一节多联式空调机组第二节新风换气机第三节风机第四节风管及风阀、风口第五节防腐及油漆第六节绝热第七节隔震设施第八节通风空调系统试验和试运行附件 1 通风与空调系统工程材料、设备明细表第一章工作范围一、通风与空调系统工作范围承包商须按照图纸和本技术要求内所述的内容,提供下列所需的通风及空调系统装置的采购、安装、调试、操作及维修等各项要求:采购及安装所有空调系统(室外机、室内机、全热交换器等)、冷媒管线、控制系统的配管、布线、控制器及所有有关设备和配/附件等(平台商业部分的空调不包含在工程范围内,但是埋垫层敷设的冷凝水管仍由承包商施工到出地面3米)。
采购及安装送排风系统及有关设备和配/附件等。
采购及安装所有风管、水管、冷媒管、有关设备及支吊架的防腐、保温材料等。
采购及安装所有有关设备及机房的防震、隔震、降噪及消声设备等,使设备及系统的运行噪音达到国家规范的要求、本技术要求的规定和图纸的设计参数。
供应及安装所需的套管,并负责套管与墙(或楼板等)之间的土建封堵。
为达到一个系统正常、良好的运行而需要的配件、部件,以及作为一个有经验的承包商可以预见而又必需的工作内容,无论图纸是否显示均属于承包商的工程范围。
按规范、标准,负责本标段的所有预留、预埋件、预埋管线等工作,以及洞口的封堵工作。
所有空调通风送回风风口均需延长风管安装到吊顶面,并配合吊顶装修施工安装风口。
同时需配合装饰、装修的其他工作。
负责本标段的所有设备单机试运转、系统调试,配合消防系统联动、调试等工作。
承包单位负责所有材料、构配件和设备采购、运输、贮存、二次搬运、安装、调试等一切工作。
向有关部门申请并获取与通风空调系统相关的一切所需许可、审批及验收,包括施工图和设备、材料送审,施工许可,竣工验收等,所需费用均由承包商承担;提供所有设备和材料的技术资料(包括所需样品);提供工程进度计划表、施工及运输方案;提供所有系统的一切所需的清洁、测试、试运行及系统平衡等工作;提供竣工资料(包括但不限于图纸、验收文档资料等);提供在保养期内的维修及保养;提供零备件、设备系统测试报告、操作及维修手册等等。
空调通风规范空调通风规范是指在使用空调系统和通风设备时需要遵守的一系列要求和规定,以确保室内空气质量和舒适度的标准。
下面是关于空调通风规范的一份1000字的介绍:一、通风要求:1. 室内空气质量应符合国家相关标准,通风系统应具备有效的新风供应能力,保证室内空气的新鲜和流通。
2. 新风口应设置在适当的位置,可以实现全面的通风,避免死角和陈旧空气堆积。
3. 排风口应设置在易积尘区域和厨房、浴室等湿度较高的地方,确保有害气体、异味和湿气及时排除。
4. 通风系统应定期进行检查和维护,确保正常运行和通风效果。
二、空调要求:1. 室内空调设备应符合国家相关标准,选择适当的制冷量和功率,确保室内温度和湿度的合理控制。
2. 空调系统应设置合适的送风口和回风口,确保空气的均匀分布和流通。
3. 室内空调设备应定期清洗和维护,保持清洁和正常运行状态,避免污染和异味。
4. 空调设备的噪音应控制在合理的范围内,不应超过国家相关标准。
三、室内设施要求:1. 室内装修材料应符合国家环保标准,避免有害气体和 VOCs 的释放。
2. 室内布局应合理,避免封闭和拥挤,有足够的活动空间和通风空间。
3. 室内应保持干净整洁,避免物品堆放过多和灰尘积聚,以减少空气污染源。
四、使用注意事项:1. 使用空调时,应适当调整温度和湿度,避免空气过度干燥或过湿。
2. 长时间使用空调时,室内应定期开窗通风,或使用其他通风设备进行空气交换。
3. 注意室内空气质量,开窗通风时避免人员聚集和空气污染源进入。
4. 定期检查和更换空气过滤器,保持过滤效果和空气清洁度。
总结起来,空调通风规范是为了保证室内空气质量、温度和湿度的合理控制,以及减少空气污染源的释放。
遵守相关规定和要求,定期检查和维护设备,保持室内环境的清洁和舒适,有助于人们的健康和生活质量的提高。
同时,也需要注意节约能源和环保,避免空调和通风设备的滥用和浪费。
空调通风规范的执行不仅要求使用者的自觉性,也需要建筑物的设计者和施工人员的合理设计和施工,以及相关部门的监督和管理,形成一个完整的管理体系,实现室内空气质量的良好控制。
通风空调风口第一节一般说明1主题内容和适用范围本标准规定了通风空调风口(简称风口)的分类、基本规格、技术要求、试验方法、检验规则和标志、包装、运输、贮存等。
本标准适用于通风空调系统中的各类出风口和进风口。
其它类似用途的产品也可参照本标准。
2引用标准GB8070空气分布器性能试验方法GB321优先数和优先数系列GB5237铝合金建筑型材GB11257碳素结构钢和低合金结构钢冷轧落薄钢板及钢带GB8170数值修约规则3分类与基本规格3.1分类3.1.1按用途分类:A.出风口B.进风口3.1.2按型式分类:A.百叶风口:外形有方形、矩形、圆形;叶片有单层、双层等。
B.散流器:有圆形、方形、矩形、圆盘形等。
C.喷口:有圆形、矩形、球形等。
D.条缝型风口:有单条缝和多条缝等。
E.旋流风口。
F.孔板风口(包括网板风口)。
G.专用风口:如椅子风口、灯具风口、孔风口、格栅风口等。
3.2基本规格1、主题内容和适用范围本标准规定了通风空调风口(简称风口)的分类、基本规格、技术要求、试验方法、检验规则和标志、包装、运输、贮存等。
本标准适用于通风空调系统中的各类出风口和进风口。
其它类似用途的产品也可参照本标准。
2引用标准GB8070空气分布器性能试验方法GB321优先数和优先数系列GB5237铝合金建筑型材GB11257碳素结构钢和低合金结构钢冷轧落薄钢板及钢带GB8170数值修约规则3分类与基本规格3.1分类3.1.1按用途分类:A.出风口B.进风口3.1.2按型式分类:A.百叶风口:外形有方形、矩形、圆形;叶片有单层、双层等。
B.散流器:有圆形、方形、矩形、圆盘形等。
C.喷口:有圆形、矩形、球形等。
D.条缝型风口:有单条缝和多条缝等。
E.旋流风口。
F.孔板风口(包括网板风口)。
G.专用风口:如椅子风口、灯具风口、孔风口、格栅风口等。
3.2基本规格3.2.1风口基本规格用颈部尺寸(指与风管的接口尺寸)表示,按GB321的要求排列,详见表1和表2。
通风空调风口设计规范第一节一般说明1 主题内容和适用范围本标准规定了通风空调风口(简称风口)的分类、基本规格、技术要求、试验方法、检验规则和标志、包装、运输、贮存等。
本标准适用于通风空调系统中的各类出风口和进风口。
其它类似用途的产品也可参照本标准。
2 引用标准GB 8070空气分布器性能试验方法GB 321 优先数和优先数系列GB 5237铝合金建筑型材GB 11257碳素结构钢和低合金结构钢冷轧落薄钢板及钢带GB 8170 数值修约规则3 分类与基本规格3.1 分类3.1.1 按用途分类:A.出风口B.进风口3.1.2 按型式分类:A.百叶风口:外形有方形、矩形、圆形;叶片有单层、双层等。
B.散流器:有圆形、方形、矩形、圆盘形等。
C.喷口:有圆形、矩形、球形等。
D.条缝型风口:有单条缝和多条缝等。
E.旋流风口。
F.孔板风口(包括网板风口)。
G.专用风口:如椅子风口、灯具风口、孔风口、格栅风口等。
3.2 基本规格3.2.1 风口基本规格用颈部尺寸(指与风管的接口尺寸)表示,按GB 321的要求排列,详见表1和表2。
圆形风口基本规格(MM)表1方、矩形风口基本规格(mm)表23.2.2散流器基本规格可按相等间距数50mm、60mm、70mm排列。
3.3型号表示法3.3.1型号表示法分类代号表表3规格代号用风口基本规格数值的1/10表示。
3.3.2型号示例:FJS-3225--表示矩形散流器,规格为320*250(mm)FQP-16--表示球形喷口,规格为160(mm)FYS-25--表示圆形散流器,规格为250(mm)第二节技术要求4.1基本要求4.1.1风口产品应符合本标准的要求,并按规定程序批准的图样和技术文件制造。
4.1.2尺寸偏差的允许值如下:a:矩形(包括方形)风口的尺寸允差风表4。
尺寸允差(mm)表4b:矩形(包括方形)风口两条对角线之间的允差风表5c:圆形风口的尺寸允差见表6尺寸允差(mm)表64.1.3风口装饰平面应平整光滑,其平面度应符合表7的规定值。
建筑物通风与空调规范建筑物通风与空调规范是为了确保建筑物内空气质量和舒适度而制定的一系列标准和规章。
合理的通风和空调系统可以为建筑物带来新鲜的空气,调节室内温湿度,提供健康舒适的室内环境。
本文将介绍建筑物通风与空调规范的一些重要要点。
一、通风规范通风是建筑物内空气的循环和更新过程,为维持良好的空气质量至关重要。
通风规范主要包括以下几个方面。
1.1 自然通风自然通风是指通过建筑物本身的结构和空气流动产生的通风方式。
在设计建筑物时,应充分考虑自然通风因素,如窗户、门、天窗的位置和尺寸。
通风口的面积和位置也需要合理安排,以便达到良好的通风效果。
1.2 机械通风机械通风是通过风机等设备来强制循环和更新空气。
机械通风系统应按照规范进行设计、安装和维护,以确保其正常运行和有效通风。
通风机的数量和容量应根据建筑物的大小和用途来确定。
1.3 通风口和导风管通风口和导风管的尺寸和位置对通风效果有着重要影响。
通风口的数量和面积应根据建筑物的需求进行设计,避免产生堵塞或不足的问题。
通风管道的布置应合理,以保证空气流动的畅通。
二、空调规范空调是通过温度、湿度和空气流动的调节来使室内达到舒适的环境。
空调规范主要涉及以下几个方面。
2.1 温度和湿度控制室内温度和湿度是空调系统的主要调节目标。
根据建筑物的用途和环境要求,应设置合适的温度和湿度范围。
空调设备的选择和安装位置也要考虑到室内的温湿度分布情况。
2.2 空气过滤空调设备应配备适当的空气过滤系统,有效去除空气中的尘埃、花粉和其他污染物。
过滤器的清洁和更换应按照规范进行,以确保空气质量和系统的正常运行。
2.3 风速和风向空调系统中送风口的设置和风速的调整对室内空气流动有重要影响。
风速过高会引起不适,而风速过低则可能导致空气流通不畅。
送风口的位置和风向的调节应根据具体情况进行设计,以提供舒适的室内环境。
2.4 节能和环保在设计和使用空调系统时,应考虑节能和环保要求。
选择高效能的空调设备和控制系统,合理利用太阳能和其他可再生能源,减少能源消耗和碳排放。
空调风⼝风速设计规范取值汇总空调风⼝风速设计规范取值汇总汇总如下:1、排烟⼝的风速≤10m/s(⽼建规9.4.6.6)2(1)、空调送风⼝的出⼝风速,消声要求较⾼时,宜采⽤2-5m/s,喷⼝送风可采⽤4-10m/s。
(采暖6.5.9)2(2)、空调侧送和散流器平送的出⼝风速2-5m/s。
孔板下送风的出⼝风速3-5 m/s。
条缝型风⼝下送(多⽤于纺织⼚),当空⽓调节区层⾼为4-6m⼈员活动区风速不⼤于0.5m/s时,出⼝风速宜为2-4m/s。
(采暖条⽂6.5.9&民⽤条⽂7.4.11&技措5.4.6.2【孔板】)3、空调回风⼝的吸风速度:(采暖6.5.11&民⽤7.4.13)利⽤⾛廊回风时,回风⼝安装在门或墙下部的回风⼝⾯风速1-1.5m/s(采暖条⽂6.5.11)4、⾃然通风系统的进排风⼝的空⽓流速(m/s):(民⽤表6.6.4-1)5、机械通风系统的进排风风⼝风速(m/s):(民⽤表6.6.5)6、进、排风⼝风速(m/s):(技措表4.1.4)7、厨房排风系统的风管风速不宜⼩于8m/s,且不宜⼤于10m/s;排风罩接风管的喉部风速应取4-5m/s。
(技措4.2.10.2)8、洗⾐房机械排风系统洗⾐机、烫平机、⼲洗机、压烫机、⼈体吹机等散热两⼤或有异味散出的设备上部,应设置排⽓罩,其罩⾯风速应≥0.5m/s。
(技措4.5.1.3.1)9、实验室通风柜操作⼝处风速:(技措表4.5.7)10、暗室通风宜采⽤机械排风、⾃然进风的通风⽅式,排风量宜取≥5次/h换⽓。
排风⼝宜设在⽔池附近,进风⼝应采⽤遮光百叶窗,通过百叶窗的风速应<2m/s。
(技措4.5.8)11、机械加压送风⼝不宜⼤于7m/s;排烟⼝不宜⼤于10m/s;机械补风⼝不宜⼤于10m/s,公共聚集场所不宜⼤于5m/s;⾃然补风⼝不宜⼤于3m/s。
(技措4.8.5.3)12、⼈员长期停留的区域采⽤置换通风⽅式时,⼈脚踝处风速不宜超过0.2m/s。
通风与空调设计规范通风与空调设计规范是针对建筑物内部空气质量和室内温湿度等因素进行合理规划和设计的一套准则。
它的目的是为了保障建筑物内部环境的舒适度和健康性,以及减少能源的消耗。
以下是通风与空调设计规范的一些重要内容。
一、通风设计规范1. 通风系统应根据建筑物使用和气候条件合理选择,确保建筑物内部空气的新鲜度和流通性。
2. 通风系统应符合国家和地方所规定的相关标准和要求。
3. 室内通风量应符合每小时定额空气量的要求,以保证室内空气质量的良好。
4. 对于需要更高级别通风的特殊场所,如厨房、浴室等,应设计相应的独立通风系统,以满足特殊需求。
5. 对于高层建筑,应设置适当的排烟系统,以保障火灾时的人员安全。
二、空调设计规范1. 空调系统设计应根据建筑物的使用和气候条件合理选择,包括制冷和制热设备的选择。
2. 空调系统应符合国家和地方所规定的相关标准和要求,尤其是能耗的要求。
3. 空调系统的设计应考虑能源的利用率,采用高效节能的设备和系统,以减少能源的浪费。
4. 对于大型建筑物,宜采用分区控制的空调系统,以提高系统的效率和灵活性。
5. 空调系统的设计应考虑室内温湿度、噪音以及空气洁净度等因素,以提供舒适的室内环境。
三、通风与空调系统的运行与维护1. 通风与空调系统的运行应符合相关标准和规范,确保系统的稳定性和安全性。
2. 定期进行系统的维护和保养,以确保系统的正常运行和提高系统的寿命。
3. 对于通风与空调系统中的空气过滤器、水箱和风口等关键设备,应进行定期清洁和更换,以减少污染物对室内空气的影响。
4. 对于较大型的通风与空调系统,应安装监测设备,对系统的运行情况进行实时监测和调整,以提高系统的效率和节能性。
综上所述,通风与空调设计规范是确保建筑物内部环境舒适和健康的重要参考依据。
遵循规范的设计和运行,不仅可以提高建筑物内部的空气质量和温湿度控制,还可以减少能源的消耗,降低对环境的影响。
因此,在进行通风与空调系统设计时,应遵守相关规范和标准,并结合实际情况进行合理的选择和设计。
通风空调风口标准(一)第一节一般说明1 主题内容和适用范围本标准规定了通风空调风口(简称风口)的分类、基本规格、技术要求、试验方法、检验规则和标志、包装、运输、贮存等。
本标准适用于通风空调系统中的各类出风口和进风口。
其它类似用途的产品也可参照本标准。
2 引用标准GB 8070空气分布器性能试验方法GB 321 优先数和优先数系列GB 5237铝合金建筑型材GB 11257碳素结构钢和低合金结构钢冷轧落薄钢板及钢带GB 8170 数值修约规则3 分类与基本规格3.1 分类3.1.1 按用途分类:A.出风口B.进风口3.1.2 按型式分类:A.百叶风口:外形有方形、矩形、圆形;叶片有单层、双层等。
B.散流器:有圆形、方形、矩形、圆盘形等。
C.喷口:有圆形、矩形、球形等。
D.条缝型风口:有单条缝和多条缝等。
E.旋流风口。
F.孔板风口(包括网板风口)。
G.专用风口:如椅子风口、灯具风口、孔风口、格栅风口等。
3.2 基本规格1、主题内容和适用范围本标准规定了通风空调风口(简称风口)的分类、基本规格、技术要求、试验方法、检验规则和标志、包装、运输、贮存等。
本标准适用于通风空调系统中的各类出风口和进风口。
其它类似用途的产品也可参照本标准。
2 引用标准GB 8070空气分布器性能试验方法GB 321 优先数和优先数系列GB 5237铝合金建筑型材GB 11257碳素结构钢和低合金结构钢冷轧落薄钢板及钢带GB 8170 数值修约规则3 分类与基本规格3.1 分类3.1.1 按用途分类:A.出风口B.进风口3.1.2 按型式分类:A.百叶风口:外形有方形、矩形、圆形;叶片有单层、双层等。
B.散流器:有圆形、方形、矩形、圆盘形等。
C.喷口:有圆形、矩形、球形等。
D.条缝型风口:有单条缝和多条缝等。
E.旋流风口。
F.孔板风口(包括网板风口)。
G.专用风口:如椅子风口、灯具风口、孔风口、格栅风口等。
3.2 基本规格3.2.1 风口基本规格用颈部尺寸(指与风管的接口尺寸)表示,按GB 321的要求排列,详见表1和表2。
通风空调设计规范通风空调设计规范是为了保证建筑物内部环境的舒适性、安全性和健康性而制定的。
本文将从通风和空调两个方面介绍通风空调设计规范。
一、通风设计规范1. 室内空气质量(1)室内外空气换气次数:根据建筑物的用途和人员密度确定室内外空气的换气次数,一般建议室内空气换气次数为每小时不少于6次。
(2)排烟系统设计:排烟系统应根据建筑物的类型、高度和占地面积等因素进行设计,保证在火灾发生时,能够快速排除烟气,确保人员的安全疏散。
(3)室内空气污染物控制:根据不同的室内活动和污染物种类,采取合理的通风设计措施,减少室内空气污染物的浓度和持续时间。
2. 室内温度和湿度(1)室内设计温度:根据建筑物的用途和气候条件确定室内设计温度,一般居住建筑室内设计温度为18-26℃,办公建筑室内设计温度为18-24℃,特殊用途建筑根据具体情况确定。
(2)室内湿度控制:根据建筑物的用途和气候条件确定室内湿度,一般建议室内相对湿度保持在40%-60%之间,过低或过高都会对人体健康造成影响。
3. 音频和噪声控制(1)设备运行噪声:通风设备的设备运行噪声不能超过建筑物内部的环境噪声标准。
(2)管道绝音:通风管道应采取防震、隔音措施,减少传递噪声。
(3)建筑物防噪声设计:针对噪声源,采取合理的设计措施,如设置隔音墙、隔音窗等。
二、空调设计规范1. 制冷和供暖负荷计算(1)建筑物的制冷负荷计算:根据建筑物的朝向、墙体材料、窗户位置和面积、屋顶保温等因素,计算建筑物的制冷负荷。
(2)建筑物的供暖负荷计算:根据建筑物的类型、层高、朝向、屋顶保温等因素,计算建筑物的供暖负荷。
2. 空调系统设计(1)空调系统类型选择:根据建筑物的用途和需求,选择适合的空调系统类型,如中央空调、分体空调等。
(2)空调系统容量选择:根据建筑物的制冷和供暖负荷计算结果,选择合适的空调系统容量。
(3)空调系统的管道设计:根据建筑物的布局和空调系统的容量,设计合理的空调系统管道,保证空调系统的供冷供暖效果。
中央空调通风风口设计规范,编号竭诚为您提供优质文档/双击可除中央空调通风风口设计规范,编号篇一:中央空调出风口尺寸大小及设计标准中央空调出风口尺寸大小及设计标准中央空调出风口历来讲究“以藏为美”,无论是侧送风还是下送风,都能顺其自然地隐藏在局部吊顶中,远远看去就像一件艺术品,非常符合现代人的装潢品味。
由于室内一般只能看到中央空调的出风口,所以中央空调出风口尺寸大小至关重要,如果设计不合理那么后续会造成视觉上的污染,并且给使用带来很多的麻烦。
中央空调出风口尺寸是多少与传统柜机、壁挂机不同,由于与室内装修同步进行,并且室内机隐藏安装在吊顶里,所以中央空调出/回风口尺寸是没有明确规定的。
在实际设计安装过程中,它需要根据家居装饰,进行灵活的变通,出/回风口的大小取决于室内机容量的大小。
一般情况下,中央空调出风口尺寸是,出风为15cm*60-100cm,回风为26cm*60-100cm,检修口为35cm*35cm,出风、回风的宽度基本能定,但长度要根据室内机的长度和装修环境来合理设计。
中央空调出风口设计标准中央空调出风口尺寸的大小取决于室内机容量的大小,如果中央空调出风口尺寸过大,风管过长,则气流速度就会下降,从而影响空调使用效果;如果中央空调出风口尺寸选择过小,则气流速度会变大,从而导致风直吹人体上引起的不适感,还有可能导致噪音过大。
中央空调送回风方式主要有侧送下回、下送下回、侧送侧回三种,由于中央空调回风口的风速一般大于出风口,所以风量一定时,回风口面积要比出风口的大。
另外,中央空调出风口处最好不要设置灯槽,很容易阻挡热气流到达人员活动区域,影响制热效果。
中央空调出风口尺寸并没有一个行业规定的标准,它需要根据用户房型、使用需求、室内装饰等因素来个性化设计,这就需要用户慧眼识珠,选择一家设计技术过(中央空调通风风口设计规范,编号)硬的中央空调安装公司,内外兼修的设计与安装,才能赋予中央空调美观与功能并存的动人魅力。
通风空调风口标准(一)第一节一般说明1 主题内容和适用范围本标准规定了通风空调风口(简称风口)的分类、基本规格、技术要求、试验方法、检验规则和标志、包装、运输、贮存等。
本标准适用于通风空调系统中的各类出风口和进风口。
其它类似用途的产品也可参照本标准。
2 引用标准GB 8070空气分布器性能试验方法GB 321 优先数和优先数系列GB 5237铝合金建筑型材GB 11257碳素结构钢和低合金结构钢冷轧落薄钢板及钢带GB 8170 数值修约规则3 分类与基本规格3.1 分类3.1.1 按用途分类:A.出风口B.进风口3.1.2 按型式分类:A.百叶风口:外形有方形、矩形、圆形;叶片有单层、双层等。
B.散流器:有圆形、方形、矩形、圆盘形等。
C.喷口:有圆形、矩形、球形等。
D.条缝型风口:有单条缝和多条缝等。
E.旋流风口。
F.孔板风口(包括网板风口)。
G.专用风口:如椅子风口、灯具风口、孔风口、格栅风口等。
3.2 基本规格1、主题内容和适用范围本标准规定了通风空调风口(简称风口)的分类、基本规格、技术要求、试验方法、检验规则和标志、包装、运输、贮存等。
本标准适用于通风空调系统中的各类出风口和进风口。
其它类似用途的产品也可参照本标准。
2 引用标准GB 8070空气分布器性能试验方法GB 321 优先数和优先数系列GB 5237铝合金建筑型材GB 11257碳素结构钢和低合金结构钢冷轧落薄钢板及钢带GB 8170 数值修约规则3 分类与基本规格3.1 分类3.1.1 按用途分类:A.出风口B.进风口3.1.2 按型式分类:A.百叶风口:外形有方形、矩形、圆形;叶片有单层、双层等。
B.散流器:有圆形、方形、矩形、圆盘形等。
C.喷口:有圆形、矩形、球形等。
D.条缝型风口:有单条缝和多条缝等。
E.旋流风口。
F.孔板风口(包括网板风口)。
G.专用风口:如椅子风口、灯具风口、孔风口、格栅风口等。
3.2 基本规格3.2.1 风口基本规格用颈部尺寸(指与风管的接口尺寸)表示,按GB 321的要求排列,详见表1和表2。
空调送排风系统设计规范要求1、设有机械通风系统的房间,人员所需新风量应同时满足设计要求和规范要求。
2、规范强制要求单独设置排风系统的情况有以下五种:(1)两种或两种以上的有害物质混合后能引起燃烧或爆炸时;(2)混合后能形成毒害更大或腐蚀性的混合物、化合物时;(3)混合后易使蒸汽凝结并聚积粉尘时;(4)散发剧毒物质的房间和设备;(5)建筑物内设有储存易燃易爆物质的单独房间或有防火防爆要求的单独房间。
此外垃圾房、卫生间等有异味的房间区域及浴室(含桑拿房)等宜单独设置排风系统,整个系统不宜与其他系统有连通,包括其接室外排风口处的静压箱均不宜与其他系统共用。
3、机械送风系统进风口的位置,应符合下列要求:(1)应设在室外空气较清洁的地点;(2)应低于排风口;(3)进风口下缘距室外地坪不宜小于2m,当设在绿化带时,不宜小于1m;(4)应避免进风、排风短路。
4、厨房和卫生间全面通风换气次数不宜小于3次/h,且一般采用直流式通风。
5、考虑到北方地区冬季寒冷的气候条件,为避免厨房补送风温度过低造成室内温度过低,宜充分考虑对厨房冬季补送风做加热处理。
且为保证厨房负压状态,一般情况下补送风量宜按排风量的80%至90%考虑。
6、厨房排风管的水平段应设不小于0.02的坡度,坡向排气罩。
罩口处应有相应排油污设置措施。
7、厨房冷藏室制冷机的冷凝器即散热部分应直接向室外非空调区域排风散热。
8、电视卫星机房、弱电机房等长期不间断使用的单冷房间宜选用单冷分体空调。
9、通风与空调系统的风管,宜采用圆形、扁圆形或长、短边之比不大于4 的矩形截面,其最大长、短边之比不应超过10。
金属风管的尺寸应按外径或外边长计;非金属风管应按内径或内边长计。
10、对于风系统深化设计时,在标高及空间允许的情况下,风管尽量取方形。
通风与空调系统风管内的空气流速应符合下列要求:(1)公共建筑中干管宜取5m/s~5m/s,不应超过8m/s;支管宜取3m/s~4.5m/s,不应超过5m/s;支管上接出的分支管宜取3m/s~3.5m/s,不应超过6m/s;通风机入口宜取4m/s,不应超过5m/s;通风机出口宜取5m/s~10m/s,不应超过11m/s 。
通风空调风口标准(一)通风空调风口标准(一)第一节一般说明1 主题内容和适用范围本标准规定了通风空调风口(简称风口)的分类、基本规格、技术要求、试验方法、检验规则和标志、包装、运输、贮存等。
本标准适用于通风空调系统中的各类出风口和进风口。
其它类似用途的产品也可参照本标准。
2 引用标准GB 8070空气分布器性能试验方法GB 321 优先数和优先数系列GB 5237铝合金建筑型材GB 11257碳素结构钢和低合金结构钢冷轧落薄钢板及钢带GB 8170 数值修约规则3 分类与基本规格3.1 分类3.1.1 按用途分类:A.出风口B.进风口3.1.2 按型式分类:A.百叶风口:外形有方形、矩形、圆形;叶片有单层、双层等。
B.散流器:有圆形、方形、矩形、圆盘形等。
C.喷口:有圆形、矩形、球形等。
D.条缝型风口:有单条缝和多条缝等。
E.旋流风口。
F.孔板风口(包括网板风口)。
G.专用风口:如椅子风口、灯具风口、孔风口、格栅风口等。
3.2 基本规格1、主题内容和适用范围本标准规定了通风空调风口(简称风口)的分类、基本规格、技术要求、试验方法、检验规则和标志、包装、运输、贮存等。
本标准适用于通风空调系统中的各类出风口和进风口。
其它类似用途的产品也可参照本标准。
2 引用标准GB 8070空气分布器性能试验方法GB 321 优先数和优先数系列GB 5237铝合金建筑型材GB 11257碳素结构钢和低合金结构钢冷轧落薄钢板及钢带GB 8170 数值修约规则3 分类与基本规格3.1 分类3.1.1 按用途分类:A.出风口B.进风口3.1.2 按型式分类:A.百叶风口:外形有方形、矩形、圆形;叶片有单层、双层等。
B.散流器:有圆形、方形、矩形、圆盘形等。
C.喷口:有圆形、矩形、球形等。
D.条缝型风口:有单条缝和多条缝等。
E.旋流风口。
F.孔板风口(包括网板风口)。
G.专用风口:如椅子风口、灯具风口、孔风口、格栅风口等。
通风空调风口标准(一)第一节一般说明1 主题内容和适用范围本标准规定了通风空调风口(简称风口)的分类、基本规格、技术要求、试验方法、检验规则和标志、包装、运输、贮存等。
本标准适用于通风空调系统中的各类出风口和进风口。
其它类似用途的产品也可参照本标准。
2 引用标准GB 8070空气分布器性能试验方法GB 321 优先数和优先数系列GB 5237铝合金建筑型材GB 11257碳素结构钢和低合金结构钢冷轧落薄钢板及钢带GB 8170 数值修约规则3 分类与基本规格3.1 分类3.1.1 按用途分类:A.出风口B.进风口3.1.2 按型式分类:A.百叶风口:外形有方形、矩形、圆形;叶片有单层、双层等。
B.散流器:有圆形、方形、矩形、圆盘形等。
C.喷口:有圆形、矩形、球形等。
D.条缝型风口:有单条缝和多条缝等。
E.旋流风口。
F.孔板风口(包括网板风口)。
G.专用风口:如椅子风口、灯具风口、孔风口、格栅风口等。
3.2 基本规格1、主题内容和适用范围本标准规定了通风空调风口(简称风口)的分类、基本规格、技术要求、试验方法、检验规则和标志、包装、运输、贮存等。
本标准适用于通风空调系统中的各类出风口和进风口。
其它类似用途的产品也可参照本标准。
2 引用标准GB 8070空气分布器性能试验方法GB 321 优先数和优先数系列GB 5237铝合金建筑型材GB 11257碳素结构钢和低合金结构钢冷轧落薄钢板及钢带GB 8170 数值修约规则3 分类与基本规格3.1 分类3.1.1 按用途分类:A.出风口B.进风口3.1.2 按型式分类:A.百叶风口:外形有方形、矩形、圆形;叶片有单层、双层等。
B.散流器:有圆形、方形、矩形、圆盘形等。
C.喷口:有圆形、矩形、球形等。
D.条缝型风口:有单条缝和多条缝等。
E.旋流风口。
F.孔板风口(包括网板风口)。
G.专用风口:如椅子风口、灯具风口、孔风口、格栅风口等。
3.2 基本规格3.2.1 风口基本规格用颈部尺寸(指与风管的接口尺寸)表示,按GB 321的要求排列,详见表1和表2。
采暖通风与空气调节设计规范GBJ19-87第一章总则第条为了在采暖、通风和空气调节设计中,体现艰苦奋斗、勤俭建国精神,贯彻国家现行的有关方针政策,以便为安全生产、改善生活的劳动条件、节约能源、保护环境、保证产品质量和提高劳动生产率提供必要的条件,特制订本规范。
第条本规范适用于新建、扩建、改建的民用建筑和工业企业生产厂房及辅助建筑物的采暖、通风、空气调节及其制冷设计。
本规范不适用于地下建筑、有特殊用途和特殊净化与防护要求的建筑物以及临时性建筑物的设计。
第条采暖、通风和空气调节及其制冷设计方案,应根据建筑物的用途、工艺和使用要求、室外气象条件以及能源状况等,同有关专业相配合,通过技术经济比较确定。
第条采暖、通风和空调节及其制冷系统所用设备、构件及材料,应根据国家和建设地区现有的生产能力和材料供应状况等择优选用,尽量就地取材。
同一工程中,设备的系统列和规格型号,应尽量统一。
第条编制设计文件时,应根据采暖、通风、空气调节和制冷装置的数量及其复杂程度,配备必要的专业技术和操作、维修人员以及相应的维修设备和检测仪表等。
第条采暖、通风、空气调节和制冷系统,应在便于操作和观察的地点设置必要的调节、检测和计量装置。
第条布置设备、管道及配件时,应为安装、操作和维修留有必要的位置。
对于大型设备和管道,应根据需要在建筑设计中预留安装和维修用的孔洞,并应考虑有装设起吊设施的可能。
第条设计中,对于采暖、通风、空气调节和制冷设备及管道,当有可能伤及人体时,应采取必要的安全防护措施,第条位于地震区和湿陷性黄土地区的工程,布置设备和管道时,应根据需要分别采取防震和有组织排水等措施。
第条根据本条规范进行采暖、通风和空气调节及其制冷设计时,尚应符合国家现行的有关标准、规范的规定。
第二章室内外计算参数第一节室内空气计算参数第条设计集中采暖时,冬季室内计算温度,应根据建筑物的作途,按下列规定采用:一、民用建筑的主要房间,宜采用16-20°C;二、生产厂房的工作地点:轻作业不应低于15°C中作业不应低于12°C重作业不应低于10°C注:(1)作业各类的划分,应按国家现行的《工业企业设计卫生标准》执行。
通风空调风口标准(一)第一节一般说明1 主题内容和适用范围本标准规定了通风空调风口(简称风口)的分类、基本规格、技术要求、试验方法、检验规则和标志、包装、运输、贮存等。
本标准适用于通风空调系统中的各类出风口和进风口。
其它类似用途的产品也可参照本标准。
2 引用标准GB 8070空气分布器性能试验方法GB 321 优先数和优先数系列GB 5237铝合金建筑型材GB 11257碳素结构钢和低合金结构钢冷轧落薄钢板及钢带GB 8170 数值修约规则3 分类与基本规格3.1 分类3.1.1 按用途分类:A.出风口B.进风口3.1.2 按型式分类:A.百叶风口:外形有方形、矩形、圆形;叶片有单层、双层等。
B.散流器:有圆形、方形、矩形、圆盘形等。
C.喷口:有圆形、矩形、球形等。
D.条缝型风口:有单条缝和多条缝等。
E.旋流风口。
F.孔板风口(包括网板风口)。
G.专用风口:如椅子风口、灯具风口、孔风口、格栅风口等。
3.2 基本规格1、主题内容和适用范围本标准规定了通风空调风口(简称风口)的分类、基本规格、技术要求、试验方法、检验规则和标志、包装、运输、贮存等。
本标准适用于通风空调系统中的各类出风口和进风口。
其它类似用途的产品也可参照本标准。
2 引用标准GB 8070空气分布器性能试验方法GB 321 优先数和优先数系列GB 5237铝合金建筑型材GB 11257碳素结构钢和低合金结构钢冷轧落薄钢板及钢带GB 8170 数值修约规则3 分类与基本规格3.1 分类3.1.1 按用途分类:A.出风口B.进风口3.1.2 按型式分类:A.百叶风口:外形有方形、矩形、圆形;叶片有单层、双层等。
B.散流器:有圆形、方形、矩形、圆盘形等。
C.喷口:有圆形、矩形、球形等。
D.条缝型风口:有单条缝和多条缝等。
E.旋流风口。
F.孔板风口(包括网板风口)。
G.专用风口:如椅子风口、灯具风口、孔风口、格栅风口等。
3.2 基本规格3.2.1 风口基本规格用颈部尺寸(指与风管的接口尺寸)表示,按GB 321的要求排列,详见表1和表2。
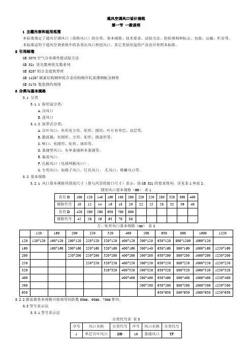
通风空调风口设计规范
第一节一般说明
1 主题内容和适用范围
本标准规定了通风空调风口(简称风口)的分类、基本规格、技术要求、试验方法、检验规则和标志、包装、运输、贮存等。
本标准适用于通风空调系统中的各类出风口和进风口。
其它类似用途的产品也可参照本标准。
2 引用标准
GB 8070空气分布器性能试验方法
GB 321 优先数和优先数系列
GB 5237铝合金建筑型材
GB 11257碳素结构钢和低合金结构钢冷轧落薄钢板及钢带
GB 8170 数值修约规则
3 分类与基本规格
3.1 分类
3.1.1 按用途分类:
A.出风口
B.进风口
3.1.2 按型式分类:
A.百叶风口:外形有方形、矩形、圆形;叶片有单层、双层等。
B.散流器:有圆形、方形、矩形、圆盘形等。
C.喷口:有圆形、矩形、球形等。
D.条缝型风口:有单条缝和多条缝等。
E.旋流风口。
F.孔板风口(包括网板风口)。
G.专用风口:如椅子风口、灯具风口、孔风口、格栅风口等。
3.2 基本规格
3.2.1 风口基本规格用颈部尺寸(指与风管的接口尺寸)表示,按GB 321的要求排列,详见表1和表2。
圆形风口基本规格(MM)表1
方、矩形风口基本规格(mm)表2
3.2.2散流器基本规格可按相等间距数50mm、60mm、70mm排列。
3.3型号表示法
3.3.1型号表示法
分类代号表表3
规格代号用风口基本规格数值的1/10表示。
3.3.2型号示例:
FJS-3225--表示矩形散流器,规格为320*250(mm)
FQP-16--表示球形喷口,规格为160(mm)
FYS-25--表示圆形散流器,规格为250(mm)
第二节技术要求
4.1基本要求
4.1.1风口产品应符合本标准的要求,并按规定程序批准的图样和技术文件制造。
4.1.2尺寸偏差的允许值如下:
a:矩形(包括方形)风口的尺寸允差风表4。
尺寸允差(mm)表4
b:矩形(包括方形)风口两条对角线之间的允差风表5
c:圆形风口的尺寸允差见表6
尺寸允差(mm)表6
4.1.3风口装饰平面应平整光滑,其平面度应符合表7的规定值。
平面度表7
4.1.4风口装饰面上接口拼缝的缝隙,铝型材应不超过0.15mm,其它材料应不超过0.2mm。
4.1.5 风口的叶片应符合下列要求:
a:叶片间距的尺寸偏差不大于±1mm;
b:叶片弯曲度3/1000mm;
c:叶片平行度4/1000mm;
4.2外观要求
4.2.1 风口装饰面应无明显的划伤和压痕。
4.2.2 风口装饰面的颜色应一致,无花斑现象。
4.2.3 焊点应光滑牢固。
4.3 性能要求
4.3.1 机械性能
a:风口的活动零件,要求动作自如,阻尼均匀,无卡死和松动。
b:导流片可调或可拆卸的产品,要求调节器拆卸文便和可靠,定位后无松动现象。
4.3.2空气动力性能
a:风口应确定标准试验工况下额定的风量和射程值。
标准试验工况条件下:在标准状态空气下,射流的末端速度为0。
5m/S,空气全压为10Pa。
b:风口在颈部速度6m/s时,全压损失应不超过100Pa。
c:空气动力性能取值应符合CB8170数值修约规则。
风量一律取整数,尾数为零,射程(可扩散半径)和压力损失取一位小数,局部阻力系数取二位小数。
4.4材料要求
风口应选用防腐性能好,易成型的材料制造。
a:采用铝型材时,应符合GB5237的规定。
b:用用钢材时,应符合GB11253的规定。
c:根据使用要求,亦可采用其它有关材料标准的规定。
第三节试验方法
5.1 空气动力性能试验
风口的空气动力性能应按照GB8070规定的试验项目、装置和方法进行试验。
5.2 尺寸测量
风口的各种尺寸和偏差用钢板尺、塞尺或样板等测量。
5.3 外观检验
外观检验应在照度不少于300LX下目测。
5.4 机械性能检验
应在正常使用条件下,用手或专业工具(如样板)检验。
5.5 运输试验
包装好的风口稳放在载重汽车上(汽车以25至30KM/H的速度在三通讯公路上行驶300km)或模拟振动台上颠振后,复测尺寸偏差、外观和机械性能。
6 检验规则
6.1 检验分类和检验项目
6.1.1 风口检验分出厂检验(或交收检验)和型式检验。
6.1.2 检验项目按表8。
风口检验项目表8
注:进风口不需要检验第6项
6.2 出厂检验
6.2.1 每个风口必须经制造厂检验,检验合格方可入库。
6.3.1 风口有下列情况之一时,应进行型式检验:
a:试制的新产品定型时;
b:产品结构和制造工艺、材料等更改,对产品性能有影响时;
c:长期停产后,恢复生产时;
d:产品转厂生产时;
e:批量生产时,每两年至少进行一次;
f:国家质量监督机构提出型式检验要求时。
6.3.2 风口型式检验应包括表8全部项目。
6.3.3 型式检验抽样方法,应在制造厂的合格品中抽取,抽取样品的数量按表现。
抽验数量(个)表9
6.3.4 判定规则,在抽取样品中有一个检验不合格,则加倍抽取,如检验仍有一个不合格,则
该批风口判为不合格产品。
7 标志、包装、运输、贮存
7.1 标志
7.1.1 每个产品应有厂家商标,并固定在明显部位。
7.1.2 产品出厂的包装箱上应注明:
a:风口名称、商标或代号;
b:制造厂名称;
c:风口型号规格;
d:出厂编号;
e:制造日期;
f:数量和重量。
7.1.3 包装箱应有防潮,防震,禁止翻滚,小心轻放等标志。
7.2 包装
7.2.1 每个产品需用塑料袋或其它防护材料包扎。
7.2.2 包扎好产产品税在纸箱中放平,并用软性材料垫实。
包装纸箱必须捆扎牢固严密。
7.2.3 包装箱内应有装箱单、产品合格证等到有关文件。
7.3 运输和贮存
7.3.1 产品在运输过程中,不应受碰撞、挤压、抛投、雨雪淋袭。
7.3.2 产品应贮存在通风干燥的仓库内,不宜堆放过高,周围应无腐蚀性气体存在。