2.3.1异步电动机正反转控制电路故障分析与排除
- 格式:doc
- 大小:110.50 KB
- 文档页数:3
摘要三相异步电动机是世界上最常见的电动马达。
它的流行是因其坚固耐用,结构简单,易保护,尺寸规范并且成本较低。
三相异步电动机的种类很多,但各类三相异步电动机的基本结构是相同的,它们都由定子和转子这两大基本部分组成,在定子和转子之间具有一定的气隙。
其转子的转速低于旋转磁场的转速,转子绕组因与磁场间存在着相对运动而产生电动势和电流,并与磁场相互作用产生电磁转矩,实现能量变换。
本实验设计运用三相异步电动机实现正反转控制。
与单相异步电动机相比,其运行性能更好,并可节省各种材料。
且生产中许多机械设备往往要求运动部件能向正反两个方向运动。
如机床工作台的前进与后退起重机的上升与下降等, 这些生产机械要求电动机能实现正反转控制。
改变通入电动机定子绕组的三相电源相序, 即把接入电动机的三相电源进线中的任意两根对调, 电动机即可反转。
关键词:电动马达;定子;转子;转速;电磁转矩;正反转。
目录引言 (1)1 三相异步电动机概述 (1)1.1 三相异步电动机的工作原理 (1)1.2 三相异步电动机的分类 (2)1.3 三相异步电动机的结构 (2)1.31 三相异步电动机的定子(静止部分) (2)1.32 三相异步电动机的转子(旋转部分) (4)1.33三相异步电动机的其它附件 (4)1.4三相异步电动机的铭牌 (4)2 三相异步电动机正反转控制电路的特点与应用 (5)2.1 三相异步电动机正反转控制电路的特点 (5)2.11. 三相异步电动机正反转控制电路的主、控制电路 (5)2.12 按钮、接触器联锁的正反转控制电路特点及应用分析 (6)2.2 交流接触器的正反转自动控制线路工作过程及分析 (7)3 三相异步电动机常见故障分析 (8)3.1 通电后无法转动,但无异响异味且不冒烟的原因及故障排除 (8)3.2 通电后电动机不转,然后熔丝烧断的原因及故障排除 (8)3.3 通电后电动机不转有嗡嗡声的原因及故障排除 (8)3.4 电动机起动困难,额定负载时,电动机转速低于额定转速较多的原因及故障排除 (9)3.5 电动机空载电流不平衡,三相相差大的原因及故障排除 (9)3.6 电动机空载,过载时,电流表指针不稳,摆动的原因及故障排除 (10)3.7 电动机过热甚至冒烟的原因及故障排除 (10)4 三相异步电机效率提高措施 (11)4.1 电动机效率与损耗分析 (11)4.2 减少电机定子绕组铜损耗的方法 (11)4.21 增大导线的直径 (11)4.22 减短定子绕组端部长度 (11)5 三相异步电动机的发展与趋势 (12)5.1中小型电动机已完整地建立了三相异步电动机y、y2、y3系列 (12)5.2 推广高效率异步电动机 (12)5.3 进一步推广变频器供电的三相异步电动机系列 (13)5.4小型三相异步电动机的国际发展趋势 (14)6 结论 (15)附录 (16)引言生产机械往往要求运动部件可以实现正反两个方向的起动,这就要求拖动电动机能作正、反向旋转。
三相异步电动机的正反转控制授课教案一、教学目标1. 让学生了解三相异步电动机的结构和工作原理。
2. 让学生掌握三相异步电动机的正反转控制方法。
3. 培养学生动手操作和分析问题的能力。
二、教学内容1. 三相异步电动机的结构2. 三相异步电动机的工作原理3. 三相异步电动机的正反转控制电路4. 正反转控制电路的安装与调试5. 故障分析与排除三、教学重点与难点1. 教学重点:三相异步电动机的结构、工作原理和正反转控制方法。
2. 教学难点:正反转控制电路的安装与调试,故障分析与排除。
四、教学方法1. 采用讲授法讲解三相异步电动机的结构、工作原理和正反转控制方法。
2. 采用演示法展示正反转控制电路的安装与调试过程。
3. 采用案例分析法分析故障现象,培养学生解决问题的能力。
五、教学准备1. 准备三相异步电动机的相关资料,如图片、视频等。
2. 准备正反转控制电路的元件,如开关、按钮、电机等。
3. 准备故障案例,用于分析与讨论。
【导入】(简要介绍三相异步电动机的应用场景,引出本节课的主题。
)【讲解】1. 三相异步电动机的结构(讲解三相异步电动机的各个部分及其作用。
)2. 三相异步电动机的工作原理(讲解三相异步电动机的工作原理,包括旋转磁场、电磁转矩等。
)3. 三相异步电动机的正反转控制方法(讲解三相异步电动机的正反转控制方法,如控制电路、开关等。
)【演示】1. 正反转控制电路的安装与调试(演示正反转控制电路的安装过程,包括接线、检查等。
)2. 故障分析与排除(演示故障现象,引导学生分析原因,并提出解决方法。
)【练习】1. 让学生根据所学内容,绘制三相异步电动机的正反转控制电路图。
2. 让学生分析给出的故障案例,并提出解决方案。
【总结】(总结本节课所学内容,强调重点和难点。
)【作业】1. 复习三相异步电动机的结构、工作原理和正反转控制方法。
2. 完成故障案例的分析报告。
六、教学活动1. 实践操作:让学生独立完成三相异步电动机的正反转控制电路的安装与调试。
三相异步电动机故障分析及排除首先,我们来了解一下三相异步电动机的基本结构和工作原理。
三相异步电动机由定子和转子组成。
定子上布置着三个绕组,分别称为A、B、C相绕组。
转子上则安装有导体棒。
当三相交流电通过定子绕组时,在转子中会形成感应电动势,导致转子产生转动。
接下来,我们将介绍三相异步电动机常见的故障并提供相应的排除方法。
1.电机无法启动或启动困难。
可能的原因包括:-电源故障:检查电源电压是否在额定范围内,检查电源线路是否良好连接。
-定子绕组断路或短路:通过检查定子绕组是否有明显烧毁、断路或接触不良。
-定子绕组相间短路:通过使用绝缘测试仪检查各相间的绝缘电阻是否达标。
-转子及转子扇片卡死:检查转子是否有异常转动或卡死现象。
2.电机温升过高。
可能的原因包括:-负载过大:检查负载是否超过电机额定功率,适当减小负载。
-通风不良:检查电机安装位置,确保有足够的通风空间。
-电机绕组过热:检查绕组是否有破损、断线或接触不良。
3.电机振动过大。
可能的原因包括:-不平衡负载:检查负载是否均匀分布,调整负载分布。
-定子绕组不对称:检查定子绕组是否均匀绕制,重新绕制绕组。
-定子铁心松动或损坏:通过观察和检查定子铁心是否有损坏或松动。
4.电机噪音过大。
可能的原因包括:-定子与转子磨擦:检查定子与转子之间是否摩擦,适当润滑。
-转子不平衡:检查转子是否均衡,进行动平衡校正。
-定子绕组断裂:检查定子绕组是否有损坏或断裂。
在发现以上故障时,我们可以采取以下方法进行排除:1.检查电源电压、线路连接是否正常。
2.检查绕组是否有断路、短路或相间短路现象。
3.清洁和润滑转子及轴承。
4.检查是否有定子绕组过热现象,修复或更换绕组。
5.检查负载分布是否均匀,适当调整负载分布。
6.检查定子和转子是否有松动或损坏现象,进行修复。
综上所述,三相异步电动机的故障可能对工业生产造成严重影响,因此及时分析和排除故障至关重要。
通过仔细观察和检查,可以确定故障原因并采取相应的措施修复故障。
三相异步电动机常见故障分析与处理一、电机停转、不能启动1.可能故障原因:(1)供电电源异常,如电压过低、电压不平衡、相序错误等;(2)电机绕组接线不良、接触不好,导致电机运行电流过大,烧毁绕组;(3)切换器件或保护器件故障。
2.处理方法:(1)检查供电电源是否正常,如果电压不平衡,应调整电压平衡;(2)检查电机绕组接线是否良好,如有问题,应重新接线;(3)检查切换器件或保护器件是否正常,如有故障应及时更换。
二、电机启动时电流异常,启动困难1.可能故障原因:(1)电机转子或定子绕组短路、接地;(2)启动电容器损坏;(3)启动电路故障,如接触器不好接触、触点接触不良等。
2.处理方法:(1)检查电机绕组是否短路或接地,如有问题应及时修复;(2)检查启动电容器是否损坏,如有问题应及时更换;(3)检查启动电路是否正常,如有故障应及时修复。
三、电机运行过程中产生异常声音或振动1.可能故障原因:(1)电机轴承损坏或磨损,需要更换;(2)电机转子不平衡,需要重新平衡;(3)电机叶片松动或断裂。
2.处理方法:(1)检查电机轴承状态,如有损坏或磨损,应及时更换;(2)检查电机转子是否平衡,如不平衡,应进行动平衡;(3)检查电机叶片是否松动或断裂,如有问题,应进行修复或更换。
四、电机发热过高1.可能故障原因:(1)电机负载过大,需要调整电机负载;(2)电机绕组接触不良,导致电阻增加,发热加剧;(3)电机风扇或冷却系统故障,导致散热不良。
2.处理方法:(1)检查电机负载是否过大,如过大,应调整负载;(2)检查电机绕组接触是否良好,如不良好,应重新接线;(3)检查电机风扇或冷却系统是否正常,如有故障,应及时修复或更换。
五、电机输出功率降低1.可能故障原因:(1)电机绕组损坏或绝缘老化,导致电机输出功率下降;(2)电机转子异常,如电枢绕组断路等。
2.处理方法:(1)检查电机绕组状态,如有损坏或老化,应及时修复或更换;(2)检查电机转子状态,如有断路等问题,应及时修复或更换。
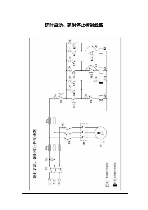
延时启动、延时停止控制线路正常启动按下启动按钮SB1后,KT1和KT2线圈得电吸合,KA和KM线圈不得电,电动机不运转,KT1延时触点延时几秒后KT1的延时常开触点闭合,KA和KM得电吸合,电动机开始运转。
正常停止按下停止按钮SB2后,KT1、KT2和KA线圈失电,KM线圈不失电,电动机继续运转,KT2延时触点延时几秒后KT2的延时断开触点断开,KM线圈失电,电动机停止运转。
⑴故障现象:按下启动按钮SB1后,电动机W相缺相可能出现故障原因:主电路回路的W相共用回路中有线路、触点、熔丝或电机绕组损坏实际故障点:主回路KM常开触点 W相上端接线损坏⑵故障现象:按下启动按钮SB1后,全无反应可能出现故障原因:启动按钮SB1及按钮上下线路损坏、热继电器FR常闭触点及触点上下线路损坏,熔丝、其他共用回路线路损坏实际故障点:控制回路热继电器FR常闭触点上端接线损坏⑶故障现象:按下启动按钮SB1后,KT1和KT2线圈点动吸合并且无自锁,电动机无法正常启动,如长按启动按钮SB1电动机可启动可能出现故障原因:KT1常开触点或触点上下线路损坏实际故障点:KT1常开触点上端接线损坏⑷故障现象:按下启动按钮SB1后,电动机正常启动,KM线圈吸合后KT2线圈立即失电,KT2延时过后带动延时断开触点断开,造成KM线圈失电,电动机停止运转可能出现故障原因:KT2线圈在电动机启动后由KA第一副常开触点闭合后保证不能失电,如失电说明KA第一副常开触点及触点上下线路损坏实际故障点:KA第一幅常开触点上端接线损坏⑸故障现象:按下启动按钮SB1后,KT1和KT2线圈得电吸合,KT1延时过后KA线圈未得电吸合可能出现故障原因:KT1延时闭合触点及触点上下线路损坏、SB2按钮及按钮上下线路损坏、KA线圈及线圈上下线路损坏实际故障点:KT1延时闭合触点上端接线损坏⑹故障现象:按下启动按钮SB1后,KT1和KT2线圈得电吸合, KA线圈在得电后吸合立刻失电,KM线圈得电吸合,电动机运转,KT1线圈失电后KT2线圈也失电,KT2延时断开触点断开,KM线圈失电,电动机停止运转可能出现故障原因:KA线圈无自锁,说明KA的第二副常开自锁触点及触点上下线路损坏实际故障点:KA线圈第二副常开自锁触点上端接线损坏⑺故障现象:按下启动按钮SB1后,KT1和KT2线圈得电吸合,延时过后KA线圈得电吸合,KM线圈不吸合可能出现故障原因:控制回路中KA第三副常开触点及触点上下线路损坏、KT2延时断开触点及触点上下线路损坏、KM线圈及线圈上下线路损坏实际故障点:KA第三副常开触点上端接线损坏⑻故障现象:按下启动按钮SB1后,电动机正常运转,按下停止按钮SB2后,KM线圈立即失电,电动机立即停止运转可能出现故障原因:按下停止按钮SB2后,KA线圈失电带动三副常开触点断开,KM线圈电路中KA第三副常开触点复位后由KM常开自锁触点提供回路,KM线圈应在KT2延时断开触点断开后失电, KM立刻失电说明KM自锁常开触点及触点上下线路损坏实际故障点:KM常开触点上端接线损坏⑼故障现象:按下启动按钮SB1后,KT1线圈不吸合,KT2线圈得电吸合,KA和KM线圈无法吸合,电动机不运转可能出现故障原因:KM常闭触点及常闭触点上下线路损坏、KT1线圈或线圈上下线路损坏实际故障点:KM常闭触点上端接线损坏⑽故障现象:按下启动按钮SB1后, KT2线圈不吸合,KT1线圈得电吸合延时后KA线圈吸合,KM线圈不吸合,电动机无法运转可能出现故障原因:由于KT1线圈得电吸合,说明只有KT2线圈或线圈上下线路损坏实际故障点:KT2线圈上端接线损坏⑾故障现象:按下启动按钮SB1后,电动机正常运转,按停止按钮SB2后,电动机无法停止可能出现故障原因:停止按钮SB2被短接、KT2延时断开触点被短接实际故障点:SB2按钮被短接⑿故障现象:按下启动按钮SB1后,电动机正常运转,按停止按钮SB2后,电动机无法停止可能出现故障原因:停止按钮SB2被短接、KT2延时断开触点被短接实际故障点:KT2延时断开触点被短接注:为方便画图,故所有线路故障均使用触点或线圈上端接线损坏,并不排除触点、线圈或下端接线损坏。
摘要生产机械往往要求运动部件可以实现正反两个方向的起动,这就要求拖动电动机能作正、反向旋转。
由电机原理可知,改变电动机三相电源的相序,就能改变电动机的转向。
本文设计系统的控制是采用PLC的编程语言——梯形图,梯形语言是在可编程控制器中的应用最广的语言,因为它在继电器的基础上加进了许多功能,使用灵活的指令,使逻辑关系清晰直观,编程容易,可读性强,所实现的功能也大大超过传统的继电器控制电路,可编程控制器是一种数字运算操作的电子系统,它是专为在恶劣工业环境下应用而设计,它采用可编程序的存储器,用来在内部存储执行逻辑运算,顺序控制,定时,计数和算术等操作的指令,并采用数字式,模拟式的输入和输出,控制各种的机械或生产过程。
关键词:三相异步电动机;PLC;可编程控制;梯形图目录摘要 (I)引言 (1)1PLC基础的知识 (2)1.1关于PLC的定义 (2)1.2PLC的工作原理 (2)1.3PLC的应用领域 (3)1.4PLC的发展趋势 (4)2三相异步电动机的PLC控制 (5)2.1三相异步电动机正反转控制电路的特点 (5)2.1.1三相异步电动机正反转控制电路的主控制电路 (5)2.1.2按钮接触器联锁的正反转控制电路特点及应用分析 (5)2.2交流接触器的正反转自动控制线路工作过程 (6)2.3PLC的选择 (7)2.4三相异步电动机使用PLC控制优点 (7)2.5输入输出定义 (7)2.6输入输出接线图 (8)参考文献 (10)引言电动机的正反转控制大量应用于工业生产当中,而快速准确安全的控制更能够保证生产的安全可靠和产品的品质。
PLC控制三相异步电动机实现正反转,其运行性能更好,且在满足上述需要的前提下还可节省各种材料。
生产中许多机械设备往往要求运动部件能向正反两个方向运动。
如机床工作台的前进与后退起重机的上升与下降等,这些生产机械要求电动机能实现正反转控制。
改变通入电动机定子绕组的三相电源相序,即把接入电动机的三相电源进线中的任意两根对调,电动机即可反转。
异步电机常见的电气故障及排除法(1)电动机不起动1.电源未接通:检查开关、溶丝,各对触点及电动机引出线头。
2.绕组断路:将断路部位加热到绝缘等级所允许的温度.使漆软化,然后将断线挑起,用同规格线将断掉部分补焊后,包好绝缘,再经涂漆,烘干处理。
3.绕组接地或相间、匝间短路:处理办法同上,只是将接地或短路部位垫好绝缘,然后涂漆烘干。
4.绕组接线错误:核对接线图,将端部加热后重新按正确接法接好(包括绑扎、绝缘处理及涂漆)5.熔体烧断:查出原因,排除故障、按电动机规格配新熔体。
6.绕线转子电动机启动误操作:检查集电环短路装置及起动变阻器位置,启动时应先0串接变阻器,启动完成后再接短路装置。
7.过电流继电器整定值太小:适当调高。
8.老式启动开关油杯缺油:加新油,达到油面线。
9.控制设备接线错误:校正接线。
(2)电动机接入电源后溶丝被烧断1. 单相启动:检查电源线,电动机引出线,熔断器,开关触点,找出断线或假接故障后进行修复。
2.定、转子绕组接地或短路:纠正错误。
3.电机负载过大或被卡住:将负载调至额定值,并排除被拖动机构故障。
4.溶体截面积过小:熔体对电动机过载不起保护作用,一般应按下式选择熔体,熔体额定电流=堵转电流/2~3即可。
5.绕线转子电动机所接的起动电阻太小或被短路:消除短路故障或增大起动电阻。
6.电源到电机之间的连接线短路:检查短路点后进行修复。
(3)电动机通电后,电机不起动,嗡嗡响1. 改极重绕后槽配合选择不当:选择合理绕组形式和绕组节距;适当车小转子直径;重新计算绕组参数。
2. 定、转子绕组短路:查明断路点进行修复;检查绕线转子电刷与集电环接触状态,检查启动电阻是否断路或电阻过大。
3. 绕组引出线始末短接错或绕组内部接反:在定子绕组中通入直流,检查绕组极性(用指南针)判定绕组首末端是否正确。
4.电动机负载过大或被卡住:检查设备,排除故障。
5.电源未能全部接通:更换熔断的熔体;紧固接线柱松动的螺钉;用万用表检查电源线断线或假接故障,然后修复。
异步电动机常见故障分析及处理一、故障概述三相异步电动机的故障一般分为电磁故障和机械故障两大类。
1、电磁故障电磁方面的故障大多发生在定子绕组,如绝缘损坏、导体及回路接触不良、断路、短路及接线错误等,还有转子绕组、电刷、启动设备、熔断器、按钮、开关等出现的故障。
2、机械故障机械方面的故障,如轴承的松动、磨损、润滑不良,端盖、铁芯、冷却风扇的变形、断裂等。
3、区分故障的方法当电动机通电运转时故障现象存在,切断电源后故障消失,说明是电磁故障;电动机通电运转时故障现象存在,切断电源后故障仍然存在,则说明是机械方面的故障。
二、故障分析步骤1、了解电动机的结构和安装运行的历史资料,查询故障发生前后的运行情况;2、检查机械零部件的状况,如端盖是否破裂、转轴是否弯曲、风扇是否损坏等;3、检查轴承状况,将转轴上下左右摇动,若有较大松动或窜动,表明轴承有问题,用力转动转子,看转动是否灵活,有无卡涩现象;4、检查绕组绝缘,用兆欧表测试是否有接地、短路或相间短路现象,必要时用双臂电桥测量绕组三相直流电阻是否平衡;5、检查外部接线是否有短路和断路故障、电源电压是否正常。
6、如有必要,打开电动机检查其内部故障。
三、常见故障分析及处理1、不能启动1)供电线路或定子绕组有断开点,开关或启动装置触点接触不良。
用万用表检查故障并予以排除,检查线路熔体、开关或启动装置的触点,进行修复或更换。
2)电源电压过低,启动转矩不足。
启动电流造成线路压降太大时,可更换较粗的电源线。
3)负载过大或传动机构有故障。
减轻所拖动的负载,检查传动机构,排除故障。
4)轴承损坏、转轴弯曲、定子铁芯松动,甚至定、转子铁芯相擦,造成电机气隙不均匀,在转子上产生单边电磁力而使转子偏吸。
更换轴承、校正转轴、修复铁芯。
5)定子绕组严重短路。
找出短路点,进行绝缘处理或更换绕组。
6)定子绕组重绕后接线错误。
给定子绕组通上低电压,在铁芯内壁放上钢珠,若钢珠沿内壁滚动,说明接线正确,否则检查并更正内部接线或三相绕组首尾。
三相异步电动机的正反转控制线路授课教案第一章:三相异步电动机概述1.1 电动机的概念1.2 三相异步电动机的结构和工作原理1.3 三相异步电动机的性能和参数第二章:正反转控制线路原理2.1 控制线路的基本组成2.2 接触器的作用和原理2.3 继电器的作用和原理第三章:正反转控制线路的设计3.1 控制线路的设计原则3.2 控制线路的设计步骤3.3 控制线路的设计实例第四章:正反转控制线路的安装与调试4.1 控制线路的安装步骤4.2 控制线路的调试步骤4.3 控制线路的常见问题及解决方法第五章:正反转控制线路的应用案例5.1 简单的正反转控制线路案例5.2 复杂的正反转控制线路案例5.3 正反转控制线路在实际工程中的应用第六章:正反转控制线路的优化6.1 优化目的和意义6.2 控制线路优化的方法6.3 优化案例分析第七章:正反转控制线路的保护7.1 保护装置的种类和作用7.2 过载保护的实现方法7.3 短路保护的实现方法第八章:正反转控制线路的故障分析与维修8.1 故障类型及原因8.2 故障诊断方法8.3 故障维修实例第九章:正反转控制线路在自动化生产线中的应用9.1 自动化生产线的概述9.2 正反转控制线路在自动化生产线中的应用案例9.3 自动化生产线中的控制线路设计要点10.2 行业发展趋势10.3 课程拓展与深化重点和难点解析一、三相异步电动机概述补充说明:详细讲解电动机的各个部件功能,如定子、转子、绕组等,以及电动机的工作原理。
深入解析电动机的性能参数,如功率、转速、效率等,以及它们之间的关系。
二、正反转控制线路原理补充说明:详细解析接触器和继电器的工作原理,包括吸合、释放等过程。
讲解接触器和继电器在控制线路中的作用,如控制电源、切换电路等。
三、正反转控制线路的设计补充说明:详细讲解控制线路设计的原则,如安全性、可靠性、经济性等。
解析设计步骤,包括确定控制方式、选择元件等。
并通过实例演示设计过程。
接触器联锁的正反转控制线路排故
①故障现象:电动机正反转均缺相,KM1、KM2线圈吸合均正常
可能出现故障原因:KM1、KM2 主电路回路中的共用回路有线路、
触点、熔丝或电机绕组损坏
实际故障点:L31#——L32#线路中的熔丝坏
②故障现象:电动机正转缺相,反转正常,KM1、KM2线圈吸合均
正常
可能出现故障原因:KM1主电路回路中U相的线路或触点损坏
实际故障点:KM1的L13#——FR的L13#线路开路
③故障现象:电动机正转正常,反转缺相,KM1、KM2线圈吸合均
正常
可能出现故障原因:KM2的主电路回路中V相的线路或触点损坏
实际故障点:KM2的L23#——FR的L23#线路开路
④故障现象:电动机正反转均无,KM1、KM2线圈均不吸合
可能出现故障原因:KM1、KM2线圈不得电,控制电路回路中的共
用回路有线路、触点或熔丝损坏
实际故障点:L22#——0#线路中熔丝坏
⑤故障现象:电动机正反转均无,KM1、KM2线圈均不吸合
可能出现故障原因:KM1、KM2线圈不得电,控制电路回路中的共
用回路有线路、触点或熔丝损坏
实际故障点:FR控制回路中的触点坏
⑥故障现象:电动机正反转正常,KM1、KM2线圈均吸合但电动机
无法停止
可能出现故障原因:控制回路中的SB1触点或SB1触点上下线路短
路
实际故障点:SB1触点短路
⑦故障现象:电动机无正转,反转正常,KM1线圈不吸合,KM2线
圈吸合正常
可能出现故障原因:电动机正转控制回路中的线路、触点或线圈损坏
实际故障点:SB2的4#——KM2的4#线路开路
⑧故障现象:电动机无正转,反转正常,KM1线圈不吸合,KM2线
圈吸合正常
可能出现故障原因:电动机正转控制回路中的线路、触点或线圈损坏
实际故障点:KM1线圈开路
⑨故障现象:电动机正转正常,反转点动,KM1线圈吸合正常,KM2
线圈吸合点动
可能出现故障原因:KM2控制回路无法自锁,自锁回路中有线路或
触点损坏
实际故障点:KM2的6#——KM1的6#线路开路
⑩故障现象:电动机正转正常,无反转,KM1线圈吸合正常,KM2
线圈不吸合
可能出现故障原因:电动机反转控制回路中的线路、触点或线圈损坏
实际故障点:KM2线圈开路