(完整版)电路图实物图电路故障
- 格式:doc
- 大小:1.10 MB
- 文档页数:10
数字电视机顶盒开关电源电路原理与故障检修。
康佳SDC950型数字电视机顶盒开关电源实绘电路如下图所示(C969原板标注为电容,实际安装的是一只电阻)。
开关电源电路N901(DM0265R)集成了PWM控制器、功率管及驱动、高压启动、稳压控制、保护等电路,①脚接地,②脚为工作电源输入端,③脚为输出电压反馈输入端,④脚为芯片内部功率管极限电流调整端(此机未用),⑤脚为启动电压输入端,6~8脚为芯片内部开关管漏极。
1、工作原理AC220V交流电经整流滤波后产生310V直流电压,一路经开关变压器T901的①-②绕组加到N901的⑥~⑧脚,为N901内部开关管提供高压;另一路经R904加到N901⑤脚,通过芯片内部启动电路对②脚外接的电容C908充电,当②脚电压达到12V启动阈值时,芯片内部功率管开始工作,同时内部电路关闭启动电源;T901的③-④绕组产生的高频电压经VD905整流、C908滤波后加到IC901②脚,为芯片提供工作电源。
开关电路工作后,T901次级产生的各路电压经整流滤波后为主板提供3.3V、7V、12V三种工作电压。
SR901、N902及周边元件组成稳压反馈电路,对3.3V输出电压进行取样后反馈到N901③脚,由芯片内部电路调整开关管的导通时间以保持输出电压的稳定。
正常工作时,实测②脚电压为8.8V。
当某种原因导致②脚电压低于8V或高于19V时,芯片将进入欠压/超压保护状态,整机不工作。
2、常见故障维修(1)主滤波电容C910失容。
当C910完全失容时,开机无任何反应,整机不工作。
此时测C910两端电压仅为210V;未完全失容时,有些机顶盒会出现间歇性工作或图像上有马赛克。
实修发现,C910失容后其外观并无明显异常,建议代换判断。
提示:电源芯片DM0256R 功率偏小,发热严重,且无散热片。
芯片附近的电路板大多已经烘烤变色,易导致引脚开焊或出现裂纹,从而使电源不能正常工作。
简单的做法是在6~⑧脚上大面积搪锡,以加强散热。
逻辑板的维修方法以及电路图-视显光电逻辑板又称控制板或T-CON 板,T-CON 是Timming Controller 的英文缩写,意思是时序控制电路。
目前国内的主要通用逻辑板生产商有视显光电。
CRT 电视已经有几十年的历史了,传统的CRT 电视是通过扫描的方式工作的,信号都是串行的,而现在的电视标准又是根据CRT 电视制定的,所以电视信号经电视机主板解码后输出的也是串行信号,我们知道液晶显示器是采用矩阵显示的方式工作的,处理的是并行信号,也就是说,如果将主板解码后的电视信号直接送往液晶显示器显示,液晶显示器是不能显示的。
必须有一个将串行信号转换为并行信号的装置,液晶显示器才能将电视信号显示出来,于是便有了T-CON 板,T-CON 板就是一个将串行信号转换为并行信号的装置。
主板输出的电视信号,在T-CON 板中,进行拆解、重新组合,最终形成液晶显示器的行驱动和列驱动需要的控制信号和数据信号。
一般的T-CON 板电路大致可以分为三大部分:信号处理电路(主IC 及其外围电路)、灰度形成电路(GMA 形成电路)、供电电路(DC/DC 电路)。
信号处理电路主要是将主板传输来的电视信号转换为液晶屏显示需要的控制信号、像素信号、辅助信号等;灰度形成电路主要是形成液晶显示器显示所需要的灰度信号(灰度可以使液晶屏的显示更有层次感,使显示更加丰富鲜明)。
供电电路主要是形成信号处理IC、行驱动和列驱动的供电电压以及TFT 的开关电压(TFT 开启电压VGH、TFT 关闭电压VGL)等。
T-CON 板常见故障及分析:1 显示画面颜色异常一般来说,液晶屏显示画面的颜色异常,与信号处理IC 有很大的关系,信号处理内部结构复杂,集成度高,很容易被静电和突发的强电压、大电流损坏。
大多数的画面异常是信号处理IC 损坏引起的。
IC 输出液晶屏显示需要的控制信号和像素信号,IC 损害后,控制信号无法完成对像素信号的有序排列,所以产生画面异常。
目录1 13.1 电路图识读说明 (2)13.2 图标符号 (6)13.3 诊断和维修方法说明 (8)13.4 保险丝、继电器 (15)13.5 线束及其连接器布置 (33)13.6接地点布置 (80)13.7电源配置 (92)13.8系统电路图 (101)13.9整体电路图 (303)13.10缩略语 (378)13.1 电路图识读说明2背光照明——①341 系统名称。
2 线束连接器编号。
本电路图册的线束连接器的编号规则以线束为基准,例如动力线束中的动力电池线束连接器编号为EP41 ,其中EP 为线束代码,41为连接器序列号。
下表为各代码代表的线束:如果导线为双色线,则第一个字母显示导线底色,第二个字母显示条纹色,中间用“/”分隔。
例如:标注为G/B 的导线即为绿色底黑色条纹。
Lg 浅绿色C天蓝色513 如果由于车型、配置不同而造成相关电路设计不同,在线路图中用虚线标示,并在线路旁添加说明。
14 如果电路线与线之间使用8字形标识,表示此电路为双绞线,主要用于传感器的信号电路或数据通信电路。
15 如果一个系统内容较多,线路需要用多页表示时,线路张图中有一条以上的线路转入下页,则分别以B、C 等字母表示,以此类推。
16 端子名称。
13.2 图标符号678故障诊断流程对于电路故障,按照以下步骤进行检查:1 确认客户所抱怨的内容为了正确的维修,确认客户所描述的故障现象。
仔细核查相关部件以确认故障现象并作好记录。
不允许在未确定故障范围及原因之前对部件进行分解工作。
2 电路图识读及原因分析根据子系统电路图对故障部件从电源到接地的整个电路进行分析、判断,确定维修操作方案。
如果无法确定维修操作方案,参考维修手册中的说明与操作中对该系统的描述,明白其工作原理。
同时需要检测与故障电路公用的其他电路,如在电路图上参考保险丝、接地、开关等公用的系统电路。
检测在步骤1未检查的公用电路。
如果公用电路中的其它部件工作正常,则故障就在本身电路上。
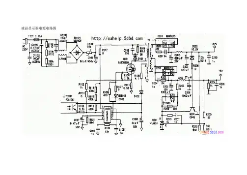
液晶显示器电源电路图220V交流市电通过交流保险管F101后进入由CXl01、LFl01等组成的抗干扰电路,经抗干扰电路处理后再进入BDl01进行整流。
为了防止瞬间大电流冲击,在整流后加入了THl01 NTC热敏电阻,最后经C101滤波生成约300V的直流电压。
从中可以看出,本电路不同于其他显示器开关电源的地方,一是THl01的位置不同(一般电路多设置在电源进线端),另一点就是未设置电源开关,从而决定了只要插头接人市电,整个开关电源电路就开始工作,这也恰恰是借助于FAN7601优良的“绿色”功能来实现的。
整流滤波电路产生的约300V直流电压分两路输入开关电源电路,一路经开关变压器T1的①一②绕组加到开关管Q101的漏极。
另一路通过启动电阻R117加到开关电源PWM控制器FAN7601的①脚,通过启动控制电路由⑦脚对外部电容c108充电,当C108两端电压上升到11V时,FAN7601内部振荡电路起振,从⑥脚输出驱动脉冲,通过D103、R106、R107加到Q101栅极,使开关管工作于开关状态。
开关变压器各绕组有感应电压产生,通过各整流滤波系统向负载提供直流电压。
其中开关变压器的③-④绕组产生感应电压经R105限流、D102滤波后向FAN7601的⑦脚提供芯片工作电压,第 1 页启动控制电路关断①脚的电流输入。
第 2 页在以往的开关电源维修中,尽管采用启动电阻功率比较大但依然是易损元件之一,而且发热量也比较大,实际上就是由于通电后启动电阻一直有电流通过的原因。
而在这款电源中,启动电阻却采用了一个0Ω的贴片元件,是明显区别于其他电路的,这里我们学习到新型“绿色电源芯片”内部都设有一个启动开关,一旦电源达到正常工作状况(启动过程结束),就会切断启动电阻器,这样便可省去一大部分的功率损耗。
其电路本身的故障率也接近于零该机稳压控制电路主要由U101、光电耦合器PC201、精密稳压器件U201(KIA431)及取样电阻R205、R211、R214、R210等组成。
开关电源电路图工作原理及维修详解析一、开关电源的工作原理开关电源就是采用功率半导体器件作为开关元件,通过周期性通断开关,控制开关元件的占空比来调整输出电压。
开关元件以一定的时间间隔重复地接通和断开,在开关无件接通时输入电源Vi通过开关S和滤波电路向负载RL提供能量,当开关S断开时,电路中的储能装置(L1、C2、二极管D组成的电路)向负载RL释放在开关接通时所储存的能量,使负载得到连续而稳定的能量.开关电源原理图VO=TON/T*Vi,VO 为负载两端的电压平均值,TON 为开关每次接通的时间,T 为开关通断的工作周期;由式可知,改变开关接通时间和工作周期的比例,VO间电压平均值也随之改变,因此,随着负载及输入电源电压的变化自动调整TON和T的比例便使输出电压VO维持不变。
改变接通时间TON和工作周期比例亦即改变脉冲的占空比,这种方法称为“时间比率控制”(TimeRationControl,缩写为TRC)。
按TRC控制原理,有三种方式:1、脉冲宽度调制(PulseWithModulation,缩写为PWM)开关周期恒定,通过改变脉冲宽度来改变占空比的方式。
2、脉冲频率调制(PulseFrequencyModulation,缩写为PFM)导通脉冲宽度恒定,通过改变开关工作频率来改变占空比的方式。
3、混合调制导通脉冲宽度和开关工作频率均不固定,彼此都能改变的方式,它是以上二种方式的混合。
二、开关电源的维修技巧和常见故障1、维修技巧开关电源的维修可分为两步进行:断电情况下,“看、闻、问、量” 看:打开电源的外壳,检查保险丝是否熔断,再观察电源的内部情况,如果发现电源的PCB板上有烧焦处或元件破裂,则应重点检查此处元件及相关电路元件.闻:闻一下电源内部是否有糊味,检查是否有烧焦的元器件.问:问一下电源损坏的经过,是否对电源进行违规操作.量:没通电前,用万用表量一下高压电容两端的电压先.如果是开关电源不起振或开关管开路引起的故障,则大多数情况下,高压滤波电容两端的电压未泄放悼,此电压有300多伏,需小心.用万用表测量AC电源线两端的正反向电阻及电容器充电情况,电阻值不应过低,否则电源内部可能存在短路。
电动车电源转换器电路图3845内部结构及引脚功能工作原理:本图是根据实物剖析而来,电源经D2、R1为IC1提供+12V左右的电压,6脚输出脉冲经C4和变压器耦合后驱动Q1振荡,当Q1导通后输出电流通过L经C9滤波后向负载供电,当Q1截止时,变压器式电感B3磁能转变为电能,其极性左负右正,续流二极管D4导通,电流通过二极管继续向负载供电,使负载得到平滑的直流,当输出电压过低或过高时,从电阻R11、R10、R9组成的分压电路中得到取样电压送到IC1 2脚与内部2.5V基准电压比较后控制Q1导通脉宽,从而使输出电压得到稳定。
当负载电流发生短路或超过8A时,IC1 3脚电压的上升会控制脉宽使Q1截止,以确保Q1的安全。
C8和R7构成振荡时间常数,本电路的振荡频率为65KHz,其计算公式为下:①误差放大器输出/补偿②电压反馈输入③电流取样输入④振荡电路时间常数⑤地⑥开关管驱动脉冲输出⑦电源⑧5V基准电压一般与振荡器相接这是低电平刹车线路图这是高电平刹车线路图以上两个就是电动车整车线路图(简易)电动车刹把原理详解刹把的作用就是当刹车时,控制器检测到刹车信号,无论在什么状态下都断开电机供电,分为:机械常开,机械常闭,电子常高,电子常低。
电子刹把是采用开关型霍尔元件的,所以有3条引线:电源(5V),信号,地。
在不刹车时有输出高低之分,所以叫常高,常低。
现在市场上常用电子常高刹把。
机械刹把的缺点是防水性能不好,长时间使用易发生接触不良,可靠性低,一般使用一年多,但价格便宜,电子刹把防水性能好,长时间使用不会有接触不良现象,但价格稍高,刹把有长线(1200MM)和短.(450MM)线之分,与不同车型配套使用。
电子刹把供电电压范围为:4.5V-24V(与电机霍尔电压相同)。
机械常开刹把和电子常高刹把都可以直接并联工作的(或门),而机械常闭刹把则串联工作(与门),电子常低刹把则用附加电路(电子开关线路)工作。
如何改刹把?电子刹把与机械刹把的区别就在于:电子刹把的刹车开关是由霍尔元件和磁钢组成的,其原理和无刷电机的霍尔一样,都是开关型的,霍尔元件靠感应磁钢的位置来输出高低电平信号,如捏住刹把后,霍尔元件和磁钢位置对应准确,输出高电平信号,信号驱动控制器内部的电子开关电路(NPN三极管组成),将转速信号与地旁路.还有一种是捏住后输出低电平信号,它驱动控制器内部由PNP三极管组成的电子开关电路,将转速信号与地旁路,机械刹把就很好理解了,内部就是一个常开开关,捏住刹把后开关闭合,将转速信号与地旁路,还有一种是常闭开关的刹把,因为现在市面上不常见了,就不介绍了,霍尔电子刹把的车子改为机械刹把的车子即把机械刹把的两根线(没有正负之分)其中一根线接信号线,另一根接负极线就可,红5V不用,其原理为:机械刹把两根线接在了控制器内部三极管(以常用的NPN电子开关电路为例)的集电极和负极上,因为集电极上就是控制器的转速信号经过的地方,即:机械刹把开关一闭合,就将转速信号与地(负极)旁路了.高电平:向控制器刹车线里面输入电压信号,控制器里面的电子开关导通,刹车动作。
液晶显示器电源电路图220V交流市电通过交流保险管F101后进入由CXl01、LFl01等组成的抗干扰电路,经抗干扰电路处理后再进入BDl01进行整流。
为了防止瞬间大电流冲击,在整流后加入了THl01 NTC热敏电阻,最后经C101滤波生成约300V的直流电压。
从中可以看出,本电路不同于其他显示器开关电源的地方,一是THl01的位置不同(一般电路多设置在电源进线端),另一点就是未设置电源开关,从而决定了只要插头接人市电,整个开关电源电路就开始工作,这也恰恰是借助于FAN7601优良的“绿色”功能来实现的。
整流滤波电路产生的约300V直流电压分两路输入开关电源电路,一路经开关变压器T1的①一②绕组加到开关管Q101的漏极。
另一路通过启动电阻R117加到开关电源PWM控制器FAN7601的①脚,通过启动控制电路由⑦脚对外部电容c108充电,当C108两端电压上升到11V时,FAN7601内部振荡电路起振,从⑥脚输出驱动脉冲,通过D103、R106、R107加到Q101栅极,使开关管工作于开关状态。
开关变压器各绕组有感应电压产生,通过各整流滤波系统向负载提供直流电压。
其中开关变压器的③-④绕组产生感应电压经R105限流、D102滤波后向FAN7601的⑦脚提供芯片工作电压,启动控制电路关断①脚的电流输入。
在以往的开关电源维修中,尽管采用启动电阻功率比较大但依然是易损元件之一,而且发热量也比较大,实际上就是由于通电后启动电阻一直有电流通过的原因。
而在这款电源中,启动电阻却采用了一个0Ω的贴片元件,是明显区别于其他电路的,这里我们学习到新型“绿色电源芯片”内部都设有一个启动开关,一旦电源达到正常工作状况(启动过程结束),就会切断启动电阻器,这样便可省去一大部分的功率损耗。
其电路本身的故障率也接近于零该机稳压控制电路主要由U101、光电耦合器PC201、精密稳压器件U201(KIA431)及取样电阻R205、R211、R214、R210等组成。
第8章 车身电气系统注意: 当正文中出现“如果配备”,则该车辆可能或者没有配备那个装置,这取决于车型或规定的标准。
目录 组合仪表及传感器 ......................................... 8- 2 组合仪表电路 ............................................ 8- 2 故障诊断 .................................................... 8- 3 车速里程表和传感器 .................................. 8- 4 燃油表和油量计组件 ................................ 8- 5 发动机冷却液温度表和传感器组件 ........ 8- 6 油压灯 ........................................................ 8- 7 制动警告灯 ................................................ 8- 8 点火开关钥匙遗忘警告 蜂鸣器(如配备) .................................... 8- 9 灯未关的蜂鸣器 ........................................ 8-10 组合开关 ........................................................ 8-11 照明系统 ........................................................ 8-12 前大灯 ........................................................ 8-12 前大灯光束调整系统(如配备) ............ 8-15 转向信号和危险警告灯 ............................ 8-16 位灯和牌照灯 ............................................ 8-17 倒车灯 ........................................................ 8-17 制动灯 ........................................................ 8-17 后雾灯 ........................................................ 8-18 点烟器 ............................................................. 8-18 后车窗除霜器 ............................................... 8-19 风窗刮水器 .................................................... 8-21 前刮水器和洗涤器 .................................... 8-21 后刮水器和洗涤器 .................................... 8-25 电动车窗控制系统(如配备) ................ 8-27 电动门锁控制系统(如配备) ................ 8-28 无钥匙进入系统(如配备) .................... 8-31接地点 ................... 参见8A章(整车电气系统) 电路图 ................... 参见8A章(整车电气系统) 警告: 适用于装有辅助约束(安全气囊)系统的车辆 l 对安全气囊系统的部件或线路进行检修及对其外围部件或线路进行维修操作,应由昌铃公司授权的经销商或维修网点负责。
锦绣前程学校锦绣前程·班组课教师辅导讲义Where there is a will, there is a way!学生姓名: 年 级: 九年级 老 师: 连 骥 上课日期: 上课时间: 课 次:课题:电流、电路【学习目标】: 知识点、考点:1、正确理解电路图2、探究串、并联电路3、熟练掌握电路图与实物图的转换4、会解决生活中串并联电路的实际问题【知识网络详解】一、电路①电源:能够提供电流的装置,或把其他形式的能转化为电能的装置。
由电源、用电器、导线和开关等元件所组成的电流路径,叫做电路。
②用电器:定义:用电来工作的设备。
工作时:将电能—→其他形式的能。
③开关:控制电路的通断。
④导线:输送电能解读:短路和局部短路的区别。
前者是导线不经过用电器直接跟电源两极相连的电路,后者是将一根导线直接与用电器的两端并联,若电路中还有其他用电器,不会造成电源短路,这种电路为局部短路。
局部短路时被短路的用电器中几乎无电流通过,这个用电器将不再起作用也不会被损坏.电路中其他用电器工作时电流将增大。
名称 通路断路 短路概念 处处连通的电路在某处断开的电路导线不经过用电器直接跟电源两极相连的电路现象用电器中有电流通过 用电器中无电流通过电流很大,电源和导线因发热过多而被烧坏二、电路图:用规定的符号表示电路连接的图叫做电路图。
电源是在电路中提供电能的设备,是电路中形成持续电流的必要条件。
电路中的各种用电设备统称用电器,它是消耗电能把电能转化为其他形式能的装置。
导线传输电能。
开关可以接通或切断电路。
电路图与实物图转换专项练习:一、选择题1.如下图的四个电路中与下边的图对应的是()2.如图7(a)所示的实物图.与图7(b)所示电路对应的是()3.如图所示的四个电路图中,与实物图对应的是()4.以下电路图中与图实物图一致的是()5.小轿车上大都装有一个指示灯,用它来提醒司机车门是否关好。
四个车门中只要有一个车门没关好(相当于一个开关断开),该指示灯就会发光。
图为几位同学设计的模拟电路图,你认为最符合上述要求的是()6.家用电冰箱的用电部分主要是电动压缩机和照明灯泡。
其中,电动压缩机M受温控开关S1的控制,照明灯泡L受门控开关S2的控制,要求它们既能单独工作又能同时工作。
图中是几个同学设计的家用电锦绣前程学校冰箱的电路图,其中符合要求的是()7.某大门控制电路的两把钥匙分别由两名工作人员保管,单把钥匙无法打开。
图的电路中最为可行的是()8.教室里投影仪的光源是强光灯泡,发光时必须用风扇给予降温。
为了保证灯泡不被烧坏,要求:带动风扇的电动机启动后,灯泡才能发光;风扇不转,灯泡不能发光。
则在如图所示的四个电路图中符合要求的是()9.为保证司乘人员的安全,轿车上设有安全带未系提示系统。
当乘客坐在座椅上时,座椅下的开关S1闭合,若未系安全带,开关S2断开,仪表盘上的指示灯将亮起;当系上安全带时,开关S2闭合,指示灯熄灭。
下列设计最合理的电路图是()10.楼道里,夜间只是偶尔有人经过,电灯总是亮着会浪费电能。
科研人员利用光敏材料制成“光控开关”,天黑时自动闭合,天亮时自动断开。
利用声敏材料制成“声控开关”,当有人走动发出声音时,自动闭合,无人走动没有声音时,自动断开。
若将这两个开关配合使用(如图),就可以使楼道灯变得“智能化”,这种“智能”电路正确的是:()11.如图所示,电冰箱内有一个通过冰箱门来控制的开关,当冰箱门打开时,开关闭合使冰箱内的照明灯点亮;当冰箱门关闭时,开关断开使冰箱内的照明灯熄灭。
在图4的四个电路中,能正确表示冰箱开门状态下冰箱内照明电路的是:()二、作图题12.按图所示的实物图画电路图:13.根据电路图连接实物图:14.根据图中所示的电路图连接右图中的实物图,要求导线不允许交叉,元件要与电路图对应.15.根据实物图画出电路图;16.按照图1所示的电路图,将图2中各元件连接起来。
(用笔画线表示导线,导线不许交叉)19.按图所示的实物连接图,画出电路图:由电路图连实物图锦绣前程学校电路故障分析方法1. 电路故障是指电路连接完成通电时,整个电路或部分电路不能正常工作。
△产生电路故障的主要原因有:①元件本身存在问题,如元件内部开路、短路;②电路导线接触不良或断开等;③连接时选用的器材不当(如R1>>R2);④连接错误。
2. 电灯故障分析方法先分析电路连接方式,再根据题给条件确定故障是断路还是短路:(1)两灯串联时,如果只有一个灯不亮,则此灯一定是短路了;如果两灯都不亮,则电路一定是断路了;(2)两灯并联,如果只有一灯不亮,则一定是这条支路断路;如果两灯都不亮,则一定是干路断路;※在并联电路中,故障不能是短路,因为如果短路,则电源会烧坏。
3. 电表示数变化故障分析方法(1)首先正确分析电路中电压表,电流表的测量对象,根据电表示数变化情况并结合串并联电路的特点分析电路故障原因。
(2)电压表串联接入电路中时,该部分电路断路,但电压表有示数。
此时与电压表串联的用电器视为导线。
串联电路:①电压表示数变大,一是所测用电器断路,电压表串联在电路中,二是另一个用电器短路;②电压表示数变小(或为0),一种情况是所测电阻短路,另一种情况是另一个用电器断路;③电流表示数变大,一定有一个用电器短路;④电流表示数变小(或为0),一是电压表串联在电路中,二是电路断路。
并联电路:①电压表示数变为0,一定是干路断路路;②支路电流表示数变为0,一定是该支路断路;③干路电流表示数变为0,一定是干路断路。
小结在测量小灯泡电阻的实验中常出现的电路故障现象及其故障原因如下表:故障原因故障表现小灯泡短路电流表示数偏大,电压表无示数,小灯泡不亮小灯泡断路电压表示数接近电源的电压,电流表无示数,小灯泡不亮滑动变阻器“上上连接”电路中电流不能改变,电压表的示数为电源的电压,灯泡很亮,也可能烧坏灯泡,滑动变阻器失去作用滑动变阻器“下下连接”电路中电流很小,且不能改变,灯泡较暗或不亮,滑动变阻器失去作用电流表和电压表颠倒电压表的示数接近电源电压,灯泡不亮,电流表无示数滑动变阻器断路电压表和电流表都没有示数,小灯泡不亮1.如图,开关S闭合后,灯L1发光,L2不发光,电压表有示数.该同学将电压表改接到BC两点,发现电压表无示数.产生这种现象的原因是()A.灯L2的灯丝断了 B.开关S处开路 C.BC段之间发生短路 D. AB段之间发生短路2.(在如图所示的电路中,电源电压不变.闭合开关后,电路正常工作,一段时间后,发现其中一个电压表示数变大,则()A.灯L可能变亮 B。
灯L可能短路 C。
电阻R可能断路 D。
电阻R可能断路3.如图闭合开关,灯L1、L2不发光,电压表示数接近电源电压,已知电路中只有一处故障,原因可能会是()A.L1短路B.L1断路 C.L2短路D.L2断路4.如图所示的电路中,电源电压为3V,当开关S1,S2都闭合时,则()A.电压表被烧 B.电流表将被烧坏 C.灯L1亮,灯L2不亮 D.两只灯泡都将被烧坏5.某同学在学习家庭电路时,安装了两盏额定电压均为220V的完好的白炽灯(甲和乙)和两个插座如图所示,如果两个插座均未连入家用电器,将电路的开关全部闭合,保险丝未熔断,那么各用电器工作的情况是()A.甲、乙都正常工作 B.只有乙正常工作 C.甲、乙都不正常工作 D.只有甲正常工作第1题第2题第3题第4题第5题6.将两个灯泡L1、L2串联后接入电路中,如图所示.接通电路后发现L1亮L2不亮.则下列判断正确的是()A.可能L2断路B.可能L2短路C.可能L2的电阻太小D.可能L2的电阻太大7.如图所示的电路中,电源电压保持不变.闭合电键S后,电路正常工作.过了一会儿,电流表示数变大,电压表与电流表的比值变小,则下列判断中正确的为()A.灯L断路,电压表示数变小 B.灯L短路,电压表示数变大C.电阻R断路,灯L变暗 D.电阻R短路,灯L变亮8.在如图所示电路中,电源电压不变.闭合开关S,电路正常工作.过了一会儿,电压表和电流表示数的比值变小.下列说法中正确的是()A.灯L一定发生断路 B.灯L可能发生短路 C.电流表示数可能变为 D电阻R一定发生短路9.如图所示是小宁同学为 LED多功能充电风扇设计的控制电路图,电路中有两个控制开关,其中开关S1只控制应急照明LED灯L,开关S2只控制电风扇M,下列的四个电路图中,符合上述要求的是()第6题第7题第8题10.如图所示,只闭合开关S时,两灯均不亮,同时闭合开关S和S1时,灯L1亮,L2不亮,电路可能出现的故障是()A.灯L1短路B.灯L2短路C.灯L1断路 D.灯L2断路11.如图所示,当开关S闭合后,两只灯泡都发光,两表均有示数.过一段时间后,发现其中一只灯泡熄灭,两表示数都不变,造成这种情况的原因可能是()锦绣前程学校A.灯L1断路 B.灯L2短路 C.灯L2断路 D.灯L1短路第10题第11题第12题第13题12.如图所示,电源电压为6V,开关闭合后,L1、L2都不发光,而伏特表的示数为6伏特,电路的故障可能是()A.L1短路 B.L2短路 C.L1断路 D.L2断路13.某同学在进行实验时,连接好如图所示的电路.当开关S1、S2均闭合时,却发现仅有L2发光.产生这一故障的原因是()A.电源两极跟电路接触不好 B.连接S2的导线头松脱 C.连接L1的导线头松脱 D.连接L2的导线头松脱14.小明在探究“串联电路中电压的规律”时,电路连好后(如图),闭合开关,两灯均不亮、经检查,电路连接无误,老师告诉他是一个小灯泡坏了.小明仔细想了想后,用下列方法进行了判断,其中判断正确的是()A.把一根导线连接在AB两点,若L1灯亮,则表示L2灯坏B.把一只电压表并接在BC两点,若电压表无示数,则表示L2灯坏C.把一只电流表并接在AB两点,若电流表无示数,则表示L1灯坏D.把一只小灯泡并接在BC两点,若L1灯亮,则表示L2灯坏第15题第16题第17题第18题15.如图所示的电路中,已知电源电压为6V,且保持不变,当开关S闭合后,发现一只灯泡发光,电压表的示数为6V,存在这一现象的原因可能是()A.灯L1短路B.灯L2短路 C灯L1断路 D灯L2断路16.如图所示,闭合开关S时,灯 L1和 L2都不亮,用一段导线的两端接触a,b两点时,两盏灯都不亮;接触b,c两点时,两盏灯都不亮;接触c,d两点时,两盏灯都亮,故障原因可能是()A.开关接触不良 B.灯 L1断路C灯 L2断路D.灯 L2短路17.某同学接好如图所示的电路后,合上开关S1S2,发现灯L1不亮,灯L2亮,则下列原因分析中不可能的是()A.L1灯丝断了 B. S1接触不良C灯L1接触不良 D.S2接触不良18.如图所示的电路中,开关闭合后,只有乙灯亮甲灯不亮的原因是()A.电池接触不良 B.甲灯的灯丝断了 C甲灯被短路 D开关接触不良第19题第20题第21题第22题19.如图所示电路,闭合开关S后,发现灯L1亮,L2不亮.此电路的故障可能是()A.开关S接触不良 B.电灯L1灯丝断了 C.电灯L1短路 D.电灯L2接触不良20.在图所示的电路中,电源电压为6V,开关闭合后,电灯L1、L2均不发光.用电压表逐段测量,结果是:Uab=0V,Ubc=0V,Ucd=6V.由此可以判断此电路的故障可能是()A.电路的aL1b部分发生断 B.电路的dL2c部分发生断路C.电源部分发生短路 D.电源与L1部分之间发生断路。