LXSY-15-50直读远传水表
- 格式:doc
- 大小:57.00 KB
- 文档页数:2
lxs-15水表计量范围水表作为水资源管理的重要工具,用于准确测量和计量水的使用量。
lxs-15水表是一种常见的水表型号,其计量范围是指该水表能够准确测量和计量的水的使用量的范围。
下面将详细介绍lxs-15水表的计量范围及相关信息。
lxs-15水表是一种体积式水表,采用了机械计量原理,通过测量水流经过的体积来计算出水的使用量。
其计量范围通常以最小流量和最大流量来表示。
最小流量是指在最小流量工况下,lxs-15水表能够准确测量和计量的水的使用量。
最小流量通常是指水流通过水表时的流速较低的情况,例如家庭使用水量较小时或水龙头只有微弱水流时。
lxs-15水表的最小流量范围通常在0.05立方米/小时左右。
最大流量是指在最大流量工况下,lxs-15水表能够准确测量和计量的水的使用量。
最大流量通常是指水流通过水表时的流速较高的情况,例如家庭使用大量水时或水龙头全开时。
lxs-15水表的最大流量范围通常在3立方米/小时左右。
除了最小流量和最大流量外,lxs-15水表还有一个额定流量范围。
额定流量是指在正常使用情况下,lxs-15水表能够准确测量和计量的水的使用量。
额定流量通常是指家庭正常使用水量的范围,例如洗漱、洗衣、洗碗等日常生活用水。
lxs-15水表的额定流量范围通常在1.5立方米/小时左右。
需要注意的是,lxs-15水表的计量范围是根据其设计和生产工艺来确定的,不同厂家生产的lxs-15水表可能会有些许差异。
因此,在选购和使用lxs-15水表时,应注意查看产品的技术参数和说明书,以确保其适用于实际使用场景。
除了计量范围外,lxs-15水表还有其他一些重要的技术指标,例如精度等级、脉冲输出等。
精度等级是指水表测量结果与真实使用量之间的偏差程度,通常以百分比表示。
lxs-15水表的精度等级通常在R80-R100之间,即测量结果与真实使用量的偏差在-20%到+20%之间。
脉冲输出是指水表在测量过程中产生的脉冲信号,用于远程监测和计量。
埃美柯集团宁波时代仪表有限公司产品手册PRODUCT CATALOG 宁波时代仪表有限公司NINGBO SHIDAI INSTRUMENT CO.,LTD.400-808-8886时代仪表生产的“埃美柯”牌商标为中国著名商标,以及“最具市场竞争力品牌”。
“管理有心、生产用心、品质尽心、交货放心、服务贴心、客户安心”是我们长期奉行的经营理念,致力于高品质、高档次的新品开发是我们持之以恒的努力方向,以精良的品质和服务,最佳的性价比去赢得更多消费者的青睐。
埃美柯让⼈们⽣活更为美好。
注:使用时信号线应接一个上拉电阻,阻值为几K到几百K,功率为1/4W。
阻值越大,霍尔元件功耗越小。
一般选4.7K。
型号 公称口径LXHF-8直饮冷水水表暖通阀工作参数▲Ⅱ型▲Ⅰ型工作电压:2.55V~3.66V 本产品是将NB-IOT物联网通讯技超薄、小巧、大屏幕100%现场保护同时运行多个独立程序,16M的快闪内存4种通讯接口主要技术参数公称口径mm 准确度等级常用流量 Q3Q/Q=8031Q/Q=1.6213m/h10 2.5系统架构图智能抄表系统自来水公司燃气公司电力公司大型物业管理公司小区B小区A公共电话网/GPRS INTERNET 互联网集中器接连线无电力载波节点电力载波节点电力线采集器采集器扩展网表单元表单元表单元(每条扩展网总线传输距离可达300米)(每条扩展网总线传输距离可达300米)(每条扩展网总线传输距离可达300米)红外抄表节点手抄器扩展网扩展网表单元(每条扩展网总线传输距离可达300米)扩展网表单元表单元表单元表单元表单元扩展网(每条扩展网总线传输距离可达300米)采集器采集器RS485/M-BUS总线离距输传线总干主条每个04接可米0021达可器继中网干主网继中中继器扩展网网干主网继中(每条中继总线传输距离可达300米)主控机:在各公司主控机上安装智能抄表系统管理软件,由该系统软件发出抄表指令,集中器做出相应的响应,完成抄表任务。
旋翼湿式水表小口径冷水表→LXS 15C-50C, LXS 15E-50E 旋翼湿式水表示值误差值在从包括q min在内到不包括q t在低区中的最大允许误差为±5%在从包括q t在内到包括q s的高区中的最大允许误差为±2%使用条件工作水温不高于50℃工作压力不大于1Mpa主要技术参数水表代号 N 公称口径MM(DN)计量等级过载流量(q s)常用流量分界流量(q t)最小流量(q min)最小读数最大读数m3/h m3N1.5 15 A3 1.50.15 0.060.0001 9999B 0.12 0.03N2.5 20 A5 2.50.25 0.100.0001 9999B 0.20 0.05N3.5 25 A7 3.50.35 0.140.0001 9999B 0.28 0.07N6 32 A12 6.00.60 0.240.001 99999B 0.48 0.12N10 40 A20 101.00 0.400.001 99999B 0.80 0.20N15 50 A30 154.50 1.200.001 99999B 3.00 0.45外型尺寸及重量水表代号N 公称口径MM(DN)长宽高连接螺纹D重量kgmmN1.5 15 165 99 104 G3/4B 1.5N2.5 20 190 99 106 G1B 1.7N3.5 25 225 104 120 G11/4B 2.4N6 32 230 104 120 G11/2B 2.7N10 40 245 125 150 G2B 4.5N15 50 280 158 175 D=165 D1=125 14.0旋翼干式磁传水表小口径冷水表→LXSC-15E-20E 旋翼干式水表特点1.干式2.多流束3.磁性流动4.计数器采用真空密封防冷凝雾化,可长期保持读数清晰5.防磁示值误差值在从包括q min在内到不包括q t的低区中的最大误差为±5%在从包括q t在内到包括q s的高区中的最大允许误差为±2%使用条件工作水温不高于50工作压力不大于1Mpa要技术参数水表代号N 公称口径 MM(DN)计量等级过载流量(q s)常用流量(q p)分界流量(q t)最小流量(q min)最小读数最大读数m3/h m3N1.5 15 A3 1.50.15 0.060.0001 9999B 0.12 0.03N2.5 20 A5 2.50.25 0.100.0001 9999B 0.20 0.05N3.5 25 A7 3.50.35 0.140.0001 9999B 0.28 0.07N6 32 A12 6.00.60 0.240.001 99999B 0.48 0.12N10 40 A20 101.00 0.400.001 99999B 0.80 0.20N15 50 A30 154.50 1.200.001 99999B 3.00 0.45外型尺寸及重量水表代号N 公称口径MM(DN)长宽高连接螺纹D重量kgmmN1.5 15 165 99 104 G3/4B 1.5 N2.5 20 190 99 106 G1B 1.7 N3.5 25 225 104 120 G11/4B 2.4 N6 32 230 104 120 G11/2B 2.7 N10 40 245 125 150 G2B 4.5N15 50 280 158 175 D=165D1=12514.0旋翼立式水表小口径冷水表→LXSL15E-25E 旋翼立式水表示值误差限在从包括q min在内到不包括q t的低区中最大允许误差为±5% 在从包括q t在内到包括q s的高区中的最大允许误差为±2% 使用条件工作水温不高于50℃工作压力不大于1Mpa主要技术参数外型尺寸及重量旋翼干式水表小口径冷水表→LXSC-15E-50E 旋翼干式水表用途:用来测量流经自然水管道饮用冷水的总量。
水表型号水表产品型号的组成一般如下第一位 第二位 第三位 第四位 第一位 第二位 第三位 第四位第一节第二节第一节用大写的汉语拼音字母表示,其中第一位是产品所属的大类,即水表归属的流量仪表类别,用“L ”表示,第二位是产品所属的小类,即水表,用“X ”表示,第三、四位表示该产品的工作原理、结构、功能、特点等。
第二节用阿拉伯数字和字母表示,反映水表的公称口径、指示装置型式和产品的设计顺序号(旋翼式水表)等。
本公司产品命名规定如下:一、 水表型号的组成设计序号 结构特点 公称口径 原理分类所属小类代号 所属大类代号 二、 第一节字母的含义1、 一位:“L ”流量仪表2、 第二位:“X ”水表4、第四位:G-干式水表三、第二节字母的含义1、第一、二位:公称口径(公称口径大于二位的则第一、第二、第三位)2、第三、四位:(公称口径大于二位的则第四、第五位)C-整体叶轮指针式水表E-字轮、指针组合式水表F-液封式水表K-IC卡式水表EV-电子远传式水表Z-复合水表四、末位(阿拉伯数字):设计序号五、水表名称及型号表14 表(基表双干簧管机电转换,并射频卡型式)20 LXS-20K4 25 LXS-25K415 旋翼干式电子远传冷水水表(干簧管机电转换型式)15 LXSG-15EV20 LXSG-20EV25 LXSG-25EV40 LXSG-40EV50 LXSG-50EV16 旋翼干式电子远传冷水水表改型后(干簧管机电转换型式)15 LXSG-15EV220 LXSG-20EV225 LXSG-25EV217 旋翼干式电子远传冷水水表(读电15 LXSG-15EV320 LXSG-20EV3一、 系统型号的组成第一节 第二节系统型式二、 字母的含义1、 第一节:K ——IC 卡水表控制系统 EV ——电子远传水表系统KV ——配装电子远传水表的IC 卡水表控制系统 2、 第二节:设计序号(阿拉伯数字表示)。
1.前言本企业生产制造的电子式水表采用旋翼式多流束基表,适用于单向、非脉冲水流。
产品符合国家标准GB/T 778-2007《封闭满管道中水流量的测量饮用冷水水表和热水水表》,和建设部标准CJ/T 224-2012《电子远传水表》。
主要用于企事业单位及居民小区用水、农村水网改造等计量与管理工作,并为其合理收费提供科学的、定量的依据。
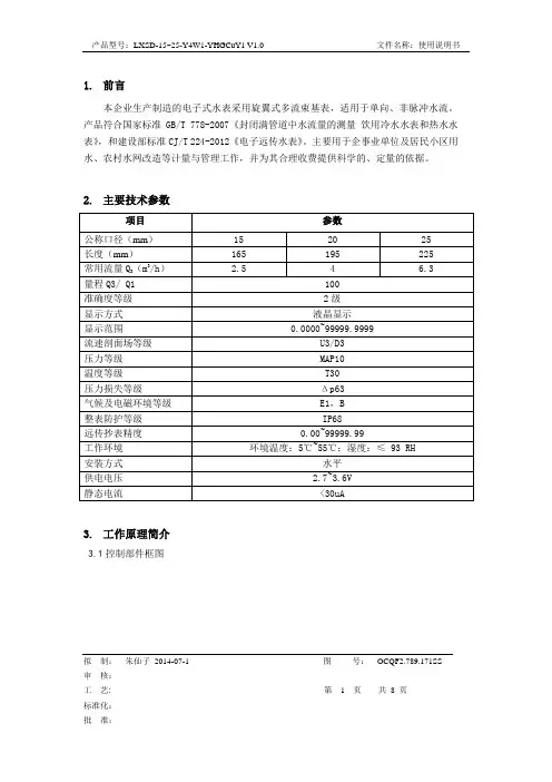
2.主要技术参数3.工作原理简介3.1控制部件框图拟制:朱仙子2014-07-1 图号:OCQF2.789.171SS审核:工艺: 第 1 页共8 页标准化:3.2 组成说明整个电子式水表由基表部件、表头部件两个部分组成。
表头部件通过内部的采样电路采集基表部件中的数据信息,经过处理器处理后,把数据存储到外部的存储器中。
并可通过红外通讯或者有线远传的方式把数据传到主站系统。
4.主要功能特点1)计量灵敏度高、始动流量小、计量范围宽;2)高精度正向走水计量,反向走水记录;3)CJ/T 188-2004协议,远程M-bus及本地红外通讯;4)精准、全面的数据信息显示;5)丰富的事件记录;6)最高八个阶梯费率;7)可靠的数据存储管理,表内数据永久存储;8)本地红外及远程通讯校时。
5.使用说明5.1液晶显示5.1.1液晶视图拟制:朱仙子2014-07-1 图号:OCQF2.789.171SS审核:工艺: 第 2 页共8 页标准化:拟 制: 朱仙子 2014-07-1 图 号: OCQF2.789.171SS 审 核:工 艺: 第 3 页 共 8 页 标准化::阶梯费率,根据用户用水量,表示处于哪一阶梯;:叶轮正转指示标志;:叶轮反转指示标志;:当前总用水量;:当年用水量;:当月用水量;:数据区,可显示用量、日期、时间、阶梯费率、用户信息和版本信息等;当显示总用量的时候,为5位整数,4位小数;:金额单位,当显示本次购买金额、剩余金额或者阶梯费率时配合数据区显示;:水量单位,当显示总累积流量、正向累积流量、反向累积流量、当月用量、当年用量时配合数据区显示;:单位,和配合,显示流速:;:厂内状态标志,生产时可以直观的显示该表是否已经经过调校,可以出厂;:电池电量不足报警标志;电池欠压时,该标志常显,当严重欠压时,该标志闪烁;:指示阀门处于开启状态;:指示阀门处于关闭状态;:阀门动作超时后仍然检测不到到位堵转;:连续24小时检测到水流时,则管道可能存在破损,显示此标志;:当有磁干扰时,显示;断线:当水量传感器断线、损坏或受磁干扰时显示。
光电远传水表产品说明书使用前请仔细阅读说明书一、概述.直读式远传水表是对日常用水的实际需要,自行研制的一款便于远程抄表及控制的直读式远传水表,光电直读原理在字轮上留有过光孔,在字轮一侧面安装发光管,另外一侧安装光敏管。
发光管通电后发出的光线通过光孔照射到光敏管上,由光敏管进行光电转换,获取相应的信号点位。
过光孔与每组光管的数量是经过严格计算后进行设计的,转动字轮,在对数0-9各个位置上,获取光线的光敏位置及数量都不相同,由此进行编码。
它采用M-BUS∕RS485总线方式通讯,实现水表使用水量的远程直读,有效地避免了管理部门上门抄表。
本产品还具备阀门控制功能(可选),方便管理部门对直读式远传水表的用水情况进行管理、控制,使得远程抄表及控制变得更便捷、可靠。
本直读式远传水表,符合GB/T778-2018《封闭满管道中水流量的测量饮用冷水水表和热水水表》和CJ/T224-2012《电子远传水表》的技术要求。
通信规约遵循CJ/T188-2004《户用计量仪表数据传输技术条件》或DL/T645-1997《多功能电能表通信协议》的要求。
二、性能特点1.由于直接读取字轮数据,没有累计读数误差,机械读数和电子读数保持完全一致,不存在因累计误差或水表倒转而引起两者读数不一致的情况;2.采用低功耗设计,只有读数时才需供电。
3.采用先进的数据编码及校验方式,通讯可靠性高。
4.与上位机系统相结合,建立远程自动抄表管理系统,真正实现抄表及管理自动化。
5.电子读数装置不影响原来一次仪表的计量精度。
6.每个表有唯一的地址编码,总线制连接,布线简单。
7.带阀控的直读式远传水表还可以通过管理软件远程控制水表阀门的开、关。
三、主要技术参数A.精度等级为2级,采用标准:CJ224-2012电子远传水表B.最大允许误差:在从包括最小流量(q min)在内到不包括分界流量(q t)的低区中的最大允许误差为±5%,在从包括分界流量(q t)在内到包括过载流量(q s)的高区中的最大允许误差为±2%C.最大允许压力:1.6MPaD.CPU供电电压3.6V或3V锂电池(以具体功能为准)E.流量参数:以国标为准F.压力损失等级:△p63G.IP等级:IP68。
各种水表参数Final revision by standardization team on December 10, 2020.旋翼湿式水表小口径冷水表→LXS 15C-50C, LXS 15E-50E 旋翼湿式水表示值误差值在从包括qmin 在内到不包括qt在低区中的最大允许误差为±5%在从包括qt 在内到包括qs的高区中的最大允许误差为±2%使用条件工作水温不高于50℃工作压力不大于1Mpa主要技术参数B25A79999 BN632A1299999 BN1040A201099999 BN1550A301599999 B外型尺寸及重量水表代号N 公称口径MM(DN)长宽高连接螺纹D重量kgmm1516599104G3/4B2019099106G1B25225104120G11/4BN632230104120G11/2B旋翼干式磁传水表小口径冷水表→LXSC-15E-20E 旋翼干式水表特点1.干式2.多流束3.磁性流动4.计数器采用真空密封防冷凝雾化,可长期保持读数清晰5.防磁示值误差值在从包括qmin 在内到不包括qt的低区中的最大误差为±5%在从包括qt 在内到包括qs的高区中的最大允许误差为±2%使用条件工作水温不高于50工作压力不大于1Mpa要技术参数BN1040A201099999 BN1550A301599999 B外型尺寸及重量水表代号N 公称口径MM(DN)长宽高连接螺纹D重量kgmm1516599104G3/4B2019099106G1B25225104120G11/4BN632230104120G11/2BN1040245125150G2BN1550280158175D=165 D1=125旋翼立式水表小口径冷水表→LXSL15E-25E 旋翼立式水表示值误差限在从包括qmin 在内到不包括qt的低区中最大允许误差为±5%在从包括qt 在内到包括qs的高区中的最大允许误差为±2%使用条件工作水温不高于50℃工作压力不大于1Mpa主要技术参数(DN)15A39999 B20A59999 B25A79999 B外型尺寸及重量水表代号公称口径长宽高连接螺纹重量N mm mm D kg 1513590120G3/4B2015090120G1B25160100130G11/4B旋翼干式水表小口径冷水表→LXSC-15E-50E旋翼干式水表用途:用来测量流经自然水管道饮用冷水的总量。
旋翼湿式水表小口径冷水表→LXS 15C-50C, LXS 15E-50E 旋翼湿式水表示值误差值在从包括q min在内到不包括q t在低区中的最大允许误差为±5%在从包括q t在内到包括q s的高区中的最大允许误差为±2%使用条件工作水温不高于50℃工作压力不大于1Mpa主要技术参数水公称口计过载常分界最小流最最大BN1550A301599999 B外型尺寸及重量水表代号N 公称口径MM(DN)长宽高连接螺纹D重量kgmm1516599104G3/4B 2019099106G1B 25225104120G11/4BN632230104120G11/2B N1040245125150G2BN1550280158175D=165D1=125旋翼干式磁传水表小口径冷水表→LXSC-15E-20E 旋翼干式水表特点1.干式2.多流束3.磁性流动4.计数器采用真空密封防冷凝雾化,可长期保持读数清晰5.防磁示值误差值在从包括q min在内到不包括q t的低区中的最大误差为±5%在从包括q t在内到包括q s的高区中的最大允许误差为±2%使用条件工作水温不高于50工作压力不大于1Mpa要技术参数B20A59999 B25A79999 BN632A1299999 BN1040A201099999 BN1550A301599999 B外型尺寸及重量旋翼立式水表小口径冷水表→LXSL15E-25E 旋翼立式水表示值误差限在从包括q min在内到不包括q t的低区中最大允许误差为±5%在从包括q t在内到包括q s的高区中的最大允许误差为±2%使用条件工作水温不高于50℃工作压力不大于1Mpa主要技术参数水表代号公称口径计量等级过载流量(q s)常用流量(q p)分界流量(q t)最小流量(q min)最小读数最大读数N MM(DN)m3/h m315A39999 B20A59999 B25A79999 B外型尺寸及重量水表代号公称口径长宽高连接螺纹重量N mm mm D kg1513590120G3/4B2015090120G1B25160100130G11/4B旋翼干式水表小口径冷水表→LXSC-15E-50E 旋翼干式水表用途:用来测量流经自然水管道饮用冷水的总量。
一、用途及适用范围本企业生产制造的LXSZ(R)-15/20型IC卡智能水表是以旋翼式多流束水表(铜壳)为基表,适用于单向、非脉冲水流。
产品性能指标符合GB/T 778.1-1996《冷水水表》国家标准和CJ/T 133-2001《IC卡冷水水表》建设部标准,热水水表还符合JB/T 8802-1998《热水水表》机械部标准。
主要用于住宅和企事业用水的计量与收费工作,热水水表独有的热量测量功能○1可以为合理收费提供科学的、定量的依据,是自来水公司和房产物业公司等自来水收费管理部门现代化管理的理想计量收费器具。
注:LXSZ型为IC卡智能冷水水表;LXSZR型为IC卡智能热水水表(包括具备热量测量功能和不具备热量测量功能两种热水水表)。
二、功能及特点✧一户一卡✧具有预付费功能✧电子采样,计量准确、精确度高、性能稳定、安全可靠✧LCD汉字显示功能✧具有余量不足报警功能✧具有防窃水功能✧具有电池欠压保护功能✧具有阀门自动维护功能✧具有数据回抄功能✧具有赊欠功能✧多种事件记录功能,12个月用水量、最近100天用水量记录功能✧最近100天热量记录功能○1✧内置精确时钟,可实现阶梯收费(配合管理软件)✧支持水、电、气、热“一卡通”功能三、主要技术参数原理框图如下:拟制:陈小波2009-8-4 图号:OCQF2.789.106SS审核:工艺: 第 1 页共 4 页拟 制: 陈小波 2009-8-4 图 号:OCQF2.789.106SS 审 核:工 艺: 第 2 页 共 4 页注:冷水表不具备测温元件。
控制器通过安装在基表上的电子发讯装置采集基表的水量脉冲信息,换算成为相应的用水量。
(热水水表基表上安装有数字温度传感器,用于测量热水温度,环境水温可以预先设定,通过用水量和用水温度可以积算出用热量○1。
)IC 卡作为信息载体,可以用于设置表内参数、充值、回读表内信息或者发出特定的控制指令。
LCD 显示水表状态、水量信息。
埃美柯水表型号埃美柯水表价格
宁波埃美柯有限公司是一家专业型生产经营企业,公司占地21万平方米,现有员工1200余人,各类专业技术人员450余人。
主要生产AMICO牌铜阀门、铁阀门、不锈钢阀门、水暖器材、水表、铝塑复合管及铜管道配件等系列产品,品种多达3200多种,年产量超过2000
万只(套)。
下面我们一起来了解埃美柯水表吧!埃美柯水表型号品牌/型号:AM埃美柯/LXSY-15E2水表,结构形式:旋翼式水表精度等级:A级公称通径:15(mm)mm公称压力:1.0(MPa)MPa工作温度:0-40(℃)℃埃美柯水表价格埃美柯水表在我们的生活中是被大家广泛使用的,它的价格总的来说还是比较便宜的。
大约在55-400元左右。
一般根据颜色和规格的不同价格而有所不同。
通常有以下规格:dn15的价格大约为55元左右,dn20的价格为65元左右,dn25价格大约为90元左右,dn30价格大约为120元左右,dn40价格大约为150元左右。
dn50丝口式价格最高约为400元。
推荐价格在100元左右的,性价比最高。
埃美柯水表怎么看黑色的数字为立方米数,现在水表的整吨数是39立方米。
根据谁的比重,可以知道,一立方米的水重量就是一吨,所以你可以把水表显示的立方米数直接看成是收费的吨数。
但是整吨数还不能精确的表达实际用水量,所以水表以红色的4个表盘,分别表示整吨数后面的四位小数。
可以从红色的表盘上面直接读取。
X0.1代表小数的第一位;X0.01表示小数的第二位;X0.001代表小数的第三位;X0.0001代表小数的第四位。
以上是装修界小编为您介绍埃美柯水表的相关信息,希望对你有所帮助哦!。
lxs-15e水表如何读数
《如何使用lxs-15e水表读数》
读数是日常生活中非常重要的一件事,尤其是将我们使用的水电气的使用量准确的记录下来,以便确定我们的使用费用,节省资源。
众所周知,读数器是用来记录其使用量的重要设备,目前市面上有许多不同类型的读数器,其中之一就是LXS-15E水表。
下面就让我们一起来学习如何使用LXS-15E水表读取数据。
首先,你需要准备好你的LXS-15E水表,它有一个灵敏的旋转针,型号号码也是LXS-15E;其次,你要仔细检查这个水表,确保它的针头没有任何问题,这对精确的记录数据至关重要。
在读取技术的练习上,你可以先将这个水表放在上面,将针头旋转到旋转角度,以便记录读数。
读出水表的数据非常简单,只需将相关针头放在数字上并轻轻旋转,即可读到水表的数据,由于LXS-15E水表上的数字是密密麻麻的,因此非常容易读出数据,而且读出的数据十分准确,能够保证有效的操作。
最后,你可以记录这些数据,填写到相应的水电表上,或将数据发到相关部门处理。
当然,要想更加准确的记录数据,你还需要掌握一定的技能,并且在日常生活中养成良好的读数习惯,熟练掌握水电表的操作,以节约时间,保证费用精准,有效利用资源。
浙江省质量技术监督局关于制造计量器具行政许可的发证情况(2015年第3批)正文:---------------------------------------------------------------------------------------------------------------------------------------------------- 浙江省质量技术监督局关于制造计量器具行政许可的发证情况(2015年第3批)根据《中华人民共和国计量法》和《中华人民共和国行政许可法》的规定,现将制造计量器具行政许可的结果予以公布(如下)。
特此公告。
序号单位名称发证日期有效日期证书编号产品名称、型号(规格)、准确度1乐清市跃进电表厂2015/2/32018/2/200000285-51单相电子式电能表DDS844 220V,5(20)A、10(40)A、15(60)A1级2三相四线电子式有功电能表DTS844 3×220/380V,3×5(20)A、3×10(40)A、3×15(60)A1级3单相电子式预付费电能表DDSY844 220V,5(20)A、10(40)A、15(60)A1级4三相四线电子式预付费电能表DTSY8443×220/380V,3×5(20)A、3×10(40)A、3×15(60)A1级5单相电能表DD862 220V,5(20)A、10(40)A、15(60)A2级6三相四线有功电能表 DT862 3×220/380V,3×5(20)A、3×10(40)A、3×15(60)A2级;2宁波市鄞州威州达仪表厂2015/2/42018/2/300000802-2序号计量器具名称型号规格准确度等级1旋翼式远传发讯冷水水表LXSYY-15EDN15Q3=2.5m3/hQ3/Q1=80、63、50Q2/Q1=1.6温度等级:T30压力等级:MAP10压力损失等级:Δp63上游流场敏感度等级:U10下游流场敏感度等级:D5不可测反向流2级LXSYY-20EDN20Q3=4.0m3/h2旋翼式液封冷水水表LXSY-15EDN15Q3=2.5m3/hLXSY-20EDN20Q3=4.0m3/h;3浙江一广电气科技有限公司2015/2/132018/2/1200000327-81电子式三相四线预付费电能表DTSY3333×220/380V,3×1.5(6)A、3×5(20)A、 3×10(40)A、3×15(60)A、 3×20(80)A、3×30(100)A1级、2级2电子式三相四线电能表DTS8543×220/380V,3×1.5(6)A、3×5(20)A、 3×10(40)A、3×15(60)A、 3×20(80)A、3×30(100)A1级、2级3电子式单相电能表DDS854220V,5(20)A、 10(40)A、 15(60)A1级、2级4电子式单相预付费电能表DDSY333220V,5(20)A、10(40)A、15(60)A1级、2级;4杭州宏建电子衡器有限公司2015/2/92018/2/800000534-4序号计量器具名称型号规格准确度等级1电子平台秤SCS型0.5t~5t2电子汽车衡SCS型10t~150t5宁波经济技术开发区汉狮仪器有限公司2015/2/62018/2/500000710-5序号计量器具名称型号规格准确度等级1 电子台秤TCS型TCS-300 最大秤量:300kg;分度值:e=d=100g 6浙江正诚机械有限公司2015/2/32018/2/200000822-21税控燃油加油机ZC-11111、ZC-11122、ZC-22222(5~50)L/min最大允许误差:0.30%重复性:≤0.15%;7浙江万胜电力仪表有限公司2015/2/282018/2/2700000227-36Normal07.8 磅02falsefalsefalseEN-USZH-CNX-NONEMicrosoftInternetExplorer4序号计量器具名称型号规格准确度等级/最大允许误差/测量不确定度1单相电子式电能表型号:DDS146型规格: 220V, 1(10)A1级、2级 2单相电子式多费率电能表型号:DDSF146型规格: 220V ,1(10)A、1.5(6)A、5(20)A、 5(30)A、5(40)A、5(50)A、 5(60)A、10(40)A、10(50)A、10(60)A、10(80)A、10(100)A、15(60)A、20(80)A、20(100)A 、30(100)A1级、2级 3配变监测电能计量终端(电能表)型号:PBT1-C2N 型规格: 3×220/380V, 3×1(10)A 、3×1.5(6)A 、 3×5(6)A 、3×5(10)A有功0.5S级,无功2级、3级;8杭州天辰称重设备有限公司2015/2/152018/2/1400000594-5序号计量器具名称型号规格准确度等级1电子吊秤(直视式)OCS型0.1t~30t2电子吊秤OCS-XS型1t~30t9宁波市精诚科技有限公司2015/2/62018/2/500000488-18,00000488-191旋翼式液封远传冷水水表 DN15Q3=2.5m3/hQ3/Q1=100、80、63、50Q2/Q1=1.6温度等级:T30压力等级:MAP10压力损失等级:Δp63上游流场敏感度等级:U10下游流场敏感度等级:D5不可测反向流电磁环境等级:E1气候和机械环境等级:B2级LXSYY-15EDN20Q3=4.0m3/h2旋翼式液封冷水水表LXSYY-20EDN15Q3=2.5m3/hQ3/Q1=100、80、63、50Q2/Q1=1.6温度等级:T30压力等级:MAP10压力损失等级:Δp63上游流场敏感度等级:U10下游流场敏感度等级:D5不可测反向流LXSY-20EDN20Q3=4.0m3/hLXSY-25EDN25Q3=6.3m3/hLXSY-32EDN32Q3=10.0m3/hLXSY-40EDN40Q3=16.0m3/h;1垂直螺翼式发讯冷水水表WSY-80EDN80Q3=63m3/hQ3/Q1=100、80、63、50Q2/Q1=6.3温度等级:T30压力等级:MAP10压力损失等级:Δp63上游流场敏感度等级:U10下游流场敏感度等级:D5不可测反向流 2级WSY-100EDN100Q3=100m3/hWSY-150EDN150Q3=250m3/hWSY-200EDN200Q3=400m3/h2垂直螺翼式冷水水表WS-80EDN80Q3=63m3/hWS-100EDN100Q3=100m3/hWS-150EDN150Q3=250m3/hWS-200EDN200Q3=400m3/h;10宁波天鑫仪表有限公司2015/2/42018/2/300000634-5序号计量器具名称型号规格流量范围参数准确度等级1膜式燃气表JBM1.6 qmax=2.5 m3/h qmin=0.016 m3/hpmax:10kPa及以下1.5级 JBM2.5qmax=4 m3/h qmin=0.025 m3/h1IC卡膜式燃气表CG-L-G1.6M qmax=2.5 m3/h qmin=0.016 m3/hpmax:20kPa及以下 1.5级CG-L-G2.5Mqmax=4 m3/h qmin=0.025 m3/hCG-L-G4M qmax=6 m3/h qmin=0.04 m3/h1无线IC卡膜式燃气表W-L-G1.6M qmax=2.5 m3/h qmin=0.016 m3/hpmax:10kPa及以下1.5级 W-L-G2.5Mqmax=4 m3/h qmin=0.025 m3/hW-L-G4M qmax=6 m3/h qmin=0.04 m3/h;11浙江威星智能仪表股份有限公司2015/2/92018/2/800000365-15,00000365-16,00000365-1712中南仪表有限公司2015/2/132018/2/1200000221-191单相电子式预付费电能表DDSY193220V,2.5(10)A、5(20)A、5(30)A、10(40)A1级、2级2单相电能表DD862220V,1.5(6)A、2.5(10)A、5(20)A 、10(40)A、15(60)A、20(80)A、30(100)A2级3三相四线有功电能表DT8623×220V/380V,3×1.5(6)A、3×3(6)A、3×5(20)A、3×10(40)A、3×15(60)A、3×20(80)A、3×30(100)A2级4三相四线电子式有功电能表DTS1933×220V/380V,3×1.5(6)A、3×3(6)A、3×5(20)A、3×5(30)A、3×10(40)A、3×10(60)A、3×15(60)A、3×15(90)A、3×20(80)A、3×30(100)A1级、2级5三相四线电子式预付费电能表DTSY1933×220V/380V,3×1.5(6)A、3×3(6)A、3×5(20)A、3×5(30)A、3×10(40)A、3×10(60)A、3×15(60)A、3×15(90)A、3×20(80)A1级、2级6三相四线费控智能电能表DTZY1933×220V/380V,3×1.5(6)A、3×5(20)A、3×5(30)A、3×5(60)A、3×10(40)A、3×10(50)A、3×10(100)A、3×20(80)A有功1级、无功2级;13瑞安市三能仪表有限公司2015/2/162018/2/1500000813-21单相电子式电能表DDS438220V,2.5(10)A、5(20)A、10(40)A1级、2级2三相四线电子式有功电能表DTS9383×220/380V,3×5(20)A、3×10(40)A、3×15(60)A1级、2级;14浙江正泰仪器仪表有限责任公司2015/2/162018/2/1500000205-861单相电子式载波电能表DDSI666220V,1.5(6)A、1(10)A、5(20)A、5(30)A、5(40)A、10(40)A、10(60)A、15(60)A、20(80)A、20(100)A、30(100)A1级、2级2三相四线智能电能表DTZ6663×57.7/100V,3×0.3(1.2)A、 3×1.5(6)A有功0.2S、0.5S,无功2级、3级3三相三线智能电能表DSZ6663×100V,3×0.3(1.2)A、3×1.5(6)A;15浙江华夏仪表有限公司2015/2/122018/2/1100000246-81单相电能表DD862 220V 1.5(6)A、2.5(10)A、3(6)A、5(20)A、10(40)A、15(60)A2级2三相四线有功电能表DT862 3×220V/380V 3×1.5(6)A、3×3(6)A、3×5(20)A、3×10(40)A、3×15(60)A、3×20(80)A、3×30(100)A2级3电子式单相预付费电能表DDSY633 220V 5(20)A、10(40)A1级、2级4电子式三相四线电能表DTS633 3×220V/380V 3×1.5(6)A、3×3(6)A、3×5(20)A、3×10(40)A、3×15(60)A、3×20(80)A、3×30(100)A1级、2级5单相电子式电能表DDS633 220V 1.5(6)A、2.5(10)A、3(6)A、5(20)A、10(40)A、15(60)A1级、2级;16宁波水科电子科技有限公司2015/2/42018/2/300000955-117宁波诺曼特仪表有限公司2015/2/62018/2/500000779-4序号计量器具名称型号规格准确度等级1旋翼式冷水水表LXS-15EDN15Q3=2.5m3/hQ3/Q1=80、63、50Q2/Q1=1.6温度等级:T30压力等级:MAP10压力损失等级:Δp63上游流场敏感度等级:U10下游流场敏感度等级:D5不可测反向流2级LXS-20EDN20Q3=4.0m3/hLXS-25EDN25Q3=6.3m3/hLXS-40EDN40Q3=16m3/hLXS-50EDN50Q3=25m3/h2水平螺翼可拆式冷水水表LXLC-80EDN80Q3=63m3/hQ3/Q1=50、40Q2/Q1=1.6LXLC-100EDN100Q3=100m3/hLXLC-150EDN150Q3=250m3/hLXLC-200EDN200Q3=400m3/h;18浙江万胜电力仪表有限公司2015/2/282018/2/2700000227-35Normal07.8 磅02falsefalsefalseEN-USZH-CNX-NONEMicrosoftInternetExplorer4序号计量器具名称型号规格准确度等级/最大允许误差/测量不确定度1三相四线费控智能电能表型号:DTZY6C型规格:3×57.7/100V、 3×220/380V, 3×1.5(6)A、3×5(60)A、3×10(100)A有功1级、2级,无功2级、3级;19双吉电气有限公司2015/2/92018/2/800000257-11,00000257-121单相电能表DD862220V 1.5(6)A、2.5(10)A、5(20)A、10(40)A、15(60)A2级2三相四线有功电能表DT8623×220V/380V 3×1.5(6)A、3×3(6)A、3×5(20)A、3×10(40)A、3×15(60)A、3×20(80)A、3×30(100)A2级3单相电子式交流电能表DDS6868220V 1.5(6)A、2.5(10)A、5(20)A、10(40)A、15(60)A1级、2级4单相电子式预付费电能表DDSY6868220V 5(20)A、10(40)A、15(60)A1级、2级5三相四线电子式多费率电能表DTSF68683×220V/380V 3×1.5(6)A、3×3(6)A、3×5(20)A、3×10(40)A1级、2级;1电子式三相四线预付费电能表DTSY68683×220V/380V 3×1.5(6)A、3×3(6)A、3×5(20)A、3×10(40)A、3×15(60)A、3×20(80)A、3×30(100)A1级、2级2三相四线电子式交流电能表DTS68683×220V/380V 3×1.5(6)A、3×3(6)A、3×5(20)A、3×10(40)A、3×15(60)A、3×20(80)A、3×30(100)A1级、2级3三相四线电子式多功能交流电能表DTSD68683×57.7/100V、3×220V/380V,3×1.5(6)A 有功1级、2级无功2级、3级4单相电子式预付费分时电能表DDSYF6868220V 5(20)A、10(40)A、15(60)A1级、2级5三相四线电子式预付费分时电能表DTSYF68683×220V/380V 3×1.5(6)A、3×3(6)A、3×5(20)A、3×10(40)A、3×15(60)A、3×20(80)A、3×30(100)A有功1级、2级无功2级;20宁波三星电气股份有限公司2015/2/152018/2/1400000252-126序号计量器具代码计量器具名称型号规格准确度等级/最大允许误差/测量不确定度型式批准证书编号115261000 三相智能电能表DHZ188型3×(57.7~380)V,3×0.3(6)A、3×1.5(6)A有功0.5S级、无功2级2014E564-33215260500单相电能表DD202型220V,1.5(6)A、2.5(10)A、5(20)A、5(30)A、10(40)A、10(60)A、15(60)A、15(90)A、20(80)A、30(100)A2级2012E103-33;21浙江永泰隆电子股份有限公司2015/2/92018/2/800000805-3序号计量器具名称型号规格准确度等级/最大允许误差/测量不确定度1三相四线电子式有功电能表型号:DTS353型规格:3×220/380V,3×5(100)A、 3×10(100)A、3×20(80)A1级、2级;22浙江华仪电子工业有限公司2015/2/162018/2/1500000218-23,00000218-24,00000218-25,00000218-261单相费控智能电能表DDZY3C220V,5(30)A、5(60)A、10(60)A1级、2级2单相电子式多费率电能表DDSF3220V,5(40)A、5(60)A、10(60)A1级、2级3电子式单相预付费电能表DDSY39220V,5(20)A、5(30)A、5(40)A、10(40)A、15(60)A、20(80)A1级、2级4电子式单相电能表DDS3220V,5(20)A、5(30)A、5(40)A、5(60)A 、10(40)A、15(60)A、20(80)A1级、2级5电子式三相四线有功电能表DTS33×220/380V,3×1.5(6)A、3×5(20)A、3×5(30)A、3×5(40)A、3×10(40)A、3×15(60)A、3×20(80)A、3×30(100)A1级、2级6电子式三相四线载波电能表DTSI393×220/380V,3×1.5(6)A、3×5(20)A、3×5(30)A、3×5(40)A、3×10(40)A、3×10(60)A、3×15(60)A、3×20(80)A、3×30(100)A1级、2级;1电子式三相三线有功电能表DSS33×100V,3×1.5(6)A1级、2级2电子式三相三线多功能电能表DSSD23×100V,3×1.5(6)A有功0.5S级无功2级3电子式三相四线多功能电能表DTSD33×220/380V,3×1.5(6)A有功1级、2级无功2级4电子式单相载波电能表DDSI39220V,5(20)A、5(40)A、5(60)A、10(60)A、15(60)A1级、2级5单相静止式多费率电能表DDSF3-Z220V,5(60)A、10(100)A1级、2级6单相费控智能电能表DDZY3220V,1.5(6)A、2.5(10)A、5(20)A、5(30)A、5(40)A、5(50)A、5(60)A、10(40)A、10(50)A、10(60)A、10(100)A、15(60)A、20(80)A、30(100)A1级、2级;1单相费控智能电能表DDZY3-Z220V,1.5(6)A、2.5(10)A、5(20)A、5(30)A、5(40)A、5(50)A、5(60)A、10(40)A、10(50)A、10(60)A、10(100)A、15(60)A、20(80)A、30(100)A1级、2级2单相费控智能电能表DDZY3C-Z220V,1.5(6)A、2.5(10)A、5(20)A、5(30)A、5(40)A、5(50)A、5(60)A、10(40)A、10(50)A、10(60)A、10(100)A、15(60)A、20(80)A、30(100)A1级、2级3单相费控智能电能表DDZY3-J220V,1.5(6)A、5(60)A、10(100)A1级4单相静止式多费率电能表DDSF3-J220V,5(60)A、10(100)A1级5三相四线费控智能电能表DTZY3-Z3×220/380V,3×1.5(6)A、3×5(60)A、3×10(100)A有功1级无功2级6三相四线费控智能电能表DTZY3-J3×220/380V,3×1.5(6)A、3×5(60)A、3×10(100)A有功1级无功2级;1三相四线费控智能电能表DTZY33×220/380V,3×1.5(6)A、3×2.5(10)A、3×5(20)A、3×5(30)A、3×5(40)A、3×5(50)A、3×5(60)A、3×10(40)A、3×10(50)A、3×10(60)A、3×15(60)A、3×20(80)A、3×20(100)A、3×30(100)A有功1级、2级无功2级、3级2电子式三相三线多费率电能表DSSF33×100V,3×1.5(6)A1级、2级3电子式三相四线多费率电能表DTSF33×220/380V,3×1.5(6)A、3×5(20)A、3×10(40)A、3×15(60)A、3×20(80)A、3×30(100)A1级、2级4电子式三相四线预付费电能表DTSY33×220/380V,3×1.5(6)A、3×5(20)A、3×5(30)A、3×10(40)A、3×15(60)A、3×20(80)A、3×30(100)A1级、2级5电子式三相三线预付费电能表DSSY33×380V,3×1.5(6)A、3×5(20)A、3×5(30)A、3×10(40)A、3×15(60)A、3×20(80)A、3×30(100)A1级、2级;23杭州竞达电子有限公司2015/2/132018/2/1200000479-22,00000479-2324宁波旭源电子科技有限公司2015/2/152018/2/1400000382-625杭州百富电子技术有限公司2015/2/152018/2/1400000258-70序号计量器具名称型号规格准确度等级/最大允许误差/测量不确定度1负荷管理终端(电能表)型号:GR2001-T型规格:3×220/380V,3×1(10)A 有功1级无功2级2单相费控智能电能表型号:DDZY532型规格:220V,5(20)A、5(30)A、5(40)A、5(50)A、5(60)A、10(40)A、10(50)A、10(60)A、10(80)A、10(100)A、15(60)A、20(80)A、20(100)A、30(100)A1级、2级;26浙江正泰仪器仪表有限责任公司2015/2/162018/2/1500000205-851IC卡膜式燃气表ZG1.6S-11qmax=2.5m3/hqmin=0.016m3/h1.5级ZG2.5S-11qmax=4m3/hqmin=0.025m3/hZG4S-11qmax=6m3/hqmin=0.04m3/h2IC卡膜式燃气表ZG1.6-11qmax=2.5m3/hqmin=0.016m3/hZG2.5-11qmax=4m3/hqmin=0.025m3/h3无线远传膜式燃气表ZG1.6S-2qmax=2.5m3/hqmin=0.016m3/hZG2.5S-2qmax=4m3/hqmin=0.025m3/hZG4S-2qmax=6m3/hqmin=0.04m 3/h;27宁波镭蒙智能科技有限公司2015/2/122018/2/1100000959-228宁波镭蒙智能科技有限公司2015/2/122018/2/1100000959-1二〇一五年三月二日——结束——。
水表产品型号的组成一般如下
——
第一位 第二位 第三位 第四位 第一位 第二位 第三位 第四位
第一节
第二节
第一节用大写的汉语拼音字母表示,其中第一位是产品所属的大类,即水表归属的流量仪表类别,用“L ”表示,第二位是产品所属的小类,即水表,用“X ”表示,第三、四位表示该产品的工作原理、结构、功能、特点等。
第二节用阿拉伯数字和字母表示,反映水表的公称口径、指示装置型式和产品的设计顺序号(旋翼式水表)等。
本公司产品命名规定如下:
一、 水表型号的组成
设计序号 结构特点 公称口径 原理分类 所属小类代号 所属大类代号 二、 第一节字母的含义
1、 一位:“L ”流量仪表
2、 第二位:“X ”水表
3、 第三位:S-旋翼式水表 L-螺翼式水表
4、 第四位:G-干式水表
三、第二节字母的含义
1、第一、二位:公称口径(公称口径大于二位的则第一、第二、第三位)
2、第三、四位:(公称口径大于二位的则第四、第五位)
C-整体叶轮指针式水表
E-字轮、指针组合式水表
F-液封式水表
K-IC卡式水表
EV-电子远传式水表
Z-复合水表
四、末位(阿拉伯数字):设计序号
五、水表名称及型号表
一、 系统型号的组成
第一节 第二节
系统型式
二、字母的含义
1、第一节:K——IC卡水表控制系统 EV——电子远传水表系统
KV——配装电子远传水表的IC卡水表控制系统
2、第二节:设计序号(阿拉伯数字表示)。
用途:用来测量流经自来水管道饮用水的总量并通过485总线传输给二次仪表。
特点:内置CPU、存贮芯片和485通讯模块。
只需在采集水表数据时供电,由光电管读出水表字轮编码,经CPU判断产生数字并由485总线输出。
使用条件:水温≤30℃(冷水水表)
水温≤90℃(热水水表)
水压≤1Mpa
水表不能浸入水中
信号类型:5位光电编码
最大允许误差:·在从包括最小流量(Q1)在内到不包括分界流量(Q2)的低区中的最大允许误差为±5%.
·在从包括流量(Q2)在内到包括过载流量(Q4)的高区中的最大的允许误差为(冷
水表)±2%,(热水表)+2.5%.
安装要求:·水表安装必须水平安装,使水表读数字面朝上箭头方向和水流方向相同。
·水表安装前须冲洗管道。
·水表必须安装在周围环境干燥拆装维修方便,建议安装在专用水表箱内。
水表前后必须
安装阀门。
信号接线
主要技术参数
压力等级: MAP10
压力损失等级:Δp63
上游流场敏感度等级:U10
下游流场敏感度等级:D5
气候和机械环境等级: B级
电磁环境等级: E1级
不可测反向流
外形尺寸及重量
电气参数。