油站说明书
- 格式:doc
- 大小:233.00 KB
- 文档页数:31
湿式溢流型球磨机油站GDZ100系列使用说明书江阴市中立机械工业有限公司2013-3一、用途:GDZ100高低压稀油站主要用于磨煤机轴承润滑,是根据动静压轴承润滑工作原理设计的。
由低压和高压两套系统组成,主机在正常运行时由低压系统提供润滑,而高压系统只使用于主机启动与停止。
本系统也适用于冶金、矿山、水泥机械等设备中的动静轴承润滑系统中。
保证设备的正常运转,延长使用寿命;其工作介质为N32~N460工业润滑油。
二、技术性能:三、结构GDZ100高低压稀油站由低压润滑系统及高压浮起系统组成,低压润滑系统由齿轮泵装置、油箱、单向阀、安全阀、压力表、双筒过滤器、压力变送器、冷却器、电磁阀、压差讯号器等组成。
高压系统主要有高压柱塞泵装置、高压溢流阀、单向阀、压力表、管路系统等组成。
四、工作原理在主机开启前,首先开启低压泵,当低压泵运行稳定后,再开高压泵。
高压系统不单独设油箱,油液由低压泵出油口中吸出送入轴承。
当压力达到一定值时,主轴将在压力作用下浮起,此时即开动主机,主机运转平稳后,停止高压泵,由低压泵供油润滑。
高压系统还用于主机停机时,即先开启高压泵,压力达到一定稳定值时,方可停主机,安全停稳后,停止高压泵,再停低压泵。
GDZ100高低压稀油站的低压系统中设有两台齿轮泵,正常情况下,一台工作,一台备用;遇有意外,当低压系统油压降到调定值0.1MPa时,发出报警信号,备用泵投入运行,压力恢复后,备用泵停止工作。
如果备用泵运行后压力还下降,降至0.05MPa时,系统发出报警信号。
系统中设有安全阀,调定压力范围为0~0.5MPa。
系统中双筒过滤器的滤油压差由压差讯号器控制,当压差值超过0.05MPa时,发出讯号,这时将过滤器的手柄转到另一过滤筒工作位置,将原过滤筒拆下清洗。
油箱中设有铂热电阻,当油温高于45℃时通冷却水,低于30℃自动停止,油温高于55℃时,发出报警信号;油温低于15℃时加热器加热,达到25℃时加热器停止加热。
GYZ2-25型液压变加载油泵站使用和维护说明书2010年6月北 京 电 力 设 备 总 厂BEIJING POWER EQUIPMENT GROUP目录1. 概述 (2)2. 主要元件说明 (2)3. 系统操作步骤 (7)系统的调试 (7)系统的运行 (9)检修后的操作步骤 (9)主要元件的工作状态 (9)4. 系统的使用与维护 (10)系统的安装 (10)油液的加注 (10)系统的循环 (10)系统的维护 (10)附注1管路的冲洗 (12)1.概述磨煤机加载系统是磨煤机的重要组成部分,由高压油泵站、油管路、液动换向阀、加载油缸、蓄能器等部件组成。
其功能如下:为磨辊施加合适的碾磨压力,加载压力由电磁溢流阀控制;同步升起和落下磨辊。
磨辊所需的碾磨压力是由液压系统提供的,加压系统包括三个油缸及蓄能器,蓄能器内有橡胶气囊,内充氮气,蓄能器的充油侧直接与油缸的活塞杆侧连接,三个油缸连接在公共供油管路上。
高压油泵站安装在靠近磨煤机的基础上,加载油缸和蓄能器安装在磨煤机上,三个带蓄能器的油缸由高压油泵站提供动力。
高压油泵站用管道连接到加载油缸上,连接管道采用0Cr18Ni9冷拨无缝钢管,,管路连接用焊接式管接头。
油箱容积680L,第一次加油量约600L。
采用L-HM46抗磨液压油,油液从空气滤清器加入,并需经过过滤精度≤10μm的过滤机过滤。
在高压油系统设备和管路全部安装完后,高压油系统必须打油循环,当高压油系统油液清洁度达到NAS1638标准八级时,高压油系统方可投入运行。
参见磨煤机高压油系统液压原理图(04MG00.21.00)。
2.高压油系统元件说明2.1序号1和2,油泵组油泵组由马达,齿轮泵,联轴器和支架组成,齿轮泵型号PFG-327/D/RO,电机型号Y2-160L-8-HT。
齿轮泵轴通过联轴器与电机联接,保证了齿轮泵与电机间的同轴度。
该泵为定量外啮合齿轮泵,压力等级21.0MPa,功率7.5kW,电压380V/50Hz,转速720r/min,最大流量15L/min,泵最大工作压力15Mpa,压力表11.1测点显示该压力。
目录前言安全须知1概述1.1稀油站供电电源1.2 稀油站电气容量1.3 保护接地1.4稀油站电气的组成1.4.1 PLC 控制1.4.2操作面板1.4.3电气箱1.5.3 稀油站电气2稀油站的控制2.1PLC控制简要说明2.2 操作3报警4安装与连接4.1 电气连接的检查4.2 电气箱内电气元件及其连接的检查4.3 保护接地的检查4.4 电源的引入附录1稀油站电器原理图2PLC 程序前言本说明书叙述在使用稀油站过程中电气部分的安全注意事项、电气控制部分的组成、功能及其使用方法等,油泵及油箱的参数及使用情况请参看相关说明书,只有仔细阅读了所有说明书且熟悉稀油站后方可操作本设备。
请妥善保管本说明书以备查阅。
本设备的操作按键在设计上尽可能的接近了大众的习惯用法,但不可能与其他厂家的设备被完全一致,使用前请仔细阅读本说明书,不可盲目或凭经验试用。
以免引起不可预知的后果。
本说明书尽可能的将设备的功能、用法叙述出来,由于篇幅所限,不可能将所有可能罗列出来,本说明书没有叙述到的部分,请不要盲目尝试。
第3页安全须知本节叙述的是有关稀油站电气以及 PLC控制装置使用的安全知识,设备操作者和折本维修人员必须遵守本说明书中的安全规定和安全措施,仔细阅读设备制造商提供资料中有关安全的章节,且必须遵守,才能操作本设备或维修本设备。
设备电气维修人员必须是具有相关规定的具备电气安全知识的特种作业人员,以防止由于操作不当或操作错误带来的人身或设备伤害。
操作本设备之前,请仔细阅读本设备使用说明书 , 并参考其他有关随机资料,以便正确操作使用。
1 非专业人员不得打开电柜门, 打开电柜门前必须确认已经切断了供电电源。
只有专业维修人员才允许打开电柜门,进行通电检修。
2 设备的 PLC程序是设备制造商按设备需要设计的,不允许修改。
3设备全部连接器、接头等,不允许带电拔、插操作,否则将引起严重的后果。
24 接地应满足 GB5226中的要求 ( 电流为 10A, 导线截面积大于 6mm 时 , 电压降不超过 1V.) 。
厂总设备北京电力BEIJING POWER EQUIPMENT GROUP型液压变加载油泵站GYZ2-25使用和维护说明书月年20106GYZ型高压站说明书目录1. 概述 (2)2. 主要元件说明 (2)3. 系统操作步骤 (7)系统的调试 (7)系统的运行 (9)检修后的操作步骤 (9)主要元件的工作状态 (9)4. 系统的使用与维护 (10)系统的安装……………………………………………………………………10油液的加注……………………………………………………………………10系统的循环……………………………………………………………………10系统的维护……………………………………………………………………10附注1管路的冲洗 (12)1GYZ型高压站说明书1.概述磨煤机加载系统是磨煤机的重要组成部分,由高压油泵站、油管路、液动换向阀、加载油缸、蓄能器等部件组成。
其功能如下:为磨辊施加合适的碾磨压力,加载压力由电磁溢流阀控制;同步升起和落下磨辊。
磨辊所需的碾磨压力是由液压系统提供的,加压系统包括三个油缸及蓄能器,蓄能器内有橡胶气囊,内充氮气,蓄能器的充油侧直接与油缸的活塞杆侧连接,三个油缸连接在公共供油管路上。
高压油泵站安装在靠近磨煤机的基础上,加载油缸和蓄能器安装在磨煤机上,三个带蓄能器的油缸由高压油泵站提供动力。
高压油泵站用管道连接到加载油缸上,连接管道采用0Cr18Ni9冷拨无缝钢管,,管路连接用焊接式管接头。
油箱容积680L,第一次加油量约600L。
采用L-HM46抗磨液压油,油液从空气滤清器加入,并需经过过滤精度≤10μm的过滤机过滤。
在高压油系统设备和管路全部安装完后,高压油系统必须打油循环,当高压油系统油液清洁度达到NAS1638标准八级时,高压油系统方可投入运行。
参见磨煤机高压油系统液压。
(04MG00.21.00)原理图2.高压油系统元件说明2.1序号1和2,油泵组油泵组由马达,齿轮泵,联轴器和支架组成,齿轮泵型号PFG-327/D/RO,电机型号Y2-160L-8-HT。
1.用途XYZ200-L立式稀油站是北京电力设备总厂设计制造的,为ZGM95型磨煤机用SXJ140型立式螺伞-行星减速机配套的专用润滑装置,用于润滑减速机中的齿轮和轴承,起到润滑、冷却和清洗的作用。
2.工作原理稀油站在正常工作时,电机螺杆泵将润滑油从磨煤机减速机下箱内吸出,送入加热器,经管路进入双室过滤器的一个滤筒,再沿管路进入冷却器,然后被送到各个润滑点,润滑油经过润滑部位后汇集于减速机下箱,再经电机螺杆泵吸出,如此循环往复,使润滑油在系统中循环,确保系统各部位的正常润滑。
3.结构特点XYZ200-L立式稀油站由电机螺杆泵、电加热器、双室过滤器、冷却器以及阀门、管道、仪表和底座等组成。
所有零部件均安装在底座上组成整体式结构,稀油站无自带油箱,减速机下箱体就作为稀油站的油箱。
各部分的结构特征如下:3.1电机及三螺杆泵:立式,配双速电机,带安全阀。
驱动采用YD160M-8/4 V1型双速电动机,其功率为5.0/7.5kW,对应转速为720/1450 r/min。
若稀油站启动时油温<25℃时,先令电机720r/min运转,直到油温达到28℃时,再改用1450r/min运转。
油泵上装有对油泵和系统起过载保护作用的安全阀,阀的调节压力为0.63MPa,可保证安全运行。
3.2电加热器:带纵向折流。
纵向折流板将加热管分隔为三个区间,油和加热管间的相对流速增加,可避免因油流死角导致的油温过高区;加热管温度均衡减少了结炭现象;同时采用了能放尽空气的放气结构,保证油加热管温度最高的上部能浸入油液中;这些都提高了加热效率和延长了加热管的使用寿命,同时也减少了顶罩部分的温升,并且油液不易氧化变质,延长了油液的使用寿命。
3.3双室过滤器:采用纵向导流和上下磁过滤结构,带三位六通换向阀。
油液由换向阀进入过滤器中部后,由导向套引入下部,先均匀地经过下部磁过滤装置并由下而上均衡地通过滤网,再同样均衡地流过上部磁过滤装置,最后经换向阀进入下一个循环装置。
1 控制设备功能控制柜配套与稀油润滑设备的控制,控制具有两台低压油泵电机、加热器及仪器仪表控制。
两台低压油泵电机一备一用,加热器控制油箱温度,仪器仪表对油系统进行监测和控制。
电控柜采用可编程序控制器以实现自动控制、保护及故障报警功能,并具有与中控室联接的DCS接口。
2 电气原理图(见附件)3 使用环境条件3.1供电电压380V/220V,波动±10%;频率50HZ,波动±1%;3.2环境温度0~40℃,相对湿度小于90%(25℃时);3.3无震动、无腐蚀性气体、无爆炸的环境;3.4 海拔高度≤1000米;4安装4.1 电控柜防护等级:IP44,电控柜应安装在防雨的位置(特殊要求除外),具体位置由用户自行决定,箱体要固定。
4.2 引入电源进线分别接到 U、V、W、N端子上,联接牢固,接地线PE不能与零线N联接在一起,一定要分开联接。
4.3 电动机、加热器的接线:U1、V1、W1……U4、V4、W4,油站接线盒上的端子排号码应一一对应电控柜端子排的号码联接,见附图1400100-2153,1400100-2154,联接牢固,线路联接完成,均应仔细核对,不得有误。
4.4 仪器仪表的接线:油站接线盒上的端子排号码应一一对应电控柜端子排的号码联接,见附图1400100-2153,1400100-2154,联接牢固,线路联接完成,均应仔细核对,不得有误。
建议联接的控制电缆应≥1mm2。
4.5 电控柜与中控室的联接:去中控室的联线均为无源开关接线,可能号码不一致,应按所需功能对应正确,见附图1400100-2153,联接牢固,不得乱接,否则在控制上会出现控制错误的可能,线路联接完成,均应仔细核对,不得有误。
建议联接的控制电缆应≥1mm2。
5 投运前的准备5.1设定电机控制回路热过载继电器的整定值(根据电动机额定电流值进行整定)。
5.2 电控柜在通电之前,SA1开关置于左位。
5.33 合上小型断路器,SA1开关置于左侧(现场手动)位,分别点动油泵启动按钮,检查电动机的旋向是否和标记一致,若方向相反,则任意交换两相电机电源。
目录一、用途二、规格和性能三、工作原理四、电气操纵系统五、安装调试和试运转六、操作规程七、维修和安全事项八、常见故障及排除方法九、搬运及贮藏十、开箱检查附:系统图电气原理图接线端子图一、用途XYZ—63GZ型稀油润滑站主要用于冶金、矿山等机械设备的稀油循环润滑系统中,向减速器齿轮、主电机轴承等磨擦部位供送润滑油。
该油站工作介质粘度等级为N22~N320的工业润滑油。
本油站通常是安装在主机附近的地下油库或地坑内。
其他技术参数:冷却水压力:0.2—0.3MPa 换热器进油温度:50℃温降:7—8℃三、工作原理本油站由油箱、油泵装置、双筒网式过滤器和磁性过滤网装置、列管式油冷却器以及电器仪表控制装置、管道、阀门等组成。
工作时,油液由齿轮油泵从油箱吸出,经单向阀、双筒网式油滤器、列管式油冷却器,被直接送到设备的润滑点。
油站的最高工作压力为0.4Mpa,最低工作压力为0.1Mpa。
根据润滑点的需求,通过调节安全阀确定使用压力。
当油站的工作压力超过安全阀的调定压力时,安全阀将自动开启,多余的油液即流回油箱。
本油站的结构有以下特点:(1)设有备用油泵本油站有两台油泵,一台工作,一台备用。
油站工作中,当系统压力低于压力控制器的调定值0.1M时,备用油泵即自动启动进行工作,从而确保主机的润滑需求。
当压力低于0.07MPa时,风机停止。
(2)双筒网式油滤器设置在列管式油冷却器之前润滑油在油滤器中的通过能力与其粘度有关。
油的温度高则粘度低,通过能力好,过滤效果也较好。
所以先过滤后冷却是相当有利的。
(3)采用双筒网式油滤器双筒网式油滤器有两组过滤滤芯。
一组滤芯工作,一组滤芯备用。
当油压压差超过0.05MPa时,人工开启转换阀使备用滤芯工作,即可不停机取出原工作滤芯进行清洗和更换。
此油滤器结构紧凑,接管简单,不设旁路,更换方便。
(4)采用列管式油冷却器本冷却器经优化改进设计,体积小、重量轻、冷却效果好。
在工作压力不高的稀油循环润滑系统中使用是相当合理的。
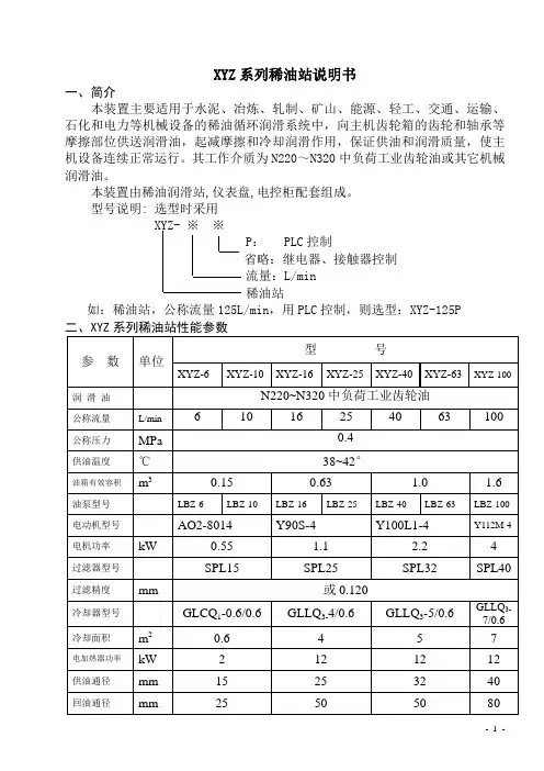
XYZ系列稀油站说明书一、简介本装置主要适用于水泥、冶炼、轧制、矿山、能源、轻工、交通、运输、石化和电力等机械设备的稀油循环润滑系统中,向主机齿轮箱的齿轮和轴承等摩擦部位供送润滑油,起减摩擦和冷却润滑作用,保证供油和润滑质量,使主机设备连续正常运行。
其工作介质为N220~N320中负荷工业齿轮油或其它机械润滑油。
本装置由稀油润滑站,仪表盘,电控柜配套组成。
型号说明: 选型时采用XYZ- ※※P: PLC控制省略:继电器、接触器控制流量:L/min稀油站如:稀油站,公称流量125L/min,用PLC控制,则选型:XYZ-125P三、工作原理与结构特点稀油站由油箱、油泵装置、油冷却器、油滤器以及电控柜、仪表盘、管道、阀门等组成。
工作时,油液由齿轮泵从油箱吸出,经单向阀、双筒网片式油滤器、列管式油冷却器,被直接送到设备的润滑点进行润滑,然后经系统回油管流回油箱。
油站的最高工作压力为0.4MPa,最低工作压力为0.2MPa(视现场情况可重新设定),根据润滑点的要求,通过调节安全阀确定使用压力。
当油站的工作压力超过安全阀的调定压力时,安全阀将自动打开,多余的油液流回油箱。
稀油站具有过滤、冷却、加热等装置和安全、自控、报警等功能。
本稀油站有以下结构特点:1.设有备用油泵。
稀油站有两台油泵,一台工作,一台备用,正常情况下工作油泵运行,当系统压力低于压力调节器调定值时,备用泵投入运行,保证向主机继续供送润滑油。
2.采用双筒网片式油滤器。
双筒网片式油滤器有两组过滤滤芯。
一组滤芯工作,一组滤芯备用。
当工作滤芯需要更换时,可不停机,用转换阀使备用滤芯工作,即可取出原工作滤芯,更换滤片。
此油滤器结构紧凑,接管简单,不设旁路,更换方便。
3.采用GLCQ、GLLQ型列管式油冷却器。
换热管为紫铜管,冷却效果较好,体积小,重量轻,阻力降大大小于板式换热器,在工作压力本身不高的稀油润滑系统中使用是比较合理的。
4.回油口设有磁性过滤器。
说明书产品名称:GDZ高低压润滑油站沈阳冶通重矿机械配件厂1用途高低压润滑站是为球磨机静压轴承的润滑和压力油而设计的,其润滑介质的粘度等级N22—N460的工业润滑油。
2技术参数低压泵公称流量:40~63L/min公称压力:0.4MPa高压泵公称流量:2.5L/min公称压力:31.5MPa油箱容积:1.25m2过滤面积:0.2 m2过滤精度:0.08mm换热面积:5.5 m2 (如增加冷却面积订货时应说明)冷却水耗量:5 m3/h冷却水温度:≤28℃加热功率:18KW3润滑站主要部件及主要元件油箱、低压泵装置、高压泵装置、列管式冷却器、双筒网片磁式滤油器、仪表及电气元件、电控系统等组成。
4系统原理(见系统原理图)5调试5.1低压泵压力的调整按系统图所示,关闭阀1、3、4、5、7、启动低压泵(一台工作,另一台备用),这时安全阀的调压弹簧是松开的,滤油器的换向阀应在工作位置“左开”或“右开”,然后逐渐拧紧安全阀的弹簧,使压力表上的压力升到0.4MPa为止。
检查各连接处的泄漏情况,若无异常,继续拧紧安全阀的弹簧,使压力达到0.5MPa时为止。
运转5分钟,检查各连接处均不得有泄漏现象。
然后逐渐拧松弹簧,直到压力恢复到0.4MPa为止。
5.2高压泵压力的调整在低压泵继续运转的状态下,启动两台高压泵,这时直动型溢流阀的弹簧应该是松开的,然后逐渐拧紧溢流阀的弹簧。
使压力表上压力达到31.5MPa时为止,运转5分钟后检查各连接处均不得有泄漏现象;再将压力调到设定值为止,锁紧溢流阀。
5.3矫正铂热电阻在比率计上的温度值,本站共设有两个铂热电阻,一个设在低压油出口的油包上,另一个设在油箱前壁的下部位置。
5.4压力控制松开阀门1,使系统压力稳定在0.15MPa,当压力低于0.1MPa 时,压力控制器的一接点启动备用泵,这时,控制箱上的警笛响,并有一个表示备用泵在工作的信号灯燃亮,直到压力恢复正常,信号消失。
如果备用泵投入工作后,系统压力继续下降至0.05MPa时,由另一压力控制器的接点发出事故信号,应停止主机工作,直到故障排除。
XYZ-25G稀油站安装使用说明书启东市南方润滑设备有限公司一、概述XYZ-25G稀油站是稀油循环润滑系统的心脏,用来将润滑油强制压送到机械设备的摩擦部位,在相对运动的机械另件间形成油膜,减少零件的摩擦、摩损,同时对摩擦部位进行冲洗,并带走摩擦产生的热量,从而保证设备正常运转,延长使用寿命。
稀油站由油站、仪表盘、电控箱三大部份组成。
它适用于冶金、矿山、电力、水泥等机械设备的稀油循环润滑系统中,通常安装在设备附近的地下油库或地坑中。
本稀油站的工作介质粘度等级为N22-N320的工业润滑油。
二、技术性能工作压力:0.4MPa 公称流量:8L/min供油温度:40+3℃油箱容积:0.15m3过滤面积:0.13㎡冷却面积:0.6㎡三、结构特点与工作原理XYZ-25G它主要由油箱、齿轮油泵装置,过滤器(双筒网片式油滤器和磁性过滤器)、列管式油冷却器以及电器、仪表控制装置,管道、阀门等组成。
结构为整体式。
工作时,油液由齿轮泵从油箱吸出,经单向阀,双筒网片式油滤器、列管式油冷却器,被直接送到设备的润滑点,油站最高工作压力为0.4MPa,最低工作压力为0.1MPa,根据润滑点的要求,通过调节安全阀确定使用压力,当油站的工作压力超过安全阀的调定压力时,安全阀将自动打开,多余的油液即流回油箱。
稀油站结构有以下特点1、设有备用油泵稀油站有两台油泵,一台工作,一台备用,正常情况下工作油泵运行,当系统压力低于压力调节器调节值时,备用油泵投入工作,保证向主机继续供送润滑油。
2、双筒网片式油滤器放在列管式油冷却器之前。
油在油滤器中通过能力与其粘度有关,粘度大通过能力差;反之通过能力好,温度高,则粘度下降,通过能力好过滤的效果也较好,改变先冷却后过滤的缺点。
3、采用GLC2列管式油冷却器GLC2列管式冷却器,按JB/ZQ4004-86生产,冷却效果较好,重量轻、体积小,并且压力降大大小于板式换热器,在工作压力本身不高的稀油循环润滑系统中使用是比较合理的,列管式油冷却器进油温度50℃,出油温度≤42℃,进水温度≤28℃,进水压力0.2~0.3MPa4、采用双筒网片式油滤器双筒网片式油滤器有两组过滤滤芯,一组滤芯工作,一组滤芯备用,当工作滤芯需更换时,用转换阀使备用滤芯工作,即可取出原工作滤芯,更换滤片,此油滤器结构紧凑,接管简单,不设旁路,更换方便。
1、概述及用途XYZD类稀油润滑设备是指与重型机械行业JB/ZQ/T4147-1991 标准规定的XYZ系列(电加热)稀油站具有相同系统原理图和功能的一类稀油润滑设备的总称,不论其结构形式如何,它们都符合本使用说明书。
XYZD类稀油站润滑设备是循环供送稀油润滑介质的设备,该设备将介质供送到设备的润滑点(具有相对运动的摩擦副),对润滑点进行润滑和冷却后,再返回到该设备的油箱进行下一个循环。
该设备主要用于冶金、矿山、建材、石化等成套机械设备中,同时,也适用于其它具有类似工况的机械设备。
2、技术参数2.1基本条件XYZD类稀油润滑设备,当使用齿轮泵时,工作介质粘度等级为N22~N220,当使用螺杆泵时,工作介质粘度等级为N22~N680,甚至更大;冷却水温度应不超过30℃,冷却水压力0.2~0.4MPa,冷却器冷却能力是当今油温度为50℃时,润滑油的温降不小于8℃(当油品粘度大于N460时,冷却器的冷却面积要比标准选的大)。
2.2技术参数3、设备组成及工作原理3.1设备组成XYZD 类稀油润滑系统主要由油箱、电加热器、两台定量油泵装置、双筒过滤器、油冷却器、回油磁(栅)网过滤装置、功能性阀门(单向阀、安全阀、开关阀门)及管道、控制元件(压力控制器、差压控制器、温度控制器、液位控制器)、显示仪表(压力表、温度表、液位计)、电控柜等组成。
3.2工作原理工作时,一台定量泵(另一台备用)从油箱吸入油液,吸入的油液由定量泵进行增压后,经单向阀、双筒过滤器(一侧工作,一侧备用),有冷却器功能性阀门和管道被送到设备的润滑点,油液对润滑点进行润滑和冷却后,沿着系统的回油总管进入油箱,油液在邮箱内经回油磁(栅)网过滤装置过滤后进行下一次循环。
3.3元件功能3.3.1油箱油箱主要功能是蓄油,还兼做散热和沉淀油液中的杂质3.3.2加热器加热器的功能是对油箱中的油液进行加热,当油箱中油液的温度低于下限设定值时,电加热器自动进行加热,当油箱中油液的温度达到正常设定值时,电加热器自动停止。
稀油站使用说明书河南省安阳力源液压有限责任公司一,用途稀油站主要用于冶金,矿山设备的稀油循环润滑系统中,向减速器,齿轮座,主电动机轴承等摩擦部位供送润滑油。
其工作介质可为透明油,20—50号机械油。
用于HJ3—28号轧钢机。
运动粘度范围20—326厘沲。
通常是安装在机器附近的地下油库内或地坑内。
二,规格与性能三,工作原理与结构特征XYZ型稀油站由油箱,油泵装置,过滤器,(双筒网式过滤器和磁过滤器)换热器以及电气,仪表控制装置,管道,阀门等组成。
稀油站工作原理:油液由齿轮泵从油箱中吸出,经单向阀,双筒网式过滤器,换热器,被直接送到设备的润滑点。
油站的最大工作压力0.4MPa,根据润滑点的要求通过调节安全阀确定使用压力,当油站的工作压力超过安全阀的调定压力时,安全阀将自动打开,多余的油液即流回油箱。
稀油站的结构有以下特点:1,设有备用油泵:稀油站有两台油泵,一台工作,一台备用,正常情况下,工作油泵运行,遇到意外,备用油泵投入工作,保证向主机继续供送润滑油。
2,过滤器放在换热器之前:油在过滤器中的通过能力与其粘度有关,粘度大,通过能力差,温度高,则粘度下降,通过能力好,过滤的效果也较好,先过滤后冷却即可达到此目的。
3,采用双筒网式过滤器:双筒网式过滤器有两个过滤筒,一筒工作一筒备用,当工作筒需清理时,用转换阀使备用筒工作,即可取出工作筒进行清洗。
机构紧凑,接管简单,不设旁路,清洗方便。
4,采用列管式换热器:冷却效果好,阻力小,便于维修。
5,回油口设有磁过滤器:可将回油中的细小铁磁物质吸附过滤,保证油的纯度。
6,配有仪表盘和电控箱:仪表盘上装有两块普通耐震压力表用来直接观察油泵及油站出口油压;两块电接点压力表实现油压自控。
一块电接点温度控制器观察并控制油温。
稀油站正常工作时,油泵一台工作,一台备用,有时设备耗油量由于某种原因需要增加时,则系统压力下降,当降到一定值时电接点压力表控制备用泵自动开启,与工作泵一起工作,直到压力恢复正常时,备用泵自动停止。
四川川润润滑油站XRZ-125说明书四川川润润滑油站XRZ-125说明书一、产品特点1、采用优质原料,采用先进的精细加工技术,确保产品质量稳定。
2、质量达到优质润滑油全国一级标准,抗压强度高。
3、具有良好的高温抗磨性能和抑制性,还可抑制碱金属氧化。
4、优异的低温性能,可在较低的温度下减少结析,抗冻性更好,保证引擎性能。
5、优异的抗氧化、抗酸性能,体积微重力,可以长期有效地抑制汽油的开裂,防止高压头部皮带以及活塞、活塞环等元器件的损伤,降低混入有害污染物,延长润滑油的使用寿命。
二、主要组成物成分1、矿物油:延伸度良好,有效防止磨损和粘合珠孔。
2、抗磨剂:防止热和氧化损伤,使润滑油保持可用状态。
3、清洁剂:有效渗入积垢,减少积垢污染,降低机械损耗。
4、抗湿剂:防止润滑油的污染,延缓润滑油氧化。
5、极压添加剂:有效抑制润滑油的高压磨损,保证润滑油的稳定性。
三、使用范围1、适用于四川川润润滑油站XRZ-125用途,可以长期保护内燃机零部件,延长润滑油的使用寿命。
2、适用于多种内燃机,如发动机,柴油机,高负荷发动机,空气全压发动机,柴油离心机,溶剂烧机等。
3、可以与多种类型的润滑油混合使用,如无水窗润滑油,柴油机润滑油,车用润滑油等。
四、存储及保护1、存储时应将润滑油放在干燥、阴凉通风的地方,且与易燃物品、有毒物品等保持一定的距离。
2、润滑油可在0~45℃范围内存储。
应定期检查其质量,检测若存在过滤、污染等现象,应及时更换润滑油。
3、保护时应检查润滑油箱液位是否正确,若受到外界环境污染等因素,应及时清除。
4、建议定期将润滑油更换,使润滑油保持良好的润滑性能。
1 控制设备功能控制柜配套与高低压稀油润滑设备的控制,控制具有对两台低压油泵电机、四台高压油泵电机、加热器及仪器仪表等控制。
两台低压油泵电机一备一用,四台高压油泵电机长期工作,加热器控制油箱温度,仪器仪表对油系统进行监测和控制。
电控柜采用可编程序控制器以实现自动控制、保护及故障报警功能,并具有与中控室联接的DCS接口。
2 电气原理图(见附件)3 使用环境条件3.1供电电压380V,波动±10%;频率50HZ,波动±1%;3.2环境温度0~40℃,相对湿度小于90%(25℃时);3.3无震动、无腐蚀性气体、无爆炸的环境;3.4 海拔高度≤1000米;4安装4.1电控柜防护等级:IP44,电控柜应安装在防雨的位置,具体位置由用户自行决定,箱体要固定。
4.2引入电源进线分别接到 U、V、W、N端子上,联接牢固,接地线PE不能与零线N联接在一起,一定要分开联接。
4.3 电动机、加热器的接线:U1、V1、W1……U7、V7、W7,油站接线盒上的端子排号码应一一对应电控柜端子排的号码联接,见附图1460200-2153,联接牢固,线路联接完成,均应仔细核对,不得有误。
联接电动机和加热器的电缆应能足够承受其相应的电流。
4.4 仪器仪表的接线:油站接线盒上的端子排号码应一一对应电控柜端子排的号码联接,见附图1460200-2153,联接牢固,线路联接完成,均应仔细核对,不得有误。
建议联接的控制电缆应≥1mm2。
4.5 电控柜与中控室的联接:去中控室的联线均为无源开关接线,中控室返回至电控柜的联线也均应为无源开关接点,应按所需功能对应正确,见附图1460200-2153,联接牢固,不得乱接,否则在控制上会出现控制错误和破坏设备的可能,线路联接完成,均应仔细核对,不得有误。
建议联接的控制电缆应≥1mm2。
5 投运前的准备5.1 按电动机铭牌参数检查并校定电机控制回路热过载继电器的整定值。
5.2合上小型断路器,分别点动油泵启动按钮,检查电动机的旋向是否和标记一致,若方向相反,则任意交换两相电机电源,直至方向完全正确。
供油装置使用说明书杭州汽轮机股份有限公司辅机分公司2002年6月目录一、供油装置的简介1、性能简介 (3)2、接口尺寸表 (3)3、安装基础图…………………………………………………….44、外型图 (4)5、主要组成部套(设备)说明5.1油箱 (7)5.2油箱排风机 (9)5.3主辅油泵 (9)5.4事故油泵 (9)5.5仪表架 (10)5.6调节油滤油器 (10)5.7润滑油滤油器 (12)5.8双联板式冷油器 (13)5.9蓄能器 (14)5.10排汽阻油器 (14)5.11温控阀 (15)5.12三通切换装置 (15)二、供油装置的运行1、供油装置的安装 (16)2、供油装置运行前的检验 (16)3、供油装置的运行 (16)4、供油装置的检修 (17)一、供油装置的简介1、性能简介:1.1供油装置为集中油站,两个供油装置为对称布置。
1.2供油装置的型号为:YG-0630—05和YG—0630—06。
1.3供油装置供汽轮机润滑油、调节油和盘车油。
1.4本供油装置的没汁和制造,按照标准:ZBK54036—89 《工业汽轮机润滑和调节供油系统技术条件》。
带单独的溢流底盘,仪表架(带接线盒)。
1.5本供油装置的使用环境为:电气防爆等级为: dIIBT41.6正常工况下的供油参数如下:1.6.1供给汽轮机和给水泵的润滑油,经过节流阀、冷油器和润滑油滤油器。
供油参数如下:油量为: 26m3/h,油的过滤精度为: 25μm,油压为: 0.25MPa,油温为: 45”—:℃1.6.2供给汽轮机的调节油,不经过冷油器,经过节流阀、调节油滤油器。
供油参数如下:油量为: 1m3/h,油的过滤精度为: 25μm,油压为: 0.9MPa,油温为: 43~60℃1.6.3供给汽轮机的盘车油,不经过节流阀、冷油器和滤油器,直接取自主油泵出来的油,并且要求二台油泵同时运行。
供油参数如下:油量为: 75m3/h,油压为: 0.6MPa,油温为: 43~60℃1.7事故状态下润滑油供油说明在事故状态下,供给润滑系统的油,不经过节流阀、冷油器和润滑油滤油器,直接由事故油泵从油箱中打出。
供油参数如下:油量为: 18m3/h,油压为; 0.3MPa,油温为: 43~60℃2、接口尺寸表序号接口名称管口规格数量1润滑油出口DN80 PN2.5 JB/T82.112调节油出口DN50 PN2.5 JB/T82.113油箱回油口DN200 PN2.5 JB/T82.114油箱排风机出口DN80 PNO.6 JB/T8115盘车油出口DN80 PN2.5 JB/T82.116过滤机进口DN50 PN2.5 JB/T82.117过滤机出口DN50 7N2.5 JB/T82.118放油口DN50 PN2.5 JB/T82.129冷却水出口DN100 PNl.6 JB/T82.1210冷却水进口DN100 PNl.6 JB,,T82.1211油箱加油、漏气口DN50 13、安装基础图本供油装置的安装基础图见下表:地脚螺隆规格为:M20X300 GB799数量为:6个4、外型简图YG-0630-07的外型简图见第5页俯视图和第6页主视图。
YG-0630-08的外型为对称布置。
其中各件号说明如下:1油箱 2油箱排风机 3主辅油泵4事故油泵 5仪表架 6调节油滤油器7润滑油滤油器 8双联板式冷油器 9蓄能器 10底盘 11栏杆 12排汽阻油器13液位计 14温控阀5.主要组成部套(设备)说明5.1油箱数量:1台5.1.1概述在整个供油系统中,油箱是必不可少的,是储存汽轮机用润滑、调节等油,同时也是分离油中的水、气、消除泡沫和沉淀杂质的主要设备。
油箱的公称容积为:6.3m3,实际容积约为:9.8m3,初始装油量约为:9.0m3,能保证连续循环的油在油箱内有充分的停留时间。
油箱材料为:碳钢。
5.1.2油箱简图5.1.3油箱结构说明5.1.3.1油箱是密封的,能防止水和尘土进入。
5.1.3.2油箱的底部是倾斜的,在最低点有泄放口,保证能完全徘放。
5.1.3.3油箱面板上有能进入油箱进行检修的人孔。
5.1.3.4油箱回油口安装滤网,对回油进行粗滤。
保证油箱内部的清洁度。
5.1.3.5油箱上装有远传液位指示器,带高低报警,用于测量油箱油位。
5.1.3.6油箱上装有带过滤罩的排汽阻油器,能排除油箱中的油雾。
5.1.3.7油箱内部有两道隔板,尽量使回油至主油泵的流程长,充分消除泡沫及沉淀杂质。
5.1.3.8油箱上备有油净化装置接口(下面的为进口,上面的为出口)。
5.1.3.9油箱上带排风机。
5.1.3.9油箱内部在对应人孔处,安装有人梯,方便进入油箱内部。
5.1.3.10油箱顶上装有加油漏气滤网。
5.1.3.10,1加油滤器滤网的结构示意图如下:5.1.4使用与维护5.1.4.1油箱在注入油之前,应保证油箱内部是清洁的。
若有杂物或铁锈,应除去,最后再用面粉团清理。
5.1.4.2油箱所加的油应按汽轮机、给水泵润滑和汽轮机调节用油规定的牌号。
5.1.4.3油箱的加油量取决于油箱尺寸及其它设备充油时必需的注油量。
油箱第一次的加油量应高于最高油位,但低与油箱面板150mm左右。
具体数据与现场连接油管的长度等有关。
在汽轮机组运行时,油系统中的油损耗是很少的,只有当汕箱油位低与最低油位时,才有必要加油。
并且不能加的太多,以防汽轮机组停机时,回油满出油箱。
5.1.4.4若油箱内油位指示波动较大,可能是油箱排风机的风压引起的,可通调整加油漏气滤网的罩盖的位置,使压力平衡即可。
5.1.4.5可通过放水口,定期对油箱中的油进行化验,当水分等杂质的含量标时,应对油箱中的油进行净化处理。
当油的物理性能严重退化时,应进行换油。
同时由油质的分析,可了解系统运行的信息如:——油中有巴氏合金的颗粒,表明系统中有轴承损坏。
——油中有钢质颗粒,表明运转零部件金属表面碰撞。
——有中有水,表明冷油器漏水或轴封漏汽。
5.2油箱排风机数量:1台5.2.1性能参数型号: AYF7-250-1.1流量: 420 m3/h全压: 2500 Pa电机功率: 1.1 kW电机电压: 380V AC 50HZ防爆等级: dⅡBT4生产厂家:余杭市特种风机厂5.2.2使用5.2.2.1油箱排风机出口管道上应有冷凝油液的回收装置,避免冷凝油液回流至风机内,影响风机的正常使用及使用寿命。
5.2.2.2当主油泵启动后,油箱排风机就开始运行。
5.2.2.3油箱排风机作用:排出油箱内油烟,保持油箱内微负压,使回油畅通。
5.3主辅油泵数量:2台5.3.1性能参数型号: 1OOYL—120T流量: 30~85 m3/h扬程: 128~117 m电机功率: 55 KW电机电压: 380V AC 50HZ防爆等级: dIIBT4防护等级: IP54泵体材料:碳钢生产厂家:浙江水泵总厂5.3.2使用两台主辅油泵为一用一备。
其中的每一台都具有即对调节系统又滑系统供油的能力。
同时运行可满足盘车用油。
5.4 事故油泵数量:1台5.4.1性能参数型号: 2CYl8/3.6流量: 18m3/h出口压力: 0.36MPa电机功率: 5.5KW电机电压: 220V DC泵体材料:铸钢5.4.2使用在事故状态,自动提供汽轮机、给水泵的润滑用油。
5.5仪表架数量:1台5.5.1型号: YG/Y221-65475.5.2供油装置上所有压力表、压力开关及部分温度计,均安装在仪表架上。
5.5.3仪表架带接线端子箱。
供油装置上所有二次仪表的信号均通过仪表架上的接线盒接出。
5.5.4详细的布置图和接线盒端子图见资料号为:5-7397 6547-00的图纸。
5.5.5仪表架外型示意如下:5.6调节油滤油器数量:1套5.6.1滤油器型号;LY-15/25W5.6.2双联滤油器概述5.6.2.1本滤油器为网式滤油器,过滤精度高,有足够的过滤面积,清洗方便。
5.6.2.2滤油器的过滤精度为25um,其初始压差为小于0.035MPa。
5.6.2.3双联滤油器由两个滤油器和一个切换阀组装而成。
工作时,一个滤油器投入运行,另一个备用或清洗。
5.6.2.4当压差超过规定值(0.08MPa)或过滤后油的品质达不到要求时,需切换进行清洗或调换滤网。
5.6.2.5本供油装置中所配的调节油双联滤油器的公称流量为:15m3/h。
5.6.3双联滤油器结构5.6.3.1滤油器简图如下页所示:滤油器视图中各件号说明如下:1三通切换装置 2—上盖 3排气接头 4顶盖机构 5焊接壳体 6螺母7拉杆 8滤芯 9排污口5.6.3.2双联滤油器主要由滤油器壳体、滤芯和三通切换装置组成。
5.6.3.3滤油器壳体采用焊接结构,滤芯为一个折叠式滤芯。
5.6.3.4滤芯通过拉杆7和螺母6固定在壳体内。
5.6.3.5油从三通切换阀的下面接口进入滤油器,从上面接口出来。
使油通过滤油器时,油中的杂质被档在滤网外面,并有可能沉淀在壳体底部。
5.6.4双联滤油器的使用5.6.4.1转动三通切换装置的操作连杆,使三通切换装置上的油流指向器指向某个滤油器(即需使用的滤油器)。
5.6.4.2打开需使用的滤油器上的排汽接头和油箱连接管路上的放气阀。
5.6.4.3当主油泵开启后,观察滤油器上排汽接头和油箱连接管路上的窥视窗,当流出的全部为油时,表明滤油器壳体内已充满油,关闭放气阀。
5.6.4.4滤油器已正常投入使用。
5.6.5双联滤油器的切换5.6.5.1滤油器的正常压差≤0.035MPa。
当滤油器的压差≥O.06MPa时,或过滤后油的品质达不到要求时,需切换进行清洗或调换滤网。
5.6.5.2切换操作顺序如下:1、观察三通切换装置上的油流指向器,搞清备用滤油器。
2、打开备用滤油器上的排汽接头和油箱连接管路上的放气阀。
3、再打开三通切换装置上的压力平衡阀。
让备用的滤油器壳体内充油。
4、观察备用滤油器上排汽接头和油箱连接管路上的窥视窗,当流出的全部为油时,表明备用滤油器壳体内已充满油,关闭放气阀。
5、转动三通切换装置的手柄,观察三通切换装置上的油流指向器,使备用的滤油器投入使用。
6、关闭压力平衡阀。
7、检修被替换下来的滤油器。
5.6.5.3清洗或检修操作顺序如下:1、通过排污口9放掉滤油器壳体内的剩油。
2、打开盖2,拧掉螺母6。
3、取出折叠式滤芯。
4、用汽油等清洗剂或专用设备清洗滤芯,然后用压缩空气吹干。
5、若滤网已损坏,则应换用备用滤芯。
6、把滤油器壳体内的污物清洗干净。
7、重新装配时,应把O型密封圈安装好,才能紧固螺母6。
5.7润滑油滤油器数量:1套5.7.1滤油器型号:LY-48/25W5.7.2本供油装置中所配的润滑油双联滤油器的公称流量为:48m3/h。
过滤精度为25um。