2017电商客服绩效考核表
- 格式:xls
- 大小:29.50 KB
- 文档页数:4
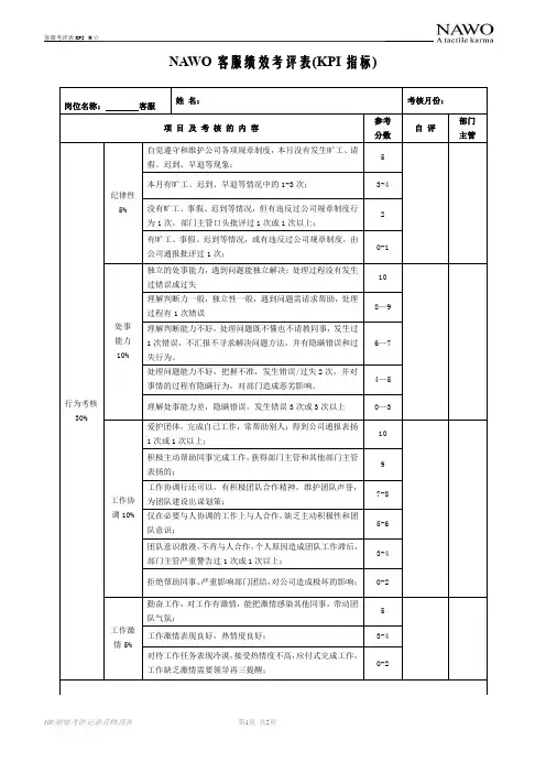
NAWO客服绩效考评表(KPI指标)岗位名称:客服姓名:考核月份:项目及考核的内容参考分数自评部门主管行为考核30% 纪律性5%自觉遵守和维护公司各项规章制度,本月没有发生旷工、请假、迟到、早退等现象;5 本月有旷工、迟到、早退等情况中的1-3次;3-4没有旷工、事假、迟到等情况,但有违反过公司规章制度行为1次,部门主管口头批评过1次或1次以上;2 有旷工、事假、迟到等情况,或有违反过公司规章制度,由公司通报批评过1次;0-1处事能力10%独立的处事能力,遇到问题能独立解决;处理过程没有发生过错误或过失10理解判断力一般,独立性一般,遇到问题需请求帮助,处理过程有1次错误8—9 理解判断能力不好,处理问题既不懂也不请教同事,发生过1次错误,不汇报不寻求解决问题方法,并有隐瞒错误和过失行为。
6—7处理问题能力不好,把握不准,发生错误/过失2次,并对事情的过程有隐瞒行为,对部门造成恶劣影响。
4—5 理解处事能力差,隐瞒错误,发生错误3次或3次以上0—3工作协调10%爱护团体,完成自己工作,常帮助别人;得到公司通报表扬1次或1次以上;10积极主动帮助同事完成工作,获得部门主管和其他部门主管表扬的;9 工作协调行还可以,有积极团队合作精神,维护团队声誉,为团队建设出谋划策;7-8 仅在必要与人协调的工作上与人合作,缺乏主动积极性和团队意识;5-6 团队意识散漫,不肯与人合作,个人原因造成团队工作滞后,部门主管严重警告过1次或1次以上;3-4 拒绝帮助同事、严重影响部门团结,对公司造成极坏的影响;0-2工作激情5%勤奋工作,对工作有激情,能把激情感染其他同事,带动团队气氛;5 工作激情表现良好,热情度良好;3-4对待工作任务表现冷漠,接受热情度不高,应付式完成工作,工作缺乏激情需要领导再三提醒;0-2岗位职责考核70% 工作业绩40%对本网店客服工作操作熟练、对待客户疑问能迅速在线解决;销售额完成个人任务的100%或以上;40工作态度端正,销售服务认真勤奋,对待客户疑问能迅速在线解决;销售额完成个人任务的80%-90%;35-39 工作态度端正,销售认真勤奋,对待客户疑问能迅速在线解决;销售额完成个人任务的60%-70%;28-34工作态度端正,销售认真勤奋,对待客户疑问能迅速在线解决;销售额完成个人任务的50%,并无客户投诉出现;23-27 业务知识不熟,服务流程不熟练,销售额完成80%以下;16-22对待客户热情度一般,态度散漫;对公司产品不熟悉,误导客户,严重影响到公司服务形象,客户投诉1次或1次以上;销售额完成80%以下;11-15对待客户态度散漫,应付式、不礼貌,沟通时与客户发生语言冲突,客户严重投诉1次,导致客户流失,严重影响公司形象;6-10对待客户态度散漫,应付式、不礼貌,沟通时与客户发生语言冲突,客户严重投诉2次或2次以上;0-5处理投诉及售后工作20%1、处理及时;2、反馈及时;3、无错误;4、客户满意(当四个选项同时为肯定时,满分)201、处理及时;2、反馈及时;3、无错误;4、客户满意(四项任一项出现1次否定)16-191、处理及时;2、反馈及时;3、无错误;4、客户满意(四项任两项出现否定)15-101、处理及时;2、反馈及时;3、无错误;4、客户满意(四项任三项项出现否定)5-91、处理及时;2、反馈及时;3、无错误;4、客户满意(四项任三项项出现多次否定)0-5协助网络推广(连带销售)工作5%完成销售工作之外,为增加销售业绩;在线自觉主动进行宣传推广或连带销售工作;5 基本网络推广(连带销售)工作不熟悉,缺少主动性做推广(连带销售)工作;3-4 未能配合推广(连带销售)工作;0-2 做好工作总结,提出合理建议 5%按要求写好周/月总结报表,总结问题提升业绩,同时对团队提出建设性意见,并被采纳;5 多次积极提出合理建议;3-4对团队建设缺乏热情,表现不积极;0-2考核人签名考核日期总评总经理确认:绩效值考评权重为:个人40%、主管60% 计算绩效值。
客服人员绩效考核表推广专员绩效考核表考核周期仓储专员绩效考核表绩效考核指标——KPI绩效管理体系设计实例一、目的1.使本绩效管理体系更具可操作性2.在企业自我完善绩效管理体系的方法论进程中起到抛砖引玉的作用二、考核操作的一般性原则1.指标数量的设定:1)根据经验,考核指标的数量以6-8个为宜,指标应当能够反映考核重点,突出核心业务;如果涉及内容多且琐碎,用6-8个指标不能充分反映全部工作内容,建议建立一个“其他工作完成情况”的考核指标,将相对不重要的业务放在其中一起考察。
但指标总数最好不要超过8个。
2)对指标数量的控制主要是为了实现对关键业务的考核,同时也能提高考核效率。
2.评价标准的制定1)容易量化的指标对于容易量化的指标,评价标准一定要量化,可以用比值,比如将标准设成:“成本控制在85%以内”;也可以用区间,比如:“贷款回收率在98%—99%”。
根据具体情况,如果有必要,可以将评价标准设为A/B/C/D/E五等,示例:也可以设为A/C/E三等(或C/D/E三等)。
示例:2)不容易量化的指标对于不容易量化的指标,如果行为描述可以描述清晰任务完成情况,则通常有两种方法:一种是将可以量化的部分量化,不易量化的部分用行为描述;另一种是全部采用行为描述。
两种方法分别示例如下:部分量化+行为描述全部行为描述示例:3. 考核频率1)对职能部门的考核在现阶段以季度考核为宜,原因有两点:首先是季度考便于监控,便于发挥考核对任务执行的监督功能;其次是在运作初期,季度考有利于尽快积累操作经验,促进考核工作的尽快成熟。
在积累一定的经验之后,随着考核操作的熟练,可以改为年度考。
2)根据公司的实际情况,在目前阶段对业务经理的考核也以季度考为宜,这样可以促使被考核者注重平时的工作,避免为了取得好的考核结果而在年末累计做单的情况发生。
如果在具体指标结果方面实在难以季度核算,此项考核也可定为年度。
三、对几个特殊指标/部门/人员的考核1.满意度指标1)评价结果核算=满意度调查结果×权重2)单一的满意度数据没有意义,满意度指标只有与历史数据或同行数据比较才有价值。
电商客服绩效考核表电商客服绩效考核是企业用于评估客服员工工作表现的重要工具。
通过绩效考核,可以全面了解客服员工的工作质量和工作效率,为客服员工提供改进和发展的机会。
以下是一份电商客服绩效考核表的相关参考内容:1. 服务态度- 主动性:客服员工是否主动与客户沟通,主动解决问题,主动提供帮助。
- 专业性:客服员工是否能够提供准确、专业的产品知识和技术支持。
- 反应速度:客服员工是否能够及时回复客户的咨询和投诉,并在合理的时间范围内解决问题。
2. 对客户需求的理解和解决能力- 问题清晰度:客服员工在与客户沟通时是否能够准确理解客户的问题和需求。
- 解决方案:客服员工是否能够快速、准确地给出解决问题的方案,并且能够在解决问题的过程中提供相应的服务支持。
- 协作能力:客服员工是否能够与其他部门或同事合作,协同解决客户问题。
3. 技能应用和成果达成- 沟通能力:客服员工是否能够用清晰、准确的语言和客户进行有效的沟通。
- 问题解决能力:客服员工是否能够独立分析和解决复杂问题,提高客户问题解决率。
- 服务质量:客服员工是否能够保持良好的服务质量,通过服务质量的提升提高客户满意度。
4. 工作效率和自我管理- 工作负荷:客服员工能否合理分配和控制自己的工作负荷,保证高质量的工作完成。
- 时间管理:客服员工是否能够高效利用工作时间,合理安排优先级,完成任务。
- 自我学习和进步:客服员工是否能够积极学习和培养自己的专业知识和技能,并不断提升自己的工作能力。
5. 团队协作能力- 知识分享:客服员工是否能够主动分享自己的工作经验和知识,帮助团队提升整体业绩。
- 合作关系:客服员工是否能够与团队成员保持良好的合作关系,共同达成团队目标。
- 团队精神:客服员工是否能够积极参与团队活动,建设团队文化,提升团队凝聚力。
绩效考核表可以根据具体的企业情况进行个性化调整和补充,以适应不同的工作环境和业务要求。
同时,考核结果也应该是客服员工个人发展和激励的重要参考依据,帮助客服员工了解自己的工作优势和不足,并为个人职业发展提供指导和目标。
客服专员绩效考核表
员工姓名:XX。
考试期间:
服务表现:
1.做事认真负责:
考核结果:表现良好,能够认真负责地完成工作任务,有较强的责任心。
2.客户服务态度:
考核结果:表现优秀,服务态度热情、专业,能细致、耐心地对待客户,确保客户满意。
3.沟通能力:
考核结果:表现优异,收发消息准确、及时,能够准确把握客户的需求,有效地进行沟通交流。
4.工作效率:
考核结果:表现良好,能够按时完成工作任务,处理突发情况及时把握,确保工作顺畅进行。
总体评价:
此次考核,XX的表现良好,能够积极地完成自己的工作,服务态度热情、责任心强,沟通能力出色、工作效率较高,可以得到全面肯定。
电商客服绩效考核表电商客服绩效考核表是根据电商客服的工作要求和职责,为评估客服人员的工作表现和绩效而设计的一种考核工具。
下面是一份电商客服绩效考核表的参考内容:一、服务态度1. 电话礼仪是否能通过电话展现亲和力和专业态度,包括问候语、感谢用语等。
2. 回复速度是否能及时回复用户的咨询和投诉,对紧急事务能够快速反应和处理。
二、问题解决能力1. 知识掌握是否熟悉公司的产品和服务,能够准确解答回复用户的问题。
2. 问题解决率针对用户提出的问题,是否能够达到高解答率和满意度,确保问题得到有效解决。
三、沟通能力1. 言语表达是否能够清晰明了地表达意思,使用亲切友好的语气与用户进行良好的沟通。
2. 听取用户意见和反馈是否有耐心倾听用户的反馈,能够及时采取措施解决用户的问题和满足他们的需求。
四、团队合作1. 协作能力是否能积极参与团队合作,协同其他部门解决问题和推动工作的进展。
2. 知识共享是否能分享自己的知识和经验给团队成员,提高整个团队的综合能力。
五、个人贡献1. 问题处理量工作期间能够有效处理的用户问题数量,展示出高效率和高生产力。
2. 用户评价用户对客服的评价,包括满意度、建议和投诉等,展示客服在用户心目中的形象。
六、工作质量1. 工作纪律是否能按时完成部门的工作任务,遵守公司的工作规范和流程。
2. 工作准确性工作中是否出现过错误或差错,是否准确完成工作任务。
七、专业知识1. 学习能力是否愿意不断学习新知识,提升自己在电商行业的专业素养。
2. 行业了解是否对电商行业发展趋势、市场竞争状况等有一定的了解和认知。
在对电商客服进行绩效考核时,可以根据以上内容制定具体的评分标准和考核方案,以实际情况和公司需求为参考,注重客服人员的服务质量和工作绩效,从而提升客户满意度和促进公司的业务发展。
电子商务客服人员月度绩效考核表XXXXXXXXX有限公司行政部表格111一,一场秋雨一地寒。
一栏落霞一处忧,一卷诗情一夕游。
林红叶一霜染一渡飞瀑半山下,一行白鹤越峰翔。
一竿怅惘一蓑远,一船离愁一帆行。
一梦十年一回首,一丝垂纶一苇轻。
一枕乡思黄花瘦,一雁独行一弓惊。
电子商务部客服人员月度绩效考核表考核部门电子商务部姓名考核月份年月考核指标考核标准得分协调与沟通商品专业知识 (同事与部门) (熟练掌握) 工作态度工作效率工作主动性 (解决问题能力) (敬业爱岗) (30分) 迟到早退请假模拟接待抽查 (每次1分) (积极心态)比率扣分比率扣分比率扣分比率扣分得分咨询转化率(5分) 0%~20% 4 20%~30% 3 30%~50% 2 60%以上 0 平均响应时间 200秒以上5 100-200秒 3 51-100秒 1 1-50秒 0 (5分)客户流失率 80%以上 5 60%~80% 3 40%~60% 2 40%以下 0 (5分)10分订单总金额元;部门平均成交金额元;成交额转换率 %; 10分累计订单起;平均客单价元;累计废单起 10分退款率 %;退货率 %;换货率 % 10分本月差评次; (平均2分/次,扣完为止)5分本月总错件单;个人单,比例 %;损失额度元 5分客户投诉量总数起,个人起,占部门的 % 5分部门主管整体评价: ?优秀 ?标准 ?也还好 ?一般 ?有待改进本月考评分数考评人考评意见注:付款率=咨询下单付款数/咨询下单的订单数退款率=退款订单数/下单并付款总数咨询转化率=订单数/咨询总数异常订单比例=个人错件单数/错件订单总数销售订单比重=在所有有效订单中的销售比重平均客单价=实付款总金额/下单数辗转异地一衫泪,曾记当年一伞轻。
西子湖畔一相逢,断桥一诺金山漫。
XXXXXXXXX有限公司行政部表格111一,一场秋雨一地寒。
一栏落霞一处忧,一卷诗情一夕游。
林红叶一霜染一渡飞瀑半山下,一行白鹤越峰翔。
电子商务客户服务绩效考核表1. 背景说明这份文档旨在确定电子商务客户服务团队的绩效考核指标,以评估他们在客户服务方面的表现和贡献。
2. 绩效考核指标考虑到电子商务客户服务的特点和目标,我们建议以下指标来评估团队成员的绩效:2.1 响应时间- 团队成员应在收到客户服务请求后的一小时内做出回应。
- 针对问题的复杂性,合理时间内给出解决方案。
2.2 问题解决率- 团队成员应确保尽快解决客户的问题。
- 考虑到问题的性质,团队成员应寻求最佳解决方案并与客户沟通。
2.3 客户满意度- 客户满意度应通过评估客户反馈和评分来衡量。
- 团队成员应积极倾听客户需求并提供满足其期望的服务。
2.4 协作能力- 团队成员应积极与其他部门合作以解决客户问题。
- 团队成员应在需要时向其他团队成员提供支持和协助。
3. 考核方式为了评估团队成员在以上指标上的表现,我们提出以下考核方式:3.1 定期回顾- 团队成员和直属主管应定期举行个人绩效回顾会议。
- 在会议上讨论团队成员在各个指标上的表现,并给予适当的反馈和指导。
3.2 客户反馈- 客户可以通过反馈表或满意度评分表对团队成员进行评价。
- 这些反馈将作为考核团队成员绩效的参考依据之一。
3.3 累计绩效评估- 根据团队成员在以上指标上的表现,每个团队成员维护一个绩效评估表。
- 绩效评估表可以包括目标达成情况、贡献度和客户满意度评分等。
4. 奖励与反馈为了激励团队成员并促进他们的发展,我们建议以下奖励与反馈措施:4.1 奖励制度- 根据团队成员的表现,设立奖励制度以鼓励优秀绩效。
- 奖励可以是薪资调整、明星员工表彰或其他奖励机制。
4.2 反馈和发展- 团队成员应定期收到直属主管的反馈和指导,以帮助他们改进和发展。
- 提供培训和发展计划,以提升团队成员的技能和知识。
5. 绩效考核结果使用考核结果应用于评估团队成员的工作表现,同时也可以作为晋升、奖励和培训决策的依据。
以上为电子商务客户服务绩效考核表的内容,旨在评估团队成员在客户服务方面的绩效表现和贡献。
电子商务售后绩效考核表请选择:□助理□文员□其他姓名部门职等出勤奖惩迟到旷工产假婚假丧假病假事假奖励处分加(扣)分项目评价内容配分自评直接主管复评间接主管复评处理能力理解力极强,对事务判断极正确,处理力极强 6(注:请参照左边5项择一如实给定评分)(注:请参照左边5项择一如实给定评分)(注:请参照左边5项择一如实给定评分)理解力强,对事务判断正确,处理力强 5理解、判断力一般,处理事务不常有错误 4理解较迟钝,对复杂事务判断力不够 3迟钝、理解判断力不良,经常无法处理事务 1协调性与人协调无间,为工作顺利完成尽最大努力 6(注:请参照左边5项择一如实给定评分)(注:请参照左边5项择一如实给定评分)(注:请参照左边5项择一如实给定评分)爱护团体,常协助别人 5肯应别人要求帮助他人 4仅在必须与协调的工作上与人合作 3精神散漫,不肯与别人合作 1责任感任劳任怨,竭尽所能达成任务 6(注:请参照左边5项择一如实给定评分)(注:请参照左边5项择一如实给定评分)(注:请参照左边5项择一如实给定评分)工作努力,分内工作非常完善 5有责任心,能自动自发 4交付的工作需要督促方能完成 3敷衍了事,无责任心,做事粗心大意 1积极性奉公守法,足为他人楷模 6(注:请参照左边5项择一如实给定评分)(注:请参照左边5项择一如实给定评分)(注:请参照左边5项择一如实给定评分)热心工作,支持公司方面的政策 5对本身工作感兴趣,不于工作时间开无聊玩笑 4工作无恒心、精神不振,不满现实 3态度傲慢,常唆使别人向厂方提不合理要求 1工作勤惰不浪费时间,不畏劳苦,交付工作抢先完成 6(注:请参照左边5项择一如实给定评分)(注:请参照左边5项择一如实给定评分)(注:请参照左边5项择一如实给定评分)守时守规,不偷懒勤奋工作 5虽少迟到早退,但上班后常不在工作岗位 4借故逃避繁重工作,不守工作岗位 3时常迟到早退,工作不力时常远离工作岗位 1备注:1、本考核总分100分。
第1章总则第1条目的1.客观公正评价员工的工作业绩、工作能力及工作态度,促使员工不断提高工作绩效和自身能力,提升企业的整体运行效率和经济效益。
2.为员工的薪酬决策、培训规划、职位晋升、岗位轮换等人力资源管理工作提供决策依据。
第2条适用对象本制度适用于公司所有客服人员,但考评期内未到岗累计超过2个月(包括请假及其他原因缺岗)的员工不参与当期考核。
第2章绩效考核内容第3条工作业绩工作业绩主要从月销售额和对上级主管安排的任务的完成情况来体现。
第4条工作能力根据本人实际完成的工作成果及各方面的综合素质来评价其工作技能和水平,如专业知识掌握程度、学习新知识的能力、沟通技巧及语言文字表达能力等。
第5条工作态度主要对员工平时的工作表现予以评价,包括客户纠纷、积极性、主动性、责任感、信息反馈的及时性等。
第3章绩效考核实施第6条考核周期根据岗位需要,对员工实施月度考核,其实施时间分别是下一个月的 5 ~ 10 日。
第7条考核实施1.考核者依据制定的考核指标和评价标准,对被考核者的工作业绩、工作能力、工作态度等方面进行评估,并根据考核分值确定其考核等级。
2.考核者应熟悉绩效考核制度及流程,熟练使用相关考核工具,及时与被考核者沟通,客观公正地完成考评工作.第4章考核结果应用第8条根据员工的考核结果,将其划分为5个等级,主要应用于职位晋升、培训需求、绩效提成发放、岗位工资调整等方面,具体应用如下表所示:考核结果应用表第9条个人销售绩效提成计算方法:第10条公共销售绩效提成计算方法:公共销售绩效提成=公共销售业绩总额×1%÷客服人数第11条客服工作失误导致损失由责任客服承担相应损失第12条最终工资计算方法:当月工资=岗位工资+个人绩效提成+公共绩效提成+工龄工资—损失工资第12条连续3个月考核优秀以上的,将给予一次性200元的奖励;连续3个月考核不及格的,自动请辞。
第5章附则第13条本制度由公司人事部制定,报总经理审批后实施,修改时亦同.第14条本制度自2017年02月01日起执行。
第1章总则第1条目的1.客观公正评价员工的工作业绩、工作能力及工作态度,促使员工不断提高工作绩效和自身能力,提升企业的整体运行效率和经济效益。
2.为员工的薪酬决策、培训规划、职位晋升、岗位轮换等人力资源管理工作提供决策依据.第2条适用对象本制度适用于公司所有客服人员,但考评期内未到岗累计超过2个月(包括请假及其他原因缺岗)的员工不参与当期考核。
第2章绩效考核内容第3条工作业绩工作业绩主要从月销售额和对上级主管安排的任务的完成情况来体现。
第4条工作能力根据本人实际完成的工作成果及各方面的综合素质来评价其工作技能和水平,如专业知识掌握程度、学习新知识的能力、沟通技巧及语言文字表达能力等。
第5条工作态度主要对员工平时的工作表现予以评价,包括客户纠纷、积极性、主动性、责任感、信息反馈的及时性等。
第3章绩效考核实施第6条考核周期根据岗位需要,对员工实施月度考核,其实施时间分别是下一个月的 5 ~ 10 日.第7条考核实施1.考核者依据制定的考核指标和评价标准,对被考核者的工作业绩、工作能力、工作态度等方面进行评估,并根据考核分值确定其考核等级。
2.考核者应熟悉绩效考核制度及流程,熟练使用相关考核工具,及时与被考核者沟通,客观公正地完成考评工作.第4章考核结果应用第8条根据员工的考核结果,将其划分为5个等级,主要应用于职位晋升、培训需求、绩效提成发放、岗位工资调整等方面,具体应用如下表所示:考核结果应用表第9条个人销售绩效提成计算方法:第10条公共销售绩效提成计算方法:公共销售绩效提成=公共销售业绩总额×1%÷客服人数第11条客服工作失误导致损失由责任客服承担相应损失第12条最终工资计算方法:当月工资=岗位工资+个人绩效提成+公共绩效提成+工龄工资-损失工资第12条连续3个月考核优秀以上的,将给予一次性200元的奖励;连续3个月考核不及格的,自动请辞.第5章附则第13条本制度由公司人事部制定,报总经理审批后实施,修改时亦同.第14条本制度自2017年02月01日起执行。