烟气折算浓度、排放速率计算
- 格式:xls
- 大小:41.50 KB
- 文档页数:3
综合烟尘排放浓度计算公式烟尘排放是工业生产和能源消耗过程中不可避免的环境问题,对大气质量和人类健康造成了严重影响。
因此,对烟尘排放浓度进行准确的监测和计算是非常重要的。
在工业生产和环境保护领域,烟尘排放浓度的计算公式是一个基础且关键的问题,它可以帮助我们了解烟尘排放的情况,指导我们进行环境保护和治理。
烟尘排放浓度计算公式的推导和应用是一个复杂而又具有挑战性的问题。
一般来说,烟尘排放浓度的计算需要考虑烟气的流速、温度、湿度、烟气中烟尘的质量浓度等多种因素。
在实际工程中,我们需要根据具体的情况和要求来选择合适的计算方法和公式。
在烟尘排放浓度的计算中,常用的方法包括质量平衡法、排放系数法、浓度测定法等。
其中,排放系数法是一种比较常用的方法,它通过测定烟尘排放源的排放速率和烟气中烟尘的质量浓度,来计算烟尘排放浓度。
排放系数法的计算公式如下:烟尘排放浓度 = 烟尘排放速率 / 烟气流量。
其中,烟尘排放速率是指单位时间内烟尘排放的质量,通常以克/小时或者毫克/立方米为单位;烟气流量是指单位时间内烟气通过的体积,通常以立方米/小时为单位。
通过这个公式,我们可以比较容易地计算出烟尘排放浓度。
除了排放系数法,还有一些其他的计算方法和公式,比如质量平衡法可以考虑烟尘在烟气中的分布和迁移,从而更准确地计算烟尘排放浓度。
另外,浓度测定法可以通过实际的浓度测量数据来进行计算。
在实际工程中,我们需要根据具体的情况和要求来选择合适的计算方法和公式。
在进行烟尘排放浓度计算时,我们还需要考虑烟尘排放源的特性和环境因素等。
比如,燃煤锅炉和工业炉烟尘排放浓度的计算方法可能会有所不同,因为它们的烟气成分和排放特点不同。
此外,环境因素如气温、湿度等也会对烟尘排放浓度的计算产生影响。
因此,在进行烟尘排放浓度计算时,我们需要全面考虑各种因素,选择合适的计算方法和公式。
总之,烟尘排放浓度计算是一个重要而复杂的问题,在工业生产和环境保护中具有重要的应用价值。
烟气折算公式流速Vs = Kv * Vp其中Vs 为折算流速Kv为速度场系数Vp 为测量流速粉尘1 粉尘干基值DustG = Dust / ( 1 – Xsw / 100 )其中DustG 为粉尘干基值Dust 为实测的粉尘浓度值Xsw 为湿度2 粉尘折算DustZ = DustG * Coef其中DustZ 为折算的粉尘浓度值DustG 为粉尘干基值Coef 为折算系数,它的计算方式如下:Coef = 21 / ( 21 - O2 ) / Alphas其中O2 为实测的氧气体积百分比。
Alphas 为过量空气系数(燃煤锅炉小于等于45.5MW折算系数为1.8; 燃煤锅炉大于45.5MW折算系数为1.4; 燃气、燃油锅炉折算系数为1.2)3粉尘排放率DustP = DustG * Qs / 1000000其中DustP 为粉尘排放率Dust 为粉尘干基值Qs 为湿烟气流量,它的计算方式如下:Qs = 3600 * F * Vs其中Qs 为湿烟气流量F 为测量断面面积Vs 为折算流速SO21 SO2干基值SO2G = SO2 / ( 1 – Xsw / 100 )其中SO2G 为SO2干基值SO2 为实测SO2浓度值Xsw 为湿度2 SO2折算SO2Z = SO2G * Coef其中SO2Z 为SO2折算率SO2G 为SO2干基值Coef 为折算系数,具体见粉尘折算3 SO2排放率SO2P = SO2G * Qsn / 1000000其中SO2P 为SO2排放率SO2G 为SO2干基值Qsn 为干烟气流量,它的计算方式如下:Qsn = Qs * 273 / ( 273 + Ts ) * ( Ba + Ps ) / 101325 * ( 1 – Xsw / 100 ) 其中Qs 为湿烟气流量Ts 为实测温度Ba 为大气压力Ps 为烟气压力Xsw 为湿度NO1 NO干基值NOG = NO / ( 1 – Xsw / 100 )其中NOG 为NO干基值NO 为实测NO浓度值Xsw 为湿度2 NO折算NOZ = NOG * Coef其中NOZ 为NO折算率NOG 为NO干基值Coef 为折算系数,具体见粉尘折算3 NO排放率NOP = NOG * Qsn / 1000000其中NOP 为NO排放率NOG 为NO干基值Qsn 为干烟气流量,它的计算方式如下:Qsn = Qs * 273 / ( 273 + Ts ) * ( Ba + Ps ) / 101325 * ( 1 – Xsw / 100 ) 其中Qs 为湿烟气流量Ts 为实测温度Ba 为大气压力Ps 为烟气压力Xsw 为湿度。
烟气折算公式流速Vs = Kv * Vp其中Vs 为折算流速Kv为速度场系数Vp 为测量流速粉尘1 粉尘干基值DustG = Dust / ( 1 – Xsw / 100 )其中DustG 为粉尘干基值Dust 为实测的粉尘浓度值Xsw 为湿度2 粉尘折算DustZ = DustG * Coef其中DustZ 为折算的粉尘浓度值DustG 为粉尘干基值Coef 为折算系数,它的计算方式如下:Coef = 21 / ( 21 - O2 ) / Alphas其中O2 为实测的氧气体积百分比。
Alphas 为过量空气系数(燃煤锅炉小于等于折算系数为; 燃煤锅炉大于折算系数为; 燃气、燃油锅炉折算系数为3粉尘排放率DustP = DustG * Qs / 1000000其中DustP 为粉尘排放率Dust 为粉尘干基值Qs 为湿烟气流量,它的计算方式如下:Qs = 3600 * F * Vs其中Qs 为湿烟气流量F 为测量断面面积Vs 为折算流速SO21 SO2干基值SO2G = SO2 / ( 1 – Xsw / 100 )其中SO2G 为SO2干基值SO2 为实测SO2浓度值Xsw 为湿度2 SO2折算SO2Z = SO2G * Coef其中SO2Z 为 SO2折算率SO2G 为SO2干基值Coef 为折算系数,具体见粉尘折算3 SO2排放率SO2P = SO2G * Qsn / 1000000其中SO2P 为SO2排放率SO2G 为SO2干基值Qsn 为干烟气流量,它的计算方式如下:Qsn = Qs * 273 / ( 273 + Ts ) * ( Ba + Ps ) / 101325 * ( 1 – Xsw / 100 )其中Qs 为湿烟气流量Ts 为实测温度Ba 为大气压力Ps 为烟气压力Xsw 为湿度NO1 NO干基值NOG = NO / ( 1 – Xsw / 100 )其中NOG 为NO干基值NO 为实测NO浓度值Xsw 为湿度2 NO折算NOZ = NOG * Coef其中NOZ 为 NO折算率NOG 为NO干基值Coef 为折算系数,具体见粉尘折算3 NO排放率NOP = NOG * Qsn / 1000000其中NOP 为NO排放率NOG 为NO干基值Qsn 为干烟气流量,它的计算方式如下:Qsn = Qs * 273 / ( 273 + Ts ) * ( Ba + Ps ) / 101325 * ( 1 – Xsw / 100 )其中Qs 为湿烟气流量Ts 为实测温度Ba 为大气压力Ps 为烟气压力Xsw 为湿度。
烟气折算公式流速Vs = Kv *Vp其中Vs 为折算流速Kv为速度场系数Vp 为测量流速粉尘1 粉尘干基值DustG = Dust / ( 1 – Xsw / 100 )其中DustG 为粉尘干基值Dust 为实测的粉尘浓度值Xsw 为湿度2 粉尘折算DustZ = DustG *Coef其中DustZ 为折算的粉尘浓度值DustG 为粉尘干基值Coef 为折算系数,它的计算方式如下:Coef = 21 / ( 21 - O2 )/ Alphas其中O2 为实测的氧气体积百分比。
Alphas 为过量空气系数(燃煤锅炉小于等于45.5MW折算系数为1。
8;燃煤锅炉大于45.5MW折算系数为1。
4;燃气、燃油锅炉折算系数为1.2)3粉尘排放率DustP = DustG *Qs / 1000000其中DustP 为粉尘排放率Dust 为粉尘干基值Qs 为湿烟气流量,它的计算方式如下:Qs = 3600 * F * Vs其中Qs 为湿烟气流量F 为测量断面面积Vs 为折算流速SO21 SO2干基值SO2G = SO2 / (1 – Xsw / 100 )其中SO2G 为SO2干基值SO2 为实测SO2浓度值Xsw 为湿度2 SO2折算SO2Z = SO2G * Coef其中SO2Z 为SO2折算率SO2G 为SO2干基值Coef 为折算系数,具体见粉尘折算3 SO2排放率SO2P = SO2G *Qsn / 1000000其中SO2P 为SO2排放率SO2G 为SO2干基值Qsn 为干烟气流量,它的计算方式如下:Qsn = Qs *273 / (273 + Ts ) * (Ba + Ps )/ 101325 * ( 1 – Xsw / 100 )其中Qs 为湿烟气流量Ts 为实测温度Ba 为大气压力Ps 为烟气压力Xsw 为湿度NO1 NO干基值NOG = NO / (1 – Xsw / 100 )其中NOG 为NO干基值NO 为实测NO浓度值Xsw 为湿度2 NO折算NOZ = NOG * Coef其中NOZ 为NO折算率NOG 为NO干基值Coef 为折算系数,具体见粉尘折算3 NO排放率NOP = NOG * Qsn / 1000000其中NOP 为NO排放率NOG 为NO干基值Qsn 为干烟气流量,它的计算方式如下:Qsn = Qs *273 / ( 273 + Ts ) *(Ba + Ps )/ 101325 *(1 – Xsw / 100 )其中Qs 为湿烟气流量Ts 为实测温度Ba 为大气压力Ps 为烟气压力Xsw 为湿度。
烟尘排放浓度折算:SOOT=SOOT 实测×211.4×(21−O2实测)×273+T 273×1030010300+P ×1(1−X 实测)其中:SOOT 实测:烟囱入口烟尘浓度,mg/m3O 实测:机组排烟氧含量,%T :机组排烟温度X 实测:机组排烟湿度,%脱硫排放浓度折算公式:折算值=(实测值mg/m3)×(氧气折算到6%)=SO2实测值×2.86×(21-6)/(21-氧量实测值)其中:2.86是PPM 换算成mg /m3的转换率。
各种种锅炉及其锅炉形式、燃烧方式的不同,锅炉过剩空气系数也不同,为了统一尺度对锅炉排放的二氧化硫进行监管,国家环保部在制定标准时定义排放浓度时也同时定义了温度K273、大气压101325pa 、锅炉烟气过剩空气系数(燃煤锅炉a =1.8,燃油、燃气锅炉a =1.2)等条件,折算到该条件下的排放浓度达到标准规定值即为“达标排放”,超过规定值即为“超标排放”。
环保局的监测数据均按标准折算,以确定是否超标应予处罚,并按此计算排放总量。
实测值与折算值得出的重量是一样的。
(过剩)空气系数过剩空气系数是燃料燃烧时实际空气需要量与理论空气需要量之比值,用“α”表示。
计算公式:α=20.9%/(20.9%-O2实测值)其中:20.9%为O2在环境空气中的含量,O2实测值为仪器测量烟道中的O2值举例:锅炉测试时O2实测值为13%,计算出的过剩空气系数α=20.9%/(20.9%-13%)=2.6国标规定过剩空气系数应按α=1.8(燃煤锅炉),α=1.2(燃油燃气锅炉)进行折算。
举例:燃煤锅炉,锅炉测试时O2实测值为13%,SO2排放值500ppm,计算出的过剩空气系数α=2.6,那么根据国标规定,折算后的SO2排放浓度=SO2实测值×(α实际值/α国标值)=500ppm×(2.6/1.8 )=722ppm举例:燃油燃气锅炉,锅炉测试时O2实测值为13%,SO2排放值500ppm,计算出的过剩空气系数α=2.6,那么根据国标规定,折算后的SO2排放浓度=SO2实测值×(α实际值/α国标值)=500ppm×(2.6/1.2 )=1083ppmPPM 是浓度单位的一种。
烟气实际排放浓度计算公式烟气排放浓度是指单位时间内排放的烟气中污染物的质量浓度,通常以mg/m3为单位。
烟气排放浓度的计算对于环保和工业生产都具有重要意义,可以帮助监测和控制大气污染物的排放,保护环境和人类健康。
在工业生产中,烟气排放浓度的监测也是必不可少的环保措施。
烟气排放浓度的计算公式是基于质量守恒和流体力学原理的,通常可以通过以下公式来计算:C = (Q Cp) / V。
其中,C代表烟气排放浓度,单位为mg/m3;Q代表单位时间内排放的烟气体积流量,单位为m3/s;Cp代表污染物的质量浓度,单位为mg/m3;V代表烟气排放的标准体积,单位为m3。
在实际应用中,烟气排放浓度的计算需要考虑到多种因素,包括烟气的温度、压力、湿度等。
这些因素会对烟气的密度和体积产生影响,需要进行修正计算。
同时,不同的污染物也有不同的计算方法,需要根据具体情况进行调整。
在工业生产中,烟气排放浓度的监测和控制是非常重要的环保工作。
通过对烟气排放浓度的实时监测,可以及时发现和解决污染物排放超标的问题,保护环境和人类健康。
同时,烟气排放浓度的计算也可以帮助企业合理安排生产,减少污染物的排放,提高资源利用效率。
除了工业生产,烟气排放浓度的计算也在环保监测和科研领域有着广泛的应用。
通过对大气污染物的排放浓度进行监测和分析,可以帮助科学家们研究大气污染的来源和传播规律,为环保政策的制定和实施提供科学依据。
在实际的烟气排放浓度计算中,还需要考虑到监测设备的精度和准确性。
监测设备的选择和维护对于计算结果的准确性有着重要的影响,需要进行严格的质量控制和校准。
同时,监测人员的专业技能和操作规范也是保证计算准确性的重要因素。
总之,烟气排放浓度的计算是环保工作和工业生产中不可或缺的重要环节。
通过科学的计算方法和监测手段,可以及时发现和解决污染物排放超标的问题,保护环境和人类健康。
同时,烟气排放浓度的计算也为科研和环保政策的制定提供了重要的数据支持。
污染物排放量及烟气
流量的计算方法
烟气流量的计算方法:
1、实际工况下湿烟气流量的计算方法:
湿烟气流量(m3/h )
=3600x 平均流速(m/s )x 烟道截面积(m2)
2、标准状态下干烟气流量的计算方法:
干烟气流量(m3/h )
=湿烟气流量(m3/h )x
273273+烟温(摄氏度)x 大气压力(pa )+烟气静压(pa )101325x (1-烟气湿度%)
3、排放速率(kg/h )
=干烟气流量(m3/h )*实测浓度(mg/m3)x10-6
4、二氧化氮折算成氮氧化物的方法:
氮氧化物的实测值(mg/m3)=一氧化氮(mg/m3)*1.53 氮氧化物的折算浓度(mg/m3)=氮氧化物(mg/m3)x 21
21−氧量÷1.91
备注:除4之外的出处见中华人民共和国环境保护行业标准(HJ/T175-2007)附件C 中的截图。
烟气折算公式欧阳光明(2021.03.07)流速Vs = Kv * Vp其中Vs 为折算流速Kv为速度场系数Vp 为测量流速粉尘1 粉尘干基值DustG = Dust / ( 1 – Xsw / 100 )其中DustG 为粉尘干基值Dust 为实测的粉尘浓度值Xsw 为湿度2 粉尘折算DustZ = DustG * Coef其中DustZ 为折算的粉尘浓度值DustG 为粉尘干基值Coef 为折算系数,它的计算方式如下:Coef = 21 / ( 21 - O2 ) / Alphas其中O2 为实测的氧气体积百分比。
Alphas 为过量空气系数(燃煤锅炉小于等于45.5MW折算系数为1.8; 燃煤锅炉大于45.5MW折算系数为1.4; 燃气、燃油锅炉折算系数为1.2)3粉尘排放率DustP = DustG * Qs / 1000000其中DustP 为粉尘排放率Dust 为粉尘干基值Qs 为湿烟气流量,它的计算方式如下:Qs = 3600 * F * Vs其中Qs 为湿烟气流量F 为测量断面面积Vs 为折算流速SO21 SO2干基值SO2G = SO2 / ( 1 – Xsw / 100 )其中SO2G 为SO2干基值SO2 为实测SO2浓度值Xsw 为湿度2 SO2折算SO2Z = SO2G * Coef其中SO2Z 为 SO2折算率SO2G 为SO2干基值Coef 为折算系数,具体见粉尘折算3 SO2排放率SO2P = SO2G * Qsn / 1000000其中SO2P 为SO2排放率SO2G 为SO2干基值Qsn 为干烟气流量,它的计算方式如下:Qsn = Qs * 273 / ( 273 + Ts ) * ( Ba + Ps ) / 101325 * ( 1 – Xsw / 100 )其中Qs 为湿烟气流量Ts 为实测温度Ba 为大气压力Ps 为烟气压力Xsw 为湿度NO1 NO干基值NOG = NO / ( 1 – Xsw / 100 )其中NOG 为NO干基值NO 为实测NO浓度值Xsw 为湿度2 NO折算NOZ = NOG * Coef其中NOZ 为 NO折算率NOG 为NO干基值Coef 为折算系数,具体见粉尘折算3 NO排放率NOP = NOG * Qsn / 1000000其中NOP 为NO排放率NOG 为NO干基值Qsn 为干烟气流量,它的计算方式如下:Qsn = Qs * 273 / ( 273 + Ts ) * ( Ba + Ps ) / 101325 * ( 1 – Xsw / 100 )其中Qs 为湿烟气流量Ts 为实测温度Ba 为大气压力Ps 为烟气压力Xsw 为湿度。
、NO —NO2 转换公式NO2=NO/30*46=NO*1.53(U23/Model1080监测的是NO,而DAS显示的为NO2,用此公式做NO/NO2的浓度转换)式中:30 为NO 的分子量46 为NO2 的分子量二、折算值计算公式1)实测过量空气系数实测过量空气系数=21 /(21- O2 )其中:21 为空气中的氧含量O2 为实际测量的氧含量2)折算系数折算系数=实测过量空气系数/标准过量空气系数其中:燃煤锅炉的标准过量空气系数为 1.43)折算值折算值=浓度*折算系数其中:折算值为NO2/SO2/CO/DUST 等污染物的折算值浓度为NO2/SO2/CO/DUST 等污染物的实测浓度三、mg/m3 和ppm 单位转换公式1)转换系数转换系数=气体分子量/22.4其中:转换系数为NO2/SO2/CO的转换系数气体分子量为NO2/SO2/CO的分子量22.4为气体摩尔体积SO2 的转换系数:64/22.4=2.857NO2 的转换系数:46/22.4=2.05CO的转换系数:28/22.4=1.252) mg/m3 和ppm 转换浓度(ppm)浓度(mg/m3)/转换系数四、标干流量计算公式1)流速计算公式V==F*C* Pk/其中:V ――流速,单位m/sF――速度场系数C ----- 皮托管系数Pd――未经开方的差压信号Pk ――开方后的差压信号2)工况流量计算公式Q1=3600*A*V其中:Q1――工况流量,单位m3/h最新范本,供参考!V ――流速3)标况流量计算公式A――管道横截面积Q 2=Q1*[(101325+P)/101325]*[273.15/(273.15+T)] 其中:Q1――工况流量,单位m3/hQ2——标况流量,单位Nm3/hP――实测烟气静压,单位PaT――实测烟气温度,单位C4)标干流量计算公式Q 3=Q2* ( 1-H/100)其中:Q3 ----- 标干流量,单位Nm3/hQ2――标况流量,单位Nm3/hH 湿度,单位%DAS 中标干流量计算过程如下:Q =3600*A*V*[(101325+P)/101325]*[273.15/(273.15+T)]* (1-H/100)=(3600/101325) *273.5* A*V*(1-H/100) (101325+P) /(273.15+T)= 9.7* A*V*(1-H/100) (101325+P) /(273.15+T)排放率(kg/h )=实测浓度(mg/m3) *标干流量(m3/h )/1000000其中:排放率为 NO2/SO2/CO/DUST 的排放率实测浓度为 NO2/SO2/CO/DUST 的实测浓度标干流量为烟道的标干流量1) 1 分钟烟气排放量1分钟烟气排放量(m3)=标干流量(m3/h )/60 2) 1 分钟污染物排放量1分钟污染物排放量(kg )=实测浓度(mg/m3) *1分钟烟气排放量(m3) /lOOOOOO 其中: 1分钟污染物排放量为 NO2/SO2/CO/DUST 的 1分钟排放量 实测浓度为 NO2/SO2/CO/DUST 的实测浓度本文档内容可以自由复制内容或自由编辑修改内容期待你的好评和关注,我们将会做得更好】五、 排放率计算公式、. 六 1 分钟排放量计算公式。
烟气co排放浓度计算公式烟气CO排放浓度计算公式。
烟气CO排放浓度计算公式是用来计算燃烧过程中产生的一氧化碳(CO)排放浓度的公式。
燃烧是工业生产和生活中常见的过程,燃烧产生的烟气中含有大量的有害气体,其中一氧化碳是其中之一。
一氧化碳是一种无色、无味、有毒的气体,对人体和环境都具有危害。
因此,对燃烧过程中产生的一氧化碳排放浓度进行监测和控制是非常重要的。
烟气CO排放浓度计算公式可以帮助我们了解燃烧过程中产生的一氧化碳排放情况,从而采取相应的措施来减少排放,保护环境和人体健康。
下面我们将介绍烟气CO排放浓度计算公式的具体内容和应用。
烟气CO排放浓度计算公式的一般形式如下:CO排放浓度 = CO排放量 / (燃料燃烧量燃料含碳量燃料CO排放率)。
其中,CO排放浓度表示烟气中CO的浓度,单位为mg/m³;CO排放量表示燃烧过程中产生的CO排放量,单位为kg;燃料燃烧量表示燃料的燃烧量,单位为kg;燃料含碳量表示燃料中含碳的质量分数;燃料CO排放率表示燃料燃烧过程中产生的CO排放率。
在实际应用中,燃烧过程中产生的CO排放量可以通过烟气分析仪等设备进行监测和测量得到;燃料燃烧量可以通过燃料消耗量进行估算;燃料含碳量可以通过燃料的化学成分进行计算得到;燃料CO排放率可以通过燃料的燃烧特性和燃烧工艺参数进行实验测定得到。
通过烟气CO排放浓度计算公式,我们可以对燃烧过程中产生的CO排放情况进行定量分析,从而找出排放的主要原因和影响因素,采取相应的措施进行控制。
例如,可以通过优化燃烧工艺,提高燃烧效率,减少CO的生成量;可以通过改变燃料的配比和使用清洁燃料来降低CO的排放浓度;可以通过安装烟气净化设备,对烟气进行处理和净化来减少CO的排放量。
烟气CO排放浓度计算公式的应用可以帮助我们实现对燃烧过程中CO排放的监测和控制,从而减少对环境和人体健康的危害。
在工业生产和生活中,燃烧是不可避免的过程,但我们可以通过科学的手段和技术手段来减少排放,保护环境和人体健康。
烟气折算公式范文
烟气折算是指将不同废气排放物的浓度转换为相应的标准单位进行比较和评估的过程。
烟气折算是环境保护领域的一个重要方法,可以帮助评估和控制大气污染的程度,确保企业废气排放达到国家或行业标准。
1.在常温常压下,将体积浓度折算为质量浓度的公式:
质量浓度=体积浓度×摩尔体积×摩尔质量
其中,质量浓度以mg/m³为单位,体积浓度以mg/m³或ppm为单位,摩尔体积以m³/mol为单位,摩尔质量以g/mol为单位。
2.将质量浓度折算为体积浓度的公式:
体积浓度=质量浓度/(摩尔质量×摩尔体积)
3.将体积浓度或质量浓度折算为质量流量的公式:
质量流量=体积浓度或质量浓度×气体流量
其中,质量流量以g/s为单位,体积浓度以mg/m³或ppm为单位,气体流量以m³/s为单位。
4.将质量流量折算为标准流量的公式:
标准流量=质量流量/(大气压力×气体摩尔质量)×标准温度
其中,标准流量以m³/s为单位,质量流量以g/s为单位,大气压力以帕斯卡(Pa)为单位,气体摩尔质量以g/mol为单位,标准温度一般为273.15 K。
此外,各国各地对于烟气折算的公式和参数有所不同,需根据具体情况和当地相关规定进行确定和调整。
在实际应用中,还需要考虑烟气的温度、湿度等因素对折算的影响,并结合各种污染物的排放标准,进行综合分析和评估。
烟气折算公式烟气折算公式流速Vs = Kv * Vp其中Vs 为折算流速Kv为速度场系数Vp 为测量流速粉尘1 粉尘干基值DustG = Dust / ( 1 – Xsw / 100 )其中DustG 为粉尘干基值Dust 为实测的粉尘浓度值Xsw 为湿度2 粉尘折算DustZ = DustG * Coef其中DustZ 为折算的粉尘浓度值DustG 为粉尘干基值Coef 为折算系数,它的计算方式如下:Coef = 21 / ( 21 - O2 ) / Alphas其中O2 为实测的氧气体积百分比。
Alphas 为过量空气系数(燃煤锅炉小于等于折算系数为; 燃煤锅炉大于折算系数为; 燃气、燃油锅炉折算系数为3粉尘排放率DustP = DustG * Qs / 1000000其中DustP 为粉尘排放率Dust 为粉尘干基值Qs 为湿烟气流量,它的计算方式如下:Qs = 3600 * F * Vs其中Qs 为湿烟气流量F 为测量断面面积Vs 为折算流速SO21 SO2干基值SO2G = SO2 / ( 1 – Xsw / 100 )其中SO2G 为SO2干基值SO2 为实测SO2浓度值Xsw 为湿度2 SO2折算SO2Z = SO2G * Coef其中SO2Z 为 SO2折算率SO2G 为SO2干基值Coef 为折算系数,具体见粉尘折算3 SO2排放率SO2P = SO2G * Qsn / 1000000其中SO2P 为SO2排放率SO2G 为SO2干基值Qsn 为干烟气流量,它的计算方式如下:Qsn = Qs * 273 / ( 273 + Ts ) * ( Ba + Ps ) / 101325 * ( 1 – Xsw / 100 )其中Qs 为湿烟气流量Ts 为实测温度Ba 为大气压力Ps 为烟气压力Xsw 为湿度NO1 NO干基值NOG = NO / ( 1 – Xsw / 100 )其中NOG 为NO干基值NO 为实测NO浓度值Xsw 为湿度2 NO折算NOZ = NOG * Coef其中NOZ 为 NO折算率NOG 为NO干基值Coef 为折算系数,具体见粉尘折算3 NO排放率NOP = NOG * Qsn / 1000000其中NOP 为NO排放率NOG 为NO干基值Qsn 为干烟气流量,它的计算方式如下:Qsn = Qs * 273 / ( 273 + Ts ) * ( Ba + Ps ) / 101325 * ( 1 – Xsw / 100 )其中Qs 为湿烟气流量Ts 为实测温度Ba 为大气压力Ps 为烟气压力Xsw 为湿度。
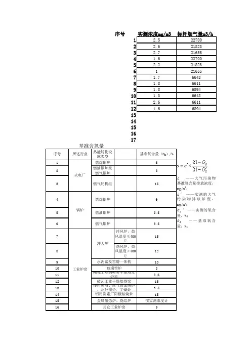
序号实测浓度mg/m3标杆烟气量m3/h基准含氧量%实测含氧量%122.622700915.2 272.92182389.1 342.42165588.6 42722270089.7 51272182389.9 62322165589.9 7664820 8661120 9689420 10664820 11661120 12689420
c ——大气污染物基准氧含量排放浓度,mg/m3;
c′ ——实测的大气污染物排放浓度,mg/m3;
O2′ ——实测的氧含量,%;
O2 ——基准氧含量,%。
折算浓度mg/m3排放速率kg/h
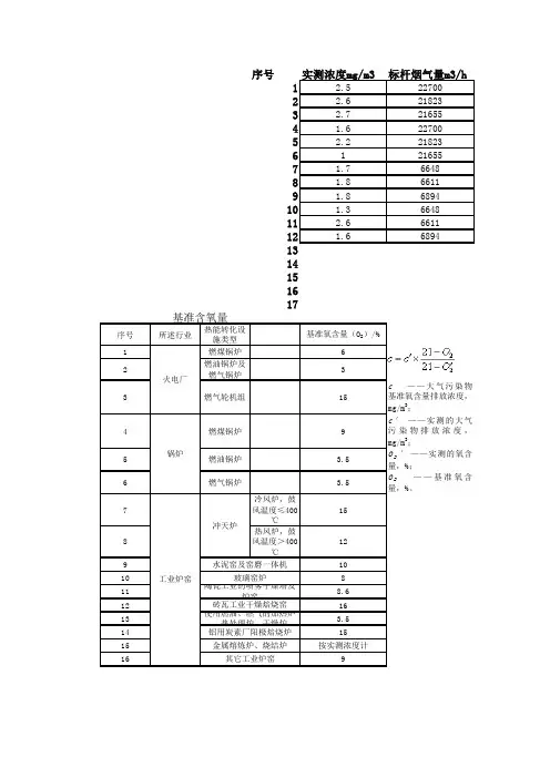
46.758620690.51302序号所述行业
热能转化设
施类型79.63865546 1.59089671燃煤锅炉44.45161290.9181722燃油锅炉及燃气锅炉312.920354 6.17443燃气轮机组148.7387387 2.7715214燃煤锅炉271.7117117 5.02396
5燃油锅炉006燃气锅炉007冷风炉,鼓风温度≤400008热风炉,鼓
风温度>400
009001000
111213141516
火电厂锅炉工业炉窑冲天炉
铝用炭素厂阳极焙烧炉金属熔炼炉、烧结炉
其它工业炉窑
基准含氧量
水泥窑及窑磨一体机玻璃窑炉
陶瓷工业的喷雾干燥塔及
炉窑
砖瓦工业干燥焙烧窑使用燃油、燃气的加热炉、热处理炉、干燥炉
基准氧含量(O2)/%
6
3
15
9
3.5
3.5
15
12
10
8
8.6
16
3.5
15
按实测浓度
计
9。