搅拌站基础承载力及罐仓抗风计算书
- 格式:doc
- 大小:17.03 KB
- 文档页数:4
地基承载力计算书1、拌合站配置情况拌和站配备2台中联-CIFA JS2000拌和机,共配置8个水泥罐,单个罐自重10吨,在装满材料时材料重按照2个150吨,2个100吨计算。
2、拌和站储料罐基础设计根据罐体基础扩大后尺寸为16.8×3.2-3.6×1.5m,由于实际需要基础扇型布置,其扇型底面积为50m2。
按照此尺寸面积检算地基承载力。
图2-1 拌和站基础平面图3、抗倾覆计算1.本次计算按空罐在10级风作用下的倾覆稳定性验算每个储料罐空壳及支起架重为10t,设计储料罐容装水泥重150t (2个)、100t(2个),水泥罐直径2.97m(2个);3.4m(2个),罐身长14.3m(按15m长计算风力弯矩),4个罐基本并排竖立,受风面积182.18m2,整体受风力抵抗风载,在最不利风力、空罐情况下计算基础的抗倾覆性,示意图中A点为抗倾覆点。
C30钢筋混凝土比重2.5t/m3,体积75m3。
风级风速换算参考《桥梁工程师手册》1-2-6表风力、等级的划分,见表3-1。
表3-1 风级风速换算表风级风速m/s 风级风速m/s10 24.5-28.4 11 28.5-32.6图3-2 抗倾覆计算示意图2.计算公式(1)风荷载强度公式 : 0k z s z w w βμμ=k w —风荷载强度(Pa );0w —基本风压值(Pa ),根据《建筑结构荷载规范》附录E ,蚌埠地区重现期R=50年的基本风压值为300Pa ;z β—高度Z 处的风振系数,本次计算取1;s μ—风荷载体型系数,对圆形截面取0.8; z μ—风压高度变化系数; 本次计算取1.18;k w =0.8×1.18×1×300=283.2Pa 。
(2)基础抗倾覆计算/c k f k M M ==G 1×1/2×基础宽/k w ×受风面×(14.3/2+4)≥1.5即满足要求k M —抵抗弯矩 (KN •M ) f M —风荷载弯矩(KN •M )G 1—储蓄空罐+基础自重(KN)k w —风荷载强度(Pa )(3)基础抗滑稳定性验算 K 0= G 1×f/ F 风≥1.3 即满足要求 G 1—储蓄罐与基础自重(KN) F 风—风荷载(KN)f —基底摩擦系数,查表得0.25;罐与基础自重计算求得:G 1=4×10×10+75×2.5×10=2275KN ;k w =283.2Pa ;受风面积:2×14.3×(3.4+2.97)=182.18m 2;/c k f k M M = G 1×1/2×基础宽/k w ×受风面积×(14.3/2+4)=(2275×3.6/2)/(283.2×182.18×11.15/1000)=7.1>1.5,满足抗倾覆要求。
兰新铁路第二双线(新疆段)水泥罐基础及抗风检算书xxx集团有限公司兰新铁路第二双线xxx项目部二〇一〇年六月水泥罐基础及抗风检算书1、水泥罐基础承载力计算初步设计搅拌站水泥罐基础为扇形基础,以3个水泥罐为整体研究对象,基础约为6m ×13m ×2.5m 的整体基础,基础底面积为78㎡,每个水泥罐直径3m ,总高20m 。
⑴每个水泥罐荷载时总重量为130t ,基底受水泥罐和混凝土基础自重压力,则轴心荷载作用下,实体基础底应力σ=(F+G )/A =(F+A γh )/A=(1300×3+78×23×2.5)/78 =107.5KN<[σ]=200KPa ,满足要求。
[σ]—地基容许承载力,取200 KPa γ—C30混凝土的重度,取为γ=23KN/m3 ⑵考虑风荷载作用:w v —风速,哈密地区12级大风风速为32.7~36.9m/s ,取w v =36.9m/s 计算,基本分压值0w 按公式16002w v w =计算,则:851.016009.361600220===w v w kN/m 2k w —风荷载标准值,按公式07.0w w s z k μμ=计算,式中z μ—风压高度变化系数,取1.28;s μ—风荷载体型系数,取0.8,则:07.0w w s z k μμ=61.0851.08.028.17.0=⨯⨯⨯=kN/m2a l —形心距,取10m ,则风荷载标准值产生的弯距M 按公式M=k w A a l 计算,则: M=k w A a l =0.61×15×3×(15/2+5)/2=343 kN ·m基础为13m ×6m ×2.5m 的整体基础,基础截面模量78/66132=⨯=W m3,则考虑风荷载偏心受压时,实体基础底面压力:W M A G F ++=)(σ= 1207833435.107=⨯+KPa <1.2[σ]=240KPa ,符合要求。
目录一.计算公式 (2)1.地基承载力 (2)2.风荷载强度 (2)3.基础抗倾覆计算 (2)4.基础抗滑稳定性验算 (3)5.基础承载力 (3)二、储料罐基础验算 (3)1.储料罐地基开挖及浇筑 (3)2.计算方案 (3)3.储料罐基础验算过程 (4)3.1 地基承载力 (4)3.2 基础抗倾覆 (4)3.3 基础滑动稳定性 (5)3.4 储蓄罐支腿处混凝土承压性 (5)三、拌合楼基础验算 (5)1.拌合楼地基开挖及浇筑 (5)2.计算方案 (6)3.拌合楼基础验算过程 (6)3.1 地基承载力 (6)3.2 基础抗倾覆 (7)3.3 基础滑动稳定性 (7)3.4 储蓄罐支腿处混凝土承压性 (7)拌合站拌合楼基础承载力计算书1号拌合站为华阳村拌和站,配备HZS90拌和机,设有4个储料罐,单个罐在装满材料时均按照100吨计算。
拌合楼处于华阳村内,在78省道右侧30m,对应新建线路里程桩号DK208+100。
经过现场开挖检查,在地表往下0.5~1.5米均为粉质粘土,1.5米以下为卵石土。
一.计算公式1 .地基承载力P/A=σ≤σ0P—储蓄罐重量KNA—基础作用于地基上有效面积mm2σ—土基受到的压应力MPaσ0—土基容许的应力MPa通过地质钻探并经过计算得出土基容许的应力σ0=0.108 Mpa(雨天实测允许应力)2.风荷载强度W=K1K2K3W0= K1K2K31/1.6v2W —风荷载强度PaW0—基本风压值PaK1、K2、K3—风荷载系数,查表分别取0.8、1.13、1.0v—风速m/s,取17m/sσ—土基受到的压应力MPaσ0—土基容许的应力MPa3.基础抗倾覆计算K c=M1/ M2=P1×1/2×基础宽/ P2×受风面×(7+7)≥1.5 即满足要求M1—抵抗弯距KN•MM2—抵抗弯距KN•MP1—储蓄罐与基础自重KNP2—风荷载KN4.基础抗滑稳定性验算K0= P1×f/ P2≥1.3 即满足要求P1—储蓄罐与基础自重KNP2—风荷载KNf-----基底摩擦系数,查表得0.25;5 .基础承载力P/A=σ≤σ0P—储蓄罐单腿重量KNA—储蓄罐单腿有效面积mm2σ—基础受到的压应力MPaσ0—砼容许的应力MPa二、储料罐基础验算1.储料罐地基开挖及浇筑根据厂家提供的拌和站安装施工图,现场平面尺寸如下:地基开挖尺寸为半径为10.0m圆的1/4的范围,宽5.0m,浇筑深度为1.4m。
拌合站料仓基础设计一、荷载设计1、考虑空罐重15吨、装料100吨,共115吨。
则每个支座竖向力为F N1=(115*103*9.8/1000)/4=281.75kN2、风荷载考虑查风荷载规范厦门基本风压w0=0.8kN/m2(无漳州基本风压,所以按厦门基本风压取)。
仓高按H=20m,直径d=2m,H/d=10,△≈0,u z w0d2≥0.015。
风载体型u s=0.517,风振系数βz=1.0仓的风荷载分布如图(按5米控制)地面粗糙度按B类考虑F1=βz u s u z w0s=1.0*0.517*1.00*0.8*2*5=4.136 kNF2=βz u s u z w0s=1.0*0.517*1.00*0.8*2*5=4.136 kNF3=βz u s u z w0s=1.0*0.517*1.14*0.8*2*5=4.715kNF4=βz u s u z w0s=1.0*0.517*1.25*0.8*2*5=2.585kN每个桩所受的水平力F s=(F1+ F2+ F3+ F4)/4=(4.136*2+4.715+2.585)/4=3.893 kN轴力F N=(2.585*20+4.715*15+4.136*10+4.136*5)/2/2=46.116kN (-46.116kN)3、地震荷载因拌合站设计使用年限为2年,临时结构,在此不考虑地震荷载。
4、偶然冲击荷载不考虑二、荷载组合1、只考虑恒载轴力F N=1.2*281.75=338.1kN,剪力,弯矩为零。
(此处上人较少,不考虑活荷载)2、考虑恒载和风荷载组合轴力F Nmax=1.2*281.75+1.4*46.116=402.667 kN,F Nmin=1.2*281.75-1.4*46.116=273.538 kN,剪力F s=1.4*3.893=5.45 kN三、抗倾覆验算基础边长按3m*4m设计。
(沿短边3m方向验算)风荷载倾覆力矩:M风=2.585*20+4.715*15+4.136*10+4.136*5=184.465kN.m 空仓反倾覆力矩M仓=(15*1000*9.8/1000+25*3*4*1)*1.5=447kN. m>184.465kN.m满足要求。
1#拌合站基础承载力计算1计算依据1)《铁路桥涵设计基本规范》(TB10002D1-2005)2)《建筑地基基础设计规范》(GB50007-2011)3)铁路工程设计技术手册《桥梁地基和基础》(修订版)2计算荷载2.1恒载1)装满材料的储存罐:自重=(100+5)t;2)主机:单腿承受静载3t;3)混凝土基础自重:2.5t/m32.2活载风荷载,风速按17m/s。
3计算公式3.1地基承载力P/A=σ≤σP—各竖向力 kNA—基础作用于地基上有效面积mm2σ—土基受到的压应力 MPaσ—土基容许的应力 MPa3.2风荷载强度W=K1K2K3W= K1K2K31/1.6v2W —风荷载强度 PaW—基本风压值 PaK1、K2、K3—风荷载系数,查表分别取0.8、1.3、1.0v—风速 m/s,取17m/s σ—土基受到的压应力 MPaσ—土基容许的应力 MPa 3.3基础抗倾覆计算K c =M1/ M2≥1.5 即满足要求M1—竖向力产生的弯距 kN.mM2—水平力产生的弯距 kN.mP1—地基所承受的竖向力kNP2—风荷载 kN4储存罐基础验算4.1储料存罐地基开挖及浇筑每个罐体的4个支腿坐在同一基础底板,埋深度为0.5m,基础底板面积2.74m ×2.74m=7.51㎡(示意图如下):4.2计算方案计算时考虑单个储蓄罐重量通过基础作用于土层上,集中力P=1050kN,单个水泥罐基础受力面积为2.74m×2.74m,承载力计算示意见下图:根据历年气象资料,考虑最大风速为17m/s ,储蓄罐顶至地表面距离为19m ,罐身长14m,受风面25.9m 2,整体受风力抵抗风载,在最不利风力下计算基础的4.3储存罐基础验算过程 4.3.1地基承载力已知满仓储料罐1050KN ,基础自重7.51×0.5×25=93.845KN ;计算面积A=7.51m 2,P/A= 1143.845KN/7.51m 2=0.152MPa 4.3.2基础抗倾覆储料罐空罐时,倾覆可能性为最危险状态,此时 Kc=M 1/ M 2=P 1×1/2×基础宽/ P 2×受风面×(7+6.77)=(50+2.74×2.74×0.5×25)×1.4/(187.85×25.9×13.5/1000)=3.1≥1.5满足抗倾覆要求其中 W=K1K2K3W0= K1K2K31/1.6v2=0.8×1.3×1.0×1/1.6×172=187.85Pa<0.5kpa5 拌和机基础验算5.1 拌和机地基开挖及浇筑平面示意图如下:主机条形基础预埋钢板主机基础为条形基础,边长2.9m×0.8m,高0.5m。
3#搅拌站水泥罐基础承载力检算一、地基基础现场情况根据现场地质报告表明,土层为细砂,现场通过打木桩使其挤密,桩侧摩阻力取为50 Kpa。
二、水泥罐基础尺寸根据罐体确定为22.46×4×1.6m,由于实际需要基础扇型布置。
基础下面采用φ820×8mm,长度为4m,每个罐子下面4根,总根数为24根。
按照此尺寸检算地基承载力与单桩。
1、竖向荷载计算(外力)作用在基础顶面的荷载有竖向力、水平剪力、弯矩,统一按照中心受压基础检算。
荷载计算:FK=6×(G 罐+G 水泥)=6(11t+150t)=966t=9660KNG 罐——罐体重量G 水泥——罐储存水泥重量GK=基础自重+回填土重量=107.81×1.6×25/10+60.5t =491.7t=4917KNG=FK+GK=14577KN最大应力:14577/(1.2×22.46×4)=135Kpa计算结果fK=135KPa≤fa=190KPa 承载力满足要求2、单桩承载力计算(外力)平均一个桩基的单桩承载力为:P=G/24=607.4KN桩打入桩最大容许承载力:〔ρ〕=1/k(U∑f1L1+AR)式中〔ρ〕--桩的容许承载力KNU-----桩身横截面周长mf1----桩身穿过各地层与桩身之间的极限摩阻力KPa ;查《路桥施工计算手册》和设计院地质勘探成果,取f1=50kpa.L1----各土层厚度m L1=3.5A-----桩底支撑面积m2R-----桩尖极限磨阻力Kpa, R=0K----安全系数,本设计采用2。
桩基采用φ820mm钢管桩,壁厚δ=8mm,管内填砂密实,采用打桩振动锤击下沉。
不计桩尖承载力,仅计算钢管桩侧摩阻。
单桩承载力为〔ρ〕=813.3KN,大于钢管桩承受荷载Pmax=607.4KN。
满足要求。
三、抗台风计算罐体总长度21m,支腿长度8m,罐体直径:3.5m,自重:11t,满载时载重150t+11t。
拌合站拌合楼基础承载力、储料罐基础验算、拌合楼基础验算计算书目录一.计算公式 (3)1.地基承载力 (3)2.风荷载强度 (3)3.基础抗倾覆计算 (3)4.基础抗滑稳定性验算 (4)5.基础承载力 (4)二、储料罐基础验算 (4)1.储料罐地基开挖及浇筑 (4)2.计算方案 (4)3.储料罐基础验算过程 (5)3.1 地基承载力 (5)3.2 基础抗倾覆 (5)3.3 基础滑动稳定性 (6)3.4 储蓄罐支腿处混凝土承压性 (6)三、拌合楼基础验算 (6)1.拌合楼地基开挖及浇筑 (6)2.计算方案 (7)3.拌合楼基础验算过程 (7)3.1 地基承载力 (7)3.2 基础抗倾覆 (8)3.3 基础滑动稳定性 (8)3.4 储蓄罐支腿处混凝土承压性 (8)拌合站拌合楼基础承载力计算书3号拌合站为先锋村拌和站,配备HZS90拌和机,设有4个储料罐,单个罐在装满材料时均按照100吨计算。
拌合楼处于先锋村内,在103国道右侧180m ,对应新建线路里程桩号DK208+100。
经过现场开挖检查,在地表往下0.5~1.5米均为粉质粘土,1.5米以下为卵石土。
一.计算公式1 .地基承载力P/A=σ≤σ0P — 储蓄罐重量 KNA — 基础作用于地基上有效面积mm2σ— 土基受到的压应力 MPaσ0— 土基容许的应力 MPa通过地质钻探并经过计算得出土基容许的应力σ0=0.108 Mpa (雨天实测允许应力)2.风荷载强度W=K 1K 2K 3W0= K 1K 2K 31/1.6v2W — 风荷载强度 PaW0— 基本风压值 PaK 1、K 2、K 3—风荷载系数,查表分别取0.8、1.13、1.0v— 风速 m/s,取17m/sσ— 土基受到的压应力 MPaσ0— 土基容许的应力 MPa3.基础抗倾覆计算K c =M 1/ M 2=P1×1/2×基础宽/ P2×受风面×(7+7)≥1.5 即满足要求M 1— 抵抗弯距 KN •MM 2— 抵抗弯距 KN •MP1—储蓄罐与基础自重 KNP2—风荷载 KN4.基础抗滑稳定性验算= P1×f/ P2≥1.3 即满足要求KP1—储蓄罐与基础自重 KNP2—风荷载 KNf-----基底摩擦系数,查表得0.25;5 .基础承载力P/A=σ≤σ0P—储蓄罐单腿重量 KNA—储蓄罐单腿有效面积mm2σ—基础受到的压应力 MPaσ0—砼容许的应力 MPa二、储料罐基础验算1.储料罐地基开挖及浇筑根据厂家提供的拌和站安装施工图,现场平面尺寸如下:地基开挖尺寸为半径为10.0m圆的1/4的范围,宽5.0m,浇筑深度为1.4m。
水泥罐基础承载力及抗倾覆验算书水泥罐基础承载力及抗倾覆验算书一、编制说明本方案编制是根据施工现场土质情况及水泥罐特点而进行的,为确保有足够的水泥贮藏量,保证工程顺利进行,本工程计划投入5座120T水泥罐。
二、编制范围XX标项目经理部水泥混凝土拌和站。
三、编制依据1、施工现场总平面布置图;2、水泥罐总示意图及基础图参数;3、《高耸结构设计标准》GB50135-2019;4、《建筑结构荷载规范》GB50009-2012;四、水泥罐基础设计1、本水泥罐基础根据现场实际地质情况,采用扩大基础,根据现场需要,一台HZS120拌和站配置5座120T水泥罐,故5座水泥罐扩大基础连成一个环形基础,基础尺寸为 4.5m×17.86m×2m。
基础采用C30钢筋砼,钢筋为双层配筋,钢筋为φ18。
2、每个水泥罐下设计四个支座,支座设计为C30砼,550×550×550mm立方体。
每个支座对应水泥罐罐脚处预埋4根φ18钢筋,以加强承台和基础的连接;3、水泥罐预埋板采用δ16mm Q235钢板,再焊接4根φ20锚固钢筋,锚固筋穿过支座与扩大基础钢筋网相焊接。
预埋板安装时每个预埋板四个角高程误差在1mm内,每个水泥罐4个预埋板高程误差在2mm以内。
预埋时采用水准仪实时量测。
五、水泥罐基础计算1、计算公式①地基承载力计算公式P1/A=σP1—水泥罐重量与基础本身重量 KNA—基础作用于地基上有效面积mm²σ—土基受到的压应力 MPa通过动力触探计算得出土基容许的应力②风荷载强度计算公式根据《高耸结构设计标准》GB50135-2019,垂直作用于高耸结构表面单位计算面积上的风荷载标准值应按下式计算:W k=βz×μs×μz×W0;W k —作用在高耸结构z高度处单位投影面积,上的风荷载标准值(kN/m²);W0 —基本风压值(kN/m²),查《建筑结构荷载规范》GB50009-2012得W k=0.40;μz—高度z处的风压高度变化系数,查规范μz=1.23;μs—风何在体形系数,查规范计算得μs=0.8;βz—高度z处的风振系数βz=2.19;③基础抗倾覆计算公式Kc=M1/ M2=P1×1/2×基础宽/W k×受风面×(7+7)≥1.5 即满足要求M1—抵抗弯距 KN•MM2—抵抗弯距 KN•MP1—储料罐与基础自重 KNW k —作用在高耸结构z高度处单位投影面积,上的风荷载标准值kN/m²④基础抗滑稳定性验算计算公式K0= P1×f/ P2≥1.3 即满足要求P1—储料罐与基础自重 KNW k —作用在高耸结构z高度处单位投影面积,上的风荷载标准值kN/m²f—基底摩擦系数,查表得0.25;⑤基础承载力计算公式P/A=σ≤σ0P—储料罐单腿重量 KNA—储料罐单腿有效面积mm²σ—基础受到的压应力 MPaσ0—砼容许的应力 MPa(2)水泥罐基础验算①水泥罐地基开挖及浇筑根据厂家提供的拌合站安装施工图,现场平面尺寸如“图1拌合站安装施工图”所示。
抗倾覆计算书我们知道,风压就是垂直于气流方向的平面所受到的风的压力。
根据伯努利方程得出的风-压关系,风的动压为wp =0.5·ro·v2(1)其中wp为风压[kN/m2],ro为空气密度[kg/m3],v为风速[m/s]。
由于空气密度(ro)和重度(r)的关系为r=ro·g, 因此有 ro=r/g。
在(1)中使用这一关系,得到wp =0.5·r·v2/g(2)此式为标准风压公式。
在标准状态下(气压为1013 hPa, 温度为15°C), 空气重度 r=0.01225 [kN/m3]。
纬度为45°处的重力加速度g=9.8[m/s2], 我们得到wp = v2/1600 (3)此式为用风速估计风压的通用公式。
应当指出的是,空气重度和重力加速度随纬度和海拔高度而变。
一般来说,r/g 在高原上要比在平原地区小,也就是说同样的风速在相同的温度下,其产生的风压在高原上比在平原地区小。
将风速代入(3), 10 级大风相当于 24.5m/s~28.4m/s, 取风速上限28.4m/s, 得到风压wp=0.5 [kN/m2], 相当于每平方米广告牌承受约51千克力。
水泥仓最不利时为空罐状态,总量:G=7000千克力,混凝土基础G1=20000千克力单侧受压面积S=11.5*1.4=16.1平米最大允许倾覆力量:FmaxL1* Fmax= L2 *(G+G1)Fmax=L2/L1*G=1980/17000*27000=3144.7千克力根据衡阳地区10级风压计算表计算:F倾=w*s=51*16.1=821.1千克力抗倾覆力Fmax远大于10级风时的倾覆力。
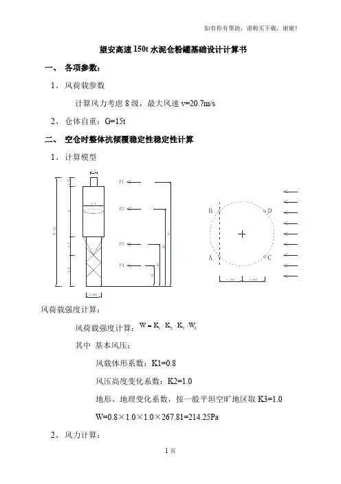
望安高速150t 水泥仓粉罐基础设计计算书一、 各项参数:1、 风荷载参数计算风力考虑8级,最大风速v=20.7m/s2、 仓体自重:G=15t二、 空仓时整体抗倾覆稳定性稳定性计算1、 计算模型1.2AB CD风荷载强度计算:风荷载强度计算:0321W K K K W ⋅⋅⋅=其中 基本风压:风载体形系数:K1=0.8风压高度变化系数:K2=1.0地形、地理变化系数,按一般平坦空旷地区取K3=1.0W=0.8×1.0×1.0×267.81=214.25Pa2、 风力计算:A 1=1.522×1.2=1.826m 2,考虑仓顶护栏等,提高1.5倍F 1=214.25×1.826×1.5=586.83N作用高度:H 1=19.322-1.522/2=18.561mA 2=(3.8+0.063×2) ×9.0=35.334m 2F 2=214.25×35.334=7570N作用高度:H 2=8.8+9/2=13.3mA 3=(3.926+0.3)/2×3.3=6.973 m 2F 3=214.25×6.973=1493.97N作用高度:H 3=8.8-3.3/3=7.7mA 4=3.8×2×0.3=2.28 m 2F 4=214.25×2.28=488.49N作用高度:H 4=5.5m3、 倾覆力矩计算:mt F M i ⋅=⨯+⨯+⨯+⨯=⋅=∑58.125.549.4887.797.14933.137570561.1883.586h i 41倾稳定力矩计算:假定筒仓绕AB 轴倾覆,稳定力矩由两部分组成,一部分是仓体自重稳定力矩M 稳1,另一部分是水泥仓立柱与基础连接螺栓抗拉产生的稳定力矩M 稳2。
(每个支撑立柱与基础之间的向上抗拔力按8t 计算)4、 稳定系数三、 地基承载力计算单仓基础按4m*4m ,高度1.5m 设计,混凝土采用C25。
拌合站基础计算书第2混凝土拌合站,配备HZS120拌和机两套,每套搅拌楼设有6个储料罐,单个罐在装满材料时均按照150吨计算。
对应新建线路里程桩号DK224+700。
经过现场开挖检查,在地表往下0.5~3米均为粉质砂土。
一.计算公式1 .地基承载力P/A=σ≤σ0P—储蓄罐重量KNA—基础作用于地基上有效面积mm2σ—地基受到的压应力MPaσ0—地基容许承载力MPa通过查资料得出该处地基容许承载力σ0=0.55 Mpa2.风荷载强度W=K1K2K3W0= K1K2K31/1.6v2W —风荷载强度Pa,W=V2/1600v—风速m/s,取28.4m/s(按10级风考虑)3.基础抗倾覆计算K c=M1/ M2=P1×1/2×基础宽/ P2×受风面×力矩≥2即满足要求M1—抵抗弯距KN•MM2—抵抗弯距KN•MP1—储蓄罐自重KNP’—基础自重KNP2—风荷载KN二、储料罐地基承载力验算1.储料罐地基开挖及浇筑根据厂家提供的拌和站安装施工图,现场平面尺寸如下:地基开挖尺寸为半径为7.75m圆的1/4的范围,宽6.25m,基础浇注厚度为0.6m。
基底处理方式为:压路机碾压两遍,填筑30cm山皮石并碾压两遍。
查《路桥计算手册》,密实粗砂地基容许承载力为0.55Mpa。
2.计算方案开挖深度为1.5米,根据规范,不考虑摩擦力的影响,计算时按整体受力考虑,每个水泥罐集中力P=1500KN,水泥罐整体基础受力面积为78m2,基础浇注C25混凝土,自重P’=1170KN,承载力计算示意见下图:P=9000KN0.6m 基础6.25m粉质砂土本储料罐受沿海大风影响,根据历年气象资料,考虑最大风力为28.4m/s(10级风),风的动压力P2=V2/1600=504.1N/m,储蓄罐顶至地表面距离为22米,罐身长21m,6个罐基本并排竖立,受风面积593m2,在最不利风力下计算基础的抗倾覆性。
拌合站拌合楼基础承载力、储料罐基础验算、拌合楼基础验算计算书目录一.计算公式 (3)1.地基承载力 (3)2.风荷载强度 (3)3.基础抗倾覆计算 (3)4.基础抗滑稳定性验算 (4)5.基础承载力 (4)二、储料罐基础验算 (4)1.储料罐地基开挖及浇筑 (4)2.计算方案 (4)3.储料罐基础验算过程 (5)3.1 地基承载力 (5)3.2 基础抗倾覆 (5)3.3 基础滑动稳定性 (6)3.4 储蓄罐支腿处混凝土承压性 (6)三、拌合楼基础验算 (6)1.拌合楼地基开挖及浇筑 (6)2.计算方案 (7)3.拌合楼基础验算过程 (7)3.1 地基承载力 (7)3.2 基础抗倾覆 (8)3.3 基础滑动稳定性 (8)3.4 储蓄罐支腿处混凝土承压性 (8)拌合站拌合楼基础承载力计算书3号拌合站为先锋村拌和站,配备HZS90拌和机,设有4个储料罐,单个罐在装满材料时均按照100吨计算。
拌合楼处于先锋村内,在103国道右侧180m ,对应新建线路里程桩号DK208+100。
经过现场开挖检查,在地表往下0.5~1.5米均为粉质粘土,1.5米以下为卵石土。
一.计算公式1 .地基承载力P/A=σ≤σ0P — 储蓄罐重量 KNA — 基础作用于地基上有效面积mm2σ— 土基受到的压应力 MPaσ0— 土基容许的应力 MPa通过地质钻探并经过计算得出土基容许的应力σ0=0.108 Mpa (雨天实测允许应力)2.风荷载强度W=K 1K 2K 3W0= K 1K 2K 31/1.6v2W — 风荷载强度 PaW0— 基本风压值 PaK 1、K 2、K 3—风荷载系数,查表分别取0.8、1.13、1.0v— 风速 m/s,取17m/sσ— 土基受到的压应力 MPaσ0— 土基容许的应力 MPa3.基础抗倾覆计算K c =M 1/ M 2=P1×1/2×基础宽/ P2×受风面×(7+7)≥1.5 即满足要求M 1— 抵抗弯距 KN •MM 2— 抵抗弯距 KN •MP1—储蓄罐与基础自重 KNP2—风荷载 KN4.基础抗滑稳定性验算= P1×f/ P2≥1.3 即满足要求KP1—储蓄罐与基础自重 KNP2—风荷载 KNf-----基底摩擦系数,查表得0.25;5 .基础承载力P/A=σ≤σ0P—储蓄罐单腿重量 KNA—储蓄罐单腿有效面积mm2σ—基础受到的压应力 MPaσ0—砼容许的应力 MPa二、储料罐基础验算1.储料罐地基开挖及浇筑根据厂家提供的拌和站安装施工图,现场平面尺寸如下:地基开挖尺寸为半径为10.0m圆的1/4的范围,宽5.0m,浇筑深度为1.4m。
XX铁路XX标第X搅拌站罐仓基础承载力及罐仓抗风计算书计算:复核:中铁X局集团XX铁路项目经理部2010年12月一、工程概况中铁X局XX铁路六标第X搅拌站,配备HZS90搅拌机、HZS120搅拌机各一台,每台搅拌机设有6个100吨级储料罐仓。
根据厂家提供的拌和站安装施工图,确定罐仓基础呈扇型布置,尺寸如下:根据现场地质情况,基础浇筑厚度为1.5m,混凝土强度等级为C30。
二、基础承载力检算1、相关计算公式根据《建筑地基基础设计规范》GB50007-2002,fa=fak+ηbγ(b-3)+ηdγm(d-0.5)式中fa--修正后的地基承载力特征值fak--地基承载力特征值ηb、ηd--基础宽度和埋深的地基承载力修正系数γ--基础底面以下土的重度,地下水位以下取浮重度;b--基础底面宽度(m),当基宽小于3m按3m取值,大于6m 按6m取值;γm--基础底面以上土的加权平均重度,地下水位以下取浮重度;d--基础埋置深度(m)。
2、承载力检算不考虑摩擦力的影响,罐仓与基础自重P1=1100kN*6+基础自身重量,基础自身重量=95m3*24kN/m3=2280kN则P1=1100kN*6+95m3*24kN/m3=6600+2280=8880kN最大应力f K=8880/64=139Kpa修正后地基承载力特征值:fa=120+0*(6-3)+2280/64=155KPa(根据现场地质情况地基承载力特征值fak取120 Kpa)计算结果f K=139KPa<fa=155KPa 承载力满足要求三、罐仓抗风检算1、相关计算公式根据《建筑结构荷载规范》GB50009-2001,风荷载强度:W=K1K2K3W0= K1K2K3V2/1.6W —风荷载强度PaW0—基本风压值PaK1、K2、K3—风荷载系数,查表分别取0.8、1.13、1.0V—风速m/s,本次按照XX地区最大风速20.7m/s检算抗倾覆计算:K c=M1/ M2=[(P1*0.5*基础宽)/(14*P2*受风面)]K c≥1.5 即满足抗倾覆要求M1—抵抗弯距kN•mM2—抵抗弯距kN•mP1—储蓄罐与基础自重kNP2—风荷载kN2、抗倾覆检算W=K1K2K3W0=K1K2K3V²/1.6=0.8*1.13*1.0*20.7²/1.6=242.1paP2=W/1000=0.2421kN罐仓顶至地表面距离为15米,罐身长12m,6个罐基本并排竖立,受风面210m²,整体受风力抵抗风载,在最不利风力下计算基础的抗倾覆性。
混凝土拌合站水泥仓基础计算书编制:审核:目录1 基本概况 (3)2 计算公式 (3)2.1 计算依据 (3)2.2 地基承载力 (3)2.3 风荷载强度 (3)2.4 基础抗倾覆计算 (4)2.5 基础承载力 (4)3 拌合站基础验算 (4)3.1 储料罐基地开挖及浇筑 (4)3.2 计算方案 (5)3.3 储料罐扩大式基础验算 (6)3.3.1 满仓时地基承载力 (6)3.3.2 空仓时基础抗倾覆 (7)3.3.3 储蓄罐支腿处混凝土承压 (7)3.4 水泥仓桩基础验算 (8)3.4.1 桩基承载力验算 (8)3.4.2 桩基稳定性验算 (9)3.4.3 承台验算 (9)3.5 桩基配筋计算 (11)拌合站水泥仓基础承载力计算书1 基本概况本项目拌合站位于武穴大桥项目部驻地处,主要服务于主桥的混凝土供应需求。
拌合站配备两台拌合机,每台拌合机设有4个200t的储料罐,储料罐筒高20m,罐筒为圆形截面,直径为3m。
储料罐基础采用扩大基础和钢管桩基础两种方式验算,通过计算分析选择更为安全合理的钢管桩基础。
2 混凝土扩大基础2.1 计算依据《建筑地基基础设计规范》(GB 50007-2011)《混凝土结构设计规范》(GB 50010-2010)《建筑抗震设计规范》(GB 50011-2010)《建筑结构荷载规范》(GB 50009-2012)《建筑桩基技术规范》(JGJ 94-2008)《钢筋混凝土承台设计规程》(CECS 88-97)2.2 地基承载力P/A=Ơ≤Ơ0P——储料罐重量,kNA——基础作用于地基上的有效面积,mm2Ơ——地基所受到的压应力,MPaƠ0——地基容许的应力,MPa通过地质勘测并经计算得土体的容许应力为Ơ0=120kPa2.3 风荷载强度W=K1K2K3W0=K1K2K3×1/1.6V2W——风荷载强度,PaW0——基本分压值,PaK1、K2、K3——风荷载系数,查表分别取0.8、1.3、1.0V——风速,m/s,取30m/s2.4 基础抗倾覆计算K c=M1/M2=P1×0.5×基础宽度/P2×受风面×h≥1.5 即满足要求M1——抗倾覆矩,KN·MM2——倾覆矩,KN·MP1——储料罐及基础自重,KNP2——风荷载,KNh——基础底距受风面的距离2.5 基础承载力P/A=Ơ≤Ơ0P——储料罐单腿重量,KNA——储料罐单腿作用于基础上的有效面积,mm2Ơ——基础所受到的压应力,MPaƠ0——基础混凝土容许应力,MPa3 拌合站基础验算3.1 储料罐基地开挖及浇筑根据厂家提供的拌合站安装及施工图纸,现场平面尺寸图如下:图2-1拌合站平面布置图3.2 计算方案开挖深度少于3m,根据规范不考虑摩擦力的影响,计算只考虑单个储料罐通过基础作用于地基上,单个储料罐满仓按220t计算,空仓时灌重20t,基础尺寸为3850mm×3850mm×1200mm,承载力计算示意图如下:图2-2地基承载力计算示意图根据武穴市历年气象资料,考虑最大风速30m/s,储料罐筒仓高20m,直径3.05m,迎风面积为(20-2)×3.05=54.9m2,,在最不利风速下计算基础的抗倾覆性,计算示意图如下:图2-3基础抗倾覆计算示意图基础采用混凝土C25,储料罐支腿受力最为集中,受力面积为600mm×600mm。
搅拌站水泥罐基础承载力检算一、地基基础现场情况地质报告表明反映持力层地基承载力为65 Kpa,回填土重度取15KN/m3。
二、水泥罐基础尺寸根据罐体确定为22×5.5×1.5m,由于实际需要基础扇型布置。
按照此尺寸检算地基承载力。
1、竖向荷载计算(外力)作用在基础顶面的荷载有竖向力、水平剪力、弯矩,统一按照中心受压基础检算。
荷载计算:F K=G罐+G水泥=20t+600t=620t=6200KNG罐——罐体重量G水泥——罐储存水泥重量最大应力:6200/121=51.24KPaGK=基础自重+回填土重量=453.75+60.5t =514.25t=5142.5KN 最大应力:5142.5/121=42.5Kpa应力合计5 1.24Kpa+42.5Kpa=93.7 Kpa修正后地基承载力特征值fa=65+0*(5.5-3)+5142.5/121=107.5KPa计算结果fK =93.7KPa≤fa=107.5KPa 承载力满足要求2、抗台风计算本地台风多,罐体必须考虑风力影响,罐体纵、横向受风力影响很大,假设罐体高19米,圆形直径按照平面4.5米宽度计算,风力系数1.12考虑。
=1.5×1×1.12=1.68KN则 罐体板基础风力W风罐体板基础弯矩M=1.68KN×(1.5/2)=1.26 KN·M=19×4.5×1.12=95.76KN罐体风力W风罐体弯矩M=95.76KN×(3/2)=63.84 KN·M合计风力p=1.68KN+95.76KN=97.44KN合计弯矩M=1.26 +63.84 =65.1 KN·M搅拌站基础受静止荷载,无冲击荷载影响,只考虑风力产生的滑移影响,基础风力(按照台风力)产生的荷载97.44KN。
采取基础增加人工挖孔桩埋置设置,相当于罐体基础增加缆风绳加固。
银百高速(G69)甜永段TYSY3合同段01混凝土拌合站地基承载力计算书路港集团有限公司银百高速(G69)甜永段TYSY3项目经理部二0一七年五月01混凝土拌和站地基承载力计算书1编制说明本方案编制是根据施工现场土质情况及水泥罐特点而进行的,为确保有足够的水泥贮藏量,保证工程顺利进行,本工程采用双HLS90Q拌和站,计划投入8座100T水泥罐。
2编制范围路港集团有限公司银百高速(G69)甜永段TYSY3合同段项目经理部1#混凝土拌和站。
3编制依据1、施工现场总平面布置图;2、水泥罐总示意图及基础图参数3、银百高速(G69)甜永段TYSY3合同段施工图。
4、《建筑结构荷载规范》GB50009-2012。
4水泥罐基础设计1、本水泥罐基础根据现场实际地质情况,采用扩大基础,每个水泥罐基础为4000×4000×1000mm;根据现场需要,采用双HLS90Q拌和站,每台拌合机配置4座100T水泥罐,故4座水泥罐扩大基础连成一个环形基础。
基础采用C25钢筋砼,钢筋为双层配筋,钢筋为φ12。
2、每个水泥罐下设计四个支座,支座设计为C25砼,800×800×500mm立方体。
每个支座对应水泥罐罐脚处预埋4根φ20钢筋,以加强承台和基础的连接;3、水泥罐预埋板采用δ20mmQ235钢板,再焊接9根φ25锚固钢筋,锚固筋穿过支座与扩大基础钢筋网相焊接。
预埋板安装时每个预埋板四个角高程误差在1mm内,每个水泥罐4个预埋板高程误差在2mm以内。
预埋时采用水准仪实时量测;5水泥罐基础计算根据实际地基承载力试验,本基础位置地基持力层的承载力:P地=190KPa。
F=G+V+N=50+1000+400=1450KNS=4×4=16㎡P罐=(G+V+N)/S=(1450)/16=90.625Kpa<190KPa所以,地基承载力满足要求。
试中F--压力,G—水泥罐自重KN,V—水泥罐满载后水泥重量KN,N—基础混凝土自重KN,S —水泥罐基础面积㎡,P罐—水泥罐满载后产生的压应力KPa,P地—地基承载力KPa。
拌合站拌合楼基础承载力计算书-CAL-FENGHAI.-(YICAI)-Company One1泸州长江六桥及连接线工程正桥南段主线及立交工程江南拌合站基础计算书编制:复核:审核:中国葛洲坝集团股份有限公司泸州长江六桥施工总承包项目经理部2017年7月目录一.概况 (1)二.依据 (1)三.计算公式 (1)1.地基承载力 (1)2.风荷载强度 (1)3.基础抗倾覆计算 (2)4.基础抗滑稳定性验算 (2)5.基础承载力 (2)四、储料罐基础验算 (2)1.储料罐地基开挖及浇筑 (2)2.计算方案 (3)3.储料罐基础验算过程 (4)3.1 地基承载力 (4)3.2 基础抗倾覆 (4)3.3 基础滑动稳定性 (4)3.4 储蓄罐支腿处混凝土承压性 (5)五、拌合楼主站基础验算 (5)1.计算方案 (5)2.拌合楼基础验算过程 (6)2.1 地基承载力 (6)2.2 基础抗倾覆 (6)2.3 基础滑动稳定性 (6)2.4 拌合站主站支腿处混凝土承压性 (7)六、结论 (7)拌合站拌合楼基础承载力计算书一.概况泸州长江六桥江南拌合站紧挨正桥南段主线(K2+330~K2+400)路基左侧处,配备2套HZQ90拌和机,每套拌合机设有5个储料罐,单个罐在装满材料时均按照100吨计算。
二.依据建筑结构荷载规范GB5009-2012公路桥涵施工技术规范JTG/TF50-2011三.计算公式1 .地基承载力0σσ≤=AP P —储蓄罐重量kNA — 基础作用于地基上有效面积2mmσ— 土基受到的压应力MPa0σ— 土基容许的应力MPa通过动力触探检测得出土基容许的应力Mpa 25.00=σ2.风荷载强度6.123210321v K K K W K K K W ⨯⨯⨯=⨯⨯⨯= W — 风荷载强度pa0W — 基本风压值pa1K 、2K 、3K —风荷载系数,查表分别取0.8、1.13、1.0v — 风速s m /,取18s m /σ— 土基受到的压应力Mpa0σ— 土基容许的应力Mpa3.基础抗倾覆计算==21M M K c P 1×21×基础宽×21P ×受风面≥1.5即满足要求 1M — 抵抗弯距M kN ⋅2M — 抵抗弯距M kN ⋅1P —储蓄罐与基础自重kN2P —风荷载kN4.基础抗滑稳定性验算3.1210≥⨯=P f P K 即满足要求 1P —储蓄罐与基础自重kN2P —风荷载kNf —基底摩擦系数,查表得0.25;5 .基础承载力0σσ≤=AP P — 储蓄罐单腿重量kNA — 储蓄罐单腿有效面积2mmσ— 基础受到的压应力Mpa0σ— 砼容许的应力Mpa (设计采用C25砼)四.储料罐基础验算1.储料罐地基开挖及浇筑根据厂家提供的拌和站安装施工图,现场平面尺寸如下:储量罐基础宽3.9m,基础深1.2m,采用0.6m厚钢筋混凝土结构,为增加基础稳定性,5个料罐基础连为一体。
XX铁路XX标
第X搅拌站
罐仓基础承载力及罐仓抗风计算书
计算:
复核:
中铁X局集团XX铁路项目经理部2010年12月
一、工程概况
中铁X局XX铁路六标第X搅拌站,配备HZS90搅拌机、HZS120搅拌机各一台,每台搅拌机设有6个100吨级储料罐仓。
根据厂家提供的拌和站安装施工图,确定罐仓基础呈扇型布置,尺寸如下:
根据现场地质情况,基础浇筑厚度为1.5m,混凝土强度等级为C30。
二、基础承载力检算
1、相关计算公式
根据《建筑地基基础设计规范》GB50007-2002,
fa=fak+ηbγ(b-3)+ηdγm(d-0.5)
式中
fa--修正后的地基承载力特征值
地基承载力特征值fak--
ηb、ηd--基础宽度和埋深的地基承载力修正系数
γ--基础底面以下土的重度,地下水位以下取浮重度;
b--基础底面宽度(m),当基宽小于3m按3m取值,大于6m按6m 取值;
γm--基础底面以上土的加权平均重度,地下水位以下取浮重度;d--基础埋置深度(m)。
2、承载力检算
不考虑摩擦力的影响,罐仓与基础自重P=1100kN*6+基础自身1重量,基础自身重量=95m*24kN/m=2280kN
33则P=1100kN*6+95m*24kN/m=6600+2280=8880kN 331最大应力f=8880/64=139Kpa K修正后地基承载力特征值:
fa=120+0*(6-3)+2280/64=155KPa(根据现场地质情况地基承载力特征值fak取120 Kpa)
计算结果f=139KPa<fa=155KPa 承载力满足要求K三、罐仓抗风检算
1、相关计算公式
根据《建筑结构荷载规范》GB50009-2001,
风荷载强度:
W=KKKW= KKKV/1.6 23212301Pa
风荷载强度—W
W—基本风压值Pa
0K、K、K—风荷载系数,查表分别取0.8、1.13、1.0 321V—风速m/s,本次按照XX地区最大风速20.7m/s检算
抗倾覆计算:
K=M/ M=[(P*0.5*基础宽)/(14*P*受风面)] 22c11K≥1.5 即满足抗倾覆要求c M—抵抗弯距kN?m 1M—抵抗弯距kN?m 2P—储蓄罐与基础自重kN 1P—风荷载kN 22、抗倾覆检算
W=K1K2K3W0=K1K2K3V2/1.6=0.8*1.13*1.0*20.72/1.6=242.1pa
P2=W/1000=0.2421kN
个罐基本并排竖立,15米,罐身长12m,6罐仓顶至地表面距离为,整体受风力抵抗风载,在最不利风力下计算基础的受风面210m2抗倾覆性。
计算示意图如下
P风荷载2抗倾覆点基础
罐与基础自重P1
则:Kc=M1/M2=[(P1*0.5*基础宽)/(14*P2*受风面)]
=(8880*0.5*4)/(14*0.2421*210)
满足抗倾覆要求 1.5 ≥=24.95.。