桥梁通CAD6.0盖梁计算与绘图方法
- 格式:doc
- 大小:1.37 MB
- 文档页数:19
.桥梁通CAD6.0盖梁计算与绘图方法4.1概述柱式墩台是公路桥梁设计中普遍采用的结构形式,由于跨径、斜度、桥宽、地质、车荷载的变化,很难完全套用现行标准图和通用图。
尤其是盖梁部分,标准化程度低,工作量大,构件配筋复杂,设计人员往往要花费很大精力和时间。
因此迫切需要一套软件帮助设计人员快速准确的完成设计,同时提供设计人员多方案比选,达到优化设计的目的。
盖梁计算与绘图模块就是专门用来计算盖梁的内力,并进行强度和抗裂验算,动态显示弯矩、剪力包络图和裂缝配筋图,完成钢筋构造图的设计。
4.2功能4.2.1计算与绘图共同部分●⑴既可对帽梁单独设计计算,单独绘钢筋构造图;又可设计计算绘图全过程进行。
●⑵适合任意斜交角度的桥墩或桥台盖梁。
●⑶绘制独柱、2柱、3柱、4柱;计算独柱、2柱、3柱…9柱、10柱式盖梁。
●⑷盖梁截面高度等高或悬臂部分变高。
4.2.2计算部分●⑴提供中文计算书一份,包括原始数据和16个不同内容的计算结果表,便于用户备查和复核。
表格内容如下:a:每片上部梁(板)恒载反力表 b:荷载反力和冲击系数表c:梁(板)横向分配系数表 d:活载引起梁(板)支反力表e:上部梁(板)恒载作用截面内力表 f:盖梁自重作用截面内力表g:人群荷载作用内力表 h:挂车荷载作用内力表i:汽车荷载作用内力表 j:各截面单项荷载弯矩表k:各截面单项荷载左剪力表 l:各截面单项荷载右剪力表m:内力合计表(未计入荷载效应提高系数)n:内力组合表(已计入荷载效应提高系数)o:配筋、裂缝计算表 p:箍筋间距计算表●⑵绘制弯矩包络图和计算相应控制截面钢筋根数。
●⑶绘制剪力包络图和计算相应控制截面钢筋根数。
●⑷绘制裂缝配筋图和计算相应控制截面钢筋根数。
●⑸按2环(4肢)、3环(6肢)分别计算箍筋间距。
●⑹活载考虑人群、汽车、验算荷载常用的三种。
汽车荷载包括汽车-10级、汽车-15级、汽车-20级、汽车超-20级、汽车城-A级、汽车城-B级或自定义。
第4章盖梁计算与绘图4.1概述柱式墩台是公路桥梁设计中普遍采用的结构形式,由于跨径、斜度、桥宽、地质、车荷载的变化,很难完全套用现行标准图和通用图。
尤其是盖梁部分,标准化程度低,工作量大,构件配筋复杂,设计人员往往要花费很大精力和时间。
因此迫切需要一套软件帮助设计人员快速准确的完成设计,同时提供设计人员多方案比选,达到优化设计的目的。
盖梁计算与绘图模块就是专门用来计算盖梁的内力,并进行强度和抗裂验算,动态显示弯矩、剪力包络图和裂缝配筋图,完成钢筋构造图的设计。
4.2功能4.2.1计算与绘图共同部分●⑴既可对帽梁单独设计计算,单独绘钢筋构造图;又可设计计算绘图全过程进行。
●⑵适合任意斜交角度的桥墩或桥台盖梁。
●⑶绘制独柱、2柱、3柱、4柱;计算独柱、2柱、3柱…9柱、10柱式盖梁。
●⑷盖梁截面高度等高或悬臂部分变高。
4.2.2计算部分●⑴提供中文计算书一份,包括原始数据和16个不同内容的计算结果表,便于用户备查和复核。
表格内容如下:a:每片上部梁(板)恒载反力表 b:荷载反力和冲击系数表c:梁(板)横向分配系数表 d:活载引起梁(板)支反力表e:上部梁(板)恒载作用截面内力表 f:盖梁自重作用截面内力表g:人群荷载作用内力表 h:挂车荷载作用内力表i:汽车荷载作用内力表 j:各截面单项荷载弯矩表k:各截面单项荷载左剪力表 l:各截面单项荷载右剪力表m:内力合计表(未计入荷载效应提高系数)n:内力组合表(已计入荷载效应提高系数)o:配筋、裂缝计算表 p:箍筋间距计算表●⑵绘制弯矩包络图和计算相应控制截面钢筋根数。
●⑶绘制剪力包络图和计算相应控制截面钢筋根数。
●⑷绘制裂缝配筋图和计算相应控制截面钢筋根数。
●⑸按2环(4肢)、3环(6肢)分别计算箍筋间距。
●⑹活载考虑人群、汽车、验算荷载常用的三种。
汽车荷载包括汽车-10级、汽车-15级、汽车-20级、汽车超-20级、汽车城-A级、汽车城-B级或自定义。
第章桥梁通使用说明盖梁计算与绘图HUA system office room 【HUA16H-TTMS2A-HUAS8Q8-第4章盖梁计算与绘图4.1概述柱式墩台是公路桥梁设计中普遍采用的结构形式,由于跨径、斜度、桥宽、地质、车荷载的变化,很难完全套用现行标准图和通用图。
尤其是盖梁部分,标准化程度低,工作量大,构件配筋复杂,设计人员往往要花费很大精力和时间。
因此迫切需要一套软件帮助设计人员快速准确的完成设计,同时提供设计人员多方案比选,达到优化设计的目的。
盖梁计算与绘图模块就是专门用来计算盖梁的内力,并进行强度和抗裂验算,动态显示弯矩、剪力包络图和裂缝配筋图,完成钢筋构造图的设计。
4.2功能4.2.1计算与绘图共同部分⑴既可对帽梁单独设计计算,单独绘钢筋构造图;又可设计计算绘图全过程进行。
⑵适合任意斜交角度的桥墩或桥台盖梁。
⑶绘制独柱、2柱、3柱、4柱;计算独柱、2柱、3柱…9柱、10柱式盖梁。
⑷盖梁截面高度等高或悬臂部分变高。
4.2.2计算部分⑴提供中文计算书一份,包括原始数据和16个不同内容的计算结果表,便于用户备查和复核。
表格内容如下:a:每片上部梁(板)恒载反力表 b:荷载反力和冲击系数表c:梁(板)横向分配系数表 d:活载引起梁(板)支反力表e:上部梁(板)恒载作用截面内力表 f:盖梁自重作用截面内力表g:人群荷载作用内力表 h:挂车荷载作用内力表i:汽车荷载作用内力表 j:各截面单项荷载弯矩表k:各截面单项荷载左剪力表 l:各截面单项荷载右剪力表m:内力合计表(未计入荷载效应提高系数)n:内力组合表(已计入荷载效应提高系数)o:配筋、裂缝计算表 p:箍筋间距计算表⑵绘制弯矩包络图和计算相应控制截面钢筋根数。
⑶绘制剪力包络图和计算相应控制截面钢筋根数。
⑷绘制裂缝配筋图和计算相应控制截面钢筋根数。
⑸按2环(4肢)、3环(6肢)分别计算箍筋间距。
⑹活载考虑人群、汽车、验算荷载常用的三种。
汽车荷载包括汽车-10级、汽车-15级、汽车-20级、汽车超-20级、汽车城-A级、汽车城-B级或自定义。
桥梁通软件盖梁计算分析摘要在我国桥梁工程的建筑设计中,盖梁计算是其中的重要工作,盖梁在桥梁中的主要作用是连接桥梁上部和下部结构,由于活载组合的多样性使得盖梁受力情况较为复杂,计算也十分烦琐,目前国内普通钢筋混凝土结构多采用桥梁通软件进行计算。
本文结合工程实例,运用桥梁通软件对盖梁计算进行深入的分析。
关键词桥梁通软件;盖梁计算;分析前言在实际设计工作中,各种建造的桥梁所处的地理位置和桥梁的功能等不同,各种桥梁的盖梁构造、车辆荷载、盖梁的受力情况也就不同,盖梁设计很难实现标准化,桥梁盖梁设计计算非常频繁,因此借用桥梁通软件进行受力分析和出图就可以为设计节省时间提高效率。
1 盖梁计算理论(1)计算依据《公路钢筋混凝土及预应力混凝土桥涵设计规范(JTG D62-2004)[1] 》规定:双柱式桥墩,当盖梁的刚度与墩柱的线刚度比大于5时,为简化计算可以忽略节点不均衡弯矩的分配及传递,一般可按简支梁或悬臂梁进行计算和配筋,多柱式的盖梁可按连续梁计算,当盖梁计算跨径L与梁高h之比,简支梁2.05.0时,则按一般构件计算。
(2)内力计算对于盖梁内力的计算,主要要根据恒载和活载进行相关的计算。
在桥梁的恒载中,主要包括桥梁上部的梁重、桥面的铺设、支座、盖梁自重和相关的桥梁设施,这些荷载都被称为桥梁的恒载,其中,雨雪等自然荷载,也是恒载中的组成部分。
在对桥梁的活载进行计算的时候,一般要考虑以下几种情况:单、双、多列车对称布置、非对称布置,最后对车道进行折减,取计算结果中的最大值,在顺桥向活载移动的情况下,要对单孔活载和双孔活载两种情况进行选取,这两种中又包含了单列车和多列车等情况,分别计算出纵向支座活载反力最大值,用于盖梁的内力计算。
根据活载横向分配系数,就可以求出在活载作用下支座反力最大值,再求出活载作用下盖梁中各控制截面的内力值。
最后把上述求得的恒载内力和活载最大状况内力进行组合,这样就可以对盖梁最终极限内力效应值进行确定。
第6章重力式U型桥台计算与绘图6.1概述重力式U型桥台计算与绘图模块是专门用来计算U台内力和应力,并进行强度和稳定验算。
通常,计算与绘图配合使用,先拟定好桥台各部尺寸后,选择绘制U型桥台一般构造图,进入AutoCAD调入图形,在屏幕上观察桥台各部尺寸是否合适,是否有填错的数据。
当图形各部尺寸无错后,再运行桥台计算程序,验算受力、基底应力及稳定性。
然后反复调整桥台尺寸,使其优化。
计算结束后,再选择绘图生成图形。
考虑到U台的特点,仅对顺桥向进行分析和验算。
重力式U型桥台计算后将输出一份详细的计算书,包括台身各计算截面的几何特性计算、内力计算、偏心距验算、强度验算和基底截面的几何特性计算、应力计算、稳定性验算,以便用户能够进行分析和判断,做出既经济又安全的设计。
重力式U型桥台绘图可用于绘制重力式U型桥台一般构造图、台帽钢筋构造图。
6.2功能6.2.1验算以下4个截面程序将对4个截面进行验算。
即⑴台身顶截面、⑵台身1/2高截面、⑶台身底截面和⑷基础底截面,各截面的编号分别为:1、2、3、4。
当验算基础底截面时,又按三种情况分别验算,A表示台后土压力算至基顶断面位置,B表示台后土压力算至基底截面位置,C表示台后土压力算至基底断面位置并计入浮力。
A用于基底应力验算,B、C用于桥台稳定验算。
对1、2、3号截面进行偏心距和强度验算,对4号截面进行应力计算和稳定性验算。
6.2.2单项荷载包括以下14种⑴上部结构重力;⑵下部结构重力;⑶土的重力;⑷土侧压力;⑸水的浮力;⑹汽车荷载;⑺汽车引起台后土压力;⑻人群荷载;⑼挂车荷载;⑽挂车引起台后土压力;⑾汽车制动力;⑿温度影响力⒀支座摩阻力;⒁施工荷载。
6.2.3内力组合包括以下8种⑴汽车+人群+恒载;⑵汽车+人群+恒载+温度+支座摩阻力;⑶汽车+人群+恒载+制动力;⑷汽车+人群+恒载+温度+制动力;⑸汽车+人群+恒载+温度+支座摩阻力;⑹验算荷载+恒载;⑺未架梁,台后已填土;⑻施工荷载(含上部)+下部恒载。
桥梁通CAD 目录 1目录使用桥梁通CAD注意事项 1桥梁通CAD功能简介表 3桥梁通CAD辅助计算工具功能表 5桥梁通CAD系统特点 6第1章术语和按钮 71.1 工程管理 71.2 窗体 71.3 其他按钮功能 81.4 编辑或选择 10第2章绘制图框 112.1 概述 112.2 图框数据输入或修改 112.2.1 控制数据 112.2.2 公用数据 122.2.3 图框格式一数据 132.2.4 图框格式二数据 14第3章 AutoCAD R14绘图平台辅助命令 153.1 概述 153.2 辅助命令 153.2.1 创建新的钢筋编号 153.2.2 修改钢筋属性 153.2.3 工程数量表刷新 163.2.4 钢筋大样删除 16第4章盖梁计算与绘图 174.1 概述 174.2 功能 174.2.1 计算与绘图共同部分 174.2.2 计算部分 174.2.3 绘图部分 184.3 编制原理 184.3.1 计算部分 184.3.2 绘图部分 194.4 用户界面 204.5 如何进行盖梁设计 204.5.1 样板文件的使用 204.5.2 建立用户工程文件名 204.5.3 输入盖梁尺寸 204.5.4 输入上部横断面数据 212 目录桥梁通CAD 4.5.5 输入设计数据 214.5.6 生成盖梁离散图 224.5.7 输入盖梁材料 224.5.8 进入设计检查 224.5.9 浏览和打印盖梁计算书 234.5.10生成弯矩、剪力包络图和裂缝配筋图 244.5.11生成钢筋构造图的钢筋数据 244.5.12输入或修改钢筋数据 254.5.13钢筋数据和钢筋横断面数据说明 264.6 工程应用及示例 30第5章桩柱式桥墩计算与绘图 365.1 概述 365.2 功能 365.3 算法说明 375.4 用户界面 385.5 如何进行桩柱桥墩设计 385.5.1 样板文件的使用 385.5.2 建立用户工程文件名 385.5.3 输入基本尺寸 385.5.4 输入上部横断面数据 395.5.5 输入设计数据 395.5.6 生成桩柱离散图 405.5.7 输入桩柱材料 405.5.8 输入水位数据 415.5.9 输入地质资料数据 415.5.10 进入设计检查 425.5.11 浏览和打印桩柱式桥墩计算书 435.5.12 生成一般构造图 435.5.13 生成挡块钢筋构造图 445.5.14 生成系梁钢筋构造图 445.5.15 生成桩柱钢筋构造图 445.6 工程应用及示例 45第6章重力式U型桥台计算与绘图 516.1 概述 516.2 功能 516.3 计算说明 536.4 用户界面 556.5 如何进行U台设计 556.5.1 样板文件的使用 55桥梁通CAD 目录 3 6.5.2 建立用户工程文件名 556.5.3 输入U台尺寸 556.5.4 输入U台材料 566.5.5 输入设计数据 576.5.6 计算书输出数据 576.5.7 进入设计检查 576.5.8 浏览和打印U型桥台计算书 586.5.9 生成U型桥台一般构造图 586.5.10 生成U型桥台台帽钢筋构造图 586.6 工程应用及示例 59第7章辅助计算工具 617.1 矩形截面配筋及裂缝计算 627.2 圆形截面配筋及裂缝计算 637.3 I型或T型截面配筋及裂缝计算 647.4 单排桩墩顶位移计算 657.5 简支结构布载计算 667.6 群桩计算 677.7 土中最大弯矩计算 687.8 桩长计算 697.9 螺旋箍筋长度计算 707.10浏览钢筋外径、内径、每米重数据表 717.11浏览钢筋长度折减表 717.12直+缓+圆+缓+直的座标及高程计算 727.13桥下通航控制高程拉坡计算 73第8章桩柱式桥台计算与绘图 748.1 用户界面 748.2 如何进行桩柱桥台图纸设计 748.2.1 桥台一般构造图 748.2.2 耳背墙钢筋构造图 768.2.3 搭板钢筋构造图 778.2.4 桩柱钢筋构造图 788.2.5 系梁钢筋构造图 79第9章承台柱式墩绘图 809.1 用户界面 809.2 如何进行承台柱式墩图纸设计 809.2.1 桥墩一般构造图 809.2.2 挡块钢筋构造图 829.2.3 墩柱钢筋构造图 839.2.4 承台钢筋构造图 844 目录桥梁通CAD 9.2.5 桩基钢筋构造图 85第10章承台肋式台绘图 8610.1 用户界面 8610.2 如何进行承台肋式台图纸设计 8610.2.1 桥台一般构造图 8610.2.2 耳背墙钢筋构造图 8710.2.3 桥头搭板钢筋构造图 8810.2.4 肋台台身钢筋构造图 8910.2.5 承台钢筋构造图 9010.2.6 桩基钢筋构造图 91第11章柱接盖梁桥墩绘图 9211.1 用户界面 9211.2 如何进行柱接盖梁桥墩图纸设计 9211.2.1 桥墩一般构造图 9211.2.2 挡块钢筋构造图 9211.2.3 桩基钢筋构造图 94第12章桩接盖梁桥台绘图 9512.1 用户界面 9512.2 如何进行桩接盖梁桥台图纸设计 9512.2.1 桥台一般构造图 9512.2.2 耳背墙钢筋构造图 9612.2.3 桥头搭板钢筋构造图 9712.2.4 桩基钢筋构造图 97第13章扩基柱式墩绘图 9813.1 用户界面 9813.2 如何进行扩基柱式墩图纸设计 9813.2.1 桥墩一般构造图 9813.2.2 挡块钢筋构造图 9913.2.3 墩柱钢筋构造图 10013.2.4 扩大基础钢筋构造图 101第14章扩基肋式台绘图 10214.1 用户界面 10214.2 如何进行扩基肋式台图纸设计 10314.2.1 桥台一般构造图 10314.2.2 耳背墙钢筋构造图 10414.2.3 桥头搭板钢筋构造图 10414.2.4 肋台台身钢筋构造图 10514.2.5 扩大基础钢筋构造图 106第15章薄壁桥台绘图 107桥梁通CAD 目录 5 15.1 用户界面 10715.2 如何进行薄壁桥台图纸设计 10815.2.1 薄壁桥台一般构造图 10815.2.2 薄壁耳墙钢筋构造图 10915.2.3 桥头搭板钢筋构造图 11015.2.4 薄壁台帽钢筋构造图 11115.2.5 薄壁台身钢筋构造图 11215.2.6 薄壁承台钢筋构造图 11315.2.7 薄壁桩基钢筋构造图 11415.2.8 薄壁支撑梁钢筋构造图 11515.2.9 薄壁锥坡、裙墙构造图 116第16章绘制桥型布置图 11716.1 概述 11716.2 程序功能 11716.3 用户界面 11916.4 如何进行桥型图绘制 11916.4.1 样板文件的使用和建立用户工程文件名 11916.4.2 桥名、斜交角度、桥面横坡 11916.4.3 选择墩台编号和结构形式 11916.4.4 输入桥型图控制数据 12016.4.5 地面线和竖曲线数据 12116.4.6 输入被交路数据 12216.4.7 护栏横断面数据 12216.4.8 上部梁板断面数据 12316.4.9 钻孔资料 12416.4.10 输入墩台的高度、桩长、墩台中线与桥中线距离 12516.4.11 输入桥墩或桥台尺寸 12616.4.11.1 不同结构形式的桥墩尺寸 12616.4.11.2 不同结构形式的桥台尺寸 12916.4.12 输入耳背墙尺寸 13316.4.13 快速输入其他桥墩或桥台尺寸 13316.4.14 图框数据 13416.4.15 部分桥型图示例 134第17章一联制动力和温度力计算 13717.1 概述 13717.2 功能 13717.3 用户界面 13817.4 如何进行一联制动力和温度力计算 13817.4.1 样板文件的使用 1386 目录桥梁通CAD 17.4.2 建立用户工程文件名 13817.4.3 输入联孔、制动力、温度数据 13817.4.4 输入支座数据 13817.4.5 输入墩台刚度 13917.4.6 计算墩台刚度 14017.4.7 计算水平力 14017.4.8 进入计算检查 14117.4.9 浏览和打印水平力表 141第18章补充说明 14218.1 自定义荷载 14218.2 如何浏览汽车(或挂车)纵向排列图 14218.3 如何绘制实体桥墩一般构造图 14318.4 如何在AutoCAD环境中快速调入桥梁通图形 144第19章附录-计算结果输出文件 14519.1 盖梁计算书 14519.2 桩柱式桥墩计算书 15419.3 其他计算书 162桥梁通CAD 注意事项和功能简介 1使用桥梁通CAD注意事项一、安装1、安装应在Windows 95或98或2000或NT操作系统下进行,先插入桥梁通CAD 光盘或软盘第一张,键入setup,并按提示一步步安装。
第五章桥梁计算机绘图图纸是工程师的语言,是向施工技术人员提供工程构造与细节的技术性文件。
随着计算机技术的不断发展,早期的手工制图已被计算机制图所取代,不但提高了工作效率,更重要的是使结构工程师腾出更多的时间来构思桥梁结构,设计出结构合理、外形美观的桥梁。
统一的制图标准是合适的,它有利于保证图面质量,提高工作效率,便于技术交流。
本章先介绍工程制图的一些基本要求,然后介绍AutoCAD在桥梁工程制图中的一些应用,包括基本命令、制图技巧。
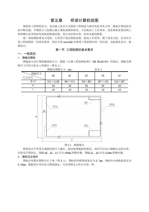
第一节工程制图的基本要求一、一般规定1、图幅及图框图幅表示设计图纸幅面的大小。
根据《公路工程制图标准》(GB 50162-92)的规定,图幅及图框尺寸应符合表5.1的规定(图5.1)。
图幅及图框尺寸(mm)表5.1图幅代号A0 A1 A2 A3 A4 尺寸代号b 841×1189 594×841 420×594 297×420 210×297la35 35 35 30 25c10 10 10 10 10图5.1 幅面格式桥梁设计中常常会遇到结构尺寸偏长、超出标准幅面的情况,此时可以加大图幅长边的长度,但短边不得加长,图幅A0、A2、A4应为150mm的整倍数,图幅A1、A3应为210mm的整倍数。
2、图标及会签栏图标应布置在图框内右下角(图5.1)。
图标的外框线线宽宜为0.7mm,图标内分格线线宽宜为0.25mm。
根据设计单位的习惯或规定,可采用图5.2所示中的一种。
图5.2 图标(单位:mm)会签栏宜布置在图框外左下角(图5.1),并按图5.3所示绘制,会签栏外框线宽宜为0.5mm,内分隔线宽宜为0.25mm。
图5.3 会签栏(单位:mm)当图纸需要绘制角标时,应布置在图框内的右上角,角标线宽宜为0.25mm(图5.4)。
图5.4 角标(单位:mm)3、字体图纸中的汉字应采用长仿宋体,字的高、宽尺寸可按表5.2的规定采用。
桥梁通⽤户⼿册封⾯桥梁通CAD6.0 For Win95 & Win98 & NT⽤户⼿册西安⽅⾈计算机有限责任公司2000年元⽉桥梁通CAD 注意事项和功能简介 1使⽤桥梁通CAD注意事项⼀、安装1、安装应在Windows 95或98或2000或NT操作系统下进⾏,先插⼊桥梁通CAD 光盘或软盘第⼀张,键⼊setup,并按提⽰⼀步步安装。
安装完毕后取出光盘或软盘,以后即可在Windows 95或98操作系统下运⾏。
如果是西⽂Windows 95或98操作系统,应再安装中⽂操作系统。
2、桥梁通CAD的安装⽬录宜⽤西⽂建⽴,否则AutoCAD R14⽆法正常运⾏。
3、为避免软件钥匙的安装影响打印接⼝(并⾏⼝)的输出,应安装设备驱动程序。
⽅法是:运⾏桥梁通⽬录下drivers⼦⽬录下的Registry.exe -p ...\Drivers。
如果在Windows 2000或Windows NT 环境下运⾏,⽤户进⼊drivers⼦⽬录,打开并仔细阅读readme.txt⽂件内容。
⼆、配置1、PC机586及以上配置,32M内存,硬盘50M剩余空间硬盘。
使⽤Windows 95或98或2000或NT中⽂操作系统;图形平台为AutoCAD R14。
2、桥梁通CAD安装⽬录C:\QLTCAD6下有三个⼦⽬录,其中⼦⽬录Autosetup存放若⼲AutoCAD的⽀撑⽂件。
⽤户在启动AutoCAD R14前,应将AutoCAD R14的⼯作⽬录设置为C:\QLTCAD6\Autosetup。
⽅法是:刷新屏幕,将⿏标移⾄AutoCAD R14快捷图标处,点击右键,再点击“属性”,在起始位置(S)后⾯输⼊C:\QLTCAD6\Autosetup。
这样桥梁通CAD为⽤户提供的AutoCAD外部命令可以启动。
三、运⾏1、运⾏桥梁通CAD时,必须插⼊相应的桥梁通的“软件钥匙”,否则桥梁通软件⽆法正常运⾏。
2、⽤户应在切断电源情况下,将“软件钥匙”插⼊主机上的打印机接⼝中,再将打印机接线插头插⼊“软件钥匙”上。
桥梁盖梁设计与计算,都是直观实用的盖梁设计数据!柱式桥墩是桥梁设计中普遍采用的结构型式。
对于简支桥梁,盖梁是一个承上启下的重要构件,上部结构的荷载通过盖梁传递给下部结构和基础。
桥梁的跨径、斜度、桥宽、荷载标准,对盖梁设计的影响最大,一般很难完全套用标准图和通用图,所以盖梁设计的标准化程度很低,经常是非标准设计,需要对盖梁进行较多的计算,因此盖梁设计是桥梁设计中的一个关键步骤。
1.盖梁受力特点盖梁承受的主要荷载是由其上梁体通过支座传递过来的集中力,盖梁作为受弯构件,在荷载作用下各截面除了引起弯矩外,同时伴随着剪力的作用。
此外盖梁在施工过程中和活载作用下,还会承受扭矩,产生扭转剪应力。
扭转剪应力数值很小且不是永久作用,一般不控制设计。
由此可见盖梁是一种典型的以弯剪受力为主的构件。
预应力钢筋混凝土盖梁的预应力可以看成是盖梁的外加轴力。
盖梁还会受到横桥向和纵桥向的荷载,但这些荷载一般只用于控制墩柱和基础的设计。
2.盖梁受力组成分析盖梁除了自重荷载之外,主要承受由支座传递过来的上部结构的恒活载。
对不同桥宽、不同跨径简支梁板桥的盖梁内力计算结果进行分析,以双柱式桥墩盖梁墩顶负弯矩为例:盖梁自重所占比例很小,为9%左右;上部恒载占比例很大,为63%左右;而活载只占总荷载的28%左右。
表1为在设计工作中对双柱式桥墩盖梁墩顶内力计算结果的一个归纳。
此表可用来估算盖梁活载内力。
桥梁越宽,活载所占比例越小;上部跨径越小,活载所占比例越大。
3.盖梁的计算要点盖梁的计算要点是如何建立准确而且简化的计算模型。
(1)盖梁平面简化的规定现行《公桥规》规定:多柱式墩台的盖梁可近似地按多跨连续梁计算;对于双柱式墩台,当盖梁的刚度与柱的刚度之比大于5时,可忽略桩柱对盖梁的约束作用,近似地按简支(悬臂)梁计算。
柱顶视为铰支承,柱对盖梁的嵌固作用被完全忽略。
这种计算图式是以往设计实践中用得最多也最普遍的一种。
目前一些盖梁计算程序,如“中小桥涵CAD 系统”等一些平面计算的软件,基本上都是采用这种简化计算模式来分析盖梁的内力。
第5章桩柱式桥墩计算与绘图5.1概述桩柱式桥墩结构在桥梁设计领域中被广泛采用。
而桩柱式桥墩计算与绘图模块是专门用来分析、设计、计算墩身和基桩的内力、配筋、裂缝及变形。
程序运行后所生成的计算结果输出文件规范,可以作为设计计算书存档备查。
5.2功能5.2.1验算截面5个⑴墩身顶截面⑵墩身底截面⑶基桩顶截面⑷冲刷(或地面)线处截面⑸土中受弯最不利截面。
5.2.2荷截包括以下8种⑴结构自重⑵水的浮力⑶汽车荷载⑷人群荷载⑸挂车荷载⑹汽车制动力⑺支座摩阻力⑻温度影响力5.2.3内力组合⑴汽车+人群+恒载+水平力(每个柱或桩分别组合)⑵验算荷载+恒载(每个柱或桩分别组合)由于活载偏载(横桥向左偏或右偏)对每个桩或柱又将产生一个最大和一个最小轴力,对其又分别组合,汽车荷载按一列、二列、三列…九列、十列(可能的话)分别计算、分别组合。
5.2.4布载方式3种⑴双孔布载⑵左孔布载⑶右孔布载程序布载计算时仅考虑上部结构简支体系,若为连续梁受力模式或下部结构为排架墩联孔作用形式的结构,用户只要在数据文件中输入墩顶的不同活载支反力,即可实现在连续梁或排架墩联孔结构作用下桩柱的设计与验算。
5.2.5基桩计算⑴程序适用于基桩为嵌岩或非嵌岩桩;钻孔灌注桩或打入桩、沉桩。
⑵对独柱、2~10柱的桩柱作强度计算、抗裂计算、桩长验算。
5.2.6位移计算进行桥墩顶水平位移和冲刷截面处位移的计算。
5.2.7输出的表格有以下20类⑴恒载内力表⑵活载支反力和冲击系数表⑶墩顶活载内力表⑷活载分配系数表(包括左偏、右偏、对称)⑸每根柱墩顶水平力表⑹每根柱墩顶内力表⑺每根柱(桩)计算截面内力合计表(前述5个截面分别计算)⑻每根柱(桩)计算截面内力组合表(前述5个截面分别计算)⑼每根柱(桩)计算截面配筋及裂缝计算表(前述5个截面分别计算)⑽一根桩土中最大弯矩计算表⑾一根桩最大反力和桩长计算表⑿墩顶水平位移计算表(含冲刷截面处位移计算)⒀横桥向墩帽底内力表⒁横桥向墩帽底内力合计表⒂横桥向墩帽底内力组合表⒃横桥向各计算截面内力合计表⒄横桥向各计算截面内力组合表⒅横桥向各计算截面内力、配筋及裂缝计算表⒆横桥向单桩桩长计算表⒇横桥向单桩土中最大弯距计算表注:合计表指内力相加用于裂缝计算、位移计算和桩长计算,组合表指内力乘效应系数后相加用于配筋计算。
盖梁计算2009-10-23 22:28:27| 分类:道路桥梁| 标签:|字号大中小订阅个人文章,转载请注明。
桥墩桥台盖梁在桥梁结构中广泛应用,其计算也是桥梁设计中经常接触的问题,06年我曾就此专门写过一个ppt总结盖梁的计算,温故知新,贴上来和大家一起交流。
1本文讨论的范围本文仅对常规的使用方式给出一种盖梁计算的方法供探讨,力求简单、实用,便于掌握。
2概述2.1盖梁的作用将上部结构荷载传递到下部,转换受力特点。
2.2盖梁的形式常见的盖梁多为矩形。
为节省材料根据桥墩盖梁的受力特点,桥墩盖梁也常在悬臂下部切去部分呈变截面状;在多联相连的桥梁中,梁高不等时在伸缩缝位置会出现“L”形盖梁,对多孔简支结构,有时会出现倒“T”形盖梁。
2.3盖梁的受力特点盖梁为典型的受弯、受剪连续梁,暂不深究其更深的东西,探讨起来没完了。
2.4 采用的计算程序选用最常用的杆系计算程序作为计算工具,例如gqjs、桥博等,本文选用桥梁博士作为计算工具。
3 盖梁计算桥梁运营过程中,盖梁承担上部结构传递来的恒载和活载,并转换为竖向力传递给基础。
本文以一普通钢筋混凝土盖梁为例进行分析,分以下步骤逐步进行。
3.1 计算数据准备1)计算盖梁承受的上部结构恒载:梁重+二期恒载,从桥梁纵向计算结果文件中提取恒载在该墩处的支反力。
注意:二期恒载主要指铺装、护栏等上部附属结构荷载,本步要计算出各个支座传递给盖梁的恒荷载。
2)计算盖梁上作用的活载:从桥梁纵向计算结果文件中提取单车道汽车荷载引起的该墩处的支反力,以该支反力作为横向加载的车重。
3)根据上部结构桥面宽度确定横向加载区域。
3.2 建模计算1)根据盖梁构造图对盖梁进行单元离散;注意:进行单元离散时特征截面及支撑位置需要设置节点,同时确定盖梁上恒荷载作用的位置。
2)根据单元离散图在桥梁博士中建立计算模型,在施工阶段将恒载作用输入,在使用阶段输入活载信息,输入完毕进行计算。
在桥博的视频教程中,有关于桥博模拟盖梁计算的完整视频,是很好的参考材料。
CAD桥梁制图规定在桥梁工程领域,CAD 制图是一项至关重要的工作。
它不仅是设计师表达设计理念和构思的工具,也是施工人员准确理解和实施设计的依据。
为了确保 CAD 桥梁制图的准确性、规范性和可读性,制定一套详细且明确的制图规定是必不可少的。
一、绘图环境设置1、单位设置在 CAD 中,应根据实际需求选择合适的单位,如毫米、米等。
同时,要确保单位的精度设置满足桥梁设计的要求,一般来说,长度单位的精度应至少保留到小数点后两位。
2、图层设置合理的图层设置有助于提高绘图效率和图纸的清晰度。
应根据不同的构件和元素,如主梁、桥墩、桥台、钢筋等,分别创建不同的图层,并为每个图层设置合适的颜色、线型和线宽。
例如,主梁图层可以设置为红色、连续线型、线宽 05mm;钢筋图层可以设置为蓝色、虚线线型、线宽 03mm。
3、字体样式字体的选择应清晰易读,常用的字体如宋体、黑体等。
字体的大小应根据图纸的比例和内容的重要性进行调整,标注文字的高度一般为3mm 至 5mm。
二、图形绘制1、线条绘制线条应清晰、准确,直线应笔直,曲线应光滑。
线条的粗细应根据不同的用途进行区分,如轮廓线应较粗,中心线应较细。
在绘制多段线时,应注意线段的连接点是否平滑,避免出现尖锐的拐角。
2、图形比例应根据桥梁的实际尺寸和图纸的布局选择合适的比例,常见的比例有 1:50、1:100、1:200 等。
在同一图纸中,所有图形的比例应保持一致,以确保尺寸的准确性和一致性。
3、图形对称对于对称的桥梁结构,应在绘图时充分利用对称特性,只绘制一半或一部分,然后通过镜像或对称复制的方式完成整个图形,以提高绘图效率。
三、尺寸标注1、标注样式应设置统一的标注样式,包括箭头样式、尺寸线样式、文字样式等。
箭头的大小和形状应符合国家标准,尺寸线应与图形线条区分开,文字应水平放置且清晰可读。
2、标注位置尺寸标注应放置在清晰、易读的位置,避免与图形线条交叉或重叠。
对于较长的尺寸,应分段标注,并在标注线上注明总尺寸。
CAD桥梁制图规定在桥梁工程领域,CAD 制图是一项至关重要的工作。
准确、清晰、规范的 CAD 桥梁制图不仅能够有效地传达设计意图,还能为施工、监理等后续环节提供可靠的依据。
为了确保 CAD 桥梁制图的质量和一致性,制定一套明确的制图规定是必不可少的。
一、绘图环境设置1、单位设置在 CAD 中,应统一设置单位为毫米(mm),精度为小数点后两位。
这样可以保证尺寸的准确性和可读性。
2、图层设置根据不同的图形元素,如轮廓线、中心线、标注线、文字等,建立相应的图层,并赋予不同的颜色、线型和线宽。
例如,轮廓线可以设置为黑色、连续线、线宽 05mm;中心线设置为红色、点划线、线宽025mm。
3、字体设置选择标准的工程字体,如宋体、黑体等,字高根据图纸比例和实际需求进行合理设置。
一般来说,标题栏中的字体高度为 5mm,标注文字高度为 35mm。
二、图形绘制1、桥梁总体布置图应包括桥梁的平面、立面和横断面视图,清晰地展示桥梁的长度、宽度、跨径布置、墩台位置等信息。
视图的比例应根据桥梁的规模和复杂程度选择,通常采用 1:500 或 1:1000。
2、桥梁构件详图对于桥梁的主要构件,如梁、墩、台等,应绘制详细的施工图。
在绘制构件详图时,要标注出尺寸、材料、钢筋布置等详细信息,确保施工人员能够准确理解和施工。
3、线条绘制线条应清晰、光滑,避免出现断线、重线等情况。
不同类型的线条应按照图层设置的要求进行绘制,如轮廓线要粗实,中心线要细虚。
三、尺寸标注1、标注样式设置统一的标注样式,包括尺寸线、箭头、文字高度、精度等。
尺寸标注应清晰、准确,不得遗漏重要尺寸。
2、标注位置尺寸标注应尽量标注在图形的外部,避免与图形线条重叠。
对于较长的尺寸,可以采用折断线进行分段标注。
3、公差标注对于有公差要求的尺寸,应按照国家标准进行标注,明确公差的类型和数值。
四、文字说明1、文字内容文字说明应简洁明了,准确表达设计意图。
包括桥梁的设计参数、施工要求、注意事项等。
.桥梁通CAD6.0盖梁计算与绘图方法4.1概述柱式墩台是公路桥梁设计中普遍采用的结构形式,由于跨径、斜度、桥宽、地质、车荷载的变化,很难完全套用现行标准图和通用图。
尤其是盖梁部分,标准化程度低,工作量大,构件配筋复杂,设计人员往往要花费很大精力和时间。
因此迫切需要一套软件帮助设计人员快速准确的完成设计,同时提供设计人员多方案比选,达到优化设计的目的。
盖梁计算与绘图模块就是专门用来计算盖梁的内力,并进行强度和抗裂验算,动态显示弯矩、剪力包络图和裂缝配筋图,完成钢筋构造图的设计。
4.2功能4.2.1计算与绘图共同部分●⑴既可对帽梁单独设计计算,单独绘钢筋构造图;又可设计计算绘图全过程进行。
●⑵适合任意斜交角度的桥墩或桥台盖梁。
●⑶绘制独柱、2柱、3柱、4柱;计算独柱、2柱、3柱…9柱、10柱式盖梁。
●⑷盖梁截面高度等高或悬臂部分变高。
4.2.2计算部分●⑴提供中文计算书一份,包括原始数据和16个不同内容的计算结果表,便于用户备查和复核。
表格内容如下:a:每片上部梁(板)恒载反力表 b:荷载反力和冲击系数表c:梁(板)横向分配系数表 d:活载引起梁(板)支反力表e:上部梁(板)恒载作用截面内力表 f:盖梁自重作用截面内力表g:人群荷载作用内力表 h:挂车荷载作用内力表i:汽车荷载作用内力表 j:各截面单项荷载弯矩表k:各截面单项荷载左剪力表 l:各截面单项荷载右剪力表m:内力合计表(未计入荷载效应提高系数)n:内力组合表(已计入荷载效应提高系数)o:配筋、裂缝计算表 p:箍筋间距计算表●⑵绘制弯矩包络图和计算相应控制截面钢筋根数。
●⑶绘制剪力包络图和计算相应控制截面钢筋根数。
●⑷绘制裂缝配筋图和计算相应控制截面钢筋根数。
●⑸按2环(4肢)、3环(6肢)分别计算箍筋间距。
●⑹活载考虑人群、汽车、验算荷载常用的三种。
汽车荷载包括汽车-10级、汽车-15级、汽车-20级、汽车超-20级、汽车城-A级、汽车城-B级或自定义。
验算荷载包括履带-50、挂车-80、挂车-100、挂车-120、特挂-160、特挂-220、特挂-300、特挂-420或自定义。
●⑺横向分配工况36种,分人群、挂车、1~10列汽车对应左偏、右偏和对称。
●⑻盖梁的各计算截面包括a:梁板作用点所在截面,b:跨中截面,c:桩柱支撑中心点、支撑左、右边缘点所在截面。
●⑼人行道与行车道间可设置隔离栅并进行结构分析和计算。
●⑽上部断面本身不作对称要求,梁(板)与盖梁也不作对称要求,完全针对实际情况建立结构模型进行分析、计算、配筋。
●⑾上部既可自动进行活载加载,同时允许用户加载后给出活载支反力。
●⑿自动计算并生成绘图所需钢筋数据文件。
4.2.3绘图部分●⑴检查用户钢筋文件数据的合理性。
●⑵具有钢筋动态管理功能,钢筋编号幅度为5~17个。
●⑶弯起钢筋在悬臂段沿斜方向下弯,在梁跨间既可斜方向下弯,又可正截面下弯。
●⑷箍筋环数为1、2、3环,盖梁与柱联结处箍筋可以加密。
●⑸横断面上下主筋可按1~3排布置,独柱可到6排,每排钢筋根数不超过24根。
●⑹弯起钢筋可全部弯起、部分弯起或设置加强筋,弯起钢筋在跨中可以通过或截断。
可独立设置短斜筋。
●⑺上下通长主筋与斜短筋共同形成钢筋骨架。
●⑻计算并绘制钢筋明细表和材料数量表。
4.3编制原理4.3.1计算部分⑴以交通部颁布现行的桥涵规范作为编程依据。
⑵斜桥以桥孔斜长为计算跨径,按正交桥的方法计算。
⑶顺桥向按简支梁加载计算荷载支反力。
⑷横向分配系数对称布载按杠杆法,偏载按刚性横梁法。
⑸三跨及以上时盖梁视为刚性支承的双悬臂多跨连续梁,两跨时为双悬臂简支梁。
⑹建立柱(肋)支承反力影响线和每个计算截面内力影响线。
⑺横桥向荷载经横向分配传递给每片梁(板),再由每片梁(板)按内力影响线加. 载得出各计算截面人群、汽车、挂车引起的最不利内力值。
⑻对荷载内力进行组合,求出各计算截面内力最大值和最小值,形成内力包络图。
⑼弯矩控制正截面强度和主筋根数,剪力控制斜截面抗剪强度和斜筋根数以及箍筋间距和根数,裂缝由弯矩控制。
4.3.2绘图部分⑴根据盖梁外廓尺寸按纵、横方向分别计算确定钢筋构造图的绘图比例,绘图比例按2增减,同时计算出立面、平面、侧面、钢筋大样等图上控制座标。
⑵根据斜交角、弯起钢筋种类、箍筋环数、盖梁等高或悬臂段变高计算钢筋编号。
⑶绘制钢筋立面、平面、侧面及钢筋大样,并计算钢筋根数和长度(含平均长度)。
⑷计算并绘制钢筋明细表和材料数量表以及弯起钢筋D值表。
⑸生成*.SCR钢筋图形文件,用户进入AutoCAD图形平台,即可将其显示在屏幕上,并进行编辑和修改,绘图机输出。
4.4用户界面4.5如何进行盖梁设计4.5.1样板文件的使用系统为用户提供了文件名为n2.qlt、n3.qlt的样板文件,桥墩编号为1号桥墩的数据是完整的,分别对应2柱式、3柱式盖梁结构,该数据文件既可计算又可绘图。
4.5.2建立用户工程文件名有两种方法,一是在桥梁通主菜单的工程管理下拉式菜单的“创建工程”下建立,另一种是在桥梁通主菜单的“桥墩盖梁计算与绘图”下拉式菜单的“打开文件”按钮下建立。
4.5.3输入盖梁尺寸打开桥梁通主菜单的“桥墩计算与绘图”下拉式菜单的“盖梁计算与绘图”,弹出“桥墩盖梁计算与绘图”数据输入窗体,选择盖梁. 计算,再点击“盖梁尺寸”按钮,弹出数据输入窗体,根据提示输入盖梁的基本数据,数据输入完毕关闭该窗体。
4.5.4输入上部横断面数据点击“横断面”按钮,弹出数据输入窗体,根据提示输入上部横断面的基本数据,数据输入完毕关闭该窗体。
4.5.5输入设计数据点击“设计数据”按钮,弹出数据输入窗体,根据提示输入设计数据的基本数据,数据输入完毕关闭该窗体。
4.5.6生成盖梁离散图运行“生成盖梁离散图”,用户进入AutoCAD R14,在Command命令项后键入script+空格+文件名,即可将盖梁离散图展现在屏幕上,用户根据图形检查数据输入有无出错。
4.5.7输入盖梁材料点击“盖梁材料”按钮,弹出数据输入窗体,根据提示输入盖梁材料的基本数据,数据输入完毕关闭该窗体。
4.5.8进入设计检查盖梁的尺寸优化取决于盖梁横断面尺寸、柱的个数、柱的间距、上部荷载等,一般情况下,保证盖梁正负弯矩接近的设计是合理的,如何实现?用户只要点击“设计检查”,弹出设计检查窗体,选左侧按钮“盖梁尺寸”、“盖梁材料”、“上部横断面”、“设计数据”可进行数据. 修改,确定后存盘,点击“计算生成盖梁包络图”,图形区马上动态显示包络图,如果不符合设计者要求,再修改数据存盘后点击“计算生成盖梁包络图”,直到设计者满意。
4.5.9浏览和打印盖梁计算书关闭设计检查数据,点击“浏览盖梁计算结果”按钮,选择工程文件名,这时,浏览结果窗体被显示在平幕中央,设计者可以快速浏览盖梁计算结果。
如果设计者想浏览梁板横向分配系数,仅需点击“横向分配系数”按钮,如果想浏览盖梁内力组合结果,仅需点击“内力组合”按钮。
设计者还可以打开另一个工程的计算结果,先点击“两份不同计算书”,再打开另外一份已经计算好的计算书,两个不同计算结果可同时浏览、比较。
用户也可点击打印按钮将盖梁计算结果打印出来存档、备查。
4.5.10生成弯矩、剪力包络图和裂缝配筋图进入AutoCAD R14,在command:后面键入script+文件名,即可查看或绘制弯矩、剪力包络图和裂缝配筋图。
(这里略)4.5.11生成钢筋构造图的钢筋数据一但设计数据确定,用户即可点击“生成钢筋绘图数据”,此时弹出对话框,提示用户经过计算后自动生成的钢筋数据要存放在哪个墩台编号位置上,用户必须用鼠标点击墩台编号。
比如,现在设计的是1号桥墩,如果该工程的1号桥墩首次设计,就选择1号桥墩作为存放钢筋数据;如果该工程的1号桥墩的钢筋图已经设计好,这时,千万不要选择该工程的1号桥墩。
否则,1号桥墩的原钢筋数据将被设计生成的钢筋数据覆盖。
这种情况下,最好选择较大的那个墩台编号(比如99号桥墩)存放经过计算后自动生成的钢筋数据。
如果1号桥墩需要该数据时,使用插入功能即可完成将99号桥墩的钢筋数据插入到1号桥墩中。
4.5.12输入或修改钢筋数据点击“盖梁绘图”方式,再点击“钢筋数据”,弹出盖梁钢筋数据输入对话框,用户可以进行钢筋数据的输入和修改,所有数据修改完毕,点击“钢筋数据检查”按钮,这时,系统会对盖梁钢筋数据的正确性进行判断,直到提示正确。
有的提示比如侧面钢筋直径一般为10mm、钢筋等级一般为I级钢筋,而用户输入的钢筋直径. 大于10mm、钢筋等级为II级钢筋时,系统也会提示有错或警告,用户可忽略,钢筋图仍然可以生成。
4.5.12.1输入或修改盖梁材料、保护层、箍筋间距和加密数据弹出盖梁钢筋数据输入对话框后,点击“盖梁材料、保护层、箍筋间距和加密”,用户可以进行有关数据的输入和修改,修改完毕,应点击“存盘”按钮存盘。
4.5.12.2输入或修改上下通筋、加强短钢筋、弯起钢筋数据弹出盖梁钢筋数据输入对话框后,点击“上下通筋、加强短钢筋、弯起钢筋”,用户可以进行有关数据的输入和修改,修改完毕,应点击“存盘”按钮存盘。
当需要输入的数据被“示意图显示框”遮挡住时,可移动“示意图显示框”,再进行数据的编辑。
4.5.12.3输入或修改横断面钢筋数据弹出盖梁钢筋数据输入对话框后,点击“横断面钢筋”,用户可以进行有关数据的输入和修改,修改完毕,应点击“存盘”按钮存盘。
下缘钢筋用“X”表示,当钢筋编号为2位数值时,10号钢筋用“A”表示,11号钢筋用“B”表示,12号钢筋用“C”表示,13号钢筋用“D”表示,14号钢筋用“E”表示,15号钢筋用“F”表示。
4.5.12.4输入或修改钢筋骨架数据弹出盖梁钢筋数据输入对话框后,点击“骨架钢筋”(注意“基本数据”中的“钢筋骨架片数”必须大于0),用户可以进行有关数据的输入和修改,修改完毕,应点击“存盘”按钮存盘。
4.5.13 钢筋数据和钢筋横断面数据说明上缘直通钢筋根数、下缘直通钢筋根数可以相同或不同。
上下通筋形成钢筋骨架片数可以为0或大于0,当大于>0时其值N指N片上下通筋与短斜筋共同形成钢筋骨架。
这时,需要输入:边柱左侧每片钢筋骨架的短斜筋根数NBZL=4;.边柱左侧每片钢筋骨架的短斜筋与边柱中心距离DBZL=50,90,130,170;边柱右左侧每片钢筋骨架的短斜筋根数NBZR=4;边柱右侧每片钢筋骨架的短斜筋与边柱中心距离DBZR=40,80,120。
如果为3柱和4柱,继续读入以下短斜筋根数和支距。
中柱左侧每片钢筋骨架的短斜筋根数NZZL=4;中柱左侧每片钢筋骨架的短斜筋与边柱中心距离DZZL=55,95,135,175;中柱右左侧每片钢筋骨架的短斜筋根数NZZR=4;中柱右侧每片钢筋骨架的短斜筋与边柱中心距离DZZR=45,85,125;弯起钢筋编号的数目(≤12)LEI.XING=4,上下两排钢筋中到中距离(cm) =2.7;弯起钢筋跨中段采用方式,0指跨中部分弯起钢筋斜方向下弯,1指跨中部分正截面下弯。