固定资产—机器设备评估明细表
- 格式:doc
- 大小:131.00 KB
- 文档页数:6
拟处置固定资产项目评估报告目录声明 (1)评估报告摘要 (2)评估报告 (4)一、委托方、产权持有者以及其他评估报告使用者 (4)二、评估目的 (5)三、评估价值类型 (5)四、评估范围和对象 (5)五、评估基准日: (5)六、评估依据 (5)七、评估方法 (7)八、评估过程 (10)九、评估假设 (11)十、评估结论 (12)十一、评估报告使用限制说明 (13)十二、评估报告日 (13)评估报告附件 (14)声明1.我们在执行本资产评估业务中,遵循相关法律法规和资产评估准则,恪守独立、客观和公正的原则;根据我们在执业过程中收集的资料,评估报告陈述的内容是客观的,并对评估结论合理性承担相应的法律责任。
2.评估对象涉及的资产清单由委托方、被评估单位申报并经其签章确认;所提供资料的真实性、合法性、完整性,恰当使用评估报告是委托方和相关当事方的责任。
3.我们与评估报告中的评估对象没有现存或者预期的利益关系;与相关当事方没有现存或者预期的利益关系,对相关当事方不存在偏见。
4.资产评估师已根据评估准则的要求进行了现场勘查,对评估对象的法律权属状况给予必要的关注,对评估对象法律权属资料进行查验,但无法对评估对象的法律权属真实性做任何形式的保证;在此已提请企业完善产权以满足出具评估报告的要求,并关注该事项可能对评估结果产生的影响。
5.我们出具的评估报告中的分析、判断和结论受评估报告中假设和限定条件的限制,评估报告使用者应当充分考虑评估报告中载明的假设、限定条件、特别事项说明及其对评估结论的影响。
6.资产评估师对评估对象的价值进行估算并发表的专业意见,是经济行为实现的参考依据。
评估报告及其所披露的评估结论仅限于评估报告载明的评估目的,仅在评估结论使用有效期限内使用,因使用不当造成的后果与评估机构及签字注册资产评估师无关。
省XXX拟处置固定资产项目评估报告摘要XXX资评字【2011】第078号一、委托方及产权持有者委托方及产权持有者为省XXX。
评估明细表样表(供参考)一、说明本套样表参照《企业会计准则第30 号——财务会计报表列报》应用指南的基本要求进行设计。
具体评估业务中,可以根据本指南对评估明细表的基本要求、企业会计核算所设置的会计科目,参考本套样表编制评估明细表。
下面以银行、保险公司及证券公司为例给出评估明细表样表,其他企业可以参照这几类公司的样表编写。
二、评估明细表样表(一)银行评估明细表样表表1评估结果汇总表表2评估结果分类汇总表表3资产分类汇总表表3-1 现金及存放中央银行评估汇总表表3-1-1 库存现金评估明细表表3-1-2 存放中央银行评估明细表表3-2 存放同业款项评估明细表表3-3 贵金属评估明细表表3-4 拆出资金评估明细表表3-5 交易性金融资产评估汇总表表3-5-1 交易性金融资产——股票投资评估明细表表3-5-2 交易性金融资产——债券投资评估明细表表3-5-3 交易性金融资产——基金投资评估明细表表3-6 衍生金融资产评估明细表表3-7 买入返售金融资产评估明细表表3-8 应收利息评估明细表表3-9 发放贷款及垫款评估汇总表表3-9-1 发放贷款及垫款(对公)评估明细表表3-9-2 发放贷款及垫款(对私)评估明细表表3-9-3 贴现评估明细表表3-10 可供出售金融资产评估汇总表表3-10-1 可供出售金融资产——股票投资评估明细表表3-10-2 可供出售金融资产——债券投资评估明细表表3-10-3 可供出售金融资产——基金投资评估明细表表3-11 持有至到期投资评估明细表表3-12 长期股权投资评估明细表表3-13 投资性房地产评估汇总表表3-13-1 投资性房地产——房屋(采用成本模式计量)评估明细表表3-13-2 投资性房地产——房屋(采用公允价值模式计量)评估明细表表3-13-3 投资性房地产——土地使用权(采用成本模式计量)评估明细表表3-13-4投资性房地产——土地使用权(采用公允价值模式计量)评估明细表表3-14 固定资产评估汇总表表3-14-1-1固定资产——房屋建筑物评估明细表表3-14-1-2固定资产——构筑物及其他辅助设施评估明细表表3-14-1-3固定资产——管道和沟槽评估明细表表3-14-2-1固定资产——机器设备评估明细表表3-14-2-2固定资产——车辆评估明细表表3-14-2-3固定资产——电子设备评估明细表表3-15 无形资产评估汇总表表3-15-1无形资产——土地使用权评估明细表表3-15-2无形资产——其他无形资产评估明细表表3-16 递延所得税资产评估明细表表3-17 其他资产评估汇总表表3-17-1 其他资产——抵债资产评估汇总表表3-17-1-1其他资产——抵债资产——房屋评估明细表表3-17-1-2其他资产——抵债资产——有价证券评估明细表表3-17-1-3其他资产——抵债资产——其他抵债资产评估明细表表3-17-2其他资产——贴现资产明细表表3-17-3其他资产——其他资产评估明细表表4 负债分类汇总表表4-1向中央银行借款评估明细表表4-2同业及其他金融机构存放款项评估明细表表4-3拆入资产评估明细表表4-4交易性金融负债评估明细表表4-5衍生金融负债评估明细表表4-6卖出回购金融资产款评估明细表表4-7吸收存款评估汇总表表4-7-1对公存款评估明细表表4-7-2储蓄评估明细表表4-8应付职工薪酬评估明细表表4-9应交税费评估明细表表4-10应付利息评估明细表表4-11预计负债评估明细表表4-12应付债券评估明细表表4-13递延所得税负债评估明细表表4-14其他负债——评估汇总表表4-14-1其他负债——其他应付款评估明细表表4-14-2其他负债——存入保证金评估明细表表4-14-3其他负债——贴现负债评估明细表表4-14-4其他负债——其他负债评估明细表(二)保险公司评估明细表样表表1评估结果汇总表表2评估结果分类汇总表表3资产分类汇总表表3-1货币资金评估汇总表表3-1-1货币资金——现金评估明细表表3-1-2货币资金——银行存款评估明细表表3-1-3货币资金——其他货币资金评估明细表表3-2拆出资金评估明细表表3-3交易性金融资产评估汇总表表3-3-1交易性金融资产——股票投资评估明细表表3-3-2交易性金融资产——债券投资评估明细表表3-3-3交易性金融资产——基金投资评估明细表表3-4衍生金融资产评估明细表表3-5买入返售金融资产评估明细表表3-6应收利息评估明细表表3-7应收保费评估明细表表3-8应收代位追偿费评估明细表表3-9应收分保账款评估明细表表3-10应收分保未到期责任准备金评估明细表表3-11应收分保未决赔款准备金评估明细表表3-12应收分保寿险责任准备金评估明细表表3-13应收分保长期健康险责任准备金评估明细表表3-14保户质押贷款评估明细表表3-15定期存款评估明细表表3-16可供出售金融资产评估汇总表表3-16-1可供出售金融资产——股票投资评估明细表表3-16-2可供出售金融资产——债券投资评估明细表表3-16-3可供出售金融资产——基金投资评估明细表表3-17持有至到期投资评估明细表表3-18长期股权投资评估明细表表3-19存出资本保证金评估明细表表3-20 投资性房地产评估汇总表表3-20-1投资性房地产——房屋(采用成本模式计量)评估明细表表3-20-2 投资性房地产——房屋(采用公允价值模式计量)评估明细表表3-20-3 投资性房地产——土地使用权(采用成本模式计量)评估明细表表3-20-4投资性房地产——土地使用权(采用公允价值模式计量)评估明细表表3-21固定资产评估汇总表表3-21-1-1固定资产——房屋建筑物评估明细表表3-21-1-2固定资产——构筑物及其他辅助设施评估明细表表3-21-1-3固定资产——管道和沟槽评估明细表表3-21-2-1固定资产——机器设备评估明细表表3-21-2-2固定资产——车辆评估明细表表3-21-2-3固定资产——电子设备评估明细表表3-22 无形资产评估汇总表表3-22-1无形资产——土地使用权评估明细表表3-22-2无形资产——其他无形资产评估明细表表3-23独立账户资产评估明细表表3-24递延所得税资产评估明细表表3-25其他资产评估汇总表表3-25-1其他资产——其他应收款评估明细表表3-25-2其他资产——存出分保准备金评估明细表表3-25-3其他资产——损余物资评估明细表表3-25-4其他资产——其他资产评估明细表表4负债分类汇总表表4-1短期借款评估明细表表4-2拆入资金评估明细表表4-3交易性金融负债评估明细表表4-4衍生金融负债评估明细表表4-5卖出回购金融资产款评估明细表表4-6预收保费评估明细表表4-7应付手续费及佣金评估明细表表4-8应付分保账款评估明细表表4-9应付职工薪酬评估明细表表4-10应交税费评估明细表表4-11应付赔付款评估明细表表4-12应付保单红利评估明细表表4-13保户储金及投资款评估明细表表4-14未到期责任准备金评估明细表表4-15未决赔款准备金评估明细表表4-16寿险责任准备金评估明细表表4-17长期健康险责任准备金评估明细表表4-18长期借款评估明细表表4-19应付债券评估明细表表4-20独立账户负债评估明细表表4-21递延所得税负债评估明细表表4-22其他负债评估汇总表表4-22-1其他负债——其他应付款评估明细表表4-22-2其他负债——存入分保准备金评估明细表表4-22-3其他负债——其他负债评估明细表(三)证券公司评估明细表样表表1评估结果汇总表表2评估结果分类汇总表表3资产分类汇总表表3-1货币资金评估汇总表表3-1-1货币资金-现金评估明细表表3-1-2货币资金-银行存款评估明细表表3-1-3货币资金-其他货币资金评估明细表表3-2结算备付金评估明细表表3-3拆出资金评估明细表表3-4交易性金融资产评估汇总表表3-4-1交易性金融资产——股票投资评估明细表表3-4-2交易性金融资产——债券投资评估明细表表3-4-3交易性金融资产——基金投资评估明细表表3-5衍生金融资产评估明细表表3-6买入返售金融资产评估明细表表3-7应收利息评估明细表表3-8存出保证金评估明细表表3-9可供出售金融资产评估汇总表表3-9-1可供出售金融资产——股票投资评估明细表表3-9-2可供出售金融资产——债券投资评估明细表表3-9-3可供出售金融资产——基金投资评估明细表表3-10持有至到期投资评估明细表表3-11长期股权投资评估明细表表3-12投资性房地产评估汇总表表3-12-1投资性房地产——房屋(采用成本模式计量)评估明细表表3-12-2 投资性房地产——房屋(采用公允价值模式计量)评估明细表表3-12-3 投资性房地产——土地使用权(采用成本模式计量)评估明细表表3-12-4投资性房地产——土地使用权(采用公允价值模式计量)评估明细表表3-13固定资产评估汇总表表3-13-1-1固定资产——房屋建筑物评估明细表表3-13-1-2固定资产——构筑物及其他辅助设施评估明细表表3-13-1-3固定资产——管道和沟槽评估明细表表3-13-2-1固定资产——机器设备评估明细表表3-13-2-2固定资产——车辆评估明细表表3-13-2-3固定资产——电子设备评估明细表表3-14 无形资产评估汇总表表3-14-1无形资产——土地使用权评估明细表表3-14-2无形资产——其他无形资产评估明细表表3-15递延所得税资产评估明细表表3-16其他资产评估汇总表表3-16-1其他资产——代理兑付证券评估明细表表3-16-2其他资产——代理业务资产评估明细表表3-16-3其他资产——其他资产评估明细表表4负债分类汇总表表4-1短期借款评估明细表表4-2拆入资金评估明细表表4-3交易性金融负债评估明细表表4-4衍生金融负债评估明细表表4-5卖出回购金融资产款评估明细表表4-6代理买卖证券款评估明细表表4-7代理承销证券款评估明细表表4-8应付职工薪酬评估明细表表4-9应交税费评估明细表表4-10应付利息评估明细表表4-11预计负债评估明细表表4-12长期借款评估明细表表4-13应付债券评估明细表表4-14递延所得税负债评估明细表表4-15其他负债评估汇总表表4-15-1其他负债——代理买卖证券款评估明细表表4-15-2其他负债——代理承销证券款评估明细表表4-15-3其他负债——代理兑付证券款评估明细表表4-15-4其他负债——代理业务负债评估明细表表4-15-5其他负债——其他负债评估明细表(评估明细表样表略,评估明细表样表电子文档请登录中国资产评估协会网站(.cn),点击“评估标准”下载。
固定资产折旧明细表固定资产折旧明细表是企业会计部门编制的一份重要财务报表,用于记录企业固定资产的折旧情况。
固定资产是企业长期使用的生产设备、房屋、土地等资产,其价值在使用过程中会逐渐减少,这种价值减少的过程就是折旧。
固定资产折旧明细表的编制可以帮助企业了解固定资产的实际价值变化情况,为企业的资产管理和财务决策提供重要参考依据。
固定资产折旧明细表通常包括以下内容,资产编号、资产名称、购置日期、原值、折旧年限、折旧方法、本年度折旧额、累计折旧额等。
这些信息可以帮助企业清晰地了解每个固定资产的折旧情况,及时进行资产价值的调整和更新。
在编制固定资产折旧明细表时,企业会计部门需要按照国家相关财务会计准则的规定,合理确定每个固定资产的折旧年限和折旧方法。
折旧年限是指固定资产在使用过程中可以折旧的年限,不同类型的固定资产折旧年限是不同的,通常根据固定资产的使用寿命和价值变化情况来确定。
折旧方法是指企业按照一定的规则和原则,将固定资产的价值逐年分摊到其使用寿命内的一种计算方法,常见的折旧方法有直线法、工作量法和双倍余额递减法等。
固定资产折旧明细表的编制对企业的财务管理和决策具有重要意义。
首先,固定资产折旧明细表可以帮助企业合理评估固定资产的实际价值,及时更新资产价值,为企业的资产管理提供准确的数据支持。
其次,固定资产折旧明细表可以帮助企业合理安排资产折旧费用,减少企业的税负,提高企业的盈利能力。
最后,固定资产折旧明细表可以帮助企业了解固定资产的使用状况,及时进行维护和更新,延长固定资产的使用寿命,降低企业的生产成本。
在实际操作中,企业会计部门需要严格按照相关规定,认真编制固定资产折旧明细表,确保数据的准确性和可靠性。
同时,企业管理层也需要充分重视固定资产折旧明细表的作用,合理利用这些数据信息,优化企业的资产管理和财务决策,提高企业的经营效益和竞争力。
总之,固定资产折旧明细表是企业财务管理中不可或缺的重要工具,它可以帮助企业清晰了解固定资产的折旧情况,为企业的资产管理和财务决策提供重要参考依据。
资产清查评估申报明细表填列基本要求1、明细表要在经清查盘点、达到账实、账账、账表相符的基础上填列。
2、明细表填列的资产、负债范围要和评估目的所涉及的资产、负债范围一致,不重不漏。
3、明细表所列栏目分项填列齐全,除属评估机构填列的栏目外,属资产占有方填列的栏目要规范填列齐全。
4、明细表填列的项目和数额要与账表相应项目相符。
5、货币资金及实物资产不得出现贷方余额,如有贷方余额,应在调整后填列清单。
6、明细表要提供书面和计算机软盘各一套。
7、在利用计算机填列清单时,超出一页的,可加行继续填列,其标题行及页脚内容利用计算机功能自动添加到每一页;每一项目填列完毕,一定要利用计算机加和,不得利用手工加和,以避免手工加和的误差。
8、货币资金:序号至账面价值各栏目由资产占有方填列。
现金按会计核算户数分别填列;银行存款按在银行设立的户数分别填列;其他货币资金分项填列。
9、应收及其他应收款等债权:序号至账面价值各栏目由资产占有方填列。
要求准确地填写债务人、业务内容、发生时间(****年***月)和账龄。
关于发生时间的填列要求,若本月有发生额,则发生时间为本月;若本月无发生额,则发生时间为最后一笔业务的发生时间。
账龄分1年以内、1-2年、2-3年、3年以上四种情况。
10、存货:序号至账面价值、及实际数量各栏目由资产占有方填列。
分库房按规格、品名分项填列。
如有未作暂估进货而形成的贷方余额,应调整作暂估进货后填列清单。
其中:①账面价值中的数量、单价、金额按财务明细账填列后,达到账表一致;②实际数量按仓库实际盘点数填列,账存数与实存数如有差异应查找原因;③已经摊销完但仍在正常使用的低值易耗品要选择比较贵重的物件进行申报。
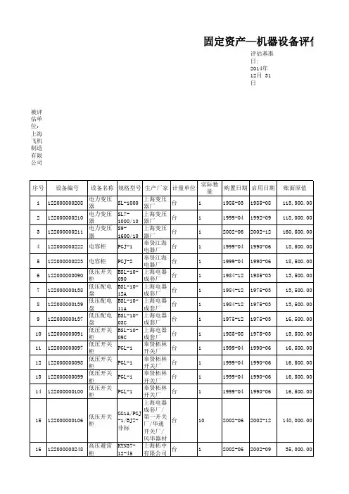
11、机器设备:序号至账面价值各栏目由资产占有方填列。
各栏目据实填列。
本表填写机器设备,如专用机器设备、辅助机器设备、办公机具等。
(1)设备编号:按贵公司资产管理用编号填写,如贵公司未设置编号管理,则按使用部门填报,在此栏填写部门名称;(2)设备名称:按固定资产账和卡片的名称填写,要求资产管理部门和财务的名称要一致;(3)规格型号:按设备实际规格和型号填写;(4)生产厂家:按设备制造厂家填写;自制设备填写“自制”;现场组装设备按设备安装公司和主要设备供应厂家分别填写;(5)计量单位:填写“台”、“套”、“组”、“个”等;(6)数量:填写单体设备数量;(7)购置时间:按设备实际购入时间填写;(8)启用时间:按该设备开始投入使用时间填写(注意此时间非工程财务决算及移交时间),若实际购入时间和启用时间间隔超过一年,请在备注栏中说明或另附说明;(9)账面原值、账面净值:按固定资产明细账填写;12、车辆评估明细表本表填写车辆,如各种汽车、工具车(叉车、电瓶车)等。
资产评估清查评估明细表填表说明和要求一、总体要求1、委托人或资产占有方认真填写资产清查评估明细表,是评估机构进行资产评估的基本依据和评估师开展评估工作的基本条件。
填写本套表格,一般需由财务人员牵头,资产管理人员以及有关工程技术人员参加,并在评估人员的指导下完成。
2、资产占有方在填列评估明细表之前,须进行内部清查,一般由财务部门、设备管理部门、设备使用部门、房屋建筑物管理部门一起对资产进行清查,以评估基准日的资产负债表和资产的实际状况为基础,分类别核对资产的帐面值、数量、规格型号、使用状态(正常使用、闲臵、报废、盘盈等)、产权状况(自有、设定抵押、融资租赁、经营租赁、产权争议等),并形成记录,撰写《有关资产评估事项的说明》,并在相应的评估明细表中相应的资产明细表备注栏中注明。
3、本表参照财务会计中资产分类的方法,逐项资产及负债分别制表填列,如某些科目缺省可省略。
4、本套表采用申报、清查、评估合并形式,每张表账面值及其左边各项均由企业申报。
5、请用电子表格的方式填制、保存和递交本表,本表采用EXCEL电子表格形式,全套表格存放在一个工作簿中。
如发现表所示行数不够用时,请通过“插入行”的方式扩大表格容量,不要再重新复制另一相同的表。
6、表格中所有涉及日期的项目均以数字形式填列,须精确到月,以4位数字填列(如:1999年5月填成:“199905”固定资产的日期表格设定为日期格式如2000年12月或2000/12)。
二、机器设备评估填表说明(一)机器设备清查明细表填表说明1、该表系指单台购臵价超过2000元、可使用一年以上的资产或原值虽低于2000元,但作为固定资产管理的设备。
2、须按分厂、车间、部门分别填列,部门内再按生产流程、设备类型或分布次序分别填写。
3、成套设备及生产线按套、线汇总填写,并提供设备清单、生产线的生产工艺以及供货合同复印件。
4、本表原则上须按单台设备逐项填写,帐面上在一起的同型号设备可填在一起,要在”计量单位”一列前插入”数量”列填写数量。
整体资产评估明细表
在这个表格中,每一行代表一种特定类型的资产,每一列包含有关该资产的详细信息:
1.资产类型:描述资产的类型,如房产、车辆、设备、投资组合、
货币资金、知识产权等。
2.描述:对资产的简要描述。
3.估算价值:估算的资产价值,使用统一的货币单位(例如,美元)。
4.拥有者:资产的所有者,可以是公司、个人或其他实体。
5.购置日期:资产购买或取得的日期。
6.状态:资产的当前状态,例如拥有、租赁、可用等。
7.备注:额外的信息或注释,如贷款余额、保险到期日等。
单位固定资产统计明细表模板单位固定资产统计明细表模板的设计与运用1. 引言单位固定资产统计明细表是一种重要的财务管理工具,用于记录和跟踪单位所拥有的固定资产情况。
通过详细记录固定资产的基本信息、价值评估、使用情况以及维护保养等内容,单位能够有效监控资产的净值变化,并作出相应的决策。
可见,单位固定资产统计明细表的设计和运用对于企业的财务管理至关重要。
2. 模板设计为了满足不同单位的需求,单位固定资产统计明细表模板应当具备如下几个方面的设计要素。
2.1 基本信息记录模板应包含固定资产的基本信息,如资产名称、分类、编码、规格型号、数量等。
这些信息能够帮助单位清晰了解自身所拥有的各类资产,为后续的资产管理提供基础数据。
2.2 价值评估对于固定资产的价值评估是财务管理中不可忽视的环节。
模板应包含资产的原值、净值、变动情况等数据,方便单位全面掌握资产的价值变化情况,并进行财务分析和决策。
2.3 使用情况记录资产的使用情况直接关系到单位的生产经营和效益。
模板应包含资产的使用状态、使用部门、使用年限等信息,以便单位能够了解和管理资产的使用状况,及时进行调整和优化。
2.4 维护保养固定资产的维护保养对于延长其使用寿命和提高效益至关重要。
模板应包括资产的维修、保养和检查记录,以便单位能够及时发现和解决资产存在的问题,确保资产的正常运作。
3. 运用与优势单位固定资产统计明细表模板的运用能够带来许多优势,从而推动单位的财务管理工作。
3.1 全面掌握资产情况通过使用该模板,单位能够全面了解自身所拥有的所有固定资产的情况,包括名称、分类、数量、价值等。
这有助于单位科学合理地进行资源配置和资产管理,进而提升单位的效益。
3.2 有效优化资源利用通过对资产的使用情况进行记录和分析,单位可以及时了解资产的使用效果和资源利用情况。
基于这些数据,单位可以及时调整和优化资产配置,以达到最佳的资源利用效益。
3.3 提升财务决策能力固定资产是企业财务管理中的重要组成部分。
固定资产—机器设备评估明细表评估基准日:2016年6月30日委托方/被评估单位:广西有色金属集团有限公司单位:元序号设备编号设备名称规格型号生产厂家计量单位实际数量生产日期购置日期评估价值原值成新率%快速变现系数净值50 12-026 滑轮100T*6扬州力神吊装设备制造有限公司组 1 2013 2014.07 9,060 88 80% 6,378 51 12-027 滑轮50T*3,30T*2、16T*1,各1组扬州力神吊装设备制造有限公司组 1 2013 2014.07 17,299 88 80% 12,178 52 12-028 吊环100T扬州力神吊装设备制造有限公司副 1 2013 2014.07 4,718 88 80% 3,32153 12-029 凿井绞车10T.JZ10/800型南通力威机械有限公司台 1 2013.07 2014.07 80,769 86 80% 55,56954 12-031 绞车用钢丝绳φ22/φ24,6*37,各300米南通市扬子钢丝绳厂米600 2013 2014.07 10,500 86 80% 7,22455 大梁、小梁8M、2M,100T副 5 2013 2014.07 326,325 88 80% 229,73356 叉车Q=5T。
安徽合力股份有限公司辆 1 2013 2014.07 145,470 86 80% 100,08357 双速绞车JZD-32(JSDB-19)南昌市聚泰矿山机械制造有限公司组 1 2013.08 2014.07 89,744 86 80% 61,744 58 斜井拖车配U型螺栓、轨距600mm台 1 2013 2014.07 22,017 86 80% 15,148合计4883 8,150,476 5,569,155 被评估单位(或者产权持有单位)填表人:卢秋荣评估人员:张华、唐彦、毛剑军、李婷、王芳填表日期:2016年11月7日。
*********有限公司资产评估说明***评字[2010]**号北京***资产评估有限公司二〇一〇年*月*日*********有限公司资产评估说明·目录目录说明一关于《资产评估说明》使用范围的声明 (1)说明二企业关于进行资产评估有关事项的说明 (2)说明三评估对象与评估范围说明 (3)一、评估对象与评估范围内容 (4)二、实物资产的分布情况及特点 (4)说明四资产核实情况总体技术说明 (5)一、资产核实人员组织、实施时间和过程 (6)二、影响资产核实的事项及处理方法 (6)三、资产清查核实的方法 (6)四、核实结论 (6)说明五评估技术说明 (7)评估技术说明 (8)说明六评估结论及其分析 (14)北京***会计师事务所有限公司I资产评估说明·关于《资产评估说明》使用范围的声明说明一关于《资产评估说明》使用范围的声明本资产评估说明仅供*********有限公司出售两台10T油炉这一经济行为之需要使用。
除法律法规规定外,材料的全部或者部分内容不得提供给其它任何单位和个人,不得见诸于公开媒体。
北京***资产评估有限公司二〇一〇年九月十日资产评估说明·企业关于进行资产评估有关事项的说明说明二企业关于进行资产评估有关事项的说明《企业关于进行资产评估有关事项的说明》见附件。
资产评估说明·评估对象与评估范围说明说明三评估对象与评估范围说明资产评估说明·评估对象与评估范围说明评估对象与评估范围说明一、评估对象与评估范围内容本次委托评估对象为截止评估基准日*********有限公司的两台10T油炉。
评估范围为*********有限公司截止评估基准日的两台10T油炉。
评估前两台10T油炉的账面原值3,220,661.20元,账面净值2,296,331.67元。
二、实物资产的分布情况及特点纳入本次评估范围的实物资产----两台10T油炉,分布于公司住所所在地,于2008年报批停止使用。