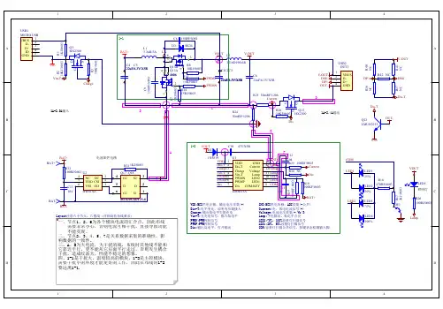
品胜5000mAh移动电源原理图
- 格式:pdf
- 大小:63.17 KB
- 文档页数:1
移动电源的工作原理移动电源是一种便携式电源设备,可以为各种移动设备如手机、平板电脑、数码相机等提供电力供应。
它通常由电池、电路板、输入输出接口和外壳等组成。
下面将详细介绍移动电源的工作原理。
1. 电池移动电源内部使用的电池一般为锂离子电池,这种电池具有高能量密度、轻量化和长寿命的特点,非常适合作为移动电源的电源供应。
电池的容量决定了移动电源可以提供的电力大小,常见的容量有10000mAh、20000mAh等。
2. 电路板移动电源的电路板是整个设备的核心部分,它负责对电池的充放电管理、电压转换和电流控制等功能。
电路板内部包含了一系列的电子元件,如电容、电感、二极管、晶体管等。
通过这些元件的组合和控制,电路板能够实现对电池能量的高效管理和输出。
3. 输入输出接口移动电源通常具有一个或多个输入输出接口,用于连接外部设备和电源。
常见的输入接口有Micro USB、Type-C等,用于充电移动电源自身。
输出接口则通常为USB接口,用于连接手机、平板电脑等设备进行充电。
有些移动电源还具有无线充电功能,可以通过无线方式给支持无线充电的设备进行充电。
4. 工作原理移动电源的工作原理可以简单分为两个过程:充电和放电。
充电过程:当移动电源的电池电量较低时,用户可以通过输入接口连接充电器或电脑等外部电源进行充电。
充电器会提供一定的电压和电流,通过输入接口进入移动电源的电路板。
电路板会对输入的电压和电流进行处理,通过充电管理电路对电池进行充电。
充电管理电路会监测电池的电压和电流,控制充电过程中的电压和电流大小,以保证电池的安全和寿命。
放电过程:当移动电源需要为外部设备提供电力时,用户可以通过输出接口连接设备进行充电。
外部设备需要一定的电压和电流才能正常工作,移动电源的电路板会根据设备的需求进行电压转换和电流控制。
电路板会将电池的直流电能转换为符合设备需求的电压,并通过输出接口输出。
同时,电路板还会根据设备的充电状态进行智能识别和输出调节,以提高充电效率和保护设备。
充电宝的工作原理解析充电宝,也被称为移动电源,是现代生活中常见的一种电子设备,用于为移动设备如手机、平板电脑、耳机等充电。
它的工作原理相对简单,下面将对充电宝的工作原理进行解析。
一、电池存储能量充电宝内部主要由一个或多个锂离子电池组成。
这些电池的容量不同,一般以毫安时(mAh)来表示,容量越大,可为设备提供的充电次数就越多。
电池是充电宝的核心部件,存储能量并在需要时释放能量给移动设备充电。
二、输入电路充电宝通常具备输入电路,用于接收外部电源或电脑的电能输入。
输入电路主要由电源管理芯片、直流/直流转换器和保护电路等组成。
当充电宝需要充电时,用户可通过充电线将其与外部电源相连,充电器会将电能转换为合适的电压和电流,通过输入电路输入到充电宝的电池中,以充满电池。
三、输出电路输出电路是充电宝将电能输出给移动设备的部分,它通常包括直流/直流转换器、USB接口和保护电路等。
当移动设备需要充电时,用户将其与充电宝相连,充电宝会根据设备的需求调节输出电流和电压,以适配移动设备的充电需求。
输出电路的保护电路能够对充电宝和移动设备进行电流和电压的实时监控,防止过流、过压或短路等问题发生。
四、控制电路控制电路是充电宝的大脑,它由电源管理芯片和一系列电路组成。
电源管理芯片是充电宝中最重要的部件之一,它能够对充电、放电和保护等过程进行控制和管理,确保充电宝的正常工作和安全性。
控制电路还具备智能管理功能,如充电宝的电量显示、充电速度控制等。
五、充电宝的充电与放电当充电宝的电量较低时,用户需要将其与外部电源相连进行充电。
充电宝会根据输入电路和电源管理芯片的控制,通过直流/直流转换器将外部电源的电能转化为可存储的电能供电池储存,并同时为移动设备进行充电。
在移动设备需要充电时,充电宝会通过输出电路将电能输出给移动设备,以实现充电的功能。
六、安全保护功能充电宝通常具备多种安全保护功能,以确保使用过程中的安全性。
充电宝的保护电路能够实时监测电流和电压的变化,并在出现异常情况时及时切断电源,防止对移动设备和充电宝本身造成损坏。
充电宝的工作原理解析随着移动设备的普及和日常使用频率的增加,人们对于电池续航能力的需求也越来越高。
为了解决这个问题,充电宝作为一种便携式充电设备应运而生。
那么,充电宝的工作原理是什么呢?本文将对充电宝的工作原理进行解析。
一、电池储能原理充电宝主要由一个或多个锂电池组成,锂电池是目前使用最广泛的储能设备之一。
通过充电器等外部设备向充电宝充电时,电流将进入充电宝内部的电路系统,然后通过不同的充电管理芯片对电池进行充电。
充电宝内的电池会将电能转化为化学能进行储存。
二、输出电压调整原理当前市场上的移动设备,比如手机、平板电脑等,其电池电压一般为3.7V左右,而一些USB接口的设备需要5V的电压才能正常充电。
充电宝就可以通过内部的升压转换电路将储存的能量转化为5V的输出电压,以满足外部设备的充电需求。
三、电池保护原理为了保护内部的电池和外部设备,充电宝通常配备了多种保护措施。
一方面,充电宝内部的充电管理芯片可以监控电池电压和电流,当电池电压过低或电流过大时,会自动切断电源以避免电池过放或短路等问题。
另一方面,充电宝还会具备过压保护、过流保护和过温保护等功能,以确保电池和外部设备的安全使用。
四、充电宝的充电方式充电宝可以通过不同的方式进行充电,主要分为两种:直接充电和交流充电。
直接充电是指通过USB数据线将充电宝连接到电脑、手机或其他带有USB接口的设备上进行充电。
在这种方式下,充电宝的电池会从电源设备获取能量进行充电。
交流充电是指使用充电器等设备将电能转化为直流电,然后通过USB数据线将电能传输到充电宝内部的电池进行充电。
相比直接充电,交流充电能够更快速地将电池充满。
五、充电宝容量的计算充电宝的容量通常以毫安时(mAh)为单位进行表示。
例如,一个5000mAh的充电宝可以在理想情况下为一个电池容量为2000mAh的手机充满电并还有电量剩余。
充电宝容量的计算公式为:容量(mAh)= 电压(V)×电荷(mAh)需要注意的是,充电宝的实际充电效率受到内部电路转换效率、电池自身损失以及外部设备本身特性的影响,因此充电宝的实际使用时间可能会比理论值更低。
移动电源的工作原理移动电源是一种便携式的充电设备,可以为各种移动设备如手机、平板电脑、蓝牙耳机等提供电力。
它的工作原理主要涉及电池、充电管理芯片和输出电路。
1. 电池:移动电源通常采用锂离子电池作为电源,因为锂离子电池具有高能量密度、长寿命和较低的自放电率等优点。
电池的容量决定了移动电源可以为设备提供的电力量。
常见的电池容量有10000mAh、20000mAh等。
2. 充电管理芯片:移动电源内部配备了充电管理芯片,主要负责对电池进行充电和放电的管理控制。
该芯片能够监测电池的电压和电流,并根据设备的需求进行智能调节。
当移动电源插入电源适配器时,充电管理芯片会对电池进行充电,并在电池电量达到一定水平时停止充电,以避免过充。
当移动电源连接设备时,充电管理芯片会根据设备的充电需求,调节输出电流和电压,以实现最佳的充电效果。
3. 输出电路:移动电源的输出电路将储存在电池中的电能转换为直流电,并通过USB接口输出给设备进行充电。
输出电路通常包含DC-DC变换器和电压稳定器。
DC-DC变换器将电池的直流电压转换为设备所需的电压,常见的有5V、9V、12V 等。
电压稳定器则负责将输出电压稳定在设定值,以保证设备充电时的稳定性和安全性。
移动电源的工作流程如下:1. 充电:将移动电源插入电源适配器的USB接口,通过充电管理芯片对电池进行充电。
充电管理芯片会监测电池的电压和电流,当电池电量达到一定水平时,停止充电以避免过充。
2. 充电指示灯:移动电源通常配备了充电指示灯,用于显示充电状态。
当移动电源正在充电时,指示灯会亮起,当充电完成后,指示灯会熄灭。
3. 输出电流和电压调节:当移动电源连接设备时,充电管理芯片会根据设备的充电需求,调节输出电流和电压。
通常情况下,移动电源会自动识别设备的最大充电电流,以实现最快速度的充电效果。
同时,电压稳定器会将输出电压稳定在设定值,以保证设备充电时的稳定性和安全性。
4. 充电效率:移动电源的充电效率是指输入电能与输出电能之间的转换效率。
移动电源系统电路的设计与原理分析市面上移动电源中常使用2个电感,其中充电电路中,充电过程需要一个电感,Boost 电路放电过程中也需要一个电感。
充电电路的工作过程是通过5V的交流适配器给移动电源内部的锂电池充电;而Boost电路工作过程是将移动电源内部锂电池升压到5V进行输出,从而给移动设备供电。
但在移动电源实际工作中这两种电路通常情况不需要同时工作,也就是工作中两个电感只有一个电感处于工作状态,两个环路只需要一个工作。
芯片工作原理MT2011是一款高效率大电流单串联锂电池充电控制器。
它支持4.5V~6.5V输入电压,输出电压可以跟随锂电池电压,最大2A的充电电流,使用了高效率的同步整流结构,适合应用于便携式充电设备和移动电源充电。
整合电流采样电阻、高精度的电流与电压管理电路、满电自动停止充电。
MT2011工作频率为1.5MHz,使用同步整流结构,效率高达93%.带有充电电流软启动、防反相电流二极管、充电电流采样等功能,并带有完善的输出短路保护和过温保护功能。
使设备稳定性更高,单电感移动电源电路如图所示:(a)充电芯片外围电路(b)升压芯片外围电路(c)单片机外围电路图1.电路中芯片工作电路MT5036是来颉科技设计的一款95%高效的800KHz同步升压转换器,它为单节锂电池或多节锂电池组并联提供了良好的供电解决方案。
转换器通过设置芯片外部FB分压电阻或使用内部FB分压电阻来获得一个稳定输出电压。
芯片转换效率非常高,能提供足够的负载电流,当供电电压下降到3V时,仍能在输出电压为5V时,输出3A的负载电流,电感中的峰值电流被限制在6.6A.MT5036工作频率可达800KHz,这使得电感和输出电容都可以不用太大,并且带有轻载PSM功能,可以保证芯片在全负载范围内保持较高的转换效率。
拥有60uA 的静态电流,可以大大提高锂电池的寿命,带有低EMI工作模式,断续工作时,可以有效减少振铃,转换器可以避免电池过放电,在关断时负载可以完全与电池断开。
移动电源的工作原理移动电源是一种便携式的电力供应设备,以锂电池为主要能源,能够为各种电子设备如手机、平板电脑、数码相机等提供充电或供电功能。
它的工作原理可以分为充电和输出两个过程。
一、充电过程:移动电源的充电过程主要包括输入电源接口、充电管理电路和电池组三个部分。
1. 输入电源接口:移动电源通常配备了一个Micro USB接口或Type-C接口,用于连接外部电源进行充电。
这些接口支持直流输入,通常电压范围在5V至12V之间。
2. 充电管理电路:充电管理电路是移动电源的核心部分,主要由充电控制芯片和电池保护芯片组成。
充电控制芯片负责控制充电电流和电压,确保电池能够安全、高效地充电。
电池保护芯片则负责监测电池的电压、温度和电流等参数,以避免电池过充、过放、过流和过热等情况。
3. 电池组:移动电源的电池组通常采用锂离子电池,因为它具有高能量密度、轻量化和长寿命等优点。
电池组的容量决定了移动电源可以提供的电能,常见的容量有10000mAh、20000mAh等。
在充电过程中,当外部电源连接到移动电源的输入接口时,充电管理电路会根据外部电源的电压和电流进行调节,控制电池组的充电过程,直到电池组充满电为止。
二、输出过程:移动电源的输出过程主要包括电池组、输出管理电路和输出接口三个部分。
1. 电池组:电池组在输出过程中充当能量储存的角色,将储存的电能转化为直流电流供给外部设备使用。
2. 输出管理电路:输出管理电路主要由输出控制芯片和电池保护芯片组成。
输出控制芯片负责控制输出电流和电压,以适配外部设备的需求。
电池保护芯片则负责监测电池的状态,以避免过流、过压和短路等情况。
3. 输出接口:移动电源通常配备了USB接口或Type-C接口,用于连接外部设备进行充电或供电。
这些接口支持直流输出,通常电压范围在5V至12V之间。
在输出过程中,当外部设备连接到移动电源的输出接口时,输出管理电路会根据外部设备的需求,控制电池组输出适当的电流和电压,以满足外部设备的充电或供电需求。
多功能随身电源电路本文论述的电路系统设计由五部分组成:锂芯容量指示电路、电芯保护电路、充电管理电路、DC-DC升压电路和功能扩展电路。
锂芯容量指示电路由XC61CC系列的电压监控芯片组成。
电芯保护电路由过充保护、过放保护、过温保护三部分组成,HAT2027、R5402、自恢复保险丝构建了三重保护,使锂芯安全性大大增强。
充电管理电路采用了CN3066,将充电过程分为涓流充电、恒流充电、恒压充电和维护充电四个部分,使移动随身电源多功能随身电源电路本文论述的电路系统设计由五部分组成:锂芯容量指示电路、电芯保护电路、充电管理电路、DC-DC升压电路和功能扩展电路。
锂芯容量指示电路由XC61CC系列的电压监控芯片组成。
电芯保护电路由过充保护、过放保护、过温保护三部分组成,HAT2027、R5402、自恢复保险丝构建了三重保护,使锂芯安全性大大增强。
充电管理电路采用了CN3066,将充电过程分为涓流充电、恒流充电、恒压充电和维护充电四个部分,使移动随身电源能够最大程度地储备能量。
DC-DC升压电路采用了MAX1771集成芯片,可将锂芯容量在安全范围内最大限度释放,达到对多种数码设备供电的目的。
功能扩展涵盖了户外活动所涉及的常见需求,具有应急夜间高亮照、户外防盗安全警报、野营驱蚊等功能。
多功能随身电源的电路实现充电管理电路充电管理电路由CN306**继电器构成,如图4所示。
当随身电源监测到有充电器对其充电时,继电器令CN3066开始工作,CN3066将整个充电管理过程分为四个部分,即预充电、恒流充电、恒压充电以及维护充电。
当CN3066开始工作时,CN3066会检测电池电压是否较低,如果是,则采用涓流充电,即一个比较小的恒定电流对电池进行充电,直至电池电压上升到一个安全值。
之后,充电电流保持较大值不变,通常是涓流充电电流的10倍或更大。
1000mAh的电池采用700mA电流充电,这可以避免大电流充电对锂芯的损坏。
便携式移动电源的工作原理便携式移动电源是一个集储电,升压,充电管理于一体的便携式设备。
储电介质一般采用锂电电芯,因为锂电电芯体积相对小巧,容量大,市场流通广,价格适中,被广泛用于数码产品。
锂电的电压在2.7-4.2V 之间,电压随着电量的下降而下降。
而2.7-4.2V的电压是不能直接给其它数码产品充电的,因为数码产品的锂电电压也是2.7-4.2V,同电位的电压之间是不能充电的。
所以移动电源向外输出电能是必须要有升压系统,把2.7-4.2V 的锂电电压升压到5V,这样就可以给其它数码产品充电了,如手机,MP4,平板电脑,PSP等。
当然,便携式移动电源不是一次性设备,它可以反复使用数百次以上。
所以当移动电源电能使用完后,我们必须给移动电源充电。
其原理和给手机充电一样。
连接到5V的USB 电脑接口或USB 充电器上即可给移动电源充电。
所以移动电源内部还必须有充电管理系统。
充电管理系统能根据锂电的电压,自动调节充电电流。
过程有:预充,恒压充电,和浮充充电等。
下面分别介绍下个组成部分。
电源电芯:常用的有聚合物锂电、18650锂电、AAA镍氢电池。
聚合物电池:标准电压3.7 V,形状较多,可定制,具有容量大,物美价廉,应用广泛,如:手机,MP4,便携音箱。
18650锂电:标准电压3.7V,具有体积小,容量大,标准电压3.7V,主要用在笔记本电脑等高端产品。
AAA 镍氢电池:标准电压 1.2V 。
容量相对较小。
应该广泛,家用电器,玩家的等。
升压系统:升压主流技术基本采用DC to DC 的升压方式。
国内技术转换效率普遍低,一般在50-70%。
台湾的在75-80%。
美国的相对会高些。
也有降压方案的,效率比较高,但对电芯的一致性要求高,所以几乎很少采用。
充电管理系统:目前国内充电管理系统比较成熟,智能IC监控整个充电过程。
主流管理IC 有PT4056,PX40等。
充电时间5000maH 大约8小时。
过快充对电池的寿命有不良影响。
移动电源的工作原理移动电源是一种便携式的电池装置,可以为各种电子设备提供电力。
它通常由锂电池组成,具有充电和放电的功能。
移动电源的工作原理涉及电池的充电和放电过程。
1. 充电过程:移动电源可以通过电源适配器或USB接口进行充电。
当插入电源适配器或连接到电脑的USB接口时,电源适配器或USB接口会提供电流给移动电源的充电电路。
充电电路会将输入的电流转换为适合电池充电的电压和电流,并通过充电管理芯片对电池进行充电控制和保护。
2. 放电过程:当需要为电子设备供电时,移动电源会通过输出接口将储存的电能传输给设备。
输出接口通常为USB接口,可以连接各种充电线或适配器,以供应不同种类的设备。
移动电源的输出电压和电流会根据设备的需求进行调整,以确保设备能够正常工作。
3. 保护机制:移动电源内部通常配备了多种保护机制,以确保其安全可靠地工作。
这些保护机制包括过充保护、过放保护、过流保护、短路保护等。
当电池充电或放电过程中出现异常情况时,保护电路会自动切断电源,以避免损坏电池或电子设备。
4. 充电效率:移动电源的充电效率是指输入电能与储存电能之间的转换效率。
充电效率受到电池的化学特性、充电电路的设计和质量等因素的影响。
通常情况下,移动电源的充电效率在70%至90%之间。
5. 容量和续航时间:移动电源的容量指的是其电池储存的电能量,通常以毫安时(mAh)为单位表示。
容量越大,移动电源可以为设备供电的时间越长。
续航时间还受到设备的功耗和电池的充放电效率等因素的影响。
6. 充电速度:移动电源的充电速度取决于输入电流和电池容量。
通常情况下,较高的输入电流可以加快充电速度,但也会增加电池的发热和损耗。
充电速度也受到充电电路的设计和质量等因素的影响。
总结:移动电源通过充电和放电过程为各种电子设备提供便携式的电力。
它的工作原理涉及电池的充电和放电过程,以及充电管理芯片和保护电路的控制和保护机制。
了解移动电源的工作原理有助于我们更好地使用和维护移动电源,确保其安全可靠地为我们的设备提供电力。