钳工车间模具组立研配工艺和质量管理流程教材
- 格式:pptx
- 大小:874.00 KB
- 文档页数:43
我们钳工工艺流程
《我们钳工工艺流程》
我们的钳工工艺流程经过精心设计和不断改进,以确保我们生产的钳工产品质量优良。
以下是我们的钳工工艺流程:
1. 材料准备:首先,我们会选用优质的钢材作为生产原料。
钢材需要经过严格的检验和测试,以确保其质量符合标准。
2. 切割和成形:接下来,我们将对钢材进行切割和成形,根据产品要求进行加工。
这一步需要精准的操作和精良的设备,以确保成品的精度和质量。
3. 精密加工:在这个阶段,我们会进行精密加工,包括钳头的精确成型和表面处理,以确保产品的外观和功能完美无缺。
4. 装配和检验:最后,我们将对钳工产品进行装配和检验。
每一件产品都需要经过严格的质量检查,确保其符合标准要求。
通过这一严格的钳工工艺流程,我们生产出来的钳工产品不仅外观精美,而且功能优良,受到了广大客户的一致好评。
我们将不断努力,不断改进工艺流程,以生产出更加优质的钳工产品,满足客户的需求。
钳工工艺流程
《钳工工艺流程》
钳工是一门古老而重要的机械加工工艺,它是制造业的基础工艺之一。
它涵盖了各种金属材料的加工和制造,包括铁、不锈钢、铝等。
钳工工艺流程通常包括以下几个步骤:
1.设计和计划:在进行钳工加工之前,需要对产品进行设计和
计划。
这包括确定产品的尺寸、形状和材料,以及确定加工工艺和设备。
2.材料准备:在进行钳工加工之前,需要对材料进行准备。
这
包括将原材料切割成适当的尺寸和形状。
3.加工:在进行钳工加工时,需要使用各种加工设备和工具,
如车床、铣床、钻床等。
根据产品的设计和要求,对原材料进行各种加工操作,如车削、铣削、钻孔等。
4.组装和调试:在进行钳工加工之后,需要对加工好的零部件
进行组装和调试。
这包括将各个零部件组装在一起,并进行各种测试和调试,确保产品的质量和性能。
5.质量控制:在进行钳工加工之后,需要对产品进行质量控制。
这包括对产品的尺寸、形状和表面质量进行检查和测试,确保产品符合设计和要求。
钳工工艺流程是一项复杂而精密的工艺,需要对材料、设备和工艺有深入的了解和掌握。
只有具备了扎实的技术和丰富的经验,才能够进行高质量的钳工加工,生产出满足客户需求的产品。
一、识图1.1.依照图纸、明细表查对部件, 确认三者是否一致。
二、 1.2.确认数控、机加工和前序的装配是否影响钳工装配。
三、 1.3.确认标准件是否存在外观缺陷(砂眼、划伤)。
四、倒角2.1.操作时磨光片及磨头与工件保持线接触。
五、 2.2.倒角大小要求(大体C3、镶块C2.孔与安装面C1)。
六、 2.3.模板及时涂油。
七、导向3.1.确定导板安装面及导向面、导柱及导套安装孔上所标注尺寸有间隙(内导板0.10-0.15, 外导板0.05-0.07, 导柱-0.02-0, 导套-0.01-0)。
八、 3.2、保证导板安装面推平毛刺(留刀花), 导板安装面着色90%以上, 倒滑面抛光(微留刀花),导柱及导套配合(单边0.025), 先倒角再装配。
需要研修时只可用油石研修倒滑面。
九、 3.3、第一次上机床, 首先确认导板与倒滑面垂直度0.03着色90%以上(只可用油石研修)。
十、清根十一、 4.1.拉延模以凸角为基准凹角进行清根, 保证与临面顺滑。
对应凹角半径应小于凸角半径约R=1MM。
十二、 4.2、下序模, 用质量部确认合格制件带研合销孔对下模清根有改动过的凸角按件研合。
十三、研合5.1.对研, 以清根为主, 平面部分着色90%以上, 平面部分不能钳修, 非平面不能着色。
十四、 5.2、带件研合, 平面着色90%以上, 立面着虚色或不大于料厚的1.2倍, 确认间隙, 型面总着色90%以上。
十五、 5.3.下序(冲孔、修边、翻边)凸模与压料芯工作部分必须着色90%以上(研修时压料芯下在只能用弹簧)。
十六、空刀6.1.下模凸刀空刀量8-10MM, 上模凹刀空刀量8-10MM(由数控保证, 数控无法加工到位的钳工修整)。
6.2.异形冲孔空刀量7MM。
6.3.翻边、翻孔的空刀位置距离所翻边子5MM。
十七、 6.4.保证空刀修入量1-3MM。
十八、 6.5.模具装完后再次涂油。
十九、热处理7.1.处理前, 按图纸确认是否有遗漏加工(孔、刻印、让开等)。
钳工车间模具组立研配工艺和质量管理流程
一、引言
钳工车间模具组立是生产过程中关键的一环,直接影响产品质量和生产效率。
本文将详细介绍钳工车间模具组立的研配工艺和质量管理流程,旨在提高工艺水平、优化生产流程,保证产品质量。
二、模具组立工艺流程
1.材料准备:
–选择适合的材料,根据模具设计图纸准确切割材料;
–确保材料质量和尺寸符合要求。
2.零部件加工:
–按照设计要求对各零部件进行精密加工;
–采用适当的加工工艺和设备,确保零部件精度。
3.组装工艺:
–按照组立顺序进行组装,注意避免零部件损坏;
–合理利用辅助工具和夹具,保证组装精度。
4.调试验收:
–完成模具组立后进行调试验收;
–检查各部件的协调性和运行情况,调整优化。
三、模具组立质量管理流程
1.质量控制点:
–制定质量控制点,包括材料、加工、组装等环节;
–每个环节设立质量检查,确保质量过程可控。
2.检验标准:
–制定模具组立的检验标准,包括外观质量、尺寸精度等要求;
–按照标准进行抽样检验,保证产品质量。
3.记录与反馈:
–建立质量记录档案,记录每个模具的质量数据和检验结果;
–发现质量问题时及时反馈给相关部门进行改进。
四、总结
钳工车间模具组立的研配工艺和质量管理流程是保证产品质量的关键环节。
通
过严格的工艺流程和质量管理措施,可以有效提高模具组立的效率和质量,满足生
产需求,提升企业竞争力。
在实际生产中,应根据具体情况不断优化和改进流程,持续提升模具组立工艺水平和质量控制能力。
中等职业学校钳工工艺与技能训练课程标准课程编号:适用专业:机械制造大类各专业修订年月:2012年9月修订人:康银宇澧县职业中等专业学校一、课程名称课程中文名称:钳工工艺与技能训练课程英文名称:Fitter process and skills training二、课程简介钳工工艺与技能训练是一门操作钳工工具、钻床等设备,进行刃具、量具、模具、夹具、索具、辅具等(统称工具,亦称工艺装备)的零件加工和修整,组合装配,调试与修理的人员。
钳工是一种比较复杂、细微、工艺要求较高的工作。
目前虽然有各种先进的加工方法,但钳工技艺性强,具有“万能”和灵活的优势,可以完成机械加工不方便或无法完成的工作,所以钳工在机械制造及机械维修中有着特殊的、不可取代的作用。
目前,采用机械方法不太适宜或成本高及不能解决的某些工件和装配,常由钳工来完成。
但钳工操作的劳动强度大、生产效率低、对工人技术水平要求较高。
三、课程教学任务、在专业中的地位与作用课程教学任务:钳工工艺与技能训练是机械类通用工种中一门实践性很强的专业技术课。
培养学生全面掌握中级钳工所需要的技术理论知识与操作技能。
本课程的任务是使学生获得中级钳工所需要的技术理论知识,并与实习相结合,形成本工种的岗位能力。
本课程是机械制造中的重要工种之一,也是机电类学生进行产品生产所应掌握的基本操作技能的基础。
四、课程教学目标通过任务引领的项目活动,掌握钳工中,钳工安全知识、钳工量具的使用、划线、錾削、锯削、锉削、钻孔攻套螺纹、矫正与弯形、铆接、刮削与研磨等基本技能,使学生具备本专业的高素质劳动者和中级技术应用性人才所必须具备的钳工工艺理论及专业实践技能,培养学生爱岗敬业和吃苦耐劳精神。
1)了解钳工基本知识。
2)掌握钳工常用的各中量具的使用。
3)掌握平面划线要领,能熟练使用各种划线工具。
4)熟悉钳工中划线、錾削、锯削、锉削、钻孔攻套螺纹、矫正与弯形、铆接加工工艺,刮削和研磨方法。
5)熟练掌握钳工中划线、錾削、锯削、锉削、钻孔攻套螺纹、矫正与弯形、铆接刮削与研磨等基本技能的基本动作要领及方法。
钳工车间模具组立研配工艺和质量管理流程1. 引言在钳工车间模具组立过程中,研配工艺和质量管理流程对于确保产品的准确性和质量起着至关重要的作用。
本文将介绍钳工车间模具组立的研配工艺和质量管理流程,包括材料准备、组立工艺、质量控制和整体管理等方面的内容。
2. 研配工艺流程2.1 材料准备在进行模具组立之前,需要进行材料的准备工作。
这包括根据产品要求选择合适的材料、进行材料的采购、检验材料的质量等。
材料准备的好坏直接影响着后续工艺的顺利进行和产品质量的稳定。
2.2 组立工艺设计在进行组立工艺设计时,需要根据产品的要求、材料的特性和加工设备的条件,确定具体的组立工艺流程。
这包括模具的拆解、清洗、配件的组装、调试、调整等环节。
组立工艺设计应考虑到生产效率、工艺复杂性、人力资源等因素,以保证工艺的可行性和稳定性。
2.3 工艺验证与改进组立工艺设计完成后,需要进行工艺的验证与改进。
通过在实际生产中的试验和观察,对工艺进行评估、调整和改进。
工艺验证与改进的目的是优化工艺流程,提高生产效率和产品质量。
3. 质量管理流程3.1 质量控制点的设定在钳工车间模具组立过程中,需要设置关键的质量控制点,以确保产品的质量符合要求。
质量控制点的设定应基于产品的特性和工艺的要求,并需要在实际生产中进行验证和调整。
3.2 质量检验与测试在模具组立过程中,需要对各个环节进行质量检验与测试。
这包括材料的验收、组装工艺的检查、产品的尺寸、外观质量的检验等。
质量检验与测试的目的是发现潜在问题并及时采取措施进行纠正,以确保产品的质量符合要求。
3.3 不良品处理和纠正措施在质量控制中,不可避免地会出现不良品。
针对不良品,需要采取相应的处理和纠正措施,以减少不良品数量和提升产品质量。
处理和纠正措施应基于不良品的具体情况进行分析和解决。
4. 整体管理流程4.1 人力资源管理在钳工车间模具组立过程中,人力资源的合理配置和管理对于工艺的顺利进行和产品质量的稳定起着重要作用。
钳工工艺流程及详细过程英文回答:As a machinist, the process of machining involves several steps to transform raw materials into finished products. The process can be divided into the following stages: planning, setup, machining, inspection, and finishing.In the planning stage, I review the drawings and specifications provided by the customer or engineer. This helps me understand the requirements and dimensions of the part. I also determine the appropriate tools and machines needed for the job.Once the planning is complete, I move on to the setup stage. This involves selecting the right materials, such as metal bars or sheets, and preparing them for machining. I measure and mark the materials, and then secure them on the machine using clamps or fixtures. This ensures that thematerials are held firmly in place during the machining process.Next comes the machining stage, where I use various cutting tools, such as drills, lathes, or milling machines, to shape the materials. For example, if I need to create a hole, I would use a drill bit to remove material in a circular motion. If I need to create a complex shape, I would use a milling machine to remove material in multiple directions.During the machining process, I constantly monitor the progress and make adjustments as needed. I measure the dimensions of the part using precision instruments, such as calipers or micrometers, to ensure accuracy. If any issues arise, I troubleshoot and make necessary adjustments to achieve the desired outcome.After the machining is complete, I move on to the inspection stage. Here, I thoroughly examine the finished part for any defects or deviations from the specifications.I check for proper dimensions, surface finish, and overallquality. If any issues are found, I may need to rework or scrap the part and start the machining process again.Finally, in the finishing stage, I apply any necessary surface treatments or coatings to enhance the appearanceand durability of the part. This may include processes like sanding, polishing, or painting. Once the finishing touches are complete, the part is ready for assembly or delivery to the customer.中文回答:作为一名钳工,机加工的过程涉及多个步骤,将原材料转化为成品。
装配钳工的工艺分析与研究一、引言装配钳工是机械制造领域的一个重要岗位,主要负责对零部件进行加工、组装和调试,保证产品的质量和性能。
而装配钳工的工艺技术水平直接影响着产品的质量和生产效率。
对装配钳工的工艺进行分析和研究,可以帮助提高产品的质量和生产效率,从而推动企业的发展。
二、工艺分析1.工艺流程装配钳工的工艺流程主要包括以下几个环节:零部件的清洗、组装、调试和包装。
组装是最为关键的环节,直接影响着产品的质量和性能。
在组装过程中,需要严格按照工艺要求进行操作,避免出现组装误差,影响产品的质量。
2.工艺参数在装配钳工的工艺中,需要关注的工艺参数主要包括:组装工装的选择、工艺文件的准确性和合理性、组装工艺的操作规程等。
工装的选择对于组装的准确性和效率有着直接的影响。
合理的工装可以提高工人的工作效率,减少误差的发生。
而工艺文件的准确性和合理性则是保证产品质量的重要保障。
3.问题分析在实际的装配钳工作中,经常会出现零部件配合间隙不合适、组装精度不够等问题,导致产品的质量不达标,影响产品的性能和寿命。
这些问题的发生主要是因为工艺参数的不合理和操作不当所致,因此需要对这些问题进行分析,并找出相应的解决方案。
三、工艺研究1.工艺优化为了提高装配钳工作的效率和产品的质量,可以对工艺流程和参数进行优化,从而降低生产成本,提高产品的市场竞争力。
在工艺流程方面,可以采用精细化生产管理,对生产环节进行优化整合,提高生产效率。
在工艺参数方面,可以改进工艺文件、优化组装工装,提高工人的操作技能,从而减少组装误差的发生,保证产品的质量。
2.工艺改进针对装配中出现的问题,可以进行工艺改进,找出问题的根本原因并采取相应的解决措施。
在零部件配合间隙不合适的情况下,可以适当调整设计尺寸或者改进工艺流程,从而保证零部件的配合间隙达到标准要求。
而在组装精度不够的情况下,可以对工艺文件进行调整,优化组装工装,加强员工培训等方法来提高组装精度。
钳工实训零件加工过程和质量控制过程一、前期准备1.1 工具和材料准备钳工实训零件加工需要的工具主要有:卡盘、钳子、切削工具(铣刀、车刀、钻头等)、测量工具(千分尺、游标卡尺等)、磨料和液压油等。
材料主要有金属板材和金属棒材。
1.2 设计图纸阅读在进行加工前,需要阅读设计图纸,了解零件的形状和尺寸,以及所需加工方式和精度要求。
1.3 工作场所准备为保证加工过程的安全和顺利进行,需要对实训场所进行清洁整理,并保证通风良好。
二、加工过程2.1 零件定位根据设计图纸上给出的定位基准,在卡盘上夹紧金属板材或金属棒材,并用钳子固定好。
2.2 切削加工根据设计要求,在合适的位置上使用切削工具对零件进行铣削、车削或钻孔等操作。
在操作中要注意刀具的选择和切削速度,以及对切屑的处理。
2.3 磨削加工如果需要对零件进行磨削加工,可以使用砂轮机或手动磨削工具进行操作。
在操作中要注意砂轮的选择和转速,以及对磨屑的处理。
2.4 液压油添加在切削和磨削过程中,需要添加液压油来降低摩擦力和防止零件表面损伤。
添加液压油时要注意量的控制和安全操作。
2.5 检查质量加工完成后,需要使用测量工具对零件进行检查,确保其尺寸和形状符合设计要求,并满足精度要求。
三、质量控制过程3.1 设计图纸审核在加工前,需要对设计图纸进行审核,确保其符合标准规范,并能够实现加工要求。
如有问题需要及时与设计人员沟通解决。
3.2 工艺流程制定根据设计图纸和实际情况,制定详细的工艺流程,并确定每个环节的质量控制点和检查方法。
如有问题需要及时调整并记录下来。
3.3 加工过程监控在加工过程中,需要对每个环节进行监控,并记录下来。
如有问题需要及时处理,并记录下来。
3.4 检验过程在加工完成后,需要对零件进行检验,并记录下来。
如有问题需要及时处理,并记录下来。
3.5 质量反馈根据检验结果和实际情况,对加工过程进行总结和分析,并提出改进意见和建议。
同时,向设计人员和管理人员反馈质量情况,以便于后续工作的改进和优化。
钳工实训工艺流程下载温馨提示:该文档是我店铺精心编制而成,希望大家下载以后,能够帮助大家解决实际的问题。
文档下载后可定制随意修改,请根据实际需要进行相应的调整和使用,谢谢!并且,本店铺为大家提供各种各样类型的实用资料,如教育随笔、日记赏析、句子摘抄、古诗大全、经典美文、话题作文、工作总结、词语解析、文案摘录、其他资料等等,如想了解不同资料格式和写法,敬请关注!Download tips: This document is carefully compiled by theeditor. I hope that after you download them,they can help yousolve practical problems. The document can be customized andmodified after downloading,please adjust and use it according toactual needs, thank you!In addition, our shop provides you with various types ofpractical materials,such as educational essays, diaryappreciation,sentence excerpts,ancient poems,classic articles,topic composition,work summary,word parsing,copy excerpts,other materials and so on,want to know different data formats andwriting methods,please pay attention!IC 加工工艺流程一、设计阶段。
在开始 IC 加工之前,首要的是进行详细的设计。
编 号10--12编 制刘小飞页 次7-2-2-1第二章第一节岗位名称经 理所属部门组立部岗位编号1直属上级分厂厂长3.工作经验:具有三年以上本岗位或相关岗位工作经验。
4.工作技能:1)简单操作CAD、UG等相关绘图软件。
2)掌握设计相关技能知识。
3)具备政策执行能力、团队协作能力、并有出众的领导才能。
14. 严纪律人,严格遵守公司规章制度,早上,中午准时带领员工上岗。
时刻维持良好的工作氛围 2. 培训经历:具有相关技能培训经历,并接受过本公司各项规章制度等方面的培训。
9. 负责组织员工工作流程、工作技能及工作安全培训。
(培训每周一次) 10. 负责各种安全操作规程的落实。
11. 负责及时通知项目经理去激光割。
12. 现场的“6S”管理。
身先士卒,率先示范,整理整顿责任区域。
包括丢在地方的一张图纸。
2. 办公室配有办公设备。
13. 组长不在岗时。
时刻准备着带领其组员做任何一组长的工作。
4)有较强的人际沟通及各部门间协调能力。
三、 工作环境 1. 模具现场。
5. 每月10号前提供本部门的绩效考核交前台及模具承包奖金交厂长。
6. 每周提供一次工作完成情况的报表递交分厂厂长。
7. 每周参加一次分厂经理会、一次公司培训课、一次分厂组织的项目会。
8. 负责本部门员工的转正审核、工资异动审核。
二、任职资格1. 教育背景:对口或相近专业大专及以上学历。
一、工作职责1. 组织召开晨会、布置当天任务、宣布政令、强调安全生产。
2. 根据项目时间节点合理安排试模机床,与外协或相关部门讨论冲床的使用。
3. 根据项目时间节点合理调配人力资源及本部门员工的加班、调休的审批。
4. 负责调配组与组间的修模工具的合理调配。
第七部分 模具组立流程第二章 组立部员工岗位说明书第一节 现场组立经理岗位说明书编 号10--12编 制刘小飞页 次7-2-2-2第二章第二节岗位名称现场工程师所属部门组立部岗位编号1直属上级组立部经理第二节 现场工程师岗位说明书4. 积极配合主管做好本部门的技术培训工作。
钳工车间工艺流程
《钳工车间工艺流程》
钳工车间是制造业中非常重要的一环,负责加工和制造各种金属零件。
在钳工车间工作的工人需要掌握各种不同的加工工艺,以确保生产的零件质量达到要求。
以下是钳工车间的工艺流程:
1. 零件图纸确认
在钳工车间,首先需要根据客户提供的零件图纸进行确认。
工艺人员需要仔细阅读图纸,了解零件的尺寸、材质和加工要求等信息。
2. 材料准备
根据图纸要求,工艺人员需要选择适当的材料进行加工。
材料的选择和准备对于零件的加工质量至关重要。
3. 加工工艺选择
根据零件的形状和尺寸,工艺人员需要选择合适的加工工艺,例如车削、铣削、钻削等。
不同的工艺对于不同形状和尺寸的零件有着不同的适用性。
4. 加工设备准备
根据选择的加工工艺,工艺人员需要准备好相应的加工设备和工具。
确保加工设备的稳定和精准对于保证零件加工质量至关重要。
5. 加工操作
根据零件图纸和加工工艺要求,工艺人员进行零件的加工操作。
在加工过程中,需要严格按照要求进行操作,确保零件尺寸和形状的准确性。
6. 检测和修磨
完成零件加工后,需要对零件进行严格的检测和修磨。
通过检测和修磨,确保零件的尺寸和表面质量达到客户的要求。
7. 包装和交付
最后,完成的零件需要进行包装和交付。
包装需要符合客户的要求,并确保零件在运输过程中不受损坏。
以上就是钳工车间的工艺流程,每一个环节都需要工艺人员的精益求精和严谨态度,以确保零件的质量和准确性。
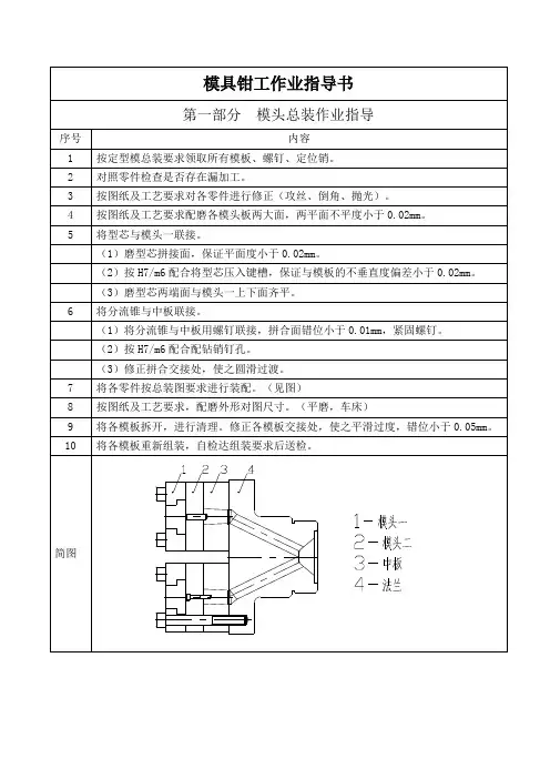
钳工操作规范
模具装配
1、目的
规范机加工及数铣后各零部件的装配作业,使其符合图纸及工艺要求,提高装配水平,确保模具质量。
2、模具装配后各部件技术要求
2.1模具外观要求
2.2工作零件
2.5凸、凹模间隙
2.6闭合高度
1)装配好的模具,其闭合高度应符合图纸规定的要求,允差值见下表
2)在同一压力机上,联合安装冲模的闭合高度应保持一致。
冲裁类冲模与拉深类联合安装时,闭合高度应以拉深模为准,冲裁模刃口进入量应不小于3mm
2.7顶出卸料件
卸料机构动作要灵活,无卡紧现象。
其弹簧、卸料橡皮应有足够的弹力及卸料力。
2.8平行度
平行度允差(上模板上平面对下模板下平面)
2.9漏料孔
下模座漏料孔,一般按凹模孔尺寸每边应放大0.5-1mm。
漏料应通畅,且无卡住现象2.10凸凹模间隙的控制
冷冲模凸、凹模之间的间隙,在模具装配时要求严格控制;一是要求间隙值准确,即须按照模具设计所要求的合理间隙;二是在装配时必须把间隙控制均匀,才能保证装配质量,从而保证冲压件质量和应有的使用寿命。
间隙控制主要有以下几种:
2.11斜楔滑块
3、模具装配要点
4、拉延模、修冲模、翻边模、斜楔的装配顺序
以下装配步骤为典型模具装配顺序,具体操作应根据实际情况进行装配。
4.1拉延模的装配
4.2修冲模的装配
4.3翻边模的装配
4.4斜楔滑块的装配。