消防设施标识(图例)
- 格式:doc
- 大小:77.00 KB
- 文档页数:9
消防安全标识图例-标准化文件发布号:(9456-EUATWK-MWUB-WUNN-INNUL-DDQTY-KII消防安全标识图例序号标志图例名称及制作规格设置说明1消防手动报警按钮标志规格:13*13设置在手动火灾报警按钮附近,标明名称和使用方法。
2火警电话标志规格:27*27设置在显著位置或者报警电话附近,标明在发生火灾时报警电话。
3发声警报器标志规格:13*13设置在发声警报器或其启动装置附近。
4消火栓起泵按钮规格:27*27设置在室内消火栓附近,标明名称和使用方法。
序号标志图例名称设置说明5消防电梯标志规格:27*13设置在消防电梯口,标明消防电梯的位置。
6消火栓水泵接合器标志规格:27*13设置在消火栓水泵接合器或附近的墙面上,标明名称和供水系统。
7喷淋水泵接合器标志规格:27*13设置在喷淋水泵接合器或附近的墙面上,标明名称和供水系统。
8消防水带标志规格:13*13设置在消防水带附近位置。
9灭火器标志规格:27*27设置在灭火器存放的位置10地下消火栓标志规格:27*27设置在室外地下消火栓附近或墙面上。
序号标志图例名称设置说明11地上消火栓标志规格:27*27设置在室外地上消火栓附近或墙面上。
12如图灭火器使用标志规格:27*7设置在灭火器设置点的上方或灭火器箱箱体上面,标明操作使用方法、维护保养责任人。
13如图室内消火栓标志规格:45*设置在室内消火栓箱门上。
14防火卷帘地面标志规格:43*9设置在防火卷帘下方地面上,标明防火卷帘下方禁放物品。
15防火卷帘按钮标志规格:27*10设置在防火卷帘按钮旁边,标明操作方法。
16防火门标志规格:27*10设置在防火门附近或上面,提示常闭防火门保持关闭(结合单位实际,标识既可为横向、也可为纵向)。
序号标志图例名称设置说明17消防水池标志规格:27*10设置在消防水池醒目位置,标明取水口、容积、维护保养责任人。
18灭火设备标志规格:27*27设置在灭火设备附近,标明灭火设备位置。
消防工程基本图形符号之樊仲川亿创作名称图形名称图形手提式灭火器灭火设备装置处所推车式灭火器控制和指示设备固定式灭火系统(全淹没)报警息动固定式灭火系统(局部应用)火灾报警装置固定式灭火系统(指出应用区)消防通风口1、消防工程辅助符号名称图形名称图形水阀门手动启动泡沫或泡沫液出口电铃无水入口发声器BC类干粉热扬声器ABC类干粉烟电话卤代烷火焰光信号二氧化碳易爆气体消防工程基本图形符号2、消防工程灭火器符号名称图形名称图形清水灭火器卤代烷灭火器推车式ABC类干粉灭火器泡沫灭火器二氧化碳灭火器推车式卤代烷灭火器BC类干粉灭火器推车式泡沫灭火器水桶ABC类干粉灭火器推车式BC类干粉灭火器沙桶3、消防管路及配件符号名称图形名称图形干式立管消防水管线干式立管消防水罐(池)干式立管泡沫混合液管线报警阀干式立管消火栓开式喷头干式立管消防泵闭式喷头干式立管泡沫比例混合器水泵结合器湿式立管泡沫发生器泡沫混合器立管泡沫液管消防工程基本图形符号4、消防工程固定灭火器系统符号名称图形名称图形水灭火系统(全淹没)ABC类干粉灭火系统手动控制灭火系统泡沫灭火系统(全淹没)卤代烷灭火系统BC类干粉灭火系统二氧化碳灭火系统5、消防工程灭火设备装置处符号名称图形名称图形二氧化碳瓶站ABC干粉罐泡沫罐站BC干粉灭火罐站消防泵站6、消防工程自动报警设备符号名称图形名称图形消防控制中心火灾报警装置温感探测器感光探测器手动报警装置烟感探测器气体探测器报警电话火灾警铃火灾报警扬声器火灾报警发声器火灾光信号装置。
消防工程基本图形符号之吉白夕凡创作名称图形名称图形手提式灭火器灭火设备装置处所推车式灭火器控制和指示设备固定式灭火系统(全淹没)报警息动固定式灭火系统(局部应用)火灾报警装置固定式灭火系统(指出应用区)消防通风口1、消防工程辅助符号名称图形名称图形水阀门手动启动泡沫或泡沫液出口电铃无水入口发声器BC类干粉热扬声器ABC类干粉烟电话卤代烷火焰光信号二氧化碳易爆气体消防工程基本图形符号2、消防工程灭火器符号名称图形名称图形清水灭火器卤代烷灭火器推车式ABC类干粉灭火器泡沫灭火器二氧化碳灭火器推车式卤代烷灭火器BC类干粉灭火器推车式泡沫灭火器水桶ABC类干粉灭火器推车式BC类干粉灭火器沙桶3、消防管路及配件符号名称图形名称图形干式立管消防水管线干式立管消防水罐(池)干式立管泡沫混合液管线报警阀干式立管消火栓开式喷头干式立管消防泵闭式喷头干式立管泡沫比例混合器水泵结合器湿式立管泡沫发生器泡沫混合器立管泡沫液管消防工程基本图形符号4、消防工程固定灭火器系统符号名称图形名称图形水灭火系统(全淹没)ABC类干粉灭火系统手动控制灭火系统泡沫灭火系统(全淹没)卤代烷灭火系统BC类干粉灭火系统二氧化碳灭火系统5、消防工程灭火设备装置处符号名称图形名称图形二氧化碳瓶站ABC干粉罐泡沫罐站BC干粉灭火罐站消防泵站6、消防工程自动报警设备符号名称图形名称图形消防控制中心火灾报警装置温感探测器感光探测器手动报警装置烟感探测器气体探测器报警电话火灾警铃火灾报警扬声器火灾报警发声器火灾光信号装置。
附件2建筑消防设施标识化图版(上墙)一、火灾自动报警系统标识图例序号名称标识图例及说明设置位置设置尺寸1火灾探测器■此标志指示为火灾探测器。
■当发生火灾后,室内(或局部)的烟雾或尘雾达到一定浓度时,烟感器会自动报警,起到预警的作用。
上面的红色指示灯长亮(引起报警)或不亮(无电源)为不正常,闪烁时为正常。
■长期使用要定期检测探头是否完好,如失效或损坏时要由专业人员进行维修。
鄂托克旗公安消防大队宣设置在火灾探测器附近。
24*16cm2 手动报警按钮■此标志指示为火灾报警按钮。
■当人工确认火灾事故发生后,按下按钮上的有机玻璃片,手动报警按钮将报警信号通过探测总线传输给报警控制器。
■长期使用要定期检测按钮的性能是否完好,如失效或损坏时要由专业人员进行维修。
鄂托克旗公安消防大队宣设置在手动火灾报警按钮附近。
24*16cm3 火灾警报装置■此装置为发声报警器,火灾或紧急事件发生时可启动此报警装置。
■请定期检查报警器设备使用状况,保证其在紧急状况时能正常使用。
■请不要覆盖或遮挡该装置和相应消防标志。
鄂托克旗公安消防大队宣设置在发声警报器或其启动装置附近。
24*16cm4 主报警控制器■此标志指示为主报警控制器。
■主电源断电时应自动转换至备用电源供电,主电源恢复后应自动转换为主电源供电,并应分别显示主、备电源的状态。
■长期使用要定期检测控制器的性能是否完好,如失效或损坏时要由专业人员进行维修。
鄂托克旗公安消防大队宣设置在火灾自动报警系统主报警控制器附近。
24*16cm5 区域报警控制器■此标志指示为区域报警控制器。
■主电源断电时应自动转换至备用电源供电,主电源恢复后应自动转换为主电源供电,并应分别显示主、备电源的状态。
■长期使用要定期检测控制器的性能是否完好,如失效或损坏时要由专业人员进行维修。
鄂托克旗公安消防大队宣设置在火灾自动报警系统区域报警控制器附近。
24*16cm6 火灾显示盘■此标志指示为火灾显示盘。
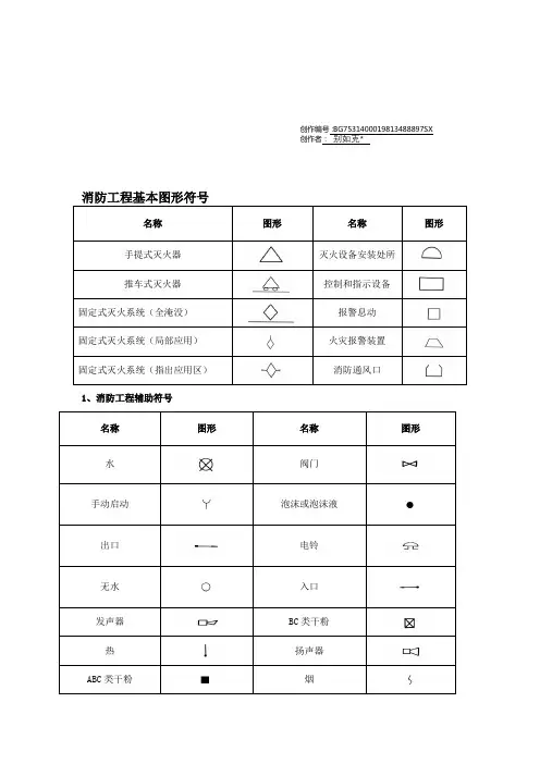
创作编号:BG7531400019813488897SX创作者:别如克*消防工程基本图形符号名称图形名称图形手提式灭火器灭火设备安装处所推车式灭火器控制和指示设备固定式灭火系统(全淹没)报警息动固定式灭火系统(局部应用)火灾报警装置固定式灭火系统(指出应用区)消防通风口1、消防工程辅助符号名称图形名称图形水阀门手动启动泡沫或泡沫液出口电铃无水入口发声器BC类干粉热扬声器ABC类干粉烟电话卤代烷火焰光信号二氧化碳易爆气体消防工程基本图形符号2、消防工程灭火器符号名称图形名称图形清水灭火器卤代烷灭火器推车式ABC类干粉灭火器泡沫灭火器二氧化碳灭火器推车式卤代烷灭火器BC类干粉灭火器推车式泡沫灭火器水桶ABC类干粉灭火器推车式BC类干粉灭火器沙桶3、消防管路及配件符号名称图形名称图形干式立管消防水管线干式立管消防水罐(池)干式立管泡沫混合液管线报警阀干式立管消火栓开式喷头干式立管消防泵闭式喷头干式立管泡沫比例混合器水泵结合器湿式立管泡沫产生器泡沫混合器立管泡沫液管消防工程基本图形符号4、消防工程固定灭火器系统符号名称图形名称图形水灭火系统(全淹没)ABC类干粉灭火系统手动控制灭火系统泡沫灭火系统(全淹没)卤代烷灭火系统BC类干粉灭火系统二氧化碳灭火系统5、消防工程灭火设备安装处符号名称图形名称图形二氧化碳瓶站ABC干粉罐泡沫罐站BC干粉灭火罐站消防泵站6、消防工程自动报警设备符号名称图形名称图形消防控制中心火灾报警装置温感探测器感光探测器手动报警装置烟感探测器气体探测器报警电话火灾警铃火灾报警扬声器火灾报警发声器火灾光信号装置创作编号:BG7531400019813488897SX 创作者:别如克*。
消防安全标识图例序号标识图例名称设置说明1 告知书设置在场所主要入口处张贴或悬挂2关注消防关爱生命承诺书为营造一流的消防安全环境,本场所郑重承诺:1、消防设施器材、消防安全标志完好有效;2、员工经过消防安全培训;3、员工每季度开展消防演练;4、员工能熟练处置初起火灾;5、本场所无火灾隐患。
以上承诺,自愿接受社会公众监督。
承诺场所:责任人:承诺书设置在场所主要入口处张贴或悬挂3灭火器一、设施名称:灭火器二、使用方法1、拔下保险销2、握住软管3、压下手柄灭火三、巡检要点1.检查生产日期、有效期;2.检查压力指示器的指针是否在绿色指示范围;3.查看放置地点,核对型号和数量;4.灭火器配置场所的使用性质,包括可燃物的种类和物态等,是否发生变化;5.室外灭火器是否有防雨、防晒等保护措施;6.灭火器的铅封、销闩等保险装置是否损坏或遗失;消防设施器材标识:灭火器设置在相应消防设施器材附近,包含编号、使用方法、巡检要点—1 ——3 —方法。
8应急照明灯一、设施名称:应急照明灯具二、使用方法:三、巡检要点:1.应急照明灯具和线路是否完好无损;2.应急照明灯具是否处于正常工作状态。
3.宜安装在顶棚或2.2m以上的侧面墙上;4.疏散用的事故照明,其最低照度不应低于0.5lx,消防控制室、消防水泵房、自备发电机房、防排烟机房、配电房等,应保持正常照明的照度,其连续供电时间不应少于30min,超高层建筑连续供电时间不应少于30min;5.操作试验按钮或其他试验装置,消防应急灯具应转入应急工作状态;6.火灾时,所有消防应急灯具应能切换到应急状态四、编号:000000(单位内部对于该设施的自定义编号)五、巡查负责人:工作在附近的员工六、消防常识:爱护消防器材,掌握使用方法。
消防设施器材标识:应急照明灯设置在相应消防设施器材附近,包含编号、使用方法、巡检要点9 安全出口标识设置在安全出口旁边,标明严禁锁闭。
10 防火门标识设置在防火门附近或上面,提示常闭防火门保持关闭。
消防工程基本图形符号宇文皓月图形名称图形名称手提式灭火器灭火设备装置处所推车式灭火器控制和指示设备固定式灭火系统(全淹没)报警息动固定式灭火系统(局部应用)火灾报警装置固定式灭火系统(指出应用区)消防通风口1、消防工程辅助符号名称图形名称图形水阀门手动启动泡沫或泡沫液出口电铃无水入口发声器BC类干粉热扬声器ABC类干粉烟电话卤代烷火焰光信号二氧化碳易爆气体消防工程基本图形符号2、消防工程灭火器符号名称图形名称图形清水灭火器卤代烷灭火器推车式ABC类干粉灭火器泡沫灭火器二氧化碳灭火器推车式卤代烷灭火器BC类干粉灭火器推车式泡沫灭火器水桶ABC类干粉灭火器推车式BC类干粉灭火器沙桶3、消防管路及配件符号名称图形名称图形干式立管消防水管线干式立管消防水罐(池)干式立管泡沫混合液管线报警阀干式立管消火栓开式喷头干式立管消防泵闭式喷头干式立管泡沫比例混合器水泵结合器湿式立管泡沫发生器泡沫混合器立管泡沫液管消防工程基本图形符号4、消防工程固定灭火器系统符号名称图形名称图形水灭火系统(全淹没)ABC类干粉灭火系统手动控制灭火系统泡沫灭火系统(全淹没)卤代烷灭火系统BC类干粉灭火系统二氧化碳灭火系统5、消防工程灭火设备装置处符号名称图形名称图形二氧化碳瓶站ABC干粉罐泡沫罐站BC干粉灭火罐站消防泵站6、消防工程自动报警设备符号名称图形名称图形消防控制中心火灾报警装置温感探测器感光探测器手动报警装置烟感探测器气体探测器报警电话火灾警铃火灾报警扬声器火灾报警发声器火灾光信号装置。
消防工程基本图形符号之樊仲川亿创作创作时间:贰零贰壹年柒月贰叁拾日图形名称图形名称手提式灭火器灭火设备装置处所推车式灭火器控制和指示设备固定式灭火系统(全淹没)报警息动固定式灭火系统(局部应用)火灾报警装置固定式灭火系统(指出应用区)消防通风口1、消防工程辅助符号名称图形名称图形水阀门手动启动泡沫或泡沫液出口电铃无水入口发声器BC类干粉热扬声器ABC类干粉烟电话卤代烷火焰光信号二氧化碳易爆气体消防工程基本图形符号2、消防工程灭火器符号名称图形名称图形清水灭火器卤代烷灭火器推车式ABC类干粉灭火器泡沫灭火器二氧化碳灭火器推车式卤代烷灭火器BC类干粉灭火器推车式泡沫灭火器水桶ABC类干粉灭火器推车式BC类干粉灭火器沙桶3、消防管路及配件符号名称图形名称图形干式立管消防水管线干式立管消防水罐(池)干式立管泡沫混合液管线报警阀干式立管消火栓开式喷头干式立管消防泵闭式喷头干式立管泡沫比例混合器水泵结合器湿式立管泡沫发生器泡沫混合器立管泡沫液管消防工程基本图形符号4、消防工程固定灭火器系统符号名称图形名称图形水灭火系统(全淹没)ABC类干粉灭火系统手动控制灭火系统泡沫灭火系统(全淹没)卤代烷灭火系统BC类干粉灭火系统二氧化碳灭火系统5、消防工程灭火设备装置处符号名称图形名称图形二氧化碳瓶站ABC干粉罐泡沫罐站BC干粉灭火罐站消防泵站6、消防工程自动报警设备符号名称图形名称图形消防控制中心火灾报警装置温感探测器感光探测器手动报警装置烟感探测器气体探测器报警电话火灾警铃火灾报警扬声器火灾报警发声器火灾光信号装置创作时间:贰零贰壹年柒月贰叁拾日。
消防工程基本图形符号名称图形名称图形手提式灭火器灭火设备安装处所推车式灭火器控制和指示设备固定式灭火系统(全淹没)报警息动固定式灭火系统(局部应用)火灾报警装置固定式灭火系统(指出应用区)消防通风口1、消防工程辅助符号名称图形名称图形水阀门手动启动泡沫或泡沫液出口电铃无水入口发声器BC类干粉热扬声器ABC类干粉烟电话卤代烷火焰光信号二氧化碳易爆气体2、消防工程灭火器符号名称图形名称图形清水灭火器卤代烷灭火器推车式ABC类干粉灭火器泡沫灭火器二氧化碳灭火器推车式卤代烷灭火器BC类干粉灭火器推车式泡沫灭火器水桶ABC类干粉灭火器推车式BC类干粉灭火器沙桶3、消防管路及配件符号名称图形名称图形干式立管消防水管线干式立管消防水罐(池)干式立管泡沫混合液管线报警阀干式立管消火栓开式喷头干式立管消防泵闭式喷头干式立管泡沫比例混合器水泵结合器湿式立管泡沫产生器泡沫混合器立管泡沫液管4、消防工程固定灭火器系统符号名称图形名称图形水灭火系统(全淹没)ABC类干粉灭火系统手动控制灭火系统泡沫灭火系统(全淹没)卤代烷灭火系统BC类干粉灭火系统二氧化碳灭火系统5、消防工程灭火设备安装处符号名称图形名称图形二氧化碳瓶站ABC干粉罐泡沫罐站BC干粉灭火罐站消防泵站6、消防工程自动报警设备符号名称图形名称图形消防控制中心火灾报警装置温感探测器感光探测器手动报警装置烟感探测器气体探测器报警电话火灾警铃火灾报警扬声器火灾报警发声器火灾光信号装置。
消防工程基本图形符号之马矢奏春创作创作时间:贰零贰壹年柒月贰叁拾日图形名称图形名称手提式灭火器灭火设备装置处所推车式灭火器控制和指示设备固定式灭火系统(全淹没)报警息动固定式灭火系统(局部应用)火灾报警装置固定式灭火系统(指出应用区)消防通风口1、消防工程辅助符号名称图形名称图形水阀门手动启动泡沫或泡沫液出口电铃无水入口发声器BC类干粉热扬声器ABC类干粉烟电话卤代烷火焰光信号二氧化碳易爆气体消防工程基本图形符号2、消防工程灭火器符号名称图形名称图形清水灭火器卤代烷灭火器推车式ABC类干粉灭火器泡沫灭火器二氧化碳灭火器推车式卤代烷灭火器BC类干粉灭火器推车式泡沫灭火器水桶ABC类干粉灭火器推车式BC类干粉灭火器沙桶3、消防管路及配件符号名称图形名称图形干式立管消防水管线干式立管消防水罐(池)干式立管泡沫混合液管线报警阀干式立管消火栓开式喷头干式立管消防泵闭式喷头干式立管泡沫比例混合器水泵结合器湿式立管泡沫发生器泡沫混合器立管泡沫液管消防工程基本图形符号4、消防工程固定灭火器系统符号名称图形名称图形水灭火系统(全淹没)ABC类干粉灭火系统手动控制灭火系统泡沫灭火系统(全淹没)卤代烷灭火系统BC类干粉灭火系统二氧化碳灭火系统5、消防工程灭火设备装置处符号名称图形名称图形二氧化碳瓶站ABC干粉罐泡沫罐站BC干粉灭火罐站消防泵站6、消防工程自动报警设备符号名称图形名称图形消防控制中心火灾报警装置温感探测器感光探测器手动报警装置烟感探测器气体探测器报警电话火灾警铃火灾报警扬声器火灾报警发声器火灾光信号装置创作时间:贰零贰壹年柒月贰叁拾日。