模板工(混凝土模板工)施工工序标准详细流程
- 格式:docx
- 大小:11.24 KB
- 文档页数:2
模板工(混凝土模板工)施工详细办法模板工是建筑工程中的重要一个工种,主要负责施工混凝土的模板搭设和拆除。
在工程现场,模板工的工作质量直接关系到建筑工程的整体安全和质量,因此,模板工必须具备严格的施工规范和操作方法。
一、材料准备1. 模板材料模板是由多种材料组成的,主要包括红椎、竹片等,根据不同的工程环境选用不同类型的模板材料。
一般情况下,模板应符合以下要求:•模板强度高,不易变形,无裂缝;•模板表面平整,且具有一定的光泽度和光洁度,不带毛刺;•界面平整,无藏尘污垢。
2. 工具设备工具设备是模板工进行施工的基本工具,通常情况下,主要设备有:•钢绳、拉拔器、螺栓、钢板等搭几设备;•水平、尺子、铅锤等测量工具;•锯子、车刀、锤子、钳子等手工具。
二、工艺流程1. 布置基底混凝土浇筑前,需要先进行基底的布置。
保证基底平整、结实是决定模板结构的重要因素之一,基底应该平整、良好的支撑模板,保证模板的整体紧密齐平,并支撑混凝土的重量。
2. 梭子搭法梭子搭法是模板搭设常用的办法,该方法主要以两根红芯、木椎和竹片为主要材料,固定在梭子搭上方的三角板上,以构成一个稳定的支撑结构。
3. 模板拼接模板的拼接是模板工施工的重要一环,需要保证模板之间的连接紧密,无漏洞、无裂缝,否则将会对混凝土浇注造成极大的破坏。
模板之间通过螺栓和钢丝绳固定在一起,通常情况下,螺栓应该沿着模板边缘排列,钢丝绳则是负责连接模板内部。
4. 细节处理模板施工过程中,还需要特别关注一些细节处理,以保证整个模板的结构牢固、稳定,同时也有利于混凝土的均衡浇筑。
例如,墙板的立面应该准确垂直,间距应一致,墙角和法兰应满足设计要求,板缝应该顺直、平整、紧密贴合等。
5. 拆除模板混凝土完成硬化后,模板工的下一步就是拆除模板。
在进行拆模时,必须谨慎慎重,以免因为操作不当,造成浪费或者工程质量的降低。
一般情况下,拆模的顺序应该是:1.去掉顶部横梁;2.按照构件方向逐级拆除;3.将侧板与地板拆开。
模板工程工艺流程
《模板工程工艺流程》
模板工程是指在建筑施工过程中用来支撑混凝土浇筑的模板系统。
模板工程的质量直接影响着建筑物的整体质量和施工进度,因此模板工程工艺流程非常重要。
下面我们就来详细介绍一下模板工程的工艺流程。
1. 确定模板设计方案
在开始模板工程之前,需要根据建筑设计图纸和施工需求确定模板的设计方案。
这包括确定使用的模板材料、搭建方式、支撑方式等。
2. 制作模板
根据设计方案,制作所需的模板。
常见的模板材料包括木材、钢模板和塑料模板等。
在制作模板的过程中,需要考虑到模板的强度、防水性能和易拆性。
3. 安装支撑系统
在开始施工之前,需要安装支撑系统来支撑模板。
支撑系统需要保证模板的稳定和安全,以确保施工过程中不会发生模板倒塌的情况。
4. 安装模板
一旦支撑系统安装完成,就可以开始安装模板了。
在安装的过程中,需要确保模板的布置符合设计要求,同时还需要注意模板的接缝处理和防漏处理。
5. 混凝土浇筑
当模板安装完成后,就可以进行混凝土浇筑了。
在浇筑之前,需要确保模板表面干净,并且需要设置好浇筑的高度和坡度。
6. 拆除模板
当混凝土达到一定的强度后,就可以拆除模板了。
在拆除模板的过程中,需要注意保护混凝土表面不被损坏,并且需要做好模板的清理和存放工作。
总的来说,模板工程工艺流程包括模板设计、制作、安装、混凝土浇筑和拆除等环节。
在每个环节都需要严格按照设计要求和施工规范进行操作,以确保模板工程的质量和安全。
希望以上内容能够帮助您更加了解模板工程的工艺流程。
模板工程工艺流程
《模板工程工艺流程》
模板工程是指在建筑施工过程中,为了支撑混凝土浇筑而搭设的模板,它直接关系到施工质量和工期。
在施工过程中,模板工程工艺流程显得尤为重要。
下面将介绍一下模板工程的工艺流程。
首先,模板工程的施工应该遵循《建筑模板工程施工及验收标准》关于模板的材料及规格的要求,根据施工图纸和设计要求确定模板的尺寸、规格和搭设方式。
其次,根据现场的具体情况,确定模板的搭设位置和安装顺序。
在搭设模板之前,首先要清理施工现场,确保施工区域的平整和干净。
接下来是模板的搭设工作。
搭设模板时要根据设计图纸和要求进行精确的定位和安装,保证模板的平整度和垂直度,同时要注意模板的支撑和固定,使其能够承受混凝土的浇筑压力。
搭设完成后,要进行验收,确保模板的质量和稳定性。
混凝土浇筑之后,必须及时拆除模板。
拆模时要注意保护模板,避免损坏,以便能够重复使用。
同时,要注意拆模的顺序和方法,以免影响施工进度和施工质量。
最后,对模板工程进行整体验收和清理工作。
验收工作主要是检查模板工程的质量和安全性,确保工程符合设计要求;清理工作主要是清理施工现场的残余材料和垃圾,保持施工现场的清洁和整洁。
总的来说,模板工程工艺流程对于建筑施工具有重要意义。
只有严格遵循工艺流程,做到规范、精细、严谨,才能够保证模板工程的质量和安全,为整个建筑工程的顺利进行奠定良好的基础。
模板工程施工工艺标准1.适用范围:本工艺标准适用于工业与民用建筑现浇混凝土框架(包括框架剪力墙)、剪力墙及筒体结构模板工程。
2.施工准备:2.1.材料准备:2.1。
1.钢框木(竹)胶合板块:长度为900、1200、1500、1800和2400mm;宽度为300、450、600和750mm。
宽度为100、150和200mm 的窄条,配以组合钢模板.2。
1.2。
定型钢角模:阴角模150mm×150mm×900mm(1200、1500、1800mm);阳角模150×150×900mm(1200、1500、1800);可调阴角模250mm×250mm×900mm(1200、1500、1800mm)及可调T型调节模板,L型可调模板和连接角模等。
2.1.3。
链接附件:U形卡、扣件、紧固螺栓、钩头螺栓、L型插销、穿墙螺栓、防水穿墙拉杆螺栓、柱模定型箍。
2.1.4.支撑系统:定型空腔龙骨(桁架梁)、碗扣立杆、横杆、斜杆、双可调早拆翼托、单可调早拆翼托、立杆垫座、立杆可调底座、模板侧向支腿、木方。
2。
1.5.脱模剂:水质隔离剂。
2.1。
6.工具:铁木榔头、活动(套口)板子、水平尺、钢卷尺、托线板、轻便爬梯、脚手板、吊车等.2。
2.作业条件2.2。
1。
划分所建工程施工区、段:根据工程结构的形式、特点及现场条件,合理确定模板工程施工的流水区段,以减少模板的投入,增加周转次数,均衡工序工程(钢筋、模板、砼工序)的作业量,确保工程进度.2.2。
2。
按工程结构设计图进行模板设计,确保强度、刚度及稳定性.2.2。
3. 绘制全套模板设计图,其中包括:模板平面布置配板图、组装图、节点大样图。
确定模板配板平面布置及支撑布置.根据总图对梁、板、柱等尺寸及编号设计出配板图,应标志出不同型号、尺寸单块模板平面布置,纵横龙骨规格、数量及排列尺寸;柱箍选用的形式及间距;支撑系统的竖向支撑、侧向支撑、横向拉接件的型号、间距。
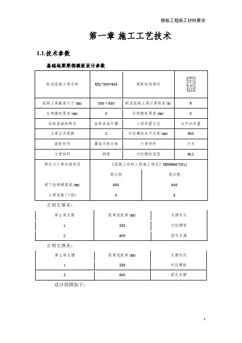
第一章施工工艺技术1.1.技术参数基础地梁梁侧模板设计参数左侧支撑表:右侧支撑表:设计简图如下:模板设计剖面图独立基础侧模板设计参数第二台阶独立基础左侧支撑表:第二台阶独立基础右侧支撑表:设计简图如下:模板设计剖面图柱模板(设置对拉螺栓)设计参数模板设计平面图板模板(扣件式)设计参数梁模板(扣件式,梁板立柱共用)设计参数梁侧模板设计参数左侧支撑表:右侧支撑表:设计简图如下:模板设计剖面图主次梁交接处模板支架(扣件式)设计参数1.2.工艺流程【独立基础、地梁模板】基础垫层浇筑→ 放线、测水平→模板下料→拼装模板→ 模板加固→ 清理、刷油→ 检查模板标高、平整度、支撑牢固情况。
【柱模板】搭设安装脚手架→沿模板边线贴密封条→立柱子片模→安装柱箍→校正柱子方正、垂直和位置→全面检查校正→群体固定→办预检。
【梁模板】弹梁轴线并复核→ 搭支模架→调整托梁→摆主梁→ 安放梁底模并固定→ 梁底起拱→ 扎梁筋→ 安侧模→ 侧模拉线支撑(梁高加对拉螺栓)→ 复核梁模尺寸、标高、位置→ 与相邻模板连固。
【板模板】搭支架→ 测水平→摆主梁→ 调整楼板模标高及起拱→ 铺模板→ 清理、刷油→ 检查模板标高、平整度、支撑牢固情况。
1.3.施工方法1.3.1.独立基础、地梁模板安装1、待基础验槽合格后,进行独立基础、条形基础和地梁垫层浇筑,垫层宽度大于结构边线100mm,以保证模板加固有位置立侧面模板;2、根据基础施工平面图布置要求,放样主轴线进行结构分线,测量基础垫层水平,以保证模板底部平整以防混凝土浇筑漏浆;3、作业前对技术人员和施工班组进行技术交底,让工长和木工班组充分明白施工工序、基础结构施工图纸、平面位置、结构尺寸、结构标高和平面长度要求,进行模板下料;4、模板制作完成后,进行检查验收,同时待钢筋绑扎完成、水电套管安装完成验收合格后进行模板拼装,根据独立基础、地梁位置对照模板加工配料清单进行拼装。
基础垫层上按照600mm间距布设一道φ12的定位钢筋,以便模板加固时保障截面尺寸不变形;5、待所有模板拼装完成后,按照独立基础、地梁模板设计参数要求进行加固,地梁最大截面尺寸为300*600,侧面模板每侧支护5道40*80的木方作为小梁,外侧主梁设置蝶形18#扣件夹两根48*2.8钢管,梁中部距地面250mm位置加一道对拉螺杆,间距900mm,加固方式如下表所示:6、本工程独立基础为阶梯式独立基础,独立基础第一阶最大截面尺寸为3700*3700*400,第二阶最大截面尺寸为2100*2100*400,基础侧面模板每侧支护3道40*80的木方作为小梁,外侧主梁设置蝶形18#扣件夹两根48*2.8钢管,梁中部距地面250mm位置加一道对拉螺杆,间距900mm第一、二台阶独立基础左侧支撑如下表所示:第一台阶独立基础侧面支撑表:第二台阶独立基础侧面支撑表:模板设计剖面图7、模板安装加固完成后,对模板进行清理和基层风吸封堵;8、模板施工完成后,检查验收模板标高、平整度、支撑牢固情况。
第1篇一、施工准备1. 技术准备:熟悉设计图纸,了解工程特点和施工要求;编制模板施工方案,确定模板类型、尺寸、数量及材料等。
2. 材料准备:根据模板施工方案,准备好所需的模板、支撑材料、连接件、紧固件等。
3. 人员准备:组织施工队伍,明确施工人员职责,进行技术交底。
4. 施工场地准备:清理施工场地,确保施工环境安全、整洁。
二、模板制作1. 模板下料:根据设计图纸和模板施工方案,对模板材料进行切割、加工,确保尺寸准确。
2. 模板组装:将下料后的模板按照设计要求进行组装,确保连接牢固、平整。
3. 模板涂刷:在模板表面涂刷脱模剂,提高脱模效果,减少混凝土表面缺陷。
三、模板安装1. 支撑体系搭建:根据模板施工方案,搭建支撑体系,确保支撑稳固、安全。
2. 模板定位:按照设计要求,将模板放置在指定位置,确保模板平整、垂直。
3. 模板连接:将模板与支撑体系连接牢固,防止模板移位。
4. 模板加固:对模板进行加固,确保模板在施工过程中稳定。
四、混凝土浇筑1. 混凝土准备:确保混凝土质量符合设计要求,控制混凝土坍落度。
2. 浇筑顺序:按照施工方案,从低处向高处进行混凝土浇筑,避免出现蜂窝、麻面等缺陷。
3. 浇筑速度:控制混凝土浇筑速度,防止出现流淌、漏浆等问题。
五、模板拆除1. 拆除顺序:按照施工方案,从上向下、从外向内进行模板拆除。
2. 拆除方法:采用机械或人工拆除,确保拆除过程中模板稳定、安全。
3. 拆除后的处理:对拆除后的模板进行检查,发现损坏的及时进行修复或更换。
六、质量检查1. 模板安装质量检查:检查模板定位、连接、加固等是否符合设计要求。
2. 混凝土浇筑质量检查:检查混凝土表面、密实度、强度等是否符合设计要求。
3. 模板拆除质量检查:检查模板拆除后的表面、结构等是否符合设计要求。
通过以上工序,确保模板工程施工质量,为后续施工提供有力保障。
在实际施工过程中,应根据工程特点和施工环境,灵活调整施工工序,确保工程顺利进行。
模板工程施工工艺标准1.目录模板工程施工工艺标准 (1)1. 编制依据 (1)2. 技术要点 (1)2.1. 整体工艺流程 (1)2.2. 支撑系统安装流程 (1)2.3. 梁、板模板安装流程 (2)2.4. 圆柱模板工艺流程 (2)2.5. 预拼装墙模板工艺流程 (2)2.6. 模板安装技术控制点 (3)2.7. 模板拆除技术控制点 (3)2.8. 预拼装墙模施工技术控制点 (4)3. 质量要求 (5)3.1. 模板工程质量控制 (5)3.2. 模板安装 (5)预埋件和预留孔洞的允许偏差 (6)现浇结构模板安装的允许偏差及检验方法: (6)3.3. 模板的拆除 (7)3.3.1. 拆模时混凝土和模板的要求 (7)3.3.2. 模板拆除注意事项 (8)4. 安全环境控制 (8)4.1. 安全保证措施 (8)4.2. 安全技术措施 (10)4.2.1. 施工监测 (10)4.2.2. 监测点布置 (11)4.2.3. 观测方法 (11)4.2.4. 观测时间 (12)4.2.5. 注意事项 (12)4.3. 预防高空坠落事故安全技术措施 (13)4.4. 触电事故的预防措施 (13)4.5. 火灾事故的预防措施 (13)模板工程施工工艺标准2.编制依据1.建筑施工扣件式钢管脚手架安全技术规范(JGJ130-2011);2.建筑施工承插型盘扣式钢管支架安全技术规程(JGJ231-2010);3.建筑结构荷载规范(GB50009-2012);4.混凝土结构工程施工规范(GB50666-2011);5.混凝土结构工程施工质量验收规范(GB50204-2002)(2011年版);6.木结构设计规范(GB50005-2003);7.混凝土质量控制标准((GB50164-2011);8.建筑施工模板安全技术规范(JGJ162-2008);3.技术要点3.1. 整体工艺流程放线定位→墙柱钢筋绑扎→钢筋隐蔽验收→墙柱模板支设→梁板模板支设→梁板钢筋绑扎→钢筋隐蔽验收→标高复核→放线定位3.2. 支撑系统安装流程放置纵向扫地杆→自角部起依次向两边竖立杆,底端与纵向扫地杆扣接固定后、装设横向扫地杆并与立杆固定(应吊线确保立杆垂直),每边竖起3~4根立杆后,即装设第一步纵向平杆(与立杆扣接固定)和横向平杆(与立杆扣接固定)、校正立杆垂直和横杆水平使符合要求,按40~60N.m力矩拧紧碗扣,形成构架的起始段→按上述要求依次向前延伸搭设,直至第一步架完成。
基础工程模板施工工艺流程1. 地基处理- 清理地表清理地表是基础工程施工的第一步,要将地表上的杂物、树木、石块等清理干净,确保施工区域整洁。
- 开挖基坑开挖基坑是为了为基础设施提供支撑,需要根据设计要求进行精确的开挖,同时要注意防止挖坑过深或挖坑不足的情况发生。
- 地基处理地基处理包括填土、夯实、振实等工艺,目的是增强地基承载能力,确保基础的稳固性。
2. 基础模板搭设- 配筋配筋是在基础模板中设置钢筋,以增强混凝土的抗拉能力和承载能力,需要按照设计要求进行精确的布置。
- 搭模板搭设基础模板是为了给混凝土浇筑提供模板支撑,要根据设计要求和尺寸精确搭建模板,并注意模板的稳固性和平整度。
3. 混凝土浇筑- 配制混凝土配制混凝土需要根据设计比例和要求进行材料的配合和搅拌,确保混凝土的质量和强度。
- 浇筑浇筑混凝土需要注意施工速度和均匀性,避免出现浇筑过快或者浇筑不均匀的情况,确保混凝土的质量和密实度。
4. 模板拆除- 钢筋及模板拆除在混凝土达到设计强度后,要及时拆除钢筋和模板,以便进行下一步工序的施工。
- 处理基础表面拆除模板后,要对基础表面进行清理和修整,确保基础表面平整和无裂缝。
5. 防水处理- 防水材料施工在基础施工完成后,要进行防水材料的施工,以防止地下水的渗透和侵蚀,确保基础的使用寿命和稳定性。
6. 检验验收- 基础工程验收在基础工程施工完成后,要进行相关部门的验收,确保基础工程的质量和符合相关标准。
以上便是基础工程模板施工工艺流程的详细说明,每个流程都有其重要性和细节要求,只有严格按照规定要求进行施工,才能确保基础工程的质量和稳定性。
模板工(混凝土模板工)施工详细操作规定前言混凝土工程离不开模板工的作用,而模板工需要具备一定的技术和经验,以确保施工品质。
本文将介绍模板工的施工详细操作规定,以便模板工在实际工作中操作规范、安全。
原材料准备1.原材料的准备必须在租赁工厂的指导下进行。
2.原材料的规格必须符合混凝土结构的要求。
3.原材料的表面必须干净,无污垢和松散物。
现场预处理1.模板支架的布置应符合设计要求,并且具有合适的牵力和支承力。
2.水平和垂直控制点的间距和精度必须符合要求。
3.起重设备必须符合要求。
模板的安装1.结构模板安装前应进行检查,应确保木材无损伤、歪曲、开裂或霉变。
2.模板的安装必须使用预制的连接件,其数量、位置和类型应符合设计要求。
3.确保模板表面的外侧具有适当的倾斜度,以保证混凝土的牢固粘附。
模板的振捣1.震动台必须在混凝土浇注区域的边缘附近移动。
2.必须为所有混凝土浇注区域提供充分的振动。
3.混凝土的振动时间应根据混凝土类型和材料性能等因素进行定制。
施工完成后的模板拆卸1.模板拆卸必须在混凝土的风干期结束后进行。
2.应根据设计要求进行拆卸,一般从下至上进行。
3.保护和储存模板以备今后使用。
安全和事故预防1.确保所有材料和工具都被正确使用。
2.在工作区域内设置好标志,以确保工人注意。
3.过程中必须穿着合适的防护设备。
结论混凝土模板工是混凝土工程中必不可少的角色,他们实施的任务影响到建筑结构及其质量。
本文介绍的模板工施工详细操作规定可以帮助模板工正确、规范地进行工作,确保建筑结构的牢固和安全。
混凝土梁、柱、板、剪力墙浇筑施工工艺标准一、工艺流程施工准备→模板、钢筋验收→混凝土运输→混凝土浇筑→混凝土的养护→质量验收标准→成品保护→文明施工及环境保护措施。
二、施工准备1、材料要求:(1)该工程均采用商品混凝土,采用泵送商品混凝土浇筑,由商品混凝土公司提供成品商品混凝土。
(2)为增强混凝土的可泵性,在混凝土中掺入适量的粉煤灰和减水剂,掺量必须经过实验确定。
为保证混凝土的缓凝时间达到4—6小时,能够满足混凝土出机运至现场具有可泵送料条件,在混凝土中掺入适量缓凝剂。
严禁在混凝土中加生水。
混凝土入泵坍落度控制在160~180mm。
2、工序要求:(1)提前签订商品混凝土供货合同,签订时约定具体供应时间、标号、所需车辆数量及其间隔时间。
特殊要求如抗渗、防冻剂、入模温度、坍落度、水泥及预防混凝土碱集料反应所需提供的资料等。
(2)由商品混凝土搅拌站试验室确定配合比及外加剂用量。
(3)混凝土浇筑前组织施工作业人员进行技术交底,对重点部位单独交底,设专人负责,做到人人心中有数。
(4)提前一天提交书面商品混凝土需用计划,说明供应时间、数量、强度等级、供应速度及其他技术措施。
(5)混凝土浇筑前,仔细清理泵管内残留物。
确保泵管畅通,仔细检查井字架加固情况等。
3、主要机具(根据工程情况,按施工方案具体配备)(1)运送机具:商品砼运输车、吊斗、泵送设备、翻斗车、手推车;(2)混凝土搅拌机(当采用现场自搅拌方案时配备)、自动计量系统或磅秤;(3)手持工具:振捣器、铁锹、铁盘、铁(胶)抹子、铁插尺、铝合金刮尺等。
三、模板、钢筋验收(1)钢筋安装的隐检工作已经完成,并已核实预埋件、线管、孔洞的位置、数量及固定情况无误。
(2)模板的预检工作已经完成,模板标高、位置、尺寸准确,符合设计要求,支架稳定,支撑和模板固定可靠,模板拼缝严密,符合规范要求。
(3)剪力墙模板预制细石混凝土高强内撑安放成梅花型,间距为400~600mm之间,两边凹槽卡在横向钢筋上邦扎牢固,符合设计、规范要求。
模板工程施工工艺流程及验收标准一)施工工艺流程:轴线投设→柱(剪力墙)模板制安→设置标高控制点→二层梁板模板制安→线管预埋验收→验收→依次推进二)技术要求及验收标准:1.模板及其支架应根据工程结构的形式、特点及现场条件,合理确定模板工程施工的流水区段,均衡工序工程(钢筋、模板、混凝土工序)的作业量,以减少模板投入增加周转次数。
2.确定模板配板平面布置及支撑布置。
根据总图对梁、板、柱等尺寸及编号设计出配板图,应标志出不同型号、单块模板尺寸、平面布置,纵横龙骨规格、数量及排列尺寸、柱箍选用的形式及间距。
3.水平混凝土构件模板支撑系统高度超过8m、跨度超过18m结构梁、施工总荷载大于10KN/m或集中线荷载大于15KN/m的模板支撑系统要严格对其强度、刚度及稳定性进行验算,绘制模板设计图,编制专项施工方案按程序报审,严格执行审核后的施工方案.4.模板轴线引设、水平控制标高引测到预留柱插筋或其它过渡引测点,并进行交叉检查,确保无误。
5.柱子、墙、梁模板钢筋绑扎完毕;水电管线、预留洞、预埋件已安装完毕,绑好钢筋保护层垫块,并进行隐蔽工程验收后方可进行模板安装.6。
模板安装的接缝不应漏浆,在浇筑混凝土前,木模板应浇水湿润,模板内无积水。
7.模板工程完成后需复核梁的截面尺寸、梁板标高、开间尺寸及每一开间的板面平整度必须符合图纸及验收要求,同时模板工程完成后木工班组必须将工作面清扫干净,剩余的材料不准堆放在平桥上,要做到工完场清才能申报验收,合格后才能进行下一工序的施工。
8.模板支撑系统应对立杆垫板、倾斜立杆、单独立杆、水平联系杆件及探头木方进行检查并采取相应措施处理,浇捣混凝土时应有专人跟班.9.底模板拆除时混凝土的强度应符合设计要求或下表规定。
已拆除模板的结构,应在混凝土达到相应强度等级后才允许承受全部荷载,必要时加设临时支撑。
模板拆除后必须做到材料分类堆放,以及该材料用完后必须工完场清,打扫干净。
底模板拆除时的混凝土强度要求现浇结构模板安装的允许偏差及检验方法10. 后浇带模板的拆除和支顶应按施工技术方案进行,对照施工技术方案观察检查。
第1篇一、施工准备1. 设计审查:审查模板设计图纸,确保模板结构合理、安全,满足施工要求。
2. 材料准备:根据设计要求,准备模板、支撑体系、连接件等材料,并检查其质量。
3. 施工方案编制:根据工程特点和施工条件,编制模板工程施工方案,明确施工工艺、质量标准、安全措施等。
4. 施工现场布置:根据施工方案,布置施工现场,包括模板堆放区、材料堆放区、施工通道等。
5. 技术交底:对施工人员进行技术交底,确保施工人员了解施工要求、工艺和质量标准。
二、模板安装1. 模板定位:根据设计图纸,确定模板位置,并在地面上弹出模板轴线。
2. 模板拼装:将模板按照设计尺寸和形状进行拼装,确保拼缝严密、平整。
3. 支撑体系搭建:根据模板高度和荷载要求,搭建支撑体系,确保支撑稳定、牢固。
4. 模板加固:在模板上设置拉杆、支撑等加固措施,确保模板在施工过程中不变形、不倾覆。
5. 钢筋绑扎:在模板内绑扎钢筋,确保钢筋位置准确、间距符合设计要求。
6. 预埋件安装:安装预埋件,确保其位置准确、牢固。
三、模板拆除1. 拆除条件:混凝土强度达到设计要求,且模板无变形、损坏。
2. 拆除顺序:先拆除非承重模板,再拆除承重模板。
3. 拆除方法:采用人工或机械拆除,确保拆除过程中模板平稳、安全。
4. 模板回收:将拆除后的模板进行清理、整理,回收利用。
四、施工质量检查1. 模板安装质量检查:检查模板位置、尺寸、拼缝、加固等是否符合设计要求。
2. 钢筋绑扎质量检查:检查钢筋位置、间距、锚固等是否符合设计要求。
3. 预埋件安装质量检查:检查预埋件位置、尺寸、锚固等是否符合设计要求。
4. 混凝土浇筑质量检查:检查混凝土浇筑过程中的模板稳定性、钢筋保护层厚度等。
五、成品保护1. 模板拆除后,及时清理模板表面,防止污染。
2. 对拆除后的模板进行修复、保养,延长模板使用寿命。
3. 对施工过程中产生的垃圾、废料进行分类处理,保持施工现场整洁。
4. 对已完成的混凝土结构进行保护,防止碰撞、损坏。
模板工程详细施工方案一、前期准备工作1.1 勘测与规划在开始模板工程的施工前,需要进行现场勘测和规划工作。
勘测工作包括测量地面情况、周边环境等;规划工作包括确定施工方向、布局图纸等。
1.2 材料准备根据规划图纸确定所需材料清单,包括砖瓦、水泥、沙子等,同时保证材料品质和数量充足。
1.3 施工人员安排确定施工人员的数量和分工,确保各个岗位人员的配合和通力合作。
二、模板工程施工步骤2.1 地基处理首先进行地基处理工作,包括场地平整、挖土、填土、加固等,确保地基的稳固和平整。
2.2 建筑结构搭建根据规划图纸,开始搭建建筑结构,包括墙体、楼板、梁柱等,确保结构牢固和符合设计要求。
2.3 外墙装饰进行外墙装饰,包括涂料、瓷砖、玻璃等的安装和装饰,使建筑外观美观大方。
2.4 室内装修进行室内装修工作,包括地面铺设、墙面粉刷、天花板安装等,使室内空间达到设计要求。
2.5 设备安装安装建筑内的设备设施,包括水电设备、空调系统、照明设备等,确保设备正常运行。
2.6 清理验收完成所有施工工作后,进行清理卫生和最终验收,确保工程质量达到标准要求。
三、安全与质量保障3.1 安全措施在施工过程中,严格遵守安全操作规程,保障施工人员的人身安全,避免意外事故的发生。
3.2 质量监控对每个施工环节进行严格的质量监控,确保工程质量符合设计标准,杜绝质量问题的发生。
四、后期维护与管理4.1 定期检查完成模板工程后,定期进行检查和维护工作,保持建筑的良好状态。
4.2 管理措施建立健全的工程管理制度,对建筑进行合理管理和维护,延长建筑使用寿命。
五、总结与展望经过前期准备、施工步骤、安全质量保障以及后期维护管理,模板工程施工顺利完成。
未来,我们将继续努力,提升施工技术,为客户提供更加优质的服务。
以上为模板工程详细施工方案的内容,希望对施工工作有所帮助。
混凝土工程施工工序混凝土是建筑工程中常用的材料之一,其施工工序需要一定的技术和步骤。
下面将详细介绍混凝土工程施工的工序及注意事项。
一、准备工作在进行混凝土施工前,首先需要进行准备工作。
包括确定施工方案、计算混凝土的配合比、准备混凝土搅拌机械和辅助设备等。
同时还要做好现场的清理和平整工作,以确保施工的顺利进行。
二、浇灌混凝土在准备工作完成后,就可以开始进行混凝土的浇灌。
首先需要将混凝土倒入模板内,然后使用振动器对混凝土进行振实,以确保混凝土的密实性和牢固性。
在浇灌的过程中,需要注意控制浇注深度和速度,避免出现渗漏或者开裂等情况。
三、养护混凝土混凝土浇灌完成后,需要进行养护工作。
养护的主要目的是保持混凝土的湿润和温度适宜,以促进混凝土的龄期发展和强度提升。
养护时间一般为7天左右,期间需定期对混凝土进行浇水或覆盖保湿材料。
四、收尾工作最后一步是进行收尾工作。
包括清理现场、拆除模板、修补可能存在的瑕疵等。
同时还需对已施工完成的混凝土进行检查,确保其符合设计要求和工程质量标准。
在进行混凝土工程施工时,需要特别注意安全问题。
施工现场要设置明显的安全警示标志,操作人员需穿戴好安全装备,并严格按照操作规程进行工作。
同时要做好现场管理和协调工作,确保施工工序的顺利进行。
综上所述,混凝土工程施工工序包括准备工作、浇灌混凝土、养护混凝土和收尾工作。
只有严格按照规程和要求进行,才能保证混凝土工程的施工质量和安全性。
希望广大施工人员在日常工作中能够认真执行,确保每一个施工环节的顺利进行,为建筑工程的顺利进行做出贡献。
21、混凝土施工工法1施工准备1.1机具准备1.1.1混凝土拌和设备:混凝土拌和站、装载机。
1.1.2混凝土运输设备:混凝土罐车。
1.1.3浇筑机具:导管、串筒、流槽、插入式振动器、表面振动器、附着式振动器、铁锹等。
1.1.4配套设备:混凝土输送泵、吊斗、吊车等。
1.1.5安全设备:安全帽、安全护拦等。
1.1.6通讯设备:手机、对讲机。
1.1.7其他设备:发电机组等。
1.2材料准备1.2.1原材料:拌制混凝土所使用的各项材料及拌和物的质量应经过检验,符合规范要求。
1.2.2水泥和外加剂应符合现行国家标准,并附有制造厂的品质试验报告等合格证明文件。
1.2.3袋装水泥在运输和储存时应防止受潮。
不同强度等级、品种和出厂日期的水泥应分别堆放。
散装水泥的储存,采用水泥罐或散装水泥仓库。
水泥如受潮或存放时间超过3个月,应重新取样检验,并按其复验结果降级使用。
1.2.4骨料应按品种规格分别堆放,不得混料。
1.3拌和站作业条件1.3.1场地应完成三通一平。
场地规整,场地硬化,完成临时排水系统,临时用电等安全设施已完成。
施工配合比等标识标牌应清楚齐全。
1.3.2安装并检验通过有关砼降温的各种设施(如冷却水管、取水泵等)。
1.3.3落实温度控制措施,埋设温控仪器1.3.4试验室提供相应工程部位已获批准的砼施工配合比。
1.3.5人员配备及技能培训1.3.5.1人员配备:混凝土拌和站站长一名,操作手二名,试验人员一名,专职安全员一名;混凝土浇筑班班长一名,模板工一名(专职护模),钢筋工一名(专职校正钢筋),振捣工人若干,现场试验人员一名,安全员一名。
1.3.5.2技能培训:(1)培训方式:采用会议、授课、观看影像资料及考察观摩的形式。
(2)培训内容:拌和设备操作维护方法、技术要求,混凝土运输、浇筑施工工法,安全文明环保施工要求。
2施工工艺、工法2.1工艺流程:配料→拌和→运输→浇筑→振捣→养护2.2混凝土拌合物配料2.2.1施工前,每班次必须测定砂含石、石含砂、集料的含水量指标,据此下达混凝土施工配料通知单。
7.2。
1挡土墙施工工艺标准1 适用范围适用于现浇钢筋混凝土挡土墙.2 编制依据2。
1《城市桥梁工程施工与质量验收规范》CJJ 2-2008版。
2.2《城镇道路工程施工与质量验收规范》CJJ 1—2008版.3 施工准备3。
1 技术准备及要求3.1。
1对工人进行技术培训,未经培训合格者不得上岗.3。
1.2依据设计图纸编制挡土墙施工方案,已经审批;并做好安全技术交底工作。
3.1.3已办理挡土墙开工报告、材料报验等审批手续.3.1。
4完成混凝土配合比设计和混凝土试配工作。
3。
2 材料准备及要求3。
3 主要机具电焊机2台,钢筋加工设备1套,插入式振动棒4台.3.4 作业条件开工报告已批复,施工人员进场(技术及管理人员2人,钢筋工30人,木工30人,混凝土浇筑工10人),对分包队进行技术交底,测量组施工放样完毕。
4.2 操作工艺4。
2.1施工放样。
用全站仪测量放样出挡土墙基础轴线等位置,保护好放样桩位。
根据设计及施工需要,定出基础开挖的范围,用白灰标出开挖的边线。
将放样结果上报监理工程师认可.4.2。
2基础开挖:基础开挖采用挖掘机开挖自卸车运土为主,人工配合为辅。
开挖坡比为1:1。
2,坑底预留施工作业宽度0。
5米。
挖掘机开挖接近设计标高后,剩余工程量采用人工开挖进行找平以准确控制挡土墙的基底标高。
当基底出现地下渗流时,采用在基底部分外侧挖流水沟集中明排水措施,并在整个施工过程中安排专人进行排水工作。
基底要用小型夯实机具进行碾压处理,自检压实度合格后应找监理报验检测基底压实度,确保不小于设计值。
合格后按照不小于设计厚度做砂砾垫层,用小型夯机夯实,检验砂砾垫层压实度,合格后打混凝土垫层,打完混凝土垫层后精确放线。
4。
2.3基础及墙身预埋钢筋:钢筋进场应分批验收,钢筋应有出厂合格证,并按分批进场、分批进行检验,且必须通过试验合格后方可下料加工制作。
在制作前须调直除锈,钢筋表面应洁净.钢筋接头:采用搭接双面焊时,焊接长度为5d;采用搭接单面焊时,焊接长度为10d;焊接接头与钢筋弯曲处不应小于10d,也不得出现在最大弯距处同一截面主筋搭接数量超过主筋数量的50%。
施工流程
1、基础工程是,施工工艺流程:定位放线→ 复核(包括轴线,方向)→ 桩机就位→ 打桩→ 测桩→ 基槽开挖→ 锯桩→ 浇筑砼垫层→ 轴线引设→ 承台模板及梁底板安装→ 钢筋制安→ 承台模板及基础梁侧板安装→ 基础模板、钢筋验收→ 浇筑基础砼→ 养护→ 基础砖砌筑→ 回填土
2、模板工程是,施工工艺流程:轴线投设→柱(剪力墙)模板制安→设置标高控制点→二层梁板模板制安→线管预埋验收→验收→依次推进
3、钢筋工程,施工工艺流程:熟悉图纸→钢筋下料→钢筋制作→钢筋绑扎(柱、墙、梁板)→验收
4、混凝土工程,施工工艺流程:作业准备→混凝土搅拌→混凝土运输→柱、梁、板、剪力墙、楼梯混凝土浇筑与振捣→养护
5、砌体工程,施工工艺流程:砌砖作业准备→ 砖浇水→ 砂浆搅拌→ 砌砖墙→ 验收
6、抹灰工程是,施工工艺流程:门窗框四周堵缝(或墙身预留线管、槽、孔洞)→墙面清理→ 粘贴加强网→墙体基层处理→吊垂直、套方、抹灰饼、冲筋→浇水湿润墙面→分层抹灰
7、楼地面水泥砂浆工程,
施工工艺流程:基层处理→ 找标高、弹线→ 洒水湿润→ 抹灰饼和标筋→ 搅拌砂浆→ 刷水泥浆结合层→ 铺水泥砂浆面层→ 木抹子搓平→铁抹子压
第一遍→ 第二遍压光→ 第三遍压光→ 养护
8、饰件工程是,施工工艺流程:1.室外饰件:基层处理→ 吊垂直、套方、找规矩→ 贴灰饼→ 抹底子灰→ 弹控制线,排砖,贴样板块→ 面砖粘贴→ 回缝→ 清理墙面
2.室内饰件:清理基层→ 弹线→ 刷水泥素浆→ 水泥砂浆找平层→ 水泥浆结合层→ 铺贴饰件→回缝→ 清理墙面
9、水泥砂浆刚性防水层施工。
模板工(混凝土模板工)施工工序标准详细流程
作为混凝土施工的重要环节,模板工不仅需要有一定的技能和经验,同时需要按照标准流程进行操作,以保证施工质量和安全性。
本文将
详细介绍模板工施工工序的标准流程,供读者参考。
工具和材料
在进行混凝土模板施工前,需要准备以下工具和材料:
•锯子:用于削减木板和其他建筑材料。
•锤子:用于将钉子和其他固定件敲进木板或其他材料中。
•跳线钳:用于移位或拆卸固定件。
•倾角计和平面仪:用于确保模板的各个部分之间的准确角度和位置。
•木板:用于制作空模板和支撑构架。
•钢丝绳和抛绳:用于将模板吊装到正确的位置。
施工工序
步骤一:准备工作
在开始模板施工之前,需要按照设计图纸和施工图纸进行测量和计算。
确定模板的尺寸、形状和倾斜度,然后根据这些信息制作模板和
支撑结构。
步骤二:搭建托架和支撑结构
必须在坚固、平整的地面上安装稳定的支柱,并在其上搭建稳定和
坚固的框架。
支柱的安装应该遵循规划和设计图纸,以保证模板的准
确性和稳定性。
步骤三:制作模板
使用木板和其他建筑材料制作模板。
在制作模板时,每块木板必须
按照设计图纸上的规格和形状裁剪,然后用钢丝绳和钉子将它们固定
到支撑结构上。
步骤四:调整位置和角度
将模板吊装到正确的位置和角度。
使用倾角计和平面仪检查模板的位置和角度是否正确。
如果有任何不准确之处,则必须进行调整,直到模板的位置和角度完全准确。
步骤五:安装和固定模板
在检查了模板的位置和角度后,可以开始安装和固定模板。
模板应该在支撑结构上正确地安装和紧固,以确保其不会移动或变形。
使用跳线钳固定所有固定件并检查所有连续的固定件是否平行和垂直。
步骤六:注浆
在模板安装好之后,可以进行钢筋布置和模板中预留出孔洞和缺陷部位进行注浆。
注浆的材料应该符合相关标准,并且在施工过程中需要严格控制各个步骤的质量,以确保混凝土的质量和安全性。
步骤七:拆除模板
在混凝土完全凝固之后,模板工可以开始拆除模板。
为了避免模板松动和对混凝土表面产生伤害,必须按照安全规定和正确的步骤进行拆除。
结论
混凝土模板施工是一项非常复杂和重要的建筑工程环节,必须按照标准流程进行操作。
在施工过程中,必须使用高质量的工具和材料,并严格遵守所有安全规定和标准。
通过按照标准流程进行模板施工,可以确保施工质量和安全性,最终得到高质量的混凝土结构。