钢筋混凝土简支梁桥设计任务书
- 格式:doc
- 大小:661.50 KB
- 文档页数:22
毕业设计(论文)任务书系部:专业:学生姓名:学号:设计(论文)题目:起迄日期:设计(论文) 地点:指导教师:教研室负责人:发任务书日期: 年月毕业设计(论文)任务书毕业设计(论文)任务书毕业设计(论文)任务书摘要石鼓区千固桥设计第I部分钢筋混凝土简支T型梁桥的计算一、设计资料1.桥面净空净—7m+2×1m人行道。
2.主梁的跨境和全长l=20.0m(墩中心距离)标准跨径:b计算跨径:l=19.50m(支座中心线距离)=19.96m(主梁预制长度)主梁全长:l全3.设计荷载公路—II级,人群荷载32Nk/m4.材料钢筋:主筋用HRB335钢筋,其他用R235钢筋;混凝土:C30。
5.计算方法极限状态法。
6.结构尺寸如图1-1所示全断面五片主梁,设五根横梁。
二.主梁的计算(一):活荷载内力计算活载内力计算1. 求荷载位于支点时1#,2#,3#梁横向分布系数 (杠杆法) ① 绘制1#,2#,3#梁的横向分布影响线。
② 确定荷载沿横向的最不利位置。
求出相应于荷载位置的影响线竖标值。
计算1号,2号,3号梁的荷载横向分布系数为:一号梁0or r ηη==汽车荷载10.4382oq q m η=∑=人群荷载 1.5or r m η==二号梁汽车荷载oq 1110.522q ηη=∑=⨯=人群荷载or 0r m η== 三号梁 汽车荷载11(0.9380.25)0.59422oq q ηη==⨯+=∑人群荷载0or r ηη== 2.3号梁人群荷载取m 0.2cr '=是考虑人行道上不布载时为最不利情况,否则人行道荷载引起的负反力在考虑作用效应组合的方面会减小2号梁的受力。
2.荷载位于跨中处此桥在跨度内设有横隔梁具有强大的横向连接刚性,且承重结构的款跨比为19.52.425 1.6L B ==≥⨯ 故可按修正偏心压力法来绘制横向影响线,并c m 本桥各根主梁的横截面均相等梁数n=5间距为1.6m则 52222222222123451(2 1.6) 1.60(-1.6(-2 1.6)=25.6i i a a a a a a ==++++=⨯++++⨯∑)主梁的抗弯惯性矩x I求主梁的重心位置 平均翼板厚 1h 11(1014)122h cm=+=12130(16018)12130182240.1(16018)1213018x a cm -⨯⨯+⨯⨯==-⨯+⨯3222-2411211421114211.1-+18130+18130-.1=6.57810m 1222x I =⨯⨯+⨯⨯⨯⨯⨯⨯⨯(40)(6540)()计算修正系数β 取0.4c c G E =22-3i -22i i11==0.950.4 1.95 2.986101112 6.5781025.612a c T c G l I E I β=⨯⨯⨯⨯∑++⨯⨯⨯∑一号梁121l 22a 1=+0.20.90.40.56n n i i a ηβ='=+⨯=∑ 521l 22a 1=0.20.90.40.16nn i i a ηβ='-=-⨯=-∑4 1.60.560.16x x ''⨯-=4.98x '= 汽车荷载1112341110.56()(4.78 2.98 1.680.12)0.524222 4.98cq q q q q q m x x x x x ηη''''''=∑=+++=⨯⨯++-='人群荷载 0.56m (4.980.30.5)0.654.98cr r η'==⨯++= =0.7060.306=0.4η-人行道板二号梁212l 22a 1=0.20.90.20.38nnii a aηβ=⨯'+=+⨯=∑ 512l 22a 1=0.20.90.20.02nn i i a a ηβ=⨯'-=-⨯=∑4 1.60.020.38x x ''''⨯+=0.36x ''= 6.40.36 6.76x =+= 汽车荷载1112341110.38()(6.56 4.76 3.46 1.66)0.462222 6.76cq q q q q q m x x x x x ηη''''''=∑=+++=⨯⨯+++='人群荷载0.38m (6.760.31)0.4536.76cr r η'==⨯++= =0.373η人行道板三号梁312l 22a 1=0.2nnii a aηβ=⨯'+=∑ 512l 22a 1=0.2nn i i a a ηβ=⨯'-=∑汽车荷载m 0.4cq '= 人群荷载 m 0.2cr '= =0.22=0.4η⨯人行道板(二)主梁作用效应计算 1.永久作用计算 (1)永久荷载家丁桥面构造各部分重力平均分配给主梁承担,计算见表1-2一侧人行道部分每2.5m 长时重14.13 kN/m ,1m 长时重14.13/2.5=5.625 kN/m 。
第一部分课程设计任务书设计资料1、结构型式及基本尺寸采用分片形式T形截面。
2、桥上线路与人行道桥上线路为平坡、直线、单线铁路,道碴桥面;设双侧带栏杆的人行道。
3、材料混凝土:250号钢筋:T20MnSi及A3。
板内:受力钢筋φ10;分布钢筋φ8。
梁内:纵向受力钢筋φ20;箍筋及纵向水平钢筋φ8;架立筋φ14。
4、荷载活载:列车活载:中—活载;人行道活载:距梁中心2.45米以内10kPa;距梁中心2.45米以外4kPa;恒载:人行道板重1.75kPa;栏杆及托架重(集中作用于栏杆中心)0.76kN/m(顺桥);道碴及线路设备重10kPa;道碴槽板及梁体自重,按容重25 kN/m3计算。
板自重可近似按平均厚度计算。
5、规范《铁路桥涵设计规范》TB2005《铁路桥涵钢筋混凝土和预应力混凝土结构设计规范》TB10002.3--2005梁体横截面图(单位:cm)二.设计计算内容第一部分 道碴薄板的设计和计算一.荷载计算与组合1.恒载(1)板的自重1q (按平均厚度f h ) )(5.85063)1512(2/121cm A =⨯+⨯= )(5.60745)1512(2/122cm A =⨯+⨯= )(5.52627)1524(2/123cm A =⨯+⨯= )(5.4816)5.2473195(2/124cm A =⨯---⨯= )(7010726cm A =⨯=(按矩形估算))(5.3062705.4815.52625.6075.8502264321cm A A A A A A =++⨯++=++++=板平均高度 )(904.18452727635.3062cm L A h f =+++==)/(726.4100/25904.1811m KN r h q c f =⨯=⋅⋅= (2)道碴及线路设备重:)/(101102m KN q =⨯= (3)外挡碴墙重1Q251113024.5816 2.51612.26 2.5 6.1 1.8586.05()222A cm =⨯-⨯⨯-⨯-⨯⨯-⨯+⨯=()4125586.0510 1.465()c Q A kN γ-==⨯⨯=51Q 作用点:140300701/216080(14036/3)44140(14022)1/23618(18436/3)61122/2(18461/3)A x •=⨯⨯+⨯⨯⨯++⨯⨯++⨯⨯⨯++⨯⨯+599.5x mm ⇒= 取为99mm 。
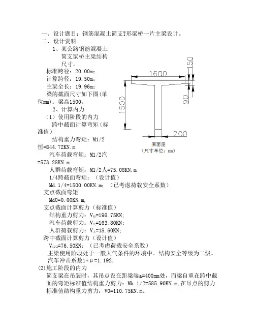
一、设计题目:钢筋混凝土简支T形梁桥一片主梁设计。
二、设计资料1、某公路钢筋混凝土简支梁桥主梁结构尺寸。
标准跨径:20.00m;计算跨径:19.50m;主梁全长:19.96m;梁的截面尺寸如下图(单位mm):梁高1500。
2、计算内力(1)使用阶段的内力跨中截面计算弯矩(标准值)结构重力弯矩:M1/2恒=844.72KN.m汽车荷载弯矩:M1/2汽=573.28KN.m人群荷载弯矩:M1/2人=75.08KN.m1/4跨截面弯矩:(设计值)Md.1/4=1500.00KN.m;(已考虑荷载安全系数)支点截面弯矩Md0=0.00KN.m,支点截面计算剪力(标准值)结构重力剪力:V恒=196.75KN;汽车荷载剪力:V汽=163.80KN;人群荷载剪力:V人=18.60KN;跨中截面计算剪力(设计值)V j1/2=76.50KN;(已考虑荷载安全系数)主梁使用阶段处于一般大气条件的环境中。
结构安全等级为二级。
汽车冲击系数1+μ=1.192.(2)施工阶段的内力简支梁在吊装时,其吊点设在距梁端a=400mm处,而梁自重在跨中截面的弯矩标准值结构重力剪力:Mk.1/2=585.90KN.m,在吊点的剪力标准值结构重力剪力:V0=110.75KN.m。
3、材料主筋用HRB335级钢筋fsd=280N/m㎡;fsk=335N/m㎡;ES=2.0×10N/m㎡.箍筋用R235等级钢筋fsd=195N/m㎡;fsk=235N/m㎡;ES=2.1×10N/m㎡.采用焊接平面钢筋骨架混凝土为C30fcd=13.8N/m㎡;fck=20.1N/m㎡; ftd=1.39N/m㎡;ftk=2.01N/m㎡;Ec=3.00×10N/m㎡.三、设计要求1、进行T形梁正截面设计计算;2、进行T形梁斜截面设计计算;3、进行T形梁的变形及裂缝宽度验算;4、计算书要程序分明,文字流畅,书写工整,引出资料来源;5、图面整洁、紧凑,符合工程制图要求。
钢筋混凝⼟简⽀梁桥设计任务书钢筋混凝⼟简⽀梁桥设计任务书⼀、课程设计题⽬1、钢筋混凝⼟简⽀梁桥上部结构设计(标准跨径为22⽶。
计算跨径为21.5⽶,预制梁长为21.96,桥⾯净空:净——9+2×0.75⽶)(1—5号)2、钢筋混凝⼟简⽀梁桥上部结构设计(标准跨径为22⽶。
计算跨径为21.5⽶,预制梁长为21.96,桥⾯净空:净——8.5+2×1.00⽶)(6—11号)3、钢筋混凝⼟简⽀梁桥上部结构设计(标准跨径为22⽶。
计算跨径为21.5⽶,预制梁长为21.96,桥⾯净空:净——8+2×1.50⽶)(12—16号)4、钢筋混凝⼟简⽀梁桥上部结构设计(标准跨径为20⽶。
计算跨径为19.5⽶,预制梁长为19.96,桥⾯净空:净——9+2×0.75⽶)(17—22号)5、钢筋混凝⼟简⽀梁桥上部结构设计(标准跨径为20⽶。
计算跨径为19.5⽶,预制梁长为19.96,桥⾯净空:净——8.5+2×1.00⽶)(23—27号)6、钢筋混凝⼟简⽀梁桥上部结构设计(标准跨径为20⽶。
计算跨径为19.5⽶,预制梁长为19.96,桥⾯净空:净——8+2×1.50⽶)(28—31号)7、钢筋混凝⼟简⽀梁桥上部结构设计(标准跨径为19⽶。
计算跨径为18.5⽶,预制梁长为18.96,桥⾯净空:净——9+2×0.75⽶)(32—35号)8、钢筋混凝⼟简⽀梁桥上部结构设计(标准跨径为19⽶。
计算跨径为18.5⽶,预制梁长为18.96,桥⾯净空:净——8.5+2×1.00⽶)(36—39号)9、钢筋混凝⼟简⽀梁桥上部结构设计(标准跨径为19⽶。
计算跨径为18.5⽶,预制梁长为18.96,桥⾯净空:净——8+2×1.50⽶)(40—43号)⼆、设计基本资料1、设计荷载:公路—Ⅱ级。
⼈群3.0KN/m2,每侧栏杆及⼈⾏道的重量按4.5 KN/m计。
桥梁工程课程设计装配式钢筋混凝土简支T 形梁桥设计(上部结构)目 录第一章 设计任务书 ........................................................................................................ 31.1 基本设计资料 (3)1.1.1 跨度和桥面宽度 ........................................................................................................................ 3 1.1.2 技术标准 .................................................................................................................................... 3 1.1.3 主要材料 .................................................................................................................................... 3 1.1.4 构造形式及截面尺寸 ................................................................................................................ 3 第二章 主梁的荷载横向分布系数计算 ........................................................................ 42.1 跨中荷载横向分布系数的计算 ......................................................................... 42.1.1 计算主梁的抗弯及抗扭惯性矩I 和I T ................................................... 42.1.2 按刚性横梁法计算横向影响线坐标值 .................................................. 52.1.3 按刚性横梁法计算横向影响线坐标值及横向分布系数 ...................... 52.2 梁端剪力横向分布系数计算(杠杆原理法) ................................................. 7第三章 主梁的内力计算 . (8)3.1 永久作用效应 ....................................................................................................................................... 8 3.2 可变作用效应 . (10)3.2.1 汽车荷载冲击系数计算 ...................................................................... 103.2.2 公路—II 级均布荷载k q 、集中荷载k P 及其影响线面积计算 ........ 103.2.3 可变作用弯矩效应计算(表1-8~1-10) .......................................... 113.2.4 可变作用的剪力效应计算 .................................................................... 12第四章 主梁截面设计、配筋及验算 .......................................................................... 154.1 配置主梁受力钢筋 ............................................................................................................................. 15 4.2 持久状况截面承载能力极限状态计算 ........................................................... 164.3 斜截面抗剪承载力计算 (17)4.3.1 斜截面配筋的计算图式 ........................................................................ 174.3.2 各排弯起钢筋的计算 ............................................................................ 184.3.3 主筋弯起后持久状况承载能力极限状态正截面承载力验算 ............ 194.4 箍筋设计 ............................................................................................................................................. 20 4.5 斜截面抗剪承载力计算 ..................................................................................................................... 21 4.6持久状况斜截面抗弯极限承载能力验算 ........................................................ 22第五章 主梁的裂缝宽度验算 (22)第六章主梁的挠度验算 (23)第七章设计总结 (26)第一章设计任务书1.1 基本设计资料1.1.1 跨度和桥面宽度1)标准跨径:22.30m(墩中心距离)2)计算跨径:21.80m(支座中心距离)3)主梁全长:22.26m(主梁预制长度)4)桥面净空:净7m(行车道)+2×1m人行道1.1.2 技术标准1)设计荷载标准:公路-Ⅱ级,人行道和栏杆自重线密度按单侧6kN/m计算,人群荷载3kN/m22)环境标准:Ⅰ类环境3)设计安全等级:二级1.1.3 主要材料混凝土:混凝土简支T梁及横梁采用C40混凝土;桥面铺装上层采用0.03m沥青混凝土,下层为0.06~0.13m的C30混凝土,沥青混凝土重度按23kN/m3,混凝土重度按25kN/m3计。
《桥梁工程》课程设计任务书设计题目:装配式钢筋混凝土简支T形梁桥设计一、设计资料1.标准跨径:确定主桥采用标准跨径为20.00m的装配式钢筋混凝土简支梁。
本实例即为主桥的上部结构计算。
桥梁设计安全等级为二级。
2.主梁全长:根据当地的温度统计资料,并参照以往设汁经验,确定伸缩缝采用4cm,则预制梁体长19.96m。
3.计算跨径:根据梁式桥计算跨径的取值方法,计算跨径取相邻支座中心间距为19.50m。
4.桥面宽度:净一7m (行车道)+2×0.75m(人行道),桥面横坡取2%5.设计荷载:根据该桥所在道路的等级确定荷载等级为,公路-I级(或公路-II级),(按学号分2组:单号选公路I级,双号选公路II级)人群荷载:3 KN/m26.材料初步选定:钢筋,其技术指标见表1;混凝土,其技术指标见表2,T形主梁采用C30、桥面铺装(防水)、栏杆、人行道为C25。
表1钢筋技术指标钢筋种类抗拉强度标准值f sk(Mpa)抗拉强度设计值f sd(Mpa)抗压强度设计值f sd’(Mpa)弹性模量E s(Mpa)R235d=8~20mm235 195 195 2.1×105 HRB335d=6~50mm335 280 280 2.0×105表2混凝土技术指标种类强度标准值强度设计值弹性模量E c(Mpa)轴心抗压f ck(Mpa)轴心抗拉f tk(Mpa)轴心抗压f cd(Mpa)轴心抗拉f td(Mpa)C25 16.7 1.78 11.5 1.23 2.80×104 C30 20.1 2.01 13.8 1.39 3.00×104C40 26.8 2.4018.4 1.653.25×1047.设计依据:(1)《公路桥涵通用设计规范》(JTGD60-2004),简称《桥规》(2)《公路钢筋混凝土及预应力混凝土桥涵设计规范》(JTGD62-2004),简称《公预规》。
钢筋混凝土简支T梁桥设计计算课程设计任务书题目:钢筋混凝土简支T梁桥设计计算1.课程设计教学条件要求桥梁结构课程设计是土木工程专业桥梁工程实践环节课,通过设计进一步巩固桥梁结构基本原理和基本知识,以及桥梁构造,培养设计动手能力,初步学会运用桥梁设计规范,桥梁标准图,估算工程材料数量,完成桥梁总体布置图的技能。
并为毕业设计以及今后专业工作中奠定必要基础。
本课程设计要求学生在一周的时间内通过指导教师的指导,完成《任务书》中的全部内容,学生通过本课程的设计练习,使学生掌握钢筋混凝土简支T梁设计计算的步骤和方法,学会对T梁进行结构自重内力计算、汽车荷载和人群荷载内力计算、内力组合;在汽车和人群荷载内力计算时,学会用杆杠原理法、偏心受压法和G-M法求解荷载横向分布系数。
2.课程设计任务2.1 设计资料1 桥面净宽:净-7或8或9+2×1.0或0.75或0.5m人行道(各人按表中数据查询)2 主梁跨径及全长标准跨径:l=10或13或16或20.00m(墩中心距离)(各人按表中数据查询)b计算跨径:l =9.50或12.50或15.50或19.50m(支座中心距离)(对应上面之数值)主梁全长:l=9.96或12.96或15.96或19.96m(主梁预制长度)(对应上面之数值)全3 设计荷载汽车I级;人群荷载3.0kN/m2或4.0kN/m2或5.0kN/m2(各人按表中数据查询)汽车Ⅱ级;人群荷载3.0kN/m2或4.0kN/m2或5.0kN/m2(各人按表中数据查询)4 材料x钢筋:主筋用Ⅱ级钢筋,其他用Ⅰ级钢筋。
混凝土:20号或25号或30号(自选)5 桥面铺装:沥青表面处厚2cm(重力密度为23Kn/m3),C25混凝土垫层厚6~12cm(重力密度为24Kn/m3),C30T梁的重力密度为25Kn/m3。
6 T梁简图如下:横剖面纵剖面主梁截面尺寸可参考已有设计数据自己拟定(根据桥面净宽选取翼缘宽、主梁高、梁肋宽等)2.2、计算内容1 行车道板的内力计算和组合;2 计算主梁的荷载横向分布系数用杠杆原理法求支点截面的横向分布系数,用偏心压力法求跨中截面的横向分布系数。
课程设计课程名称:《混凝土结构设计原理》设计题目:钢筋混凝土T形截面简支梁设计姓名龙国富学号20137433班级道路桥梁与渡河工程3班指导老师严传坤西南交通大学2015年6月目录1.设计资料 (3)2.设计任务 (3)3.设计内容 (5)3.1拟定截面尺寸 (5)3.2内力计算 (6)3.3正截面承载力计算 (7)3.4翼缘板承载力计算 (9)3.5腹筋设计 (9)3.6斜截面抗剪承载力复核 (11)3.7正截面抗弯承载力复核 (12)3.8斜截面抗弯承载力复核 (12)3.9验算裂缝宽度和挠度 (13)参考文献: (14)钢筋混凝土简支梁设计任务书题目:13m 钢筋混凝土简支梁设计1.设计资料某钢筋混凝土简支梁,构件处于正常坏境(环境类别为一类),安全等级为二级,试设计该梁并绘制其配筋详图。
每位同学的跨度取值为:根据学号尾数在11m~20m 之间选取。
(如:学号尾数为7的同学,其选用跨度为17m )其他条件及要求:1材料:采用C30混凝土,纵筋采用HRB400钢筋;箍筋采用HPB300钢筋。
2荷载:面活载标准值235/k q kN m ,恒载仅考虑自重,其标准值按照325/kN m 的容重进行计算。
3截面尺寸:取翼缘宽度/1000fb mm ,其他尺寸根据荷载大小自行拟定。
2.设计任务1.拟定梁的截面尺寸。
2.进行内力(M、V)计算,作内力图。
(按可变荷载控制进行荷载组合)3.正截面承载力计算,选配纵向受力钢筋并复核。
设计翼缘板上边缘的横向钢筋以保证悬臂板的横向抗弯承载力。
4.腹筋设计,要求必须设置不少于两批弯起钢筋。
5.斜截面抗剪、正截面抗弯和斜截面抗弯承载力的复核,必要时对腹筋进行修改或调整。
6.作配筋图,要求能完整准确地表达配筋情况。
7.验算该梁的裂缝宽度和挠度。
3.设计内容查表:c=20mm=1.0=1.43N/=14.3N/=360N/=360N/=270N/=1.0=0.5183.1拟定截面尺寸伸缩缝宽:==1.2基本锚固长度:(先假设钢筋直径为25mm)计算跨度:净跨:初步拟定截面尺寸为:,为布筋需要,将布筋区进行马蹄形加宽如图:b=200mm3.2内力计算活载:=35kN/m恒载:==8.25kN/m活载设计值:q=恒载设计值:g=弯矩设计值计算:梁上无偶然荷载,只需考虑荷载的基本组合。
钢筋混凝土简支T 梁课程设计任务书一、设计目的通过本课程设计,切实掌握钢筋混凝土结构设计原理的主要理论知识,培养设计动手能力。
初步学会运用桥涵设计规范进行结构设计,估算工程材料数量,以及进一步掌握工程制图能力,为桥梁设计奠定基础。
二、设计资料1、公路钢筋混凝土桥的主梁全长L=15.96m 、19.96m 、21.96m 、23.96m ,计算跨径l =15.5m 、19.5m 、21.5m 、23.5m ,主梁间距1.6m 、2.0m 、2.2m 、2.4m ,横隔梁间距为3.85m 、4.85m 、5.35m 、5.85m ,主梁为装配式T 梁,采用焊接钢筋骨架设计,主梁示意图如图1所示:图1 主梁示意图(L=19.96m )2、设计荷载设计安全等级:二级;Ⅰ类环境条件。
铺装层沥青混凝土容重3/23m KN r ,铺装层:混凝土厚8cm ,沥青混凝土厚5cm 。
主梁自重按钢筋混凝土容重3/25m KN r =计算,均布活载见下表:单位:)(/已计入冲击系数m KN计算行车道板时,翼缘板边端需另加一个集中力,对公路—Ⅱ级P=13.0KN (在单位板上),对公路—Ⅰ级,P=14.0KN 。
3、材料主钢筋:HRB335钢筋,构造钢筋:R235钢筋,混凝土:C30。
4、设计规范:《公路桥涵设计通用规范》(JTG D60-2004)《钢筋混凝土及预应力混凝土桥涵设计规范》(JTG D62-2004)三、设计要求与内容要求编制计算说明书一份;用2号图纸绘制T 梁结构配筋图T 梁纵、横截面图各一张,并要求算出工程材料(钢筋、混凝土)用量。
设计计算内容:1、拟定主梁、横隔梁截面尺寸。
2、计算荷载效应。
3、桥面板配筋设计计算。
4、主梁配筋设计计算。
5、主梁裂缝宽度验算。
6、主梁挠度验算。
第一部分 主梁尺寸拟定与荷载效应计算(一)拟定主梁、横隔梁尺寸主梁翼缘宽度f b ' 按主梁间距减去2cm 拼装缝。
主梁高度h ,主梁腹板厚度b ,翼缘板厚度 f b '按教材进行初步估算。
目录桥梁工程课程式设计任务书 (1)第1章设计资料与结构布置 (3)1。
1 设计资料 (3)1.2 结构布置 (3)1.3 设计概述 (6)第2章主梁内力计算 (7)2.1 恒载内力计算 (7)2。
2 汽车、人群荷载产生内力计算 (9)2.3 主梁内力组合 (9)第3章主梁配筋设计 (21)3.1 跨中正截面强度计算 (21)3。
2 斜截面承载力剪力筋设计 (23)3。
3 全梁承载力校核 (26)3。
4 裂缝验算 (29)3.5变形验算 (29)桥梁工程课程设计任务书一、课程设计题目钢筋混凝土简支T梁桥主梁设计二、课程设计目的桥梁工程课程设计是桥梁设计的入门,通过设计进一步巩固钢筋混凝土基本原理的主要理论知识,是学生掌握桥梁的设计原理和各种体系桥梁的受力特点,同时重点掌握结构计算基本理论.结合课程设计与习题加深对桥梁工程课堂理论教学内容的理解。
培养学生的动手能力。
三、基本要求1掌握钢筋混凝土桥梁结构的设计原理、步骤,结构构造和设计计算方法。
2熟悉并掌握桥梁工程现行规范运用。
3通过本课程的学习,具有设计一般桥梁结构的能力。
四、基本资料标准跨径、桥面净宽、荷载等级、主梁及横隔梁数目(按照自己的数据填写)五、基本内容1、提供钢筋混凝土简支T形梁桥设计计算书一份,基本内容如下:(1)拟定桥面铺装、主梁截面尺寸及各部分尺寸(2)主梁内力计算(3)配筋设计与各种验算2、完成下列图纸绘制(1)桥梁一般布置图(2)主梁一般构造图(3)主梁钢筋布置图六、课程设计依据1《铁路桥涵设计通用规范》(JTG D60-2004)2《铁路钢筋混凝土及预应力混凝土桥涵设计规范》(JTG D62-2004)3《铁路砖石及混凝土桥涵设计规范》4《铁路桥梁荷载横向分布计算》七、要求1.熟读规范、标准,理论联系实际;2.手工与计算机绘图相结合,至少一张手工图,均采用3号图纸;说明书用A4纸,打印.3.独立完成设计。
桥梁工程课程设计文件撰写要求一、顺序要求(按照模板)封面目录任务书正文二、字体及字号要求正文用五号宋体;行距为1.2倍第1章设计资料与结构布置1.1设计资料1。
课程设计任务书系(院) 建 筑 工 程 系 课程名称 桥 梁 工 程 课题名称 简支梁桥上部结构设计 专业班级指导教师下达日期 年 月 日 建 筑 工 程 系钢筋混凝土简支空心板桥主梁设计任务书一、设计题目钢筋混凝土简支空心板桥主梁设计二、设计内容1、总体布置根据所提供的资料,进行桥梁的总体布置:确定跨径(标准跨径)、孔数、总长、标高等。
2、简支空心板桥主梁设计计算根据所提供的资料以及总体布置的情况,参考相应设计资料,依据现行的相关规范、标准,完成如下内容:(1)根据所给的各种标准跨径空心板边主梁和中主梁的横截面尺寸确定全桥横断面的布置。
(2)分别计算绘制各片主梁的横向分布影响线,并计算各片主梁的横向分布系数。
(3)计算各片主梁的内力,包括恒载内力、活载内力以及效应组合。
(4)编写设计计算说明书。
3、绘制设计图根据计算的结果绘制桥梁结构的总体布置图一张、主梁的一般构造图各一张。
三、设计资料1、跨径:见表12、桥宽:行车道净宽7.0m,人行道宽度见表 13、设计作用:每个学生的设计荷载从表1选择,各个荷载等级不同。
4、主要材料:混凝土空心板主梁采用C30,桥面铺装采用C25。
钢筋直径≥12mm时用HRB335钢筋,直径≤12mm时用R235钢筋。
铺装层水泥混凝土铺装厚度7cm,沥青表处厚2cm。
表1四、主要参考资料1、教材:《桥梁工程》、《结构设计原理》2、《公路桥涵设计通用规范》JTG D60-20043、《公路钢筋混凝土及预应力混凝土桥涵设计规范》JTG D62-20044、《公路桥涵设计手册》(梁桥)五、提交成果1、计算说明书一份,要求提交打印稿。
格式要求按建筑工程系课程设计规程办法的规定提交。
2、绘制A3图纸2张,要求AUTOCAD图;绘制要求参见例图。
附表:各标准跨径的简支板主梁边板中板横截面尺寸。
1、边板横截面尺寸:2、中板横截面尺寸:注:图中尺寸以厘米计。
2009-2010学年第一学期结构设计原理课程设计任务书题目:装配式钢筋混凝土简支T梁设计一.设计资料1.桥面净宽:净7m(行车道)+2×0.75 m(人行道);2.标准跨径L b=20m;计算跨径L=19.5m;主梁预制长度:19.96m 3.设计荷载:公路-II级,人群荷载3KN/m2;4.材料规格混凝土:1班:主梁采用40号混凝土2班:主梁采用45号混凝土抗压强度标准值抗拉强度标准值抗压强度设计值抗拉强度设计值弹性模量钢筋:1班:主筋采用HRB400钢筋,焊接钢筋骨架2班:主筋采用HRB335钢筋,焊接钢筋骨架抗拉强度标准值抗拉强度设计值相对界限受压区高度弹性模量箍筋及构造钢筋采用R235钢筋f=235Mpa抗拉强度标准值skf=195Mpa抗拉强度设计值sd5.假设T梁安全等级为一级,结构重要性系数 1.1g=,环境条件为I类。
o6.标准作用荷载如表1所示作用荷载标准值计算数据见下表1班:恒载支点剪力1-5号198.6 6-10号199.0 11-15号198.4 16-20号198.2 21-25号198.0 26-30号197.8 31-35号197.6 36-40号197.441-45号197.22班:恒载跨中弯矩1-5号752.7 6-10号752.5 11-15号752.3 16-20号752.1 21-25号752.0 26-30号753.1 31-35号751.8 36-40号751.641-45号751.47.施工时,假设混凝土强度达到设计强度的90%时,进行起吊。
8.设计依据(1)《公路桥涵设计通用规范》JTGD60-2015(2)《公路钢筋混凝土及预应力混凝土桥涵设计规范》JTGD62-20129.T形梁桥的上部结构尺寸二.设计内容(一)结构尺寸拟定(二)主梁正截面设计1.纵向主筋设计2.正截面强度复核(三)主梁斜截面设计1.抗剪上、下限复核2.箍筋设计3.弯起钢筋设计(四)全梁承载能力校核1.全梁正截面强度复核(1)绘制弯矩组合设计包络图(2)绘制结构抗力图2.全梁斜截面抗剪强度复核3.全梁斜截面抗弯强度复核(五)持久状况正常使用裂缝宽度验算(六)持久状况正常使用变形验算(七)短暂状况(施工安装)应力验算(八)绘制钢筋混凝土简支梁配筋施工图(编制钢筋和混凝土材料用量明细表)主梁钢筋骨架构造图三.设计要求1.设计方法:用极限状态法设计2.成果:⑴设计说明书,手写,打印各一份(A4打印,正文:小4号,宋体,标题:4号黑体)⑵用AutoCAD绘制3号图,钢筋骨架构造图。
钢筋混凝土简支梁桥设计任务书一、课程设计题目1、钢筋混凝土简支梁桥上部结构设计(标准跨径为22米。
计算跨径为21.5米,预制梁长为21.96,桥面净空:净——9+2×0.75米)(1—5号)2、钢筋混凝土简支梁桥上部结构设计(标准跨径为22米。
计算跨径为21.5米,预制梁长为21.96,桥面净空:净——8.5+2×1.00米)(6—11号)3、钢筋混凝土简支梁桥上部结构设计(标准跨径为22米。
计算跨径为21.5米,预制梁长为21.96,桥面净空:净——8+2×1.50米)(12—16号)4、钢筋混凝土简支梁桥上部结构设计(标准跨径为20米。
计算跨径为19.5米,预制梁长为19.96,桥面净空:净——9+2×0.75米)(17—22号)5、钢筋混凝土简支梁桥上部结构设计(标准跨径为20米。
计算跨径为19.5米,预制梁长为19.96,桥面净空:净——8.5+2×1.00米)(23—27号)6、钢筋混凝土简支梁桥上部结构设计(标准跨径为20米。
计算跨径为19.5米,预制梁长为19.96,桥面净空:净——8+2×1.50米)(28—31号)7、钢筋混凝土简支梁桥上部结构设计(标准跨径为19米。
计算跨径为18.5米,预制梁长为18.96,桥面净空:净——9+2×0.75米)(32—35号)8、钢筋混凝土简支梁桥上部结构设计(标准跨径为19米。
计算跨径为18.5米,预制梁长为18.96,桥面净空:净——8.5+2×1.00米)(36—39号)9、钢筋混凝土简支梁桥上部结构设计(标准跨径为19米。
计算跨径为18.5米,预制梁长为18.96,桥面净空:净——8+2×1.50米)(40—43号)二、设计基本资料1、设计荷载:公路—Ⅱ级。
人群3.0KN/m2,每侧栏杆及人行道的重量按4.5 KN/m计。
2、河床地面线为(从左到右):0/0,-3/5,-4/12,-3/17,-2/22,-2/27,0/35(分子为高程,分母为离第一点的距离,单位为米):地址假定为微风化花岗岩。
3、材料容重:水泥混凝土23 KN/m3,钢筋混凝土25 KN/m3,沥青混凝土21 KN/m3。
4、桥梁纵坡为0.3%,桥梁中心处桥面设计高程2.00米。
三、设计容1、主梁的设计计算2、行车道板的设计计算3、桥面铺装设计4、桥台设计四、要求完成的设计图及计算书1、桥梁总体布置图,主梁纵、横截面布置图(CAD出图)2、荷载横向分布系数计算书(杠杆原理法、偏心压力法)3、主梁力计算书4、行车道板力计算书5、所有计算书(A4)和图纸(A3)均须用计算机打印;计算书和图纸要装订成册,应独立完成课程设计,每人交1份,每份应有封面和目录。
五、参考文献(1)、《结构设计原理》教材(2)、《桥梁工程》教材(3)、公路桥梁设计手册《梁桥》(上、下册)人民交通(4)、桥梁计算示例丛书《混凝土简支梁(板)桥》(第二版)易建国主编人民交通(5)、交通部颁布标准JTG B01-2003 《公路工程技术标准》(6)、交通部颁布标准JTG D60-2004 《公路桥涵设计通用规》(7)、交通部颁布标准JTG D62-2004 《公路钢筋混凝土及预应力混凝土桥涵设计规》(8)、交通部颁布标准JTG D61-2005 《公路圬工桥涵设计规》人民交通六、课程设计学时1周(17周)2、桥梁设计说明桥梁设计包括纵、横断面设计和平面布置。
1、纵断面设计桥梁纵断面设计包括确定桥梁的总跨径、桥梁的分孔、桥道的标高、桥上和桥头引道的纵坡以及基础的埋置深度。
(1)本梁桥根据水文计算来确定。
标准跨径为19.00m(墩中心距离)。
本桥的跨径较小,因此上部结构的造价较低,墩台的造价较高。
为了结构受力合理和用材经济,分跨布置时要考虑合理的跨径比例。
(2)本梁桥为跨河桥梁,桥道的标高应保证桥下排洪和通航的需要,结合桥型.跨径等一起考虑,以确定合理的桥道标高。
(3)桥上纵坡不大于4%,桥头引道纵坡不宜大于5%。
2、横断面设计桥梁横断面的设计,主要是决定桥面的宽度和桥跨结构横截面的布置。
桥面的宽度决定于行车和行人的交通需要。
(1)本梁桥桥面行车道净宽为:净-8.52 1.00+⨯m人行道(2)为了利于桥面排水,应根据不同类型的桥面铺装,设置从桥面中央倾向两侧的1.5%-3.0%的横向坡度,本桥设置为1.88%。
3、平面布置(1)桥梁的线形及桥头引道要保持平顺,使车辆能平稳地通过,小桥的线形及其公路的衔接,应符合路线布设的规定。
(2)从桥梁本身的经济性和施工方便来说,应尽可能避免桥梁与河流或与桥下路线斜交。
必要时通常不宜大于45o,在通航河流上则不宜大于5o。
4、桥面铺装为了保护桥梁主体结构,在桥面的最上层设置桥面铺装。
本桥设置6cm厚沥青混凝土和10cm厚C25混凝土作垫层的桥面铺装。
5、桥面伸缩缝为了保证桥跨结构在气温变化、活栽作用、混凝土收缩与徐变等影响下按静力图式自由地变形,在本梁桥桥面两梁端之间以及在梁端与桥台背墙之间设置横向伸缩缝。
6、桥台的设计桥台设计各个尺寸及施工说明全在图纸003号。
并参照施工规施工。
3、计算书装配式钢筋混凝土简支T 形梁力设计3—1 设计基本资料 1. 桥面净空净—(8.52 1.00m +⨯)人行道。
2. 主梁跨径和全长标准跨径:19.00K L m =(墩中心距离); 计算跨径:18.5L m =(支座中心距离); 主梁全长:=18.96L m 全(主梁预制长度)。
3. 设计荷载公路II -级和人群荷载23.0KN m 。
4. 材料桥面铺装为6cm 沥青表面处治(重度为213KN m )和平均10cm 厚混凝土垫层(重力密度为243KN m ),C30钢筋混凝土T 梁翼板重度为253KN m 。
5、结构尺寸结构尺寸如图1所示。
6、已知力每侧栏杆及人行道质量的作用力为4.5KN m 。
横断面图1 T 梁的结构尺寸(尺寸单位:cm )3—2 行车道板计算考虑到主梁翼缘板在接缝处沿纵向全长设置连接钢筋,故行车道板可按两端固结和中间 铰接的板计算。
1. 结构自重及力(按纵向1m 宽的板条计算) 1) 每平方米板上的结构自重g沥青表面处治:()10.06 1.021 1.26g KN m =⨯⨯= C25混凝土垫层:()20.10 1.023 2.3g KN m =⨯⨯= T 梁翼板自重:()3(0.060.14)2 1.025 2.5g KN m =+⨯⨯= ()6.06i g g KN m ==∑2) 每米宽板条的恒载力()22011=-gl - 6.060.86=-2.2422M KN m ⨯⨯恒()0= 6.060.86 5.21Q gl KN =⨯=恒 2. 汽车车辆荷载产生的力将车辆荷载后轮作用于铰缝轴线上,如图2所示。
后轮轴重力标准值为P=140KN,轮压分布宽度如图3所示。
车辆荷载后轮着地长度为20.20a m =,宽度为20.60b m =,则:p/2(单轮)图 2 梁横截面图(尺寸单位:cm ) 图3 汽车车辆荷载的计算图示(尺寸单位:cm )()1220.2020.160.52a a H m =+=+⨯=()1220.6020.160.92b b H m =+=+⨯= 荷载对于悬臂根部的有效分布宽度1020.52 1.420.86 3.64a a d l m =++=++⨯=由于这是汽车荷载局部加载在T 梁的翼缘板上,故冲击系数1 1.3u += 作用于每米宽板条上的弯矩为:011+)(4)4M p l b a μ⨯⨯-总=-(1.32140(0.860.924) 3.64=-⨯⨯⨯-⨯ 15.75()KN m =-g作用于每米宽板条上的剪力为=1+)4Q p a μ⨯剪( 1.32140(4 3.64)=⨯⨯⨯ 25()KN =3. 力组合承载能力极限状态力组合计算 基本组合:=1.2+1.4M M M 活总恒1.2(2.24) 1.4(15.75)=⨯-+⨯- 24.74()KN m =-g =1.2 Q 1.4Q Q +活总恒 1.2 5.21 1.425=⨯+⨯ 41.25()KN =3—3 主梁计算假定桥面构造各部分重力平均分配给各根主梁承担,以此计算作用于主梁的每延米恒载强度,计算见表1和表2。
表1 结构自重集计算表表2 主梁自重产生的力1. 计算横向分布系数 1)主梁的荷载横向分布系数(1)荷载位于支点时,按杠杆原理法计算荷载横向分布分布系数。
如图4所示1号梁、2号梁、3号梁的横向分布影响线。
(b)1号梁(c)2号梁(d)3号梁图4 杠杆原理法计算横向分布系数(尺寸单位:cm )1号梁12121.850.050.974;0.02611.901 1.90ηηηη=⇒==⇒=120.9740.0260.522oq m ηη++===11901.5; 1.50019095r or r r m ηηη=⇒===+2号梁3121230.051.850.650.026;0.974;0.3421 1.91 1.91 1.9ηηηηηη=⇒==⇒==⇒=最大位置1230.0260.9740.3420.6712oq m y y y ++=++==2号梁人行道荷载 引起负反力,不考虑布载。
3号梁12121.250.750.658;0.3951 1.91 1.9ηηηη=⇒==⇒=0.6580.3950.5262oq m +==0or m =(2)荷载位于跨中时,按偏心压力法计算1号梁、2号梁、3号梁的荷载横向分布系数,如图5所示。
(b)1号梁(d)3号梁(c)2号梁公路----2级公路----2级图5 偏心压力法计算横向分布图示此桥设有刚度强大的横隔梁,且承重结构的跨度比为18.5025 1.9l B =≈⨯ 故可按偏心压力法来计算横向分布系数c m本桥各根主梁的横截面均相等,梁数n=5,梁间距为1.90m ,则5222222123451i i aa a a a a ==++++∑()()()22222 1.90 1.900 1.902 1.90=⨯+++-+-⨯ 14.44 3.61 3.6114.44=+++ ()236.10m =1号梁在两个边主梁处的横向影响线的紧标值为:()22111212 1.901114.440.20.60536.1036.1i i a n a η=⨯=+=+=+=∑ 1515211 3.8 3.80.20.200.400.236.10n i i a a n a η=⨯=+=-=-=-∑ 2号梁在两个边主梁处的横向影响线的竖标值为: ()1221212 1.90 1.90110.40536.10n i i a a n a η=⨯⨯=+=+=∑ ()1225212 1.90 1.90110536.10n i i a a n a η=⨯⨯=+=-=∑ 3号梁在两个边主梁处的横向影响线的竖标值为均为0.2绘出荷载横向分布影响线 ,并按最不利位置布载,其中人行道缘石1号梁轴线的距离∆为()1.45 1.000.45m -=荷载横向分布影响线的零点至1号梁位的距离为x 可按比例关系求得4 1.90.60.2x x ⨯-=()5.70x m ⇒= 并据此计算出对应各荷载的影响线紧标qi η和r η 1号梁的活载横向分布系数 汽车荷载()12341122i cq q q q q q m ηηηηη==+++∑ ()10.65.65 3.85 2.550.752 5.7=+++⨯0.67= 人群荷载 ()110.605.70.450.50.705.70cr r r m x xηη===⨯++=g2号梁的活载横向分布系数汽车荷载()12341122cq qiq q q q m ηηηηη==+++∑ ()10.47.55 5.75 4.45 2.6527.6=+++⨯0.537= 人群荷载()210.47.60.450.57.6cr r r m x xηη==⋅=⨯++ 0.45= 3号梁的活载横向分布系数 汽车荷载()12341122cq qi q q q q m ηηηηη=∑+++ ()10.20.20.20.22=+++0.4= 人群荷载0.20.20.4cr r m η==+= 2) 公路II -级均布荷载和集中荷载的计算 公路II -级均布荷载k q =()10.50.757.875KN m ⨯= 公路II -级 集中荷载: 计算弯矩效应时()()3601800.7518018.550.75238175.5505K P KN -⎡⎤=⨯+-=⨯=⎢⎥-⎣⎦计算剪力效应时()1.2175.5210.6K P KN =⨯= 人群荷载 ()3.0 1.0 3.0KN m ⨯=3)计算冲击系数μ 简支桥梁:()41.0610f G KN m ==⨯()43221.0610 1.081109.8c G m Ns m g ⨯===⨯ C30混凝土102310E N m =⨯()()18818101401014018022218818112140182x a -⨯⨯+⨯⨯=-⨯⨯+⨯ ()43.8cm =()2332110118818101701043.818140122121401814043.82c I ⎛⎫=⨯-⨯+⨯⨯-+⨯⨯ ⎪⎝⎭⎛⎫+⨯⨯- ⎪⎝⎭48419243()cm = ()40.08419243m =则23.14218.5f =⨯ 7.002=HZ f HZ 145.1≤≤0.1767ln 0.01570.1767ln 7.0020.0157f μ=-=- 0.328= 所以 1 1.328μ+=4)影响现面积计算影响线的面积计算见表3。