冷却器的设计的方案共17页文档
- 格式:ppt
- 大小:1.63 MB
- 文档页数:17
摘要设计了一种新型的液态金属冷却定向凝固设备,可以实现高温合金的熔炼、高速凝固(HRS)和液态金属冷却(LMC)定向凝固工艺。
并对设备的炉体结构、抽拉系统、加热系统,液态金属冷却系统。
关键词:液态金属冷却;定向凝同;温度梯度ABSTRACTThis paper presents a new type of directionaI solidification equipment,which can implement superalloy smelting.high rate solidification(HRS)and Liquid etaI cooling(LMC) directionaI solidification process.Moreover,the furnace structure。
withdrawing systems,mould heating systems,liquid metaI cooling system and baffle of this equipment.Key words:liquid metal cooling;directionaI solidification;temperature gradient第一章引言1.1 结晶器简介结晶器是用于结晶操作的设备。
结晶器的类型很多,按溶液获得过饱和状态的方法可分蒸发结晶器和冷却结晶器;按流动方式可分母液循环结晶器和晶浆(即母液和晶体的混合物)循环结晶器;按操作方式可分连续结晶器和间歇结晶器。
一种槽形容器,器壁设有夹套或器内装有蛇管,用以加热或冷却槽内溶液。
结晶槽可用作蒸发结晶器或冷却结晶器。
为提高晶体生产强度,可在槽内增设搅拌器。
结晶槽可用于连续操作或间歇操作。
间歇操作得到的晶体较大,但晶体易连成晶簇,夹带母液,影响产品纯度。
这种结晶器结构简单,生产强度较低,适用于小批量产品(如化学试剂和生化试剂等)的生产。
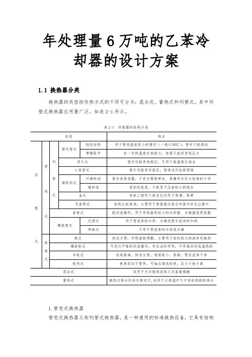
年处理量6万吨的乙苯冷却器的设计方案1.1 换热器分类换热器的类型按传热方式的不同可分为:混合式、蓄热式和间壁式。
其中间壁式换热器应用最广泛,如表2-1所示。
表2-1 传热器的结构分类1.管壳式换热器管壳式换热器又称列管式换热器,是一种通用的标准换热设备,它具有结构简单,坚固耐用,造价低廉,用材广泛,清洗方便,适应性强等优点,应用最为广泛。
管壳式换热器根据结构特点分为以下几种:(1)固定管板式换热器固定管板式换热器两端的管板与壳体连在一起,这类换热器结构简单,价格低廉,但管外清洗困难,宜处理两流体温差小于50℃且壳方流体较清洁及不易结垢的物料。
带有膨胀节的固定管板式换热器,其膨胀节的弹性变形可减小温差应力,这种补偿方法适用于两流体温差小于70℃且壳方流体压强不高于600Kpa的情况。
(2)浮头式换热器浮头式换热器的管板有一个不与外壳连接,该端被称为浮头,管束连同浮头可以自由伸缩,而与外壳的膨胀无关。
浮头式换热器的管束可以拉出,便于清洗和检修,适用于两流体温差较大的各种物料的换热,应用极为普遍,但结构复杂,造价高。
(3)填料涵式换热器填料涵式换热器管束一端可以自由膨胀,与浮头式换热器相比,结构简单,造价低,但壳程流体有外漏的可能性,因此壳程不能处理易燃,易爆的流体。
2.蛇管式换热器蛇管式换热器是管式换热器中结构最简单,操作最方便的一种换热设备,通常按照换热方式不同,将蛇管式换热器分为沉浸式和喷淋式两类。
3.套管式换热器套管式换热器是由两种不同直径的直管套在一起组成同心套管,其管用U型时管顺次连接,外管与外管互相连接而成,其优点是结构简单,能耐高压,传热面积可根据需要增减,适当地选择管、外径,可使流体的流速增大,两种流体呈逆流流动,有利于传热。
此换热器适用于高温,高压及小流量流体间的换热。
1.2 换热器材质的选择在进行换热器设计时,换热器各种零、部件的材料,应根据设备的操作压力、操作温度。
流体的腐蚀性能以及对材料的制造工艺性能等的要求来选取。
循环水冷却器设计[摘要]:传热过程是化工生产过程中存在的及其普遍的过程,实现这一过程的换热设备种类繁多,是不可缺少的工艺设备之一。
由于使用条件不同,换热设备可以有各种各样的型式和结构。
其中以管壳式换热器应用更为广泛。
现在,它被当作一种传统的标准换热设备在很多工业部门中大量使用,尤其在化工、石油、能源设备等部门所使用的换热设备中仍处于主导地位。
循环水冷却器是换热设备中的一种,是企业生产中的重要设备。
它的作用是通过温度相对较低的水来把其他设备所产生的热量带走,从而使设备部分的温度保持在一个生产所需要的水平,使设备正常工作。
因此,循环水冷却器的设计对企业的生产是很重要的,它很可能影响企业的经济损失,对其的设计具有很强的实际意义。
本设计是对管壳式换热器中固定管板式换热器的研究。
固定管板式换热器属于管壳式换热器的一种,是利用间壁使高温流体和低温流体进行对流传热从而实现物料间的热量传递。
在本设计中以GB 150-2011《压力容器》、GB 151-1999《管壳式换热器》等标准和《固定式压力容器安全技术监察规程》为依据,并参考《换热器设计手册》,首先通过方案的论证,确定物料的物性参数,再结合工作条件,选定换热器的形式。
根据设计任务,完成对换热面积、总换热系数等工艺参数的确定,同时进行换热面积、壁温和压力降的核算。
再根据工艺参数进行机械设计,机械设计主要包括对筒体、管箱、管板、折流板、封头、换热管、鞍座及其它零部件,如拉杆、定距管等的计算和选型等,并进行必要的强度核算,最后运用AutoCAD绘制固定管板式换热器的装配图及零部件图,并编写说明书。
[关键词]:换热器、换热面积、管板、换热管。
Circulating water cooler design[Abstract]:The heat transfer process is the chemical production process of existence and its general process, heat equipment for this process is various, is one of the indispensable process equipment. Due to the use of different conditions,heat exchange equipment can have various types and structure. The tubular heat exchanger applied more widely. Now, it is regarded as a kind of traditional standard heat exchange equipment widely used in many industrial departments, especially used in chemical, petroleum, energy equipment department.Heat transfer equipment is still in a dominant position.Circulating water cooler is a change of thermal equipment, is the important equipment in the production. It is the role of the relatively low temperature water to take away the heat generated by the other device, so as to make part of the temperature is maintained at the required a production level, so that the normal operation of the equipment. Therefore, the production design of circulating water cooler of enterprise is very important, it is likely to affect the economic losses of enterprises, which is of great practical significance to the design.This design is for the study of fixed tube plate heat exchanger on the tube shell type. A fixed tube plate heat exchanger, belonging to the shell and tube heat exchanger, is the use of the high temperature fluid and wall temperature fluid of convective heat transfer and heat transfer between the material. In this design, the GB 150-2011 "," GB 151-1999 "pressure vessel shell and tube type heat exchanger" standards and "fixed pressure vessel safety technology supervision regulation" as the basis, and with reference to "Design Handbook" heat exchanger, the scheme is demonstrated, to determine the physical material parameters, combined with the working conditions, select the type of heat exchanger. According to the design task, determine the process parameters on the heat transfer area, the total heat transfer coefficient, and heat transfer area, wall temperature and pressure drop calculation. Then the mechanical design based on process parameters, mechanical designincluding the tube, tube box, tube plate, baffle, head, tube heat exchanger, saddle and other parts, such as the bar, fixed pitch pipe calculation and selection, and calculated the strength necessary, finally using AutoCAD drawing fixed tube plate heat exchanger the assembly diagram and parts diagram, and writing a specification. [keyword]:heat exchanger,the heat transfer area,tube sheet,heat exchange tube.目录1 概述 (1)1.1 选题的根据和意义 (1)1.2 本设计的目的和要求 (2)1.3 国内外现状和发展趋势 (2)2 管壳式换热器的分类和选型 (3)2.1 分类 (3)2.2 选型 (6)3 换热器的工艺设计 (7)3.1 工艺计算 (7)3.1.1 流径选择 (7)3.1.2 确定物性参数 (7)3.1.3 热负荷及冷却水用量计算 (8)3.1.4 传热平均温度差的计算 (8)3.1.5 计算传热面积 (9)3.1.6 计算工艺结构尺寸 (9)3.2 换热器核算 (15)3.2.1 传热能力核算 (15)3.2.2 壁温核算 (18)3.2.3 换热器内流体的流动阻力 (19)3.3 换热器主要结构尺寸和计算结果 (22)4 换热器的机械设计 (23)4.1 计算筒体厚度 (23)4.1.1 筒体材料的选择 (23)4.1.2 筒体厚度 (23)4.2 计算管箱短节、封头厚度 (24)4.2.1 管箱的结构形式 (25)4.2.2 管箱结构尺寸 (25)4.2.3 管箱短节及封头厚度 (26)4.3 开孔补强的校核 (29)4.3.1 管箱短节开孔补强的校核 (29)4.3.2 筒体节开孔补强的校核 (31)4.3.3 排气口、排液口开孔补强的校核 (33)4.4 管板设计 (33)4.4.1 换热管与管板的连接 (34)4.4.2 管板与壳体的连接 (35)4.4.3 管板与管箱的连接 (37)4.4.4 管板材料 (37)4.4.5 管板计算的相关参数的确定 (38)4.4.6 计算法兰力矩 (40)4.4.7 管板计算的另一些相关参数的确定 (45)4.4.8 校核设计条件不同的组合工况 (47)4.5 换热管 (59)4.5.1 换热管的型式 (59)4.5.2 换热管的材料与质量等级 (60)4.5.3 管孔 (60)4.6 折流板 (60)4.6.1 材料的选取 (60)4.6.2 折流板的间隙 (60)4.6.3 折流板的厚度 (61)4.7 拉杆、定距管 (61)4.7.1 拉杆的结构形式 (61)4.7.2 拉杆直径、数量和尺寸 (61)4.7.3 拉杆与管板的连接结构 (62)4.8 防冲板和导流筒 (63)4.9 支座 (63)4.9.1 鞍式支座的结构特征 (63)4.9.2 支座反力的计算 (64)4.9.3 鞍座的型号及尺寸 (65)4.9.4 鞍座的布置 (65)4.10 接管 (66)4.10.1 接管的要求 (66)4.10.2 接管高度(伸出的高度)的确定 (66)4.10.3 接管位置最小尺寸 (67)4.10.4 接管尺寸 (68)4.10.5 管法兰的选择 (68)4.11 膨胀节 (70)4.11.1 膨胀节的作用 (71)4.11.2 设置膨胀节的条件 (71)5 换热器的制造与检验要求 (71)5.1 圆筒 (72)5.2 管箱 (73)5.3 换热管 (73)5.4 管板 (73)5.5 换热管与管板的连接 (73)5.6 折流板 (74)6 总结 (74)7 主要参考文献 (75)致谢语 (76)循环水冷却器设计1 概述使热量从热流体传递到冷流体的设备称为换热器。
目录第1章工艺综述 (2)1.2工艺原理 (2)1.3工艺流程 (3)第2章工艺计算 (4)2.1设计参数 (4)2.2管径和管内流速 (5)2.3 估算换热面积 (7)2.4 管程数和传热管数的计算 (7)2.5 传热管排列和分程方法的确定 (8)2.6 壳体内径以及折流板数的计算 (8)第3章结构设计 (10)3.1 封头和圆筒厚度 (10)3.2 接管 (10)3.3 折流板 (11)3.4分程隔板 (12)3.5 拉杆的数量与直径 (12)3.6判断是否安装膨胀节 (12)3.7 支座 (14)第4章强度计算 (15)4.1传热系数核算 (15)4.2 壁温核算 (17)4.3 压强降的核算 (17)第5章设计结果一览表 (20)参考文献 (21)评价表 (22)第1章工艺综述1.1 装置简介ARGG装置包括反应-再生、分馏、吸收塔、气压机、能量回收及余热锅炉、产品精制几部分租成,ARGG工艺以常压渣油等重油质油为原料,采用重油转化和抗金属能力强,选择性好的ARG催化剂,以生产富含丙烯、异丁烯、异丁烷的液化气、并生产高辛烷只汽油。
1.2工艺原理1.2.1催化裂化部分催化裂化是炼油工业中最重要的二次加工过程,是重油轻质化的重要手段。
它是使原料油在适宜的温度、压力和催化剂存在的条件下,进行分解、异构化、氢转移、芳构化、缩和等一系列化学反应,原料油转化为气体、汽油、柴油等主要产品及油浆、焦炭的生产过程。
催化裂化的原料油来源广泛,主要是常减压的馏分油、常压渣油、减压渣油及丙烷脱沥青油、蜡膏、蜡下油等。
随着石油资源的短缺和原油的日趋变重,重油催化裂化有了较快发展,处理的原料可以是全常渣甚至是全减渣。
在硫含量较高时,则需用加氢脱硫装置进行处理,提供催化原料。
催化裂化过程具有轻质油收率高、汽油辛烷值较高、气体产品中烯烃含量高等特点。
催化裂化生产过程的主要产品是气体、汽油和柴油,其中气体产品包括干气和液化石油气,干气作为本装置燃料气烧掉,液化石油气是宝贵的石油化工原料和民用燃料。
可编辑修改精选全文完整版目录换热器课程设计 (1)1 任务书 (1)1.1设计题目甲苯冷却器的设计 (1)1.2设计的目的 (1)1.3设计任务及操作条件 (1)2工艺流程草图及说明 (1)3 工艺计算及主要设备设计 (2)3.1确定设计方案 (2)3.1.1选择换热器的类型 (2)3.1.2流程安排 (2)3.2确定物性数据: (2)3.3估算传热面积 (3)3.3.1热流量 (3)3.3.2平均传热温差 (3)3.3.3传热面积 (3)3.3.4甲苯的冷却量 (3)3.4工艺结构尺寸 (4)3.4.1管径和管内流速 (4)3.4.2管程数和传热管数 (4)3.4.3传热管排列和分程方法 (4)3.4.4壳体内径 (4)3.4.5折流板 (5)3.4.6其他附件 (5)3.4.7接管 (5)3.5换热器核算 (5)3.5.1热流量核算 (5)3.5.2壁温核算 (7)3.5.3换热器内流体的流动阻力 (7)4 设计结果设计一览表 (8)5 主要符号说明 (9)6 设计感想 (9)7 参考文献 (10)换热器课程设计1 任务书1.1 设计题目甲苯冷却器的设计1.2 设计的目的通过对甲苯产品冷却的列管式换热器设计,达到让学生了解该换热器的结构特点,并能根据工艺要求选择适当的类型,同时还能根据传热的基本原理,选择流程,确定换热器的基本尺寸,计算传热面积以及计算流体阻力。
1.3设计任务及操作条件处理量110000 t/a甲苯设备型式列管换热器操作条件(1)甲苯:入口温度 86ºC,出口温度52ºC(2)冷却介质:循环水,入口温度22 ºC,出口温度38ºC(3)允许压降:不大于100000Pa(4)每天按330天计,每天24小时连续运行。
建厂地址江西地区2工艺流程草图及说明、油泵 2、换热器 3、常压精馏塔 4、贮槽附图2 换热器利用流程图回流液194℃原油从换热器出122.1原油53.7℃回流液101.8由于循环冷却水较易结垢,为便于水垢清洗,应使循环水走管程,甲苯走壳程。
冷却器设计方案哎呀,说起冷却器设计方案,这可真是个有趣又有点复杂的事儿。
我先给您讲讲我之前遇到的一个情况。
有一次,我去一家工厂参观,正好看到他们在为一个新的生产设备安装冷却器。
那场面,真是热火朝天。
工人们忙前忙后,技术人员拿着图纸指指点点。
我凑过去一看,发现他们正在为冷却器的安装位置争论不休。
咱先来说说冷却器设计的基本原理。
这就好比大热天您想让自己凉快下来,得有个有效的办法不是?冷却器就是要把热量带走,让设备保持在合适的温度。
冷却器的类型那也是五花八门。
比如说风冷式冷却器,就像是吹风扇,靠空气流动来散热。
还有水冷式冷却器,这就好比您热了泡在水里,水把热量带走。
风冷式冷却器呢,结构相对简单,维护也容易,但是散热效果可能没有水冷式那么厉害。
水冷式冷却器散热效果好,可系统复杂点,还得注意防止漏水啥的。
在设计冷却器的时候,得考虑好多因素。
首先就是热负荷,这就好比您知道自己有多热,才能决定用多大的风扇或者多少水来降温。
然后是冷却介质的选择,是用空气还是水,或者其他特殊的介质,这得根据具体情况来。
还有传热系数,这可是个关键指标,它决定了冷却器的效率。
再说冷却器的结构设计。
您得考虑管子的排列方式,是顺排还是叉排?这可影响着空气或者水流的流动,进而影响散热效果。
还有管子的直径和长度,太粗太长不行,太细太短也不行,得恰到好处。
另外,散热片的形状和间距也很重要,就像窗户的格子,间距合适才能通风良好。
还有啊,密封问题也不能忽视。
要是密封不好,漏风漏水,那这冷却器可就没法好好工作了。
而且,材料的选择也得讲究。
要能耐高温、耐腐蚀,还得有良好的导热性能。
回到我开头说的那个工厂,最后他们经过一番讨论,综合考虑了各种因素,终于确定了一个满意的设计方案。
看着他们完成安装,调试成功,设备正常运转,那感觉真不错。
总之,冷却器设计方案可不是一拍脑袋就能决定的,得综合考虑各种因素,精心设计,才能让冷却器发挥出最佳效果,保证设备的正常运行。
冷却器设计方案在现代工业生产中,冷却器是一种重要的设备,用于将高温的物体或介质冷却至所需的温度范围内。
本文将讨论冷却器的设计方案,包括冷却原理、设计要素和优化方法。
一、冷却原理冷却器的工作原理基于热传导和对流传热。
当高温物体或介质与冷却器接触时,传热会通过物体与冷却介质之间的热传导,以及冷却介质与周围环境的对流传热来实现。
二、设计要素1. 散热面积:合理确定冷却器的散热面积是设计的重要一环。
散热面积越大,冷却效果越好。
因此,在设计中应尽量增大散热面积,可以通过增加冷却器的长度、宽度或增加散热片的数量来实现。
2. 冷却介质选择:不同的冷却介质对于冷却效果有着重要的影响。
一般情况下,水具有良好的导热性和对流性能,是较常用的冷却介质。
但在特殊情况下,也可以选择其他介质,如油、空气等,根据具体要求进行选择。
3. 冷却速度:冷却速度是指冷却器在单位时间内冷却物体或介质的能力。
为了提高冷却速度,可以采用增设风机、增加水流速度等方法,增强对流传热效果。
4. 材料选择:冷却器所使用的材料直接影响到其散热效果和使用寿命。
一般而言,具有良好导热性的金属材料,如铜、铝等,可以更好地传导热量,提高散热效果。
三、优化方法1. 流动分析:通过数值模拟或实验方法,进行流动分析,优化冷却器的结构和设计。
在不同工况下,根据流体的流动情况和热传导特性,进行优化,以提高冷却效果。
2. 散热片设计:合理设计散热片的形状、间距和数量,以增大散热面积,提高传热效率。
同时,对散热片进行表面处理,增强其导热性能。
3. 热交换器应用:冷却器可以与热交换器相结合,通过增加热交换面积,提高冷却效果。
在选择热交换器时,应考虑其传热系数、压降和占用空间等因素。
4. 温度控制:根据冷却的要求,设计合适的温度控制系统,能够精确控制冷却介质的温度,提高冷却器的工作效率。
结论冷却器设计方案的选择和优化对于工业生产中的热管理至关重要。
通过合理确定散热面积、冷却介质选择、冷却速度和材料选择,可以提高冷却器的效果和寿命。
冷却器设计方案范文一、引言为了保障设备正常运行,提高生产效率,降低能耗,冷却器的设计至关重要。
本设计方案旨在以提高冷却效率、降低能耗为目标,为设备冷却提供一个高效可行的设计方案。
二、设计目标1.提高冷却效率:确保冷却器在设备运行时能够快速降温,避免设备过热导致故障。
2.降低能耗:通过合理设计冷却器结构和采用高效节能的冷却方法,减少电力消耗,提高能源利用率。
3.节约空间:在满足冷却效果的前提下,尽量减小冷却器的体积,节约工作场地空间。
三、设计方案1.选择合适的冷却介质:根据设备的工作温度和冷却要求,选择适当的冷却介质,如水、油、气体等。
2.设计合理的冷却器结构:冷却器应具有良好的散热性能和流通性能。
建议采用片式冷却器,增加散热面积,提高冷却效率。
3.采用高效节能的冷却方法:可以考虑采用间接冷却方式,即通过冷却介质与设备热源之间的换热,将设备的热量传递给冷却介质,再由冷却介质带走热量,达到冷却效果。
4.优化冷却器的布局:根据设备的位置和冷却要求,合理布置冷却器,确保冷却介质能够顺畅流通,达到良好的冷却效果。
5.采用智能控制系统:通过安装温度传感器和流量传感器等设备,实时监测设备温度和冷却介质流量,根据实际情况自动调节冷却介质的供应和流速,提高冷却效率和能源利用率。
四、实施方案1.进行设备和冷却介质的匹配。
根据设备的工作温度和冷却要求,选择合适的冷却介质,如水冷却器、油冷却器或者空气冷却器。
2.设计冷却器的结构和材料。
选择合适的冷却器结构和材料,确保冷却器能够承受设备的热量和压力,提高散热效果。
3.进行冷却器的布局设计。
根据设备的位置和冷却要求,合理布置冷却器,确保冷却介质能够顺畅流通,并与设备之间进行有效的换热。
4.安装智能控制系统。
根据设备需求,安装合适的温度传感器和流量传感器等设备,建立智能控制系统,实时监测和调节冷却介质的供应和流速,实现自动化控制。
5.进行实验和调试。
根据设计方案,进行实验和调试,对冷却器的性能和效果进行评估,修改和优化设计方案。
《化工原理》课程设计说明书题目:煤油冷却器的设计学院:化工学院专业:化学工程与工艺*名:***学号:**********指导老师:***同组人员郑莉张冲冲涂袁睿翔完成时间:2011年1月13日目录(按毕业论文格式要求书写)第一部分设计任务书 (1)第二部分设计方案简介评述 (2)第三部分换热器设计理论计算····························································1、试算并初选换热器规格···································································2、核算总传热系数K0·········································································3、计算压强降······················································································第四部分换热器主要结构尺寸····························································1、管子的规格和排列方法···································································2、管程和壳程数的确定·······································································3、外壳直径的确定·················································································4、折流板形式的确定············································································5、主要附件的尺寸设计·········································································第五部分工艺设计计算结果汇总表及其它············································1、工艺设计计算结果汇总表······························································(页码)2、设计图·····························································································3、参考文献··························································································(页码)第一部分设计任务书一、设计题目煤油冷却器的设计二、设计任务1. 处理能力:G1=16T/h煤油2. 设备形式:列管式换热器三、操作条件①煤油:入口温度160℃,出口温度60℃②冷却介质:自来水,入口温度20℃,出口温度40℃③煤油的运行表压为0.1MPa,冷却水的运行表压为0.3MPa四、设计内容①设计方案简介:对确定的工艺流程及换热器型式进行简要论述。
冷却器设计方案冷却器是机械设备、电子设备、发动机等高应用领域必不可少的一种设备,主要功能是对设备产生的余热进行控制,确保机器在正常工作的过程中不会过热,从而保证其正常运行。
在冷却器的设计方案中,我们需要考虑的因素非常多,在这篇文章中,我们将详细介绍一下冷却器的设计方案以及其主要因素。
一、冷却器的设计方案冷却器的设计方案是冷却器制造的重要环节。
设计方案的好坏不仅直接影响着冷却器的质量和效果,还影响着冷却器的生产成本和营销效果。
在设计阶段中,我们要考虑以下几个主要因素:1. 散热能力:冷却器的主要作用是散热,因此,我们在设计中首要考虑的是散热能力。
散热能力取决于散热面积和散热风扇的转速等因素。
如果散热面积太小,冷却器的散热能力就会不足,从而影响冷却器的使用效果。
2. 尺寸:尺寸也是设计冷却器必须考虑的因素。
要根据不同的应用场景和设备良好地设计尺寸,尽可能地减小其占地面积,使其可以更好地融入到设备中。
当然,不同的尺寸也会直接影响到散热面积和风扇数量等问题。
3. 风扇数量和转速:不同的设备或场合对冷却器的要求也不同。
在选择风扇数量和转速时,我们需要结合散热面积、空间、噪音以及运行条件等来确定。
4. 材料和制造工艺:在制造过程中,材料和工艺的选择也非常重要。
制造材料的优劣以及制造工艺的先进程度直接影响冷却器的质量和使用寿命。
冷却器材料的选择无论从性价比、加工方式、强度和密封性等方面都需要考虑,还需要根据不同的目的、工艺和成本等因素综合比较。
二、冷却器设计方案制定的其它因素在制定冷却器设计方案的过程中,还有一些其他因素也需要考虑,下面我们将逐一介绍:1. 使用的流体类型:在制作冷却器的时候,我们可以根据其使用的流体分类来选择合适的材料。
如果流体是水,那么采用铜制材料效果会更佳,因为铜导热性较好、轻便且寿命长;而如果流体是液态金属或油,那么就不推荐使用铜材料,通常采用复合材料等。
2. 风扇噪音:在冷却器的使用过程中,噪音也是一个关键因素。
冷却器课程设计doc摘要本⽂是设计年产量为万吨花⽣油换热器。
本⽂引⽤《⾷品⼯程原理》中的知识及相关的技术标准,对换热器的结构、强度进⾏了系统的阐述。
换热器是⽬前许多⼯业部门⼴泛应⽤的通⽤⼯艺设备。
其中,换热器是⽬前应⽤较为⼴泛的换热设备。
本次设计主要研究固定管板式换热器的换热原理和结构设计,并且讨论了固定管板式换热器的特性,以及在给定条件下固定管板式换热器的各种参数的设计和结构尺⼨。
设计的前半部分是⼯艺计算部分,主要是根据给定的设计压⼒及换热⾯积,进⾏换热器的选型,校核传热系数,计算出实际的换热⾯积,最后进⾏压⼒降的计算。
设计的后半部分则是关于结构和强度的设计,主要是根据已经选定的换热器型式进⾏设备内各零部件(如接管、管板、法兰、筒体、封头、折流板、定距管、管箱等)的设计,包括:材料的选择、具体尺⼨确定、确定具体位置、厚度与强度的计算等。
最后的设计通过⼀系列CAD图表现出来。
关键词:冷却器;对流传热系数;压降;列管式换热器;。
⽬录1花⽣油冷却器的设计说明书 (1)1.1概述 (1)1.1.1换热器的结构类型 (1)1.1.2流体流动空间的选择 (1)1.1.3换热器类型的选择 (2)1.1.4流体流速的确定 (4)1.1.5换热器材质的选择 (5)1.1.6管程结构 (5)1.1.7壳程结构 (6)1.1.8列管换热器的设计计算 (6)2设计的⼯艺计算 (7)2.1.物料恒算 (7)2.2根据定性温度确定物性参数 (7)2.3试算并初选换热器型号 (8)2.4换热器核算 (12)3换热器的主要结构尺⼨和计算结果表 (17)4结果讨论 (18)致谢 (19)参考⽂献 (20)附录 (21)吉林化⼯学院⾷品⼯程原理课程设计1花⽣油冷却器的设计说明书1.1概述⼯业⽣产过程,两种物料之间的热交换⼀般是通过热交换器完成的,所以换热器的设计就显的尤为重要。
进⾏换热器的设计,⾸先应根据⼯艺要求确定换热系统的流程⽅案并选⽤适当类型的换热器,确定所选换热器中流体的流动空间及流速等参数,同时计算完成给定⽣产任务所在地需的传热⾯积,并确定换热器的⼯艺尺⼨且根据实际流体的腐蚀性确定换热器的材料。
华东交通大学课程设计说明书设计题目:热水冷却器的设计学院:基础科学学院专业班级:应用化学一班学生姓名:王业贵学号:211指导教师:周枚花老师完成日期:2013.6.28目录任务书 (3)一、设计题目: (3)二、设计目的: (3)三、设计任务及操作条件 (3)四、设计内容 (3)五、课程设计说明书的内容 (4)六、主要参考书 (4)七、设计时间 (4)前言 (5)一、设计方案简介 (6)1.1换热器的选择 (6)1.2设计概述 (7)1.3设计方案 (7)1.4管程安排 (8)二、确定物性数据 (8)三、主要工艺参数计算 (9)3.1热负荷 (9)3.2平均传热温差 (9)3.3冷却水用量 (9)3.4初算传热面积 (9)3.5工艺结构尺寸 (10)3.5.1管径和管内流速 (10)3.5.3平均传热温差校正及壳程数 (10)3.5.4传热管排列和分程方法 (11)3.5.5壳体直径 (11)3.5.6折流板 (11)3.5.7接管 (12)四、压降核算 (12)4.1传热面积校核 (12)4.1.1管程传热膜系数 (12)4.1.2壳程传热膜系数 (13)4.1.3污垢热阻和管壁热阻 (14)4.1.4总传热系数K (14)4.1.5传热面积校核 (14)4.2换热器内压降的核算 (15)4.2.1管程阻力 (15)4.2.2壳程阻力 (16)五、主要结构尺寸和计算结果 (17)六、心得体会 (18)七、参考文献 (18)八、附图(工艺流程、主体设备工艺条件图) (18)任务书一、设计题目:热水冷却器的设计二、设计目的:通过对热水冷却的列管式换热器设计,达到让学生了解该换热器的结构特点,并能根据工艺要求选择适当的类型,同时还能根据传热的基本原理,选择流程,确定换热器的基本尺寸,计算传热面积以及计算流体阻力。
三、设计任务及操作条件1.处理量4t/a热水4.4102.设备型式列管换热器3.操作条件(1)热水:入口温度80 ℃,出口温度55 ℃(2)冷却介质:循环水,入口温度25 ℃,出口温度37 ℃(3)允许压降:不大于510Pa(4)每年按330天计,每天24小时连续运行。
南京工业大学《材料工程原理B》课程设计设计题目:热水冷却器的设计专业:班级:高材学号:姓名:日期:指导教师:设计成绩:日期:设计任务书(一)设计题目热水冷却器的设计(二)设计任务及操作条件1.处理能力40.5 t/a热水102.设备型式锯齿形板式换热器3.操作条件(1)热水:入口温度80℃,出口温度60℃(2)冷却介质:循环水,入口温度32℃,出口温度 40℃(3)允许压强降:不大于5×105Pa(4)每年按330天计,每天24小时连续运行4.建厂地址天津地区(三)设计要求选择适宜的锯齿形式板式换热器并进行核算。
目录1 概述1.1 板式换热器的基本结构 (4)1.2板式换热器的优缺点 (6)1.3板式换热器与管式换热器的比较 (7)1.4板式换热器的实际应用 (8)2 设计方案简介2.1板式换热器的选型 (9)2.2板式换热器的优化设计方向 (10)2.3 工艺流程简图 (13)3 热水冷却器的设计工艺计算3.1符号说明 (14)3.2定性温度下的物性数据 (14)3.3计算热负荷 . (15)3.4计算平均温度差 (15)3.5初估换热面积及初选板型 (15)3.6核算总传热系数K (16)3.7估算传热面积 (18)3.8计算压力降 (18)4 辅助设备的选择与计算4.1泵的选择 (19)5 设计结果概要 (21)附录工艺流程图 (23)主体设备图 (24)参考资料 (25)设计小结 (26)1 概述板式换热器是由一系列具有一定波纹形状的金属片叠装而成的一种新型高效换热器。
各种板片之间形成薄矩形通道,通过半片进行热量交换。
板式换热器是液—液、液—汽进行热交换的理想设备。
1.1 板式换热器的基本结构1.1.1整体结构1.1.2 组装型式板式换热器的流程是根据实际操作的需要设计和选用的,而流程的选用和设计是根据板式换热器的传热方程和流体阻力进行计算的。
图为三种典型的组装型式。
串联流程并联流程混合流程板式换热器组装型式的表示方法为: 22112211b n b n a m a m ++ 式中:1m ,2m ,1n ,2n 表示程数;1a ,2a ,1b ,2b 表示每程流道数;原则上规定分子上为热流体流程,分母上为冷流体流程。
煤油冷却器设计(总18页)--本页仅作为文档封面,使用时请直接删除即可----内页可以根据需求调整合适字体及大小--课程设计报告( 2016—2017年度第一学期)名称:化工原理题目:煤油冷却器的设计院系:环境科学与工程学院班级:能化1402 学号: 0207学生姓名:冯慧芬指导教师:朱洪涛设计周数: 1 成绩:日期:2016 年 11月目录一.任务书目的与要求.主要内容二.设计方案简介.换热器概述列管式换热器.设计方案的拟定三.工艺计算及主体设备设计热量设计初选换热器的类型管程安排(流动空间的选择)及流速确定确定物性数据计算总传热系数计算传热面积工艺结构设计管径和管内流速管程数和传热管数平均传热温差校正及壳程数传热管排列和分程方法折流板壳程内径及换热管选型汇总换热器核算热量核算压力降核算四.辅助设备的计算及选型封头缓冲挡板放气孔、排液管假管拉杆和定距管膨胀节接管五.设计结果一览表六.心得体会七.参考文献八.主体设备的工艺条件图一.任务书目的与要求1. 要求学生能综合运用本课程和前修课程的基本知识,进行融会贯通的独立思考,在规定的时间内完成列管换热器设计任务。
2. 使学生了解工程设计的基本内容,掌握化工设计的主要程序和方法,培养学生分析和解决工程实际问题的能力。
3. 熟悉和掌握查阅技术资料、国家技术标准,正确地选用公式和数据。
主要内容处理能力:25000kg/h 煤油设备型式:列管换热器操作条件:煤油:入口温度:140℃出口温度:40℃冷却介质:自来水入口温度:30℃出口温度:40℃允许压强降:不大于100kPa煤油定性温度下的物性参数:密度825kg/m3粘度×10-4Pas比热容kg℃导热系数m℃水定性温度下的物性参数:密度994kg/m3粘度×10-4Pas比热容kg℃导热系数m℃主体设备工艺条件图。
二.设计方案简介.换热器概述在化工、石油、能源、制冷、食品等行业中广泛使用各种换热器,它们也是这些行业的通用设备,并占有十分重要的地位。