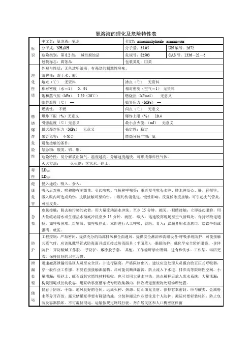
氨水理化性质及危险特性表
- 格式:docx
- 大小:17.67 KB
- 文档页数:2
表- 氨水的理化性质及危险特性
氨水是一种具有刺激气味和碱性的无色液体。
它的外观通常为清澈的液体,相对密度为0.91。
氨水在25.6℃时沸点,密度为0.88 g/cm³。
它能够与水任意溶解且呈碱性,其pH值约为11.5。
然而,需要注意的是,氨水也具有一定的危险特性。
以下是氨水的危险特性:
1. 刺激性气味:氨水具有强烈的刺激性气味,接触高浓度氨水蒸气可能导致呼吸道不适。
2. 腐蚀性:氨水是一种腐蚀剂,可以对皮肤、眼睛和呼吸道造
成严重刺激和损伤。
3. 可燃性:在高温下,氨水会产生可燃气体,因此应远离火源
和高温物质。
4. 氧化性:在与某些物质接触时,氨水具有一定的氧化性,可
能导致火灾或加剧火灾。
5. 毒性:氨水对水生生物具有毒性,特别是对鱼类。
为了安全起见,在使用氨水时应注意以下事项:
- 使用氨水时,应佩戴防护手套、护目镜和呼吸防护设备。
- 避免直接接触氨水,尤其是避免氨水溅入眼睛或接触皮肤。
- 使用氨水时应确保通风良好,以减少蒸气对呼吸系统的影响。
- 在与其他化学物质接触时,应遵循相应的安全操作规程,避
免产生危险反应。
总结:氨水具有刺激性气味和碱性。
在使用和处理氨水时需谨慎,避免直接接触和吸入,同时注意防护措施,并遵循安全操作规程。
任何与氨水相关的火灾、污染或伤害事件都需要及时进行报告和处理,以确保人员的安全和环境的保护。
参考文献:该信息来自反应工程学例如:赵侃,江丹.(2014).基于大学化学实验的化学安全教育与管理研究[J].化工新型材料, 42(7), 54-57.。
氨水的理化性质及危险特性表氨水是一种重要的化学品,具有一系列的理化性质和危险特性。
本文档将介绍氨水的主要理化性质和危险特性,以便更好地了解和应对其安全问题。
理化性质- 化学式: NH3化学式: NH3- 分子量: 17.03 g/mol分子量: 17.03 g/mol- 外观: 无色气体,具有刺激性气味外观: 无色气体,具有刺激性气味- 密度: 0.897 g/cm3 (液态)密度: 0.897 g/cm3 (液态)- 沸点: -33.34°C沸点: -33.34°C- 熔点: -77.73°C熔点: -77.73°C- 溶解性: 在水中可溶解,生成氨水溶液溶解性: 在水中可溶解,生成氨水溶液- pH值: 氨水溶液呈碱性,pH值约为11-12pH值: 氨水溶液呈碱性,pH值约为11-12危险特性- 腐蚀性: 氨水具有较强的腐蚀性,可对皮肤、眼睛和呼吸系统造成严重伤害。
腐蚀性: 氨水具有较强的腐蚀性,可对皮肤、眼睛和呼吸系统造成严重伤害。
- 毒性: 氨水蒸气可对呼吸系统和消化系统产生刺激作用,长期接触可能导致损害。
毒性: 氨水蒸气可对呼吸系统和消化系统产生刺激作用,长期接触可能导致损害。
- 易燃性: 氨水本身并不易燃,但与一些物质如酸、浓氧等接触时可能发生反应,并加剧火灾的危险性。
易燃性: 氨水本身并不易燃,但与一些物质如酸、浓氧等接触时可能发生反应,并加剧火灾的危险性。
- 危险品分类: 氨水根据相关法规被归类为腐蚀性物质(类别1B)和危险品(UN 2672)。
危险品分类: 氨水根据相关法规被归类为腐蚀性物质(类别1B)和危险品(UN 2672)。
注意事项::1. 在处理氨水时务必佩戴防护手套、护目镜和防护口罩,确保充分通风。
2. 避免直接接触氨水溶液,如不慎接触应立即用大量清水冲洗,并寻求医疗救助。
3. 如果发现氨水泄漏或事故,应立即采取应急措施,远离危险区域,并通知相关部门进行处理。
氨水的理化性质及危险特性(表-)
一、理化性质
1. 外观:
- 纯氨水为无色透明液体;
- 工业氨水常为无色或带有轻微的黄色。
2. 溶解性:
- 氨水可与许多有机和无机物质混溶。
3. 气味:
- 氨水具有特殊的刺激性气味,类似于尿骚味。
4. 密度:
- 纯氨水的密度约为0.88 g/cm³。
5. pH值:
- 氨水呈弱碱性,pH值通常在11-12之间。
6. 沸点和熔点:
- 氨水的沸点约为25°C,熔点约为-78°C。
二、危险特性
1. 腐蚀性:
- 氨水具有强腐蚀性,可引起皮肤和眼睛的严重刺激。
接触人
体后,应立即用清水冲洗,并寻求医疗救助。
2. 燃烧性:
- 氨水在空气中能燃烧,形成氮氧化物和水蒸气,可能产生有
毒气体。
3. 毒性:
- 高浓度的氨水对呼吸系统有损害作用,可能引起咳嗽、呼吸
困难等症状。
长期暴露于氨水蒸气环境中可能导致慢性呼吸系统疾病。
4. 环境影响:
- 氨水进入水体和土壤后,会对水生生物和植物造成毒性影响,破坏生态平衡。
以上是氨水的理化性质及危险特性的简要介绍,使用或处理氨水时需注意安全防护措施,并遵守相关法律法规。
参考资料:
1. 环保部(HB/T 3910-2007).
2. 国家质量监督检验检疫总局,国家标准化管理委员会(GB 1886.128-2016).。
氨水的理化性质及危险特性一、氨水的化学式和结构式氨水是一种无色、挥发性很强的液体,其化学式为NH3,结构式为:H|H-N- H|H二、氨水的理化性质1. 外观:无色、透明液体。
2. 气味:有刺激性气味。
3. 密度:0.91 g/cm³。
4. 熔点:-77.7℃。
5. 沸点:-33.34℃。
6. 溶解性:易溶于水,生成氢氧化铵,不溶于大部分有机溶剂。
7. pH值:10.8。
三、氨水的危险特性1. 有毒性:氨水能够直接对人体造成中毒,以及对鱼类、蛙类和其他生物的毒性很高。
长时间接触氨水会导致心力衰竭、中枢神经系统受损等。
2. 有刺激性:氨水具有较强的刺激性和腐蚀性,能够刺激眼睛、鼻腔和胃肠道等,引起生物反应,对人体造成伤害。
3. 燃爆性:氨水容易与空气中的氧气起反应,形成易燃的气体,因此,它具有一定的燃爆危险性。
在高温下或遇到明火、静电火花等内源火源时,就容易引发火灾。
4. 导电性:氨水具有一定的导电性,当与金属结构或其他楼道相接触时,能够导致电路短路或电气事故。
5. 化学反应:氨水与许多金属、无机酸、氧化剂等能够发生化学反应,在这些反应中所产生的气体有着很强的毒性和危险性。
6. 运输危险性:氨水属于危险品,运输时要按照有关法规进行包装、标签和处置,以防止泄漏和事故发生。
四、氨水的应用领域由于氨水在工业领域的应用广泛,因此需要注意掌握它的危险性。
以下是氨水在各个领域中的应用情况:1. 化学制品:氨水被广泛应用于生产化学品,特别是有机化合物的生产过程中,作为溶剂和催化剂使用。
2. 医药领域:氨水可以在医药领域中用作一种麻醉剂,但是由于其副作用较大很少使用。
3. 清洁剂:氨水溶液可以用作一种清洁剂,可以清洁水垢、油污、脂肪和各种污渍。
4. 食品防腐剂:氨水在食品加工领域中也能够起到一定的作用,可以用作一种防腐剂,能够延长食品的保存期限。
总之,氨水是一种广泛应用的化学品,我们需要了解它的理化性质和危险特性,并在使用中做好防范措施,保障我们的安全。