电气接地电阻测试记录表
- 格式:docx
- 大小:14.27 KB
- 文档页数:2
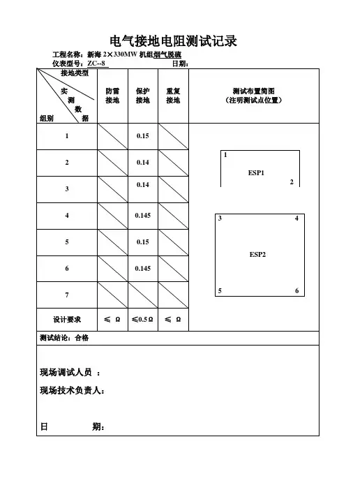
接地电阻测试记录表 E5-1编号:工程名称1#楼仪表型号ZC-8测试日期年月日计量单位Ω(欧姆)天气情况晴气温25℃□防雷接地□计算机接地□工作接地接地□保护接地□防静电接地□逻辑接地类型重复接地√综合接地□医疗设备接地□设计□≤10Ω□≤4Ω√≤ 1Ω要求□≤Ω?□≤Ω测试结论:经测试计算,接地电阻为Ω,符合设计要求和《建筑电气工程施工质量验收规范》(GB50303-2002)规定。
参施工单位加监理(建设)单位人技术负责人质检员施工员员签字本表由施工单位填写,建设单位、施工单位、城建档案馆各保存一份。
电气绝缘电阻测试记录表 E5-2工程名称计量单位仪表型号试验内容一层层数1AL3-1、路支路 1别、支路 2名称支路 3、支路 4编号支路 5测试结论:编号:1# 楼测试日期2015 年月日Ω( 欧姆 )天气状况晴ZC-7电压220V气温25℃相间相对零相对地零对地L 1-L 2L 2-L 3L 3-L 1L 1-N L 2-N L 3-N L1-PE L2 -PE L 3-PE N-PE750700700700 600650700700 700750750700 700700700700 750600650700经测试:线路绝缘良好,符合设计要求和(建筑电气工程质量验收规范)(GB50303-2002)的规定参施工单位加监理(建设)单位人技术负责人质检员施工员员签字本表由施工单位填写,建设单位、施工单位、城建档案馆各保存一份。
配电箱、插座、开关、灯具接线(接地)通电检查记录表 E5-3编号:工程名称1#楼施工单位系统名称(编号)检查时间年月日或层段序号检查项目型号安装数量检查数量检查情况或编号住宅总配电+2+B1-AL01 2 台 2 台配箱1电箱配电箱AL,ALa182 台182 台AP86KSGY110N520 个520 个照明器具开关KG31/1/2BY40 个40 个2空调控制开关单相二极KG426/10uS66 个66 个插单相三极3座三相四极或三相五极灯吸顶灯、442 盏442 盏YJD356-1X224安全出口270 盏270 盏具YJD201-1X8W标准灯检查结论参施工单位加监理(建设)单位人技术负责人质检员施工员员签字本表由施工单位填写,建设单位、施工单位、城建档案馆各保存一份。
电气工程接地电阻测试记录电气工程中的接地电阻测试是确保电设备的安全可靠运行的重要环节。
下面是一份接地电阻测试记录,供参考:一、测试概述接地电阻测试是用来测量工业和住宅电力系统的接地系统的电阻值,以确认其符合安全标准要求。
本次测试范围包括变电站、电缆线路、电力设备等。
二、测试仪器和设备1.接地电阻测试仪:型号XYZ-123,测量范围0.1Ω-200Ω。
2.测试线:标准测试线一套。
3.温度测量仪:型号ABC-456三、测试对象1.变电站接地系统:测试范围包括变电站主体结构的接地系统以及辅助设备(发电机、变压器等)的接地系统。
2.电缆线路接地系统:测试范围包括负荷电缆和备用电缆两部分的接地系统。
3.电力设备接地系统:测试范围包括发电机、变压器、断路器等设备的接地系统。
四、测试方法1.变电站接地系统测试:选择变电站主体结构中的2个测试点,测试线与地面保持水平放置,测试间距控制在10m以内,测量接地电阻值。
2.电缆线路接地系统测试:选择负荷电缆和备用电缆的不同截面位置,测试线与地面保持水平放置,测试间距控制在10m以内,测量接地电阻值。
3.电力设备接地系统测试:测试发电机、变压器、断路器等设备的接地电阻值,测试线与地面保持水平放置,测试间距控制在2m以内。
五、测试结果记录测试地点:XXX变电站测试日期:XXXX年XX月XX日1.变电站接地系统:测试点1:接地电阻值为0.5Ω测试点2:接地电阻值为0.3Ω2.电缆线路接地系统:负荷电缆:位置1:接地电阻值为0.6Ω位置2:接地电阻值为0.8Ω备用电缆:位置1:接地电阻值为0.4Ω位置2:接地电阻值为0.5Ω3.电力设备接地系统:发电机:接地电阻值为0.2Ω变压器:接地电阻值为0.2Ω断路器:接地电阻值为0.3Ω六、测试结论根据测试结果,变电站接地系统、电缆线路接地系统和电力设备接地系统的接地电阻值均符合安全标准要求,并且在合理的范围内。
无需进行进一步处理。
七、测试人员签名测试人员1:_______________测试人员2:_______________。