销轴节点承载力计算
- 格式:xls
- 大小:1.65 MB
- 文档页数:6
创作编号:GB8878185555334563BT9125XW创作者:凤呜大王*销轴连接常用于两个结构构件之间的连接,以满足构件之间的相对转动的需要,也用于一些结构构件吊装过程中。
无论是构件连接节点还是吊装节点,其节点都需要进行必要的验算,以满足结构安全及吊装安全的需要。
销轴连接方式多种多样,最常采用的连接的结构方式为单剪连接、双剪连接和多耳板连接。
而建筑结构销轴连接的结构形式受到加工精度的限制比较单一,多为三耳板(下二上一或下一上二)组成的双剪结构,这种结构形式由一根销轴将一侧耳板与另一侧耳板连接起来,销轴与耳板之间可以发生相对转动,相互间的荷载通过销轴和耳板的接触面来传递。
以吊装耳板为例(图中数值为假定,并不一定为常规数值),简要说明一般常用的计算方法及公式,以供大家讨论。
销轴大样如下:P1=400KN,P2=300KN (合力Ta=500KN)其中销轴采用45号钢,耳板采用Q345B销轴连接计算分为销轴的强度计算和耳板的强度计算。
一、销轴计算:1、销轴弯曲强度验算把销轴当作简支梁进行分析销轴弯曲强度验算最大弯矩值:销轴弯曲强度计算计算满足。
公式中:M——把销轴作为简支梁分析所求得的最大弯矩值W——销轴截面的抗弯模量,——销轴的许用弯曲应力,这里采用45号钢2、销轴剪切强度验算把销轴当作简支梁进行分析销轴剪切强度计算最大剪应力值(取在中和轴位置,此位置剪应力最大):计算满足。
公式中:Q——把销轴作为简支梁分析所求得的最大剪力值d——销轴直径——销轴的许用剪切应力,这里采用45号钢3、平均剪应力复核:将销轴按双剪进行平均剪应力计算计算满足。
二、耳板强度验算首先耳板的尺寸必须满足构造要求(这里我们可以参照螺栓构造要求其满足1.5~2d,在此构造满足的情况下,可不进行耳板孔周的抗拉验算,直接进行抗剪验算,此理解可供大家讨论,此处仅为笔者个人理解),在满足这一条件下进行计算。
1、耳板孔壁承压应力验算上耳板:计算满足。
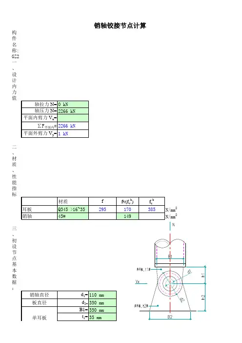
构件名称:GZ2
12831 kN >2266 kN 满足!
2、单耳板验算
(1)、单耳板孔边抗冲切承载力计算: Nv=fv*(d2-d1)*(t1+2t 0)/1000=2897 kN
>2266 kN 满足!(2)、单耳板无贴板净截面抗拉承载力计算: N v =f*d 2*t 1/1000=3614 kN >2266 kN 满足!(2)、单耳板孔边承压承载力计算: Nv=fcb*d1*(t1+2t 0)/1000=3007 kN >2266 kN
满足!
(3)、耳板强度及稳定验算
平面内:
0 kN*m 平面外:
0 kN*m 6
<
15
满足!满足!
销轴铰接节点计算
N v =f v b *d 12*0.785*2=
c 、弯剪压验算:
a 、附加弯矩计算:
b 、局部稳定计算:高厚比:h1/t1=
3、双耳板验算
(1)、耳板孔边抗冲切承载力计算: N v =2*f v *(d 2-d 1)*t 2/1000=2856 kN >2266 kN 满足!(2)、耳板承压承载力计算: N v =2*f c b *d 1*t 2/1000=2965 kN >2266 kN
满足!
(3)、耳板强度及稳定验算
平面内:0 kN*m
平面外:0 kN*m
6
<15满足!4、耳板焊缝验算:
采用与板件等强剖口熔透焊,不必验算。
a 、附加弯矩计算:
b 、局部稳定计算:高厚比:h 2/t 2=
153kN
45172
183kN
0183。
轴压构件的承载力计算1.计算公式钢筋混凝土轴心受压构件的承载能力由混凝土强度和纵向受力钢筋两部分组成,对细长构件还要考虑纵向弯曲的影响。
《混凝土结构规范》考虑到初始偏心的影响,以及主要承受恒载作用的轴心受压柱的可靠性,引入承载力折减系数0.9,根据力的平衡条件,)(9.0sy c u A f A f N N ''+=≤ϕ 2.轴压构件承载力复核步骤(1)确定稳定系数φ规范采用构件的稳定系数φ来表示长柱承载力降低的程度。
φ主要和构件的长细比b l /0有关,(0l 为柱的计算长度,b 为截面的短边尺寸),设计时可直接查表。
长细比b l /0越大,φ值越小;相反,长细b l /0比越小, φ值越大。
当 b l /0≤8时,φ值等于1,说明侧向挠度很小,不影响构件的承载力,可忽略,即将b l /0≤8的钢筋混凝土柱在计算上可视为短柱。
(2)验算柱的配筋率,当纵向钢筋配筋率大于3%时,公式中A 应改为sc A A A '-=。
当纵向钢筋配筋率小于3%时,公式中A 为构件截面面积。
(3)确定柱截面承载力。
)(9.0sy c u A f A f N ''+=ϕ (4)若u N N ≤则承载力满足要求,反之,承载力不满足要求。
3.注意要点-计算长度的确定构件的计算长度0l 与构件两端支撑情况有关,在实际工程中,由于构件支撑情况并非完全符合理想条件,应结合具体情况进行分析。
《混凝土规范》规定轴心受压和偏心受压柱的计算长度0l 可按下列规定取用:1)对一般多层房屋的框架柱,梁柱为刚接的框架各层柱段。
现浇楼盖:底层柱H l 0.10=;其余各层柱H l 25.10=。
装配式楼盖:底层柱H l 25.10=,其余各层柱段H l 5.10=。
2)对按无侧移考虑的框架结构,如具有非轻质填充墙且梁柱为刚接的框架各层柱,当框架为三跨及三跨以上,或为两跨且框架总宽度不少于其总高度的1/3 时,其计算长度可取为H 。
销轴连接节点的计算方法典型的销轴连接节点如图5.4.2所示。
图5.4.2 典型销轴连接节点(图示长度以上耳板为例)1、销轴计算首先进行销轴抗剪计算,确定销轴的直径。
销轴承受的总剪力为bolt V =销轴直径,其中为受剪面的数目,为销轴的抗剪强度D ≥v n b v f 设计值,若销轴采用调质45号钢制作,则其。
250b v f MPa =2、耳板设计根据构件、埋件以及销轴的尺寸,初步确定耳板的尺寸,耳板的厚度可以通过下面的计算确定,若计算出的厚度与构件尺寸不协调,则可以对耳板尺寸进行调整。
对于受拉耳板、需进行耳板抗剪设计、局部承压设计和抗拉设计;对于受压耳板、需进行耳板局部承压设计和受压设计;(1)耳板抗剪设计耳板抗剪长度,其中为耳板受剪面的数量,(115v v bolt f n t V ./⨯⨯≥⨯板)v n 板若为单耳板则,为耳板钢材的抗剪强度设计值,1.5为剪应力不均匀系2v n =板v f 数。
若耳板抗剪设计计算出的耳板厚度较大,可以通过在耳板侧面贴环板的方1t 式加以解决。
(2)耳板局部承压设计,其中为销轴直径,为螺栓的承压强度设计值,根据耳()2b bolt c t V /f D ≥⨯b c f 板的材质查《钢结构设计规范》表3.4.1-4确定。
这里需要注意的是,如果直径D 较大可能造成销轴与耳板孔壁的局压接触长度不足,根据文献,此时可取0.75D 进行计算。
D 若耳板局部承压设计计算出的耳板厚度较大,可以通过在耳板侧面贴环板2t 的方式加以解决。
(3)耳板抗拉设计耳板抗拉长度,其中为耳板抗拉强度设计值。
(3bolt t V /f ≥⨯)f (4)耳板受压设计耳板承压宽度,其中为耳板抗压强度设计值。
(4bolt t V /f ≥⨯)f ,其中为耳板的总厚度,若设置两块耳板,则单块()1234t max t ,t ,t ,t =板板t 板板耳板厚度应除以2。
3、耳板端部截面强度校核对耳板端部截面应进行强度校核,特别是对面外不能设置加劲肋的耳板,该项校核是必要的。
支座销轴计算书销轴计算简图销轴轴体材料采用符合《合金结构钢》(GB/T 3077-1999)要求的40Cr ,其屈服应力为:785MPa s =。
根据《起重机设计规范》(GBT3811-2008)表25,可以得到销轴轴体的弯曲容许应力为:785/1.48530f MPa ==,抗剪容许应力为:0.6530318v f MPa=´=承压容许应力为: 1.4530742c f MPa =´=销轴轴体可按简支梁计算,拟用直径D=50mm 的销轴体。
计算作用力:Fx=35.53kN (平行于销轴长度方向),Fz=635.22kN (垂直于销轴)。
最大弯矩:635.220.0914.29.44z X F l M kN m ´=== 弯曲应力:6221414.291046.58/530/30.6810X X M N mm f N mm W s ´===<=´ 剪应力:322max 244(635.22/2)10215.78/318/33 3.1425V V N mm f N mm A t ´´===<=´´ 拉应力:3222235.531018.11/530/3.1425X F N mm f N mm A s ´===<=´ 折算应力:22379.31/530/N mm f N mm ==<= 承压承载力计算:35050742101855635.22b c c N d t f kN kN -==´´´=>å经以上计算,采用材质为40Cr ,直径D=50mm 的销轴体能满足规范要求。
承载力的计算公式承载力是工程领域中一个非常重要的概念,它指的是结构或材料能够承受的最大荷载或压力。
要计算承载力,可不是一件简单的事儿,得用上一系列的公式和方法。
咱先来说说地基承载力的计算公式。
这就好比盖房子,地基要是不牢固,房子可就危险啦!地基承载力特征值可以通过现场载荷试验或室内土工试验来确定。
常见的计算公式有:fa=fak+ηbγ(b-3)+ηdγm(d-0.5) 。
这里的“fak”是地基承载力特征值,“ηb”“ηd”是基础宽度和埋深的承载力修正系数,“γ”是基础底面以下土的重度,“b”是基础底面宽度,“d”是基础埋置深度,“γm”是基础底面以上土的加权平均重度。
举个例子吧,我之前参与过一个乡村小学的建设项目。
那地方的土质条件不太好,所以在计算地基承载力的时候,我们可费了不少心思。
当时,我们对土样进行了详细的分析,测量各种参数,然后小心翼翼地把数据代入公式里。
那几天,整个团队都紧张得不行,就怕算错了一点儿,影响到学校的安全。
好在最后计算结果还算理想,我们也顺利完成了地基的施工。
再说说桩基础的承载力计算公式。
桩基础在高层建筑和桥梁工程中经常用到。
单桩竖向承载力特征值可以通过静载试验确定,也可以按下面的公式估算:Ra=Quk/K ,其中“Ra”是单桩竖向承载力特征值,“Quk”是单桩极限承载力标准值,“K”是安全系数。
我记得有一次在一个桥梁工程中,为了确定桩基础的承载力,我们在施工现场进行了长时间的静载试验。
那试验的设备可复杂了,一堆仪器连着桩,时刻监测着数据的变化。
大家都守在旁边,眼睛紧紧盯着那些数据,心里默默祈祷着一切顺利。
对于梁的承载力计算,那也有不少门道。
比如说,正截面受弯承载力的计算公式是:M≤α1fcbx(h0-x/2) 。
这里面,“M”是弯矩设计值,“α1”是系数,“fc”是混凝土轴心抗压强度设计值,“b”是梁的截面宽度,“h0”是梁截面有效高度,“x”是混凝土受压区高度。
曾经在一个厂房的建设中,因为梁的设计不合理,导致计算出来的承载力不够。
第一部分承载力介绍径向承载力设计值:径向承载力推荐值是指驳接件单爪(驳接头)抵抗玻璃面板传至驳接头的平面内作用的能力。
用于立面主要承受:玻璃自重;用于水平的屋顶时,则没有此作用。
有斜度时,则要考虑自重作用在径向的分力。
玻璃面板重量计算:G K=T*B*H*ρ(1)式中G K---玻璃面板重量(N)T ---玻璃的有效厚度(mm) 注:夹胶玻璃计算时考虑胶的厚度特殊情况下可不考虑胶层厚度B ---玻璃的宽度(m)H ---玻璃的高度(m)ρ---玻璃的重力密度(取25.6)径向力:F y=1.2*G K/n (2)式中F y---单爪径向承载力(N)n---承重孔数,通常为2,代表一块玻璃重量由上部两孔吊挂承载点数1.2---自重(永久荷载)分项系数,当永久荷载的效应起控制作用时,其分项系数应取1.35;此时,参与组合的可变荷载效应仅限于竖向荷载效应。
例1:玻璃分格为2*2m,厚度为25.52(12+1.52PVB+12)mm的玻璃由式(1)可得,玻璃面板重量:G K=25.52*2*2*25.6=2613.248N由式(2)可得,径向承载力设计值为:F y=1.2*2613.248/2=1568N所得F y=1568N即为单爪承受的径向力。
轴向承载力设计值:轴向承载力推荐值是指驳接件单爪(驳接头)抵抗玻璃面板传至驳接头的平面外作用的能力。
用于立面主要承受:风荷载、地震作用。
用于屋顶主要承受:自重、雪荷载等。
F X=q*B*H/n (3)式中F X---轴向承载力(N)q----面外均布荷载设计值,主要指风荷载(N/m2)B----玻璃的宽度(m)H----玻璃的高度(m)n----通常为4,代表四点支承。
四点以外支承不适用此公式。
上式需在客户提供风荷载标准值或风荷载设计值时可知道套用。
若没有提供应与客户沟通,在不知道风荷载标准值或风荷载设计值时也可按下式计算。
需提供幕墙标高、地区类别和基本风压。
销轴的计算精编 Document number:WTT-LKK-GBB-08921-EIGG-22986销轴连接常用于两个结构构件之间的连接,以满足构件之间的相对转动的需要,也用于一些结构构件吊装过程中。
无论是构件连接节点还是吊装节点,其节点都需要进行必要的验算,以满足结构安全及吊装安全的需要。
销轴连接方式多种多样,最常采用的连接的结构方式为单剪连接、双剪连接和多耳板连接。
而建筑结构销轴连接的结构形式受到加工精度的限制比较单一,多为三耳板(下二上一或下一上二)组成的双剪结构,这种结构形式由一根销轴将一侧耳板与另一侧耳板连接起来,销轴与耳板之间可以发生相对转动,相互间的荷载通过销轴和耳板的接触面来传递。
以吊装耳板为例(图中数值为假定,并不一定为常规数值),简要说明一般常用的计算方法及公式,以供大家讨论。
销轴大样如下:P1=400KN,P2=300KN (合力Ta=500KN)其中销轴采用45号钢,耳板采用Q345B销轴连接计算分为销轴的强度计算和耳板的强度计算。
一、销轴计算:1、销轴弯曲强度验算把销轴当作简支梁进行分析销轴弯曲强度验算最大弯矩值:销轴弯曲强度计算计算满足。
公式中:M——把销轴作为简支梁分析所求得的最大弯矩值W——销轴截面的抗弯模量,——销轴的许用弯曲应力,这里采用45号钢2、销轴剪切强度验算把销轴当作简支梁进行分析销轴剪切强度计算最大剪应力值(取在中和轴位置,此位置剪应力最大):计算满足。
公式中:Q——把销轴作为简支梁分析所求得的最大剪力值d——销轴直径——销轴的许用剪切应力,这里采用45号钢3、平均剪应力复核:将销轴按双剪进行平均剪应力计算计算满足。
二、耳板强度验算首先耳板的尺寸必须满足构造要求(这里我们可以参照螺栓构造要求其满足~2d,在此构造满足的情况下,可不进行耳板孔周的抗拉验算,直接进行抗剪验算,此理解可供大家讨论,此处仅为笔者个人理解),在满足这一条件下进行计算。
1、耳板孔壁承压应力验算上耳板:计算满足。
第一部分承载力介绍径向承载力设计值:径向承载力推荐值是指驳接件单爪(驳接头)抵抗玻璃面板传至驳接头的平面内作用的能力。
用于立面主要承受:玻璃自重;用于水平的屋顶时,则没有此作用。
有斜度时,则要考虑自重作用在径向的分力。
玻璃面板重量计算:G K=T*B*H*ρ(1)式中G K---玻璃面板重量(N)T ---玻璃的有效厚度(mm) 注:夹胶玻璃计算时考虑胶的厚度特殊情况下可不考虑胶层厚度B ---玻璃的宽度(m)H ---玻璃的高度(m)ρ---玻璃的重力密度(取25.6)径向力:F y=1.2*G K/n (2)式中F y---单爪径向承载力(N)n---承重孔数,通常为2,代表一块玻璃重量由上部两孔吊挂承载点数1.2---自重(永久荷载)分项系数,当永久荷载的效应起控制作用时,其分项系数应取1.35;此时,参与组合的可变荷载效应仅限于竖向荷载效应。
例1:玻璃分格为2*2m,厚度为25.52(12+1.52PVB+12)mm的玻璃由式(1)可得,玻璃面板重量:G K=25.52*2*2*25.6=2613.248N由式(2)可得,径向承载力设计值为:F y=1.2*2613.248/2=1568N所得F y=1568N即为单爪承受的径向力。
轴向承载力设计值:轴向承载力推荐值是指驳接件单爪(驳接头)抵抗玻璃面板传至驳接头的平面外作用的能力。
用于立面主要承受:风荷载、地震作用。
用于屋顶主要承受:自重、雪荷载等。
F X=q*B*H/n (3)式中F X---轴向承载力(N)q----面外均布荷载设计值,主要指风荷载(N/m2)B----玻璃的宽度(m)H----玻璃的高度(m)n----通常为4,代表四点支承。
四点以外支承不适用此公式。
上式需在客户提供风荷载标准值或风荷载设计值时可知道套用。
若没有提供应与客户沟通,在不知道风荷载标准值或风荷载设计值时也可按下式计算。
需提供幕墙标高、地区类别和基本风压。
销轴强度校核第三节销轴连接销轴连接是起重机⾦属结构常⽤的连接形式,例如起重机臂架根部的连接(图4-30a )以及拉杆或撑杆的连接等(图4-30b ),通常都采⽤销轴连接。
图4-30 销轴连接⽰例 (a ) 臂架根部;(b ) 拉杆。
⼀、销轴计算(⼀)销轴抗弯强度验算[]W W WMσσ≤=(4-43)式中 M ──销轴承受的最⼤弯矩; 323d W π=──销轴抗弯截⾯模数;[]W σ──许⽤弯曲应⼒,对于45号钢[]W σ = 360MPa 。
(⼆)销轴抗剪强度验算[]τππτ≤?===243max 3166412d Q d d d Q Ib QS (4-44)式中 Q ──把销轴当作简⽀梁分析求得的最⼤剪⼒;[]τ──销轴许⽤剪应⼒,45号钢[]τ=125MPa 。
⼆、销孔拉板的计算(⼀)销孔壁承压应⼒验算[]c c d P式中 P ──构件的轴向拉⼒,即销孔拉板通过承压传给销轴的⼒;δ──销孔拉板的承压厚度;d ──销孔的直径;[]c σ──销孔拉板的承压许⽤应⼒,[][]σσ4.1=c 。
(⼆)销孔拉板的强度计算⾸先根据销孔拉板承受的最⼤拉⼒P 求出危险截⾯(图4-31a 中的⽔平截⾯b -b 及垂直截⾯a -a )上的内⼒,然后⽤弹性曲梁公式求出相应的应⼒,并进⾏强度校核。
图4-31 销孔拉板计算简图1. 内⼒计算拉板承受的拉⼒P 是通过销孔壁以沿孤长分布压⼒P 的形式传给销轴,假定P 沿弧长按正弦规律分布,即sin max =p p(4-46)由图4-31a ,根据拉板的平衡条件可得 2sin 2sin 2max202max 20rp d rp rd p P π===?ππ则(4-47)根据拉板结构和受⼒的对称性,可知拉板上反对称的内⼒(即剪⼒)等于零。
若沿销孔中⼼线截开拉板,则截⾯上只有轴⼒N b 及弯矩M b ,如图4-31b 所⽰。
根据平衡条件0=∑Y ,得2P N b =(4-48)由于根据平衡⽅程解不出M b ,故是⼀次超静定问题,须根据变形条件求M b 。
钢管轴向承载力自动计算表
单位 mm 单位:mm
长度 L 140外径D 60壁厚 t 1.8侧面孔径 d 0屈服强度f 235
单位:mm
销直径12
销抗剪断 (KN)
kg 销抗剪断 (KN)
kg
14864.76
1516206
#VALUE!#VALUE!
4、输入钢管材质屈服强度。
如:Q235为235,Q345为345,在黄色方格内填上数据,则在兰色格内显示承载力
1、输入钢管受力两端长度,
则要分段计算,以受力最低段为整体计算结果。
2、输入钢管外径,若钢管由多段管串联组合,
3、输入钢管最小截面壁厚,Q235安全系数=2
使用说明
Q235安全系数=2
Q34519386.361977409Q345#VALUE!#VALUE!
抗拉:310Mpa 屈服:
276Mpa
1Mpa=
0.98N/mm2
T6061铝合金
如其它材质名不含数字,2012.10.02 制作于博高
用说明
则需查出所用材质的屈服强度。
一般出口daka。
第一部分承载力介绍径向承载力设计值:径向承载力推荐值是指驳接件单爪(驳接头)抵抗玻璃面板传至驳接头的平面内作用的能力。
用于立面主要承受:玻璃自重;用于水平的屋顶时,则没有此作用。
有斜度时,则要考虑自重作用在径向的分力。
玻璃面板重量计算:G K=T*B*H*ρ(1)式中G K---玻璃面板重量(N)T ---玻璃的有效厚度(mm) 注:夹胶玻璃计算时考虑胶的厚度特殊情况下可不考虑胶层厚度B ---玻璃的宽度(m)H ---玻璃的高度(m)ρ---玻璃的重力密度(取25.6)径向力:F y=1.2*G K/n (2)式中F y---单爪径向承载力(N)n---承重孔数,通常为2,代表一块玻璃重量由上部两孔吊挂承载点数1.2---自重(永久荷载)分项系数,当永久荷载的效应起控制作用时,其分项系数应取1.35;此时,参与组合的可变荷载效应仅限于竖向荷载效应。
例1:玻璃分格为2*2m,厚度为25.52(12+1.52PVB+12)mm的玻璃由式(1)可得,玻璃面板重量:G K=25.52*2*2*25.6=2613.248N由式(2)可得,径向承载力设计值为:F y=1.2*2613.248/2=1568N所得F y=1568N即为单爪承受的径向力。
轴向承载力设计值:轴向承载力推荐值是指驳接件单爪(驳接头)抵抗玻璃面板传至驳接头的平面外作用的能力。
用于立面主要承受:风荷载、地震作用。
用于屋顶主要承受:自重、雪荷载等。
F X=q*B*H/n (3)式中F X---轴向承载力(N)q----面外均布荷载设计值,主要指风荷载(N/m2)B----玻璃的宽度(m)H----玻璃的高度(m)n----通常为4,代表四点支承。
四点以外支承不适用此公式。
上式需在客户提供风荷载标准值或风荷载设计值时可知道套用。
若没有提供应与客户沟通,在不知道风荷载标准值或风荷载设计值时也可按下式计算。
需提供幕墙标高、地区类别和基本风压。
内嵌多块钢板销式连接木结构节点承载力的计算与设计方法范新海;张盛东;屈文俊
【期刊名称】《青岛理工大学学报》
【年(卷),期】2011(032)003
【摘要】随着技术的发展,现代木结构开始向大跨、多层方向发展,在荷载作用下连接节点处往往会产生较大的内力,而内嵌多块钢板销式连接节点具有较高的承载力且破坏具有较好的延性,越来越广泛地应用于现代木结构设计中.介绍了内嵌3块钢板销式连接节点的破坏模式,根据Johansen屈服理论推导了各种破坏模式下其承载力计算公式,并简要地介绍了实际工程中连接节点在弯矩M、剪力V共同作用下的设计方法,对实际木结构工程中该类连接节点的设计具有一定的参考价值.
【总页数】5页(P21-25)
【作者】范新海;张盛东;屈文俊
【作者单位】同济大学建筑工程系,上海 200092;同济大学建筑工程系,上海200092;同济大学建筑工程系,上海 200092
【正文语种】中文
【中图分类】TU371
【相关文献】
1.内嵌钢板销式连接胶合木梁抗弯性能的有限元分析 [J], 杨婷婷;张盛东;范新海
2.内嵌钢板销式木连接抗火性能研究进展 [J], 陈伟柱;张盛东
3.开槽误差对内嵌钢板销式连接木节点承载力的影响 [J], 范新海;张盛东;屈文俊
4.内嵌钢板销式连接胶合木梁短期受力性能 [J], 张盛东;范新海;屈文俊
5.内嵌多块钢板销式木连接力学性能研究 [J], 张盛东;范新海;屈文俊
因版权原因,仅展示原文概要,查看原文内容请购买。
销轴对孔的载荷有限元简化销轴是机械设备中重要的零部件之一,通常用于支撑、承受和传递载荷,因此对其进行研究和分析具有重要的意义。
然而,在进行销轴设计时,为了简化模型,我们通常会对其进行有限元简化。
本文主要探讨的是销轴对孔的载荷有限元简化。
第一步,对销轴对孔进行建模。
因为销轴对孔的载荷是通过轴向传递的,因此建模时一般采用轴对称的方法。
首先需要将轴对称的几何体建模成一个立体体,然后在轴向上进行切割,得到同轴孔和销轴两部分模型。
其中,销轴模型可以简化为一个圆柱形,孔模型可以简化为一个圆柱形空洞。
第二步,确定加载条件。
在确定销轴对孔的载荷时,需要考虑到其所承受的轴向载荷和环向载荷。
对于轴向载荷,一般将其作用在销轴末端,并通过支撑结构传递到孔中,对于环向载荷,一般可以分布在孔的某些区域。
第三步,进行有限元简化。
在确定好了载荷条件之后,可以开始进行有限元简化。
一般来说,我们可以将销轴模型用梁单元进行建模,而孔的模型则可以用壳单元或者体元进行建模。
在实际操作中,需要注意的是将梁单元的末端和壳单元或者体元进行约束,以避免不必要的变形和误差。
第四步,进行数值计算和分析。
在建立好有限元模型之后,需要进行数值计算和分析。
通过计算,我们可以获得销轴对孔的位移、变形、应力和应变等重要参数。
在实际应用中,需要将计算结果进行验证,并进行必要的优化和调整,以满足实际的工程需求。
总的来说,销轴对孔的载荷有限元简化是一项比较复杂的工作。
在进行建模、确定加载条件、进行有限元简化以及数值计算和分析时,需要充分考虑到实际情况并进行细致的操作,以获得准确可靠的结果。
只有通过不断地实践和总结,才能够将简化模型的方法发挥到极致,为工程设计和实现提供更好的帮助和支持。