GBT228.1-2010-金属材料室温拉伸试验方法细节
- 格式:ppt
- 大小:3.75 MB
- 文档页数:7
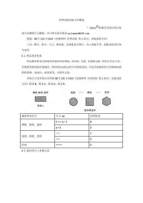
拉伸试验试验方法概述- Jerry©转载引用请注明出处部分步骤图片已删除,依据:GB/T 228.1-2010《金属材料拉伸试验第1部分:室温试验方法》工具:钢尺、剪刀、小刀、橡皮筋、设备配套引伸计、内六角扳手等,依据试验项目部分选用。
5.1 样品基本要求样品整体要求无影响其性能的明显缺陷,如凹陷、毛刺、非圆滑过渡、形状公差过大等,否则将导致试验结果偏差。
同时样品试验过程中应保持清洁,不允许表面附有任何影响试验的附着物,如油污、标签纸等,应将其去除。
具体尺寸及形状公差参照GB/T 228.1-2010《金属材料拉伸试验第1部分:室温试验方法》附录B、附录C、附录D、附录E。
截面形状区分尺寸/mm 适用附录0.1≤a<3 B薄板、板材、扁材a≥3 D<4 C线材、棒材、型材≥4 D管材----- E5.2 板材类尺寸参数示意备注:尺寸参数对于不同截面形状会有变化,详细参考GB/T 228.1-2010第22页至第25页。
6.检测步骤6.2试验准备6.2.1 样品准备观察样品类型与形状,是否符合步骤5中所需要求。
若样品不符合要求,则需要对样品进行加工,使其尺寸要求满足步骤5。
加工方式一般有车削、线切割等,对于薄铝板等可用剪刀裁剪至规定尺寸,加工需注意避免缺陷、弯折。
对于同一样品,切割方向可能会影响材料的拉伸性能,需要参考具体标准规定,若无相应规定,一般切割方向为纵向。
6.2.2 尺寸测量对满足步骤5的样品,测量每个样本尺寸参数,一般在不同位置测量3次,精确到小数点后两位,并在原始记录中记录平均值。
对于板材,测量其平行长度的厚度和宽度;对于棒材,测量其平行长度的直径;对于管材,测量其外径和壁厚;对于管材的纵向切割弧形试样,测量其宽度、外径和壁厚;对于异形试样,测量并计算其横截面积。
6.2.3 原始标距刻画判断拉伸试验检测项目,对于需要检测断后伸长率的项目,需要对样品标识出原始标距L0。
对于厚度较大,表面划痕不影响试验结果的,用小刀在样品表面刻划出原始标距,划痕深度以不影响试验结果且试验后划痕清晰可测为准。
拉伸试验试验方法概述- Jerry©转载引用请注明出处部分步骤图片已删除,学习和交流可联系*****************依据:GB/T 228.1-2010《金属材料拉伸试验第1部分:室温试验方法》工具:钢尺、剪刀、小刀、橡皮筋、设备配套引伸计、内六角扳手等,依据试验项目部分选用。
5.1 样品基本要求样品整体要求无影响其性能的明显缺陷,如凹陷、毛刺、非圆滑过渡、形状公差过大等,否则将导致试验结果偏差。
同时样品试验过程中应保持清洁,不允许表面附有任何影响试验的附着物,如油污、标签纸等,应将其去除。
具体尺寸及形状公差参照GB/T 228.1-2010《金属材料拉伸试验第1部分:室温试验方法》附录B、附录C、附录D、附录E。
截面形状区分尺寸/mm 适用附录0.1≤a<3 B薄板、板材、扁材a≥3 D<4 C线材、棒材、型材≥4 D管材----- E5.2 板材类尺寸参数示意备注:尺寸参数对于不同截面形状会有变化,详细参考GB/T 228.1-2010第22页至第25页。
6.检测步骤6.2试验准备6.2.1 样品准备观察样品类型与形状,是否符合步骤5中所需要求。
若样品不符合要求,则需要对样品进行加工,使其尺寸要求满足步骤5。
加工方式一般有车削、线切割等,对于薄铝板等可用剪刀裁剪至规定尺寸,加工需注意避免缺陷、弯折。
对于同一样品,切割方向可能会影响材料的拉伸性能,需要参考具体标准规定,若无相应规定,一般切割方向为纵向。
6.2.2 尺寸测量对满足步骤5的样品,测量每个样本尺寸参数,一般在不同位置测量3次,精确到小数点后两位,并在原始记录中记录平均值。
对于板材,测量其平行长度的厚度和宽度;对于棒材,测量其平行长度的直径;对于管材,测量其外径和壁厚;对于管材的纵向切割弧形试样,测量其宽度、外径和壁厚;对于异形试样,测量并计算其横截面积。
6.2.3 原始标距刻画判断拉伸试验检测项目,对于需要检测断后伸长率的项目,需要对样品标识出原始标距L0。
GBT228金属材料室温拉伸试验方法GB/T228.金属材料室温拉伸试验方法1 .1本标准适用范围标准适用于金属材料(包括黑色和有色金属材料,但不包括金属构件和零件)室温拉伸性能的测定(横截面尺寸?0.1,,)。
对于小横截面尺寸的金属产品 (如金属箔、超细丝和毛细管等)需双方协议。
本标准规定了试验原理、定义、符合和说明、试样及其尺寸测量、试验设备、试验要求、性能测定、测定结果数值修约和试验报告。
1.2 可测量的量:伸长率:断后伸长率(A),断裂总伸长率(At),最大力总伸长率(Agt),最大力非比例伸长率(Ag),屈服点延伸率(Ae)等的测定.强度:上屈服强度(ReH),下屈服强度(Rel),规定非比例延伸强度(Rp),规定总延伸强度(Rt),抗拉强度(Rm)的测定.断面收缩率(Z)的测定.1.3 原理试验系用静拉力对试样拉伸,测量力各相应的伸长,一般拉至断裂,测定一项或几项力学性能. 1.4室温的温度范围标准中规定室温的温度范围为10,35?,超出这一范围不属于室温。
对于材料在这一温度范围内性能对温度敏感而采用更严格的温度范围试验时,应采用23?5?的控制温度。
上述10,35?的温度指容许的试样温度范围.1.5定义原始标距(L0):施力前的试样标距.引伸计标距(,e):测量伸长用的试样圆柱或棱柱部分的度。
断面收缩率(Z),最大力(Fm)伸长:试验期间任一时刻原始标距(L0)增量{断后伸长率(A),断裂总伸长率(At),最大力总伸长率(Agt)和最大力非比例伸长率(Ag)}.延伸: 试验期间任一给定时刻引伸计标距(,e)的增量{残余延伸率 ,非比例延伸率,总延伸率 , 屈服点延伸率(Ae) ,最大力延伸率(Agt)等}.应力 :试验期间任一时刻的力除以试样原始横截面积(S0)之商 {抗拉强度(,,) ,屈服强度{上屈服强度(,eH) ,下屈服强度(,eL) ,规定非比例延伸强度(,p) ,规定总延伸强度(,,),规定残余延伸强度(,r) }.]最大力(,,): 试样在屈服阶段之后所能抵抗的最大力;对于无明显屈服(连续屈服)的金属材料,为试验期间的最大力。
GB-T228(可编辑)GB-T228GB/T228.1-2010金属材料拉伸试验第1部分:室温试验方法金属材料试验规范标准金属材料规范标准热轧钢筋的外形热轧钢筋的取样要求低碳钢热轧圆盘条的取样要求冷轧带肋钢筋的取样要求主要技术内容试验速率模式金属拉伸试样拉伸试验的基本概念一、GB/T拉伸试验第1部分:室温试验方法》主要技术内容引言 228.1-2010《金属材料两种试验速率的控制方法。
第一种方法A为应变速率(包括横梁位移速率),第二种方法B为应力速率。
方法A旨在减小测量应变速率敏感参数时试验速率的变化和减小试验结果的测量不确定度。
上屈服强度(ReH 和下屈服强度(ReL 的、12条规定: 上屈服强度ReH可以从力-延伸曲线图或峰值力显测定标准中11示器上测得:定义为力首次下降前的最大力值对应的应力。
下屈服强度ReL可以从力-延伸曲线图测定,定义为不计初始瞬时效应时屈服阶段中的最小力值对应的应力。
二、2010版室温拉伸试验方法试验速率模式横梁位移控制:试验中马达的角度传感器的信号与控制信号构成闭环回路来控制马达的工作。
应力速率控制:试验中力值传感器的信号与控制信号构成闭环回路来控制马达的工作。
应变速率控制:试验中变形信号与与控制信号构成闭环回路来控制马达的工作。
消除试验机刚度对ReH、ReL、RP0.2不确定度的影响; 可确保试样标距在试验中实现恒应变速率加载,消除材料塑性抗力指标不确定度的影响; 减小测定应变速率敏感参数(性能)时的试验速率变化和试验结果的测量不确定度。
是ReH、ReL、RP0.2比对试验统一规范的依据。
方法A阐述了两种不同类型的应变速率控制模式: 第一种应变速率是基于引伸计的反馈而得到的。
第二种是根据平行长度估计的应变速率,即通过控制平行长度与需要的应变速率相乘得到的横梁位移速率来实现。
GB/T 228.1-2010中应选用的应变速率范围试验系统的刚度试验机机身的刚度、夹具、加载系统的刚度与受拉试样的刚度共同构成了“试验系统”的刚度。
GB/T 228.1-2010《金属材料拉伸试验第1部分:室温试验方法》培训讲义一、主要区别(GB/T 228.1-2010与GB/T 228-2002)二、增加了方法A应变速率控制方法;三、修改了试验结果的数值修约方法;四、将原始横截面积的最小值改为平均值;五、增加了对于上、下屈服强度位置判定的基本原则;六、增加了拉伸试验测量不确定度的评定方法;七、增加了资料性附录A计算机控制拉伸试验机使用时的建议;八、增加了资料性附录F考虑试验机刚度后估算的横梁位移速率方法。
符号变更;注意:标黑的重点强调。
二、技术指标的的测定1、上屈服强度(ReH)和下屈服强度(ReL)的测定标准中11、12条规定:1.1上屈服定义:上屈服强度ReH可以从力-延伸曲线图或峰值力显示器上测得:定义为力首次下降前的最大力值对应的应力。
1.2下屈服定义:下屈服强度ReL可以从力-延伸曲线图测定,定义为不计初始瞬时效应时屈服阶段中的最小力值对应的应力1.3设备要求应采用1级或优于1级准确度的试验机。
1.4注意事项材料不具有可测的ReH和(或)ReL性能。
遇到此种情况,测定规定塑性延伸强度(RP0.2),并注明“无明显屈服”。
2、试验三阶段的应变、应力控制方法(A、B法)2.1应变控制(A法):1)连续屈服时第一阶段:应使用引伸计测定RP0.2,应变e Le×许用范围(分段见下图图示)范围1:=0.00007s-1,相对误差±20%范围2:=0.00025s-1,相对误差±20%(推荐使用)第二阶段:不使用引伸计,如果存在ReL,则测定ReL,许用使用应变速率可选择。
范围2:=0.00025s-1,相对误差±20%范围3:=0.002s-1,相对误差±20%(推荐使用)。
第三阶段:范围2:=0.00025s-1,相对误差±20%范围3:=0.002s-1,相对误差±20%范围4:=0.0067s-1,相对误差±20%2)不连续屈服时第一阶段:不使用引伸计测定ReH,使用夹头分离速率Vc估算应变速率,应变许用范围(分段见下图图示)。