【大学课件】金属材料的拉伸实验
- 格式:ppt
- 大小:2.22 MB
- 文档页数:15
机械学基础实验指导书力学实验中心金属材料的拉伸与压缩实验1.1 金属材料的拉伸实验拉伸实验是材料力学实验中最重要的实验之一。
任何一种材料受力后都要产生变形,变形到一定程度就可能发生断裂破坏。
材料在受力——变形——断裂的这一破坏过程中,不仅有一定的变形能力,而且对变形和断裂有一定的抵抗能力,这些能力称为材料的力学机械性能。
通过拉伸实验,可以确定材料的许多重要而又最基本的力学机械性能。
例如:弹性模量E 、比例极限R p 、上和下屈服强度R eH 和R eL 、强度极限R m 、延伸率A 、收缩率Z 。
除此而外,通过拉伸实验的结果,往往还可以大致判定某种其它机械性能,如硬度等。
我们以两种材料——低碳钢,铸铁做拉伸试验,以便对于塑性材料和脆性材料的力学机械性能进行比较。
这个实验是研究材料在静载和常温条件下的拉断过程。
利用电子万能材料试验机自动绘出的载荷——变形图,及试验前后试件的尺寸来确定其机械性能。
试件的形式和尺寸对实验的结果有很大影响,就是同一材料由于试件的计算长度不同,其延伸率变动的范围就很大。
例如:对45#钢:当L 0=10d 0时(L 0为试件计算长度,d 0为直径),延伸率A 10=24~29%,当L 0=5d 0时,A 5=23~25%。
为了能够准确的比较材料的性质,对拉伸试件的尺寸有一定的标准规定。
按国标GB/T228-2002、GB/P7314-2005的要求,拉伸试件一般采用下面两种形式:图1-11. 10倍试件;圆形截面时,L 0=10d 0 矩形截面时,L 0=11.30S 2. 5倍试件圆形截面时,L 0=5d 矩形截面时, L 0=5.650S =45Sd 0——试验前试件计算部分的直径; S 0——试验前试件计算部分断面面积。
此外,试件的表面要求一定的光洁度。
光洁度对屈服点有影响。
因此,试件表面不应有刻痕、切口、翘曲及淬火裂纹痕迹等。
一、实验目的:1.研究低碳钢、铸铁的应力——应变曲线拉伸图。
实验一 金属材料的拉伸实验拉伸是材料力学最基本的实验,通过拉伸可以测定出材料一些基本的力学性能参数,如弹性模量、强度、塑性等。
一.实验目的1.测定低碳钢拉伸时的强度性能指标:屈服应力s σ和抗拉强度b σ。
2.测定低碳钢拉伸时的塑性性能指标:伸长率δ和断面收缩率ψ。
3.测定灰铸铁拉伸时的强度性能指标:抗拉强度b σ。
4.绘制低碳钢和灰铸铁的拉伸图,比较低碳钢与灰铸铁在拉伸时的力学性能和破坏形式。
二.实验仪器、设备1.电子万能试验机(或液压万能材料试验机)。
2.钢尺。
3.数显卡尺。
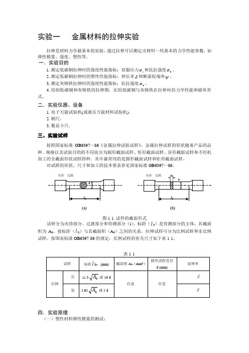
三、实验试样按照国家标准GB6397—86《金属拉伸试验试样》,金属拉伸试样的形状随着产品的品种、规格以及试验目的的不同而分为圆形截面试样、矩形截面试样、异形截面试样和不经机加工的全截面形状试样四种。
其中最常用的是圆形截面试样和矩形截面试样。
对试样的形状、尺寸和加工的技术要求参见国家标准GB6397—86。
夹持 过渡(a) (b)图1-1 试件的截面形式试样分为夹持部分、过渡部分和待测部分(l )。
标距(l 0)是待测部分的主体,其截面积为A 0。
按标距(l 0)与其截面积(A 0)之间的关系,拉伸试样可分为比例试样和非比例试样。
按国家标准GB6397-86的规定,比例试样的有关尺寸如下表1-1。
四.实验原理(一)塑性材料弹性模量的测试:在弹性范围内大多数材料服从虎克定律,即变形与受力成正比。
纵向应力与纵向应变的比例常数就是材料的弹性模量E ,也叫杨氏模量。
因此金属材料拉伸时弹性模量E 地测定是材料力学最主要最基本的一个实验。
测定材料弹性模量E 一般采用比例极限内的拉伸试验,材料在比例极限内服从虎克定律,其荷载与变形关系为:EA PL L ∆=∆ 若已知载荷ΔF 及试件尺寸,只要测得试件伸长ΔL 或纵向应变即可得出弹性模量E 。
ε∆⋅∆=∆∆∆=1)(000A P A L PL E本实验采用引伸计在试样予拉后,弹性阶段初夹持在试样的中部,过弹性阶段或屈服阶段,弹性模量E 测毕取下,其中塑性材料的拉伸实验不间断。
金属材料的拉伸实验金属材料的拉伸实验是材料力学实验中的重要内容之一,通过拉伸实验可以了解金属材料的力学性能,包括抗拉强度、屈服强度、延伸率等重要参数。
本实验旨在通过拉伸试验,探究金属材料在受力条件下的变形和破坏规律,为材料的设计和选用提供依据。
1. 实验原理。
在进行金属材料的拉伸实验时,首先需要准备一根标准试样,通常采用圆柱形试样。
试样的两端固定在拉伸试验机上,施加拉力,使试样产生拉伸变形。
在试验过程中,可以通过拉伸试验机上的力传感器和位移传感器实时监测试样的受力情况和变形情况,从而得到拉力-位移曲线。
通过分析拉力-位移曲线,可以得到金属材料的抗拉强度、屈服强度、延伸率等力学性能参数。
2. 实验步骤。
(1)准备试样,选择合适的金属材料,根据标准规范制备标准试样。
(2)安装试样,将试样固定在拉伸试验机上,确保试样的两端平行并且与试验机的拉伸方向一致。
(3)施加载荷,逐渐增加拉力,记录拉力和试样的位移数据。
(4)观察试样破坏形态,当试样达到破坏时,观察试样的破坏形态,包括颈缩和断裂形式。
3. 实验数据处理。
通过拉伸试验得到的拉力-位移曲线可以分为几个阶段,线性弹性阶段、屈服阶段、塑性变形阶段和断裂阶段。
根据拉力-位移曲线的特征,可以计算出金属材料的抗拉强度、屈服强度和延伸率等力学性能参数。
同时,还可以分析试样的破坏形态,了解金属材料的破坏机制。
4. 实验结果分析。
通过对拉伸试验得到的数据进行分析,可以得出金属材料的力学性能参数,并且可以比较不同材料之间的性能差异。
通过分析试样的破坏形态,可以了解金属材料的断裂特点,为材料的设计和选用提供参考依据。
同时,还可以探讨金属材料的变形和破坏规律,为材料的加工和应用提供理论支持。
5. 实验应用。
金属材料的拉伸实验是材料科学和工程中的基础实验之一,具有重要的理论和应用价值。
通过拉伸实验可以评价金属材料的力学性能,为材料的设计、选用和加工提供科学依据。
同时,还可以通过实验结果指导金属材料的使用和维护,确保材料的安全可靠性。