立体车库类型详细介绍
- 格式:docx
- 大小:434.18 KB
- 文档页数:17
立体车库图例及工作原理机械式停车设备分类升降横移式(PSH设备为多层多列布置,除顶层外每层设一空车位,作为交换车位。
除底层以外的所有车位均能自行升降,除顶层以外的所有车位均能自行横移。
主要技术性能参数表垂直升降式(PCS)工作原理:设备中间为升降通道,两侧为停车位,每个停车位有一载车盘,载车盘可横向移动,车辆停放在载车盘上。
巷道堆垛式(PXD•工fE原I暑着直堆娠式直怖澤曹写堆垛式自功优总嘩存歎存钿.采用甫垛机或轿式起■机木平$尊ei樺©到存牟徒宁层呛移机构對卑枇修钊停生竝上:取车时』壤舞虬移动捌荐车偉早矗・■馨tfLwffsm 到绘垛机上,海车■运剽取车口将车耿出*箱諡t留垛机捱术娶求寻.审合刿垛“底矗较高.先班的ii WtfUSti. ■光.电、釈自动眩制于—B动比立竹停车迟备.存取车迺虞協安氢>ra. 桩性好,特剧适用十霓曼研应狡爭的光奎停年運.我无人方忒审行的尊麻冃初临车描的呻放&B ,自动枚正・自功W自罚岀库琴一累列* 动封阖式■理・保址存収千碉的安全右便、主要技术性能参数表简易升降类(PJS)简易升降立体车库工作原理:停车设备的上下车位为一个单元。
下层车位可直接存取车辆,存取上层车位时,需将下层车位开出。
设备特点:节省地面,充分利用现有空间,提高泊车数量。
构造简单、紧凑,易于操作。
主要技术性能参数表多层循环式(PDX)方形循环式停车库主要技术参数类型方形循环类停车库停车规格外形尺寸(mm ) 长X 宽X 高w 5000 X 1950 X 1550 重量(kg )< 1700车库尺寸(mm )L 2355w( N-2) /m+2300 X 2+1380H根据项目配置而定电机功率(kW )升降 11 X 2 水平7.5 X m电源 三相交流50HZ 380V/220V注:N 为车库容车数量,m 为库类存车层数、T1EI&9用再诂的卅瞎呢胳我张哄垂. 病车酒卄哎帰到B 劳思培梅辿戊的讦车、 墟后 坤违St 住悔的水卓着坏播耳|,將莹 車窃泾刊辞辛忙丙的冉电仪矗*瞅器汨环 方同与停车方向芙晶.可甘为轴式相摘式 两类.血汽车出人地下童的方式更分均 由起车通谏锲趨自厅驶到停车韜=上的內 谖出代丈叩冃升臺机出人曲丹降玄.特悝t7匕自朗谆甲方式空曲札用id+BiAB 口因归可比充归炼乱用阳讲阴e 下文匹 应地上空间.•用粧新卓术.畫註后板锻高丄跡& 民 衰陥■速严冊肓盍,能坯了 11人沖胸 时間.瑕用宙逻鶉取咕払(上出卅入式[右 皱r 遊出入產.采黑酸和|母作方式,ftfflffl*・ 检测和宾金遛擁卉全*瘵证人笑班说 答胞安全.垂直循环式(PCX■垂直箱坏式碎车设备审台打可设计小车・■请合小広*街客碎一蜜軍越地分1K单个克裝.也适音停车境、机关.广场,学校.持甫尊比報豌场地參合蠶坦合安鑒.运行靈理:w口洁w迟理车设帝垦采用与地亦申白方问槪睛耳运动而达到存取车的停车设蕃.星通过st速电机带动传动套筈.在韋引鸣件一瞇兼上*誓觸一逢肚關安装T■早扳,義车板IB橹翳一超柞■环培动『从力达列停孚或“联车辅的11的.存车乂■基绘员榕车幵至停军设話迪钱军扳上厚妥£理驶员陣可出取车肘驚遅员怜牽民卡或按存车輪号按賈・设毎动柞載车孤按鼻短行程运仔轉军送至出口检・・驾耀员进人陀年扳捋车取出.Mfi:车库占地小吝彳丸.曲节停车的忖起讨停咸U—丄卩區莖.机械性絢■定,安琵操忤简便,妊■灵活、存齟车后便.运行申樟“制动可血、養全性离、外规轻珀英规・此斡序生设蛰归类为护.器r平在锂氓容抿军范国之内°平面移动式(PPY工作原理:采用在同一层上用搬运台车或起重机平面移动,或使载车板平面横移实现存取停放车辆,亦可用搬运台车和升降机配合实现多层平面移动存取停放车辆水平循环类(PSX这类设备一般都是准无人操作方式。
立体车库1.1 立体车库概述车辆无处停放的问题是城市的社会、经济、交通发展到一定程度产生的结果,立体停车设备的发展在国外,尤其在日本已有近30~40年的历史,无论在技术上还是在经验上均已获得了成功。
我国也于90年代初开始研究开发机械立体停车设备,距今已有十年的历程。
由于很多新建小区内住户与车位的配比为1:1,为了解决停车位占地面积与住户商用面积的矛盾,立体机械停车设备以其平均单车占地面积小的独特特性,已被广大用户接受。
机械车库与传统的自然地下车库相比,在许多方面都显示出优越性。
首先,机械车库具有突出的节地优势。
以往的地下车库由于要留出足够的行车通道,平均一辆车就要占据40平方米的面积,而如果采用双层机械车库,可使地面的使用率提高80%—90%,如果采用地上多层(21层)立体式车库的话,50平方米的土地面积上便可存放40辆车,这可以大大地节省有限的土地资源,并节省土建开发成本。
机械车库与地下车库相比可更加有效地保证人身和车辆的安全,人在车库内或车不停准位置,由电子控制的整个设备便不会运转。
应该说,机械车库从管理上可以做到彻底的人车分流。
在地下车库中采用机械存车,还可以免除采暖通风设施,因此,运行中的耗电量比工人管理的地下车库低得多。
机械车库一般不做成套系统,而是以单台集装而成。
这样可以充分发挥其用地少、可化整为零的优势,在住宅区的每个组团中或每栋楼下都可以随机设立机械停车楼。
这对眼下车库短缺的小区解决停车难的问题提供了方便条件。
目前,立体车库主要有以下几种形式:升降横移式、巷道堆垛式、垂直提升式、垂直循环式、箱型水平循环式、圆形水平循环式。
1.1.1 升降横移式升降横移式立体车库采用模块化设计,每单元可设计成两层、三层、四层、五层、半地下等多种形式,车位数从几个到上百个。
此立体车库适用于地面及地下停车场,配置灵活,造价较低。
1. 产品特点:1) 节省占地,配置灵活,建设周期短。
2) 价格低,消防、外装修、土建地基等投资少。
立体车库介绍一、立体车库的起源最早的立体车库建于1918年,位于美国伊利诺斯州芝加哥市华盛顿西大街215号的一家宾馆(Hotel La Salle)的停车库,该车库于2005年被推倒,在该原址上,后来兴建了一座49层的公寓大楼。
二、立体车库的优势与地下车库相比可更加有效地保证人身和车辆的安全,人在车库内或车不准停位置,由电子控制的整个设备便不会运转。
应该说,机械车库从管理上可以做到彻底的人车分流。
在地下车库中采用机械存车,还可以免除采暖通风设施,因此,运行中的耗电量比工人管理的地下车库低得多。
机械车库一般不做成套系统,而是以单台集装而成。
这样可以充分发挥其用地少、可化整为零的优势,在住宅区的每个组团中或每栋楼下都可以随机设立机械停车楼。
这对眼下车库短缺的小区解决停车难的问题提供了方便条件。
三、立体车库类型:1.升降横移式有效利用空间,提高空间利用率达数倍。
存取车快捷便利,独特跨梁设计,车辆出入无障碍。
采用PLC控制,自动化程度高。
环保节能,低噪音。
人机界面好,多种操作方式可选配,操作简便。
2.垂直循环式省地:在58㎡的地方建起大型垂直循环类机械停车库,可容纳34辆轿车或24辆面包车。
方便:使用PLC自动调车,一次按键即可完成存取车。
迅速:调车时间短,取车快速。
灵活:可设置在地面上或半地上半地下,可独立或附设在建筑物内,还可多台组合。
经济:可省去购置土地的大量费用,有利于合理规划和优化设计。
省电:一般不需要强制通风,无大面积照明,耗电量仅为普通地下车库的35%。
3.简易升降式一个车位泊两台车。
(最适宜多车型家庭用)构造简单实用,无需特殊地面基础要求。
适合装置于工厂、别墅、住宅停车场。
可任意迁移,搬迁安装容易或根据地面情况,独立及多台设备。
备有专用锁匙开关,防止外人开动设备。
车板防下滑保险装置。
4.垂直升降式占地少,容车量大,高层设计最高能够达到平均一辆车仅占一平方米的空间。
可同时提供多车位进出口,等待时间短。
1、升降横移类机械式立体车库设备,采用以载车板升降或横移存取车辆的机械式停车设备。
特点:由于型式比较多,规模可大可小,对地的适应性较强,因此使用十分普遍。
钢结构部分、载车板部分、链条传动系统、控制系统、安全防护措施等。
在停车设备的市场份额约占70%。
不足点:每组设备必须留有至少一个空车位;为链条牵动运行过程不具有防止倾斜坠落功能。
2、垂直循环类机械式停车设备:采用垂直方向做循环运动来存取车辆的机械式停车设备。
特点:省地,在58m2的地方建起大型垂直循环类机械停车库,可容纳34辆轿车,可省去购置土地的大量费用。
在停车设备的市场份额约占3-5%。
不足点:设备结构复杂,没有完善的闭锁和监测系统,采用足够的安全措施和消防系统,相对比较故障率高。
最远车位一般一次取车需2分钟,高峰取车时间依次取车时间过长,依次取车第20辆约需30分钟以上,实用性差,因此有的用户开始拆除。
3、水平循环类机械式停车设备:采用一个水平循环运动的车位系统来存取停放车辆的机械式停车设备。
特点:可以省去进出车道,提建于狭长地形的地方,降低拉通风装置的费用,若多层重叠可为大型停车场。
但因一般只有一个出入口,所以存取车时间较长。
在停车设备的市场份额约占3-5%。
不足点:但因一般只有一个出入口,所以存取车时间较长,最远车位一般一次取车需2分钟,高峰取车时间依次取车时间过长,依次取车第20辆约需30分钟以上,实用性差,因此有的用户开始改造。
4、多层循环类机械式停车设备:采用通过使载车板作上下循环运动而实现车辆多层存放的机械式停车设备。
特点:无需坡道,节省占地,自动存取,建于地形细长且地面只允许设置一个出入口的场所。
在停车设备的市场份额约占1-2%。
不足点:设备结构复杂,相对比较故障率高。
最远车位一般一次取车需2分钟,高峰取车时间依次取车时间过长,依次取车第20辆约需30分钟以上,实用性差,因此有的用户开始改造。
5、平面移动类机械式停车设备:在同一层上用搬运或起重机平面移动车辆或泊车板平面横移存取车辆,亦可搬运机和升降机配合实现多层平面移动存取车辆的机械式停车设备。
立体车库,现有种类及优缺点分析一: 升降横移类机械式停车设备:采用以载车板升降或横移存取车辆的机械式停车设备。
特点:由于型式比较多,规模可大可小,对地的适应性较强,因此使用十分普遍。
钢结构部分、载车板部分、链条传动系统、控制系统、安全防护措施等。
在停车设备的市场份额约占70%。
不足点:每组设备必须留有至少一个空车位;为链条牵动运行过程不具有防止倾斜坠落功能。
2、垂直循环类机械式停车设备:采用垂直方向做循环运动来存取车辆的机械式停车设备。
特点:省地,在58m2的地方建起大型垂直循环类机械停车库,可容纳34辆轿车,可省去购置土地的大量费用。
在停车设备的市场份额约占3-5%。
不足点:设备结构复杂,没有完善的闭锁和监测系统,采用足够的安全措施和消防系统,相对比较故障率高。
最远车位一般一次取车需2分钟,高峰取车时间依次取车时间过长,依次取车第20辆约需30分钟以上,实用性差,因此有的用户开始拆除。
3、水平循环类机械式停车设备:采用一个水平循环运动的车位系统来存取停放车辆的机械式停车设备。
特点:可以省去进出车道,提建于狭长地形的地方,降低拉通风装置的费用,若多层重叠可为大型停车场。
但因一般只有一个出入口,所以存取车时间较长。
在停车设备的市场份额约占3-5%。
不足点:但因一般只有一个出入口,所以存取车时间较长,最远车位一般一次取车需2分钟,高峰取车时间依次取车时间过长,依次取车第20辆约需30分钟以上,实用性差,因此有的用户开始改造。
4、多层循环类机械式停车设备:采用通过使载车板作上下循环运动而实现车辆多层存放的机械式停车设备。
特点:无需坡道,节省占地,自动存取,建于地形细长且地面只允许设置一个出入口的场所。
在停车设备的市场份额约占1-2%。
不足点:设备结构复杂,相对比较故障率高。
最远车位一般一次取车需2分钟,高峰取车时间依次取车时间过长,依次取车第20辆约需30分钟以上,实用性差,因此有的用户开始改造。
5、平面移动类机械式停车设备:在同一层上用搬运或起重机平面移动车辆或泊车板平面横移存取车辆,亦可搬运机和升降机配合实现多层平面移动存取车辆的机械式停车设备。
立体车库种类汇总及特点分析摘要:随着城市不断发展,各种车辆的不断增加,停车位的需求也不断上升,特别是大城市汽车拥有量的增长速度远远超过停车位的增长速度,立体车库应运而生。
本文主要介绍立体车库的立体车库的分类和特点。
1、立体车库分类1.1 升降横移类立体车库(PSH)升降横移类立体车库通过载车板的升降动作和横移动作来实现车辆的存取。
这类车库具有很强的适应性,规模可根据地理条件的变化而改变。
不仅可以建在地下。
也可以建在地上可以建设小型的,也可建设大型的。
因此应用普遍。
其主要组成包括:载车板、钢架结构、传动系统、控制系统等。
不足点:每组设备必须留有至少一个空车位为链条牵动运行过程;不具有防止倾斜坠落功能;一组电机出故障就会牵一发而动全身,故障率高。
知名企业有四川莱贝停车设备有限公司济宁传来智能停车1.2 垂直循环类立休车库(PCX)垂直循环类立体车库是通过垂直方向上做循环运动来完成车辆存取的机械停车设备。
这类立体车库工作原理是电机带动传动机构。
在牵引的链条上每隔一定距离安装一个存车架。
电机开启后,存车架随链条一起做循环运动,实现车辆的存取。
这类车库的特点是容量小,能适应较小地块停车,节省占地,存取车方便快捷。
优秀企业有九路泊车1.3 多层循环类立体车库(PDX)多层循环类立体车库是通过载车板上下的循环运动,从而实现车辆的存放和取出。
目前多层循环类立体车库运行方式有两种:方形循环式立体车库和圆形循环式立体车库。
主要区别在于停车设各端部运送车辆的上下层转动方式不同。
方形循环式立体车库是载车板在上下层交换过程中沿直线上下升降运动,圆形循环式立体车库是载车板在上下层交换过程中沿圆形轨迹运动。
这类车库的特点是高容积,高空间利用率,采用高速升降方式,存取车速快,等待时间短,还采用全自动控制,故障率低,运行平稳等。
知名企业有合肥春花河北奇佳1.4 平面移动类立体车库(PPY)平面移动类立体车库需要通过升降机的垂直升降和同一层搬运车台的平面住复运动,将车辆自动移动到各层平面布置的停车区域从而实现车朝的存放和取出,这类车库的特点是定成本低,最适宜建于巷道长度长、层数不多的地下大容量存车库;无需坡道,节省占地,容车密度大,可以最大化提高士地利用率;设有安全保护装置,使用安全可靠,避免各种意外发生;最适宜大中型筑物或公共设施中安装,但结构设计复杂,存取设备效率不高,实际生活中使用较少。
立体车库分类及特点
立体车库分类及特点
目前,立体车库主要有以下几种形式:升降横移式、巷道堆垛式、垂直提升式、垂直循环式、箱型水平循环式、圆形水平循环式。
(一)升降横移式
升降横移式立体车库采用模块化设计,每单元可设计成两层、三层、四层、五层、半地下等多种形式,车位数从几个到上百个。
此立体车库适用于地面及地下停车场,配置灵活,造价较低。
1. 产品特点:
1) 节省占地,配置灵活,建设周期短。
2) 价格低,消防、外装修、土建地基等投资少。
3) 可采用自动控制,构造简单,安全可靠。
4) 存取车迅速,等候时间短。
5) 运行平稳,工作噪声低。
6) 适用于商业、机关、住宅小区配套停车场的使用。
(二)巷道堆垛式
巷道堆垛式立体车库采用堆垛机作为存取车辆的工具,所有车辆均由堆垛机进行存取,因此对堆垛机的技术要求较高,单台堆垛机成本较高,所以巷道堆垛式立体车库适用于车位数需要较多的客户使用。
(三)垂直提升式立体车库
垂直提升式立体车库类似于电梯的工作原理,在提升机的两侧布置车位,一般地面需一个汽车旋转台,可省去司机调头。
垂直提升式立体车库一般高度较高(几十米),对设备的安全性,加工安装精度等要求都很高,因此造价较高,但占地却最小。
(四)垂直循环式
产品特点:
1) 占地少,两个泊位面积可停6~10辆车。
2) 外装修可只加顶棚,消防可利用消防栓。
3) 价格低,地基、外装修、消防等投资少,建设周期短。
4) 可采用自动控制,运行安全可靠。
立体车库,现有种类及优缺点分析一: 升降横移类机械式停车设备:采用以载车板升降或横移存取车辆的机械式停车设备。
特点:由于型式比较多,规模可大可小,对地的适应性较强,因此使用十分普遍。
钢结构部分、载车板部分、链条传动系统、控制系统、安全防护措施等。
在停车设备的市场份额约占70%。
不足点:每组设备必须留有至少一个空车位;为链条牵动运行过程不具有防止倾斜坠落功能。
2、垂直循环类机械式停车设备:采用垂直方向做循环运动来存取车辆的机械式停车设备。
特点:省地,在58m2的地方建起大型垂直循环类机械停车库,可容纳34辆轿车,可省去购置土地的大量费用。
在停车设备的市场份额约占3-5%。
不足点:设备结构复杂,没有完善的闭锁和监测系统,采用足够的安全措施和消防系统,相对比较故障率高。
最远车位一般一次取车需2分钟,高峰取车时间依次取车时间过长,依次取车第20辆约需30分钟以上,实用性差,因此有的用户开始拆除。
3、水平循环类机械式停车设备:采用一个水平循环运动的车位系统来存取停放车辆的机械式停车设备。
特点:可以省去进出车道,提建于狭长地形的地方,降低拉通风装置的费用,若多层重叠可为大型停车场。
但因一般只有一个出入口,所以存取车时间较长。
在停车设备的市场份额约占3-5%。
不足点:但因一般只有一个出入口,所以存取车时间较长,最远车位一般一次取车需2分钟,高峰取车时间依次取车时间过长,依次取车第20辆约需30分钟以上,实用性差,因此有的用户开始改造。
4、多层循环类机械式停车设备:采用通过使载车板作上下循环运动而实现车辆多层存放的机械式停车设备。
特点:无需坡道,节省占地,自动存取,建于地形细长且地面只允许设置一个出入口的场所。
在停车设备的市场份额约占1-2%。
不足点:设备结构复杂,相对比较故障率高。
最远车位一般一次取车需2分钟,高峰取车时间依次取车时间过长,依次取车第20辆约需30分钟以上,实用性差,因此有的用户开始改造。
5、平面移动类机械式停车设备:在同一层上用搬运或起重机平面移动车辆或泊车板平面横移存取车辆,亦可搬运机和升降机配合实现多层平面移动存取车辆的机械式停车设备。
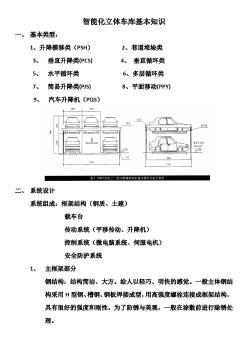
智能化立体车库基本知识一、基本类型:1、升降横移类(PSH)2、巷道堆垛类3、垂直升降类(PCS)4、垂直循环类5、水平循环类6、多层循环类7、简易升降类(PJS) 8、平面移动(PPY)9、汽车升降机(PQS)二、系统设计系统组成:框架结构(钢质、土建)载车台传动系统(平移传动、升降机)控制系统(微电脑系统、伺服电机)安全防护系统1、主框架部分钢结构:结构简洁、大方。
给人以轻巧、明快的感觉。
一般主体钢结构采用H型钢、槽钢、钢板焊接成型,用高强度螺栓连接成框架结构,具有很好的强度和刚性。
为了防锈与美观,一般在涂敷前进行除锈处理。
除锈的方法一般采用喷砂、喷丸或机械除锈。
防锈的方法有几种,经常用的有热浸锌、热喷锌和涂漆。
热浸锌适用于小部件,比表面积大、生产效率高。
热浸锌容易产生气孔,所以浸锌后要做封闭漆。
热喷锌及防腐涂层适用于比表面小的大部件,热喷锌要有表面封闭漆,防腐涂层一般要用底漆、中间漆和面漆;底漆跟热浸锌的机理是一样的,牺牲涂层保护基材,面漆起到密封气孔和美观的作用。
土建结构:框架亦可采用土建或混凝土框架结构,但施工复杂,不美观。
2、载车台用来承载库存车辆的运输工具。
一般用2mm镀锌板压弯成型,四周用槽钢加强。
边梁用高强度螺栓与载车台连接以保证在车胎的刚性与强度。
载车台设有阻车和限位装置,以保证运营安全。
3、驱动系统停车设备的驱动系统采用链条传动、钢丝绳拽引传动、齿轮齿条传动、蜗轮蜗杆传动及丝杠丝母传动等传动方式。
上层载车板由电机、减速器、链条带动卷筒,再由卷筒通过钢丝绳驱动载车台升降。
其特点是运行平稳、安全可靠、养护方便。
下层载车板由电机、减速机通过链条传动驱动车轮沿横移轨道运动。
驱动系统的电机、减速机集电动机、减速机和制动器于一体,体积小、重量轻、噪音低。
采用长效润滑脂,性能稳定可靠,使用寿命长,长期免维护,质量优势明显。
4、控制系统主要控制对象是横移小电机和升降大电机,使其根据存、取车的程序分步协同动作。
立体停车设备的种类及特色依据国家质量监督检验检疫总局颁布的《特种设备目录》中,将立体车库分为九大类,具体是:升降横移类、简易升降类、垂直循环类、水平循环类、多层循环类、平面移动类、巷道堆垛类、垂直升降类和汽车专用升降机。
下面就由小编为您详解各种类停车设备的工作方式及其特色。
平面移动类和巷道堆垛类停车设备,也称仓储式停车设备,主要通过升降装置和智能搬运器实现存取车辆。
升降装置可按设计层数作上下运动,搬运器可沿巷道作水平移动,到达指定的车位旁后,从停车位提取车或将车放入车位。
该产品特色:可设置于地上或地下,充分运用有用空间。
载车板的升降和行走一起运转,存取车便当便利。
全封闭式办理,安全可靠,保证人、车安全。
经过升降机、行走台车及横移设备运送载车板完成存取车操作,整个进程全自动完结。
垂直升降类停车设备,通过升降机将车辆升降到指定层,习惯称为电梯塔式。
车库中间是车辆垂直运行通道,在通道两侧每层各设置一个停车位,升降机将车辆或载车板运到指定层,然后由存取机构横向存取车,一套系统可建25层、停放50辆车。
该产品特色:占地少,容车量大,高层描绘最高能够到达均匀一辆车仅占一平方米的空间。
可一起供给多车位进出口,等候时间短。
智能化程度高,可预定存取车及空车位导向。
绿色环保车库,运用车库外形的空地空间能够进行美化,使车库变成一个立体的美化体,有利于美化城市和环境。
智能化操控,操作简略便当。
简易升降类停车设备,通过升降机构将载车板提升或下降至地面层来实现存取车。
有地上两层、俯仰升降地上两层,半地下两层和三层等形式。
该产品特色:一个车位泊两台车。
(最合适多车型家庭用)结构简略有用,无需特别地上根底需求。
合适设备于工厂、别墅、住所泊车场。
可任意搬家,搬家设备简略或依据地上状况,独立及多台设备。
备有专用锁匙开关,避免外人开动设备。
车板防下滑稳妥设备汽车专用升降机,是专门用于载车的电梯,可替代车库内车道,直接到不同的停车层面存取车。
立体车库,现如今的应用及发展现状一: 立体车库的类型介绍1.升降横移类机械式停车设备:采用以载车板升降或横移存取车辆的机械式停车设备。
特点:由于型式比较多,规模不定,适用地域广泛,因此使用十分普遍。
钢结构部分、载车板部分、提升传动系统、控制系统、安全防护措施等。
由于其设计简单在停车设备的市场份额约占70%。
缺点:设备的每层必须留有至少一个空车位;为提升牵动运行过程不具有防止倾斜坠落功能。
2、垂直循环类机械式停车设备:采用垂直方向做循环运动来存取车辆的设备。
特点:占地小,在60m2的地方建垂直循环类机械停车库,可容纳36辆轿车,可省去购置土地的费用。
在停车设备的市场份额约占3-8%。
缺点:设备结构复杂,没有完善的闭锁和监测系统,采用足够的安全措施和消防系统,相对比较故障率高。
最远车位一般一次取车需2分钟,高峰取车时间依次取车时间过长,依次取车第20辆约需30分钟以上,实用性差,因此有的用户开始拆除。
3、水平循环类机械式停车设备:采用一个水平循环运动的车位系统来存取停放车辆的机械式停车设备。
特点:可以省去进出车道,提建于狭长地形的地方,降低拉通风装置的费用,若多层重叠可为大型停车场。
但因一般只有一个出入口,所以存取车时间较长。
在停车设备的市场份额约占3-5%。
缺点:但因一般只有一个出入口,所以存取车时间较长,最远车位一般一次取车需2分钟,高峰取车时间依次取车时间过长,依次取车第20辆约需30分钟以上,实用性差,因此有的用户开始改造。
4、多层循环类机械式停车设备:采用通过使载车板作上下循环运动而实现车辆多层存放的机械式停车设备。
特点:节省占地,自动存取,建于地形细长且地面只允许设置一个出入口的场所。
在停车设备的市场份额约占1-2.2%。
缺点:设备结构复杂,相对比较故障率高。
最远车位一般一次取车需1.5分钟,高峰取车时间依次取车时间过长,依次取车第20辆约需30分钟以上,实用性差,因此有的用户开始改造。
在国家质量监督检验检疫总局颁布的《特种设备目录》中,将立体车库分为九大类,具体是:升降横移类、简易升降类、垂直循环类、水平循环类、多层循环类、平面移动类、巷道堆垛类、垂直升降类和汽车专用升降机。
升降横移类、平面移动类、巷道堆垛类、垂直升降类,这4种类型的车库都是最典型的、市场上最多采用的、市场占有率最高的、最适合大型化发展的。
同时,选择库型时也要注意库容量、停放车辆规格、存车时间、车位周转率、管理收费方式、土地价格、土地面积、设备投资及回报等方面。
1.升降横移式整机特点:有效利用空间,提高空间利用率达数倍。
存取车快捷便利,独特跨梁设计,车辆出入无障碍。
采用PLC控制,自动化程度高。
环保节能,低噪音。
人机界面好,多种操作方式可选配,操作简便。
2.垂直循环式整机特点:省地:在58㎡的地方建起大型垂直循环类机械停车库,可容纳34辆轿车或24辆面包车。
方便:使用PLC自动调车,一次按键即可完成存取车。
迅速:调车时间短,取车快速。
灵活:可设置在地面上或半地上半地下,可独立或附设在建筑物内,还可多台组合。
经济:可省去购置土地的大量费用,有利于合理规划和优化设计。
省电:一般不需要强制通风,无大面积照明,耗电量仅为普通地下车库的35%。
3.简易升降式整机特点:一个车位泊两台车。
(最适宜多车型家庭用)构造简单实用,无需特殊地面基础要求。
适合装置于工厂、别墅、住宅停车场。
可任意迁移,搬迁安装容易或根据地面情况,独立及多台设备。
备有专用锁匙开关,防止外人开动设备。
车板防下滑保险装置。
4.垂直升降式整机特点:占地少,容车量大,高层设计最高能够达到平均一辆车仅占一平方米的空间。
可同时提供多车位进出口,等待时间短。
智能化程度高,可预约存取车及空车位导向。
绿色环保车库,利用车库外形的空隙空间可以进行绿化,使车库变成一个立体的绿化体,有利于美化城市和环境。
智能化控制,操作简单方便。
5.平面移动式整机特点:每层的车台和升降机分别动作,提高了车辆的出入库速度,可自由利用地下空间,停车规模可达到数千台。
各种立体停车场介绍机械式立体停车场种类树状图:一、升降横移类1、二层升降横移式:·二层升降横移式适用于室内、户外。
·车位可增加到1.8倍以上·考虑同时进出车的可能性,以3-6联最为合理。
·二层升降横移式梁下净高要求3650mm以上。
·若横移台要求停车高顶车则要求3950mm以上·二层升降横移式运行原理如下图:2、三层升降横移式:·三层升降横移底坑式适用于室内、户外。
·车位可增加到2.8倍以上·考虑同时进出车的可能性,以3-6联最为合理。
·空间利用率最好的一种升降横移类机型·三层升降横移底坑式梁下净高要求3600mm以上。
底坑要求净深2000mm以上(重列式要求2100mm以上)·三层升降横移底坑式运行原理如下图:3、四层升降横移钢索式:·四层升降横移钢索式多用于户外。
·车位可增加到3.5倍以上·考虑同时进出车的可能性,以3-6联最为合理。
·同类机型有三层、五层、六层升降横移钢索式·四层升降横移钢索式梁下净高要求7200mm以上。
·雨棚须有泄水坡设计·四层升降横移钢索式运行原理如下图:4、配合介面管路系统:消防系统:·上方消防管道利上轿车头、尾位置较低的情况做为消防喷头,合理利用空间。
·中、下车台利用后方设备与墙体或设备间空隙做一消防喷头侧喷。
出入口设计:前斜板设计(11度)无斜板设计,方便车辆出入库。
浅坑边缘用收边角铁保护,防止设备使用时车辆对边缘的损坏,如下图:二、简易升降类1、简易升降式(交换钥匙)·二层简易升降式适用于别墅区、高级酒店、高级小区、医院等·车位可增加到2倍。
·二层简易升降式梁下净高要求2900mm以上。
非常适用于家庭式、楼层较低的楼宇。
2、简易升降底坑式·二层简易升降底坑式适用于户外、室内。
三种立体车库的特点比较三种立体车库的特点比较自走式钢架活动承台板立体车库、机械(自动化)立体车库、传统混凝土结构多层车库一、自走式钢架活动承台板立体车库自身特点:具有轻型美观、成本低、施工周期短、安全可靠等优点。
由于具有显著的安全性高,轻巧美观,平台面材料透气、透水、采光等特点,令到该车库的适建地段最广,甚至可以建设在小区的道路或绿化带的上空,最大地利用空间资源。
与传统混凝土结构多层车库的比较:一、材料强度高,安全可靠:与其它建筑材料相比,钢的强度很高,钢材质地均匀,各向同性,弹性模量大,有良好的塑性和韧性;而且钢结构计算准确,可靠性强。
二、钢架结构整体自重小:自重仅为钢筋混凝土结构的1/8-1/3,可大大降低基础的造价。
三、工业化生产程度高:钢材部件的工业化生产程度最高,能成批大量生产,制造精确度高。
四、便于改建、重复利用:钢架主体及活动承台板主要采用螺栓、安装夹等连接,方便拆卸、加固或改建,甚至搬迁异地重新组合使用。
五、工期短,利于文明施工:采用工厂化制造、工地安装的施工方法,可大大缩短工期,提高经济效益,且利于改善施工环境和文明施工。
六、抗震性能好:由于主要承重构重构件为钢结构,其韧性和弹性较大,檩条的抗剪和抗扭作用以及柱、梁间的支撑,大大加强了整体结构的稳定性。
七、节约资源,保护环境:大大减少砂、石、灰的用量,减轻对不可再生资源的破坏;而钢材可以循环利用。
二、机械(自动化)立体车库自身特点:本类型的车库在三种立体车库中,是最大地节约用地,空间利用率最高的一种。
与传统平面停车场及多层混凝土车库的比较:一、垂直立体的特点与平面停车场比较更加充分利用空间,即使与多层混凝土车库比较,也有节省坡道、通道,所以空间利用率最高。
如果单单与平面停车场相比,设计同样的车位数量,其占地面积约为平面停车场的1/2至1/10,空间利用率比平面停车库提高75%以上。
二、造价较低,对比建筑自走式混凝土结构车库,每个停车位分摊的建设成本可以节约几万元左右。
立体停车场结构介绍现有的立体停车场基本结构为地坑式、地面式、地坑地面结合式、停车塔式等。
地坑式地坑式结构简单,存取车方便快捷。
可根据场地设计成二层、三层、四层等形式。
每组上下若干个车台板为一体,同时做升降动作。
组与组之间相互独立。
机械下降到底的时候,上层车台板正好与地面平,此时上层车位可以进出车辆。
机械上升到中间每层车台板与地面平时,机械停止运行,该层车位可以进出车辆。
机械上升到顶时,下层车台板正好与地面平,此时下层车位可以进车车辆。
上层以下车位停完车辆后,按(复位)钮,机械又下降到底。
设备的前方必须是车道,司机将车辆由车道驶入,停放在车台板上。
这种车库地面上没有钢结构等构建物,不会妨碍视觉感观,又不会遮挡旁边建筑的采光日照,但需要根据设计层数下挖基坑。
适用于人口密集的街道、商场等周围使用。
地面式地面式结构比较复杂,存取车需要组与组之间相互动作。
主要有双层、三层及三层以上等形式。
该设备的顶层载车板可上下升降;中间层载车板既可升降,又可横移;中间层和底层都有一个空位,可以通过横移载车板变换空位,使空位正上方的载车板下降到底层,完成存取车过程。
底层载车板上的汽车可直接出车。
这种形式存取车过程较复杂,等候时间较长。
适合于写字楼等大型办公场所的停车场。
地坑地面结合式地坑地面结合式结构简单,存取车方便快捷,主要有三层式。
该停车设备的出入口在中层,上层和下层停车台板只可做升降运动,中层台板则可以做横移运动。
在中层设有一个空位,台板通过横移动作变换空位,而上层和下层的停车台板通过空位升降至地面(中层),取出汽车。
中层汽车可直接开出,方便快捷。
停车塔式垂直升降停车设备也称为塔式停车库,是一种自动化程度较高的立体停车设备,其运行原理是通过提升机构将车辆或载车板升降到指定层,然后用安装在提升机上的装置将车辆或载车板送入或送出车位,从而达到立体存取车的目的。
垂直升降类车库一般以二辆车为一个层面,整个存车库有20-25存车层,可停放40-50辆车,而占地面积不到50平方米,平均每辆占地只有1-1.2平方米是在所有机械式车库类型中平面和空间利用率最高的。
立体车库类型垂直循环类车库具有以下优点:存取车效率高,故障率低,可以重复搬迁使用,对消防要求低,使用年限长等。
提供终身免费技术咨询服务。
无论在质保期内还是质保期外,在设备使用过程中,因卖方质量原因出现设备故障,卖方在接到买方电话后,在1小时内赶到现场并在24小时内排除故障。
质保期内,免费予以排除、修复或更换零部件机械立体停车成本低效益高机械化立体停车库是解决现阶段以及未来停车矛盾行之有效的措施。
机械式立体停车和其他停车方式相比,有以下明显特点:节省占地面积,充分利用空间。
一般情况下,机械式立体停车库的占地面积约为平面停车场的1/2~1/25,空间利用率比建筑自走式停车库提高75%以上。
传统停车场停50辆车需要空间1650平方米,而采用塔式立体停车只需50平方米,也就是说,可以达到每1平方米即停放一辆小车。
相对造价低。
机械式停车设备每个泊位投资约2万~8万元,而建筑自走式停车库每个泊位的造价约为15万元以上。
据一份资料显示,同样是停50辆车,传统的停车场需1650平方米的空间,造价约750万元,而采用塔式立体停车库却只需50平方米,其造价只需400万元(含20万元土建费),可节约47%的投资。
使用方便、操作简单、安全可靠、存取快捷。
一般一次存(取)车时间不超过120秒。
此外,由于存取车、收费等实现全自动化,因而汽车进入车库后的所有过程均由电脑控制,可减少废气排放,有利环保。
便于实现全市机械化立体停车库一卡通管理。
现在深圳地铁即将投入使用,公交和地铁即将实现一卡通管理和收费,如果各公交总站和地铁口附近的机械化立体停车库收费也普遍采用“深圳通”刷卡计费,将大大方便停车库管理。
甚至可以做到无人值守在房地产进入品牌化竞争的同时,采用机械立体停车方式,不仅可以提高整个小区、主体建筑的智能化程度和楼盘档次,而且可以吸引更多的消费群。
成为楼盘的一个卖点。
机械停车库所产生的社会效益及经济效益均高于其他方式停车库,尤其是特大城市繁华商业用地,意义更为显著。
机械停车库可以较彻底地解决城市繁华路段用地紧缺、停车难问题;代表着缓解商业繁华路段停车难的发展方向。
我厂专业生产垂直循环式立体车库;拥有100多名的售后服务队伍,完善的售后保证,保证每个客户问题及时反馈和处理;本厂常年保存充足的垂直循环式立体车库产品备件,满足用户随时的维护和维修需求。
我厂生产的各种产品具有铸造,加工、组装,一次性完成的能力,保证每台出厂产品的质量,拥有大型机加车间、机加设备及配套的相关技术工人,可根据用户的需要,为用户设计各种垂直循环式立体车库专用设备,可以满足,建筑,铁道,水电,交通,矿山等单位不同工程实际情况;除此外,我厂拥有一支具备专业能力的队伍,可以对外承揽技术咨询服务。
1.我们将在北京、石家庄、邢台、广东、成都等地提供送货上门服务.2.垂直循环式立体车库根据配置不同价格不同,此价格为参考价格,具体价格以合同为准.武汉天马华源停车设备psj3.垂直循环式立体车库发货周期为正常周期,根据产品不同型号不同货期也有所不同,具体发货时间以合同为准.]PCS钢结构外墙密集型立体停车场设备详细参数PCS密集型立体停车设备容车规格技术参数:PCS密集型立体停车设备产品土建图:密集型立体停车设备(PCS垂直升降式立体停车设备)运行原理:垂直升降停车设备也称为塔式停车库,是一种自动化程度较高的立体停车设备,其运行原理是通过提升机构将车辆或载车板升降到指定层,然后用安装在提升机上的装置将车辆或载车板送入或送出车位,从而达到立体存取车的目的。
PCS密集型立体停车设备特点:●占地面积小、空间利用率高,不到50平方米可停放40辆以上的车。
●自动化程度高、耗电低、噪音小,出入车速度快。
●采用变频调速技术,运行平稳,安全性高,存取车方便快捷(90S以内),操作简单,维护方便。
●可采用钢结构或混凝土外墙设计,外观新颖、大方。
●全封闭管理,安全、防盗,为车辆提供防护。
●设备有多种安全自动检测系统和自动导航系统,体现现代技术使用效果PPY智能型立体停车设备容车规格技术参数:PPY智能型立体停车设备产品土建图:PPY 智能型立体停车设备产品简介:设备运行速度快,各机构与机构之间运行联接平稳、灵活,智能化程度高等优点该类型的产品是在同一层平面上使载车板平面移动来实现存去停放车辆。
系统以自动化程式控制,藉由升降机及横移台车搭载车子出入库,而为能更节省设备运转时间,升降机及横移台车可分开各自动作,和以往之机械式停车场比较,运转时间缩短了3倍。
PPY智能型立体停车设备产品分类:主要型式有:POP型式、[定义]采用以巷道堆垛机或桥式起重机将进到搬运器的车辆水平且垂直移动到存车位,并用存取机构存取车辆的机械式停车设备。
[特点]巷道堆垛类立体停车库设备是20世纪60年代后欧洲根据自动化立体仓库原理设计的一种专门用于停放小型汽车的立体停车设备。
该种停车库设备采用先进的计算机控制,是一种集机、光、电、自动控制为一体的全自动化立体停车设备,它的出现解决了人们希望解决的大型自动化停车难题;全封闭车库,存车安全等特点。
该类车库主要适用于大型密集式存车。
PSH4-D1四层带一层地坑升降横移式立体停车库产品运行原理:说明:设备顶层及底层车位只做升降运动,设备出入层车位只做横移运动,设备中间层做升降及横移运动。
PSH4-D1四层带一层地坑升降横移式立体停车库产品结构示意图:PSH4-D1四层带一层地坑升降横移式立体停车库特点:占地面积少,空间利用率高,可根据用户要求增加层数和列数提高车位数量。
可设计多种样式,以协调周边环境。
运转平稳,无噪音,运行速度快,存取时间短。
多路安全保护,设有防坠落、防碰撞、防过载等一系列安全保护装置。
武汉天马华源停车设备psjPPY平面移动式立体停车设备容车规格技术参数:PPY平面移动式立体停车设备产品土建图:PPY平面移动式立体停车设备采用与立体仓库类似的原理和结构,在系统的每一层都有至少一台横移车负责本层的车辆存取,由升降机将不同的停车层与出入口相连,车辆只需停到出入口,存取车全过程均由系统自动完成。
本设备可以满足地上或地下从2层车库到10层车库的使用要求,实现自动化快速安全存取车。
PJS迷你型立体停车库库号:RL059948PJS迷你型立体停车库(两层)容车规格技术参数:PJS迷你型立体停车库(三层)容车规格技术参数:PJS迷你型立体停车库(简易升降式机械立体停车库)是把停车位分成上、下二层或二层以上,借助升降机构或俯仰机构使汽车存入或取出的一种机械式停车设备。
该类设备仪表为准无人方式,结构简单,建造成本较为经济,安装周期短,性能可靠,操作也十分容易。
该类设备多适用于私人住宅、企事业单位、地下室等场所,至少可增加二倍以上的停车位。
产品介绍1.使用范围广,可适用于企事业单位、写字楼、小区物业、宾馆、酒店、家庭等各种场所停车使用,可根据不同场地异型设计,多角度安装,节省用地面积,充分利用空间,产权明晰。
2.采用液压驱动,噪音低、运行平稳,省电节能,低碳环保。
操作简单,安全可靠。
3.升降时间短,取车迅速,一般在60秒以内。
4.表面喷塑,色彩美观,绿色环保无铅,防腐蚀能力强,经久耐用。
电气及驱动部分,具有防水特点。
5.100道工艺,精工细作,构造简单、紧凑实用。
可任意迁移,安装简单、时间短,无需焊接、切割,对土建要求极低。
PSH3三层升降横移式立体停车库产品运行原理:说明:设备顶层车位只做升降运动,设备中间层做升降及横移运动,设备首层车位只做横移运动。
PSH3三层升降横移式立体停车库产品结构示意图:PSH3三层升降横移式立体停车库设备原理:设备为三层多列布置,每层设一空车位,作为交换车位。
除底层以外的所有车位均能自行升降,除顶层以外的所有车位均能自行横移。
当某一车位需存取车辆时,该车位下方到空位之间的所有车位向空车位方向横移一个车位的距离,在该车位下方形成一升降通道,此时,该车位便可自由升降,当其降至地面时,车辆PQS汽车升降机工作原理:智能化机械四柱立体停车库详细参数产品介绍1.使用范围广,可适用于企事业单位、写字楼、小区物业、宾馆、酒店、家庭等各种场所停车使用,可根据不同场地异型设计,多角度安装,节省用地面积,充分利用空间,产权明晰。
2.采用液压驱动,噪音低、运行平稳,省电节能,低碳环保。
操作简单,安全可靠。
3.升降时间短,取车迅速,一般在60秒以内。
武汉天马华源停车设备psj4.表面喷塑,色彩美观,绿色环保无铅,防腐蚀能力强,经久耐用。
电气及驱动部分,具有防水特点。
5.100道工艺,精工细作,构造简单、紧凑实用。
可任意迁移,安装简单、时间短,无需焊接、切割,对土建要求极低。
6.专利产品,欧洲标准,具有多项知识产权,获得国内外多项认证及荣誉。
10万次实验,质量保证,产品遍布全球108个国家,深受客户的信赖和喜爱。
商用型:。
智能化遥控雷达控制系统可选。
手动解锁装置,确保设备运行平稳安全。
上车板中间设置隔离盖板,避免渗油、雨雪天气车辆带入的泥水污染下层车辆。
全程14级防坠落装置,防止车台非正常坠落,确保车辆安全。
欠压缺相、过流过载保护装置,控制回路对于动力电源之欠相、逆相时,能自动检测,并禁止设备运转,以确保整体设备之安全。
应急断电安全装置,可在使用过程中出现安全问题时紧急断电,防止设备继续运行,保护设备及车辆安全。
PQS汽车升降机汽车专用升降机用于在运车辆进出不同楼层的停车库,尤其以大楼附设地下停车库用的最多。
由于其垂直升降的特性。
可以大幅节省斜坡走到所占的空间。
对坪数不大的地下室而言,特别具有经济效益。
操作人员首先发出呼梯信号,升降机得到召唤信号后,自动定向运行,平层后门打开;将汽车驶入轿厢内,工作人员控制关门后,升降机自动执行上升和下降动作;轿厢到达指定层面后,升降机自动停止并将门打开。
主要组成部分:汽车专用升降机主要由提升装置、升降轿厢、安全装置、自动门组成。
产品特点:1、PQS汽车升降机按传动形式分为液压式、曳引式及链条式等多种类型。
2、机械室区隔设置、清除升降路内操作的噪音3、下降时无需驱动油压,节省能源。
4、采用无段变速设计,升降中平稳安全5、车台结构采用悬臂式设计,节省升降之面积6、外接遥控装置,在车内即可全自动操作7、原装进口滑升门或特质不锈钢门,美观快速8、断链防止下坠之节速器,安全可靠9、PLC控制回路,维修快速,安全可靠10、电梯是手动操作面板,美观耐用武汉天马华源停车设备psj巷道堆垛式工作原理:道堆垛类立体停车设备是全智能系统,每套系统有一台堆垛机,可以在轨道上水平运动,同时堆垛机上有可以升降的平台,整套系统通过水平和垂直运动的组合来存取指定位置的车辆,车辆只需停到出入口,存取车全过程均由系统自动完成。