附表3-人防工程质量检查报告(设计单位)
- 格式:doc
- 大小:17.50 KB
- 文档页数:1
XXX人防工程施工质量验收报告编制:()审核:(总监理工程师)审批:(负责人)监理单位:(公章)年月日人防工程质量验收报告一、工程概况xxx建设工程,建设地点位于xxx(详细地址),本工程结构安全等级为x 级,设计使用年限为x年,耐火等级为x级,总建筑面积为xx M2,建筑抗震设防类别为x类,抗震设防烈度为x度,地下x层。
人防工程位于地下x层,抗力等级为常x级核x级,防化等级为x级,人防总建设面积xx M2,掩蔽面积xx M2,划分为x个防护单元,x个抗爆单元,平时用途为xx,战时用途为xx,共设x个出入口,疏散宽度为xx M。
人防工程地基处理采用xxx(地基处理作法)人防工程主体采用现浇钢筋混凝土结构。
混凝土强度基础垫层C xx;基础筏板C xx,抗渗等级P x;外墙C xx,抗渗等级P x;临空墙C xx,顶部C xx、抗渗等级P x。
人防外墙防水采用xxxxx(防水作法)。
参建各责任主体单位建设单位:设计单位:勘察单位:监理单位:施工单位:监督单位:人防工程质量监督单位:西安市人防工程质量监督监察队二、项目监理部组成及分工…三、监理依据及验收依据在工程施工过程中,监理部严格按照国家有关人防工程施工的法律、法规和技术规程、规范,以及监理合同要求进行了全过程监理。
监理依据有:1、工程施工图纸;2、招标答疑、图纸会审纪要、设计变更通知单;3、监理合同;4、监理规划、监理实施细则;5、…6、国家有关强制性标准及现行施工规范。
质量验收依据有:1、《建筑地基基础工程施工质量验收规范》GB50202-xxx2、《混凝土结构工程施工质量验收规范》GB50204-xxx3、《混凝土工程强度检验评定标准》GB50026-xxx3、《砌体结构工程施工质量验收规范》GB50203-xxx4、《建筑电气工程施工质量验收规范》GB50303-xxx5、《通风与空调施工质量验收规范》GB 50243-xxx6、《建筑给排水及采暖工程施工质量验收规范》GB 50243-xxx7、《人民防空工程质量验收与评价标准》RFJ01-20158、…9、其他国家有关强制性标准及现行施工验收规范。
人防工程质量监督报告书一、引言人防工程,作为国家安全体系的重要组成部分,对于保障人民生命财产安全、维护社会稳定具有重要意义。
为了确保人防工程的建设质量,提高工程的抗灾能力和使用寿命,本报告书对人防工程质量监督进行详细阐述,以期为人防工程建设提供有益的参考。
二、质量监督的重要性1.保障人民生命财产安全:人防工程作为战时避难所和平时防灾减灾设施,其建设质量直接关系到人民的生命财产安全。
通过质量监督,可以确保工程符合设计要求和安全标准,降低因工程质量问题引发的安全事故风险。
2.维护社会稳定:人防工程是国家安全体系的重要组成部分,其建设质量关系到国家的战略安全和社会稳定。
质量监督有助于确保人防工程在关键时刻发挥应有作用,维护国家安全和社会稳定。
3.提高工程效益:通过质量监督,可以及时发现和纠正工程建设过程中的问题,避免资源浪费和成本增加,提高工程建设的经济效益和社会效益。
三、质量监督的目标与原则1.目标:确保人防工程建设质量符合国家和地方相关法规、标准、规范的要求,提高工程的抗灾能力和使用寿命。
2.原则:坚持预防为主、综合治理的原则,强化全过程、全方位、全员参与的质量管理,实现人防工程建设质量的持续改进。
四、质量监督的主要内容1.施工前监督:在施工前阶段,质量监督主要包括对施工单位资质审查、施工方案评审、原材料及设备质量检验等内容。
通过对施工单位资质进行严格审查,确保施工单位具备相应的技术能力和管理水平;对施工方案进行评审,确保施工方案的科学性和可行性;对原材料及设备进行质量检验,确保原材料及设备符合相关标准和设计要求。
2.施工中监督:在施工过程中,质量监督主要包括对施工工艺控制、施工进度跟踪、隐蔽工程验收等内容。
通过对施工工艺进行严格控制,确保施工过程中的各项操作符合相关标准和设计要求;对施工进度进行跟踪监控,确保工程按计划进行;对隐蔽工程进行及时验收,确保隐蔽工程的质量符合要求。
3.施工后监督:在施工结束后,质量监督主要包括对工程竣工验收、工程质量评估、工程质量保修等内容。
XXX人防工程施工质量验收报告编制:()审核:(总监理工程师) 审批: (负责人)监理单位:(公章)年月日人防工程质量验收报告一、工程概况xxx建设工程,建设地点位于xxx(详细地址),本工程结构安全等级为x 级,设计使用年限为x年,耐火等级为x级,总建筑面积为xx M2,建筑抗震设防类别为x类,抗震设防烈度为x度,地下x层。
人防工程位于地下x层,抗力等级为常x级核x级,防化等级为x级,人防总建设面积xx M2,掩蔽面积xx M2,划分为x个防护单元,x个抗爆单元,平时用途为xx,战时用途为xx,共设x个出入口,疏散宽度为xx M。
人防工程地基处理采用xxx(地基处理作法)人防工程主体采用现浇钢筋混凝土结构。
混凝土强度基础垫层C xx;基础筏板C xx,抗渗等级P x;外墙C xx,抗渗等级P x;临空墙C xx,顶部C xx、抗渗等级P x。
人防外墙防水采用xxxxx(防水作法)。
参建各责任主体单位建设单位:设计单位:勘察单位:监理单位:施工单位:监督单位:人防工程质量监督单位:西安市人防工程质量监督监察队二、项目监理部组成及分工…三、监理依据及验收依据在工程施工过程中,监理部严格按照国家有关人防工程施工的法律、法规和技术规程、规范,以及监理合同要求进行了全过程监理。
监理依据有:1、工程施工图纸;2、招标答疑、图纸会审纪要、设计变更通知单;3、监理合同;4、监理规划、监理实施细则;5、…6、国家有关强制性标准及现行施工规范。
质量验收依据有:1、《建筑地基基础工程施工质量验收规范》GB50202—xxx2、《混凝土结构工程施工质量验收规范》GB50204—xxx3、《混凝土工程强度检验评定标准》GB50026-xxx3、《砌体结构工程施工质量验收规范》GB50203—xxx4、《建筑电气工程施工质量验收规范》GB50303-xxx5、《通风与空调施工质量验收规范》GB 50243—xxx6、《建筑给排水及采暖工程施工质量验收规范》GB 50243—xxx7、《人民防空工程质量验收与评价标准》RFJ01—20158、…9、其他国家有关强制性标准及现行施工验收规范。
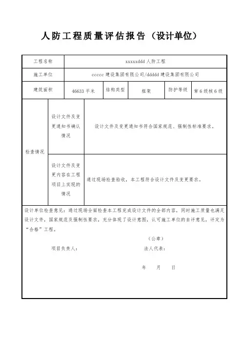
施工单位人防工程质量评估报告
人防工程质量检查报告质量验收意见一栏填写要求:
(1)、通过现场全面检查、确认工程质量是否满足设计文件要求,充分体现了设计意图,是否认可施工单位的自评意见。
(2)、本工程依法进行设计、执行有关部分的批文及根据勘察成果文件进行设计的情况。
(3)、本工程是否按强制性条文进行工程设计。
(4)、在施工过程中,设计单位签发的设计文件(包括设计变更通知单和技术核定单等)是否符合国家规范、强制性标准要求、实物质量与设计文件是否相符。
(5)、施工过程中,是否发现结构性的质量缺陷,(如沉降超标、倾斜、裂缝等)并提出设计出来方案,施工单位是否按设计处理方案处理。
(6)、本工程是否完成工程设计要求的全部内容。
施工单位人防工程质量评估报告
人防工程质量检查报告质量验收意见一栏填写要求:
(1)、通过现场全面检查、确认工程质量是否满足设计文件要求,充分体现了设计意图,是否认可施工单位的自评意见。
(2)、本工程依法进行设计、执行有关部分的批文及根据勘察成果文件进行设计的情况。
(3)、本工程是否按强制性条文进行工程设计。
(4)、在施工过程中,设计单位签发的设计文件(包括设计变更通知单和技术核定单等)是否符合国家规范、强制性标准要求、实物质量与设计文件是否相符。
(5)、施工过程中,是否发现结构性的质量缺陷,(如沉降超标、倾斜、裂缝等)并提出设计出来方案,施工单位是否按设计处理方案处理。
(6)、本工程是否完成工程设计要求的全部内容。
人防工程竣工验收程序为了保证人防工程能够达到设计深度,满足人防工程的战时和平时的使用功能,人防工程内部设备安装满足规范要求,在建设单位组织参建各方对人防工程进行自验自评合格的基础上,组织竣工验收,验收的形式、程序和内容是否符合规范要求。
一、竣工验收申报条件1、完成工程设计和合同约定的各项内容,达到竣工验收标准;2、施工单位在工程完工后,对工程质量进行了全面检查,确认工程质量符合法律、法规和工程建设强制性标准规定,符合设计文件及合同要求,并提出人防工程竣工验收报告(合格证明书);3、设计单位对设计文件及施工过程中由设计单位参加签署的设计变更文件进行了检查,确认设计符合国家规范、标准要求,施工单位的工程质量达到设计要求,并提出人防工程质量检查报告(合格证明书);4、监理单位在施工单位自评合格,勘察、设计单位认可的基础上,对竣工工程质量进行了检查并核定质量等级,提出人防工程质量评估报告(合格证明书);5、有完整的工程项目建设全过程竣工档案资料;6、施工单位和建设单位签署了工程质量保修书;7、人防工程质量监督站要求整改的质量问题全部整改完毕。
二、竣工验收申报程序和提交材料1、竣工验收申报程序1)在参建各责任主体自验自评合格的基础上,建设单位提前7天向人防质监站提交竣工验收申请和验收资料;2)人防质监站审查提交资料是否完整准确,并确定验收时间;3)监督验收;4)验收合格后出具《人防工程质量监督报告》。
2、提交材料第一册1。
人防工程质量验收申请报告(附件1)2.人防工程战时平面图(A3白图3张)3.建设单位:人防工程竣工验收报告4。
设计单位:人防工程质量检查报告(附件2)5.施工单位:人防工程竣工验收报告(附件3)6。
监理单位:人防工程质量评估报告(附件4)7.人防工程竣工验收方案(附件5)8.人防工程竣工验收备案自行验收结论(附件6)9。
单位工程质量检验评定(记录)表10.人防工程基本概况综合登记表(附件7)第二册1.人防工程专项验收申报表(杭州市行政服务中心人防窗口领取,备人防工程专项验收用)2。
人防工程检测报告的模板
一、检测目的
本报告旨在检测人防工程的结构安全性、防水性能、通风性能等方面,以确保该工程符合相关标准和规范,为后续使用和维护提供依据。
二、检测范围
本次检测范围为人防工程的主体结构、防水层、通风系统等关键部位。
三、检测方法
1.结构安全性检测:采用超声回弹法、钻芯法等无损检测方法,对混凝土强度、钢筋直径、钢筋间距等关键参数进行检测。
2.防水性能检测:采用淋水试验、渗水试验等方法,对防水层的质量和防水性能进行检测。
3.通风性能检测:采用风速测量、风量测量等方法,对人防工程的通风性能进行检测。
四、检测结果
1.结构安全性:经检测,人防工程的主体结构混凝土强度符合设计要求,钢筋直径和钢筋间距符合规范要求,结构安全性良好。
2.防水性能:经检测,人防工程的防水层质量良好,无渗漏现象,防水性能符合规范要求。
3.通风性能:经检测,人防工程的通风系统运行正常,风速和风量符合设计要求,通风性能良好。
五、结论
根据本次检测结果,可以得出以下结论:
1.人防工程的主体结构安全性良好,符合相关标准和规范要求。
2.人防工程的防水性能良好,无渗漏现象,符合规范要求。
3.人防工程的通风性能良好,风速和风量符合设计要求。
六、建议措施
为了确保人防工程的长期安全使用,建议采取以下措施:
1.加强日常维护和保养,定期检查结构安全性和防水性能。
2.定期进行通风系统的维护和保养,确保正常运行。
3.在使用过程中,应严格遵守相关规定和操作规程,确保人员安全。
人防工事检查情况汇报根据上级部门的要求,我单位对人防工事进行了全面的检查和汇报,现将检查情况汇报如下:一、检查时间和地点。
本次检查工作于2022年12月10日在我单位所属区域进行,检查范围包括人防工事的建设、维护和管理情况。
二、检查内容。
1. 人防工事建设情况。
在本次检查中,我们对各个人防工事的建设情况进行了详细的了解和核实。
发现在建设过程中,存在部分工程质量不达标的情况,例如部分墙体存在渗水现象,部分通风设施不完善等。
针对这些问题,我们已经要求相关责任单位进行整改,确保人防工事的建设质量。
2. 人防工事维护情况。
在检查中,我们发现部分人防工事的维护工作并不到位,例如通风设施未能及时清理,防护门窗存在损坏等情况。
我们已经要求相关单位对这些问题进行整改,并加强维护工作,确保人防工事的正常使用。
3. 人防工事管理情况。
在管理方面,我们发现部分人防工事的管理制度和管理措施并不完善,例如安全疏散通道未能保持畅通,安全设施未能及时更新等情况。
我们已经要求相关责任单位进行整改,并加强对人防工事的日常管理,确保安全可靠。
三、下一步工作计划。
针对本次检查发现的问题,我们将进一步加强对人防工事的监督检查工作,确保相关问题得到及时整改。
同时,我们还将加强对人防工事建设、维护和管理的督促指导,提高人防工事的整体管理水平。
四、结语。
通过本次检查,我们对人防工事的建设、维护和管理情况有了全面的了解,并已经制定了下一步的工作计划。
我们将继续加大对人防工事的监督检查力度,确保人防工事的安全可靠。
同时,我们也将加强对相关责任单位的督促指导,推动人防工事的整体管理水平不断提升。
总之,我们将以更加严谨的工作态度,更加高效的工作举措,不断完善人防工事的建设、维护和管理工作,为保障人民群众的生命财产安全作出更大的努力。
以上就是本次人防工事检查情况的汇报,请上级领导审阅。
人防工程竣工验收程序为了保证人防工程能够达到设计深度,满足人防工程的战时和平时的使用功能,人防工程内部设备安装满足规范要求,在建设单位组织参建各方对人防工程进行自验自评合格的基础上,组织竣工验收,验收的形式、程序和内容是否符合规范要求。
一、竣工验收申报条件1、完成工程设计和合同约定的各项内容,达到竣工验收标准;2、施工单位在工程完工后,对工程质量进行了全面检查,确认工程质量符合法律、法规和工程建设强制性标准规定,符合设计文件及合同要求,并提出人防工程竣工验收报告(合格证明书);3、设计单位对设计文件及施工过程中由设计单位参加签署的设计变更文件进行了检查,确认设计符合国家规范、标准要求,施工单位的工程质量达到设计要求,并提出人防工程质量检查报告(合格证明书);4、监理单位在施工单位自评合格,勘察、设计单位认可的基础上,对竣工工程质量进行了检查并核定质量等级,提出人防工程质量评估报告(合格证明书);5、有完整的工程项目建设全过程竣工档案资料;6、施工单位和建设单位签署了工程质量保修书;7、人防工程质量监督站要求整改的质量问题全部整改完毕。
二、竣工验收申报程序和提交材料1、竣工验收申报程序1)在参建各责任主体自验自评合格的基础上,建设单位提前7天向人防质监站提交竣工验收申请和验收资料;2)人防质监站审查提交资料是否完整准确,并确定验收时间;3)监督验收;4)验收合格后出具《人防工程质量监督报告》。
2、提交材料第一册1.人防工程质量验收申请报告(附件1)2.人防工程战时平面图(A3白图3张)3.建设单位:人防工程竣工验收报告4.设计单位:人防工程质量检查报告(附件2)5.施工单位:人防工程竣工验收报告(附件3)6.监理单位:人防工程质量评估报告(附件4)7.人防工程竣工验收方案(附件5)8.人防工程竣工验收备案自行验收结论(附件6)9.单位工程质量检验评定(记录)表10.人防工程基本概况综合登记表(附件7)第二册1.人防工程专项验收申报表(杭州市行政服务中心人防窗口领取, 备人防工程专项验收用)2.人防工程质量检验评定(记录)表(含分项、分部、单位工程以及隐蔽工程检查验收记录的全套表格)3.人防工程战时、平时竣工平面图(蓝图)4.人防工程设计变更(联系单、修改图等)(复印件)5.人防设备订购合同、订货清单及合格证(原件)6.工程定位坐标资料(复印件)7.监理会议纪要8.混凝土施工日记9.隐蔽工程验收记录10.实体检测资料11.水泥、钢材、砖出厂合格证或试验报告12.材料构配件检验报告及合格证13.砂浆试块、混凝土试块试验报告材料说明:以上资料除注明外均一式一份,第一册材料提交后由人防工程质量监督站做为存档材料,第二册在验收合格后返还建设单位。
人防工程检测报告的模板
一、概述
本报告旨在对人防工程进行检测,确保其符合相关标准和规范,保障人民生命财产安全。
本次检测依据相关法规、标准,对人防工程进行了全面的检测,并对其质量、安全性、稳定性等方面进行了评估。
二、检测范围
本次检测范围包括人防工程的主体结构、防护设备、通风系统、电气系统、给排水系统等。
三、检测方法
本次检测采用现场检查、量测、取样化验等多种方法,对各系统进行了详细的检测和评估。
同时,对现场管理人员和操作人员进行抽查,确保其具备相应的资质和能力。
四、检测结果
1.主体结构:经过现场检查和量测,发现部分构件存在裂缝、变形等问题,但总体上主体结构安全可靠。
2.防护设备:防护设备的性能和质量符合相关标准和规范,能够有效抵御外部冲击。
3.通风系统:通风系统的设计合理,设备运行正常,能够满足人员疏散和通风换气的需要。
4.电气系统:电气系统的设备、线路、开关等均符合相关标准和规范,
能够保证供电和用电安全。
5.给排水系统:给排水系统的设备、管道等均符合相关标准和规范,能够保证供水和水质安全。
五、结论
经过本次检测,发现部分构件存在裂缝、变形等问题,但总体上人防工程安全可靠。
建议对存在问题的部位进行及时维修和加固,确保人防工程的安全性和稳定性。
同时,建议加强日常维护和管理,确保人防工程的正常运行和使用效果。